Abstract
Evaporative cooling is a green, energy-efficient cooling technology adopted in hot and dry regions, which has wider application in the field of air-conditioning systems. Outdoor meteorological parameters have a great influence on the operation mode and control strategy of evaporative cooling air-conditioning systems, and the system load distribution and system configuration will be affected. This paper aims at investigating the load distribution of semi-central evaporative cooling air-conditioning systems under the condition of hourly outdoor meteorological parameters. Firstly, this paper introduced the design partition, operation mode, controlling strategy and load distribution method on semi-central evaporative cooling air-conditioning system. Then, taking an office building in Lanzhou (China) as an example, the evaporative cooling air-conditioning system was divided into five regions and the load distribution was simulated by TRNSYS (The Transient Energy System Simulation Tool) under the condition of hourly outdoor meteorological parameters. Finally, the results have shown that the evaporative cooling air-conditioning system can provide 25.46% of the building loads, which was of great significance to reduce the energy consumption of air-conditioning system.
1. Introduction
HVAC (Heating, ventilation and air conditioning) systems play an increasingly important role in fulfilling human comfort requirements and indoor air quality [1,2]. However, up to 2010, it was estimated that greenhouse gas emissions resulting from HVAC system energy consumption accounted for approximately 33% of all global greenhouse gas emissions [3,4]. Energy consumption in buildings accounted for about 20–40% of the total energy consumption, while HVAC systems accounted for about 60–70% of the energy consumption in buildings in developed countries [5,6]. With the increase of energy needs, costs and related environmental issues, energy saving air-conditioning would be a promising development [7]. In summer, the relative humidity of outdoor air was high in many regions of China and latent heat loads account for about 30–50% of the total heat loads. Therefore, the energy consumption generated by dehumidification would also account for about 30–50% of the total energy consumption for air-conditioning system, and humidity control is a challenging task [8,9,10,11].
In recent years, many studies have focused on temperature and humidity independent control air-conditioning systems, while there have been few studies on the problem of dynamic load distribution. Researchers in Tsinghua University first proposed a temperature and humidity independent control air-conditioning system based on the control of the indoor environment [12], which consisted of temperature control and humidity control subsystems [13]. Temperature and humidity independent control air-conditioning systems have the advantage of reducing air-conditioning energy consumption and improving the indoor environment, and are an effective way to match the energy structure [14]. Huang et al. drew on the concept of the traditional semi-central air-conditioning system and proposed a semi-central evaporative cooling air-conditioning system for hot and dry areas, as an energy-efficient temperature and humidity independent control air-conditioning system, which had been widely used in northwest China [15]. Liu et al. compared the performance analysis between the evaporative cooling composite air-conditioning system and the traditional semi-central air-conditioning system in a middle-humidity area, and indicated that the combination of evaporative cooling and the traditional air-conditioning mode could reduce the cooling capacity of the chiller and the running time, thereby saving operation costs and improving the energy efficiency, which provided a basis for the development of evaporative cooling air-conditioning systems in the middle-humidity areas [16]. Chen et al. investigated fresh air processed by solar assisted liquid dehumidifiers and evaporative cooling systems, and indicated that the energy savings rate of the system was between 22.4% and 53.2% when the optimal ventilation ratio was determined with different fresh air conditions under the influence of solar heat collecting area, dehumidifier and evaporative cooling system [17]. Jiang et al. introduced a new type of evaporative cooling air-conditioning system, which consisted of a solid dehumidification heat pump and variable refrigerant flow air-conditioning system, and indoor sensible heat loads and latent heat loads were respectively processed. Furthermore, the study compared the energy efficiency of the new type of evaporative cooling air-conditioning system with the experimental device of joint heat recovery ventilation equipment and variable refrigerant flow air-conditioning system (JHVS), and concluded that the new type of evaporative cooling air-conditioning system could achieve energy savings of 17.2% and the indoor relative humidity was maintained at about 50% [18]. Zhao et al. analyzed the operation performance of a temperature and humidity independent control air-conditioning system in an office building located in Shenzhen (China). The results showed that temperature and humidity independent control air-conditioning system could achieve good indoor environment, which made the indoor temperature, humidity and CO2 concentration meet the requirements of human comfort. Therefore, the air system would be more energy-saving and efficient compared with traditional air-conditioning system [19]. Xuan et al. analyzed the performance of evaporative cooling air-conditioning systems. The results showed that an evaporative cooling air-conditioning system had a higher potential of practical application and energy saving in northwest China. In addition, it could be applied as a secondary cooling system in south China. They also performed an analysis of heat and mass transfer in evaporative cooling air conditioning systems, and these studies indicated that most theoretical models had been validated by experimental results, which could provide some references for the design on air-conditioning around the world [20]. Han et al. carried out performance tests on the new type of evaporative cooling air-conditioning system in different climate zones. The results indicated that the energy saving effect of the new type in evaporative cooling air-conditioning system was greatly affected by the outdoor meteorological parameters in different climate zones. The new system would save 31.31% of energy consumption in cold and dry areas while energy saving would reach 13.66% in warm and humid areas [21]. Evaporative cooling air-conditioning systems were very promising compared with conventional compressed air-conditioning systems [22], which could remove latent heat loads and pollutants from the air, and reducing electricity and energy consumption [23,24,25].
In summary, previous researchers have conducted a detailed study on temperature and humidity independent control air-conditioning systems. For different climate zones, to some extent, the performance of evaporative cooling air-conditioning systems depended on the outdoor meteorological parameters. The operation mode and control strategies of the system were directly affected when these outdoor meteorological parameters changed, which resulted in different energy-saving effects and air-conditioning system operating efficiency. After the research and analysis, the energy-saving efficiency of the evaporative cooling air-conditioning system in hot and dry areas was higher than that in the middle-humidity areas, which has bright prospects. Therefore, this paper aimed at studying the problem of dynamic load distribution in semi-central evaporative cooling system. Taking a dry-type fan-coil unit with fresh air system in an office building located in Lanzhou (China) as an example, the present work focused mainly on determining partition of the outdoor hourly meteorological parameters area in summer and investigating the load distribution of evaporative cooling system in different climatic zones based on TRNSYS (The Transient Energy System Simulation Tool). These results could be employed as a reference on the problem of dynamic load distribution in semi-central evaporative cooling system in the northwest region of China.
2. Methods
2.1. The Layout of Evaporative Cooling Air-Conditioning System
In summer, the design parameters of evaporative cooling air-conditioning system have a great difference in different climate regions. The function sections of the evaporative cooling unit adopted were different under the conditions of different outdoor air dry and wet bulb temperature. References [26,27,28] divided the different summer outdoor air state points into five regions on the i-d chart as shown in Figure 1 and analyzed how to select the form of function section of evaporative cooling air-conditioning system by summer outdoor design state points in different climatic zones. Different outdoor air design dry and wet bulb temperatures in summer, air-conditioning units should adopt different forms of evaporative coolers, which calculate the loads of different sections of evaporative cooling combination by TRNSYS’s psychrometric chart module. The points N and O respectively represented the indoor design air state point, the ideal air supply state point (apparatus dew point).
Figure 1.
Design partition of evaporative cooling air-conditioning system.
2.2. The Mode of Evaporative Cooling Air-Conditioning System
The evaporative cooling air-conditioning system was affected by the climate, so the form of evaporative cooling air-conditioning systems was different in different climate regions. The operation mode of dry areas is shown in Figure 2, while the operation mode of middle-humidity areas is shown in Figure 3. The system was composed of evaporative cooling air-conditioning unit, evaporative chiller unit, mechanical refrigeration unit and fan-coil unit. An evaporative chiller alone or or combined with a mechanical refrigeration unit provided high temperature cooling water as thhe cold source for a dry-type fan-coil unit when the system was running. In the evaporative cooling air-conditioning unit, the outdoor air was processed by the indirect evaporative cooling section, the surface cooling section and the direct evaporative cooling section. The cooling water was handled by the evaporative cooling high temperature chiller, the temperature of which was between the wet bulb temperature and dew point temperature, was used as the high temperature cold source of the system.
Figure 2.
Evaporative cooling air-conditioning operating mode in dry areas.
Figure 3.
Evaporative cooling air-conditioning operating mode in middle-humidity areas.
2.3. The control Strategy of Evaporative Cooling Air-Conditioning System
Evaporative cooling air-conditioning systems achieve the system operation requirements by opening different function sections of the evaporative cooling air-conditioning unit and adjusting the water temperature.
- (1)
- When the summer outdoor air state point W was in area I, that is hw < ho, dw < do, the evaporative cooling air-conditioning unit opened the direct evaporative cooling section to process the outdoor air. The enthalpy-humidity chart with air process and the process diagram are shown in Figure 4a.
Figure 4. Enthalpy-humidity chart with processing air and the process diagram. - (2)
- When the summer outdoor air state point W was in area II, that is hw > ho, dw ≤ do, the evaporative cooling air-conditioning unit opened the indirect evaporative cooling section and the direct evaporative cooling section to process the outdoor air. The enthalpy-humidity chart with air process and the process diagram are shown in Figure 4b.
- (3)
- When the summer outdoor air state point W was in areas III~V, the direct evaporative cooling was unable to meet the indoor air requirements. At this time, the indirect evaporative cooling section was opened to precool the outdoor air, and opened the surface cooling section of evaporative cooling air-conditioning unit to cool and dehumidify outdoor air. The enthalpy-humidity chart with air process and the process diagram are shown in Figure 4c.
The fresh air unit was responsible for indoor moisture loads and partial sensible heat loads by opening different function sections. The fan-coil unit assumed the sensible heat loads caused by the indoor equipment, personnel, lights and envelope structure. The system operation mode was shown in Table 1.
Table 1.
The operation mode and control strategy of the semi-central evaporative cooling system.
2.4. The Case Study for Evaporative Cooling Air-Conditioning System
The design of conventional air-conditioning systems generally adopts the method of designing outdoor air calculation parameters, while evaporative cooling air-conditioning systems require opening different function sections to achieve the system operation strategy for different outdoor meteorological parameters. Therefore, it is significant to study the load distribution of evaporative cooling air-conditioning when the outdoor meteorological parameters change continuously during summer.
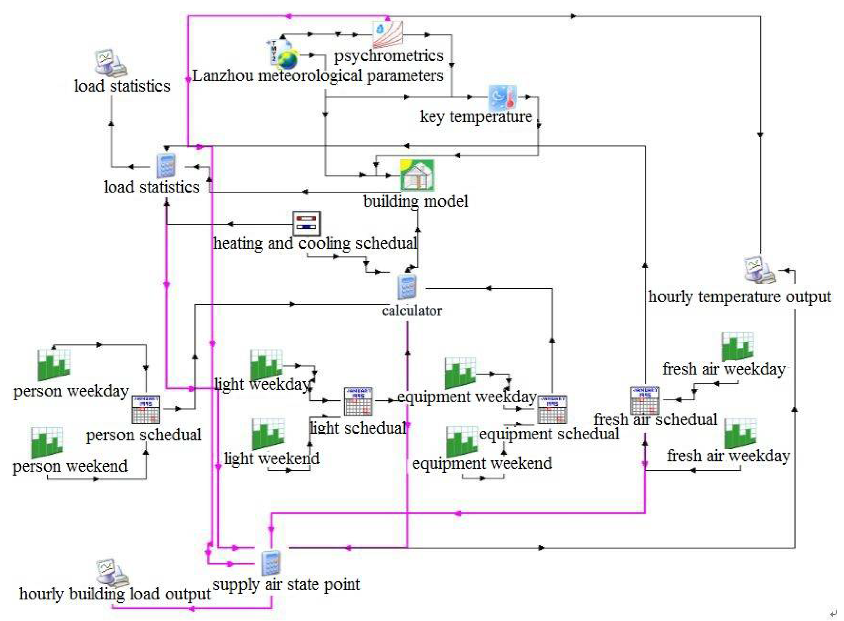
Taking an office building located in Lanzhou as an example, the building was orientated southwise. The length, width and height of the building are respectively 40 m, 20 m, 3 m. The building has five floors, the indoor air-conditioning area of single floor was 800 m2, the building air-conditioning area was 4000 m2 and the north and south window wall area ratio was 0.4. The heat transfer coefficient of windows is 1.4 W/(m2·K). In addition, the thermal parameters of the building envelope are shown in Table 2. Climate zones and the load distribution model based on TRNSYS of the office building in Lanzhou are shown in Figure 5. The parameters of the air supply state point were determined by the hourly loads of the building in summer, the indoor design point parameters and air supply volume. Then, with the change of the air supply state point parameters, the load distribution of different function sections of evaporative cooling air-conditioning system could be determined based on indoor design state point parameters and the air supply state point parameters according to the design method of evaporative cooling system shown in Section 2.1. The specific method of the load distribution was as follows:
Table 2.
Building envelope thermal parameter table.
Figure 5.
Diagrammatic sketch of dynamic load calculation model
Known conditions: indoor state point N: hN, kJ/kg; dN, g/kg; air supply volume: qm, kg/s; fresh air volume: qmR, kg/s; fan-coil unit air volume: qmW, kg/s; hourly loads: Qi, Kw; hourly moisture loads: Wi, kg/s.
- (1)
- Determination of the air supply state point Oi:
- (2)
- Determination of the fresh air process state point: Li:
- (a)
- When the outdoor state point was in area I, the enthalpy-humidity chart of the air process, which was direct evaporative cooling, is shown in Figure 4a, then hLi = hWi.
- (b)
- When the outdoor state point was in area II, the enthalpy-humidity chart of the air process, which was indirect and direct evaporative cooling, is shown in Figure 4b. It was found that the indirect evaporative cooling efficiency was 75% by calculation and consultations with the equipment manufacturers, then dwIi = dwi. The enthalpy, which was hwIi of the indirect process state point WIi, was output by the TRNSYS psychrometer program, then hLi = hWIi.
- (c)
- When the outdoor state point was in areas III~V, the enthalpy-humidity chart of the air process, which was indirect evaporative cooling and mechanical refrigeration, was shown in Figure 4c.
Saturation partial pressure PsLi of the fresh air process state point Li:Dry bulb temperature ti of the fresh air process state point Li:hLi was output by the TRNSYS psychrometer program according to the dry bulb temperature and moisture content. - (3)
- Determination of the fan-coil unit process state point Mi:
- (4)
- Determination of the indirect process point WIi of the fresh air unit:
- (a)
- When the outdoor state point was in area II: the determination process of state point WIi is as shown in the second method in Section 2.4 (2).
- (b)
- When the outdoor state point was in the areas III~V, the enthalpy-humidity chart of the air process, which was indirect evaporative cooling and mechanical refrigeration, is as shown in Figure 4c. The indirect evaporative cooling efficiency was 75%, then twIi = twi − 0.75(twi − twsi), dwIi = dN. The enthalpy, which was the hwIi of the indirect process point WIi, was output by the TRNSYS psychrometer program.
- (5)
- Determining the operation strategy of evaporative cooling unit by TRNSYS according to each state point. At the same time, the loads which were provided by the direct evaporative cooling section, the indirect evaporative cooling section, the surface cooling section and the fan-coil unit, was respectively output.
- (a)
- When the outdoor state point was in area I: the loads provided by the direct evaporation section:The loads provided by fan-coil unit:
- (b)
- When the outdoor state point was in area II: the loads provided by the indirect evaporation section:The loads provided by the direct evaporation section:The loads provided by fan-coil unit:
- (c)
- When the outdoor state point was in areas III~V: the loads provided by the indirect evaporation section:The loads provided by the surface cooling section:The loads provided by fan-coil unit:
3. Results and Discussion
3.1. Applicability Judgment of Evaporative Cooling Air-Conditioning Unit
The hourly cooling load of air-conditioning was simulated by TRNSYS, as shown in Figure 6. The design loads of the office building were 326.00 kW, the design moisture loads were 14.17 g/s, the heat humidity ratio ε was 23,011.79 kJ/ kg, the air supply volume was 38.82 kg/s, the fresh air volume was 5.3875 kg/s, and the fan-coil unit air volume was 33.43 kg/s. Indoor state point, outdoor state point and air supply state point are shown in Table 3.
Figure 6.
Hourly cooling loads of an office building in Lanzhou.
Table 3.
Parameters indoor state point, outdoor state point and air supply state point.
The air-conditioning season in Lanzhou was from 15 May to 30 September, and the entire air-conditioning added up to 3336 h. Figure 6 showed the outdoor air state point in Lanzhou. According to the design partition of evaporative cooling air-conditioning system, the outdoor hourly meteorological parameters, the design of indoor air state point and the air supply state point parameters were compared. On the psychrometric chart, the hours of the outdoor state point were respectively determined in the areas I, II, III, IV and V, which were 2640 h, 346 h, 100 h, 41 h, 244 h and accounted for 79.14%,10.37%, 3.00%, 1.23%, 7.31% of the air-conditioning hours, which also listed in the Table 4. When the outdoor state point was in area II, two-stage evaporative cooling was implemented by opening the indirect evaporation section and direct evaporation section of fresh air unit. When the evaporative cooling air-conditioning unit was applied in Lanzhou in summer, the evaporative cooling air-conditioning unit could achieve the requirements of indoor air ventilation during the 89.51% of summer time. Therefore, it is necessary to analyze the outdoor hourly meteorological parameters pertinently and determine the air process strategy when the evaporative cooling cannot achieve the requirements of indoor ventilation.
Table 4.
Partition of outdoor air state point in Lanzhou.
As shown in Figure 7, the summer outdoor meteorological parameters were in different climate areas I~V according to the indoor air design state and air supply design state. The evaporative cooling combined air-conditioning unit needed opening different function sections to process the outdoor air. The above analysis ignores the influence of outdoor meteorological parameters on building loads. However, the air supply point, air supply volume and air process changed with the change of building loads. In order to analyze and determine the loads provided respectively by direct evaporative cooling section, indirect evaporative cooling section, surface cooling section and fan-coil unit, the load distribution of evaporative cooling air-conditioning should be considered according to the load distribution method demonstrated in Section 2.4 under the condition of constant air volume.
Figure 7.
The enthalpy-humidity chart of outdoor air state point in Lanzhou area.
3.2. Analysis of Load Distribution of Evaporative Cooling Air-Conditioning System
According to the load distribution method demonstrated in Section 2.4, the direct evaporative cooling loads, indirect evaporative cooling loads, surface cooling loads and fan-coil unit loads of evaporative cooling combined fresh air unit were output by TRNSYS. The load distribution of the evaporative cooling air-conditioning system in the different regions are shown in Figure 8, Figure 9 and Figure 10, and the load distribution results are shown in Table 5.
Figure 8.
Hourly loads distribution in area I.
Figure 9.
Hourly loads distribution in area II.
Figure 10.
Hourly loads distribution in areas III~V.
Table 5.
The load distribution table.
As shown in Table 5:
- (1)
- When the outdoor state point was in area I, outdoor fresh air was processed by opening the direct section of evaporative cooling air-conditioning unit. At the same time, the fan-coil unit handled the indoor return air. The cumulative loads provided by direct evaporative cooling section were 20,023.69 kWh, and the cumulative loads provided by fan-coil unit were 20,023.69 kWh. The loads provided by the evaporative cooling air-conditioning unit accounted for 18.65% of the total loads.
- (2)
- When the outdoor state point was in area II, the outdoor fresh air was processed by opening the direct and indirect section of the evaporative cooling air-conditioning unit. The cumulative loads of indirect and direct evaporative cooling section were respectively 3347.36 kWh, 75.96 kWh. The loads provided by the evaporative cooling air-conditioning unit accounted for 3.19% of the total loads.
- (3)
- When the outdoor state point was in areas III~V, the requirements of air supply could not be achieved by opening the indirect and direct evaporative cooling unit. Therefore, the indirect section and surface cooling section of air-conditioning unit needed to be opened to process fresh air. The cumulative loads provided by indirect evaporative cooling section were 3883.92 kWh and accounted for 3.62% of the total loads.
- (4)
- In summer, when the outdoor meteorological parameters change hourly, the loads provided by the direct and indirect evaporative cooling sections accounted for 25.46% of the total loads in different regions.
4. Conclusions
In this paper, the outdoor hourly meteorological parameters in Lanzhou, located in northwest China, were divided into five regions, and the operation mode and control strategies of evaporative cooling air-conditioning systems were determined in these different zones. Finally, the dynamic loads of different function sections in evaporative cooling air-conditioning system are obtained, and the following conclusions are drawn from the study:
- (1)
- In summer, outdoor fresh air can be processed by evaporative cooling in Lanzhou, and the guaranteed rate of evaporative cooling air-conditioning is 89.51%.
- (2)
- The loads provided by the direct evaporative cooling and indirect evaporative cooling account for 25.46% of the total loads in an office building located in Lanzhou, which is of great significance to reduce the energy consumption of air-conditioning systems.
- (3)
- In the five regions divided according to the outdoor meteorological parameters in Lanzhou, the outdoor dry bulb temperature is higher, the relative humidity is smaller, and air-conditioning units can provide greater cooling loads. Therefore, the system can produce more obvious energy-saving effects.
- (4)
- According to the hot and dry climate characteristics in Lanzhou in summer, temperature and humidity independent control principle is applied to an evaporative cooling air-conditioning system, which achieves a better energy saving effect. As a result, the air-conditioning system is suitable for application in northwest China. In addition, it should also be suitable for other areas where the climate is relatively hot and dry.
Author Contributions
G.L., Y.L. and R.Z. conceived and designed the simulation works; Z.L. and W.X. wrote the paper and revised the manuscript; B.Q. and X.F. participated some specific calculation and revised the paper
Acknowledgments
The research work was supported by National Key R & D Program of China (2017YFB0604000), the Fundamental Research Funds for the Central Universities (No. 2018MS103, 2018MS108 and 2017MS119).
Conflicts of Interest
The authors declare no conflicts of interest.
Nomenclature
| dp | ideal air supply moisture content, g/kg |
| hW | outdoor air enthalpy, kJ/kg |
| L | direct evaporative cooling state point |
| M | constant humidify cooling state point |
| ε | heat humidity ratio, kJ/kg |
| ϕ | relative humidity, % |
| hoi | hourly air enthalpy, kJ/kg |
| do | hourly air supply moisture content, g/kg |
| dLi | hourly fresh air moisture content, g/kg |
| hLi | hourly fresh air enthalpy, kJ/kg |
| dwli | hourly fresh air moisture content, g/kg |
| dWi | hourly outdoor air moisture content, g/kg |
| twsi | hourly indirect evaporative cooling temperature, °C |
| cp | heat capacity at constant pressure, kJ/(kg·°C) |
| hMi | constant humidify cooling state point enthalpy, kJ/kg |
| tL | direct evaporative cooling state point temperature, °C |
| tM | constant humidify cooling state point temperature, °C |
| ho | ideal air supply enthalpy, kJ/kg |
| twli | hourly fresh air temperature, °C |
| tW | outdoor air temperature, °C |
| tw | hourly outdoor air temperature °C |
| Wi | hour outdoor air condition point |
| hwl | outdoor fresh air enthalpy, kJ/kg |
| twl | outdoor fresh air temperature, °C |
| hWi | hourly outdoor air enthalpy, kJ/kg |
| O | the ideal air supply state point |
| N | the indoor design air state point |
| tO | ideal air supply temperature |
| tW | outdoor air temperature |
References
- Vakiloroaya, V.; Samali, B.; Fakhar, A.; Kambiz, P. A review of different strategies for HVAC energy saving. Energy Convers. Manag. 2014, 77, 738–754. [Google Scholar] [CrossRef]
- Liu, Z.; Cheng, K.; Li, H.; Geo, G.; Wu, D.; Shi, Y. Exploring the potential relationship between indoor air quality and the concentration of airborne culturable fungi: A combined experimental and neural network modeling study. Environ. Sci. Pollut. Res. 2018, 25, 3510–3517. [Google Scholar] [CrossRef] [PubMed]
- Liu, Z.; Xu, W.; Zhai, X.; Qian, C.; Chen, X. Feasibility and performance study of the hybrid ground-source heat pump system for one office building in Chinese heating dominated areas. Renew. Energy 2017, 101, 1131–1140. [Google Scholar] [CrossRef]
- Liu, Z.; Xu, W.; Qian, C.; Jin, G. Investigation on the feasibility and performance of ground source heat pump (GSHP) in three cities in cold climate zone, China. Renew. Energy 2015, 84, 89–96. [Google Scholar] [CrossRef]
- Pérez-Lombard, L.; Ortiz, J.; Pout, C. A review on buildings energy consumption information. Energy Build. 2008, 40, 394–398. [Google Scholar] [CrossRef]
- Li, H.; Liu, Z.; Liu, K.; Zhang, Z. Predictive power of machine learning for optimizing solar water heater performance: the potential application of high-throughput screening. Int. J. Photoenergy 2017, 2017, 4194251. [Google Scholar] [CrossRef]
- Ghaddar, N.; Ghali, K.; Najm, A. Use of desiccant dehumidification to improve energy utilization in air-conditioning systems in Beirut. Int. J. Energy Res. 2003, 27, 1317–1338. [Google Scholar] [CrossRef]
- Zhang, T.; Liu, X.; Jiang, Y. Development of temperature and humidity independent control (THIC) air-conditioning systems in China—A review. Renew. Sustain. Energy Rev. 2014, 29, 793–803. [Google Scholar] [CrossRef]
- Wang, R.Z.; Yu, X.; Ge, T.S.; Li, T.X. The present and future of residential refrigeration, power generation and energy storage. Appl. Therm. Eng. 2013, 53, 256–270. [Google Scholar] [CrossRef]
- Niu, J.L.; Zhang, L.Z.; Zuo, H.G. Energy savings potential of chilled-ceiling combined with desiccant cooling in hot and humid climates. Energy Build. 2002, 34, 487–495. [Google Scholar] [CrossRef]
- Liu, Z.; Li, H.; Liu, K.; Yu, H.; Cheng, K. Design of high-performance water-in-glass evacuated tube solar water heaters by a high-throughput screening based on machine learning: A combined modeling and experimental study. Sol. Energy 2017, 142, 61–67. [Google Scholar] [CrossRef]
- Liu, X.H.; Jiang, Y. Temperature and Humidity Independent Control Air-Conditioning System; China Archit. Build. Press: Beijing, China, 2006; ISBN 9787112078400. (In Chinese) [Google Scholar]
- Li, X. Analysis on the Utilization of Temperature and Humidity Independent Control Air-conditioning System with Different Fresh-air Handling Methods. Procedia Eng. 2017, 205, 71–78. [Google Scholar] [CrossRef]
- Tiezhu, S.; Xiang, H.; Li, W. Discussion of water-system ratio of evaporative cooling and mechanical refrigeration compound high-temperature chiller. Fluid Mach. 2011, 39, 81. (In Chinese) [Google Scholar]
- Huang, X.; Qiang, T.; Wu, J.; Di, Y. Study on automatic control scheme of evaporative-cooling air-conditioning system. J. HV AC 2003, 33, 109–112. (In Chinese) [Google Scholar]
- Liu, X.; Huang, X.; Yao, D.; Wu, Z.; Wang, C. The Comparison and Analysis between Evaporative Cooling Combined System and Traditional Central and Semi-central Air-conditioning System in Middle-humidity Areas. Refrigeration 2009, 28, 63–68. (In Chinese) [Google Scholar]
- Chen, Y.; Yang, H.; Luo, Y. Investigation on solar assisted liquid desiccant dehumidifier and evaporative cooling system for fresh air treatment. Energy 2018, 143, 114–127. [Google Scholar] [CrossRef]
- Jiang, Y.; Ge, T.S.; Wang, R.Z.; Huang, Y. Experimental investigation on a novel temperature and humidity independent control air-conditioning system—Part I: Cooling condition. Appl. Therm. Eng. 2014, 73, 784–793. [Google Scholar] [CrossRef]
- Zhao, K.; Liu, X.H.; Zhang, T.; Jiang, Y. Performance of temperature and humidity independent control air-conditioning system in an office building. Energy Build. 2011, 43, 1895–1903. [Google Scholar] [CrossRef]
- Xuan, Y.M.; Xiao, F.; Niu, X.F.; Huang, X.; Wang, S.W. Research and application of evaporative cooling in China: A review (I)—Research. Renew. Sustain. Energy Rev. 2012, 16, 3535–3546. [Google Scholar] [CrossRef]
- Han, Z.; Zhang, Y.; Meng, X.; Liu, Q.; Li, W.; Han, Y.; Zhang, Y. Simulation study on the operating characteristics of the heat pipe for combined evaporative cooling of computer room air-conditioning system. Energy 2016, 98, 15–25. [Google Scholar] [CrossRef]
- Goetzler, W.; Zogg, R.; Young, J.; Johnson, C. Energy Savings Potential and RD&D Opportunities for Non-Vapor-Compression HVAC Technologies; Prepared for U.S. Department of Energy; Navigant Consulting, Inc.: Burlington, MA, USA, 2014. [Google Scholar]
- Lowenstein, A. Review of liquid desiccant technology for HVAC applications. Hvac R Res. 2008, 14, 819–839. [Google Scholar] [CrossRef]
- Mohammad, A.T.; Mat, S.B.; Sulaiman, M.Y.; Sopian, K.; Al-abidi, A. Survey of hybrid liquid desiccant air-conditioning systems. Renew. Sustain. Energy Rev. 2013, 20, 186–200. [Google Scholar] [CrossRef]
- Liu, Z.; Wu, D.; Yu, H.; Wensheng, M.; Guangya, J. Field measurement and numerical simulation of combined solar heating operation modes for domestic buildings based on the Qinghai-Tibetan plateau case. Energy Build. 2018, 167, 312–321. [Google Scholar] [CrossRef]
- Dan, Z.; Xiang, H.; Jiang, L.; Aoshuang, D. The study of the design principles and steps of evaporative cooling air-conditioning system. Refrig. Air Cond. 2008, 4, 18–24. (In Chinese) [Google Scholar]
- Technical Specification for Evaporative Cooling Refrigeration System JGJ342-2014; Uniform Book Number: 15112·23994; China Architecture & Building Press: Beijing, China, 2015. (In Chinese)
- National Technical Measures for Design of Civil Construction-Heating, Ventilation and Air-Conditioning; China Planning Press: Beijing, China, 2009; ISBN 978-7-80242-470-8. (In Chinese)
© 2018 by the authors. Licensee MDPI, Basel, Switzerland. This article is an open access article distributed under the terms and conditions of the Creative Commons Attribution (CC BY) license (http://creativecommons.org/licenses/by/4.0/).









