A Distributed Control Strategy for Islanded Single-Phase Microgrids with Hybrid Energy Storage Systems Based on Power Line Signaling
Abstract
:1. Introduction
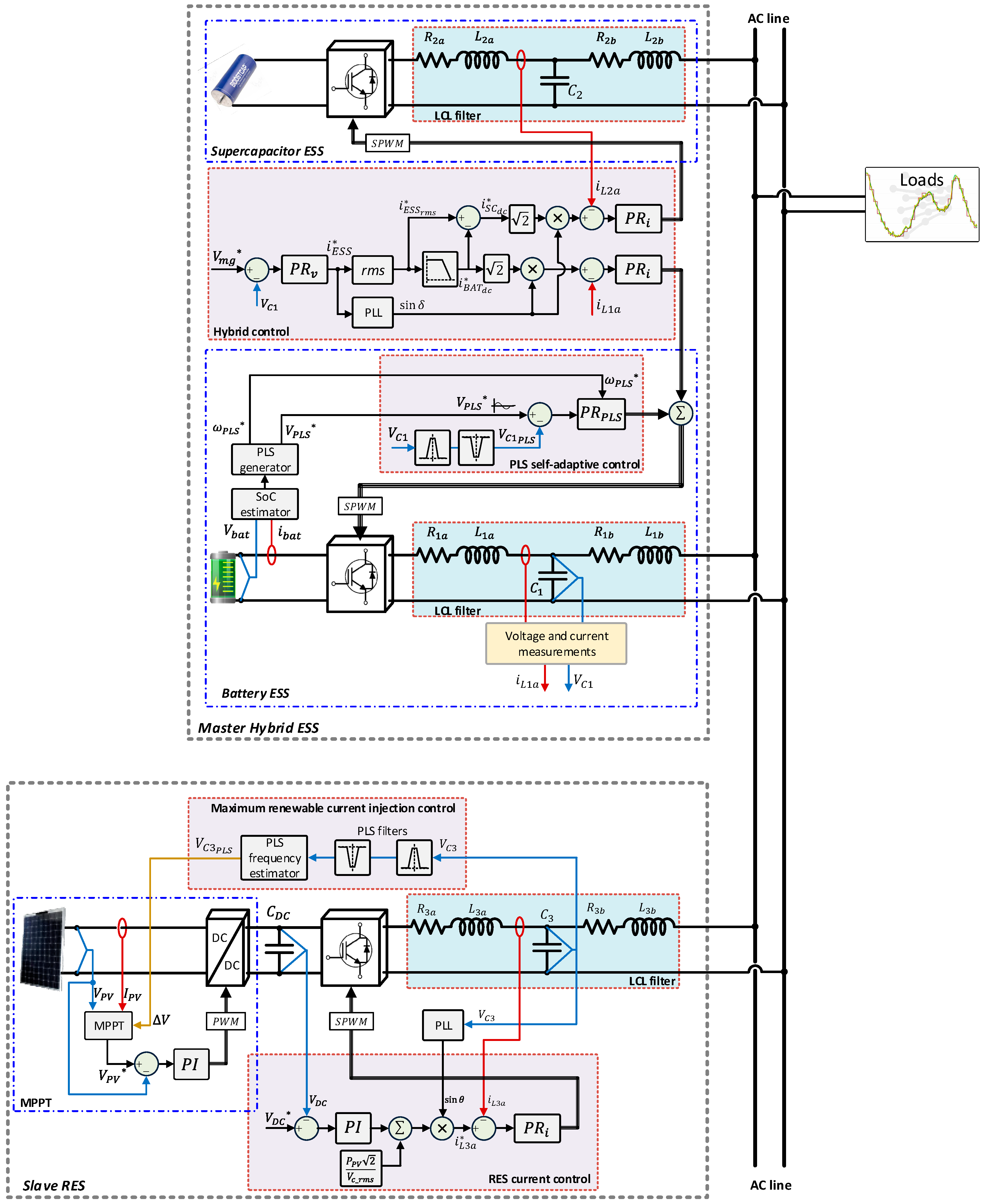
2. Single-Phase MG Structure and System Configuration
3. PLS Concept Applied to Single-Phase MGs
3.1. Selection of the PLS Frequency
3.2. Detection of the PLS Frequency
3.3. PLS Closed-Loop Algorithm
4. Control Strategy of the MG
4.1. PLS Generation and Event Triggers
4.2. PV Slave Unit under Power Control Conditions
4.3. Grid-Following Unit (RES Inverter)
4.4. SoC Estimation
4.5. Plug-and-Play Capability of Additional Units
5. Hardware-in-the-Loop Results
6. Conclusions
Author Contributions
Funding
Acknowledgments
Conflicts of Interest
List of Acronyms
| BESS | Battery Energy Storage System |
| DG | Distributed Generator |
| ESS | Energy Storage System |
| HESS | Hybrid Energy Storage System |
| IRR | Infinite impulse response (filter) |
| ITS | Intelligent Transfer Switch |
| MG | Microgrid |
| MPPT | Maximum Power Point Tracker |
| PLL | Phase-Locked Loop |
| PLS | Power-Line Signal |
| PR | Proportional Resonant (controller) |
| PV | Photovoltaic (panel) |
| RES | Renewable Energy Source |
| SESS | Supercapacitor Energy Storage System |
| SoC | State of Charge |
References
- Lasseter, R.H. MicroGrids. In Proceedings of the 2002 IEEE Power Engineering Society Winter Meeting, New York, NY, USA, 1 January 2002; pp. 305–308. [Google Scholar] [CrossRef]
- Lopes, J.A.P.; Moreira, C.L.; Madureira, A.G. Defining control strategies for microgrids islanded operation. IEEE Trans. Power Syst. 2006, 21, 916–924. [Google Scholar] [CrossRef]
- Guerrero, J.M.; Vasquez, J.C.; Matas, J.; De Vicuña, L.G.; Castilla, M. Hierarchical control of droop-controlled AC and DC microgrids—A general approach toward standardization. IEEE Trans. Ind. Electron. 2011, 58, 158–172. [Google Scholar] [CrossRef]
- Guerrero, J.M.; Chandorkar, M.; Lee, T.; Loh, P.C. Advanced control architectures for intelligent microgrids; Part I: Decentralized and hierarchical control. IEEE Trans. Ind. Electron. 2013, 60, 1254–1262. [Google Scholar] [CrossRef]
- Rocabert, J.; Luna, A.; Blaabjerg, F.; Paper, I. Control of power converters in AC microgrids. IEEE Trans. Power Electron. 2012, 27, 4734–4749. [Google Scholar] [CrossRef]
- Su, W.; Eichi, H.; Zeng, W.; Chow, M.Y. A Survey on the electrification of transportation in a smart grid environment. IEEE Trans. Ind. Inf. 2012, 8, 1–10. [Google Scholar] [CrossRef]
- Blaabjerg, F.; Teodorescu, R.; Liserre, M.; Timbus, A.V. Overview of control and grid synchronization for distributed power generation systems. IEEE Trans. Ind. Electron. 2006, 53, 1398–1409. [Google Scholar] [CrossRef]
- Shahidehpour, M. Don’t let the sun go down on PV. Energy 2004, 2, 40–48. [Google Scholar] [CrossRef]
- Koutroulis, E.; Kalaitzakis, K. Design of a maximum power tracking system for wind-energy-conversion applications. IEEE Trans. Ind. Electron. 2006, 53, 486–494. [Google Scholar] [CrossRef]
- Teodorescu, R.; Liserre, M.; Rodriguez, P. Photovoltaic inverter structures. In Grid Converters for Photovoltaic and Wind Power Systems; Wiley-IEEE Press: New York, NY, USA, 2011; pp. 5–29. ISBN 978-0-470-05751-3. [Google Scholar]
- Rico-Secades, M.; Calleja, A.; Llera, D.G.; Corominas, E.L.; Medina, N.H.; Miranda, J.C. Cosine Phase Droop Control (CPDC) for the dual-active bridge in lighting smart grids applications. In Proceedings of the 2016 IEEE International Conference on Industrial Technology (ICIT), Taipei, China, 14–17March 2016; pp. 411–418. [Google Scholar] [CrossRef]
- Nehrir, M.H.; Wang, C.; Strunz, K.; Aki, H.; Ramakumar, R.; Bing, J.; Miao, Z.; Salameh, Z. A review of hybrid renewable/alternative energy systems for electric power generation: Configurations, control, and applications. IEEE Trans. Sustain. Energy 2011, 2, 392–403. [Google Scholar] [CrossRef]
- Engler, A. Control of parallel operating battery inverters. Photovolt. Hybrid Power Syst. Conf. [CD-ROM]. 2000. [Google Scholar]
- Stroe, D.I.; Swierczynski, M.; Stroe, A.I.; Laerke, R.; Kjaer, P.C.; Teodorescu, R. Degradation behavior of lithium-ion batteries based on lifetime models and field measured frequency regulation mission profile. IEEE Trans. Ind. Appl. 2016, 52, 5009–5018. [Google Scholar] [CrossRef]
- Zhao, B.; Zhang, X.; Chen, J.; Wang, C.; Guo, L. Operation optimization of standalone microgrids considering lifetime characteristics of battery energy storage system. IEEE Trans. Sustain. Energy 2013, 4, 934–943. [Google Scholar] [CrossRef]
- Fitri, I.; Kim, J.-S.; Song, H. A robust suboptimal current control of an interlink converter for a hybrid AC/DC microgrid. Energies 2018, 11, 1382. [Google Scholar] [CrossRef]
- Asghar, F.; Talha, M.; Kim, S.H. Robust frequency and voltage stability control strategy for standalone AC/DC hybrid microgrid. Energies 2017, 10, 760. [Google Scholar] [CrossRef]
- Pan, H.; Ding, M.; Chen, A.; Bi, R.; Sun, L.; Shi, S. Research on distributed power capacity and site optimization planning of AC/DC hybrid micrograms considering line factors. Energies 2018, 11, 1930. [Google Scholar] [CrossRef]
- Baek, J.; Choi, W.; Chae, S. Distributed control strategy for autonomous operation of hybrid AC/DC microgrid. Energies 2017, 10, 373. [Google Scholar] [CrossRef]
- Both, J. The modern era of aluminum electrolytic capacitors. IEEE Electr. Insul. Mag. 2015, 31, 24–33. [Google Scholar] [CrossRef]
- Rubycon Corporation. Aluminum Electrolytic Capacitor Technical Notes. Available online: http://www.rubycon.co.jp/en/products/alumi/technote5.html (accessed on 1 December 2018).
- Spanik, P.; Frivaldsky, M.; Kanovsky, A. Life time of the electrolytic capacitors in power applications. In Proceedings of the 12th International Conference ELEKTRO 2014, Rajecke Teplice, Slovakia, 19–20 May 2014; pp. 233–238. [Google Scholar]
- Shrivastava, A.; Azarian, M.H.; Pecht, M. Failure of polymer aluminum electrolytic capacitors under elevated temperature humidity environments. IEEE Trans. Compon. Packag. Manuf. Technol. 2017, 7, 745–750. [Google Scholar] [CrossRef]
- Sun, B.; Fan, X.; Qian, C.; Zhang, G. PoF-Simulation-assisted reliability prediction for electrolytic capacitor in LED drivers. IEEE Trans. Ind. Electron. 2016, 63, 6726–6735. [Google Scholar] [CrossRef]
- Byeon, G.; Yoon, T.; Oh, S.; Jang, G. Energy management strategy of the DC distribution system in buildings using the EV service model. IEEE Trans. Power Electron. 2013, 28, 1544–1554. [Google Scholar] [CrossRef]
- Kim, J.Y.; Jeon, J.H.; Kim, S.K.; Cho, C.; Park, J.H.; Kim, H.M.; Nam, K.Y. Cooperative control strategy of energy storage system and microsources for stabilizing the microgrid during islanded operation. IEEE Trans. Power Electron. 2010, 25, 3037–3048. [Google Scholar] [CrossRef]
- Wu, D.; Tang, F.; Dragicevic, T.; Vasquez, J.C.; Guerrero, J.M. A control architecture to coordinate renewable energy sources and energy storage systems in islanded microgrids. IEEE Trans. Smart Grid 2015, 6, 1156–1166. [Google Scholar] [CrossRef]
- Dragievic, T.; Guerrero, J.M.; Vasquez, J.C. A distributed control strategy for coordination of an autonomous LVDC microgrid based on power-line signaling. IEEE Trans. Ind. Electron. 2014, 61, 3313–3326. [Google Scholar] [CrossRef]
- Sun, K.; Zhang, L.; Xing, Y.; Guerrero, J.M. A distributed control strategy based on DC bus signaling for modular photovoltaic generation systems with battery energy storage. IEEE Trans. Power Electron. 2011, 26, 3032–3045. [Google Scholar] [CrossRef]
- Schönberger, J.; Duke, R.; Round, S.D. DC-bus signaling: A distributed control strategy for a hybrid renewable nanogrid. IEEE Trans. Ind. Electron. 2006, 53, 1453–1460. [Google Scholar] [CrossRef]
- Tuladhar, A.; Jin, H.; Unger, T.; Mauch, K. Control of parallel inverters in distributed AC power systems with consideration of line impedance effect. IEEE Trans. Ind. Appl. 2000, 36, 131–138. [Google Scholar] [CrossRef]
- Wu, D.; Tang, F.; Dragicevic, T.; Vasquez, J.C.; Guerrero, J.M. Autonomous active power control for islanded AC microgrids with photovoltaic generation and energy storage system. IEEE Trans. Energy Convers. 2014, 29, 882–892. [Google Scholar] [CrossRef]
- De Brito, M.A.G.; Galotto, L.; Sampaio, L.P.; De Azevedo Melo, G.; Canesin, C.A. Evaluation of the main MPPT techniques for photovoltaic applications. IEEE Trans. Ind. Electron. 2013, 60, 1156–1167. [Google Scholar] [CrossRef]
- Abdelsalam, A.K.; Massoud, A.M.; Ahmed, S.; Enjeti, P.N. High-performance adaptive Perturb and observe MPPT technique for photovoltaic-based microgrids. IEEE Trans. Power Electron. 2011, 26, 1010–1021. [Google Scholar] [CrossRef]
- Subudhi, B.; Pradhan, R. A comparative study on maximum power point tracking techniques for photovoltaic power systems. IEEE Trans. Sustain. Energy 2013, 4, 89–98. [Google Scholar] [CrossRef]
- Wang, C.S.; Li, W.; Wang, Y.F.; Han, F.Q.; Meng, Z.; Li, G.D. An isolated three-port bidirectional DC-DC converter with enlarged ZVS region for HESS applications in DC microgrids. Energies 2017, 10, 446. [Google Scholar] [CrossRef]
- Georgious, R.; Garcia, J.; Garcia, P.; Navarro-Rodriguez, A. A comparison of non-isolated high-gain three-port converters for hybrid energy storage systems. Energies 2018, 11, 658. [Google Scholar] [CrossRef]
- Signal, I.; Magazine, P. What are genetic algorithms? Optimization algorithms. IEEE Signal Process. Mag. 1996, 22–37. [Google Scholar] [CrossRef]
- Bhangu, B.S.; Bentley, P.; Stone, D.A.; Bingham, C.M. Nonlinear observers for predicting state-of-charge and state-of-health of lead-acid batteries for hybrid-electric vehicles. IEEE Trans. Veh. Technol. 2005, 54, 783–794. [Google Scholar] [CrossRef]
- Coleman, M.; Lee, C.K.; Zhu, C.; Hurley, W.G. State-of-charge determination from EMF voltage estimation: Using impedance, terminal voltage, and current for lead-acid and lithium-ion batteries. IEEE Trans. Ind. Electron. 2007, 54, 2550–2557. [Google Scholar] [CrossRef]
- Charkhgard, M.; Farrokhi, M. State-of-charge estimation for lithium-ion batteries using neural networks and EKF. IEEE Trans. Ind. Electron. 2010, 57, 4178–4187. [Google Scholar] [CrossRef]
- He, H.; Xiong, R.; Zhang, X.; Sun, F.; Fan, J. State-of-charge estimation of the lithium-ion battery using an adaptive extended kalman filter based on an improved thevenin model. IEEE Trans. Veh. Technol. 2011, 60, 1461–1469. [Google Scholar] [CrossRef]
- Díaz, N.L.; Luna, A.C.; Vasquez, J.C.; Guerrero, J.M. Centralized control architecture for coordination of distributed renewable generation and energy storage in islanded AC microgrids. IEEE Trans. Power Electron. 2017, 32, 5202–5213. [Google Scholar] [CrossRef]
- Simpson-Porco, J.; Shafiee, Q.; Dörfler, F.; Vasquez, J.C.; Guerrero, J.M.; Bullo, F. Secondary frequency and voltage control of islanded microgrids via distributed averaging. IEEE Trans. Ind. Electron. 2015, 62, 7025–7038. [Google Scholar] [CrossRef]
- Che, L.; Shahidehpour, M.; Alabdulwahab, A.; Al-Turki, Y. Hierarchical coordination of a community microgrid with AC and DC microgrids. IEEE Trans. Smart Grid 2015, 6, 3042–3051. [Google Scholar] [CrossRef]











| Parameter | Symbol | Value |
|---|---|---|
| HESS | ||
| Nominal MG voltage | ||
| Nominal MG frequency | ||
| Filter inductances | ||
| Filter capacitance | ||
| Voltage control inner loop | 0.1, 10 | |
| Current control inner loop | 10, 1500 | |
| Lower-threshold of SoC | 95% | |
| Minimum PLS frequency | ||
| Maximum PLS frequency | ||
| PLS control loop | 5, 250 | |
| RES | ||
| Filter inductances | ||
| Filter capacitance | ||
| Current control inner loop | 30, 500 | |
| Load Steps | ||
| Load 1 | - | |
| Load 2 | - | |
| Load 3 | - | |
| Load 3 | - | |
© 2018 by the authors. Licensee MDPI, Basel, Switzerland. This article is an open access article distributed under the terms and conditions of the Creative Commons Attribution (CC BY) license (http://creativecommons.org/licenses/by/4.0/).
Share and Cite
Quintana-Barcia, P.; Dragicevic, T.; Garcia, J.; Ribas, J.; Guerrero, J.M. A Distributed Control Strategy for Islanded Single-Phase Microgrids with Hybrid Energy Storage Systems Based on Power Line Signaling. Energies 2019, 12, 85. https://doi.org/10.3390/en12010085
Quintana-Barcia P, Dragicevic T, Garcia J, Ribas J, Guerrero JM. A Distributed Control Strategy for Islanded Single-Phase Microgrids with Hybrid Energy Storage Systems Based on Power Line Signaling. Energies. 2019; 12(1):85. https://doi.org/10.3390/en12010085
Chicago/Turabian StyleQuintana-Barcia, Pablo, Tomislav Dragicevic, Jorge Garcia, Javier Ribas, and Josep M. Guerrero. 2019. "A Distributed Control Strategy for Islanded Single-Phase Microgrids with Hybrid Energy Storage Systems Based on Power Line Signaling" Energies 12, no. 1: 85. https://doi.org/10.3390/en12010085
APA StyleQuintana-Barcia, P., Dragicevic, T., Garcia, J., Ribas, J., & Guerrero, J. M. (2019). A Distributed Control Strategy for Islanded Single-Phase Microgrids with Hybrid Energy Storage Systems Based on Power Line Signaling. Energies, 12(1), 85. https://doi.org/10.3390/en12010085

