Modelling and Design of a Low-Level Turn-to-Turn Fault Protection Scheme for Extra-High Voltage Magnetically Controlled Shunt Reactor
Abstract
1. Introduction
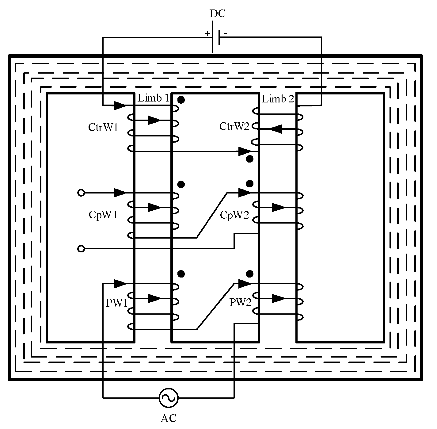
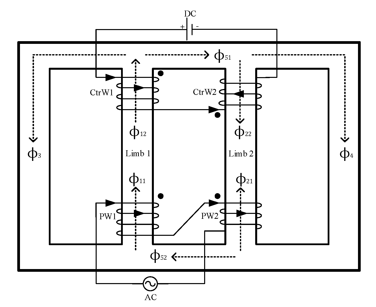
2. Structure and Working Principle of an MCSR
3. Mathematical Analysis of MCSR under Steady-State Operating Conditions
4. Analysis of Windings T2TFs
4.1. PW T2TF
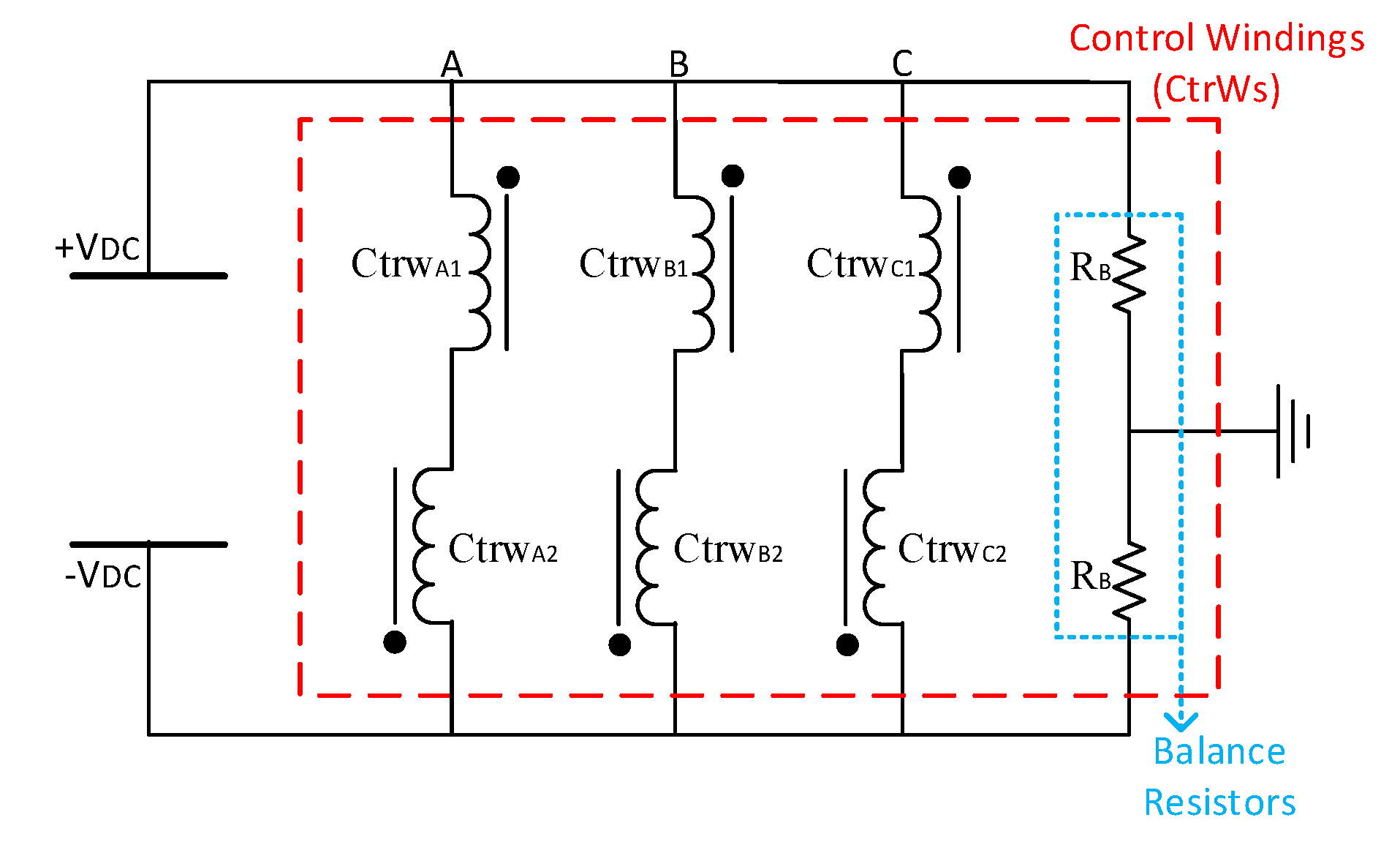
4.2. CtrW T2TF
4.3. CpW T2TF
5. Proposed Protection Scheme for Each Winding T2TF
5.1. Detection of T2TF Fault
5.2. Differentiation from other Abnormalities
5.3. Selection of Faulty Phase
5.4. Identification of Faulty Winding
6. Performance Evaluation of the Proposed Protection Scheme
7. Discussion
8. Conclusions
Author Contributions
Funding
Conflicts of Interest
Appendix A
| Parameter | Value |
|---|---|
| Voltage | 750 kV |
| Positive Sequence Resistance | 2.9 Ω |
| Positive Sequence Inductance | 0.143 H |
| Zero Sequence Resistance | 8.7 Ω |
| Zero Sequence Inductance | 0.299 H |
| Frequency | 50 Hz |
| Magnetizing Current (p.u.) | Flux (p.u.) |
|---|---|
| 0 | 0 |
| 0.000926 | 0.994 |
| 0.021612 | 1.0601 |
| 1.961 | 1.8425 |
| Parameter | Specified Value |
|---|---|
| Rated Capacity | 3 * (55 * 2) Mvar |
| Rated Voltage of PW | 800/√3 kV |
| Rated Voltage of each CtrW | 21 kV |
| Rated Voltage of CpW | 20 kV |
| Rated Frequency | 50 Hz |
| Rated Current of PW | 238 A |
| Reactance under Rated Operating Capacity | 1941 Ω |
| Adjustable Range of Operating Capacity | 10–100% |
References
- Bryantsev, A.; Dorofeev, V.; Zilberman, M.; Smirnov, A.; Smolovik, S. Magnetically controlled shunt reactor application for AC HV and EHV transmission lines. In Proceedings of the CIGRE, Paris, France, 27 August–1 September 2006; pp. 307–314. [Google Scholar]
- Tian, M.; Li, Q.; Li, Q. A Controllable Reactor of Transformer Type. IEEE Trans. Power Deliv. 2004, 19, 1718–1726. [Google Scholar] [CrossRef]
- Roxenborg, S.; Naisani, P.; Moraru, G.; Ingebrigtsen, S.; Herrera, J.M.; Chano, S. Protection Monitoring and Control of Shunt Reactors. Cigre B5 2013, 37, 546. [Google Scholar]
- IEEE Power Systems Relaying Committee. IEEE Guide for the Protection of Shunt Reactors. ANSI/IEEE C 1988, 37, 109. [Google Scholar]
- Zhang, Z.; Das, S.; Sidhu, T.; Zadeh, M.R.D. Systems and Methods for Detecting Turn-to-Turn Faults in Windings. US Patent No. 10,088,516, 2 October 2018. [Google Scholar]
- Das, S.; Sidhu, T.S.; Zadeh, M.R.D.; Zhang, Z. A novel hybrid differential algorithm for turn to turn fault detection in shunt reactors. IEEE Trans. Power Deliv. 2017, 32, 2537–2545. [Google Scholar] [CrossRef]
- Deng, Z.-F.; Wang, X.; Zhou, F.; Lei, X.; Yu, K.-S.; Qiu, Y.-F. Modeling of extra-high voltage magnetically controlled shunt reactor. Proc. CSEE 2008, 28, 108–113. [Google Scholar]
- Gu, X.; Wu, Y.; Qu, T.; Xu, W.; Liu, D. The simulation of the controllable reactor and it’s application in ultra high voltage transmission lines. In Proceedings of the 2011 IEEE International Conference on Advanced Power System Automation and Protection, Beijing, China, 16–20 October 2011; pp. 1833–1837. [Google Scholar]
- Zheng, T.; Zhao, Y.J.; Jin, Y.; Chen, P.L.; Zhang, F.F. Design and analysis on the turn-to-turn fault protection scheme for the control winding of a magnetically controlled shunt reactor. IEEE Trans. Power Deliv. 2014, 30, 967–975. [Google Scholar] [CrossRef]
- Lyamov, A.; Makarova, M.; Smolovik, S. Controllable shunt reactor deployment effect on power station stability indices. In Proceedings of the 2015 IEEE Eindhoven PowerTech, Eindhoven, The Netherlands, 29 June–2 July 2015; pp. 1–4. [Google Scholar]
- Zheng, T.; Zhao, Y. Microprocessor-based protection scheme for high-voltage magnetically controlled shunt reactors. In Proceedings of the 12th International Conference on Developments in Power System Protection (DPSP 2014), Copenhagen, Denmark, 31 March–3 April 2014; pp. 1–5. [Google Scholar]
- Khan, M.A.; Tao, Z.; Xiaoxiao, L. Analysis of Faults and Protection Schemes for Magnetically Controlled Shunt Reactor. In Proceedings of the 2018 2nd IEEE Conference on Energy Internet and Energy System Integration (EI2), Beijing, China, 20–22 October 2018; pp. 1–6. [Google Scholar]
- Basha, F.K.; Thompson, M. Practical EHV reactor protection. In Proceedings of the 2013 66th IEEE Annual Conference for Protective Relay Engineers, College Station, TX, USA, 8–11 April 2013; pp. 408–419. [Google Scholar]
- Gajić, Z.; Hillström, B.; Mekić, F. HV Shunt reactor secrets for protection engineers. In Proceedings of the 30th Western Protective Relaying Conference, Washington, DC, USA, 21–23 October 2003. [Google Scholar]
- Wu, Y.; Ma, G. Anti-Interference and Location Performance for Turn-to-Turn Short Circuit Detection in Turbo-Generator Rotor Windings. Energies 2019, 12, 1378. [Google Scholar] [CrossRef]
- Nie, H.; Wei, X.; Wang, Y.; Chen, Q. A Study of Electrical Aging of the Turn-to-Turn Oil-Paper Insulation in Transformers with a Step-Stress Method. Energies 2018, 11, 3338. [Google Scholar] [CrossRef]
- Carvalho, F.; Fabiano, L.; Lidstrom, S.; Gajic, Z.; Saha, M. Application of numerical relays for HV shunt reactor protection. In Proceedings of the 2004 IEEE/PES Transmision and Distribution Conference and Exposition: Latin America (IEEE Cat. No. 04EX956), Sao Paulo, Brazil, 8–11 November 2004; pp. 587–590. [Google Scholar]
- Nishida, S.; Sakaguchi, T. A new algorithm of digital protection for shunt reactors. IEEE Trans. Power Appar. Syst. 1984, 2934–2942. [Google Scholar] [CrossRef]
- Songlin, C.; Zhihong, W.; Yuping, Z.; Guorong, S.; Hongyang, Z. Research & development of a new digital shunt reactor protection. Autom. Electr. Power Syst. 2003, 24, 70–73. [Google Scholar]
- Zheng, T.; Zhang, F.; Liu, X.; Huang, T.; Khan, M.A. Protection schemes for turn-to-turn faults within control windings of TCT-CSR and impacts of power regulation. Int. J. Electr. Power Energy Syst. 2018, 97, 275–281. [Google Scholar] [CrossRef]
- Zheng, T.; Huang, T.; Zhang, F.; Zhao, Y.; Liu, L. Modeling and impacts analysis of energization transient of EHV/UHV magnetically controlled shunt reactor. Int. Trans. Electr. Energy Syst. 2017, 27, e2330. [Google Scholar] [CrossRef]
- Zheng, T.; Liu, X.; Wei, J.; Khan, M.A.; Wang, X. Protection scheme for turn-to-turn faults of magnetically controlled shunt reactor based on waveform similarity comparison. Electr. Power Syst. Res. 2019, 177, 105980. [Google Scholar] [CrossRef]























| Case | Scenario | |||||
|---|---|---|---|---|---|---|
| 1 | Normal (SS 1) | 299 | 298 | 0.7 | 1822 | 913 |
| 2 | Normal (E 2) | 306 | 305 | 1.4 | 1891 | 1503 |
| 3 | 3% T2TF | 648 | 646 | 0.8 | 5042 | 3280 |
| 4 | Internal PW-G 3 | 3333 | 3332 | 1.0 | 1785 | 8622 |
| 5 | External Ph 4 -G Fault | −260 | −261 | 0.08 | 7400 | 1834 |
| 6 | External Ph-Ph Fault | −71 | −72 | 0.3 | 2034 | 28 |
| 7 | T2TF at Direct E | 771 | 773 | 1.0 | 6311 | 4222 |
| 8 | T2TF at 50% Pre-Excited E | 786 | 785 | 1.2 | 6334 | 4136 |
| 9 | T2TF at PR 5 (100%–10%) | 716 | 716 | 0.8 | 5815 | 4109 |
| Case | Scenario | |||||
|---|---|---|---|---|---|---|
| 1 | Normal (SS) | 116.7 | 115.6 | 1.12 | 898.8 | 620.8 |
| 2 | Normal (E) | 281.5 | 280.5 | 1.41 | 1035 | 1567 |
| 3 | 3% T2TF | 716.5 | 715.9 | 0.83 | 5812 | 4106 |
| 4 | Internal PW-G | 3533 | 3533 | 0.2 | 1037 | 8575 |
| 5 | External Ph -G Fault | −105 | −104 | −0.1 | 7479 | 1102 |
| 6 | External Ph-Ph Fault | −28 | 28 | 0.22 | 1207 | 427 |
| 7 | T2TF at Direct E | 782.8 | 781.7 | 1.22 | 6373 | 4262 |
| 8 | T2TF at 50% Pre-Excited E | 786.8 | 786.2 | 1.24 | 6345 | 4170 |
| 9 | T2TF at PR (10%–100%) | 716.7 | 115.6 | 1.12 | 898.8 | 620.8 |
| Case | Scenario | |||
|---|---|---|---|---|
| 1 | Normal (SS) | 2147 | 2147 | 742 |
| 2 | Normal (E) | 3590 | 3589 | 1001 |
| 3 | 3% T2TF | 2157 | 2156 | 662 |
| 4 | T2TF at Direct E | 3588 | 3548 | 887 |
| 5 | T2TF at 50% Pre-Excited E | 3331 | 3330 | 624 |
| 6 | T2TF at PR (100-10%) | 1830 | 1829 | 592 |
| Case | Scenario | ||||
|---|---|---|---|---|---|
| 1 | Normal (SS) | 2124 | 5.2k | 2123 | 990 |
| 2 | Normal (E) | 3689 | 2.8k | 3688 | 1742 |
| 3 | 3% T2TF | 2124 | 5.3k | 2123 | 990 |
| 4 | T2TF at Direct E | 2797 | 3k | 3548 | 884 |
| 5 | T2TF at 50% Pre-Excited E | 3333 | 4.9k | 3332 | 624 |
| 6 | T2TF at PR (10–100%) | 2270 | 3.4k | 3512 | 1033 |
| Case | Scenario | ||||
|---|---|---|---|---|---|
| 1 | Normal (SS) | 94 | 3.1 | 1598 | 91 |
| 2 | Normal (E) | 154 | 1.7 | −1095 | 153 |
| 3 | 3% T2TF | 95 | 3.2 | −31 | 92 |
| 4 | T2TF at Direct E | 157 | 1.6 | −1436 | 155 |
| 5 | T2TF at 50% Pre-Excited E | 266 | 1.9 | −41 | 264 |
| 6 | T2TF at PR (100–10%) | 78 | 2.1 | −40 | 76 |
| Case | Scenario | ||||
|---|---|---|---|---|---|
| 1 | Normal (SS) | 50 | 1.9 | 841 | 49 |
| 2 | Normal (E) | 162 | 1.7 | −1225 | 160 |
| 3 | 3% T2TF | 57 | 2.0 | −40 | 55 |
| 4 | T2TF at Direct E | 159 | 1.6 | −1493 | 165 |
| 5 | T2TF at 50% Pre-Excited E | 265 | 1.9 | −41.2 | 263 |
| 6 | T2TF at PR (10–100%) | 67 | 1.8 | −41 | 65 |
| Relay Action | Scenario | Capacity (%) | Parameter for Faulty Phase Selection and Winding Identification | |||
|---|---|---|---|---|---|---|
| D | PW T2TF | 10 | ✔ | ✖ | ✔ | ✖ |
| E | 50 | ✔ | ✖ | ✔ | ✖ | |
| T | 100 | ✔ | ✖ | ✔ | ✖ | |
| E | CtrW T2TF | 10 | ✖ | ✖ | ✖ | ✔ |
| C | 50 | ✔ | ✖ | ✔ | ✖ | |
| T | 100 | ✔ | ✖ | ✔ | ✖ | |
| I | CpW T2TF | 10 | ✖ | ✔ | ✖ | ✖ |
| O | 50 | ✖ | ✔ | ✖ | ✖ | |
| N | 100 | ✖ | ✔ | ✖ | ✖ | |
| D | Energization | 10 | ✔ | ✔ | ✔ | ✖ |
| I | 100 | ✔ | ✔ | ✔ | ✖ | |
| F | Internal Fault | 10 | ✔ | ✔ | ✔ | ✔ |
| F | 100 | ✔ | ✔ | ✔ | ✔ | |
| E | External Fault | 10 | ✔ | ✔ | ✔ | ✔ |
| R. | 100 | ✔ | ✔ | ✔ | ✔ | |
© 2019 by the authors. Licensee MDPI, Basel, Switzerland. This article is an open access article distributed under the terms and conditions of the Creative Commons Attribution (CC BY) license (http://creativecommons.org/licenses/by/4.0/).
Share and Cite
Khan, M.A.; Zheng, T. Modelling and Design of a Low-Level Turn-to-Turn Fault Protection Scheme for Extra-High Voltage Magnetically Controlled Shunt Reactor. Energies 2019, 12, 4628. https://doi.org/10.3390/en12244628
Khan MA, Zheng T. Modelling and Design of a Low-Level Turn-to-Turn Fault Protection Scheme for Extra-High Voltage Magnetically Controlled Shunt Reactor. Energies. 2019; 12(24):4628. https://doi.org/10.3390/en12244628
Chicago/Turabian StyleKhan, M. Asghar, and Tao Zheng. 2019. "Modelling and Design of a Low-Level Turn-to-Turn Fault Protection Scheme for Extra-High Voltage Magnetically Controlled Shunt Reactor" Energies 12, no. 24: 4628. https://doi.org/10.3390/en12244628
APA StyleKhan, M. A., & Zheng, T. (2019). Modelling and Design of a Low-Level Turn-to-Turn Fault Protection Scheme for Extra-High Voltage Magnetically Controlled Shunt Reactor. Energies, 12(24), 4628. https://doi.org/10.3390/en12244628

