A Review of Battery Equalizer Circuits for Electric Vehicle Applications
Abstract
1. Introduction
2. Battery Equalizer Circuits Applied to EVS
2.1. Passive Methods
2.2. Active Methods
2.2.1. Capacitor-Based Equalizers
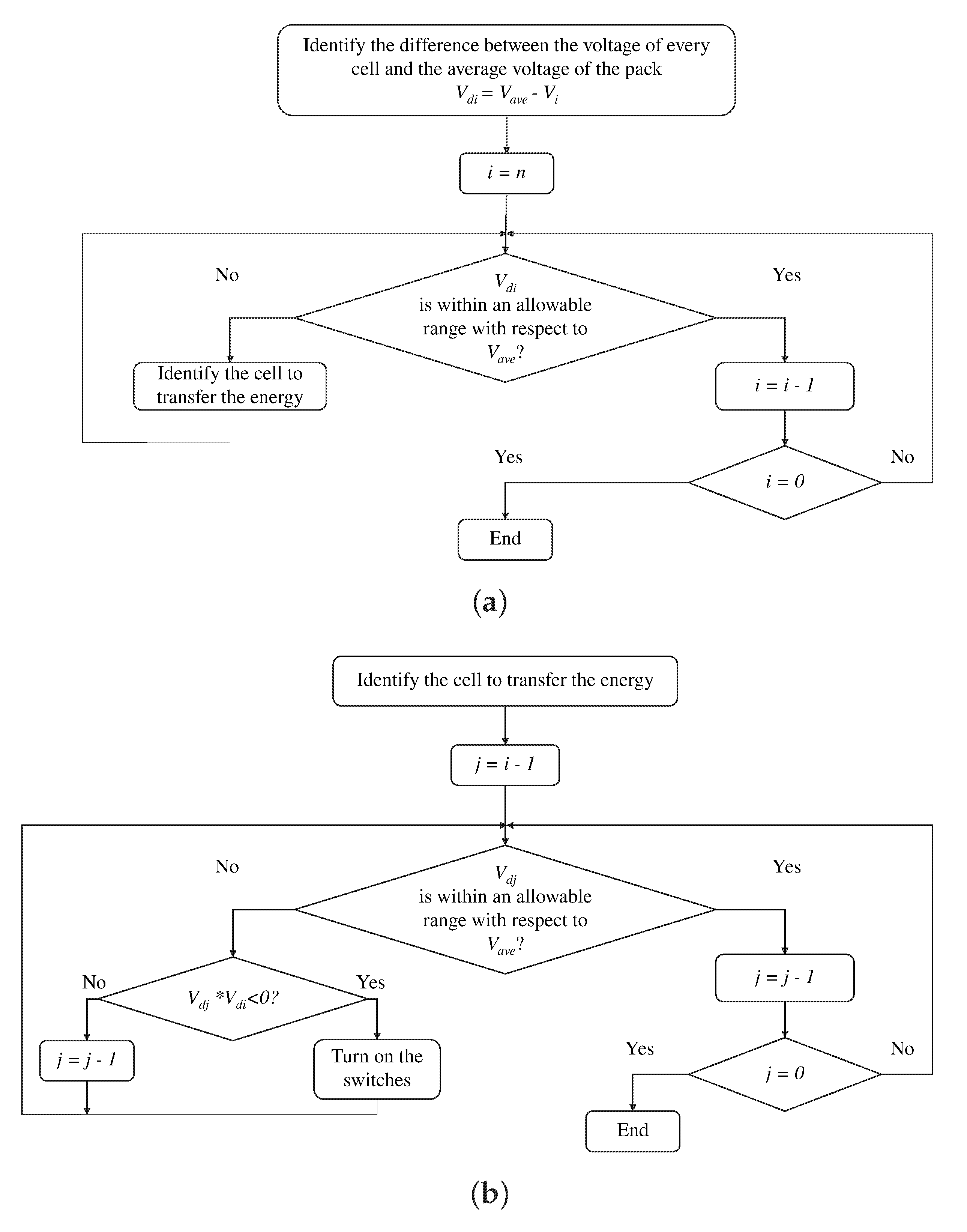
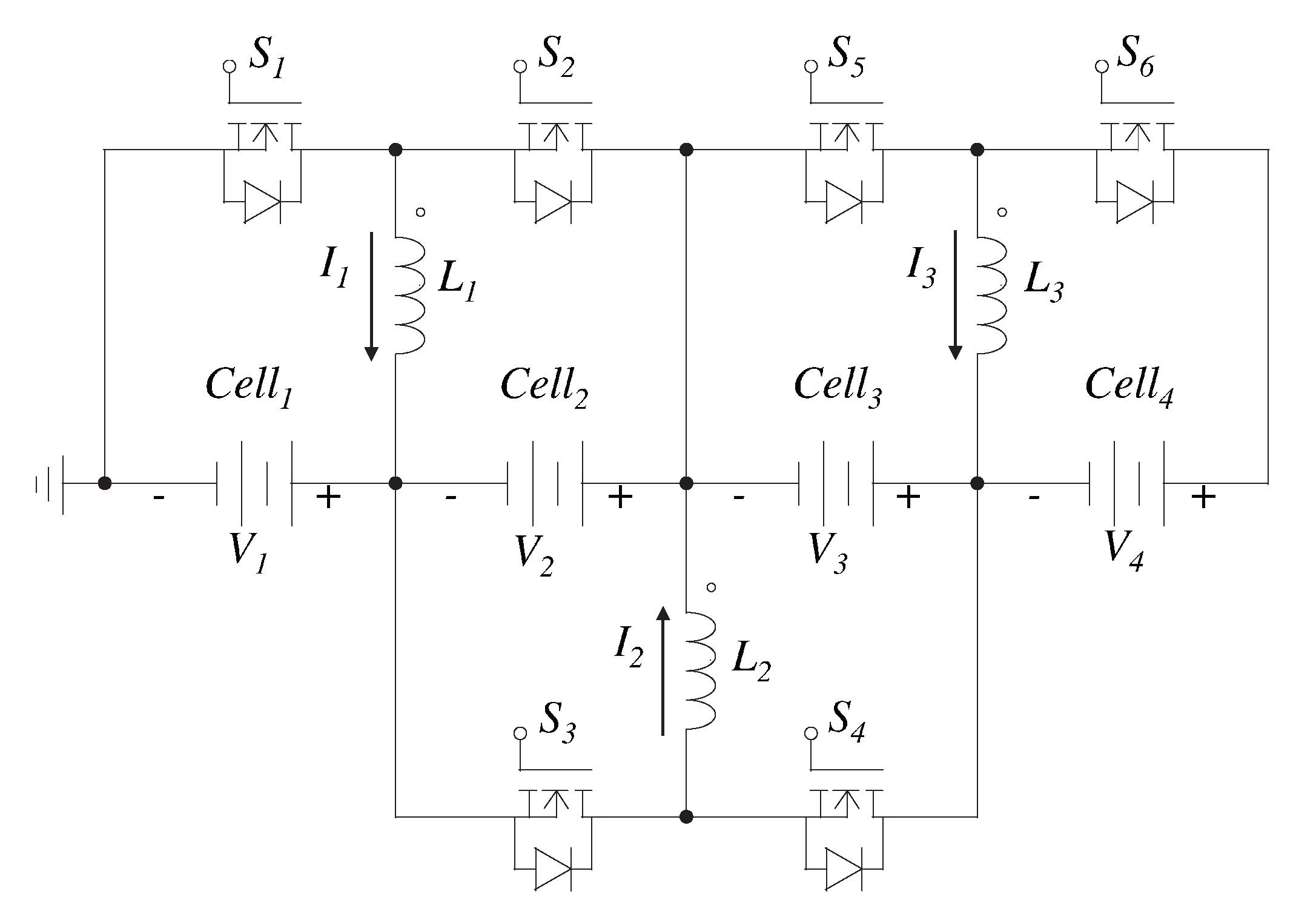
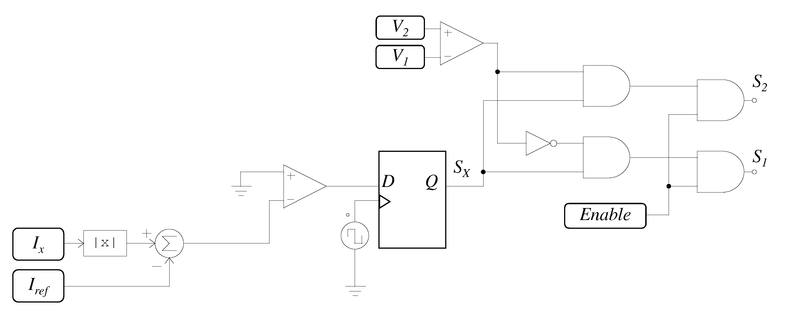
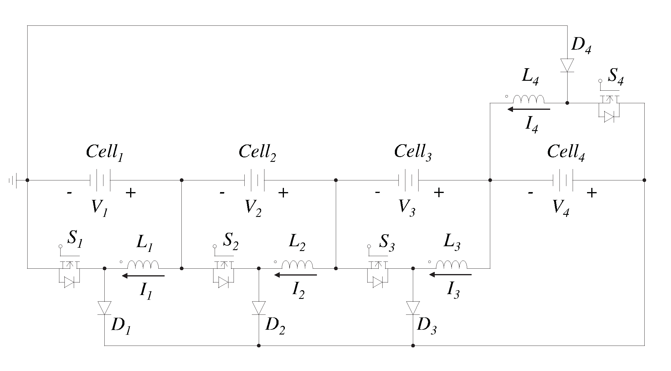
2.2.2. Equalizers Based on Inductors
2.2.3. Converter-Based Equalizers
3. Discussion
Future Trends
4. Conclusions
Author Contributions
Funding
Conflicts of Interest
Abbreviations
| EV | Electric vehicle | 
| ICE | Internal combustion engine | 
| BEC | Battery equalizer circuit | 
| Li-ion | Lithium-ion | 
| USA | United States of America | 
| SOC | State of charge | 
| MOSFET | Metal–oxide–semiconductor field-effect transistor | 
| C2H | Cell-to-heat | 
| C2C | Cell-to-cell | 
| C2S | Cell-to-string | 
| P2C | Pack-to-cell | 
| C2P | Cell-to-pack | 
| S2S | String-to-string | 
| PWM | Pulse width modulation | 
| PHEV | Plug-in hybrid electric vehicle | 
| Voltage between two nodes. Can be from a capacitor or a voltage source. | |
| Capacitor x present in a topology. | |
| Primary winding of a transformer. | |
| Secondary winding of a transformer. | |
| Inductor x present in a topology. | |
| Diode x present in a topology. | |
| MOSFET x present in a topology. | |
| Bididrectional switch x present in a topology. | |
| Current across the primary winding of a transformer. | |
| Current across the secondary winding of a transformer. | |
| Current across the inductor x. | |
| Cell x of the battery bank. | 
References
- Anderson, T.R.; Hawkins, E.; Jones, P.D. CO2, The greenhouse effect and global warming: From the pioneering work of Arrhenius and Callendar to today’s Earth System Models. Endeavour 2016, 40, 178–187. [Google Scholar] [CrossRef] [PubMed]
- Papalexiou, S.M.; Montanari, A. Global and regional increase of precipitation extremes under global warming. Water Resour. Res. 2019, 55, 4901–4914. [Google Scholar] [CrossRef]
- He, Q.; Zhou, G.; Lü, X.; Zhou, M. Climatic suitability and spatial distribution for summer maize cultivation in China at 1.5 and 2.0 °C global warming. Sci. Bull. 2019, 64, 690–697. [Google Scholar] [CrossRef]
- Silva, P.S.; Bastos, A.; Libonati, R.; Rodrigues, J.A.; DaCamara, C.C. Impacts of the 1.5 °C global warming target on future burned area in the Brazilian Cerrado. For. Ecol. Manag. 2019, 446, 193–203. [Google Scholar] [CrossRef]
- Solaymani, S. CO2 emissions patterns in 7 top carbon emitter economies: The case of transport sector. Energy 2019, 168, 989–1001. [Google Scholar] [CrossRef]
- Santos, G. Road transport and CO2 emissions: What are the challenges? Transp. Policy 2017, 59, 71–74. [Google Scholar] [CrossRef]
- Sulzberger, C. An early road warrior: Electric vehicles in the early years of the automobile. IEEE Power Energy Mag. 2004, 2, 66–71. [Google Scholar] [CrossRef]
- Sulzberger, C. Early road warrior, part 2-competing electric and gasoline vehicles. IEEE Power Energy Mag. 2004, 2, 83–88. [Google Scholar] [CrossRef]
- Alvarez-Diazcomas, A.; López, H.; Carrillo-Serrano, R.V.; Rodríguez-Reséndiz, J.; Vázquez, N.; Herrera-Ruiz, G. A novel integrated topology to interface electric vehicles and renewable energies with the grid. Energies 2019, 12, 4091. [Google Scholar] [CrossRef]
- Estévez-Bén, A.A.; López Tapia, H.J.C.; Carrillo-Serrano, R.V.; Rodríguez-Reséndiz, J.; Vázquez Nava, N. A new predictive control strategy for multilevel current-source inverter grid-connected. Electronics 2019, 8, 902. [Google Scholar] [CrossRef]
- Jenn, A.; Springel, K.; Gopal, A.R. Effectiveness of electric vehicle incentives in the United States. Energy Policy 2018, 119, 349–356. [Google Scholar] [CrossRef]
- Wang, N.; Tang, L.; Pan, H. A global comparison and assessment of incentive policy on electric vehicle promotion. Sustain. Cities Soc. 2019, 44, 597–603. [Google Scholar] [CrossRef]
- Zhang, X.; Bai, X.; Shang, J. Is subsidized electric vehicles adoption sustainable: Consumers’ perceptions and motivation toward incentive policies, environmental benefits, and risks. J. Clean. Prod. 2018, 192, 71–79. [Google Scholar] [CrossRef]
- Vallés, M.; Reneses, J.; Cossent, R.; Frías, P. Regulatory and market barriers to the realization of demand response in electricity distribution networks: A European perspective. Electr. Power Syst. Res. 2016, 140, 689–698. [Google Scholar] [CrossRef]
- Estévez-Bén, A.A.; Alvarez-Diazcomas, A.; Rodríguez-Reséndiz, J. Transformerless multilevel voltage-source inverter topology comparative study for PV systems. Energies 2020, 13, 3261. [Google Scholar] [CrossRef]
- Williamson, S.S.; Rathore, A.K.; Musavi, F. Industrial electronics for electric transportation: Current state-of-the-art and future challenges. IEEE Trans. Ind. Electron. 2015, 62, 3021–3032. [Google Scholar] [CrossRef]
- Tan, D. Transportation electrification: Challenges and opportunities. IEEE Power Electrons. Mag. 2016, 3, 50–52. [Google Scholar] [CrossRef]
- Khaligh, A.; D’Antonio, M. Global trends in high-power on-board chargers for electric vehicles. IEEE Trans. Veh. Technol. 2019, 68, 3306–3324. [Google Scholar] [CrossRef]
- Li, W.; Chen, S.; Peng, X.; Xiao, M.; Gao, L.; Garg, A.; Bao, N. A comprehensive approach for the clustering of similar-performance cells for the design of a lithium-ion battery module for electric vehicles. Engineering 2019, 5, 795–802. [Google Scholar] [CrossRef]
- Yun, L.; Sandoval, J.; Zhang, J.; Gao, L.; Garg, A.; Wang, C.T. Lithium-ion battery packs formation with improved electrochemical performance for electric vehicles: Experimental and clustering analysis. J. Electrochem. Energy Convers. Storage 2019, 16. [Google Scholar] [CrossRef]
- Reddy, K.R.; Meikandasivam, S.; Vijayakumar, D. A novel strategy for maximization of plug-In electric vehicle’s storage utilization for grid support with consideration of customer flexibility. Electr. Power Syst. Res. 2019, 170, 158–175. [Google Scholar] [CrossRef]
- Rui, L.; Lizhi, W.; Xueli, H.; Qiang, D.; Jie, Z. A review of equalization topologies for lithium-ion battery packs. In Proceedings of the 2015 34th Chinese Control Conference (CCC), Hangzhou, China, 28–30 July 2015; pp. 7922–7927. [Google Scholar] [CrossRef]
- Kelkar, A.; Dasari, Y.; Williamson, S.S. A Comprehensive Review of Power Electronics Enabled Active Battery Cell Balancing for Smart Energy Management. In Proceedings of the 2020 IEEE International Conference on Power Electronics, Smart Grid and Renewable Energy (PESGRE2020), Cochin, India, 2–4 January 2020; pp. 1–6. [Google Scholar] [CrossRef]
- Zhou, Z.; Shang, Y.; Duan, B.; Zhang, C. An any-cell (s)-to-any-cell (s) equalizer based on bidirectional inductor converters for series connected battery string. In Proceedings of the 2016 IEEE 11th Conference on Industrial Electronics and Applications (ICIEA), Hefei, China, 5–7 June 2016; pp. 2511–2515. [Google Scholar] [CrossRef]
- Ali, M.U.; Zafar, A.; Nengroo, S.H.; Hussain, S.; Junaid Alvi, M.; Kim, H.J. Towards a smarter battery management system for electric vehicle applications: A critical review of lithium-ion battery state of charge estimation. Energies 2019, 12, 446. [Google Scholar] [CrossRef]
- Xiong, R.; Cao, J.; Yu, Q.; He, H.; Sun, F. Critical review on the battery state of charge estimation methods for electric vehicles. IEEE Access 2017, 6, 1832–1843. [Google Scholar] [CrossRef]
- Tie, S.F.; Tan, C.W. A review of energy sources and energy management system in electric vehicles. Renew. Sustain. Energy Rev. 2013, 20, 82–102. [Google Scholar] [CrossRef]
- Liu, X.; Zou, Y. The proportional current control strategy for equalization circuits of series battery packs. In Proceedings of the 2018 21st Int. Conference on Elect. Machines and Systems (ICEMS), Jeju, Korea, 7–10 October 2018; pp. 846–849. [Google Scholar] [CrossRef]
- Song, D.; Shi, F.; Liu, W. Review of lithium battery equalization control methods. Phys. Conf. Ser. 2020, 1449, 12–87. [Google Scholar] [CrossRef]
- Einhorn, M.; Conte, F.V.; Fleig, J. Improving of active cell balancing by equalizing the cell energy instead of the cell voltage. World Electr. Veh. 2010, 4, 400–404. [Google Scholar] [CrossRef]
- Feng, F.; Hu, X.; Liu, J.; Lin, X.; Liu, B. A review of equalization strategies for series battery packs: Variables, objectives, and algorithms. Renew. Sustain. Energy Rev. 2019, 116, 109464. [Google Scholar] [CrossRef]
- Zhang, S.; Qiang, J.; Yang, L.; Zhao, X. Prior-knowledge-independent equalization to improve battery uniformity with energy efficiency and time efficiency for lithium-ion battery. Energy 2016, 94, 1–12. [Google Scholar] [CrossRef]
- Zhang, R.; Xia, B.; Li, B.; Cao, L.; Lai, Y.; Zheng, W.; Wang, H.; Wang, W. State of the art of lithium-ion battery SOC estimation for electrical vehicles. Energies 2018, 11, 1820. [Google Scholar] [CrossRef]
- How, D.N.; Hannan, M.; Lipu, M.H.; Ker, P.J. State of charge estimation for lithium-ion batteries using model-based and data-driven methods: A review. IEEE Access 2019, 7, 136116–136136. [Google Scholar] [CrossRef]
- Diao, W.; Xue, N.; Bhattacharjee, V.; Jiang, J.; Karabasoglu, O.; Pecht, M. Active battery cell equalization based on residual available energy maximization. Appl. Energy 2018, 210, 690–698. [Google Scholar] [CrossRef]
- May, G.J.; Davidson, A.; Monahov, B. Lead batteries for utility energy storage: A review. J. Energy Storage 2018, 15, 145–157. [Google Scholar] [CrossRef]
- Caspar, M.; Eiler, T.; Hohmann, S. Systematic comparison of active balancing: A model-based quantitative analysis. IEEE Trans. Veh. Technol. 2016, 67, 920–934. [Google Scholar] [CrossRef]
- Mohamed, D.; Noshin, O.; Peter, V.; Joeri, V. A review of passive and active battery balancing based on Matlab/Simulink. Int. Rev. Electr. Eng 2011, 6, 2974–2989. [Google Scholar]
- Hoque, M.; Hannan, M.; Mohamed, A.; Ayob, A. Battery charge equalization controller in electric vehicle applications: A review. Renew. Sustain. Energy Rev. 2017, 75, 1363–1385. [Google Scholar] [CrossRef]
- Carter, J.; Fan, Z.; Cao, J. Cell equalisation circuits: A review. J. Power Sources 2020, 448, 227489. [Google Scholar] [CrossRef]
- Zhang, X.; Liu, P.; Wang, D. The design and implementation of smart battery management system balance technology. J. Converg. Inf. Technol. 2011, 6, 108–116. [Google Scholar]
- Ismail, K.; Nugroho, A.; Kaleg, S. Passive balancing battery management system using MOSFET internal resistance as balancing resistor. In Proceedings of the 2017 International Conference on Sustainable Energy Engineering and Application (ICSEEA), Jakarta, Indonesia, 23–24 October 2017; pp. 151–155. [Google Scholar] [CrossRef]
- Song, L.; Liang, T.; Lu, L.; Ouyang, M. Lithium-ion battery pack equalization based on charging voltage curves. Int. Electr. Power Energy Syst. 2020, 115, 105516. [Google Scholar] [CrossRef]
- Koseoglou, M.; Tsioumas, E.; Jabbour, N.; Mademlis, C. Highly Effective Cell Equalization in a Lithium-Ion Battery Management System. IEEE Trans. Power Electron. 2019, 35, 2088–2099. [Google Scholar] [CrossRef]
- Manenti, A.; Abba, A.; Merati, A.; Savaresi, S.M.; Geraci, A. A new BMS architecture based on cell redundancy. IEEE Trans. Ind. Electron. 2010, 58, 4314–4322. [Google Scholar] [CrossRef]
- Raman, S.R.; Xue, X.; Cheng, K.E. Review of charge equalization schemes for Li-ion battery and super-capacitor energy storage systems. In Proceedings of the 2014 International Conference on Advances in Electronics Comput. and Commun, Bangalore, India, 10–11 October 2014; pp. 1–6. [Google Scholar] [CrossRef]
- Daowd, M.; Omar, N.; Bossche, P.V.D.; Van Mierlo, J. Capacitor based battery balancing system. World Electr. Veh. 2012, 5, 385–393. [Google Scholar] [CrossRef]
- Alvarez-Diazcomas, A.; Estévez-Bén, A.A.; Rodríguez-Reséndiz, J.; Mártínez-Prado, M.A.; Mendiola-Santíbañez, J.D. A novel RC-based architecture for cell equalization in electric vehicles. Energies 2020, 13, 2349. [Google Scholar] [CrossRef]
- Uno, M.; Tanaka, K. Single-switch multioutput charger using voltage multiplier for series-connected lithium-ion battery/supercapacitor equalization. IEEE Trans. Ind. Electron. 2012, 60, 3227–3239. [Google Scholar] [CrossRef]
- Daowd, M.; Antoine, M.; Omar, N.; Van den Bossche, P.; Van Mierlo, J. Single switched capacitor battery balancing system enhancements. Energies 2013, 6, 2149–2174. [Google Scholar] [CrossRef]
- Goodarzi, S.; Beiranvand, R.; Mousavi, S.M.; Mohamadian, M. A new algorithm for increasing balancing speed of switched-capacitor lithium-ion battery cell equalizers. In Proceedings of the 6th Power Electronics, Drive Systems & Technologies Conference (PEDSTC2015), Tehran, Iran, 3–4 February 2015; pp. 292–297. [Google Scholar] [CrossRef]
- Kim, M.Y.; Kim, J.W.; Kim, C.H.; Cho, S.Y.; Moon, G.W. Automatic charge equalization circuit based on regulated voltage source for series connected lithium-ion batteries. In Proceedings of the 8th International Conference on Power Electronics-ECCE Asia, Jeju, Korea, 30 May–3 June 2011; pp. 2248–2255. [Google Scholar] [CrossRef]
- Kim, M.Y.; Kim, C.H.; Kim, J.H.; Moon, G.W. A chain structure of switched capacitor for improved cell balancing speed of lithium-ion batteries. IEEE Trans. Ind. Electron. 2013, 61, 3989–3999. [Google Scholar] [CrossRef]
- Baughman, A.C.; Ferdowsi, M. Double-tiered switched-capacitor battery charge equalization technique. IEEE Trans. Ind. Electron. 2008, 55, 2277–2285. [Google Scholar] [CrossRef]
- Lu, L.; Han, X.; Li, J.; Hua, J.; Ouyang, M. A review on the key issues for lithium-ion battery management in electric vehicles. J. Power Sources 2013, 226, 272–288. [Google Scholar] [CrossRef]
- Dai, H.; Wei, X.; Sun, Z.; Wang, D. A novel dual-inductor based charge equalizer for traction battery cells of electric vehicles. Int. Electr. Power Energy Syst. 2015, 67, 627–638. [Google Scholar] [CrossRef]
- Moo, C.; Hsieh, Y.; Tsai, I.; Cheng, J. Dynamic charge equalisation for series-connected batteries. IEEE Proc. Electr. Power Appl. 2003, 150, 501–505. [Google Scholar] [CrossRef]
- Yarlagadda, S.; Hartley, T.T.; Husain, I. A battery management system using an active charge equalization technique based on a DC/DC converter topology. IEEE Trans. Ind. Appl. 2013, 49, 2720–2729. [Google Scholar] [CrossRef]
- Phung, T.H.; Crebier, J.C.; Chureau, A.; Collet, A.; Nguyen, V. Optimized structure for next-to-next balancing of series-connected lithium-ion cells. In Proceedings of the 2011 Twenty-Sixth Annual IEEE Applied Power Electronics Conference and Exposition (APEC), Daegu, Korea, 22–26 October 2011; pp. 1374–1381. [Google Scholar] [CrossRef]
- Park, S.H.; Kim, T.S.; Park, J.S.; Moon, G.W.; Yoon, M.J. A new battery equalizer based on buck-boost topology. In Proceedings of the 2007 7th Internatonal Conference on Power Electronics, Daegu, Korea, 22–26 October 2007; pp. 962–965. [Google Scholar] [CrossRef]
- Yan, X.; Nie, J.; Ma, Z.; Ma, H. Development status of balanced technology of battery management system of electric vehicle. In Proceedings of the International Workshop of Advanced Manufacturing and Automation, Plymouth, UK, 21–22 November 2019; pp. 504–510. [Google Scholar] [CrossRef]
- Lee, Y.S.; Duh, C.Y.; Chen, G.T.; Yang, S.C. Battery equalization using bi-directional cuk converter in DCVM operation. In Proceedings of the 2005 IEEE 36th Power Electronics Specialists Conference, Recife, Brazil, 16 June 2005; pp. 765–771. [Google Scholar] [CrossRef]
- Moghaddam, A.F.; Van den Bossche, A. A battery equalization technique based on Ćuk converter balancing for lithium ion batteries. In Proceedings of the 2019 8th International Conference on Modern Circuits and Systems Technologies (MOCAST), Thessaloniki, Greece, 13–15 May 2019; pp. 1–4. [Google Scholar] [CrossRef]
- Yuanmao, Y.; Cheng, K.; Yeung, Y. Zero-current switching switched-capacitor zero-voltage-gap automatic equalization system for series battery string. IEEE Trans. Power Electron. 2011, 27, 3234–3242. [Google Scholar] [CrossRef]
- Cervera, A.; Evzelman, M.; Peretz, M.M.; Ben-Yaakov, S. A high-efficiency resonant switched capacitor converter with continuous conversion ratio. IEEE Trans. Power Electron. 2014, 30, 1373–1382. [Google Scholar] [CrossRef]
- Shang, Y.; Zhang, Q.; Cui, N.; Zhang, C. A cell-to-cell equalizer based on three-resonant-state switched-capacitor converters for series-connected battery strings. Energies 2017, 10, 206. [Google Scholar] [CrossRef]
- Hayt, W.H.; Kemmerly, J.E.; Durbin, S.M. Engineering Circuit Analysis; McGraw-Hill: New York, NY, USA, 1986. [Google Scholar]
- Mohan, N.; Undeland, T.M.; Robbins, W.P. Power Electronics: Converters, Applications, and Design; John wiley & Sons: Hoboken, NJ, USA, 2003. [Google Scholar]
- Hsieh, Y.C.; Moo, C.S.; Tsai, I.; Cheng, J.C. Dynamic charge equalization for series-connected batteries. In Proceedings of the 2002 IEEE International Conference on Industrial Technology, 2002. IEEE ICIT ’02, Bankok, Thailand, 11–14 December 2002; Volume 1, pp. 444–449. [Google Scholar] [CrossRef]
- Moo, C.S.; Hsieh, Y.C.; Tsai, I. Charge equalization for series-connected batteries. IEEE Trans. Aerosp. Electron. Syst. 2003, 39, 704–710. [Google Scholar] [CrossRef]
- Peng, F.; Wang, H.; Yu, L. Analysis and design considerations of efficiency enhanced hierarchical battery equalizer based on bipolar CCM buck–boost units. IEEE Trans. Ind. Appl. 2019, 55, 4053–4063. [Google Scholar] [CrossRef]
- Arani, A.K.; Gharehpetian, G.; Abedi, M. Review on energy storage systems control methods in microgrids. Int. Electr. Power Energy Syst. 2019, 107, 745–757. [Google Scholar] [CrossRef]
- Han, W.; Zou, C.; Zhang, L.; Ouyang, Q.; Wik, T. Near-fastest battery balancing by cell/module reconfiguration. IEEE Trans. Smart Grid 2019, 10, 6954–6964. [Google Scholar] [CrossRef]
- Ji, F.; Liao, L.; Wu, T.; Chang, C.; Wang, M. Self-reconfiguration batteries with stable voltage during the full cycle without the DC-DC converter. J. Energy Storage 2020, 28, 101213. [Google Scholar] [CrossRef]
- Rahimi-Eichi, H.; Ojha, U.; Baronti, F.; Chow, M.Y. Battery management system: An overview of its application in the smart grid and electric vehicles. IEEE Ind. Electron. Mag. 2013, 7, 4–16. [Google Scholar] [CrossRef]
- Lu, C.; Kang, L.; Luo, X.; Linghu, J.; Lin, H. A novel lithium battery equalization circuit with any number of inductors. Energies 2019, 12, 4764. [Google Scholar] [CrossRef]
- Tashakor, N.; Farjah, E.; Ghanbari, T. A bidirectional battery charger with modular integrated charge equalization circuit. IEEE Trans. Power Electron. 2016, 32, 2133–2145. [Google Scholar] [CrossRef]
- Awadallah, M.A.; Venkatesh, B. Accuracy improvement of SOC estimation in lithium-ion batteries. J. Energy Storage 2016, 6, 95–104. [Google Scholar] [CrossRef]
- Tong, S.; Lacap, J.H.; Park, J.W. Battery state of charge estimation using a load-classifying neural network. J. Energy Storage 2016, 7, 236–243. [Google Scholar] [CrossRef]
- Huang, X.; Sui, X.; Stroe, D.I.; Teodorescu, R. A Review of Management Architectures and Balancing Strategies in Smart Batteries. In Proceedings of the IECON 2019-45th Annual Conference of the IEEE Industrial Electronics Society, Lisbon, Portugal, 14–17 October 2019; Volume 1, pp. 5909–5914. [Google Scholar] [CrossRef]
- Zhang, B.; Carlson, R.B.; Smart, J.G.; Dufek, E.J.; Liaw, B. Challenges of future high power wireless power transfer for light-duty electric vehicles—technology and risk management. eTransportation 2019, 2, 100012. [Google Scholar] [CrossRef]


































| Transfer | Frame Color | Discussion | 
|---|---|---|
| Cell-to-heat | Red | Implies the use of a resistor where is burned the excess of energy | 
| Adjacent cell-to-cell | Yellow | The BEC can only exchange energy between adjacent cells. | 
| Direct cell-to-cell | Blue | The BEC can exchange energy between any cells in the battery pack. | 
| String-to-string | Fuchsia | The BEC can exchange energy between arrays of cells. | 
| Pack-to-cell | - | The BEC extracts the energy from the whole battery pack and sends it to one cell. | 
| Cell-to-pack | - | The BEC extract the energy from an individual cell and send it to the battery pack. | 
| String-to-cell | Brown | The BEC extract the energy from an array of cells and send it to one cell. | 
| Cell-to-string | Brown | The BEC extracts the energy from an individual cell and sends it to an array of cells. | 
| All of the above | Green | The BEC can perform any of the above methods for energy transfer. | 
| Equalizer | Component Count | Equalization Time | MOSFET Stress | Efficiency | 
|---|---|---|---|---|
| Switched resistor [40] | n resistors n MOSFETs | Directly proportional to the energy that wants to be burned and inversely proportional to the voltage of the cell | Voltage of the cell Current reference (ideally the maximum current allowed for the cell) | Poor efficiency since the goal is to burn the excess of energy in the cell | 
| Shunt MOSFET [44] | n MOSFETs | Directly proportional to the energy that wants to be burned and inversely proportional to the reference current | Voltage of the cell Current reference (ideally the maximum current allowed for the cell) | Poor efficiency since the goal is to burn the excess of energy in the cell | 
| Equalizer | Component Count | Equalization Time | MOSFET Stress | Efficiency | 
|---|---|---|---|---|
| Switched capacitor [51,52] | MOSFETs capacitors | Directly proportional to difference in voltage between adjacent cell and switching frequency, and inversely proportional to the the value of the capacitor and the value of the series resistance. In general, it is a slow process. The equalization time decreases while the amount of capacitors are increased. Hence, the double tiered topology is faster than the switched capacitor and the switched capacitor is faster than the single capacitor topology | Voltage of the cell Peak current ruled by Equation (2) | Only presents conduction losses, if the switching frequency is properly selected. The efficiency is affected negatively by the redundant equalization. | 
| Single capacitor [49,50] | MOSFETs 1 capacitor | Voltage of the cell Peak current ruled by Equation (2) | Only presents conduction losses, if the switching frequency is properly selected. It does not present redundant equalization. | |
| Double-tiered capacitor [54] | MOSFETs capacitors | First Layer: Voltage of the cell Second Layer: Two times the voltage of the cell Peak current ruled by Equation (2) | Only presents conduction losses, if the switching frequency is properly selected. The efficiency is affected negatively by the redundant equalization. | 
| Equalizer | Component Count | Equalization Time | MOSFET Sstress | Efficiency | 
|---|---|---|---|---|
| Switched inductor [57,59] | MOSFETs inductors | Directly proportional to the energy to be equalized. In general, it is faster than the capacitor-based equalizers since the current is controlled. The switched inductor topology is faster than the single inductor scheme since there are more storage devices to handle the transfers of energy. | Voltage of the cell Current reference (ideally the maximum current allowed for the cell) | It presents conduction and switching losses, depending on the series resistance of the elements and the switching frequency. | 
| Single inductor [60] | switches diodes 1 inductor | Depends on the strategy (C2C, C2S, P2C, C2P and S2S) it vary from the voltage of the cell to the voltage of the pack Current reference (ideally the maximum current allowed for the cell) | It presents conduction and switching losses, depending on the series resistance of the elements and the switching frequency. | 
| Equalizer | Component Count | Equalization Time | MOSFET Stress | Efficiency | 
|---|---|---|---|---|
| Ćuk converter [62,63] | 2  MOSFETs 2 inductors capacitors | Directly proportional to the energy to be equalized. In general is faster than the capacitor-based equalizers, since the current is controlled. The switched inductor topology is faster than the single inductor scheme since there are more storage devices to handle the transfers of energy. | Current reference (ideally the maximum current allowed for the cell) | It presents conduction and switching losses, depending on the series resistance of the elements and the switching frequency. | 
| Switched capacitor–inductor network equalizer [66] | MOSFETs inductors capacitors | Voltage of the cell Resonance current | Only presents conduction losses, if the switching frequency is properly selected. The efficiency is affected negatively by the redundant equalization. | |
| Buck-boost converter [69,70] | n MOSFETs n diodes n inductors | Voltage of the cell Current reference (ideally the maximum current allowed for the cell) | It presents conduction and switching losses, depending on the series resistance of the elements and the switching frequency. | 
| Equalizer | Component Count | Equalization Time [s] | MOSFET Stress | Low-Level Controller Complexity | High-Level Controller Complexity | Sensors Rrequired | Efficiency | Total | 
|---|---|---|---|---|---|---|---|---|
| Switched resistor [40] | 4 resistors, 4 MOSFETs-(2) | 17.7-(2) | 4.1 V, 4.1 A-(6) | 0-(1) | 1-(4) | 4 (V)-(4) | 0-(9) | 28 | 
| Shunt MOSFET [44] | 4 MOSFETs-(1) | 18.18-(3) | 4.1 V, 4.05 A-(5) | 0-(1) | 1 (4) | 4 (V), 4 (A)-(8) | 0-(9) | 31 | 
| Switched capacitor [51,52] | 8 MOSFETs, 3 capacitors-(4) | 8000-(8) | 4.1 V, 0.015 A-(1) | 0-(1) | 0-(1) | 0-(1) | 2-(1) | 17 | 
| Single capacitor [49,50] | 16 MOSFETs, 1 capacitor-(9) | 28,000-(9) | 4.1 V, 0.015 A-(1) | 0-(1) | 2-(8) | 4 (V)-(4) | 2-(1) | 33 | 
| Double-tiered capacitor [54] | 8 MOSFETs, 5 capacitors-(6) | 3200-(7) | 8.2 V, 0.23 A-(10) | 0-(1) | 0-(1) | 0-(1) | 2-(1) | 27 | 
| Switched inductor [57,59] | 6 MOSFETs, 3 inductors-(3) | 16-(1) | 4.1 V, 4.4 A-(7) | 1-(7) | 1-(4) | 4 (V), 3 (A)-(7) | 1-(5) | 34 | 
| Single inductor [60] | 10 switches, 10 diodes 1 inductor-(10) | 23-(4) | 4.1 V, 4.4 A-(7) | 1-(7) | 2-(8) | 4 (V), 1 (A)-(6) | 1-(5) | 47 | 
| Ćuk converter [62,63] | 6 MOSFETs, 6 inductors 3 capacitors-(8) | 33, (5) | 4.1 V, 1.5 A-(4) | 3-(10) | 1-(4) | 7 (V), 6 (A)-(10) | 1-(5) | 46 | 
| Switched capacitor–inductor network equalizer [66] | 8 MOSFETs, 3 inductors 3 capacitors-(7) | 40,000-(10) | 4.1 V, 0.09 A-(3) | 0-(1) | 0-(1) | 0-(1) | 2-(1) | 24 | 
| Buck-boost converter [69,70] | 4 MOSFETs 4 diodes 4 inductors-(5) | 108-(6) | 4.1 V, 4.4 A-(7) | 1-(7) | 2-(8) | 4 (V), 4 (A)-(8) | 1-(5) | 46 | 
| Publisher’s Note: MDPI stays neutral with regard to jurisdictional claims in published maps and institutional affiliations. | 
© 2020 by the authors. Licensee MDPI, Basel, Switzerland. This article is an open access article distributed under the terms and conditions of the Creative Commons Attribution (CC BY) license (http://creativecommons.org/licenses/by/4.0/).
Share and Cite
Alvarez-Diazcomas, A.; Estévez-Bén, A.A.; Rodríguez-Reséndiz, J.; Martínez-Prado, M.-A.; Carrillo-Serrano, R.V.; Thenozhi, S. A Review of Battery Equalizer Circuits for Electric Vehicle Applications. Energies 2020, 13, 5688. https://doi.org/10.3390/en13215688
Alvarez-Diazcomas A, Estévez-Bén AA, Rodríguez-Reséndiz J, Martínez-Prado M-A, Carrillo-Serrano RV, Thenozhi S. A Review of Battery Equalizer Circuits for Electric Vehicle Applications. Energies. 2020; 13(21):5688. https://doi.org/10.3390/en13215688
Chicago/Turabian StyleAlvarez-Diazcomas, Alfredo, Adyr A. Estévez-Bén, Juvenal Rodríguez-Reséndiz, Miguel-Angel Martínez-Prado, Roberto V. Carrillo-Serrano, and Suresh Thenozhi. 2020. "A Review of Battery Equalizer Circuits for Electric Vehicle Applications" Energies 13, no. 21: 5688. https://doi.org/10.3390/en13215688
APA StyleAlvarez-Diazcomas, A., Estévez-Bén, A. A., Rodríguez-Reséndiz, J., Martínez-Prado, M.-A., Carrillo-Serrano, R. V., & Thenozhi, S. (2020). A Review of Battery Equalizer Circuits for Electric Vehicle Applications. Energies, 13(21), 5688. https://doi.org/10.3390/en13215688
 
        




 
                         
       