Interleaved Multistage Step-Up Topologies with Voltage Multiplier Cells
Abstract
1. Introduction
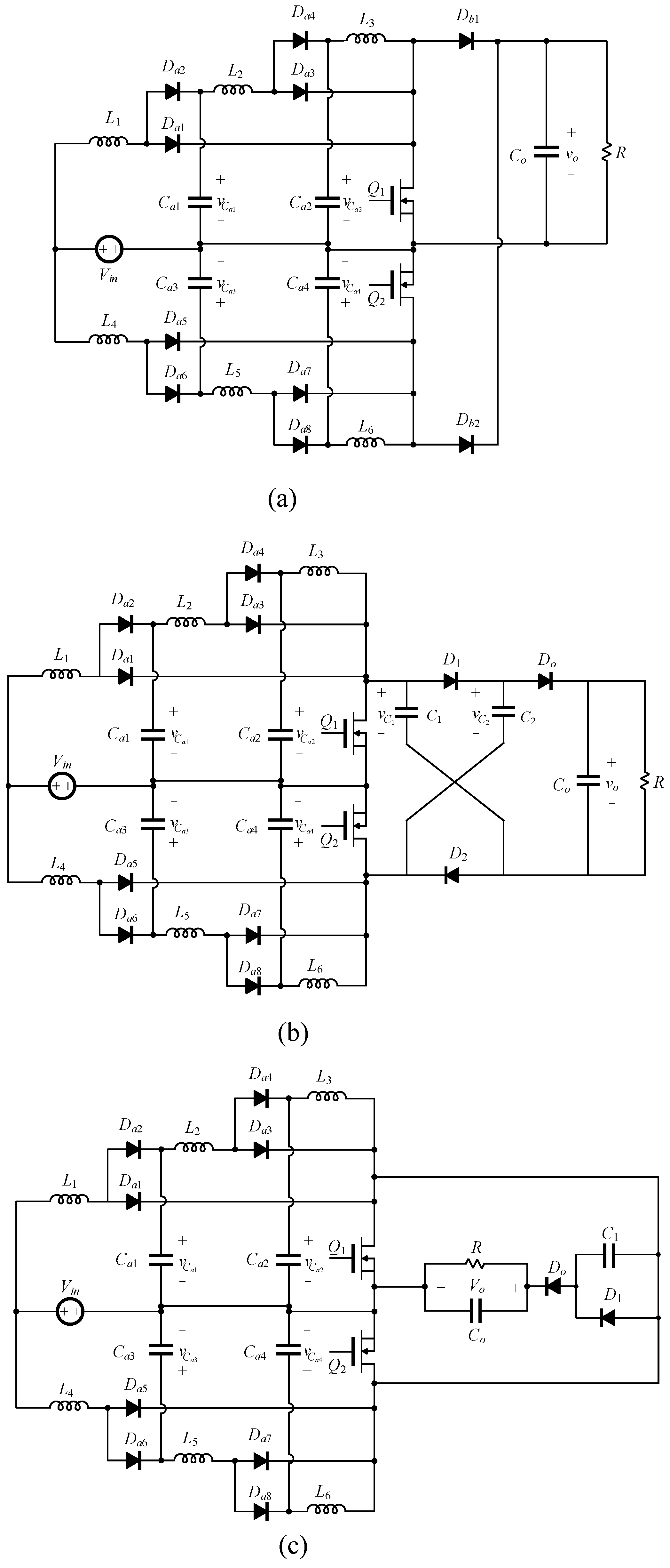
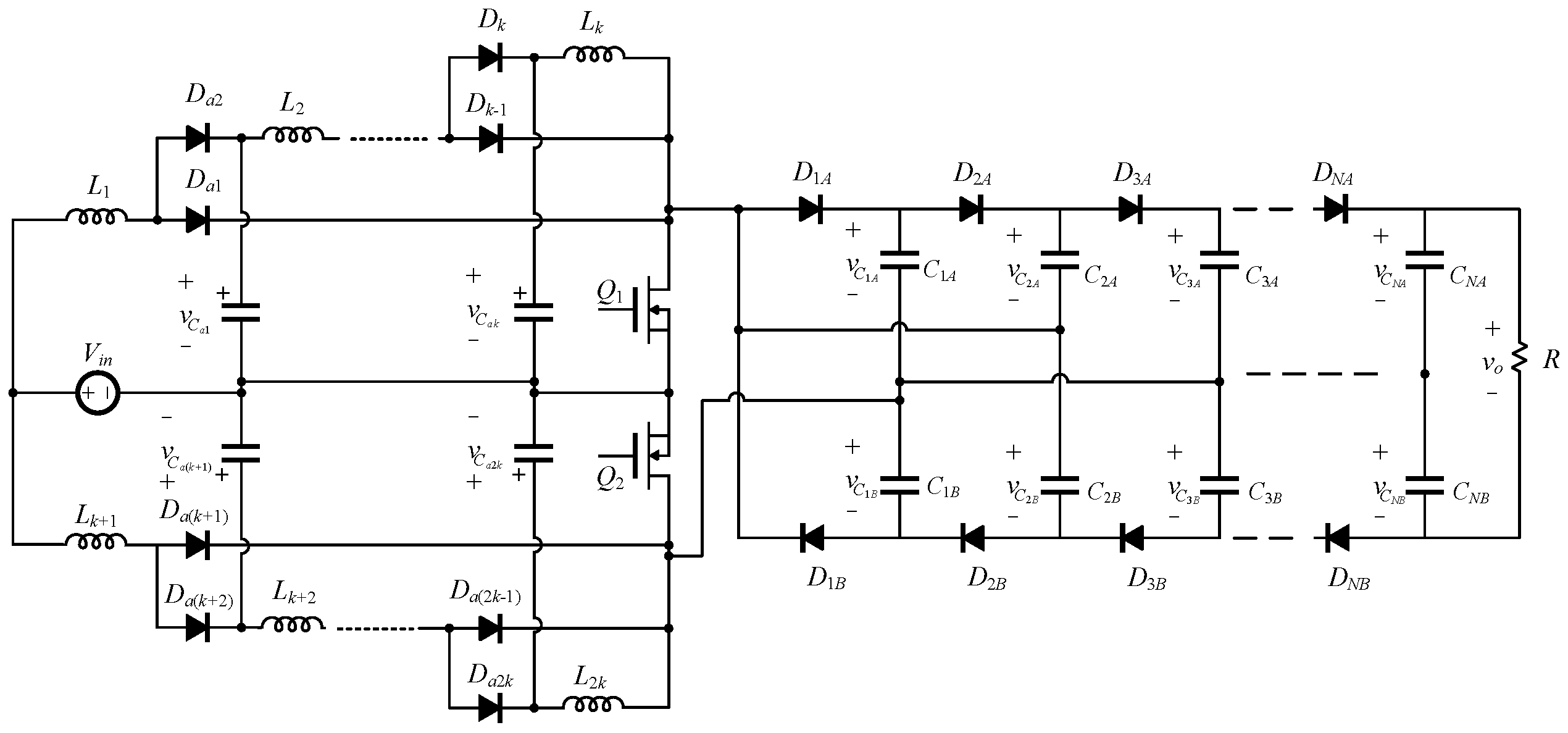
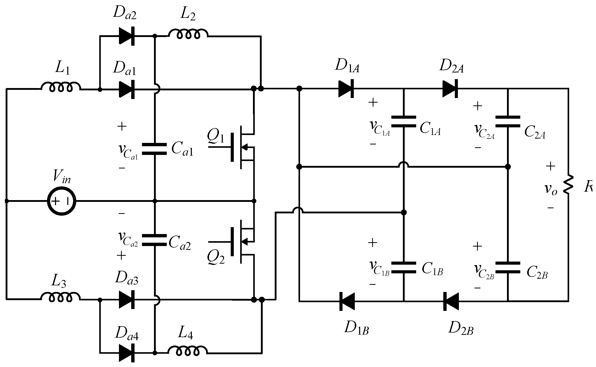
2. Theory of Operation and Steady-State Analysis
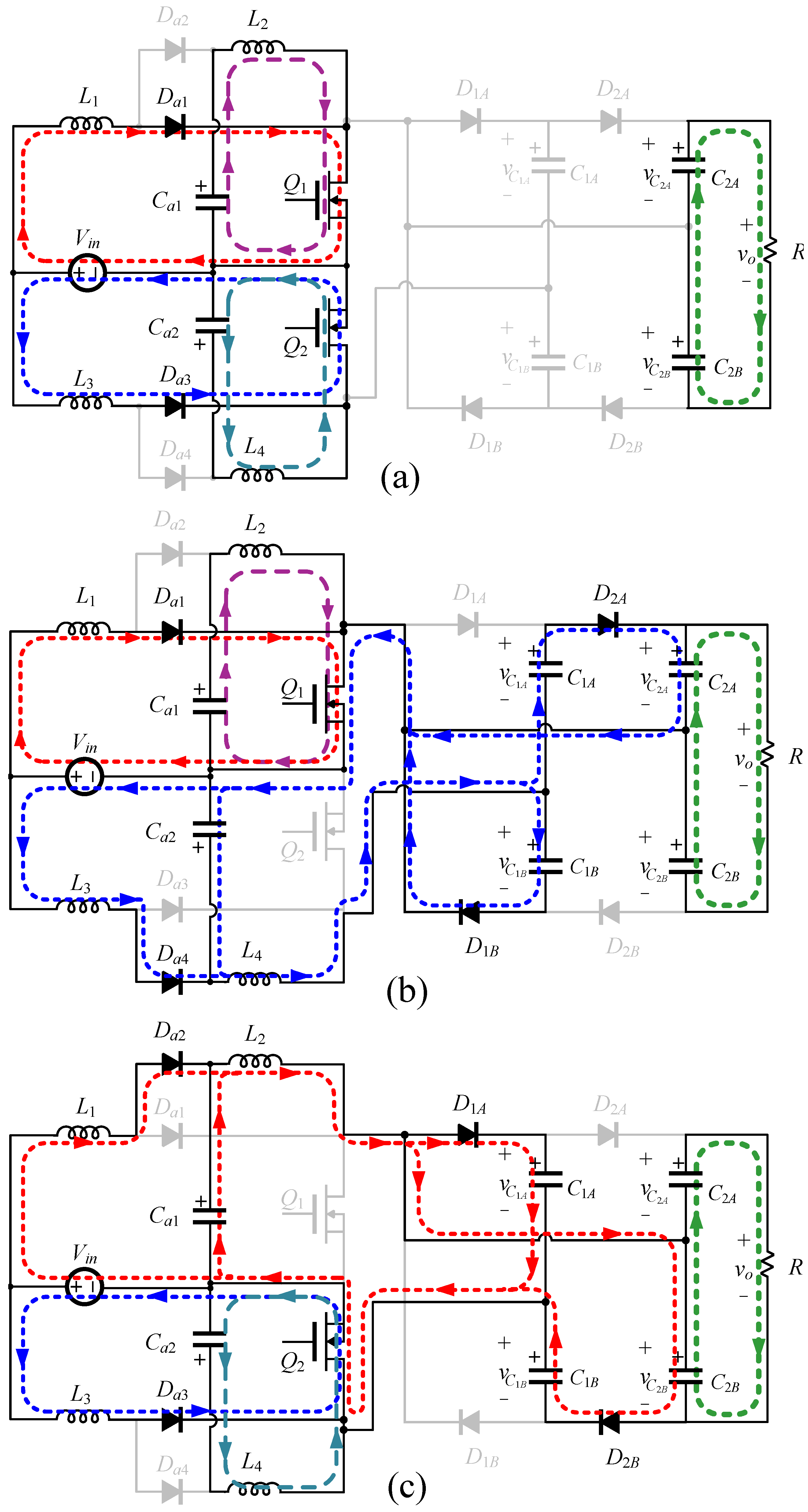
2.1. Mode 1: Both MOSFETs Are ON
2.2. Mode 2: Is ON and Is OFF
2.3. Mode 3: Is OFF and Is ON
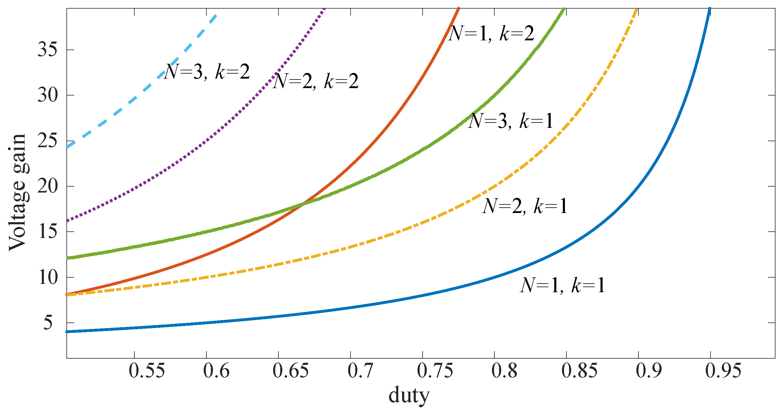
2.4. Steady-State Analysis and Static Voltage Gain
3. Components Selection and Efficiency Analysis
3.1. Active Switches
3.2. Diodes
3.3. Inductors
3.4. Capacitors
3.5. Efficiency Analysis
4. Experimental Implementation and Results
5. Conclusions
Author Contributions
Funding
Acknowledgments
Conflicts of Interest
Abbreviations
| VMC | Voltage multiplier cells |
| RMS | Directory of open access journals |
| PCB | Printed circuit board |
| DC | Direct current |
| CCM | Continuous conduction mode |
References
- Wai, R.; Lin, C.; Duan, R.; Chang, Y. High-Efficiency DC-DC Converter With High Voltage Gain and Reduced Switch Stress. IEEE Trans. Ind. Electron. 2007, 54, 354–364. [Google Scholar] [CrossRef]
- Abutbul, O.; Gherlitz, A.; Berkovich, Y.; Ioinovici, A. Step-up switching-mode converter with high voltage gain using a switched-capacitor circuit. IEEE Trans. Circuits Syst. I Fundam. Theory Appl. 2003, 50, 1098–1102. [Google Scholar] [CrossRef]
- Henn, G.A.; Silva, R.; Praca, P.P.; Barreto, L.; Oliveira, D.S., Jr. Interleaved-boost converter with high voltage gain. IEEE Trans. Power Electron. 2010, 25, 2753–2761. [Google Scholar] [CrossRef]
- Lakshmi, M.; Hemamalini, S. Nonisolated High Gain DC–DC Converter for DC Microgrids. IEEE Trans. Ind. Electron. 2018, 65, 1205–1212. [Google Scholar] [CrossRef]
- Carrasco, J.M.; Franquelo, L.G.; Bialasiewicz, J.T.; Galvan, E.; PortilloGuisado, R.C.; Prats, M.A.M.; Leon, J.I.; Moreno-Alfonso, N. Power-Electronic Systems for the Grid Integration of Renewable Energy Sources: A Survey. IEEE Trans. Ind. Electron. 2006, 53, 1002–1016. [Google Scholar] [CrossRef]
- Nordman, B.; Christensen, K. DC Local Power Distribution: Technology, Deployment, and Pathways to Success. IEEE Electrif. Mag. 2016, 4, 29–36. [Google Scholar] [CrossRef]
- Xu, C.; Cheng, K. A survey of distributed power system—AC versus DC distributed power system. In Proceedings of the 2011 4th International Conference on Power Electronics Systems and Applications (PESA), Las Vegas, NV, USA, 12–14 November 2011; pp. 1–12. [Google Scholar]
- Planas, E.; Andreu, J.; Gárate, J.I.; de Alegría, I.M.; Ibarra, E. AC and DC technology in microgrids: A review. Renew. Sustain. Energy Rev. 2015, 43, 726–749. [Google Scholar] [CrossRef]
- Whaite, S.; Grainger, B.; Kwasinski, A. Power quality in DC power distribution systems and microgrids. Energies 2015, 8, 4378–4399. [Google Scholar] [CrossRef]
- Monadi, M.; Zamani, M.A.; Candela, J.I.; Luna, A.; Rodriguez, P. Protection of AC and DC distribution systems Embedding distributed energy resources: A comparative review and analysis. Renew. Sustain. Energy Rev. 2015, 51, 1578–1593. [Google Scholar] [CrossRef]
- Revathi, B.S.; Prabhakar, M. Non isolated high gain DC-DC converter topologies for PV applications–A comprehensive review. Renew. Sustain. Energy Rev. 2016, 66, 920–933. [Google Scholar] [CrossRef]
- Nasir, M.; Khan, H.A.; Hussain, A.; Mateen, L.; Zaffar, N.A. Solar PV-Based Scalable DC Microgrid for Rural Electrification in Developing Regions. IEEE Trans. Sustain. Energy 2018, 9, 390–399. [Google Scholar] [CrossRef]
- Erickson, R.W.; Maksimovic, D. Fundamentals of Power Electronics; Springer: Berlin/Heidelberg, Germany, 2007. [Google Scholar]
- Johnson, S.D.; Witulski, A.F.; Erickson, R.W. Comparison of resonant topologies in high-voltage DC applications. IEEE Trans. Aerosp. Electron. Syst. 1988, 24, 263–274. [Google Scholar] [CrossRef]
- Malik, M.Z.; Chen, H.; Nazir, M.S.; Khan, I.A.; Abdalla, A.N.; Ali, A.; Chen, W. A New Efficient Step-Up Boost Converter with CLD Cell for Electric Vehicle and New Energy Systems. Energies 2020, 13, 1791. [Google Scholar] [CrossRef]
- Rosas-Caro, J.C.; Ramirez, J.M.; Peng, F.Z.; Valderrabano, A. A DC-DC multilevel boost converter. IET Power Electron. 2010, 3, 129–137. [Google Scholar] [CrossRef]
- Walker, G.R.; Sernia, P.C. Cascaded DC-DC converter connection of photovoltaic modules. IEEE Trans. Power Electron. 2004, 19, 1130–1139. [Google Scholar] [CrossRef]
- Leyva-Ramos, J.; Ortiz-Lopez, M.; Diaz-Saldierna, L.; Morales-Saldana, J. Switching regulator using a quadratic boost converter for wide DC conversion ratios. IET Power Electron. 2009, 2, 605–613. [Google Scholar] [CrossRef]
- Kadri, R.; Gaubert, J.; Champenois, G.; Mostefaï, M. Performance analysis of transformless single switch quadratic boost converter for grid connected photovoltaic systems. In Proceedings of the XIX International Conference on Electrical Machines—ICEM 2010, Rome, Italy, 6–8 September 2010; pp. 1–7. [Google Scholar] [CrossRef]
- Ismail, E.H.; Al-Saffar, M.A.; Sabzali, A.J.; Fardoun, A.A. A Family of Single-Switch PWM Converters With High Step-Up Conversion Ratio. IEEE Trans. Circuits Syst. I Regul. Pap. 2008, 55, 1159–1171. [Google Scholar] [CrossRef]
- Luo, F.L.; Ye, H. Advanced DC/DC Converters; CRC Press: Boca Raton, FL, USA, 2016. [Google Scholar]
- Kwon, J.M.; Kwon, B.H.; Nam, K.H. Three-phase photovoltaic system with three-level boosting MPPT control. IEEE Trans. Power Electron. 2008, 23, 2319–2327. [Google Scholar] [CrossRef]
- Yaramasu, V.; Wu, B.; Alepuz, S.; Kouro, S. Predictive control for low-voltage ride-through enhancement of three-level-boost and NPC-converter-based PMSG wind turbine. IEEE Trans. Ind. Electron. 2014, 61, 6832–6843. [Google Scholar] [CrossRef]
- Chub, A.; Vinnikov, D.; Blaabjerg, F.; Peng, F.Z. A Review of Galvanically Isolated Impedance-Source DC-DC Converters. IEEE Trans. Power Electron. 2016, 31, 2808–2828. [Google Scholar] [CrossRef]
- Farakhor, A.; Abapour, M.; Sabahi, M.; Gholami Farkoush, S.; Oh, S.R.; Rhee, S.B. A study on an improved three-winding coupled inductor based dc/dc boost converter with continuous input current. Energies 2020, 13, 1780. [Google Scholar] [CrossRef]
- Barbi, I.; Gules, R. Isolated DC-DC converters with high-output voltage for TWTA telecommunication satellite applications. IEEE Trans. Power Electron. 2003, 18, 975–984. [Google Scholar] [CrossRef]
- Nguyen, M.K.; Lim, Y.C.; Choi, J.H.; Cho, G.B. Isolated High Step-Up DC-DC Converter Based on Quasi-Switched-Boost Network. IEEE Trans. Ind. Electron. 2016, 63, 7553–7562. [Google Scholar] [CrossRef]
- Duarte, J.; Lima, L.; Oliveira, L.; Mezaroba, M.; Michels, L.; Rech, C. Modeling and Digital Control of a Single-Stage Step-Up/Down Isolated PFC Rectifier. IEEE Trans. Ind. Inform. 2013, 9, 1017–1028. [Google Scholar] [CrossRef]
- Evran, F.; Aydemir, M.T. Isolated high step-up DC–DC converter with low voltage stress. IEEE Trans. Power Electron. 2014, 29, 3591–3603. [Google Scholar] [CrossRef]
- Tofoli, F.L.; Pereira, D.; de Paula, W.J.; Oliveira Júnior, D. Survey on non-isolated high-voltage step-up dc-dc topologies based on the boost converter. IET Power Electron. 2015, 8, 2044–2057. [Google Scholar] [CrossRef]
- Forouzesh, M.; Siwakoti, Y.P.; Gorji, S.A.; Blaabjerg, F.; Lehman, B. Step-up DC–DC converters: A comprehensive review of voltage-boosting techniques, topologies, and applications. IEEE Trans. Power Electron. 2017, 32, 9143–9178. [Google Scholar] [CrossRef]
- Li, W.; He, X. Review of Nonisolated High-Step-Up DC/DC Converters in Photovoltaic Grid-Connected Applications. IEEE Trans. Ind. Electron. 2011, 58, 1239–1250. [Google Scholar] [CrossRef]
- Karthikeyan, M.; Elavarasu, R.; Ramesh, P.; Bharatiraja, C.; Sanjeevikumar, P.; Mihet-Popa, L.; Mitolo, M. A Hybridization of Cuk and Boost Converter Using Single Switch with Higher Voltage Gain Compatibility. Energies 2020, 13, 2312. [Google Scholar] [CrossRef]
- Alzahrani, A.; Shamsi, P.; Ferdowsi, M. Boost converter with bipolar Dickson voltage multiplier cells. In Proceedings of the 2017 IEEE 6th International Conference on Renewable Energy Research and Applications (ICRERA), San Diego, CA, USA, 5–8 November 2017; pp. 228–233. [Google Scholar]
- Prabhala, V.A.K.; Fajri, P.; Gouribhatla, V.S.P.; Baddipadiga, B.P.; Ferdowsi, M. A DC–DC Converter With High Voltage Gain and Two Input Boost Stages. IEEE Trans. Power Electron. 2016, 31, 4206–4215. [Google Scholar] [CrossRef]
- Fu, M.; Zhao, C.; Song, J.; Ma, C. A Low-Cost Voltage Equalizer Based on Wireless Power Transfer and a Voltage Multiplier. IEEE Trans. Ind. Electron. 2018, 65, 5487–5496. [Google Scholar] [CrossRef]
- López-Santos, O.; Martínez-Salamero, L.; García, G.; Valderrama-Blavi, H.; Sierra-Polanco, T. Comparison of quadratic boost topologies operating under sliding-mode control. In Proceedings of the Power Electronics Conference (COBEP), Gramado, Brazil, 27–31 October 2013; pp. 66–71. [Google Scholar]
- Li, W.; Lv, X.; Deng, Y.; Liu, J.; He, X. A Review of Non-Isolated High Step-Up DC/DC Converters in Renewable Energy Applications. In Proceedings of the 2009 Twenty-Fourth Annual IEEE Applied Power Electronics Conference and Exposition, Washington, DC, USA, 15–19 February 2009; pp. 364–369. [Google Scholar] [CrossRef]
- Balci, S.; Altin, N.; Komurcugil, H.; Sefa, I. Performance analysis of interleaved quadratic boost converter with coupled inductor for fuel cell applications. In Proceedings of the IECON 2016—42nd Annual Conference of the IEEE Industrial Electronics Society, Florence, Italy, 24–27 October 2016; pp. 3541–3546. [Google Scholar] [CrossRef]














| Case | The Output Voltage |
|---|---|
| and | |
| and | |
| and | |
| and |
| Topology | Quadratic Cascaded Boost Converter [37] | Cascaded Three-Level Boost Converter (Two Stages) [38] | Interleaved Boost with the Dickson VMC with [35] | Interleaved Quadratic Boost Converter [39] | Proposed Converter with |
|---|---|---|---|---|---|
| Static voltage gain | |||||
| Maximum stress on switches or diodes | |||||
| Maximum voltage on capacitors | |||||
| Number of capacitors | 2 | 4 | 6 | 3 | 6 |
| Number of diodes | 2 | 4 | 6 | 6 | 8 |
| Number of inductors | 1 | 2 | 2 | 4 | 4 |
| Number of floating MOSFETs | − | 2 | − | − | − |
| Number of grounded MOSFETs | 2 | 2 | 2 | 2 | 2 |
| Current | Average | RMS |
|---|---|---|
| , | ||
| Current | Peak | RMS |
|---|---|---|
| Components | Equation | Variables |
|---|---|---|
| Inductors conduction loss | is the dc resistance of the inductor | |
| Inductors core loss | , and c obtained using curve fitting from material datasheet | |
| MOSFETs switching loss | is mosfet output capacitor is switching frequency and are the ON and OFF time of the MOSFET | |
| MOSFETs conduction loss | is the conduction resistance of the MOSFET | |
| Diode conduction loss | is the forward voltage of the diode | |
| Capacitor ESR loss | is the equivalent series resistance of the capacitor |
| Item | Designation | Rating | Part No. |
|---|---|---|---|
| Inductor | – | , , | 60B104C |
| Capacitor | EXH2E106HRPT | ||
| Capacitor | B32674D3106K | ||
| MOSFET | IPA105N15N3 | ||
| Diode | MBR40250G |
Publisher’s Note: MDPI stays neutral with regard to jurisdictional claims in published maps and institutional affiliations. |
© 2020 by the authors. Licensee MDPI, Basel, Switzerland. This article is an open access article distributed under the terms and conditions of the Creative Commons Attribution (CC BY) license (http://creativecommons.org/licenses/by/4.0/).
Share and Cite
Alzahrani, A.; Shamsi, P.; Ferdowsi, M. Interleaved Multistage Step-Up Topologies with Voltage Multiplier Cells. Energies 2020, 13, 5990. https://doi.org/10.3390/en13225990
Alzahrani A, Shamsi P, Ferdowsi M. Interleaved Multistage Step-Up Topologies with Voltage Multiplier Cells. Energies. 2020; 13(22):5990. https://doi.org/10.3390/en13225990
Chicago/Turabian StyleAlzahrani, Ahmad, Pourya Shamsi, and Mehdi Ferdowsi. 2020. "Interleaved Multistage Step-Up Topologies with Voltage Multiplier Cells" Energies 13, no. 22: 5990. https://doi.org/10.3390/en13225990
APA StyleAlzahrani, A., Shamsi, P., & Ferdowsi, M. (2020). Interleaved Multistage Step-Up Topologies with Voltage Multiplier Cells. Energies, 13(22), 5990. https://doi.org/10.3390/en13225990

