Nonlinear Digital Simulation Models of Switched Reluctance Motor Drive
Abstract
1. Introduction
2. System Components and Mathematical Model
- Dik = dik/dt, (k = A, B, C, D),
- UA, UB, UC, UD—voltages of phases A, B, C and D,
- θA—the rotor position of phase A,
- θr—one rotor period,
- RA, RB, RC, RD—resistances of phases A, B, C and D,
- ΨA, ΨB, ΨC, ΨD—flux linkages of phases A, B, C and D,
- iA, iB, iC, iD—currents in phases A, B, C and D,
- ω—the rotor angular velocity,
- t—the time,
- N—each phase turn numbers of winding,
- L—active length of motor iron core,
- S—stator pole area at one side,
- Δi and Δj—area of the split cell at the right and left side of the stator poles,
- Ai and Aj—magnetomotive force vector of the split cell at the right and left side of the stator poles, separately.
- γ—the reciprocal of permeability,
- J—stator phase winding current density,
- D2—outer diameter of stator,
- d2—diameter of rotor bore,
- A—magnetic vector potential.
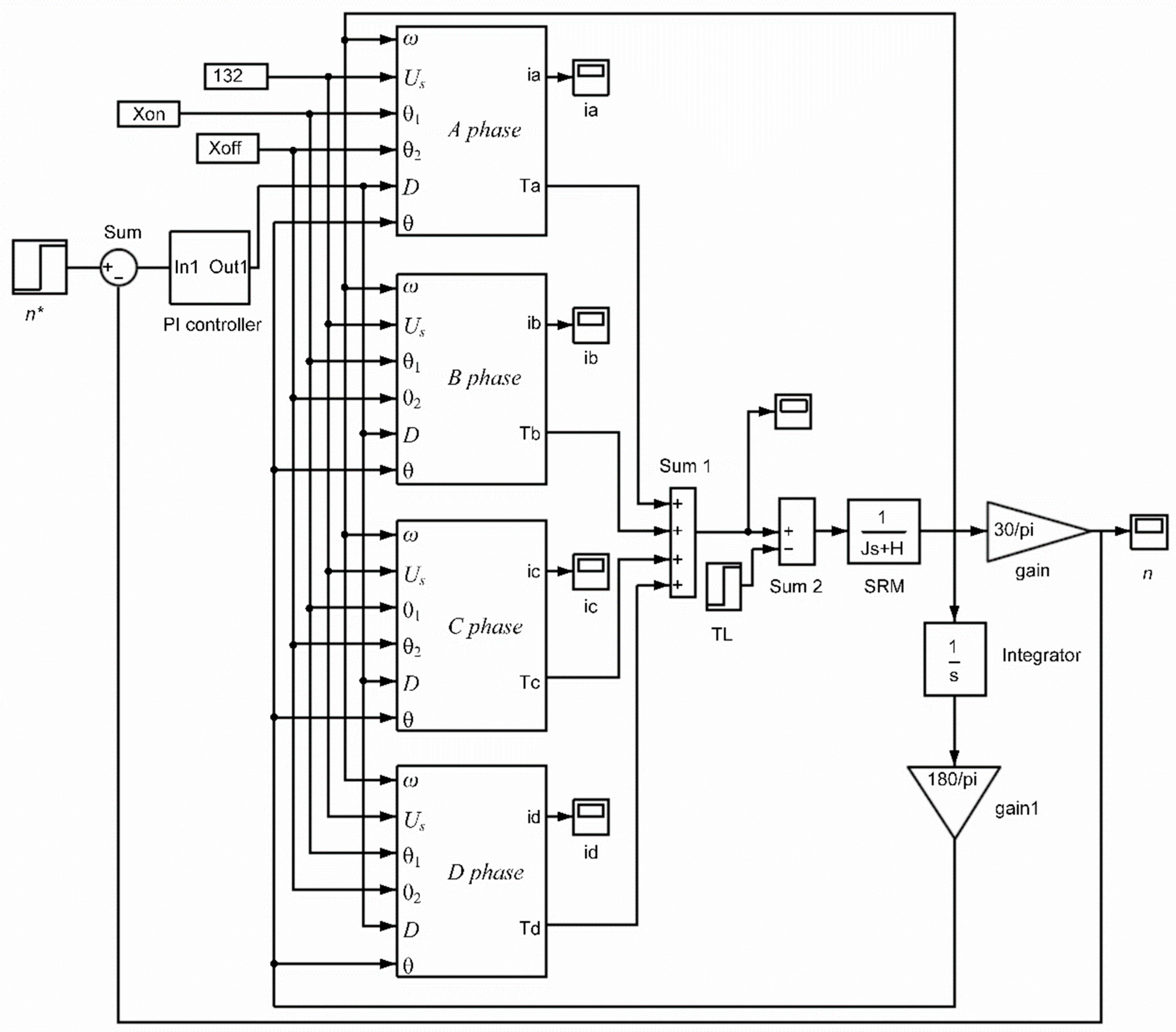
3. Simulation Models
4. Simulated and Measured Results
5. Conclusions
Author Contributions
Funding
Conflicts of Interest
Appendix A
| SRM Parameters | |
|---|---|
| Phase number | 4 |
| Number of stator pole | 8 |
| Number of rotor pole | 6 |
| Stator bore diameter | 78.0 mm |
| Stator outer diameter | 130.0 mm |
| Air gap length | 0.15 mm |
| Rotor bore diameter | 30.0 mm |
| Length of laminated iron core | 135 mm |
| Number of turns per pole | 7 |
| Type of iron | DR510–50 |
References
- Miller, T.J.E. Switched Reluctance Motors and Their Control; Oxford University Press: Oxford, UK, 1993. [Google Scholar]
- Chen, H.; Gu, J.J. Implementation of three-phase switched reluctance machine system for motors and generator. IEEE/ASME Trans. Mechatron. 2010, 15, 421–432. [Google Scholar] [CrossRef]
- Radimov, N.B.; Rabinovici, R. Switched reluctance machines as three-phase ac autonomous generator. IEEE Trans. Magn. 2006, 42, 3760–3764. [Google Scholar] [CrossRef]
- Calverley, S.D.; Jewell, G.W.; Saunders, R.J. Aerodynamic losses in switched reluctance machine. IEEE Proc. Electr. Power Appl. 2000, 147, 443–448. [Google Scholar] [CrossRef]
- Krishnan, R.; Blanding, D. High reliability SRM driver system for aerospace application. Proc. IEEE APEC 2003, 2, 1110–1115. [Google Scholar]
- Chang, Y.; Liaw, C. On the design of power circuit and control scheme for switched reluctance generator. IEEE Trans. Power Electron. 2008, 23, 445–454. [Google Scholar]
- Echenique, E.; Dixon, J.; Cárdenas, R.; Peña, R. Sensorless control for a switched reluctance wind generator, based on current slopes and neural networks. IEEE Trans. Ind. Electron. 2009, 56, 817–825. [Google Scholar] [CrossRef]
- May, H.; Canders, W.-R.; Palka, R.; Holub, M. Optimisation of the feeding of switched reluctance machines for high speed and high power applications. Stud. Appl. Electromagn. Mech. 2002, 22, 489–494. [Google Scholar]
- Yan, W.; Chen, H.; Liu, X.; Ma, X.; Lv, Z.; Wang, X.; Palka, R.; Chen, L.; Wang, K. Design and multi-objective optimisation of switched reluctance machine with iron loss. IET Electr. Power Appl. 2019, 13, 435–444. [Google Scholar] [CrossRef]
- Holub, M.; Palka, R.; Canders, W.-R. Control of Switched Reluctance Machines for Flywheel Energy Storage Applications. Electromotion 2005, 12, 185–191. [Google Scholar]
- Nie, R.; Chen, H.; Liu, J.; Zhao, W.; Wang, X.; Palka, R. Compensation analysis of longitudinal end effect in three-phase switched reluctance linear machines. ET Electr. Power Appl. 2020, 14, 165–174. [Google Scholar] [CrossRef]
- Krishnamurthy, M.; Edrington, C.S.; Emadi, A.; Asadi, P.; Ehsani, M.; Fahimi, B. Making the Case for Applications of Switched Reluctance Motor Technology in Automotive Products. IEEE Trans. Power Electron. 2006, 21, 659–675. [Google Scholar] [CrossRef]
- Gulez, K.; Adam, A.A.; Pastaci, H. A novel direct torque control algorithm for ipmsm with minimum harmonics and Torque Ripples. IEEE/ASME Trans. Mechatron. 2007, 12, 223–227. [Google Scholar] [CrossRef]
- Monmasson, E.; Idkhajine, L.; Cirstea, M.N.; Bahri, I.; Tisan, A.; Naouar, M.W. FPGAs in industrial control applications. IEEE Trans. Ind. Informat. 2011, 7, 224–243. [Google Scholar] [CrossRef]
- Orlowska-Kowalska, T.; Kaminski, M. FPGA implementation of the multilayer neural network for the speed estimation of the two-mass drive system. IEEE Trans. Ind. Informat. 2011, 7, 436–445. [Google Scholar] [CrossRef]
- Bertoluzzo, M.; Buja, G. Development of electric propulsion systems for light electric vehicles. IEEE Trans. Ind. Informat. 2011, 7, 428–435. [Google Scholar]
- Orlowska-Kowalska, T.; Szabat, K. Damping of torsional vibrations in two-mass system using adaptive sliding neuro-fuzzy approach. IEEE Trans. Ind. Informat. 2008, 4, 47–57. [Google Scholar] [CrossRef]
- Lai, C.; Hsu, P. Design the remote control system with the time-delay estimator and the adaptive smith predictor. IEEE Trans. Ind. Informat. 2010, 6, 73–80. [Google Scholar]
- Polic, A.; Jezernik, K. Closed-loop matrix based model of discrete event systems for machine logic control design. IEEE Trans. Ind. Informat. 2005, 1, 39–46. [Google Scholar]
- Filev, D.P.; Chinnam, R.B.; Tseng, F.; Baruah, P. An industrial strength novelty detection framework for autonomous equipment monitoring and diagnostics. IEEE Trans. Ind. Informat. 2010, 6, 767–779. [Google Scholar] [CrossRef]
- Kong, K.; Bae, J.; Tomizuka, M. Control of rotary series elastic actuator for ideal force-mode actuation in human–robot interaction applications. IEEE/ASME Trans. Mechatron. 2009, 14, 105–118. [Google Scholar] [CrossRef]
- Lu, L.; Chen, Z.; Yao, B.; Wang, Q. Desired compensation adaptive robust control of a linear-motor-driven precision industrial gantry with improved cogging force compensation. IEEE/ASME Trans. Mechatron. 2008, 13, 617–624. [Google Scholar] [CrossRef]
- Liu, H.; Meusel, P.; Hirzinger, G.; Jin, M.; Liu, Y.; Xie, Z. The modular multisensory DLR-HIT-hand: Hardware and software architecture. IEEE/ASME Trans. Mechatron. 2008, 13, 461–469. [Google Scholar]
- Michon, M.; Calverley, S.D.; Powell, D.J.; Clark, R.E.; Howe, D. Dynamic model of a switched reluctance machine for use in a saber based vehicular system simulation. In Proceedings of the IEEE 40th IAS Annul Meeting, Hong Kong, China, 2–6 October 2005; pp. 2280–2287. [Google Scholar]
- Farshad, M.; Faiz, J.; Lucas, C. Development of analytical models of switched reluctance motor in two-phase excitation mode: Extended miller model. IEEE Trans. Magn. 2005, 41, 2145–2155. [Google Scholar] [CrossRef]
- Charton, J.T.; Corda, J.; Stephenson, J.M.; Randall, S.P. Dynamic modelling of switched reluctance machines with iron losses and phase interactions. IEEE Proc.-Electr. Power Appl. 2006, 153, 327–336. [Google Scholar] [CrossRef]
- Jain, A.K.; Mohan, N. Dynamic modeling, experimental characterization, and verification for SRM operation with simultaneous two-phase excitation. IEEE Trans. Ind. Electron. 2006, 53, 1238–1249. [Google Scholar] [CrossRef]
- Ding, W.; Liang, D. Modeling of a 6/4 switched reluctance motor using adaptive neural fuzzy inference system. IEEE Trans. Magn. 2008, 44, 1796–1804. [Google Scholar] [CrossRef]
- Husain, I.; Hossain, S.A. Modeling, simulation, and control of switched reluctance motor drives. IEEE Trans. Ind. Electron. 2005, 52, 1625–1634. [Google Scholar] [CrossRef]
- Khalil, A.; Husain, I. A Fourier series generalized geometry-based analytical model of switched reluctance machines. IEEE Trans. Ind. Appl. 2007, 43, 673–684. [Google Scholar]
- Loop, B.; Essah, N.; Sudhoff, S. A basis function approach to the nonlinear average value modeling of switched reluctance machines. IEEE Trans. Energy Convers. 2006, 21, 60–68. [Google Scholar] [CrossRef]
- Vujicic, V.P. Modeling of a switched reluctance machine based on the invertible torque function. IEEE Trans. Magn. 2008, 44, 2186–2194. [Google Scholar] [CrossRef]
- Xia, C.; Shi, T.; Xue, M. A new rapid nonlinear simulation method for switched reluctance motors. IEEE Trans. Energy Convers. 2009, 24, 578–586. [Google Scholar] [CrossRef]
- Burkhart, B.; Klein-Hessling, A.; Ralev, I.; Weiss, C.P.; De Doncker, R.W. Technology, Research and Applications of Switched Reluctance Drives. CPSS Trans. Power Electron. Appl. 2017, 2, 12–27. [Google Scholar] [CrossRef]
- Sovicka, P.; Rafajdus, P.; Vavrus, V. Switched reluctance motor drive with low-speed performance improvement. Electr. Eng. 2020, 102, 27–41. [Google Scholar] [CrossRef]
- Caramia, R.; Piotuch, R.; Palka, R. Multiobjective FEM optimization of BLDC motor based on Matlab and Maxwell scripting capabilities. Arch. Electr. Eng. 2014, 63, 115–124. [Google Scholar] [CrossRef]
- Palka, R.; Piotuch, R. Usage of FEM for synthesis of dead-beat current controller for permanent magnet synchronous motor. COMPEL Int. J. Comput. Math. Electr. Electron. Eng. 2019, 38, 1386–1400. [Google Scholar] [CrossRef]




















| n (r/min) | θ1 | θ2 |
|---|---|---|
| 100~500 | 2.5° | 22.5° |
| 500~1000 | 0° | 22.5° |
| Simulated (A) | Tested (A) | |
|---|---|---|
| 300 rpm, 0.5 Nm | 6.0 | 6.5 |
| 600 rpm, 0.5 Nm | 4.6 | 5.0 |
| 600 rpm, 1.0 Nm | 9.0 | 9.6 |
| 900 rpm, 1.0 Nm | 7.0 | 7.0 |
| 400 rpm, 0.05 Nm | 800 rpm, 0.05 Nm | 800 rpm, 0.50 Nm | ||||
|---|---|---|---|---|---|---|
| Simulated | Tested | Simulated | Tested | Simulated | Tested | |
| Rising time (s) | 0.70 | 0.70 | 2.60 | 2.70 | 1.00 | 1.00 |
| Settling time (s) | 0.80 | 0.80 | 3.10 | 3.10 | 3.30 | 3.25 |
| Overshoot (%) | 0.00 | 0.00 | 0.00 | 0.00 | +12.50 | +14.29 |
Publisher’s Note: MDPI stays neutral with regard to jurisdictional claims in published maps and institutional affiliations. |
© 2020 by the authors. Licensee MDPI, Basel, Switzerland. This article is an open access article distributed under the terms and conditions of the Creative Commons Attribution (CC BY) license (http://creativecommons.org/licenses/by/4.0/).
Share and Cite
Wang, X.; Palka, R.; Wardach, M. Nonlinear Digital Simulation Models of Switched Reluctance Motor Drive. Energies 2020, 13, 6715. https://doi.org/10.3390/en13246715
Wang X, Palka R, Wardach M. Nonlinear Digital Simulation Models of Switched Reluctance Motor Drive. Energies. 2020; 13(24):6715. https://doi.org/10.3390/en13246715
Chicago/Turabian StyleWang, Xing, Ryszard Palka, and Marcin Wardach. 2020. "Nonlinear Digital Simulation Models of Switched Reluctance Motor Drive" Energies 13, no. 24: 6715. https://doi.org/10.3390/en13246715
APA StyleWang, X., Palka, R., & Wardach, M. (2020). Nonlinear Digital Simulation Models of Switched Reluctance Motor Drive. Energies, 13(24), 6715. https://doi.org/10.3390/en13246715

