A Techno-Economic Centric Integrated Decision-Making Planning Approach for Optimal Assets Placement in Meshed Distribution Network Across the Load Growth
Abstract
1. Introduction
- (i)
- Integrated decision-making planning approach (IDMP) for optimal asset optimization.
- (ii)
- Evaluation of the offered approach under various multiple assets (sitting and sizing) with LPF.
- (iii)
- Evaluation of offered approach under various techno-economic performance metrics.
- (iv)
- Detailed evaluation of alternatives across normal load and load growth horizons.
- (v)
- Detailed evaluation of alternatives across four MCDM methodologies.
- (vi)
- Offering a unanimous decision making (UDM) score as per rank of alternatives.
- (vii)
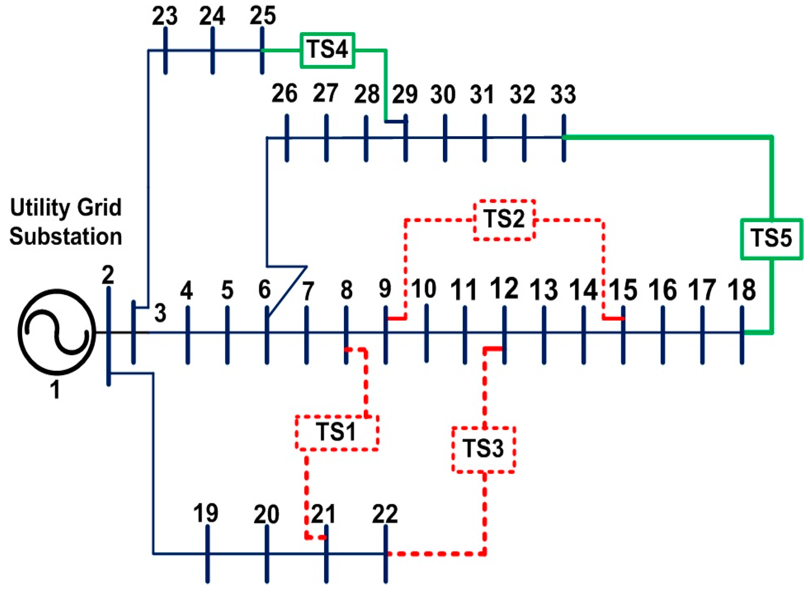
- Numerical evaluations of the proposed approach on 33-Bus test DN.
- (viii)
- Validations of achieved results with the findings reported in the available literature.
2. Proposed Integrated Decision-Making Planning Approach
2.1. Voltage Stability Assessment Index_A (VSAI_A) for Mesh Distribution Network
2.2. Voltage Stability Assessment Index_B (VSAI_B) for Mesh Distribution Network
2.3. Loss Minimization Condition (LMC) for Mesh Distribution Network
2.4. Decision-Making (DM) Methodologies
2.4.1. Weighted Sum Method (WSM)
2.4.2. Weighted Product Method (WPM)
2.4.3. Technique for Order Preference by Similarity to Ideal Solution (TOPSIS)
2.4.4. Preference Ranking Organization Method for Enrichment of Evaluations-II (PROMETHEE-II)
2.5. Unanimous Decision Making (UDM) and Unanimous Decision Making Score (UDS)
3. Proposed Integrated Decision-Making Planning (IDMP) Approach, Computation Procedure, Constraints, Simulation Setup, and Performance Evaluation Indicators
3.1. Proposed Integrated Decision Making Planning (IDMP) Approach
3.2. Computation Procedure of Proposed IDMP Approach for Alternatives Selection and Case Studies
- Case 1: DGs only assets placements in MDN operating at 0.90 lagging power factor (LPF).
- Case 2: DGs only assets placements in MDN operating at 0.85 LPF.
- Case 3: Asset set (REG + D-STATCOM) placements in MDN equal to 0.90 LPF.
- Case 4: Asset set (REG + D-STATCOM) placements in MDN equal to 0.85 LPF.
- Scenario 1 (NL):
- Case 1 (C1_NL): TPE, CPE and OPE with WSM under NL.
- Case 2 (C2_NL): TPE, CPE and OPE with WPM under NL.
- Case 3 (C3_NL): TPE, CPE and OPE with TOPSIS under NL.
- Case 4 (C4_NL): TPE, CPE and OPE with PROMETHEE under NL.
- Scenario 2 (LG):
- Case 1 (C1_LG): TPE, CPE and OPE with WSM under LG.
- Case 2 (C2_LG): TPE, CPE and OPE with WPM under LG.
- Case 3 (C3_LG): TPE, CPE and OPE with TOPSIS under LG.
- Case 4 (C4_LG): TPE, CPE and OPE with PROMETHEE under LG.
- Scenario 3 (OLG):
- Case 1 (C1_OLG): TPE, CPE and OPE with WSM under OLG.
- Case 2 (C2_OLG): TPE, CPE and OPE with WPM under OLG.
- Case 3 (C3_OLG): TPE, CPE, and OPE with TOPSIS under OLG.
- Case 4 (C4_OLG): TPE, CPE and OPE with PROMETHEE under OLG.
3.3. Constraints Considered in Simulations
3.4. Simulation Setup
3.5. Performance Evaluation Indicators (PEI)
4. Results and Discussions
4.1. Case 1 under Normal Load (C1_NL): DGs Only Placements in MDN Operating at 0.90 LPF
4.1.1. Initial Evaluation of Alternatives in Case 1 under Normal Load (C1_NL)
4.1.2. MCDM Evaluation of Alternatives in Case 1 Under Normal Load (C1_NL)
4.2. Case 2 Under Normal Load (C2_NL): DGs Only Assets Placements in MDN Operating at 0.85 LPF
4.2.1. Initial Evaluation of Alternatives in Case 2 Under Normal Load (C2_NL)
4.2.2. MCDM Evaluation of Alternatives in Case 2 under Normal Load (C2_NL)
4.3. Case 3 Under Normal Load (C3_NL): Asset Set (REG + D-STATCOM) Placements Equivalent to 0.90 LPF
4.3.1. Initial Evaluation of Alternatives in Case 3 under Normal Load (C3_NL)
4.3.2. MCDM Evaluation of Alternatives in Case 3 Under Normal Load (C3_NL)
4.4. Case 4 Under Normal Load (C4_NL): Asset Set (REG + D-STATCOM) Placements Equivalent to 0.85 LPF
4.4.1. Initial Evaluation of Alternatives in Case 4 under Normal Load (C4_NL)
4.4.2. MCDM Evaluation of Alternatives in Case 4 Under Normal Load (C4_NL)
4.5. Case 1 Under Load Growth (C1_LG): DGs Only Assets Placements in MDN Operating at 0.90 LPF
4.5.1. Initial Evaluation of Alternatives in Case 1 Under Load Growth (C1_LG)
4.5.2. MCDM Evaluation of Alternatives in Case 1 under Load Growth (C1_LG)
4.6. Case 2 under Load Growth (C2_LG): DGs Only Assets Placements in MDN Operating at 0.85 LPF
4.6.1. Initial Evaluation of Alternatives in Case 2 under Load Growth (C2_LG)
4.6.2. MCDM Evaluation of Alternatives in Case 2 under Load Growth (C2_LG)
4.7. Case 3 Under Load Growth: Asset Set (REG + D-STATCOM) Placements Equivalent to 0.90 LPF (C3_LG)
4.7.1. Initial Evaluation of Alternatives in Case 3 under Normal Load (C3_LG)
4.7.2. MCDM Evaluation of Alternatives in Case 3 under Load Growth (C3_LG)
4.8. Case 4 Under Load Growth: Assets (DG + D-STATCOM) Placements Equivalent to 0.85 LPF (C4_LG)
4.8.1. Initial Evaluation of Alternatives in Case 4 Under Load Growth (C4_LG)
4.8.2. MCDM evaluation of alternatives in Case 4 under load growth (C4_LG)
4.9. Case 1 Under Optimal Load Growth: DGs Only Assets Placements Operating at 0.90 LPF (C1_OLG)
4.9.1. Initial Evaluation of Alternatives in Case 1 Under Optimal Load Growth (C1_OLG)
4.9.2. MCDM Evaluation of Alternatives in Case 1 Under Optimal Load Growth (C1_OLG)
4.10. Case 2 under Optimal Load Growth: Dgs Only Assets Placements Operating at 0.85 LPF (C2_OLG)
4.10.1. Initial Evaluation of Alternatives in Case 2 under Optimal Load Growth (C2_OLG)
4.10.2. MCDM Evaluation of Alternatives in Case 2 under Optimal Load Growth (C2_OLG)
4.11. Case 3 under Optimal Load Growth: Assets (REG + D-STATCOM) Placements Equal to 0.90 LPF (C3_OLG)
4.11.1. Initial Evaluation of Alternatives in Case 3 under Optimal Normal Load (C3_OLG)
4.11.2. MCDM Evaluation of Alternatives in Case 3 Under Optimal Load Growth (C3_OLG)
4.12. Case 4 Under Optimal Load Growth: Asset REG + D-STATCOM Placements Equal to 0.85 LPF (C4_OLG)
4.12.1. Initial Evaluation of Alternatives in Case 4 under Optimal Load Growth (C4_OLG)
4.12.2. MCDM Evaluation of Alternatives in Case 4 under Optimal Load growth (C4_OLG)
5. Comparison and Validation Analysis
5.1. Results Comparison with Achieved Results
5.2. Results Comparison with Reported Results
5.2.1. Evaluated Results Comparison of C1_NL for DGs Operating at 0.90 LPF
5.2.2. Evaluated Results Comparison of C2_NL for DGs Operating at 0.85 LPF
5.2.3. Evaluated Results Comparison of C3_NL and C4_NL for REG + D-STATCOM
5.2.4. Evaluated Results Comparison of C1_LG-C4_LG
5.2.5. Evaluated Results Comparison of C1_OLG-C4_OLG
6. Conclusions
Supplementary Materials
Author Contributions
Funding
Conflicts of Interest
Abbreviations
| ACD | Annual cost of D-STATCOM |
| ADN | Active distribution Network |
| AIC | Annual investment cost |
| AFc | Annualized factor (of cost) in USD $ |
| C (#) | Case (No. = 1, 2, 3, 4) |
| Ct | Annual cost based on interest-rate |
| CPDG | Cost of active power from DG |
| CPE | Cost-economic performance evaluation |
| CQDG | Cost of reactive power from DG |
| CUc | Cost related to DG unit (USD/KVA) |
| DG | Distributed generation units |
| DGPP | DG penetration by percentage in TDN |
| DM | Decision-making |
| DN | Distribution network |
| DNPP | Distribution network planning problems |
| D-STATCOM | Distributed static compensator |
| DS/DSt | D-STATCOM |
| DGCmax | Maximum capacities of DG units in (KVA) |
| Eqn. (No) | Equation. (Number) |
| EU | Rate of electricity unit |
| GA | Genetic algorithm |
| IDMP | Integrated decision making planning |
| LDN | Loop distribution network |
| LG | Load growth |
| LM | Loss minimization |
| LMC | Loss minimization condition |
| LPF | Lagging power factor |
| LSF | Loss sensitivity factor |
| MCDM | Multi criteria decision making |
| MDN | Meshed distribution network |
| M$ | Millions of USD ($) |
| NL | Normal load |
| NO | Normally open |
| NSGA-II | Non dominated GA-II |
| ODGP | Optimal DG placement |
| ODGP | Optimal DG Unit Placement |
| OLG | Optimal load growth |
| OPE | Overall (techno-economic) performance evaluation. |
| P | Active Power |
| PEI | Performance evaluation indicator |
| Pss/PDG | P contribution from substation & DG |
| PF/pf | Power factor |
| PLoss | Active Power loss in KW |
| PLC | Cost of PLoss (in million USD) |
| PLS | Active power loss saving in Million $ |
| PSSR | P Capacity Release from Substation |
| P.U | Per unit system values (or p.u) |
| PRO/PROMETHEE | Preference ranking organization method for enrichment of evaluation |
| PSO | Particle swarm optimization |
| PV | Photovoltaic systems |
| Q | Reactive Power |
| QDG | Q contribution from substation |
| QLoss | Reactive Power loss in KVAR |
| QLM | QLoss minimization (by percentage) |
| QSSR | Q Capacity Release from Substation |
| RB | Receiving end (load) bus |
| RC | Rank changed |
| RDN | Radial-structured distribution network |
| PLM | PLoss minimization (by percentage) |
| REG | Renewable energy generation |
| RSS | Relief-in-substation (P and Q) capacity |
| RTUs | Remote terminal units |
| S (#) | Set (No. = 1, 2, 3, 4) of assets |
| SA | Simulated annealing |
| SB | Sending end (feeding) bus |
| SCC | Short circuit current |
| SG | Smart grid |
| SS | Substation |
| TB | Tie-line branch |
| TDN | Test distribution Network |
| TOP/TOPSIS | Technique for order preference by similarity to ideal solution |
| TPE | Technical performance evaluation |
| TS/TS# | Tie-Switch (normally open switch)/TS.No. |
| TY | Time in a year = 8760 Hours |
| U_Max | Voltage maximization |
| UDM | Unanimous decision making |
| UDR | Unanimous decision making rank |
| UDS | Unanimous decision making score |
| V | Voltage magnitude |
| Vmin | Minimum voltage magnitude |
| VM | Voltage maximization |
| VP/VS | Voltage profile/Voltage stabilization |
| VSI/VSAI | Voltage stability assessment indices |
| WPM | Weighted product method |
| WSM | Weighted sum method |
| V_A | Feasible voltage solution via VSAI_A |
| V_B | Feasible voltage solution via VSAI_B |
| A+, A− | Positive and Negative ideal solution |
References
- Keane, A.; Ochoa, L.; Borges, C.L.T.; Ault, G.W.; Alarcon-Rodriguez, A.; Currie, R.A.F.; Pilo, F.; Dent, C.; Harrison, G.P. State-of-the-Art Techniques and Challenges Ahead for Distributed Generation Planning and Optimization. IEEE Trans. Power Syst. 2012, 28, 1493–1502. [Google Scholar] [CrossRef]
- Fang, X.; Misra, S.; Xue, G.; Yang, D. Smart Grid—The New and Improved Power Grid: A Survey. IEEE Commun. Surv. Tutorials 2011, 14, 944–980. [Google Scholar] [CrossRef]
- Alarcon-Rodriguez, A.; Ault, G.; Galloway, S. Multi-objective planning of distributed energy resources: A review of the state-of-the-art. Renew. Sustain. Energy Rev. 2010, 14, 1353–1366. [Google Scholar] [CrossRef]
- Evangelopoulos, V.A.; Georgilakis, P.; Hatziargyriou, N.D. Optimal operation of smart distribution networks: A review of models, methods and future research. Electr. Power Syst. Res. 2016, 140, 95–106. [Google Scholar] [CrossRef]
- Kim, J.-C.; Cho, S.-M.; Shin, H.-S. Advanced Power Distribution System Configuration for Smart Grid. IEEE Trans. Smart Grid 2013, 4, 353–358. [Google Scholar] [CrossRef]
- Valenzuela, A.; Inga, E.; Simani, S. Planning of a Resilient Underground Distribution Network Using Georeferenced Data. Int. J. Energies 2019, 12, 644. [Google Scholar] [CrossRef]
- Prakash, P.; Khatod, D.K. Optimal sizing and sitting techniques for distributed generation in distribution systems: A review. Renew. Sustain. Energy Rev. 2016, 57, 111–130. [Google Scholar] [CrossRef]
- Mahmoud, P.H.A.; Phung, D.H.; Vigna, K.R. A review of the optimal allocation of distributed generation: Objectives, constraints, methods, and algorithms. Renew. Sustain. Energy Rev. 2017, 75, 293–312. [Google Scholar]
- Georgilakis, P.; Hatziargyriou, N.D. Optimal Distributed Generation Placement in Power Distribution Networks: Models, Methods, and Future Research. IEEE Trans. Power Syst. 2013, 28, 3420–3428. [Google Scholar] [CrossRef]
- Georgilakis, P.; Hatziargyriou, N.D. A review of power distribution planning in the modern power systems era: Models, methods and future research. Electr. Power Syst. Res. 2015, 121, 89–100. [Google Scholar] [CrossRef]
- Li, R.; Wang, W.; Chen, Z.; Jiang, J.; Zhang, W. A Review of Optimal Planning Active Distribution System: Models, Methods, and Future Researches. Energies 2017, 10, 1715. [Google Scholar] [CrossRef]
- Kalambe, S.; Agnihotri, G. Loss minimization techniques used in distribution network: Bibliographical survey. Renew. Sustain. Energy Rev. 2014, 29, 184–200. [Google Scholar] [CrossRef]
- Sultana, U.; Khairuddin, A.B.; Aman, M.M.; Mokhtar, A.; Zareen, N. A review of optimum DG placement based on minimization of power losses and voltage stability enhancement of distribution system. Renew. Sustain. Energy Rev. 2016, 63, 363–378. [Google Scholar] [CrossRef]
- Sirjani, R.; Jordehi, A.R. Optimal placement and sizing of distribution static compensator (D-STATCOM) in electric distribution networks: A review. Renew. Sustain. Energy Rev. 2017, 77, 688–694. [Google Scholar] [CrossRef]
- Kazmi, S.A.A.; Shahzad, M.K.; Shin, D.R. Multi-Objective Planning Techniques in Distribution Networks: A Composite Review. Energies 2017, 10, 208. [Google Scholar] [CrossRef]
- Kazmi, S.A.A.; Shahzad, M.K.; Khan, A.Z.; Shin, D.R. Smart Distribution Networks: A Review of Modern Distribution Concepts from a Planning Perspective. Energies 2017, 10, 501. [Google Scholar] [CrossRef]
- Chen, T.-H.; Huang, W.-T.; Gu, J.-C.; Pu, G.-C.; Hsu, Y.-F.; Guo, T.-Y. Feasibility Study of Upgrading Primary Feeders From Radial and Open-Loop to Normally Closed-Loop Arrangement. IEEE Trans. Power Syst. 2004, 19, 1308–1316. [Google Scholar] [CrossRef]
- Kumar, P.; Gupta, N.; Niazi, K.R.; Swarnkar, A. A Circuit Theory-Based Loss Allocation Method for Active Distribution Systems. IEEE Trans. Smart Grid 2017, 10, 1005–1012. [Google Scholar] [CrossRef]
- Kazmi, S.A.A.; Shahzaad, M.K.; Shin, D.R. Voltage Stability Index for Distribution Network connected in Loop Configuration. IETE J. Res. 2017, 63, 1–13. [Google Scholar] [CrossRef]
- Kazmi, S.A.A.; Shin, D.R. DG Placement in Loop Distribution Network with New Voltage Stability Index and Loss Minimization Condition Based Planning Approach under Load Growth. Energies 2017, 10, 1203. [Google Scholar] [CrossRef]
- Buayai, K.; Ongsakul, W.; Nadarajah, M. Multi?objective micro?grid planning by NSGA?II in primary distribution system. Eur. Trans. Electr. Power 2011, 22, 170–187. [Google Scholar] [CrossRef]
- Cortes, C.A.; Contreras, S.F.; Shahidehpour, M. Microgrid Topology Planning for Enhancing the Reliability of Active Distribution Networks. IEEE Trans. Smart Grid 2017, 9, 6369–6377. [Google Scholar] [CrossRef]
- Che, L.; Zhang, X.; Shahidehpour, M.; AlAbdulwahab, A.; Al-Turki, Y. Optimal Planning of Loop-Based Microgrid Topology. IEEE Trans. Smart Grid 2016, 8, 1771–1781. [Google Scholar] [CrossRef]
- Sharma, A.K.; Murty, V.V.S.N. Analysis of Mesh Distribution Systems Considering Load Models and Load Growth Impact with Loops on System Performance. J. Inst. Eng. Ser. B 2014, 95, 295–318. [Google Scholar] [CrossRef]
- Murty, V.; Kumar, A. Optimal placement of DG in radial distribution systems based on new voltage stability index under load growth. Int. J. Electr. Power Energy Syst. 2015, 69, 246–256. [Google Scholar] [CrossRef]
- Wang, W.; Jazebi, S.; De Leon, F.; Li, Z. Looping Radial Distribution Systems Using Superconducting Fault Current Limiters: Feasibility and Economic Analysis. IEEE Trans. Power Syst. 2017, 33, 2486–2495. [Google Scholar] [CrossRef]
- Chen, T.-H.; Lin, E.-H.; Yang, N.-C.; Hsieh, T.-Y. Multi-objective optimization for upgrading primary feeders with distributed generators from normally closed loop to mesh arrangement. Int. J. Electr. Power Energy Syst. 2013, 45, 413–419. [Google Scholar] [CrossRef]
- Alvarez-Herault, M.-C.; N’Doye, N.; Gandioli, C.; Hadjsaid, N.; Tixador, P. Meshed distribution network vs reinforcement to increase the distributed generation connection. Sustain. Energy, Grids Networks 2015, 1, 20–27. [Google Scholar] [CrossRef]
- Gupta, A.; Kumar, A. Optimal placement of D-STATCOM using sensitivity approaches in mesh distribution system with time variant load models under load growth. Ain Shams Eng. J. 2018, 9, 783–799. [Google Scholar] [CrossRef]
- Kazmi, S.A.A.; Janjua, A.K.; Shin, D.R. Enhanced Voltage Stability Assessment Index Based Planning Approach for Mesh Distribution Systems. Energies 2018, 11, 1213. [Google Scholar] [CrossRef]
- Kazmi, S.A.A.; Ahmad, H.W.; Shin, D.R. A New Improved Voltage Stability Assessment Index-centered Integrated Planning Approach for Multiple Asset Placement in Mesh Distribution Systems. Energies 2019, 12, 3163. [Google Scholar] [CrossRef]
- Taher, S.A.; Afsari, S.A. Optimal location and sizing of DSTATCOM in distribution systems by immune algorithm. Int. J. Electr. Power Energy Syst. 2014, 60, 34–44. [Google Scholar] [CrossRef]
- Devi, S.; Geethanjali, M. Optimal location and sizing determination of Distributed Generation and DSTATCOM using Particle Swarm Optimization algorithm. Int. J. Electr. Power Energy Syst. 2014, 62, 562–570. [Google Scholar] [CrossRef]
- Tolabi, H.B.; Ali, M.H.; Rizwan, M. Simultaneous Reconfiguration, Optimal Placement of DSTATCOM, and photovoltaic Array in Distribution System Based on Fuzzy-ACO Approach. IEEE Trans. Sustain. Energy 2015, 6, 210–218. [Google Scholar] [CrossRef]
- Devabalaji, K.R.; Ravi, K. Optimal size and sitting of multiple DG and DSTATCOM in radial distribution system using Bacterial Foraging Optimization Algorithm. Ain Shams Eng. J. 2016, 7, 959–971. [Google Scholar] [CrossRef]
- Murty, V.V.S.N.; Kumar, A. Impact of D-STATCOM in distribution systems with load growth on stability margin enhancement and energy savings using PSO and GAMS. Int. Trans. Electr. Energy Syst. 2018, 28, e2624. [Google Scholar] [CrossRef]
- Yuvaraj, T.; Ravi, K. Multi-objective simulations DG and DSTATCOM allocation in radial distribution networks using cuckoo searching algorithm. Alex. Eng. J. 2018, 57, 2729–2742. [Google Scholar] [CrossRef]
- Kamble, S.G.; Vadirajacharya, K.; Patil, U.V. Decision Making in Power Distribution System Reconfiguration by Blended Biased and Unbiased Weightage Method. J. Sens. Actuator Networks 2019, 8, 20. [Google Scholar] [CrossRef]
- Paterakis, N.G.; Mazza, A.; Santos, S.; Erdinc, O.; Chicco, G.; Bakirtzis, A.; Catalao, J.P.S. Multi-objective reconfiguration of radial distribution systems using reliability indices. IEEE Trans. Power Syst. 2016, 31, 1048–1062. [Google Scholar] [CrossRef]
- Kamble, S.G.; Vadirajacharya, K.; Patil, U.V. Comparison of Multiple Attribute Decision-Making Methods—TOPSIS and PROMETHEE for Distribution Systems. In Computing, Communication and Signal Processing; Springer Science and Business Media LLC: Berlin/Heidelberg, Germany, 2019; pp. 669–680. [Google Scholar]
- Kamble, S.; Patil, U. Performance Improvement of Distribution System by Using PROMETHEE—Multiple Attribute Decision Making Method. Adv. Intell. Syst. Res. 2017, 137, 493–498. [Google Scholar]
- Sattarpour, T.; Nazarpour, D.; Golshannavaz, S.; Siano, P. A multi-objective hybrid GA and TOPSIS approach for sizing and siting of DG and RTU in smart distribution grids. J. Ambient. Intell. Humaniz. Comput. 2016, 9, 105–122. [Google Scholar] [CrossRef]
- Mazza, A.; Chicco, G.; Russo, A. Optimal multi-objective distribution system reconfiguration with multi criteria decision making-based solution ranking and enhanced genetic operators. Int. J. Electr. Power Energy Syst. 2014, 54, 255–267. [Google Scholar] [CrossRef]
- Tanwar, S.S.; Khatod, D.K. Techno-economic and environmental approach for optimal placement and sizing of renewable DGs in distribution system. Energy 2017, 127, 52–67. [Google Scholar] [CrossRef]
- Sultana, S.; Roy, P. Multi-objective quasi-oppositional teaching learning based optimization for optimal location of distributed generator in radial distribution systems. Int. J. Electr. Power Energy Syst. 2014, 63, 534–545. [Google Scholar] [CrossRef]
- Bayat, A.; Bagheri, A. Optimal active and reactive power allocation in distribution networks using a novel heuristic approach. Appl. Energy 2019, 233, 71–85. [Google Scholar] [CrossRef]
- Kumar, S.; Mandal, K.K.; Chakraborty, N. Optimal DG placement by multi-objective opposition based chaotic differential evolution for techno-economic analysis. Appl. Soft Comput. 2019, 78, 70–83. [Google Scholar] [CrossRef]
- Kazmi, S.A.A.; Hasan, S.F.; Shin, D.-R. Multi criteria decision analysis for optimum DG placement in smart grids. In Proceedings of the 2015 IEEE Innovative Smart Grid Technologies—Asia (ISGT ASIA), Bangkok, Thailand, 3–6 November 2015; pp. 1–5. [Google Scholar]
- Vita, V. Development of a Decision-Making Algorithm for the Optimum Size and Placement of Distributed Generation Units in Distribution Networks. Energies 2017, 10, 1433. [Google Scholar] [CrossRef]
- Espie, P.; Ault, G.; Burt, G.M.; McDonald, J. Multiple criteria decision making techniques applied to electricity distribution system planning. IEE Proc. Gener. Transm. Distrib. 2003, 150, 527. [Google Scholar] [CrossRef]
- Arshad, M.A.; Ahmad, S.; Afzal, M.J.; Kazmi, S.A.A. Scenario Based Performance Evaluation of Loop Configured Microgrid Under Load Growth Using Multi-Criteria Decision Analysis. In Proceedings of the 14th International Conference on Emerging Technologies (ICET), Islamabad, Pakistan, 21–22 November 2018; pp. 1–6. [Google Scholar]
- Javaid, B.; Arshad, M.A.; Ahmad, S.; Kazmi, S.A.A. Comparison of Different Multi Criteria Decision Analysis Techniques for Performance Evaluation of Loop Configured Micro Grid. In Proceedings of the 2019 2nd International Conference on Computing, Mathematics and Engineering Technologies (iCoMET), Sukkur, Pakistan, 30–31 January 2019; pp. 1–7. [Google Scholar]
- Quadri, I.A.; Bhowmick, S.; Joshi, D. Multi-objective approach to maximize loadability of distribution networks by simultaneous reconfiguration and allocation of distributed energy resources. IET Gener. Transm. Distrib. 2018, 12, 5700–5712. [Google Scholar] [CrossRef]
- Kansal, S.; Kumar, V.; Tyagi, B. Hybrid approach for optimal placement of multiple DGs of multiple types in distribution networks. Int. J. Electr. Power Energy Syst. 2016, 75, 226–235. [Google Scholar] [CrossRef]
- Sultana, S.; Roy, P. Krill herd algorithm for optimal location of distributed generator in radial distribution system. Appl. Soft Comput. 2016, 40, 391–404. [Google Scholar] [CrossRef]
- Muthukumar, K.; Jayalalitha, S. Optimal placement and sizing of distributed generators and shunt capacitors for power loss minimization in radial distribution networks using hybrid heuristic search optimization technique. Int. J. Electr. Power Energy Syst. 2016, 78, 299–319. [Google Scholar] [CrossRef]
- Kashyap, M.; Kansal, S.; Singh, B.P. Optimal installation of multiple type DGs considering constant, ZIP load and load growth. Int. J. Ambient. Energy 2018, 1–9. [Google Scholar] [CrossRef]















| Alternatives/Solutions | Weighted Attributes | ||||
|---|---|---|---|---|---|
| C1*w1 | C2*w2 | C3*w3 | … | CY*wY | |
| A1 | S11 | S12 | S13 | … | S1y |
| A2 | S21 | S22 | S23 | …. | S2y |
| A3 | S31 | S32 | S33 | … | S3y |
| … | … | … | … | … | … |
| AX | SX1 | SX2 | SX3 | … | SXY |
| Alternatives Rank (AR) (Highest to Lowest) | Alternatives Score (AS) |
|---|---|
| (Highest to Lowest) | |
| A1R = 1 | N |
| A2R = 2 | N-1 |
| A3R = 3 | N-2 |
| … | … |
| AXR = N | 1 |
| S# | Performance Indices | Performance Indices Relationships | Units | Objective |
|---|---|---|---|---|
| 1 | Active Power Loss (PLoss) | = | KW | Decrease |
| 2 | Reactive Power Loss (QLoss) | = min | KVAR | Decrease |
| 3 | Active Power Loss Minimization (PLM) | % | Increase | |
| 4 | Reactive Power Loss Minimization (QLM) | % | Increase | |
| 5 | DG Penetration by percentage (DGPP) | % | Increase | |
| 6 | Capacity Release of Active Power from Substation (PSSR) | PSSR = PSS − PDG ≥ 0 | KW | Decrease |
| 7 | Capacity Release of Reactive Power from Substation (QSSR) | QSSR = QSS − QDG ≥ 0 | KVAR | Decrease |
| 8 | Voltage Level | V = 1.0 P.U | P.U | Decrease |
| S#: | Performance Indices/Ref | Performance Indices Relationships | Units | Objective |
|---|---|---|---|---|
| 1 | Cost of active power loss (PLC) | M$ | Decrease | |
| 2 | Active power loss saving (PLS) | M$ | Increase | |
| 3 | Cost of DG for PDG (CPDG) | = a × where: a = 0, b = 20, c = 0.25 | $/MWh | Decrease |
| 4 | Cost of DG for QDG (CQDG) | = × k where: | $/MVArh | Decrease |
| 5 | Annual Investment Cost (AIC) | Millions USD (M$) | Decrease | |
| 6 | Annual Cost of D-STATCOM (ACD) | where: = 50$/KVAR; C = Rate of Assets return = 0.1; nD (in years) = 5 | Millions USD (M$) | Decrease |
| S# | Technical Parameters Evaluations (TPE) | Cost (Economics Related) Parameters Evaluations (CPE) | ||||||||||||
|---|---|---|---|---|---|---|---|---|---|---|---|---|---|---|
| Case (No.) / Alt. (No). | DG Size (KVA) @ Bus Loc. | PLoss (KW) | QLoss (KVAR) | PLM (%) | QLM (%) | DGPP (%) | VMin (P.U) | PSSR + j QSSR (KW) + j(KVAR) | PLC (M$) | PLS (M$) | CPDG ($/MWh) | CQDG ($/MVArh) | AIC (M$) | ACD (M$) |
| C1/A1 | DG1: 2013@15 | 125 | 89 | 40.76 | 37.76 | 46.07 | 0.9725 | 2028 + j 1511.5 | 0.0657 | 0.0452 | 36.47 | 3.6269 | 0.36374 | 0 |
| C1/A2 | DG1: 2750@30 | 38.3 | 28.933 | 81.85 | 79.76 | 63 | 0.9764 | 1278.3 + j 1130.23 | 0.02013 | 0.09077 | 49.75 | 4.9527 | 0.4969 | 0 |
| C1/A3 | DG1: 971@15 | 54.7 | 37.5 | 77 | 73.78 | 63 | 0.9750 | 1269.4 + j 1125.05 | 0.0174 | 0.0822 | 49.822 | 4.96 | 0.49763 | 0 |
| DG2: 1783@30 | ||||||||||||||
| C1/A4 | DG1: 2357@30 | 32.99 | 25.491 | 84.37 | 82.17 | 66.303 | 0.9769 | 1140.7 + j 1062.72 | 0.01261 | 0.09829 | 52.396 | 5.2141 | 0.5235 | 0 |
| DG2: 540@25 | ||||||||||||||
| C1/A5 | DG1: 832.6@15 | 30.85 | 23.29 | 85.38 | 83.71 | 72.77 | 0.9904 | 884.12 + j 937.29 | 0.0162 | 0.0947 | 57.485 | 5.8832 | 0.5750 | 0 |
| DG2: 1602@30 | ||||||||||||||
| DG3: 745.1@7 | ||||||||||||||
| C1/A6 | DG1: 894.6@15 | 33.2 | 23.94 | 84.27 | 83.26 | 71.02 | 0.9891 | 955.32 + j 971.2865 | 0.0174 | 0.0935 | 56.107 | 5.5889 | 0.5607 | 0 |
| DG2: 1386@30 | ||||||||||||||
| DG3: 822.6@25 | ||||||||||||||
| C1/A7 | DG1: 1957@30 | 18.87 | 13.327 | 91.06 | 90.68 | 73.625 | 0.9857 | 838.57 + j 911.069 | 0.00992 | 0.1010 | 58.156 | 5.7938 | 0.5813 | 0 |
| DG2: 500@25 | ||||||||||||||
| DG3: 760@8 | ||||||||||||||
| Evaluations | TPE (C1_NL) | CPE (C1_NL) | OPE (C1_NL) | |||||||||||||||
|---|---|---|---|---|---|---|---|---|---|---|---|---|---|---|---|---|---|---|
| C1_NL / Alt (#) | WSM | WPM | TOPSIS | PROMETHEE | UDS | UDR | WSM | WPM | TOPSIS | PROMETHEE | UDS | UDR | WSM | WPM | TOPSIS | PROMETHEE | UDS | UDR |
| A1 | 7 | 7 | 7 | 7 | 4 | 7 | 2 | 7 | 7 | 1 | 15 | 4 | 7 | 7 | 7 | 7 | 4 | 7 |
| A2 | 5 | 5 | 5 | 5 | 12 | 5 | 3 | 3 | 2 | 2 | 22 | 2 | 5 | 5 | 5 | 5 | 12 | 5 |
| A3 | 6 | 6 | 6 | 6 | 8 | 6 | 7 | 6 | 6 | 4 | 9 | 7 | 6 | 6 | 6 | 6 | 8 | 6 |
| A4 | 3 | 3 | 2 | 4 | 20 | 3 | 4 | 2 | 1 | 3 | 22 | 1 | 3 | 3 | 2 | 4 | 20 | 3 |
| A5 | 2 | 2 | 4 | 3 | 23 | 2 | 6 | 5 | 5 | 7 | 9 | 6 | 2 | 2 | 4 | 3 | 21 | 2 |
| A6 | 4 | 4 | 3 | 2 | 19 | 4 | 5 | 4 | 4 | 5 | 14 | 5 | 4 | 4 | 3 | 2 | 19 | 4 |
| A7 | 1 | 1 | 1 | 1 | 28 | 1 | 1 | 1 | 3 | 6 | 21 | 3 | 1 | 1 | 1 | 1 | 28 | 1 |
| Best Alt. | A7 | A4 | A7 | |||||||||||||||
| S#: | Technical Parameters Evaluations (TPE) | Cost (Economics Related) Parameters Evaluations (CPE) | ||||||||||||
|---|---|---|---|---|---|---|---|---|---|---|---|---|---|---|
| Case (No.) / Alt. (No). | DG Size (KVA) @ Bus Loc. | PLoss (KW) | QLoss (KVAR) | PLM (%) | QLM (%) | DGPP (%) | VMin (P.U) | PSSR + j QSSR (KW) + j(KVAR) | PLC (M$) | PLS (M$) | CPDG ($/MWh) | CQDG ($/MVArh) | AIC (M$) | ACD (M$) |
| C2/A1 | DG1: 1970@15 | 115.6 | 79.7 | 45.21 | 44.27 | 45.06 | 0.9620 | 2505 + j 1604 | 0.0608 | 0.0501 | 34.471 | 4.5174 | 0.3558 | 0 |
| C2/A2 | DG1: 2709@30 | 35.2 | 28.98 | 83.32 | 79.73 | 61.993 | 0.9761 | 1447.7 + j 902 | 0.0185 | 0.0924 | 46.298 | 7.2777 | 0.4895 | 0 |
| C2/A3 | DG1: 950@15 | 38.3 | 28.1 | 81.85 | 80.35 | 59.12 | 0.9719 | 1557.8 + j 967.42 | 0.0201 | 0.0908 | 44.161 | 6.94 | 0.46673 | 0 |
| DG2: 1633@30 | ||||||||||||||
| C2/A4 | DG1: 1886@30 | 27.93 | 24.39 | 86.76 | 82.94 | 69.874 | 0.9773 | 1147.7 + j 716.578 | 0.01468 | 0.09622 | 52.153 | 8.203 | 0.5517 | 0 |
| DG2: 1167@25 | ||||||||||||||
| C2/A5 | DG1: 828.3@15 | 26.7 | 16.75 | 87.35 | 88.29 | 73.24 | 0.9904 | 1021.6 + j 631 | 0.0140 | 0.0969 | 54.6517 | 8.598 | 0.57824 | 0 |
| DG2: 1644@30 | ||||||||||||||
| DG3: 727.8@7 | ||||||||||||||
| C2/A6 | DG1: 877@15 | 28.8 | 17.81 | 86.35 | 87.55 | 66.65 | 0.9876 | 1268.6 + j 783.81 | 0.0151 | 0.0958 | 49.754 | 7.8239 | 0.52618 | 0 |
| DG2: 1310@30 | ||||||||||||||
| DG3: 725@25 | ||||||||||||||
| C2/A7 | DG1: 1422@30 | 13.85 | 11.5 | 93.44 | 91.96 | 77.834 | 0.988 | 838.5 + j 520 | 0.00728 | 0.10362 | 58.0651 | 9.1375 | 0.6145 | 0 |
| DG2: 1045@25 | ||||||||||||||
| DG3: 933.4@8 | ||||||||||||||
| Evaluations | TPE (C2_NL) | CPE (C2_NL) | OPE (C2_NL) | |||||||||||||||
|---|---|---|---|---|---|---|---|---|---|---|---|---|---|---|---|---|---|---|
| C2_NL / Alt (#) | WSM | WPM | TOPSIS | PROMETHEE | UDS | UDR | WSM | WPM | TOPSIS | PROMETHEE | UDS | UDR | WSM | WPM | TOPSIS | PROMETHEE | UDS | UDR |
| A1 | 7 | 7 | 7 | 7 | 4 | 7 | 2 | 7 | 7 | 2 | 14 | 5 | 7 | 7 | 7 | 7 | 4 | 7 |
| A2 | 5 | 5 | 5 | 5 | 12 | 5 | 4 | 4 | 2 | 3 | 19 | 3 | 5 | 5 | 5 | 4 | 13 | 5 |
| A3 | 6 | 6 | 6 | 6 | 8 | 6 | 3 | 2 | 3 | 1 | 23 | 1 | 6 | 6 | 6 | 5 | 9 | 6 |
| A4 | 4 | 4 | 4 | 4 | 16 | 4 | 6 | 5 | 4 | 5 | 12 | 6 | 4 | 4 | 4 | 6 | 14 | 4 |
| A5 | 2 | 2 | 2 | 2 | 24 | 2 | 7 | 6 | 6 | 6 | 11 | 7 | 2 | 2 | 3 | 3 | 22 | 3 |
| A6 | 3 | 3 | 3 | 3 | 20 | 3 | 5 | 3 | 1 | 4 | 19 | 2 | 3 | 3 | 1 | 2 | 23 | 2 |
| A7 | 1 | 1 | 1 | 1 | 28 | 1 | 1 | 1 | 5 | 7 | 18 | 4 | 1 | 1 | 2 | 1 | 27 | 1 |
| Best Alt. | A7 | A3 | A7 | |||||||||||||||
| S#: | Technical Parameters Evaluations (TPE) | Cost (Economics Related) Parameters Evaluations (CPE) | ||||||||||||
|---|---|---|---|---|---|---|---|---|---|---|---|---|---|---|
| Case (No.) / Alt. (No). | DG Size (KVA) @ Bus Loc. | PLoss (KW) | QLoss (KVAR) | PLM (%) | QLM (%) | DGPP (%) | VMin (P.U) | PSSR + j QSSR (KW) + j(KVAR) | PLC (M $) | PLS (M $) | CPDG ($/MWh) | CQDG ($/MVArh) | AIC (M$) | ACD (M $) |
| C3/A1 | S1: 1536 + j744 @ 15 | 85.59 | 50.03 | 58.65 | 64.32 | 39.067 | 0.9724 | 2264.6 + j 1606.3 | 0.0499 | 0.0659 | 30.99 | 3.0344 | 0.2901 | 0.00981 |
| C3/A1 | S1: 2475 + j1199 @ 30 | 39 | 29.38 | 81.52 | 79.45 | 62.94 | 0.9764 | + 1279 j 1130.4 | 0.0205 | 0.0904 | 49.75 | 4.9533 | 0.4675 | 0.01581 |
| C3/A3 | S1: 869.2 + j421.2 @ 15 | 27.89 | 16.20 | 86.52 | 88.44 | 62.89 | 0.9874 | 1269.7 + j 1117.6 | 0.0147 | 0.0962 | 49.71 | 4.9558 | 0.4672 | 0.01589 |
| S2: 1604 + j777.4 @ 30 | ||||||||||||||
| C3/A4 | S1: 2121 + j1028 @ 30 | 34 | 26.09 | 83.89 | 81.25 | 66.31 | 0.9768 | 1142 + j 1062.1 | 0.0179 | 0.093 | 52.39 | 5.227 | 0.4925 | 0.01666 |
| S2: 486 + j236 @ 25 | ||||||||||||||
| C3/A5 | S1: 620.5 + j300.5 @15 | 19.40 | 11.09 | 90.63 | 92.09 | 68.65 | 0.99 | 1034 + j 1004.1 | 0.0102 | 0.1007 | 54.25 | 5.3593 | 0.5099 | 0.01718 |
| S2: 1442 + j698.3 @ 30 | ||||||||||||||
| S3: 637.5 + j308.73 @ 7 | ||||||||||||||
| C3/A6 | S1: 789 + j380.7 @ 15 | 20.11 | 12.23 | 90.29 | 91.28 | 70.53 | 0.9889 | 958.2 + j 973.33 | 0.0106 | 0.1003 | 55.76 | 5.507 | 0.5243 | 0.01766 |
| S2: 1247 + j586.2 @ 30 | ||||||||||||||
| S3: 739.6 + j372 @ 25 | ||||||||||||||
| C3/A7 | S1: 1761 + j853 @ 30 | 20.8 | 13.76 | 90.14 | 90.37 | 73.63 | 0.9856 | 840.8 + j 911.46 | 0.0109 | 0.0999 | 58.16 | 5.7941 | 0.5467 | 0.01849 |
| S2: 450 + j218 @ 25 | ||||||||||||||
| S3: 684 + j331.3 @ 8 | ||||||||||||||
| Evaluations | TPE (C3_NL) | CPE (C3_NL) | OPE (C3_NL) | |||||||||||||||
|---|---|---|---|---|---|---|---|---|---|---|---|---|---|---|---|---|---|---|
| C3_NL / Alt (#) | WSM | WPM | TOPSIS | PROMETHEE | UDS | UDR | WSM | WPM | TOPSIS | PROMETHEE | UDS | UDR | WSM | WPM | TOPSIS | PROMETHEE | UDS | UDR |
| A1 | 7 | 7 | 7 | 7 | 4 | 7 | 1 | 1 | 7 | 1 | 22 | 2 | 7 | 7 | 7 | 7 | 4 | 7 |
| A2 | 6 | 6 | 6 | 6 | 8 | 6 | 6 | 7 | 6 | 4 | 9 | 7 | 6 | 6 | 6 | 6 | 8 | 6 |
| A3 | 4 | 4 | 4 | 4 | 16 | 4 | 4 | 2 | 1 | 2 | 23 | 1 | 4 | 4 | 2 | 3 | 19 | 3 |
| A4 | 5 | 5 | 5 | 5 | 12 | 5 | 7 | 6 | 5 | 5 | 9 | 6 | 5 | 5 | 5 | 5 | 12 | 5 |
| A5 | 1 | 1 | 1 | 1 | 28 | 1 | 2 | 4 | 3 | 7 | 16 | 4 | 1 | 1 | 3 | 1 | 26 | 1 |
| A6 | 2 | 2 | 2 | 2 | 24 | 2 | 3 | 3 | 2 | 3 | 21 | 3 | 2 | 2 | 1 | 2 | 25 | 2 |
| A7 | 3 | 3 | 3 | 3 | 20 | 3 | 5 | 5 | 4 | 6 | 12 | 5 | 3 | 3 | 4 | 4 | 18 | 4 |
| Best Alt. | A5 | A3 | A5 | |||||||||||||||
| S#: | Technical Parameters Evaluations (TPE) | Cost (Economics Related) Parameters Evaluations (CPE) | ||||||||||||
|---|---|---|---|---|---|---|---|---|---|---|---|---|---|---|
| Case (No.) / Alt. (No). | DG Size (KVA) @ Bus Loc. | PLoss (KW) | QLoss (KVAR) | PLM (%) | QLM (%) | DGPP (%) | VMin (P.U) | PSSR + j QSSR (KW) + j (KVAR) | PLC (M $) | PLS (M $) | CPDG ($/MWh) | CQDG ($/MVArh) | AIC (M $) | ACD (M $) |
| C4/A1 | S1: 1407.4 + j872 @ 15 | 84.41 | 56.24 | 59.22 | 59.89 | 37.89 | 0.9718 | 2392 + j 1484.24 | 0.0444 | 0.0665 | 28.39 | 4.4226 | 0.2658 | 0.01147 |
| C4/A2 | S1: 2302 + j1427 @ 30 | 36 | 29.7 | 82.94 | 79.23 | 61.97 | 0.9760 | 1449 + j 902.7 | 0.0189 | 0.0919 | 46.29 | 7.2694 | 0.4348 | 0.01881 |
| C4/A3 | S1: 807.5 + j485 @ 15 | 27.39 | 17.98 | 86.77 | 87.18 | 59.32 | 0.9859 | 1546.9 + j 940 | 0.0144 | 0.0965 | 44.16 | 7.1574 | 0.4147 | 0.01821 |
| S2: 1388 + j893@ 30 | ||||||||||||||
| C4/A4 | S1: 1604 + j994 @ 30 | 29.3 | 25.1 | 86.11 | 82.45 | 69.9 | 0.9772 | 1147.8 + j 709 | 0.0154 | 0.0955 | 52.16 | 8.2219 | 0.4905 | 0.02124 |
| S2: 992.5 + j615 @ 25 | ||||||||||||||
| C4/A5 | S1: 547 + j338.8 @15 | 17.33 | 11.37 | 91.62 | 91.89 | 68.67 | 0.9901 | 1182 + j 730.57 | 0.0091 | 0.1018 | 51.25 | 8.0011 | 0.4817 | 0.02077 |
| S2: 1397 + j866 @ 30 | ||||||||||||||
| S3: 606.3 + j376 @ 7 | ||||||||||||||
| C4/A6 | S1: 746 + j462 @ 15 | 20.38 | 13.51 | 90.16 | 90.37 | 66.64 | 0.9877 | 1259.4 + j 779.5 | 0.0107 | 0.1002 | 49.77 | 7.8765 | 0.4677 | 0.02029 |
| S2: 1114 + j690@ 30 | ||||||||||||||
| S3: 616 + j382 @ 25 | ||||||||||||||
| C4/A7 | S1: 1210 + j750 @ 30 | 16.3 | 12.6 | 92.27 | 91.19 | 77.89 | 0.9878 | 838.06 + j 519.4 | 0.0086 | 0.1023 | 58.07 | 9.1760 | 0.54653 | 0.02368 |
| S2: 890 + j551.2 @ 25 | ||||||||||||||
| S3: 793.7 + j492 @ 8 | ||||||||||||||
| Evaluations | TPE (C4_NL) | CPE (C4_NL) | OPE (C4_NL) | |||||||||||||||
|---|---|---|---|---|---|---|---|---|---|---|---|---|---|---|---|---|---|---|
| C4_NL / Alt (#) | WSM | WPM | TOPSIS | PROMETHEE | UDS | UDR | WSM | WPM | TOPSIS | PROMETHEE | UDS | UDR | WSM | WPM | TOPSIS | PROMETHEE | UDS | UDR |
| A1 | 7 | 7 | 7 | 7 | 4 | 7 | 1 | 4 | 7 | 2 | 18 | 4 | 7 | 7 | 7 | 7 | 4 | 7 |
| A2 | 6 | 6 | 6 | 6 | 8 | 6 | 6 | 6 | 5 | 5 | 10 | 6 | 6 | 6 | 6 | 6 | 8 | 6 |
| A3 | 4 | 4 | 4 | 4 | 16 | 4 | 4 | 2 | 1 | 1 | 24 | 1 | 4 | 4 | 3 | 4 | 17 | 4 |
| A4 | 5 | 5 | 5 | 5 | 12 | 5 | 7 | 7 | 6 | 6 | 6 | 7 | 5 | 5 | 5 | 5 | 12 | 5 |
| A5 | 2 | 2 | 2 | 2 | 24 | 2 | 2 | 1 | 3 | 4 | 22 | 2 | 1 | 1 | 1 | 1 | 28 | 1 |
| A6 | 3 | 3 | 3 | 3 | 20 | 3 | 3 | 3 | 2 | 3 | 21 | 3 | 3 | 3 | 2 | 2 | 22 | 2 |
| A7 | 1 | 1 | 1 | 1 | 28 | 1 | 5 | 5 | 4 | 7 | 11 | 5 | 2 | 2 | 4 | 3 | 21 | 3 |
| Best Alt. | A7 | A3 | A5 | |||||||||||||||
| S#: | Technical Parameters Evaluations (TPE) | Cost (Economics Related) Parameters Evaluations (CPE) | ||||||||||||
|---|---|---|---|---|---|---|---|---|---|---|---|---|---|---|
| Case (No.) / Alt. (No). | DG Size (KVA) @ Bus Loc. | PLoss (KW) | QLoss (KVAR) | PLM (%) | QLM (%) | DGPP (%) | VMin (P.U) | PSSR + j QSSR (KW) + j(KVAR) | PLC (M $) | PLS (M $) | CPDG ($/MWh) | CQDG ($/MVArh) | AIC (M $) | ACD (M $) |
| C1/A1 | DG1: 2013@15 | 228.88 | 113.73 | 49.211 | 62.73 | 27.214 | 0.9475 | 4110.93 + j 2516.51 | 0.4648 | 0.5398 | 30.97 | 3.0773 | 0.3084 | 0 |
| C1/A2 | DG1: 2750@30 | 127.95 | 75.356 | 71.61 | 75.31 | 43.842 | 0.9481 | 2985.95 + j 2178.7 | 0.2588 | 0.7458 | 49.75 | 4.9527 | 0.4969 | 0 |
| C1/A3 | DG1: 971@15 | 95.35 | 53.664 | 78.842 | 82.42 | 43.802 | 0.9641 | 2949.75 + j 2155.224 | 0.1762 | 0.8284 | 48.80 | 4.8567 | 0.4965 | 0 |
| DG2: 1783@30 | ||||||||||||||
| C1/A4 | DG1: 2357@30 | 117.93 | 75.356 | 73.83 | 77.09 | 46.185 | 0.9485 | 2843.63 + j 2114.583 | 0.2328 | 0.7718 | 52.39 | 5.2141 | 0.5235 | 0 |
| DG2: 540@25 | ||||||||||||||
| C1/A5 | DG1: 832.6@15 | 83.661 | 46.815 | 81.435 | 84.66 | 47.822 | 0.9638 | 2554.93 + j 1962.8 | 0.1399 | 0.8647 | 54.24 | 5.4023 | 0.5420 | 0 |
| DG2: 1602@30 | ||||||||||||||
| DG3: 745.1@7 | ||||||||||||||
| C1/A6 | DG1: 894.6@15 | 77.621 | 44.204 | 82.776 | 85.51 | 49.131 | 0.9652 | 2617.7 + j 1993.55 | 0.1361 | 0.8684 | 55.77 | 5.4988 | 0.5569 | 0 |
| DG2: 1386@30 | ||||||||||||||
| DG3: 822.6@25 | ||||||||||||||
| C1/A7 | DG1: 1957@30 | 81.611 | 47.31 | 81.89 | 84.49 | 51.287 | 0.9576 | 2519.3 + j 1946.7 | 0.1458 | 0.8587 | 58.16 | 5.7938 | 0.5813 | 0 |
| DG2: 500@25 | ||||||||||||||
| DG3: 760@8 | ||||||||||||||
| Evaluations | TPE (C1_LG) | CPE (C1_LG) | OPE (C1_LG) | |||||||||||||||
|---|---|---|---|---|---|---|---|---|---|---|---|---|---|---|---|---|---|---|
| C1_LG / Alt (#) | WSM | WPM | TOPSIS | PROMETHEE | UDS | UDR | WSM | WPM | TOPSIS | PROMETHEE | UDS | UDR | WSM | WPM | TOPSIS | PROMETHEE | UDS | UDR |
| A1 | 7 | 7 | 7 | 7 | 4 | 7 | 1 | 1 | 7 | 1 | 22 | 2 | 7 | 7 | 7 | 7 | 4 | 7 |
| A2 | 6 | 6 | 6 | 6 | 8 | 6 | 6 | 7 | 6 | 5 | 8 | 7 | 6 | 6 | 6 | 6 | 8 | 6 |
| A3 | 4 | 4 | 4 | 4 | 16 | 4 | 4 | 2 | 1 | 2 | 23 | 1 | 4 | 4 | 1 | 3 | 20 | 3 |
| A4 | 5 | 5 | 5 | 5 | 12 | 5 | 7 | 6 | 5 | 6 | 8 | 6 | 5 | 5 | 5 | 5 | 12 | 5 |
| A5 | 3 | 3 | 3 | 2 | 21 | 3 | 2 | 3 | 2 | 3 | 22 | 3 | 2 | 2 | 2 | 2 | 24 | 2 |
| A6 | 1 | 1 | 1 | 1 | 28 | 1 | 3 | 4 | 3 | 4 | 18 | 4 | 1 | 1 | 3 | 1 | 26 | 1 |
| A7 | 2 | 2 | 2 | 3 | 23 | 2 | 5 | 5 | 4 | 7 | 11 | 5 | 3 | 3 | 4 | 4 | 18 | 4 |
| Best Alt. | A6 | A3 | A6 | |||||||||||||||
| S#: | Technical Parameters Evaluations (TPE) | Cost (Economics Related) Parameters Evaluations (CPE) | ||||||||||||
|---|---|---|---|---|---|---|---|---|---|---|---|---|---|---|
| Case (No.) / Alt. (No). | DG Size (KVA) @ Bus Loc. | PLoss (KW) | QLoss (KVAR) | PLM (%) | QLM (%) | DGPP (%) | VMin (P.U) | PSSR + j QSSR (KW) + j(KVAR) | PLC (M$) | PLS (M$) | CPDG ($/MWh) | CQDG ($/MVArh) | AIC (M$) | ACD (M$) |
| C2/A1 | DG1: 1970@15 | 204.55 | 131.47 | 54.61 | 56.92 | 26.39 | 0.9469 | 3863 + j2395.71 | 0.4352 | 0.5694 | 28.39 | 4.4488 | 0.2992 | 0 |
| C2/A2 | DG1: 2709@30 | 127.56 | 85.03 | 71.69 | 72.14 | 43.18 | 0.9478 | 3157.9 + j 1960 | 0.2559 | 0.7487 | 46.29 | 7.2777 | 0.4895 | 0 |
| C2/A3 | DG1: 950@15 | 101.56 | 65.00 | 77.44 | 78.69 | 41.18 | 0.9624 | 3239 + j 2006.32 | 0.1792 | 0.8254 | 44.16 | 7.1279 | 0.4667 | 0 |
| DG2: 1633@30 | ||||||||||||||
| C2/A4 | DG1: 1886@30 | 109.27 | 73.91 | 75.75 | 75.78 | 48.67 | 0.949 | 2847.2 + j 1767.24 | 0.2139 | 0.7907 | 52.15 | 8.203 | 0.5517 | 0 |
| DG2: 1167@25 | ||||||||||||||
| C2/A5 | DG1: 828.3@15 | 81.44 | 51.93 | 81.93 | 82.98 | 47.83 | 0.9641 | 2694.36 + j 1669 | 0.1349 | 0.8697 | 51.26 | 8.0612 | 0.5421 | 0 |
| DG2: 1644@30 | ||||||||||||||
| DG3: 727.8@7 | ||||||||||||||
| C2/A6 | DG1: 877@15 | 84.72 | 54.55 | 81.2 | 82.12 | 46.42 | 0.9635 | 2942.5 + j 1822.55 | 0.1444 | 0.8602 | 49.75 | 7.4566 | 0.5262 | 0 |
| DG2: 1310@30 | ||||||||||||||
| DG3: 725@25 | ||||||||||||||
| C2/A7 | DG1: 1422@30 | 71.17 | 46.64 | 84.21 | 84.72 | 54.22 | 0.9597 | 2513.8 + j 1557.34 | 0.1243 | 0.8802 | 58.07 | 9.1375 | 0.6145 | 0 |
| DG2: 1045@25 | ||||||||||||||
| DG3: 933.4@8 | ||||||||||||||
| Evaluations | TPE (C2_LG) | CPE (C2_LG) | OPE (C2_LG) | |||||||||||||||
|---|---|---|---|---|---|---|---|---|---|---|---|---|---|---|---|---|---|---|
| C2_LG / Alt (#) | WSM | WPM | TOPSIS | PROMETHEE | UDS | UDR | WSM | WPM | TOPSIS | PROMETHEE | UDS | UDR | WSM | WPM | TOPSIS | PROMETHEE | UDS | UDR |
| A1 | 7 | 7 | 7 | 7 | 4 | 7 | 1 | 1 | 7 | 2 | 21 | 3 | 7 | 7 | 7 | 7 | 4 | 7 |
| A2 | 6 | 6 | 6 | 6 | 8 | 6 | 6 | 6 | 6 | 5 | 9 | 6 | 6 | 6 | 6 | 6 | 8 | 6 |
| A3 | 4 | 4 | 4 | 4 | 16 | 4 | 4 | 2 | 1 | 1 | 24 | 1 | 4 | 4 | 3 | 4 | 17 | 4 |
| A4 | 5 | 5 | 5 | 5 | 12 | 5 | 7 | 7 | 5 | 6 | 7 | 7 | 5 | 5 | 5 | 5 | 12 | 5 |
| A5 | 2 | 2 | 2 | 2 | 24 | 2 | 3 | 4 | 3 | 4 | 18 | 4 | 2 | 2 | 2 | 1 | 25 | 1 |
| A6 | 3 | 3 | 3 | 3 | 20 | 3 | 2 | 3 | 2 | 3 | 22 | 2 | 3 | 3 | 1 | 2 | 23 | 3 |
| A7 | 1 | 1 | 1 | 1 | 28 | 1 | 5 | 5 | 4 | 7 | 11 | 5 | 1 | 1 | 4 | 3 | 23 | 2 |
| Best Alt. | A7 | A3 | A5 | |||||||||||||||
| S#: | Technical Parameters Evaluations (TPE) | Cost (Economics Related) Parameters Evaluations (CPE) | ||||||||||||
|---|---|---|---|---|---|---|---|---|---|---|---|---|---|---|
| Case (No.) / Alt. (No). | DG Size (KVA) @ Bus Loc. | PLoss (KW) | QLoss (KVAR) | PLM (%) | QLM (%) | DGPP (%) | VMin (P.U) | PSSR + j QSSR (KW) + j(KVAR) | PLC (M$) | PLS (M$) | CPDG ($/MWh) | CQDG ($/MVArh) | AIC (M$) | ACD (M$) |
| C3/A1 | S1: 1536 + j744 @ 15 | 203.15 | 114.61 | 54.92 | 62.44 | 27.21 | 0.9474 | 4000 + j 2672.61 | 0.4342 | 0.5704 | 30.97 | 3.0735 | 0.2901 | 0.009812 |
| C3/A1 | S1: 2475 + j1199 @ 30 | 129.18 | 75.87 | 71.33 | 75.14 | 43.83 | 0.9481 | 2987.2 + j2178.9 | 0.2609 | 0.7436 | 49.25 | 4.9381 | 0.4675 | 0.015803 |
| C3/A3 | S1: 869.2 + j421.2 @ 15 | 96.74 | 54.28 | 78.53 | 82.21 | 43.81 | 0.964 | 2956.5 + j 2157.7 | 0.1789 | 0.8256 | 49.71 | 4.948 | 0.4672 | 0.01579 |
| S2: 1604 + j777.4 @ 30 | ||||||||||||||
| C3/A4 | S1: 2121 + j1028 @ 30 | 119.55 | 70.79 | 73.47 | 76.8 | 46.18 | 0.9484 | 2845.6 + j2108.8 | 0.2361 | 0.7684 | 52.39 | 5.2147 | 0.4924 | 0.016657 |
| S2: 486 + j236 @ 25 | ||||||||||||||
| C3/A | S1: 620.5 + j300.5 @15 | 85.29 | 47.38 | 81.07 | 84.47 | 47.92 | 0.9637 | 2718.3 + j 2041.85 | 0.1453 | 0.8593 | 54.25 | 5.5187 | 0.5100 | 0.01742 |
| S2: 1442 + j698.3 @ 30 | ||||||||||||||
| S3: 637.5 + j308.73 @ 7 | ||||||||||||||
| C3/A6 | S1: 789 + j380.7 @ 15 | 78.98 | 44.87 | 82.47 | 85.29 | 49.21 | 0.9651 | 2636.38 + j 2008 | 0.1398 | 0.8648 | 55.76 | 5.6037 | 0.5243 | 0.01781 |
| S2: 1247 + j586.2 @ 30 | ||||||||||||||
| S3: 739.6 + j372 @ 25 | ||||||||||||||
| C3/A7 | S1: 1761 + j853 @ 30 | 83.27 | 48.32 | 81.52 | 84.17 | 51.31 | 0.9574 | 2521.27 + j 1948 | 0.1503 | 0.8542 | 58.16 | 5.8296 | 0.5468 | 0.018482 |
| S2: 450 + j218 @ 25 | ||||||||||||||
| S3: 684 + j331.3 @ 8 | ||||||||||||||
| Evaluations | TPE (C3_LG) | CPE (C3_LG) | OPE (C3_LG) | |||||||||||||||
|---|---|---|---|---|---|---|---|---|---|---|---|---|---|---|---|---|---|---|
| C3_LG / Alt (#) | WSM | WPM | TOPSIS | PROMETHEE | UDS | UDR | WSM | WPM | TOPSIS | PROMETHEE | UDS | UDR | WSM | WPM | TOPSIS | PROMETHEE | UDS | UDR |
| A1 | 7 | 7 | 7 | 7 | 4 | 7 | 1 | 1 | 7 | 1 | 22 | 2 | 7 | 7 | 7 | 7 | 4 | 7 |
| A2 | 6 | 6 | 6 | 6 | 8 | 6 | 6 | 6 | 6 | 5 | 9 | 6 | 6 | 6 | 6 | 6 | 8 | 6 |
| A3 | 4 | 4 | 4 | 4 | 16 | 4 | 4 | 2 | 1 | 2 | 23 | 1 | 4 | 4 | 1 | 3 | 20 | 3 |
| A4 | 5 | 5 | 5 | 5 | 12 | 5 | 7 | 7 | 5 | 6 | 7 | 7 | 5 | 5 | 5 | 5 | 12 | 5 |
| A5 | 3 | 3 | 3 | 2 | 21 | 3 | 3 | 3 | 2 | 3 | 21 | 3 | 2 | 2 | 2 | 2 | 24 | 2 |
| A6 | 1 | 1 | 1 | 1 | 28 | 1 | 2 | 4 | 3 | 4 | 19 | 4 | 1 | 1 | 3 | 1 | 26 | 1 |
| A7 | 2 | 2 | 2 | 3 | 23 | 2 | 5 | 5 | 4 | 7 | 11 | 5 | 3 | 3 | 4 | 4 | 18 | 4 |
| Best Alt. | A6 | A3 | A6 | |||||||||||||||
| S#: | Technical Parameters Evaluations (TPE) | Cost (Economics Related) Parameters Evaluations (CPE) | ||||||||||||
|---|---|---|---|---|---|---|---|---|---|---|---|---|---|---|
| Case (No.) / Alt. (No). | DG Size (KVA) @ Bus Loc. | PLoss (KW) | QLoss (KVAR) | PLM (%) | QLM (%) | DGPP (%) | VMin (P.U) | PSSR + j QSSR (KW) + j(KVAR) | PLC (M$) | PLS (M$) | CPDG ($/MWh) | CQDG ($/MVArh) | AIC (M$) | ACD (M$) |
| C4/A1 | S1: 1407.4 + j872 @ 15 | 203.48 | 130.92 | 54.85 | 57.09 | 26.36 | 0.9467 | 4129 + j 2560.92 | 0.4322 | 0.5724 | 28.39 | 4.4182 | 0.2658 | 0.011467 |
| C4/A2 | S1: 2302 + j1427 @ 30 | 127.85 | 85.07 | 71.63 | 72.13 | 43.18 | 0.9478 | 3158.9 + j 1960.07 | 0.2569 | 0.7477 | 46.29 | 7.2803 | 0.4348 | 0.018804 |
| C4/A3 | S1: 807.5 + j485 @ 15 | 102.66 | 65.38 | 77.22 | 78.58 | 41.39 | 0.9623 | 3240.2 + j1989.4 | 0.1848 | 0.8198 | 44.16 | 7.2153 | 0.4147 | 0.018276 |
| S2: 1388 + j893@ 30 | ||||||||||||||
| C4/A4 | S1: 1604 + j994 @ 30 | 110.79 | 74.57 | 75.42 | 75.57 | 48.71 | 0.9489 | 2847.3 + j 1767.57 | 0.2173 | 0.7873 | 52.16 | 8.2390 | 0.4904 | 0.021198 |
| S2: 992.5 + j615 @ 25 | ||||||||||||||
| C4/A5 | S1: 547 + j338.8 @15 | 82.85 | 53.07 | 81.69 | 82.61 | 47.82 | 0.9638 | 2865.55 + j1774.27 | 0.1373 | 0.8673 | 51.25 | 8.0446 | 0.4817 | 0.020826 |
| S2: 1397 + j866 @ 30 | ||||||||||||||
| S3: 606.3 + j376 @ 7 | ||||||||||||||
| C4/A6 | S1: 746 + j462 @ 15 | 85.79 | 54.16 | 80.96 | 82.25 | 46.42 | 0.9636 | 2942.8 + j1822.16 | 0.1483 | 0.8563 | 49.77 | 10.296 | 0.4677 | 0.020218 |
| S2: 1114 + j690@ 30 | ||||||||||||||
| S3: 616 + j382 @ 25 | ||||||||||||||
| C4/A7 | S1: 1210 + j750 @ 30 | 72.69 | 47.27 | 83.87 | 84.51 | 54.22 | 0.9595 | 2512 + j 1556.07 | 0.1289 | 0.8757 | 58.07 | 9.145 | 0.5466 | 0.023616 |
| S2: 890 + j551.2 @ 25 | ||||||||||||||
| S3: 793.7 + j492 @ 8 | ||||||||||||||
| Evaluations | TPE (C4_LG) | CPE (C4_LG) | OPE (C4_LG) | |||||||||||||||
|---|---|---|---|---|---|---|---|---|---|---|---|---|---|---|---|---|---|---|
| C4_LG / Alt (#) | WSM | WPM | TOPSIS | PROMETHEE | UDS | UDR | WSM | WPM | TOPSIS | PROMETHEE | UDS | UDR | WSM | WPM | TOPSIS | PROMETHEE | UDS | UDR |
| A1 | 7 | 7 | 7 | 7 | 4 | 7 | 1 | 1 | 6 | 2 | 22 | 2 | 7 | 7 | 7 | 7 | 4 | 7 |
| A2 | 6 | 6 | 6 | 6 | 8 | 6 | 6 | 6 | 5 | 5 | 10 | 6 | 6 | 6 | 6 | 6 | 8 | 6 |
| A3 | 4 | 4 | 4 | 4 | 16 | 4 | 2 | 2 | 1 | 1 | 26 | 1 | 4 | 4 | 2 | 4 | 18 | 4 |
| A4 | 5 | 5 | 5 | 5 | 12 | 5 | 7 | 7 | 7 | 7 | 4 | 7 | 5 | 5 | 5 | 5 | 12 | 5 |
| A5 | 2 | 2 | 2 | 2 | 24 | 2 | 3 | 3 | 2 | 3 | 21 | 3 | 2 | 2 | 1 | 1 | 26 | 1 |
| A6 | 3 | 3 | 3 | 3 | 20 | 3 | 5 | 4 | 3 | 4 | 16 | 4 | 3 | 3 | 4 | 3 | 19 | 3 |
| A7 | 1 | 1 | 1 | 1 | 28 | 1 | 4 | 5 | 4 | 6 | 13 | 5 | 1 | 1 | 3 | 2 | 25 | 2 |
| Best Alt. | A7 | A3 | A5 | |||||||||||||||
| S#: | Technical Parameters Evaluations (TPE) | Cost (Economics Related) Parameters Evaluations (CPE) | ||||||||||||
|---|---|---|---|---|---|---|---|---|---|---|---|---|---|---|
| Case (No.) / Alt. (No). | DG Size (KVA) @ Bus Loc. | PLoss (KW) | QLoss (KVAR) | PLM (%) | QLM (%) | DGPP (%) | VMin (P.U) | PSSR + j QSSR (KW) + j(KVAR) | PLC (M$) | PLS (M$) | CPDG ($/MWh) | CQDG ($/MVArh) | AIC (M$) | ACD (M$) |
| C1/A1 | DG1: 2205@15 | 178.15 | 111.24 | 60.47 | 63.55 | 39.06 | 0.9598 | 3526.62 + j2452.103 | 0.0936 | 0.9109 | 44.35 | 4.4124 | 0.4427 | 0 |
| C1/A2 | DG1: 3950@30 | 98.14 | 58.56 | 78.22 | 80.81 | 62.97 | 0.9656 | 1876.14 + j1638.795 | 0.0516 | 0.9530 | 71.35 | 7.1142 | 0.7137 | 0 |
| C1/A3 | DG1: 1500@15 | 60.34 | 35.29 | 86.62 | 88.43 | 60.58 | 0.9811 | 1973.34 + j1680.91 | 0.0317 | 0.9729 | 68.65 | 6.8440 | 0.6867 | 0 |
| DG2: 2300@30 | ||||||||||||||
| C1/A4 | DG1: 3500@30 | 87.3 | 54.63 | 80.63 | 82.09 | 65.21 | 0.9658 | 1739.3 + j1574.63 | 0.0459 | 0.9587 | 73.87 | 7.3659 | 0.7390 | 0 |
| DG2: 590@25 | ||||||||||||||
| C1/A5 | DG1: 980@15 | 34.99 | 21.80 | 92.23 | 92.86 | 75.52 | 0.9899 | 1105.59 + j1259.425 | 0.0184 | 0.9862 | 85.51 | 8.5309 | 0.8559 | 0 |
| DG2: 2235@30 | ||||||||||||||
| DG3: 1521@7 | ||||||||||||||
| C1/A6 | DG1: 1147@15 | 39.45 | 24.17 | 91.25 | 92.08 | 72.36 | 0.9845 | 1288.25 + j1347.487 | 0.0207 | 0.9839 | 81.95 | 8.1748 | 0.82 | 0 |
| DG2: 2119@30 | ||||||||||||||
| DG3: 1272@25 | ||||||||||||||
| C1/A7 | DG1: 2890@30 | 45.68 | 28.21 | 89.86 | 90.75 | 72.86 | 0.9792 | 1265.65 + j1338.2 | 0.0240 | 0.9806 | 82.51 | 8.2303 | 0.8258 | 0 |
| DG2: 590@25 | ||||||||||||||
| DG3: 1090@8 | ||||||||||||||
| Evaluations | TPE (C1_OLG) | CPE (C1_OLG) | OPE (C1_OLG) | |||||||||||||||
|---|---|---|---|---|---|---|---|---|---|---|---|---|---|---|---|---|---|---|
| C1_OLG / Alt (#) | WSM | WPM | TOPSIS | PROMETHEE | UDS | UDR | WSM | WPM | TOPSIS | PROMETHEE | UDS | UDR | WSM | WPM | TOPSIS | PROMETHEE | UDS | UDR |
| A1 | 7 | 7 | 7 | 7 | 4 | 7 | 1 | 1 | 7 | 1 | 22 | 2 | 7 | 7 | 7 | 7 | 4 | 7 |
| A2 | 6 | 6 | 6 | 6 | 8 | 6 | 6 | 7 | 6 | 4 | 9 | 7 | 6 | 6 | 6 | 6 | 8 | 6 |
| A3 | 4 | 4 | 4 | 4 | 16 | 4 | 4 | 2 | 1 | 2 | 23 | 1 | 4 | 4 | 2 | 3 | 19 | 3 |
| A4 | 5 | 5 | 5 | 5 | 12 | 5 | 7 | 6 | 5 | 5 | 9 | 6 | 5 | 5 | 5 | 5 | 12 | 5 |
| A5 | 1 | 1 | 1 | 1 | 28 | 1 | 2 | 4 | 2 | 7 | 17 | 4 | 1 | 1 | 3 | 1 | 26 | 1 |
| A6 | 2 | 2 | 2 | 2 | 24 | 2 | 3 | 3 | 3 | 3 | 20 | 3 | 2 | 2 | 1 | 2 | 25 | 2 |
| A7 | 3 | 3 | 3 | 3 | 20 | 3 | 5 | 5 | 4 | 6 | 12 | 5 | 3 | 3 | 4 | 4 | 18 | 4 |
| Best Alt. | A5 | A3 | A5 | |||||||||||||||
| S#: | Technical Parameters Evaluations (TPE) | Cost (Economics Related) Parameters Evaluations (CPE) | ||||||||||||
|---|---|---|---|---|---|---|---|---|---|---|---|---|---|---|
| Case (No.) / Alt. (No). | DG Size (KVA) @ Bus Loc. | PLoss (KW) | QLoss (KVAR) | PLM (%) | QLM (%) | DGPP (%) | VMin (P.U) | PSSR + j QSSR (KW) + j(KVAR) | PLC (M$) | PLS (M$) | CPDG ($/MWh) | CQDG ($/MVArh) | AIC (M$) | ACD (M$) |
| C2/A1 | DG1: 2410@15 | 179.26 | 119.65 | 60.22 | 60.79 | 38.42 | 0.9594 | 3463.8 + j2152.104 | 0.09421 | 0.9104 | 41.22 | 6.4752 | 0.4355 | 0 |
| C2/A2 | DG1: 3925@30 | 95.79 | 66.52 | 78.74 | 78.2 | 62.52 | 0.9656 | 2092.54 + j1300.9 | 0.0504 | 0.9542 | 66.98 | 10.545 | 0.7092 | 0 |
| C2/A3 | DG1: 1390@15 | 55.75 | 36.81 | 87.63 | 87.93 | 61.22 | 0.9814 | 2124.75 + j1158.91 | 0.0293 | 0.9753 | 65.53 | 10.317 | 0.6939 | 0 |
| DG2: 2450@30 | ||||||||||||||
| C2/A4 | DG1: 2825@30 | 76.79 | 54.97 | 82.96 | 81.99 | 68.95 | 0.9667 | 1733.54 + j1078.635 | 0.0404 | 0.9642 | 73.78 | 11.621 | 0.7815 | 0 |
| DG2: 1500@25 | ||||||||||||||
| C2/A5 | DG1: 980@15 | 34.63 | 23.32 | 92.31 | 92.36 | 70.04 | 0.9878 | 1634.43 + j1011.7 | 0.0182 | 0.9864 | 74.94 | 11.804 | 0.7938 | 0 |
| DG2: 2235@30 | ||||||||||||||
| DG3: 1177@7 | ||||||||||||||
| C2/A6 | DG1: 1147@15 | 36.89 | 25.38 | 91.81 | 91.68 | 71.69 | 0.9847 | 1544.04 + j956.33 | 0.0194 | 0.9852 | 76.78 | 11.996 | 0.8125 | 0 |
| DG2: 2077@30 | ||||||||||||||
| DG3: 1277@25 | ||||||||||||||
| C2/A7 | DG1: 2100@30 | 36.42 | 25.32 | 91.92 | 91.7 | 77.48 | 0.9827 | 1238.42 + j767.156 | 0.0191 | 0.9854 | 82.87 | 13.057 | 0.8782 | 0 |
| DG2: 1400@25 | ||||||||||||||
| DG3: 1360@8 | ||||||||||||||
| Evaluations | TPE (C2_OLG) | CPE (C2_OLG) | OPE (C2_OLG) | |||||||||||||||
|---|---|---|---|---|---|---|---|---|---|---|---|---|---|---|---|---|---|---|
| C2_OLG / Alt (#) | WSM | WPM | TOPSIS | PROMETHEE | UDS | UDR | WSM | WPM | TOPSIS | PROMETHEE | UDS | UDR | WSM | WPM | TOPSIS | PROMETHEE | UDS | UDR |
| A1 | 7 | 7 | 7 | 7 | 4 | 7 | 1 | 1 | 7 | 1 | 22 | 2 | 7 | 7 | 7 | 7 | 4 | 7 |
| A2 | 6 | 6 | 6 | 6 | 8 | 6 | 6 | 6 | 6 | 5 | 9 | 6 | 6 | 6 | 6 | 6 | 8 | 6 |
| A3 | 4 | 4 | 4 | 4 | 16 | 4 | 4 | 3 | 1 | 2 | 22 | 3 | 4 | 4 | 2 | 3 | 19 | 3 |
| A4 | 5 | 5 | 5 | 5 | 12 | 5 | 7 | 7 | 5 | 6 | 7 | 7 | 5 | 5 | 5 | 5 | 12 | 5 |
| A5 | 1 | 1 | 3 | 1 | 26 | 1 | 2 | 2 | 2 | 3 | 23 | 1 | 1 | 1 | 1 | 1 | 28 | 1 |
| A6 | 3 | 3 | 2 | 3 | 21 | 3 | 3 | 4 | 3 | 4 | 18 | 4 | 2 | 2 | 3 | 2 | 23 | 2 |
| A7 | 2 | 2 | 1 | 2 | 25 | 2 | 5 | 5 | 4 | 7 | 11 | 5 | 3 | 3 | 4 | 4 | 18 | 4 |
| Best Alt. | A5 | A5 | A5 | |||||||||||||||
| S#: | Technical Parameters Evaluations (TPE) | Cost (Economics Related) Parameters Evaluations (CPE) | ||||||||||||
|---|---|---|---|---|---|---|---|---|---|---|---|---|---|---|
| Case (No.) / Alt. (No). | DG Size (KVA) @ Bus Loc. | PLoss (KW) | QLoss (KVAR) | PLM (%) | QLM (%) | DGPP (%) | VMin (P.U) | PSSR + j QSSR (KW) + j(KVAR) | PLC (M$) | PLS (M$) | CPDG ($/MWh) | CQDG ($/MVArh) | AIC (M$) | ACD (M$) |
| C3/A1 | S1: 2187 + j1057 @15 | 179.6 | 105.58 | 60.14 | 65.4 | 38.74 | 0.9594 | 3325.6 + j2350.58 | 0.0944 | 0.9102 | 43.99 | 4.3573 | 0.4131 | 0.013941 |
| C3/A2 | S1: 3558 + j1723 @30 | 99.2 | 60.67 | 77.99 | 80.12 | 66.03 | 0.9656 | 1874.2 + j1639.67 | 0.0521 | 0.9524 | 71.35 | 7.1852 | 0.6721 | 0.022713 |
| C3/A3 | S1: 1269 + j622 @ 15 | 58.83 | 34.39 | 86.95 | 88.73 | 66.23 | 0.9813 | 1899.83 + j1634.39 | 0.0309 | 0.9737 | 70.09 | 7.081 | 0.6596 | 0.022449 |
| S2: 2223 + j1080 @ 30 | ||||||||||||||
| C3/A4 | S1: 3150 + j1525 @ 30 | 88.53 | 55.13 | 80.36 | 81.93 | 65.19 | 0.9657 | 1740.53 + j1575.03 | 0.0465 | 0.9581 | 73.87 | 7.3523 | 0.6953 | 0.023497 |
| S2: 531 + j257.1 @ 25 | ||||||||||||||
| C3/A5 | S1: 882.73 + j427 @15 | 36.26 | 22.37 | 91.95 | 92.66 | 77.99 | 0.9898 | 1106.53 + j1260.35 | 0.0191 | 0.9855 | 85.53 | 8.5578 | 0.8052 | 0.027276 |
| S2: 2011 + j974 @ 30 | ||||||||||||||
| S3: 1369 + j663.02 @ 7 | ||||||||||||||
| C3/A6 | S1: 1032 + j500@ 15 | 40.37 | 25.04 | 91.04 | 91.79 | 81.84 | 0.9842 | 1289.37 + j1348.74 | 0.0212 | 0.9834 | 81.94 | 8.1617 | 0.7714 | 0.026075 |
| S2: 1907 + j923.8 @30 | ||||||||||||||
| S3: 1145 + j554.5 @25 | ||||||||||||||
| C3/A7 | S1: 2601 + j1260 @ 30 | 47.03 | 28.63 | 89.56 | 89.56 | 72.92 | 0.9790 | 1267.03 + j1338.43 | 0.0247 | 0.9799 | 82.51 | 8.3215 | 0.7769 | 0.026255 |
| S2: 531 + j257.1 @ 25 | ||||||||||||||
| S3: 981 + j475.1 @ 8 | ||||||||||||||
| Evaluations | TPE (C3_OLG) | CPE (C3_OLG) | OPE (C3_OLG) | |||||||||||||||
|---|---|---|---|---|---|---|---|---|---|---|---|---|---|---|---|---|---|---|
| C3_OLG / Alt (#) | WSM | WPM | TOPSIS | PROMETHEE | UDS | UDR | WSM | WPM | TOPSIS | PROMETHEE | UDS | UDR | WSM | WPM | TOPSIS | PROMETHEE | UDS | UDR |
| A1 | 7 | 7 | 7 | 7 | 4 | 7 | 1 | 1 | 7 | 1 | 22 | 2 | 7 | 7 | 7 | 7 | 4 | 7 |
| A2 | 6 | 6 | 6 | 6 | 8 | 6 | 6 | 7 | 6 | 4 | 9 | 7 | 6 | 6 | 6 | 6 | 8 | 6 |
| A3 | 4 | 4 | 4 | 4 | 16 | 4 | 4 | 2 | 1 | 2 | 23 | 1 | 4 | 4 | 2 | 3 | 19 | 3 |
| A4 | 5 | 5 | 5 | 5 | 12 | 5 | 7 | 6 | 5 | 5 | 9 | 6 | 5 | 5 | 5 | 5 | 12 | 5 |
| A5 | 1 | 1 | 1 | 1 | 28 | 1 | 2 | 4 | 3 | 7 | 16 | 4 | 1 | 1 | 3 | 1 | 26 | 1 |
| A6 | 2 | 2 | 2 | 2 | 24 | 2 | 3 | 3 | 2 | 3 | 21 | 3 | 2 | 2 | 1 | 2 | 25 | 2 |
| A7 | 3 | 3 | 3 | 3 | 20 | 3 | 5 | 5 | 4 | 6 | 12 | 5 | 3 | 3 | 4 | 4 | 18 | 4 |
| Best Alt. | A5 | A3 | A5 | |||||||||||||||
| S#: | Technical Parameters Evaluations (TPE) | Cost (Economics Related) Parameters Evaluations (CPE) | ||||||||||||
|---|---|---|---|---|---|---|---|---|---|---|---|---|---|---|
| Case (No.)/Alt. (No). | DG Size (KVA) @ Bus Loc. | PLoss (KW) | QLoss (KVAR) | PLM (%) | QLM (%) | DGPP (%) | VMin (P.U) | PSSR + j QSSR (KW) + j(KVAR) | PLC (M$) | PLS (M$) | CPDG ($/MWh) | CQDG ($/MVArh) | AIC (M$) | ACD (M$) |
| C4/A1 | S1: 2048 + j1270 @ 15 | 180.28 | 119.79 | 59.99 | 60.74 | 38.43 | 0.9594 | 3465.28 + j2151.79 | 0.0947 | 0.9098 | 41.22 | 6.4801 | 0.3868 | 0.01675 |
| C4/A2 | S1: 3336 + j2067 @ 30 | 95.95 | 66.98 | 78.71 | 78.05 | 62.56 | 0.9656 | 2092.95 + j1301.98 | 0.0504 | 0.9542 | 66.97 | 10.539 | 0.6301 | 0.026728 |
| C4/A3 | S1: 1181 + j739.3 @15 | 56.42 | 37.02 | 87.48 | 87.87 | 61.34 | 0.9814 | 2126.42 + j1301.72 | 0.0296 | 0.9749 | 65.53 | 10.476 | 0.6163 | 0.02687 |
| S2: 2082 + j1298@ 30 | ||||||||||||||
| C4/A4 | S1: 2401 + j1488 @30 | 77.68 | 55.32 | 82.76 | 81.87 | 63.01 | 0.9666 | 1734.68 + j1079.32 | 0.0408 | 0.9638 | 73.77 | 11.701 | 0.6944 | 0.030028 |
| S2: 1275 + j790 @ 25 | ||||||||||||||
| C4/A5 | S1: 833.7 + j516 @15 | 36.64 | 24.02 | 91.87 | 92.13 | 81.82 | 0.9877 | 1636.94 + j1012.82 | 0.0193 | 0.9853 | 74.94 | 11.759 | 0.7051 | 0.030473 |
| S2: 1899 + j1177 @ 30 | ||||||||||||||
| S3: 1000 + j620.2 @ 7 | ||||||||||||||
| C4/A6 | S1: 975.3 + j604.5 @15 | 37.69 | 26.11 | 91.64 | 91.44 | 80.34 | 0.9844 | 1545.1 + j966.61 | 0.0198 | 0.9848 | 76.76 | 11.914 | 0.7226 | 0.031107 |
| S2: 1765 + j1094@ 30 | ||||||||||||||
| S3: 1085.3 + j663 @25 | ||||||||||||||
| C4/A7 | S1: 1785 + j1106 @ 30 | 37.58 | 25.66 | 91.66 | 91.66 | 77.51 | 0.9825 | 1239.58 + j768.26 | 0.0197 | 0.9848 | 82.87 | 13.099 | 0.7803 | 0.033743 |
| S2: 1190 + j737 @ 25 | ||||||||||||||
| S3: 1156 + j716.4 @ 8 | ||||||||||||||
| Evaluations | TPE (C4_OLG) | CPE (C4_OLG) | OPE (C4_OLG) | |||||||||||||||
|---|---|---|---|---|---|---|---|---|---|---|---|---|---|---|---|---|---|---|
| C4_OLG / Alt (#) | WSM | WPM | TOPSIS | PROMETHEE | UDS | UDR | WSM | WPM | TOPSIS | PROMETHEE | UDS | UDR | WSM | WPM | TOPSIS | PROMETHEE | UDS | UDR |
| A1 | 7 | 7 | 7 | 7 | 4 | 7 | 1 | 1 | 7 | 1 | 22 | 3 | 7 | 7 | 7 | 7 | 4 | 7 |
| A2 | 6 | 6 | 6 | 6 | 8 | 6 | 6 | 6 | 6 | 5 | 9 | 6 | 6 | 6 | 6 | 6 | 8 | 6 |
| A3 | 4 | 4 | 4 | 4 | 16 | 4 | 4 | 3 | 1 | 2 | 22 | 2 | 4 | 4 | 3 | 3 | 18 | 4 |
| A4 | 5 | 5 | 5 | 5 | 12 | 5 | 7 | 7 | 5 | 6 | 7 | 7 | 5 | 5 | 5 | 5 | 12 | 5 |
| A5 | 1 | 1 | 1 | 1 | 28 | 1 | 2 | 2 | 2 | 3 | 23 | 1 | 1 | 1 | 1 | 1 | 28 | 1 |
| A6 | 2 | 2 | 2 | 2 | 24 | 2 | 3 | 4 | 3 | 4 | 18 | 4 | 2 | 2 | 2 | 2 | 24 | 2 |
| A7 | 3 | 3 | 3 | 3 | 20 | 3 | 5 | 5 | 4 | 7 | 11 | 5 | 3 | 3 | 4 | 4 | 18 | 3 |
| Best Alt. | A5 | A5 | A5 | |||||||||||||||
| C#/A#: | Technical Evaluation | Cost-Economic Evaluation | Techno-Economic Evaluation | ||||||||||||||||
| Cases #: | Alternatives #: | TPE_NL | TPE_LG | TPE_OLG | RC1: NL-LG | RC2: NL-OLG | RC3: LG-OLG | CPE_NL | CPE_LG | CPE_OLG | RC1: NL-LG | RC2: NL-OLG | RC3: LG-OLG | OPE_NL | OPE_NL | OPE_NL | RC1: NL-LG | RC2: NL-OLG | RC3: LG-OLG |
| Case-1 | A1 | 7 | 7 | 7 | All except A7 | All except A7 | A1, A2, A3 | 4 | 1 | 2 | All | All | A1, A2, A3, A4 | 7 | 7 | 7 | All except A7 | All except A7 | A1, A2 |
| A2 | 5 | 6 | 6 | 2 | 7 | 7 | 5 | 6 | 6 | ||||||||||
| A3 | 6 | 4 | 4 | 7 | 2 | 1 | 6 | 3 | 3 | ||||||||||
| A4 | 3 | 5 | 5 | 1 | 6 | 6 | 3 | 5 | 5 | ||||||||||
| A5 | 2 | 3 | 1 | 6 | 3 | 4 | 2 | 2 | 1 | ||||||||||
| A6 | 4 | 1 | 2 | 5 | 4 | 3 | 4 | 1 | 2 | ||||||||||
| A7 | 1 | 2 | 3 | 3 | 5 | 5 | 1 | 4 | 4 | ||||||||||
| Case-2 | A1 | 7 | 7 | 7 | A5, A6, A7 | A1, A2, A4, A5, A6 | A1, A2 | 5 | 3 | 3 | A1, A2 | All | A1, A2, A4 | 7 | 7 | 7 | All except A7 | A1, A3-A6 | A2, A3, A4 |
| A2 | 5 | 6 | 6 | 3 | 6 | 6 | 5 | 6 | 6 | ||||||||||
| A3 | 6 | 4 | 4 | 1 | 1 | 2 | 6 | 4 | 3 | ||||||||||
| A4 | 4 | 5 | 5 | 6 | 7 | 7 | 4 | 5 | 5 | ||||||||||
| A5 | 2 | 2 | 1 | 7 | 4 | 1 | 3 | 1 | 1 | ||||||||||
| A6 | 3 | 3 | 3 | 2 | 2 | 4 | 2 | 3 | 2 | ||||||||||
| A7 | 1 | 1 | 2 | 4 | 5 | 5 | 1 | 2 | 4 | ||||||||||
| Case-3 | A1 | 7 | 7 | 7 | A1, A2, A3 | Nil | A1, A2, A3 | 4 | 2 | 2 | A1, A2, A3, A4 | A1, A2, A4,A6,A7 | A3, A4, A6, A7 | 7 | 7 | 7 | A1, A2 | All | A1, A2 |
| A2 | 6 | 6 | 6 | 6 | 6 | 7 | 6 | 6 | 6 | ||||||||||
| A3 | 4 | 4 | 4 | 2 | 1 | 1 | 3 | 3 | 3 | ||||||||||
| A4 | 5 | 5 | 5 | 7 | 7 | 6 | 5 | 5 | 5 | ||||||||||
| A5 | 1 | 3 | 1 | 1 | 3 | 4 | 1 | 2 | 1 | ||||||||||
| A6 | 2 | 1 | 2 | 3 | 4 | 3 | 2 | 1 | 2 | ||||||||||
| A7 | 3 | 2 | 3 | 5 | 5 | 5 | 4 | 4 | 4 | ||||||||||
| Case-4 | A1 | 7 | 7 | 7 | Nil | A1, A2, A3 | A1, A2, A3 | 4 | 2 | 3 | A2, A3, A4 | A1, A2, A3, A4 | A1, A2, A3 | 7 | 7 | 7 | A2, A3 | Nil | A2, A3 |
| A2 | 6 | 6 | 6 | 6 | 6 | 6 | 6 | 6 | 6 | ||||||||||
| A3 | 4 | 4 | 4 | 1 | 1 | 2 | 4 | 4 | 4 | ||||||||||
| A4 | 5 | 5 | 5 | 7 | 7 | 7 | 5 | 5 | 5 | ||||||||||
| A5 | 2 | 2 | 1 | 2 | 3 | 1 | 1 | 1 | 1 | ||||||||||
| A6 | 3 | 3 | 2 | 3 | 4 | 4 | 2 | 3 | 2 | ||||||||||
| A7 | 1 | 1 | 3 | 5 | 5 | 5 | 3 | 2 | 3 | ||||||||||
| Performance Evaluation Indicators (PEIs) | [42] | [42] | [53] | A4 [31 CPE (C1_NL) | A7 [31] TPE (C1_NL) OPE (C1_NL) |
| DG Size (KVA) @DG Site (Bus) | 773 @ 14 378 @ 25 847 @ 30 | 700 @ 15 430 @ 18 870 @ 28 | 2074.56@6 615.25@15 | 540@25 2357@30 | 1957@30 500 @25 760@8 |
| PLoss (KW) | 28.83 | 39.76 | 65.8435 | 32.99 | 18.870 |
| QLoss (KVAR) | - | - | 51.94 | 25.491 | 13.327 |
| PLM (%) | 86.33 | 81.15 | 68.8 | 84.37 | 91.06 |
| QLM (%) | - | - | 63.7 | 82.17 | 90.68 |
| DG Capacity (KVA) | 1998 | 2000 | 2689.81 | 2897 | 3217 |
| DGPP (%) | 45.73 | 45.77 | 61.56 | 66.303 | 73.63 |
| PSSR + j QSSR | - | - | 1347.9 + j 836.34 | 1140.7 + j 1062.72 | 838.570 + j911.07 |
| VMin (P.U) | 0.9756@30 | 0.9796@25 | 0.97567 | 0.9773@13 | 0.9857@14 |
| PLC (Million-$) | - | - | 0.03461 | 0.01261 | 0.00992 |
| PLS (Million-$) | - | - | 0.07629 | 0.09829 | 0.1010 |
| CPDG ($/MWh) | - | - | - | 52.396 | 58.156 |
| CQDG ($/MVArh) | - | - | - | 5.2141 | 5.7938 |
| AIC (Million-$) | - | - | - | 0.5235 | 0.5813 |
| Performance Evaluation Indicators (PEIs) | [42] | [54] | [55] | [56] | A3 [30] CPE (C2_NL) | A7 [31] TPE (C2_NL) OPE (C2_NL) |
| DG Size (KVA) @DG Site (Bus) | 807@8 347@17 845@30 | 1382@6 550@18 1062@30 | 853@13 900@24 899@30 | 1014@12 960@25 1363@30 | 950@15 1633@30 | 1422.1@30 1045.4 @25 933.4@8 |
| PLoss (KW) | 24.98 | 26.72 | 19.57 | 15.91 | 38.3 | 13.85 |
| QLoss (KVAR) | - | - | - | - | 28.1 | 11.50 |
| PLM (%) | 88.16 | 87.34 | 90.725 | 92.46 | 81.85 | 94.44 |
| QLM (%) | - | - | - | - | 80.35 | 91.96 |
| DG Capacity (KVA) | 1999 | 2994 | 2652 | 2880 | 2583 | 3400.9 |
| DGPP (%) | 45.75 | 68.523 | 60.70 | 65.91 | 59.12 | 77.834 |
| PSSR + j QSSR | - | - | - | - | 1557.8 + j 967.42 | 838.085 + j 519.965 |
| VMin (P.U) | - | - | - | - | 0.9719 | 0.9880@15 |
| PLC (Million-$) | - | - | - | - | 0.0201 | 0.00728 |
| PLS (Million-$) | - | - | - | - | 0.0908 | 0.10362 |
| CPDG ($/MWh) | - | - | - | - | 44.161 | 58.0651 |
| CQDG ($/MVArh) | - | - | - | - | 6.94 | 9.1375 |
| AIC (Million-$) | - | - | - | - | 0.46673 | 0.6145 |
| Performance Evaluation Indicators (PEIs) | [34] | [57] | [35] | A3 [30] CPE (C3_NL) | A5 [30] TPE (C3_NL) OPE (C3_NL) |
| DG (KW) @ Bus # D-STATCOM (KVAR) @ Bus # | 1316@9 740@10 | 2491 @ 6 1230@30 | 750 @ 14 420 @ 14 1100 @ 24 460 @ 24 1000 @ 8 970 @ 8 | 869.2 @ 15 421.2 @ 15 1604 @ 30 777.04 @ 30 | 620.5 @ 15 300 @ 15 1442 @ 30 698.3 @ 30 637.5 @ 7 308.73 @ 7 |
| PLoss(KW) | 48.73 | 58 | 15.07 | 27.89 | 19.40 |
| QLoss(KVAR) | - | - | - | 16.20 | 11.09 |
| PLM (%) | 76.9 | 72.51 | 92.56 | 86.52 | 90.63 |
| QLM (%) | - | - | - | 88.44 | 92.09 |
| DG Capacity (KW) | 1316 | 2491 | 2460 | 2473.2 | 2700 |
| D-STATCOM Capacity (KVAR) | 740 | 1230 | 1600 | 1198.24 | 1307.03 |
| DGPP (%) | 34.56 | 67 | 67.2 | 67.56 | 73.77 |
| PSSR + j QSSR | - | - | - | 1770+j 1118 | 1034 + j 1004.1 |
| VMin (P.U) | - | - | 0.9584 | 0.9874 | 0.9900 |
| PLC (Million-$) | - | - | - | 0.0147 | 0.0102 |
| PLS (Million-$) | - | - | - | 0.0962 | 0.1007 |
| CPDG ($/MWh) | - | 50.1 | - | 49.71 | 54.25 |
| CQDG ($/MVArh) | - | 5.2 | - | 4.9558 | 5.3593 |
| AIC (Million-$) | - | - | - | 0.4672 | 0.5099 |
| ACD (Million-$) | - | - | - | 0.01589 | 0.01718 |
| Performance Evaluation Indicators (PEIs) | [34] | [37] | A7 [31] TPE (C4_NL) | A3 [30] CPE (C4_NL) | A5 [30] OPE (C4_NL) |
| DG (KW) @ Bus # D-STATCOM (KVAR) @ Bus # | 1309 @ 7 720 @ 23 | 850 @ 12 400 @ 12 750 @ 25 350 @ 25 860 @ 8 850 @ 8 | 1210 @ 30 750 @ 30 890 @ 25 551.2 @ 25 793.7 @ 8 492 @ 8 | 807.5 @ 15 485 @ 15 1388 @ 30 893 @ 30 | 547 @ 15 338.8 @ 15 1397 @ 30 866 @ 30 606.3 @ 7 376 @ 7 |
| PLoss (KW) | 69.15 | 12 | 16.3 | 27.39 | 17.33 |
| QLoss (KVAR) | - | - | 12.6 | 17.98 | 11.37 |
| PLM (%) | 67.23 | 94.31 | 92.27 | 86.77 | 91.62 |
| QLM (%) | - | - | 91.19 | 87.18 | 91.89 |
| DG Capacity (KW) | 1309 | 2850 | 2893.7 | 2195.5 | 2550.3 |
| D-STATCOM Capacity (KVAR) | 720 | 1850 | 1793.2 | 1378 | 1580.8 |
| DGPP (%) | 34.19 | 76.72 | 77.89 | 60 | 68.67 |
| PSSR + j QSSR | - | - | 838.06 + j 519.4 | 1547 + j940 | 1182 + j730.6 |
| VMin (P.U) | - | 0.9862 | 0.9878 | 0.9859 | 0.9901 |
| PLC (Million-$) | - | - | 0.0086 | 0.0144 | 0.0091 |
| PLS (Million-$) | - | - | 0.1023 | 0.0965 | 0.1018 |
| CPDG ($/MWh) | - | - | 58.07 | 44.16 | 51.25 |
| CQDG ($/MVArh) | - | - | 9.1760 | 7.1574 | 8.0011 |
| AIC (Million-$) | - | - | 0.64653 | 0.4147 | 0.4817 |
| ACD (Million-$) | - | - | 0.02368 | 0.01821 | 0.02077 |
| Performance Evaluation Indicators (PEIs) | [57] | A3CPE (C1_LG) | A6TPE, OPE (C1_LG) | A7TPE (C2_LG) | A3CPE (C2_LG) | A5OPE (C2_LG) |
| DG Size (KVA) @DG Site (Bus) | 4441 @ 6 | 971 @ 15 1783 @ 30 | 894.6 @ 15 1386 @ 30 822.6 @ 25 | 1422 @ 30 1045 @ 25 933.4 @ 8 | 950 @ 15 1633 @ 30 | 828.3 @ 15 1644 @ 30 727.8 @ 7 |
| PLoss (KW) | 146 | 95.35 | 77.621 | 71.17 | 101.56 | 81.44 |
| QLoss (KVAR) | - | 53.664 | 44.204 | 46.64 | 65 | 51.93 |
| PLM (%) | 68.94 | 78.842 | 82.776 | 84.21 | 77.44 | 81.93 |
| QLM (%) | - | 82.42 | 85.51 | 84.72 | 78.69 | 82.98 |
| DG Capacity (KVA) | 4441 | 2754 | 3103.2 | 3400.4 | 2583 | 3200.1 |
| DGPP (%) | 70.81 | 43.802 | 49.131 | 54.22 | 41.18 | 47.83 |
| PSSR + j QSSR | - | 2950 + j2155 | 2618 + j1994 | 2514 + j1557 | 3239 + j2006 | 2694 + j1669 |
| VMin (P.U) | - | 0.9641 | 0.9652 | 0.9597 | 0.9624 | 0.9641 |
| PLC (Million-$) | - | 0.1762 | 0.1361 | 0.1243 | 0.1792 | 0.1349 |
| PLS (Million-$) | - | 0.8284 | 0.8684 | 0.8802 | 0.8254 | 0.8697 |
| CPDG ($/MWh) | 73.6 | 48.80 | 55.77 | 58.07 | 44.16 | 51.26 |
| CQDG ($/MVArh) | 13.7 | 4.8567 | 5.4988 | 9.1375 | 7.1279 | 8.0612 |
| AIC (Million-$) | - | 0.4965 | 0.5569 | 0.6145 | 0.4667 | 0.5421 |
| Performance Evaluation Indicators (PEIs) | [57] | A3CPE (C3_LG) | A6TPE, OPE (C3_LG) | A7TPE (C4_LG) | A3CPE (C4_LG) | A5OPE (C4_LG) |
| DG (KW) @ Bus # D-STATCOM (KVAR) @ Bus # | 3670 @ 6 1770@30 | 869.2 @ 15 421.5 @ 15 1604 @ 30 777.4 @ 30 | 789 @ 15 380.7 @ 15 1247 @ 30 586.2 @ 30 739.6 @ 25 372 @ 25 | 1210 @ 30 750 @ 30 890 @ 25 551.2 @ 25 793.7 @ 8 492 @ 8 | 807.5 @ 15 485.0 @ 15 1388 @ 30 893 @ 30 | 547 @ 15 338.8 @ 15 1397 @ 30 866 @ 30 606.3 @ 7 376 @ 7 |
| PLoss (KW) | 126 | 96.74 | 78.98 | 72.69 | 102.66 | 82.85 |
| QLoss (KVAR) | - | 54.28 | 44.87 | 47.27 | 65.38 | 53.07 |
| PLM (%) | 73.19 | 78.53 | 82.47 | 83.87 | 77.22 | 81.69 |
| QLM (%) | - | 82.21 | 85.29 | 84.51 | 78.58 | 82.61 |
| DG Capacity (KVA) | 3670 | 2473.2 | 2775.6 | 2893.7 | 2195.5 | 2550.3 |
| DGPP (%) | 68.82 | 43.81 | 49.21 | 54.22 | 41.39 | 47.82 |
| PSSR + j QSSR | - | 2957 + j 2158 | 2636+j2008 | 2512+j1556 | 3240 + j1989 | 2866 + j1774 |
| VMin (P.U) | - | 0.9640 | 0.9651 | 0.9595 | 0.9623 | 0.9638 |
| PLC (Million-$) | - | 0.1789 | 0.1398 | 0.1289 | 0.1848 | 0.1373 |
| PLS (Million-$) | - | 0.8256 | 0.8648 | 0.8757 | 0.8198 | 0.8673 |
| CPDG ($/MWh) | 73.6 | 49.71 | 55.76 | 58.07 | 44.16 | 51.25 |
| CQDG ($/MVArh) | 7.3 | 4.948 | 5.6037 | 9.145 | 7.2153 | 8.0446 |
| AIC (Million-$) | - | 0.4672 | 0.5243 | 0.5466 | 0.4147 | 0.4817 |
| ACD (Million-$) | - | 0.01579 | 0.01781 | 0.023616 | 0.01828 | 0.020826 |
| Performance Evaluation Indicators (PEIs) | [57] | A3,CPE (C1_OLG) | A5,TPE, OPE (C1_OLG) | A5,TPE, CPE, OPE (C2_OLG) |
| DG Size (KVA) @DG Site (Bus) | 4441 @ 6 | 1500 @ 15 2300 @ 30 | 980 @ 15 2235 @ 30 1521 @ 7 | 980 @ 15 2235 @ 30 1177 @ 7 |
| PLoss (KW) | 146 | 60.34 | 34.99 | 34.63 |
| QLoss (KVAR) | - | 35.29 | 21.80 | 23.32 |
| PLM (%) | 68.94 | 86.62 | 92.23 | 92.31 |
| QLM (%) | - | 88.43 | 92.86 | 92.36 |
| DG Capacity (KVA) | 4441 | 3800 | 4736 | 4392 |
| DGPP (%) | 70.81 | 60.58 | 75.52 | 70.04 |
| PSSR + j QSSR | - | 1973 + j1681 | 1106 + j1259 | 1634 + j1012 |
| VMin (P.U) | - | 0.9811 | 0.9899 | 0.9878 |
| PLC (Million-$) | - | 0.0317 | 0.0184 | 0.0182 |
| PLS (Million-$) | - | 0.9729 | 0.9862 | 0.9864 |
| CPDG ($/MWh) | 73.6 | 68.65 | 85.51 | 74.94 |
| CQDG ($/MVArh) | 13.7 | 6.8440 | 8.5309 | 11.804 |
| AIC (Million-$) | - | 0.6867 | 0.8559 | 0.7938 |
| Performance Evaluation Indicators (PEIs) | [57] | [36] | [36] | A3CPE (C3_OLG) | A5TPE, OPE (C3_OLG) | A5OPE (C4_OLG) |
| DG (KW) @ Bus # D-STATCOM (KVAR) @ Bus # | 3670 @ 6 1770@30 | 1777.2@30 1123.5 @ 8 | 1829.7@30 689.3 @ 8 | 1269 @ 15 622.0 @ 15 2223 @ 30 1080 @ 30 | 882.73 @ 15 427 @ 15 2011 @ 30 974 @ 30 1369 @ 25 663.02 @ 25 | 833.7 @ 15 516 @ 15 1899 @ 30 1177 @ 30 1000 @ 7 620.2 @ 7 |
| PLoss (KW) | 126 | 233.73 | 235.7 | 58.83 | 36.26 | 36.64 |
| QLoss (KVAR) | - | - | - | 34.39 | 22.37 | 24.02 |
| PLM (%) | 73.19 | 30.35 | 29.94 | 86.95 | 91.95 | 91.87 |
| QLM (%) | - | - | - | 88.73 | 92.66 | 92.13 |
| DG Capacity (KVA) | 3670 | 0 | 0 | 3492 | 4262.73 | 3732.7 |
| D-STATCOM Size (KVAR) | 1770 | 2900.7 | 2519 | 1702 | 2064.02 | 2312.2 |
| DGPP (%) | 68.82 | 0 | 0 | 66.23 | 77.99 | 81.82 |
| PSSR + j QSSR | - | - | - | 1900+j1634 | 1107 + j1260 | 1367+ j1013 |
| VMin (P.U) | - | 0.9447 | 0.94305 | 0.9813 | 0.9898 | 0.9877 |
| PLC (Million-$) | - | 0.122849 | 0.123884 | 0.0309 | 0.0191 | 0.0193 |
| PLS (Million-$) | - | 0.038616 | 0.0396 | 0.9737 | 0.9855 | 0.9853 |
| CPDG ($/MWh) | 73.6 | - | - | 70.09 | 85.53 | 74.94 |
| CQDG ($/MVArh) | 7.3 | - | - | 7.081 | 8.5578 | 11.759 |
| AIC (Million-$) | - | 0.161464 | 0.16349 | 0.6596 | 0.8052 | 0.7051 |
| ACD (Million-$) | - | 0.015374 | 0.01335 | 0.02245 | 0.02728 | 0.030473 |
© 2020 by the authors. Licensee MDPI, Basel, Switzerland. This article is an open access article distributed under the terms and conditions of the Creative Commons Attribution (CC BY) license (http://creativecommons.org/licenses/by/4.0/).
Share and Cite
Kazmi, S.A.A.; Ameer Khan, U.; Ahmad, H.W.; Ali, S.; Shin, D.R. A Techno-Economic Centric Integrated Decision-Making Planning Approach for Optimal Assets Placement in Meshed Distribution Network Across the Load Growth. Energies 2020, 13, 1444. https://doi.org/10.3390/en13061444
Kazmi SAA, Ameer Khan U, Ahmad HW, Ali S, Shin DR. A Techno-Economic Centric Integrated Decision-Making Planning Approach for Optimal Assets Placement in Meshed Distribution Network Across the Load Growth. Energies. 2020; 13(6):1444. https://doi.org/10.3390/en13061444
Chicago/Turabian StyleKazmi, Syed Ali Abbas, Usama Ameer Khan, Hafiz Waleed Ahmad, Sajid Ali, and Dong Ryeol Shin. 2020. "A Techno-Economic Centric Integrated Decision-Making Planning Approach for Optimal Assets Placement in Meshed Distribution Network Across the Load Growth" Energies 13, no. 6: 1444. https://doi.org/10.3390/en13061444
APA StyleKazmi, S. A. A., Ameer Khan, U., Ahmad, H. W., Ali, S., & Shin, D. R. (2020). A Techno-Economic Centric Integrated Decision-Making Planning Approach for Optimal Assets Placement in Meshed Distribution Network Across the Load Growth. Energies, 13(6), 1444. https://doi.org/10.3390/en13061444

