Optimization of Multi-Way Valve Structure in Digital Hydraulic System of Loader
Abstract
:1. Introduction
2. Structure of Digital Hydraulic System
2.1. Working Principle of the Digital Hydraulic System
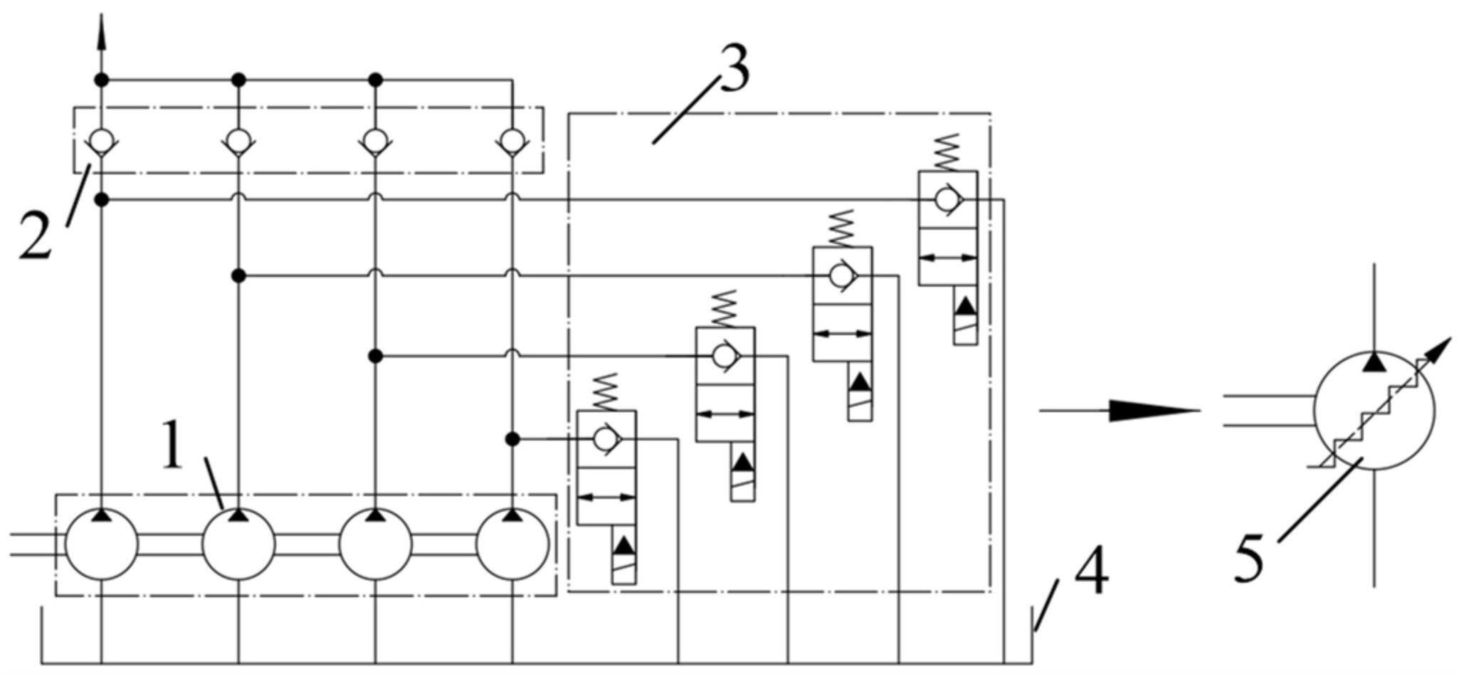
2.2. Working Principle of Loader Digital Hydraulic System
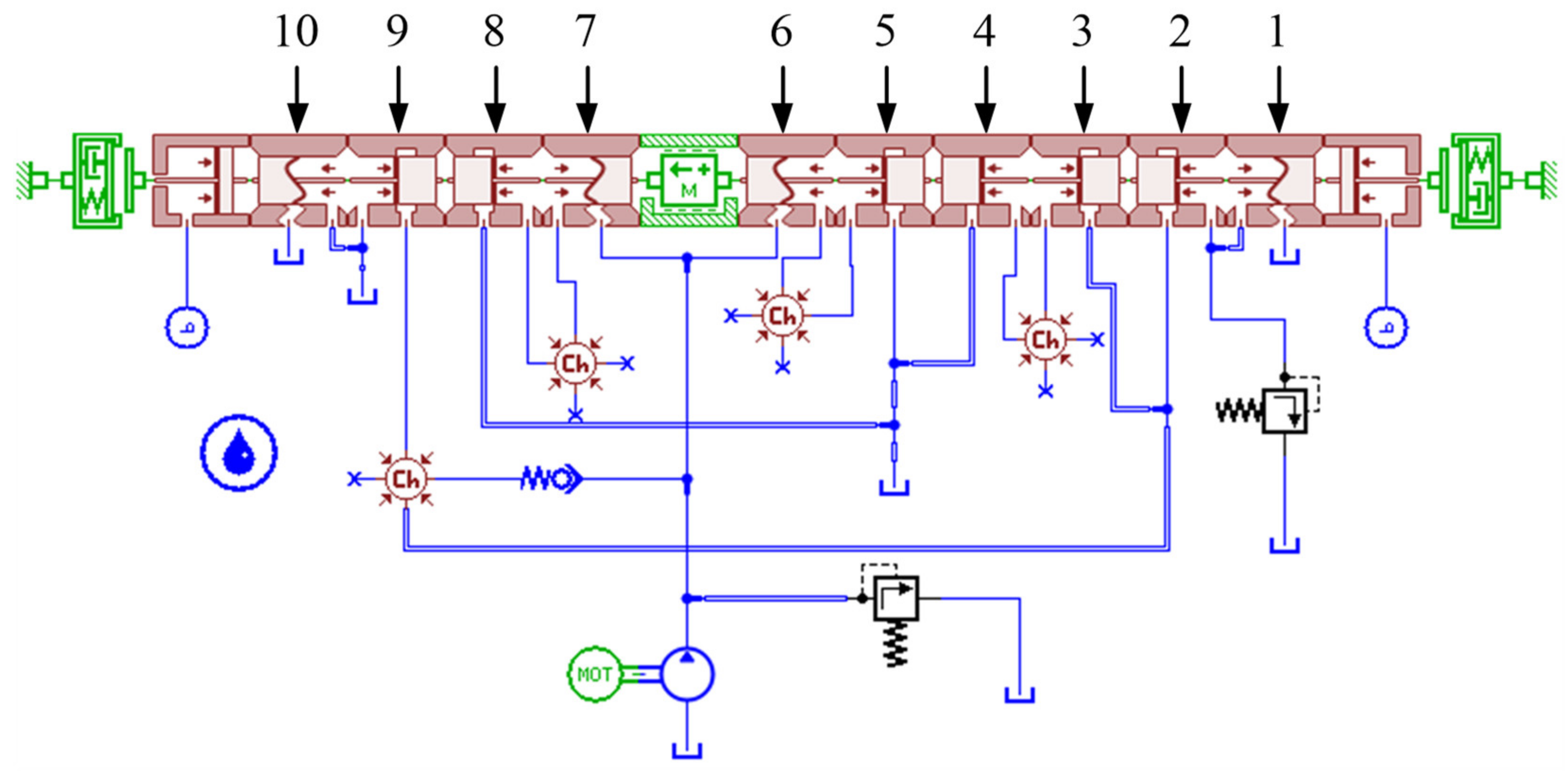
2.3. Structure and Principle of Multi-Way Valve
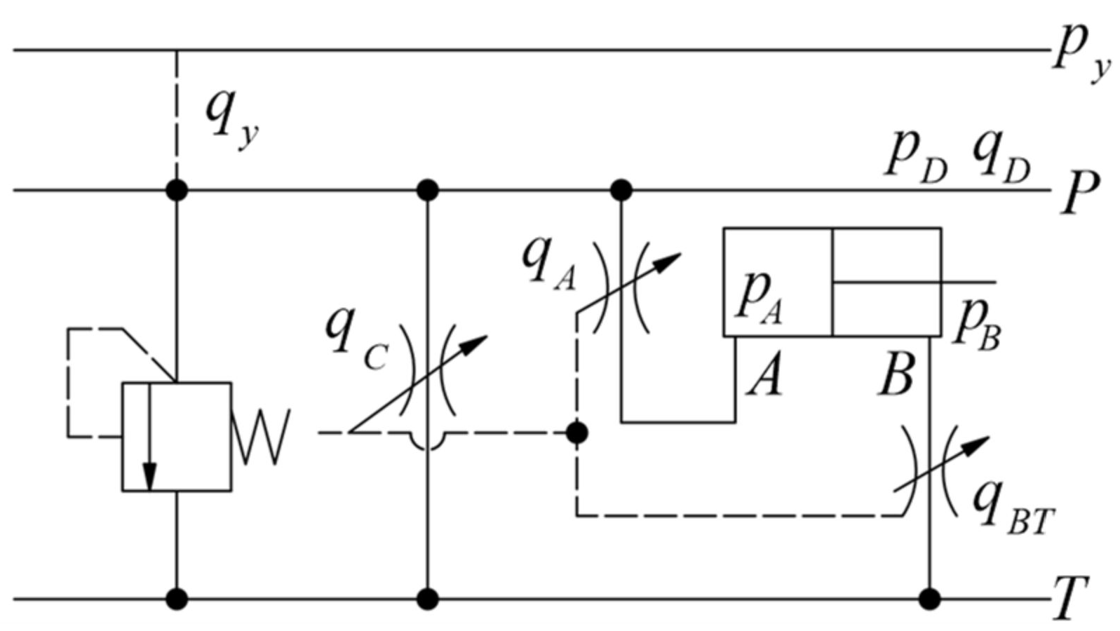
2.4. Flow Distribution and Liquid Resistance Analysis
3. Simulation Model Building and Model Validation
Significance Test
4. Optimization of Valve Port Structure Parameters
4.1. Multi-Objective Optimization
4.1.1. Optimization Problem Formulation
4.1.2. Optimization Method Selection
4.2. Optimization Results
5. Simulation Analysis
5.1. Flow Control Characteristics
5.2. Comparison of Energy Loss
6. Conclusions
Author Contributions
Funding
Conflicts of Interest
References
- Qin, S.C. Thinking on the technical progress of domestic loader. Constr. Mach. 2010, 41, 48–50. [Google Scholar]
- Wang, Y.; Fan, W.D.; Jia, S.T.; Liang, Z.G. Constant variable hydraulic system: The mainstream of loader in the future or the transition to full variable system. Constr. Mach. Technol. Manag. 2015, 28, 58–59. [Google Scholar]
- Linjama, M. Digital Fluid Power-State of the Art. In Proceedings of the Twelfth Scandinavian International Conference on Fluid Power, Tampere, Finland, 18–20 May 2011. [Google Scholar]
- Saeedzadeh, A.; Rezaei, S.M.; Zareinejad, M. Energy-efficient Position Control of an Actuator in a Digital Hydraulic System Using On/Off Valve. In Proceedings of the IEEE 2016 4th International Conference on Robotics and Mechatronics (ICROM), Tehran, Iran, 26–28 October 2016; pp. 34–45. [Google Scholar]
- Gan, Z.Y.; Fry, K.; Gillesoie, R.B.; Remy, C.D. A novel variable transmission with digital hydraulics. In Proceedings of the IEEE 2015 IEEE/RSJ International Conference on Intelligent Robots and Systems (IROS), Hamburg, Germany, 28 September–2 October 2015; pp. 5838–5843. [Google Scholar]
- Shen, W.; Mai, F.; Su, X.Y. A new electric hydraulic actuator adopted the variable displacement pump. Asian J. Control 2016, 18, 178–191. [Google Scholar] [CrossRef]
- Ehsan, M.; Rampen, W.H.S.; Salter, S.H. Modelling of Digital-Displacement Pump-Motors and Their Application as Hydraulic Drives for Nonuniform Loads. J. Dyn. Syst. Meas. Control 2000, 122, 210–215. [Google Scholar] [CrossRef]
- Song, F.; Lou, J.K.; Peng, L.K. Energy-saving improvement and simulation study on digital hydraulic system. In Proceedings of the 2015 International Conference on Advanced Mechatronic Systems (ICAMechS), Beijing, China, 22–24 August 2015. [Google Scholar]
- Wang, L.; Liu, X.H.; Wang, X.; Chen, J.S.; Liang, Y.J. Strategy of Digital Hydraulic Transmission System for Loaders. J. Jilin Univ. (Eng. Tech. Ed.) 2017, 47, 819–826. [Google Scholar]
- HeikkilÄ, M.; Linjama, M. Displacement control of a mobile crane using a digital hydraulic power management system. Mechatronics 2013, 23, 452–461. [Google Scholar] [CrossRef]
- Gong, J.; Zhang, D.; Liu, C.; Zhao, Y.; Hu, P. Power control strategy and performance evaluation of a novel electro-hydraulic energy-saving system. Appl. Energy 2019, 233–234, 724–734. [Google Scholar] [CrossRef]
- Ketonen, M.; Linjama, M. Digital hydraulic IMV system in an excavator—First results. In Proceedings of the Sixteenth Scandinavian International Conference on Fluid Power, Tampere, Finland, 22–24 May 2019. [Google Scholar]
- Budden, J.J.; Williamson, C. Danfoss Digital Displacement Excavator: Test Results and Analysis. In Proceedings of the ASME/BATH 2019 Symposium on Fluid Power and Motion Control, Longboat Key, FL, USA, 7–9 October 2019. [Google Scholar]
- Willianson, C.; Manring, N. A more accurate definition of mechanical and volumetric efficiencies for digital displacement pumps. In Proceedings of the ASME/BATH 2019 Symposium on Fluid Power and Motion Control FPMC2019, Sarasota, FL, USA, 7–9 October 2019; pp. 1–11. [Google Scholar]
- Liu, X.H.; Wang, T.J. Hierarchical Variable System of Multi Gear Pump. Chinese Patent No. 201110107578, 14 December 2011. [Google Scholar]
- Heitzig, S.; Sgro, S.; Theissen, H. Energy efficiency of hydraulic systems with shared digital pumps. Int. J. Fluid Power 2012, 13, 49–57. [Google Scholar] [CrossRef]
- Simic, M.; Herakovic, N. Reduction of the flow forces in a small hydraulic seat valve as alternative approach to improve the valve characteristics. Energy Convers. Manag. 2015, 89, 708–718. [Google Scholar] [CrossRef]
- Amirante, R.; Distaso, E.; Tamburrano, P. Sliding spool design for reducing the actuation forces in direct operated proportional directional valves: Experimental validation. Energy Convers. Manag. 2016, 119, 399–410. [Google Scholar] [CrossRef]
- Yue, H.; Tan, R.H.; Shi, Z.Q. Static mathematical model of multi way valve for 950B wheel loader. J. Hebei Inst. Technol. 1989, 2, 21–30. [Google Scholar]
- Zhang, J.H. Design of Multi Way Valve for Loader and Research on Opening Characteristics of Main Valve Core; Lanzhou University of Technology: Lanzhou, China, 2010. [Google Scholar]
- Chen, J.S. Research on Walking System of Skid Steer Loader; Jilin University: Changchun, China, 2012. [Google Scholar]
- Amirante, R.; Vescovo, G.D.; Lippolis, A. Evaluation of the flow forces on an open centre directional control valve by means of a computational fluid dynamic analysis. Energy Convers. Manag. 2006, 47, 1748–1760. [Google Scholar] [CrossRef]
- Ramesh, M.D.; Tan, Y.A.; Lan, X.K. Optimization of a Hydraulic Valve Design Using CFD Analysis. In Proceedings of the SAE Commercial Vehicle Engineering Conference, Chicago, IL, USA, 1–3 November 2005. [Google Scholar]
- Hopf, H.J.; Kassai, N.; Hopf, A. Multi-Way Valve and Method of Producing Same. U.S. Patent No. 20120103448, 3 May 2012. [Google Scholar]
- Jia, X.F. Research on Matching Characteristics of Pilot Valve and Multi Way Valve of Skid Steer Loader; Jilin University: Changchun, China, 2015. [Google Scholar]
- Hu, S.W. Matching Research on Multi Way Valve Pilot System of Bulldozer; Yanshan University: Qinhuangdao, China, 2016. [Google Scholar]
- Li, W. Simulation Analysis and Optimal Design of Vehicle Shift Regulator; University of Technology: Lanzhou, China, 2019. [Google Scholar]
- Li, J.; Ding, M.H.; Yong, W. Evaluation and optimization of the nonlinear flow controllability of switch valve in vehicle electro-hydraulic brake system. IEEE Access 2018, 6, 31281–31293. [Google Scholar] [CrossRef]
- Li, J.; Ding, M.H.; Huang, J.L.; Huang, L. Evaluation and optimization of the nonlinear flow controllability of on-off soleoid valve. J. Jilin Univ. (Eng. Tec. Ed.) 2019, 49, 325–335. [Google Scholar]
- LI, S.Y. Performance optimization of ball type check valve based on NLPQL. J. Mech. Electr. Eng. 2020, 37, 916–920. [Google Scholar]
- Na, C.L. Calculation of orifice area of triangular groove. J. Gansu Univ. Technol. 1993, 2, 45–48. [Google Scholar]
- Du, J.; Zhao, T.C. Analysis of throttle valve port structure and function. Hydraul. Pneum. 2010, 2, 52–54. [Google Scholar]
- Ji, H.; Zhang, J.H.; Wang, D.S.; Zhang, W.; Liu, X.P. Flow coefficient of rectangular orifice of slide valve. J. Lanzhou Univ. Technol. 2010, 36, 47–50. [Google Scholar]
- Remley, K.A.; Wang, J.; Williams, D. A Significance test for reverberation-chamber measurement uncertainty in total radiated power of wireless devices. IEEE Trans. Electromagn. Compat. 2016, 58, 207–219. [Google Scholar] [CrossRef]
- Aantoio, R.; Alarico, M. Multi-objective optimization of hydro-mechanical power split transmissions. Mech. Mach. Theory 2013, 62, 112–128. [Google Scholar]















| Module Name | Parameter Name | Value |
|---|---|---|
| global variable | spool diameter | 28 mm |
| rod diameter | 16 mm | |
| mass | lower/higher displacement limit | 15 mm/22 mm |
| valve block 1 | underlap corresponding to zero displacement | −4.9 mm |
| name of the port area curve | A-T | |
| valve block2 | underlap corresponding to zero displacement | −4.6 mm |
| valve block3 | underlap corresponding to zero displacement | −1.4 mm |
| valve block4 | underlap corresponding to zero displacement | −0.6 mm |
| valve block5 | underlap corresponding to zero displacement | 2.1 mm |
| valve block6 | underlap corresponding to zero displacement | 11.2 mm |
| name of the port area curve | P-Tright | |
| valve block7 | underlap corresponding to zero displacement | 11.2 mm |
| name of the port area curve | P-Tleft | |
| valve block8 | underlap corresponding to zero displacement | 4.5 mm |
| valve block9 | underlap corresponding to zero displacement | −4.5 mm |
| valve block10 | underlap corresponding to zero displacement | −3 mm |
| name of the port area curve | B-T |
| Group | Average | Variance |
|---|---|---|
| Simulation group | 153.3442137 | 11,003.64755 |
| Experiment group | 148.9963911 | 11,965.4684 |
| Source of Difference | MS | F | |
|---|---|---|---|
| Between groups | 9461.23 | 0.823822087 | 3.846112563 |
| Same group | 11484.55 |
| Design Variable | Variable Name | Original Value/m | Variable Upper Limit/m | Variable Lower Limit/m |
|---|---|---|---|---|
| a | length of triangular groove | 0.0047 | 0.0047 | 0.011 |
| b | width of triangular groove | 0.010 | 0.002 | 0.010 |
| h | depth of triangular groove | 0.0037 | 0.001 | 0.008 |
| Underlap Corresponding to Zero Displacement/mm | a/mm | b/mm | h/mm | Comprehensive Performance Index | Optimization Quantity | |
|---|---|---|---|---|---|---|
| Before optimization | 11.2 | 4.7 | 10 | 6.8 | 1.728 | - |
| After optimization (Triangular groove) | 14 | 11 | 3.03 | 3.92 | 1.456 | 15.7% |
| After optimization (U-shaped groove) | 11.9 | 8.9 | 2.24 | 1.22 | 1.675 | 3.04% |
| After optimization (L-shaped groove) | 12.6 | 9.6 | 2.23 | 1.02 | 1.439 | 16.7% |
Publisher’s Note: MDPI stays neutral with regard to jurisdictional claims in published maps and institutional affiliations. |
© 2021 by the authors. Licensee MDPI, Basel, Switzerland. This article is an open access article distributed under the terms and conditions of the Creative Commons Attribution (CC BY) license (http://creativecommons.org/licenses/by/4.0/).
Share and Cite
Li, C.; Liu, X.; Wang, X.; Chen, J.; Wang, Y. Optimization of Multi-Way Valve Structure in Digital Hydraulic System of Loader. Energies 2021, 14, 700. https://doi.org/10.3390/en14030700
Li C, Liu X, Wang X, Chen J, Wang Y. Optimization of Multi-Way Valve Structure in Digital Hydraulic System of Loader. Energies. 2021; 14(3):700. https://doi.org/10.3390/en14030700
Chicago/Turabian StyleLi, Chunshuang, Xinhui Liu, Xin Wang, Jinshi Chen, and Yuqi Wang. 2021. "Optimization of Multi-Way Valve Structure in Digital Hydraulic System of Loader" Energies 14, no. 3: 700. https://doi.org/10.3390/en14030700
APA StyleLi, C., Liu, X., Wang, X., Chen, J., & Wang, Y. (2021). Optimization of Multi-Way Valve Structure in Digital Hydraulic System of Loader. Energies, 14(3), 700. https://doi.org/10.3390/en14030700

