An Appropriate Index to Assess the Global Cancellation Level of the Harmonic Currents Consumed by a Set of Single-Phase Uncontrolled Rectifiers and a Set of Fluorescent Lamps
Abstract
1. Introduction
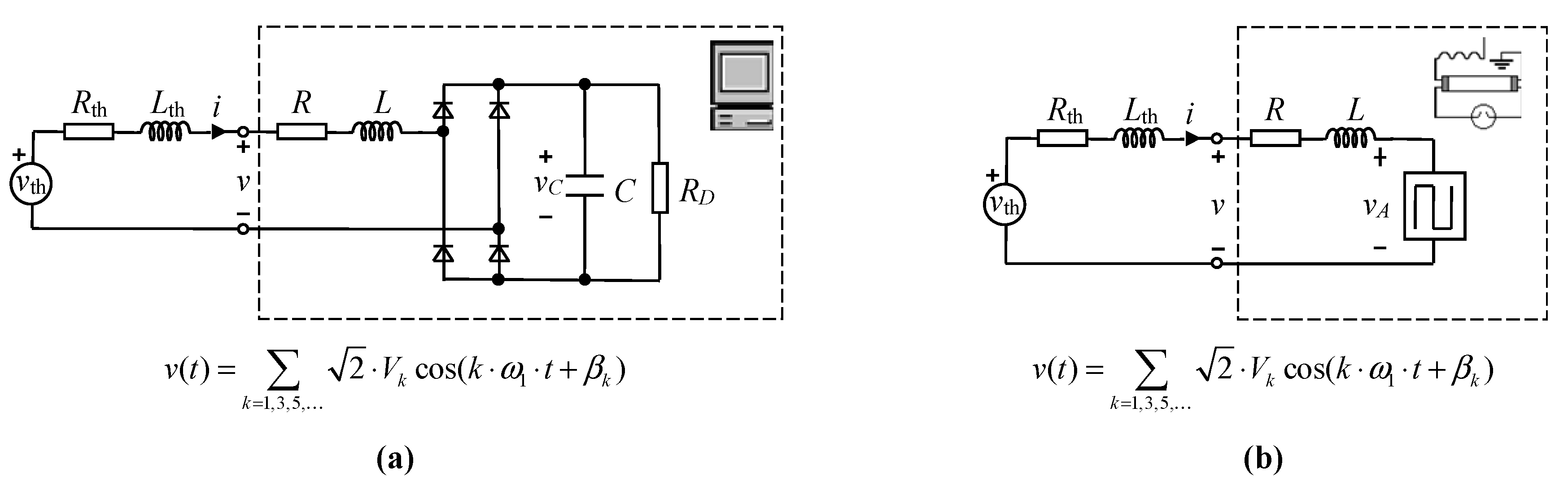
2. Single-Phase Uncontrolled Rectifiers and Fluorescent Lamps
2.1. Non-Linear Load Modeling
2.1.1. Single-Phase Uncontrolled Rectifier
2.1.2. Fluorescent Lamp
2.2. Non-Linear Load Fundamental and Harmonic Currents
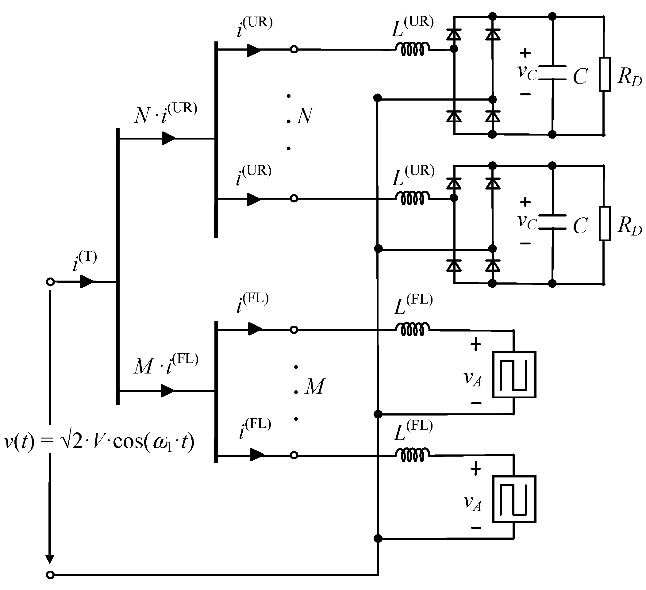
3. Power System Model
- The PC and FL wall outlet circuits are connected to a common stiff bus in parallel supplied by a sinusoidal voltage [6]. The supply voltage assumption is reasonable given the relative independence of harmonic current reduction due to diversity from voltage distortion [7] and the voltage distortion levels in current distribution systems (approximately 2–3%) [41].
- A set of N identical PCs and a set of M identical FLs are considered since harmonic cancellation due to differences in the parameters of the N PCs or of the M FLs is not significant (i.e., the reduction of the total harmonic current consumed by N PCs with different parameters or by M FLs with different parameters is mainly due to the attenuation effect) [7,46].
4. Cancellation Study of Harmonic Currents
4.1. Graphical Study
- The zone where 150 ≤ Δϕh (°) ≤ 180 remains unchanged when Δp(FL) varies, covering the whole range of xL,N. On the other hand, the whole range of vA,N is covered by this zone only for the seventh and ninth harmonic orders.
- The zone where 50 ≤ ΔIh (%) ≤ 100 covers the whole range of vA,N and moves from high values of xL,N to low values when Δp(FL) increases.
- Practically the whole zone where 0 ≤ DFh (%) ≤ 30 is contained in the intersection of the two previous zones in all the plots. Therefore, like the zone where 50 ≤ ΔIh (%) ≤ 100, it moves from high to low values of xL,N when Δp(FL) increases.
4.2. Optimization Study
- The higher the harmonic order, h, the lower the optimal argument Δp(FL) and the shorter the Ĩh,N(FL) phasors associated with the optimum of the corresponding reformulated optimization problem min DFh. These shorter Ĩh,N(FL) phasors are located within sets of also shorter feasible Ĩh,N(FL) phasors.
- Total cancellation of any of the h-th harmonic currents considered in the study is possible, but total global cancellation of all of them is impossible.
- Only total cancellation of the third or seventh harmonic currents leads to high global cancellation of the harmonic currents.
- High cancellations of the third and seventh harmonic currents, with higher cancellation of the harmonic current with the lowest harmonic order, lead to the highest global cancellation of the harmonic currents.
- Total cancellation of any of the h-th harmonic currents considered in the study does not imply the highest global cancellation of the harmonic currents.
- The highest global cancellation of the harmonic currents does not imply total cancellation of any of the h-th harmonic currents considered in the study.
5. Some Remarks on the Performed Cancellation Study
6. Conclusions
- The TDF globally summarizes, in a weighted manner, what the individual DFh indicate, demonstrating the suitability of the TDF.
- By using a global optimization numerical method such as ECAM, the TDF can be used to find optimal values of the UR and FL invariants, as well as optimal M/N ratios, which is of interest from a practical point of view. The optimization study that made it possible to obtain them demonstrates the usefulness of the TDF.
Author Contributions
Funding
Institutional Review Board Statement
Informed Consent Statement
Data Availability Statement
Conflicts of Interest
Appendix A. Cancellation of the Harmonic Currents

Appendix B. Generalization of the Total Diversity Factor of the Harmonic Currents
References
- Teixeira, M.D.; de Oliveira, J.C.; Medeiros, C.A.G.; de Oliveira, J.C.; Teixeira, G.S. A Power Quality Comparative Analysis Related to Electronic and Electromagnetic Fluorescent Ballast Operation. In Proceedings of the 10th IEEE International Conference on Harmonics and Quality of Power (ICHQP), Rio de Janeiro, Brazil, 6–9 October 2002; pp. 424–429. [Google Scholar]
- Emanuel, A.E.; Janczak, J.; Pileggi, D.J.; Gulachenski, E.M.; Breen, M.; Gentile, T.J.; Sorensen, D. Distribution feeders with nonlinear loads in the northeast U.S.A.: Part I—Voltage distortion forecast. IEEE Trans. Power Deliv. 1995, 10, 340–347. [Google Scholar] [CrossRef]
- Mansoor, A.; Grady, W.M. Analysis of Compensation Factors Influencing the Net Harmonic Current Produced by Single-Phase Non-Linear Loads. In Proceedings of the 8th IEEE International Conference on Harmonics and Quality of Power (ICHQP), Athens, Greece, 14–16 October 1998; pp. 883–889. [Google Scholar]
- Mansoor, A. Lower Order Harmonic Cancellation: Impact of Low-Voltage Network Topology. In Proceedings of the IEEE Power Engineering Society Winter Meeting (PESWM), New York, NY, USA, 31 January–4 February 1999; pp. 1106–1109. [Google Scholar]
- Ngandui, É.; Paraiso, D. Line and Neutral Current Harmonics Characteristics in Three-Phase Computer Power Systems. In Proceedings of the IEEE Canadian Conference on Electrical and Computer Engineering (CCECE), Niagara Falls, ON, Canada, 2–5 May 2004; pp. 1659–1664. [Google Scholar]
- Mansoor, A.; Grady, W.M.; Chowdhury, A.H.; Samotyj, M.J. An investigation of harmonics attenuation and diversity among distributed single-phase power electronic loads. IEEE Trans. Power Deliv. 1995, 10, 467–473. [Google Scholar] [CrossRef]
- Mansoor, A.; Grady, W.M.; Staats, P.T.; Thallam, R.S.; Doyle, M.T.; Samotyj, M.J. Predicting the net harmonic currents produced by large numbers of distributed single-phase computer loads. IEEE Trans. Power Deliv. 1995, 10, 2001–2006. [Google Scholar] [CrossRef]
- Grady, W.M.; Mansoor, A.; Fuchs, E.F.; Verde, P.; Doyle, M. Estimating the Net Harmonic Currents Produced by Selected Distributed Single-Phase Loads: Computers, Televisions, and Incandescent Light Dimmers. In Proceedings of the IEEE Power Engineering Society Winter Meeting (PESWM), New York, NY, USA, 27–31 January 2002; pp. 1090–1094. [Google Scholar]
- Moore, P.J.; Portugués, I.E. The influence of personal computer processing modes on line current harmonics. IEEE Trans. Power Deliv. 2003, 18, 1363–1368. [Google Scholar] [CrossRef]
- Hansen, S.; Nielsen, P.; Blaabjerg, F. Harmonic cancellation by mixing nonlinear single-phase and three-phase loads. IEEE Trans. Ind. Appl. 2000, 36, 152–159. [Google Scholar] [CrossRef]
- Capasso, A.; Lamedica, R.; Prudenzi, A. Estimation of Net Harmonic Currents Due to Dispersed Non-Linear Loads within Residential Areas. In Proceedings of the 8th IEEE International Conference on Harmonics and Quality of Power (ICHQP), Athens, Greece, 14–16 October 1998; pp. 700–705. [Google Scholar]
- El-Saadany, E.F.; Salama, M.M.A. Reduction of the net harmonic current produced by single-phase non-linear loads due to attenuation and diversity effects. Int. J. Electr. Power Energy Syst. 1998, 20, 259–268. [Google Scholar] [CrossRef]
- Nassif, A.B.; Acharya, J. An Investigation on the Harmonic Attenuation Effect of Modern Compact Fluorescent Lamps. In Proceedings of the 13th IEEE International Conference on Harmonics and Quality of Power (ICHQP), Wollongong, NSW, Australia, 28 September–1 October 2008; pp. 1–6. [Google Scholar]
- Elhenawy, A.A.E.; Sayed, M.M.; Gilany, M.I. Harmonic Cancellation in Residential Buildings. In Proceedings of the 20th International Middle East Power Systems Conference (MEPCON), Cairo, Egypt, 18–20 December 2018; pp. 346–351. [Google Scholar]
- Mesas, J.J.; Sainz, L.; Sala, P. Statistical study of personal computer cluster harmonic currents from experimental measurements. Electr. Power Compon. Syst. 2015, 43, 56–68. [Google Scholar] [CrossRef]
- Rawa, M.J.H.; Thomas, D.W.P.; Sumner, M. Harmonics Attenuation of Nonlinear Loads Due to Linear Loads. In Proceedings of the IEEE Asia-Pacific Symposium on Electromagnetic Compatibility (APEMC), Singapore, 21–24 May 2012; pp. 829–832. [Google Scholar]
- Meyer, J.; Schegner, P.; Heidenreich, K. Harmonic Summation Effects of Modern Lamp Technologies and Small Electronic Household Equipment. In Proceedings of the 21st International Conference on Electricity Distribution (CIRED), Frankfurt, Germany, 6–9 June 2011; Paper 0755. pp. 1–4. [Google Scholar]
- Ćuk, V.; Cobben, J.F.G.; Kling, W.L.; Ribeiro, P.F. Analysis of harmonic current summation based on field measurements. IET Gener. Transm. Distrib. 2013, 7, 1391–1400. [Google Scholar] [CrossRef]
- Blanco, A.M.; Meyer, J.; Schegner, P. Calculation of Phase Angle Diversity for Time-Varying Harmonic Currents from Grid Measurement. In Proceedings of the 12th EA4EPQ International Conference on Renewable Energies and Power Quality (ICREPQ), Córdoba, Spain, 8–10 April 2014; pp. 790–795. [Google Scholar]
- Ahmed, E.E.; Xu, W.; Zhang, G. Analyzing systems with distributed harmonic sources including the attenuation and diversity effects. IEEE Trans. Power Deliv. 2005, 20, 2602–2612. [Google Scholar] [CrossRef]
- Ćuk, V.; Cobben, J.F.G.; Kling, W.L.; Timens, R.B. An Analysis of Diversity Factors Applied to Harmonic Emission Limits for Energy Saving Lamps. In Proceedings of the 14th IEEE International Conference on Harmonics and Quality of Power (ICHQP), Bergamo, Italy, 26–29 September 2010; pp. 1–6. [Google Scholar]
- Suárez, J.A.; Di Mauro, G.F.; Anaut, D.; Agüero, C. Análisis de la distorsión armónica y los efectos de atenuación y diversidad en áreas residenciales. IEEE Lat. Am. Trans. 2005, 3, 429–435. [Google Scholar]
- Hegazy, Y.G.; Salama, M.M.A. Calculations of diversified harmonic currents in electric distribution systems. IEE Proc.—Gener. Transm. Distrib. 2003, 150, 651–658. [Google Scholar] [CrossRef]
- Hegazy, Y.G.; Salama, M.M.A. Calculations of Diversified Harmonic Currents in Multiple Converter Systems. In Proceedings of the IEEE Power Engineering Society Summer Meeting (PESSM), Seattle, WA, USA, 16–20 July 2000; pp. 727–731. [Google Scholar]
- Djokic, S.Z.; Collin, A.J. Cancellation and Attenuation of Harmonics in Low Voltage Networks. In Proceedings of the 16th IEEE International Conference on Harmonics and Quality of Power (ICHQP), Bucharest, Romania, 25–28 May 2014; pp. 137–141. [Google Scholar]
- Collin, A.J.; Cresswell, C.E.; Djokic, S.Z. Harmonic Cancellation of Modern Switch-Mode Power Supply Load. In Proceedings of the 14th IEEE International Conference on Harmonics and Quality of Power (ICHQP), Bergamo, Italy, 26–29 September 2010; pp. 1–9. [Google Scholar]
- Collin, A.J.; Djokic, S.Z.; Cresswell, C.E.; Blanco, A.M.; Meyer, J. Cancellation of Harmonics between Groups of Modern Compact Fluorescent Lamps. In Proceedings of the International Symposium on Power Electronics, Electrical Drives, Automation and Motion (SPEEDAM), Ischia, Italy, 18–20 June 2014; pp. 1190–1194. [Google Scholar]
- Blanco, A.M.; Stiegler, R.; Meyer, J. Power Quality Disturbances Caused by Modern Lighting Equipment (CFL and LED). In Proceedings of the IEEE Power Tech Conference (PTC), Grenoble, France, 16–20 June 2013; pp. 1–6. [Google Scholar]
- Eisenmann III, F.G.; Parsons, A.C.; Grady, W.M. A Study of Harmonic Current Cancellation in a Semiconductor Fabrication Plant. In Proceedings of the 7th IEEE International Conference on Harmonics and Quality of Power (ICHQP), Las Vegas, NV, USA, 16–18 October 1996; pp. 534–541. [Google Scholar]
- Meyer, J.; Blanco, A.M.; Domagk, M.; Schegner, P. Assessment of prevailing harmonic current emission in public low-voltage networks. IEEE Trans. Power Deliv. 2017, 32, 962–970. [Google Scholar] [CrossRef]
- Nassif, A.B.; Yong, J.; Xu, W.; Chung, C.Y. Indices for comparative assessment of the harmonic effect of different home appliances. Int. Trans. Electr. Energy Syst. 2013, 23, 638–654. [Google Scholar] [CrossRef]
- Embriz-Santander, E.; Domijan, A.; Williams, C.W. A comprehensive harmonic study of electronic ballasts and their effect on a utility’s 12 kV, 10 MVA feeder. IEEE Trans. Power Deliv. 1995, 10, 1591–1599. [Google Scholar] [CrossRef]
- Mansoor, A.; Grady, W.M.; Thallam, R.S.; Doyle, M.T.; Krein, S.D.; Samotyj, M.J. Effect of supply voltage harmonics on the input current of single-phase diode bridge rectifier loads. IEEE Trans. Power Deliv. 1995, 10, 1416–1422. [Google Scholar] [CrossRef]
- Gorgette, F.A.; Lachaume, J.; Grady, W.M. Statistical summation of the harmonic currents produced by a large number of single-phase variable speed air conditioners: A study of three specific designs. IEEE Trans. Power Deliv. 2000, 15, 953–959. [Google Scholar] [CrossRef]
- El-Saadany, E.F.; Salama, M.M.A. Effect of interactions between voltage and current harmonics on the net harmonic current produced by single-phase non-linear loads. Electr. Power Syst. Res. 1997, 40, 155–160. [Google Scholar] [CrossRef]
- Maswood, A.I.; Jun, Z. Attenuation and Diversity Effect in Harmonic Current Propagation Study. In Proceedings of the IEEE Power Engineering Society General Meeting (PESGM), Toronto, ON, Canada, 13–17 July 2003; pp. 1480–1485. [Google Scholar]
- Blanco, A.M.; Yanchenko, S.; Meyer, J.; Schegner, P. The impact of supply voltage distortion on the harmonic current emission of non-linear loads. DYNA 2015, 82, 150–159. [Google Scholar] [CrossRef]
- Blanco, A.M.; Gupta, M.; Gil de Castro, A.; Rönnberg, S.; Meyer, J. Impact of Flat-Top Voltage Waveform Distortion on Harmonic Current Emission and Summation of Electronic Household Appliances. In Proceedings of the 16th EA4EPQ International Conference on Renewable Energies and Power Quality (ICREPQ), Salamanca, Spain, 21–23 March 2018; pp. 698–703. [Google Scholar]
- Blanco, A.M.; Yanchenko, S.; Meyer, J.; Schegner, P. Impact of Supply Voltage Distortion on the Harmonic Emission of Electronic Household Equipment. In Proceedings of the VII Simposio Internacional sobre Calidad de la Energía Eléctrica (SICEL), Medellín, Colombia, 27–29 November 2013; pp. 1–8. [Google Scholar]
- Bhattacharyya, S.; Myrzik, J.; Kling, W.; Cobben, S.; van Casteren, J. Harmonic Current Interaction at a Low Voltage Customer’s Installation. In Proceedings of the 10th IEEE International Conference on Electrical Power Quality and Utilisation (EPQU), Lodz, Poland, 15–17 September 2009; pp. 1–6. [Google Scholar]
- Sainz, L.; Mesas, J.J.; Ferrer, A. Characterization of non-linear load behavior. Electr. Power Syst. Res. 2008, 78, 1773–1783. [Google Scholar] [CrossRef]
- Mayordomo, J.G.; Hernández, A.; Asensi, R.; Beites, L.F.; Izzeddine, M. A Unified Theory of Uncontrolled Rectifiers, Discharge Lamps and Arc Furnaces. Part I: An Analytical Approach for Normalized Harmonic Emission Calculations. In Proceedings of the 8th IEEE International Conference on Harmonics and Quality of Power (ICHQP), Athens, Greece, 14–16 October 1998; pp. 740–748. [Google Scholar]
- Sainz, L.; Mesas, J.J.; Herraiz, S. Study of Harmonic Cancellation between AC/DC Converter Currents. In Proceedings of the 11th IEEE International Conference on Harmonics and Quality of Power (ICHQP), Lake Placid, NY, USA, 12–15 September 2004; pp. 148–153. [Google Scholar]
- Mesas, J.J.; Sainz, L.; Molina, J. Parameter estimation procedure for models of single-phase uncontrolled rectifiers. IEEE Trans. Power Deliv. 2011, 26, 1911–1919. [Google Scholar] [CrossRef]
- Mesas, J.J.; Sainz, L.; Ferrer, A. Deterministic and stochastic assessment of the harmonic currents consumed by discharge lamps. Electr. Power Syst. Res. 2011, 81, 10–18. [Google Scholar] [CrossRef]
- Dwyer, R.; Khan, A.K.; McGranaghan, M.; Tang, L.; McCluskey, R.K.; Sung, R.; Houy, T. Evaluation of harmonic impacts from compact fluorescent lights on distribution systems. IEEE Trans. Power Syst. 1995, 10, 1772–1779. [Google Scholar] [CrossRef]
- Yong, J.; Nassif, A.B.; Xu, W. Effect of voltage crest shape on the harmonic amplification and attenuation of diode-bridge converter-based loads. IET Gener. Transm. Distrib. 2011, 5, 1033–1041. [Google Scholar] [CrossRef]
- Malagón, G.; Bello, J.; Almeida, C.F.M.; Duarte, C.; Kagan, N.; Ordóñez, G. An Investigation on Harmonic Attenuation-Amplification Effect on Home Appliances Branch Circuits. In Proceedings of the IX Simposio Internacional Sobre Calidad de la Energía Eléctrica (SICEL), Bucaramanga, Colombia, 1–3 November 2017; pp. 1–7. [Google Scholar]
- Beliakov, G. Extended cutting angle method of global optimization. Pac. J. Optim. 2008, 4, 153–176. [Google Scholar]
- Beliakov, G.; Ugon, J. Implementation of novel methods of global and nonsmooth optimization: GANSO programming library. Optimization 2007, 56, 543–546. [Google Scholar] [CrossRef][Green Version]








| Commercial Installations | Residential Installations | |
|---|---|---|
| 1-phase NLLs | Office equipment:
| Entertainment and work equipment:
|
| 3-phase NLLs | HVAC equipment:
| HVAC equipment:
|
| Optimization Problem | min | arg min | ||
|---|---|---|---|---|
| xL,N | vA,N | Δp(FL) | ||
| min DF3 | 0% | 6.53% | 44.98% | 77.89% |
| min DF5 | 0% | 5.48% | 2.26% | 76.06% |
| min DF7 | 0% | 6.66% | 41.98% | 74.36% |
| min DF9 | 0% | 6.21% | 66.55% | 63.27% |
| min TDF | 28.03% | 10% | 39.74% | 73.58% |
| Optimization Problem | DF3 | DF5 | DF7 | DF9 | TDF |
|---|---|---|---|---|---|
| min DF3 | 0% | 98.37% | 15.5% | 96.68% | 29.1% |
| min DF5 | 71.65% | 0% | 97.91% | 63.76% | 69.36% |
| min DF7 | 11.57% | 96.6% | 0% | 99.2% | 29.89% |
| min DF9 | 48.63% | 85.63% | 91.61% | 0% | 53.68% |
| min TDF | 2.69% | 99.7% | 28.92% | 81.09% | 28.03% |
Publisher’s Note: MDPI stays neutral with regard to jurisdictional claims in published maps and institutional affiliations. |
© 2022 by the authors. Licensee MDPI, Basel, Switzerland. This article is an open access article distributed under the terms and conditions of the Creative Commons Attribution (CC BY) license (https://creativecommons.org/licenses/by/4.0/).
Share and Cite
Mesas, J.J.; Sainz, L.; Monjo, L.; Pedra, J. An Appropriate Index to Assess the Global Cancellation Level of the Harmonic Currents Consumed by a Set of Single-Phase Uncontrolled Rectifiers and a Set of Fluorescent Lamps. Energies 2022, 15, 4315. https://doi.org/10.3390/en15124315
Mesas JJ, Sainz L, Monjo L, Pedra J. An Appropriate Index to Assess the Global Cancellation Level of the Harmonic Currents Consumed by a Set of Single-Phase Uncontrolled Rectifiers and a Set of Fluorescent Lamps. Energies. 2022; 15(12):4315. https://doi.org/10.3390/en15124315
Chicago/Turabian StyleMesas, Juan José, Luis Sainz, Lluís Monjo, and Joaquín Pedra. 2022. "An Appropriate Index to Assess the Global Cancellation Level of the Harmonic Currents Consumed by a Set of Single-Phase Uncontrolled Rectifiers and a Set of Fluorescent Lamps" Energies 15, no. 12: 4315. https://doi.org/10.3390/en15124315
APA StyleMesas, J. J., Sainz, L., Monjo, L., & Pedra, J. (2022). An Appropriate Index to Assess the Global Cancellation Level of the Harmonic Currents Consumed by a Set of Single-Phase Uncontrolled Rectifiers and a Set of Fluorescent Lamps. Energies, 15(12), 4315. https://doi.org/10.3390/en15124315

