Abstract
Power systems are subjected to a wide range of disturbances during daily operations. Severe disturbances, such as a loss of a large generator, a three-phase bolted fault on a generator bus, or a loss of a transmission line, can lead to the loss of synchronism of a generator or group of generators. The ability of a power system to maintain synchronism during the few seconds after being subjected to a severe disturbance is known as transient stability. Most of the modern methods of controlling transient stability involve special protection schemes or remedial action schemes. These special protection schemes sense predetermined system conditions and take corrective actions, such as generator tripping or generation re-dispatch, in real time to maintain transient stability. Another method is the use of a real-time feedback control system to modulate the output of an actuator in response to a signal. This paper provides a fundamental evaluation of the use of feedback control strategies to improve transient stability in a power system. An optimal feedback control strategy that modulates the real power injected and absorbed by distributed energy-storage devices is proposed. Its performance is evaluated on a four-machine power system and on a 34-machine reduced-order model of the Western North American Power System. The result shows that the feedback control strategy can increase the critical fault clearing time by 60%, thereby improving the transient stability of the power system.
1. Introduction
Today’s electric grids are one of the most complex networks in the world. Electric power is generated by several generators and is transmitted over hundreds of thousands of miles on transmission lines to various consumers. An example is the Western North American Power System (WNAPS), also known as the Western Interconnection. The Western Interconnection is one of the largest electric power grids in North America, serving a population of over 80 million. It spans over the Canadian provinces of British Columbia and Alberta, 14 states in the USA, and the northern portion of Baja California in Mexico. The stability of the grid is fundamental for the delivery of reliable power to its industrial, commercial, and residential customers. Power systems are always subjected to a wide range of disturbances, such as load changes, loss of a large generator, and a short circuit on a transmission line. These disturbances affect the stability of the grid. Large disturbances rarely occur, but when they do, it can lead to the loss of synchronism among generators and damaging of delicate power system equipment, and, more importantly, create widespread power outage resulting in huge economic consequences [1]. In the USA, the North American Electric Reliability Corporation (NERC) sets standards and requirements to ensure that the grid remains stable and reliable. In the Western Interconnection, these requirements are enforced by the Western Electricity Coordinating Council (WECC).
The ability of synchronous machines in an interconnected power system to remain in synchronism after it has been subjected to a large disturbance is known as transient stability [2]. Transient stability is a major concern for power system planning engineers, because it affects the reliability of any power system. One interesting way to view the problem of transient stability is by describing the mechanical system shown in Figure 1. In this system, a car, a bus, and three loads are all connected together with a spring and are all moving in synchronism on the freeway at a speed of 60 miles per hour. Now, what happens to the system if the car hits a deer? What happens if one or more of the springs are cut? Will all the elements of the system continue moving at a synchronized speed? The ability of the system to remain synchronized after it has been disturbed (by a deer or by a broken spring) defines the transient stability of the system.
Figure 1.
A mechanical system.
In conventional power systems, transient stability analysis is usually worked out locally and offline. Potential contingencies that can affect the transient stability of a system are simulated, and a strategy table is created based on the pre-fault mode of operation. When the system goes unstable, control devices search the control strategy table for the corresponding control measures to be taken to return the system to stability [3]. These control actions are called remedial action schemes (RASs). Common actions taken by an RAS includes generator tripping and generation re-dispatch [4,5]. Tripping schemes may become difficult to implement because of the inertia reduction associated with the increase in inverted-based and distributed generation. Other control methods that have been studied in the literature to improve transient stability include high-speed excitation [6], coordinated operation of fast-valving [7], regulated series compensation [8,9,10], load shedding [11], and dynamic braking [12,13,14,15,16,17,18,19].
A much less common scheme is the use of a real-time feedback control system to modulate the output of an actuator in response to a signal. Usually, this involves an actuator injecting or absorbing real power into a network in response to a feedback signal.The use of a thyristor-controlled resistor to enhance transient stability has been studied [12,20]. These works focus on improving transient stability by dampening the swing of synchronous machines. In [21], the effect of using machine acceleration as a feedback signal in a real-power injection control scheme is presented. In [22], a feedback control strategy based on local and center-of inertia frequency measurements is explored, and in [23], a critical review of research on real power modulation strategies for transient stability control is provided.
This paper provides a fundamental evaluation of the use of feedback control strategies to improve transient stability in a one-machine infinite bus (OMIB) power system. An optimal feedback control strategy that modulates the real power injected and absorbed by distributed energy-storage devices (ESD) is proposed. The ESD is modeled as an ideal energy storage device to understand the capabilities and help drive the requirements of energy storage systems for transient stability applications. The ESDs are located at the high-voltage bus of the generators in the system. Unique contributions in this paper include the following:
- An examination of feedback control strategies from the viewpoint of phase-plane analysis. This examination provides guidance on what electrical signals are most effective as feedback signals.
- A control strategy derived from two perspectives. The first is based on the well-established equal-area-criterion and energy function approach, with the control objective of removing as much kinetic energy gained during a disturbance as quickly as possible before it is converted to potential energy. With the second, an optimal control cost-function is minimized.
The performance of the proposed control strategy is evaluated on a four-machine power system model and on a 34-generator reduced-order model of the Western North American grid.
The paper is structured as follows; Section 2 gives a fundamental analysis of transient stability using phase-plane plots and the equal area criterion. In Section 3, feedback control strategies for improving transient stability are introduced. The two perspectives for the proposed controller are presented in Section 4. The proposed controller is described in Section 5. Simulation results from the four-machine power system and the reduced-order model of the WNAPS are presented in Section 6. Section 7 gives a general discussion and highlights shortcomings and future works. Finally, Section 8 provides a conclusion.
2. Fundamental Analysis of Transient Stability
The dynamics of a classical generator are approximately represented by the swing equation. It is the starting point for transient stability studies. It also captures the essential features of the generator’s behavior with regard to the transient stability problem. The swing equation describes the relationship between the rotor angle and the accelerating power of a synchronous machine connected to an infinite bus (Figure 2), and it is given as
such that;
where H is the inertia, is the synchronous speed, is angular position of the generator’s rotor with respect to a synchronizing rotating reference frame, and are the input mechanical power and the output electrical power of the generator, is the accelerating power, is the speed of the generator, is the maximum electrical power of the generator, is the voltage magnitude at the infinite bus, is the voltage magnitude at the generator bus terminal, and X is the total line impedance between the generator and the infinite bus. When the system is in a steady state, the input mechanical power is equal to the output electrical power of the generator, hence . However, during a disturbance, the motion of the rotor angle of the generator is governed by Equation (1).
Figure 2.
One-machine infinite bus.
The transient stability problem can be analyzed in several ways. To gain a better understanding of the motion of the generator’s rotor angle during a disturbance, this paper analyzes the swing equation using a two-state phase-plane and an energy-based method.
2.1. Phase-Plane Analysis
The solutions to a differential equation can be plotted graphically in the phase-plane similar to a two-dimensional vector field. For a one-machine infinite bus (OMIB), the solution of the swing equation can be plotted on a two-state ( and ) phase-plane.
Consider a generator connected to an infinite bus over two parallel transmission lines, and , as shown in Figure 2. The infinite bus voltage magnitude, and the voltage angle, at all times. The transmission lines, and . At steady state, the output electrical power, , the voltage magnitude of the generator, , and the voltage angle, . The generator’s inertia, .
A three-phase bus fault is applied on the generator bus, and the trajectories of the generator’s rotor speed (relative to the infinite bus) and the generator rotor speed (rate of change of the rotor angle) for three different fault cycles are observed. The fault is cleared after 6 cycles, 12 cycles, and 15 cycles. It is assumed that the post-fault configuration is the same as the pre-fault state of the system. Table 1 shows the value of the generator’s rotor angle, , and speed, , for the three different fault cycles after the fault is cleared. Figure 3 shows the two-state phase-plane plot of the system with and as coordinates. The region enclosed by the dotted curve in the figure shows the region of stability for the OMIB system. Point A is the operating point of the system at steady state. When a fault is applied on the generator bus, the rotor angle advances and the generator speed increases, hence, the trajectory of the states follows the curve from A to D. Curve A–B and curve A–C are the trajectories of the states during a 6-cycle and 12-cycle fault, respectively. For both faults, the fault is cleared before passing the stability region boundary; hence, the states oscillates around the equilibrium point A, and system is transient stable. These oscillations can be dampened and the system can reach a new equilibrium. In the case of a 15-cycle fault, the curve A–D shows the trajectory of the states during the fault. After the fault is cleared, the operating point of the states are outside the region of stability; therefore, the system becomes transient unstable.
Table 1.
Rotor angle and speed after fault is cleared.
Figure 3.
Phase-plane plot of OMIB.
2.2. Energy Function
There is a general agreement that the first integral of the equation of motion of the system constitutes a proper energy function [24]. The energy function is the sum of the kinetic and potential energies of the system after the fault has been cleared. For an OMIB, the equation of motion of the system is given in Equation (1), which can be rewritten as
where the moment of inertia, .
The first integral of the right hand side of Equation (1) can be written as
If we multiply Equation (5) by , we obtain
which can be rewritten as
by integrating
Hence,
Comparing the right hand side of Equation (8) to Equation (6), the energy function, , is
The stable equilibrium point is given by the solution to Equation (5) when the acceleration is zero. If the coordinates are changed such that at , the energy function can then be written as
where is the transient kinetic energy. Suppose a fault is cleared at ; the value of the energy function evaluated at represents the total energy present in the system. This value remains constant because the system is conservative. During the fault duration, the system gains transient kinetic energy . The value of the kinetic energy is always positive. For the transient stability to be maintained, the system must be able to absorb the kinetic energy once the fault is cleared [24]. This energy-based stability criteria for an OMIB can be described graphically using the equal area criterion [25].
The equal area criterion (EAC) is a direct method for studying the transient stability of power systems without explicitly solving the system’s differential equations [1,20,26]. Just like the phase-plane analysis, the EAC helps in understanding the basic factors that influence transient stability through a graphical representation of the synchronous machine’s input mechanical power, output electrical power, and rotor angle relationship. This method has been used extensively to study transient stability in a single machine infinite bus power system [20]. The power–angle relationship is given by Equations (1) and (3).
At equilibrium, the accelerating power, , i.e., the input mechanical power, , is equal to output electrical power, , and the operating point of the generator is at point ‘a’, as shown in Figure 4. At point ‘a’, the rotor angle of the generator is . When a fault occurs, the electrical power, , drops and the operating point of the machine is at point ‘b’. Assuming that the mechanical power, , remains the same, , hence, the machine accelerates and the rotor angle increases as the operating point moves from point ‘b’ towards ‘c’. If the fault is cleared when the rotor angle gets to at point ‘c’, and the post-fault configuration of the system is the same as the pre-fault configuration, the electrical power increases to point ‘d’. The area A1 during the fault is referred to as the accelerating area. At point ‘d’, the electrical power, , is greater than the mechanical power, , i.e., , therefore the machine starts to decelerate. The operating point of the machine keeps moving from point ‘d’ and stops at a point ‘e’ where the rotor angle is such that the decelerating area A2 is equal to the accelerating area A1. If there is not enough decelerating area ‘defk’ to match the accelerating area A1 ‘abck’, the machine is said to be transient unstable.
Figure 4.
Equal area criterion.
From the EAC, the area A1 can be written as
Therefore, A1 can be written as
where is the relative speed of the generator at fault clearance. From Equation (11), the accelerating area A1 is equal to the kinetic energy gained during the fault.
To maintain transient stability for any given fault, a synchronous machine must be able to convert the total transient kinetic energy gained during the fault to potential energy after the fault has been released. Figure 5a shows the power–angle curve of the OMIB when a 15-cycle fault is applied on the generator bus, and Figure 5b shows the corresponding plot of the generator’s angle, speed, and acceleration. During the fault, the system gains excess transient kinetic energy, represented by the area A1. However, the system goes transient unstable for this particular fault, since there is not enough area A2 to match the accelerating area A1.
Figure 5.
(a) Power–angle relationship. (b) Angle, speed, and acceleration of the generator after a 15-cycle fault.
3. Feedback Control Analysis for Improving Transient Stability
To ensure that the system is able to absorb all of the excess kinetic energy gained during the fault, we can increase the electrical power such that the generator transfers some of the excess energy to storage device. This will create more decelerating area A2 enough to match the accelerating area A1. By installing a controlled power injection/absorption device such as an energy storage device at the generator bus, as shown in Figure 6, the decelerating area A2 can be written as
where is the output electrical power behind the generator bus terminal and is the controlled modulated power absorbed by the power injection/absorption device.
Figure 6.
OMIB with power injection/absorption device connected to the generator bus.
The value of can be estimated from a feedback signal such as the generators speed or acceleration. To start with, let the controller power be given as a linear combination of the speed, , and acceleration, , of the generator, i.e.,
where is a speed feedback gain, is the speed deviation of the generator, is an acceleration feedback gain, and is the acceleration deviation of the generator.
This control law is applied to the OMIB system with a 15-cycle fault (the transient unstable case described above). The responses of the OMIB to the following values and combination of the feedback gains and are examined:
- Combination 1: and .
- Combination 2: and .
- Combination 3: and .
A fourth and special combination is considered, where
for .
To compare all four combinations, the two-state (,) phase-plane trajectories of each of the four combinations are shown in Figure 7. With the selected gains for each combination, the transient stability of the system is maintained. However, each of these combinations had a unique effect on the system. For the pure acceleration feedback (), after the fault is cleared, there is a wide swing in the oscillation of the generator’s speed, . In the pure speed feedback controller (i.e., ), there is less swing in the oscillation of ; however, after fault clearing, this controller gave the highest rotor angle advancement. The pure speed feedback also dampens the oscillation of and with time. The third combination, where , performs better than the previous two combination, in the sense that both and do not swing as wide as it did in the previous combinations. However, in the forth combination, where , we achieve the minimum swing. Additionally, the states and tend to dampen quicker.
Figure 7.
Phase-plane plot of the acceleration and speed feedback controllers.
4. Transient Stability Control Perspectives
The acceleration and speed feedback control strategy works well when applied to simple systems such as the OMIB. However, this strategy is not based on any mathematical control theory or principle. More so, when applied to complex multi-machine power systems, the strategy becomes less efficient. Another limitation to this strategy is the complexity in selecting a suitable feedback gain, , for the controller. In the studies described in the preceding section, is selected by trial and error. Depending on the type of disturbance in the system, a suitable needs to be selected. As a result of these inadequacies, an alternative control strategy that could be applied to more complex networks of synchronous machines is sought.
Since solving a multi-machine power system’s differential equations is very complex, we develop a basic representation of a multimachine power system as a two-machine equivalent system. Let us assume that the synchronous machine, G1, is connected to a dynamic equivalent of the rest of the multi-machine power system as shown in Figure 8. represents the dynamic equivalent of all other generators in the system.
Figure 8.
Two-machine equivalent system.
Using classical generator models, the equation of motion for the two-machine equivalent system can be written as
where is the inertia of generator i, is the synchronous speed, and are the input mechanical power and output electrical power of generator i, respectively, is the rotor angle of the generator i with respect to a synchronously rotating reference, and is the speed of generator i.
For energy balance, ; therefore, the power flow solution dictates that . If we subtract Equation (16) from Equation (15), we obtain
such that
Equations (19) and (20) represent the synchronous stability between and . Hence, the equation of motion for the two-machine equivalent system can be rewritten as
such that;
where and are the voltage magnitude at terminal bus of and , respectively. X is the sum of the synchronous reactance and the transmission line reactance between the terminals of and . Similarly to the OMIB, an energy function, , for the two-machine equivalent system can be written as [24]
where the moment of inertia, . The EAC for a three-phase fault applied on the system is shown in Figure 9a. From (11), the accelerating area, A1 can be rewritten as
where is the pre-fault value of , and is the value of when the fault is released. From (21),
Figure 9.
(a) EAC of the two machine equivalent system. (b) EAC of the controlled two-machine system.
At pre-fault state, ; hence, the accelerating area A1 is equal to the kinetic energy function at the time the fault is cleared. Similarly, the decelerating area A2 is the potential energy absorbed into the system. To maintain transient stability for any given fault, a synchronous machine must be able to convert the transient kinetic energy gained during the fault to potential energy after the fault is released.
If the post-fault system is controlled by installing an energy storage device at the terminal bus of G1 to absorb active power from G1, some of the kinetic energy gained during the fault will be absorbed quickly by the storage device before it is converted to potential energy into the system. If the energy storage device is modeled as a real power absorption, , at Bus 1, then the system (21) can be written in state space form as
and are the state, and . The previous discussion suggests that the control input to the system should be selected such that the kinetic energy is dissipated as quickly as possible.
An optimal control problem can be formulated to determine the best trajectory for . Formally, it is desired to find that minimizes the performance index,
subject to the constraints
where is the time at which the fault is released. The first constraint (30) limits the maximum power absorption and delivery of the storage device, and the second (31) guarantees that the kinetic energy is gone at the end of the active control period. The state equations are (27) and (28). The Hamiltonian associated with this optimal control problem is
where and are the co-states subject to
The states Equations (27) and (28), along with the co-state Equations (33) and (34), make the optimal control problem a fourth-order system.
Boundary Conditions
The boundary conditions for this problem are the following:
- The initial states (angle and speed at the time of fault release), i.e., and . The values of and can be calculated by integrating the state equations during fault.
- The desired final state of , i.e., .
- In [27], given a performance measure of , a necessary condition for optimal control iswhere and is the co-state vector. In this particular optimal control problem, , therefore (35) reduces toand ; hence, to satisfy the necessary condition of (35), and .
This is a classical constrained-input, minimum-time optimal control problem, and the application of Pontryagin’s minimum principle (see, e.g., [27]) yields the well-known bang-bang solution. For this particular problem, the optimal input takes the form
Given numerical parameters, the boundary value problem can be solved using a numerical optimization procedure. For a fault scenario described above, the optimal solution will always be an absorbing pulse for the full active power duration . This can be seen by recognizing that the boundary conditions imply that . If the control is effective, should change only a small amount during the active control period, so linearizing (33) and (34) about is informative. For reasonable system parameters, the dynamics of this linearized system are quite slow relative to the time periods of interest for transient stability.
For example, given the parameters in Table 2 for the two-machine equivalent system shown in Figure 8, a six-cycle fault is applied on Bus 1 at 0.5 s. Solving the optimal control problem with an initial guess for the value of the co-state as and , Figure 10 shows the trajectory of the states ( and ) and the co-states ( and ) from to , while Figure 11 shows the input control power for the optimal control problem. Projecting the slow linearized co-state dynamics backwards from to yields a trajectory for that is always positive. Combine this with (39) and we see that the optimal control is simply a maximum positive pulse of duration T.
Table 2.
Parameters for the two-machine equivalent power system.
Figure 10.
States trajectory for the optimal control problem.
Figure 11.
Input control power for the optimal control problem.
5. Proposed Feedback Controller
The proposed control strategy involves modulating the real power absorbed or injected by distributed ES devices connected to the power system. These ES devices are located at the high-voltage bus of several generators in the system and are independently controlled. Each ES controller action is based on its local generator frequency and the center of inertia (COI) frequency of the remaining system, and is built on the optimal pulsed control strategy described above. Though arrived at formally, the optimal pulsed control approach is intuitively appealing. In order to reduce the kinetic energy to zero as quickly as possible, the storage device should absorb energy at its maximum rate from the time the fault is released until the relative speed is 0. This interpretation suggests a means of practical implementation—simply use this relative speed as a feedback signal to modulate the controller output, where is the center of inertia speed of the system. Figure 12 shows the control block of the strategy. Depending on the sign of , the energy storage device either absorbs or injects in to the system. Table 3 shows a summary of the controller’s actions.
Figure 12.
Block diagram of controller.
Table 3.
Summary of controller’s action.
The loss of synchronism usually occurs during severe disturbances in the system; therefore, it is very important that the ES devices are not in operation during minor disturbances. The operation of the control devices for small speed deviations could have a detrimental effect on the system, hence the need for a deadband. In [28], speed deviations of up to 15 mHz are reported for minor disturbances in power systems. For the simulations shown in this paper, a dead band of 100 mHz is used.
During a severe disturbance, such as a three-phase bus fault, there is usually a voltage drop at the buses electrically close to the fault. To prevent the operation of the ES control devices at such low fault, a voltage constraint of 0.8 pu is set at the control buses. Hence, the controller close to the fault will only absorb or inject power when the fault has been cleared and the bus voltage has been recovered.
6. Simulation Result
6.1. Case 1
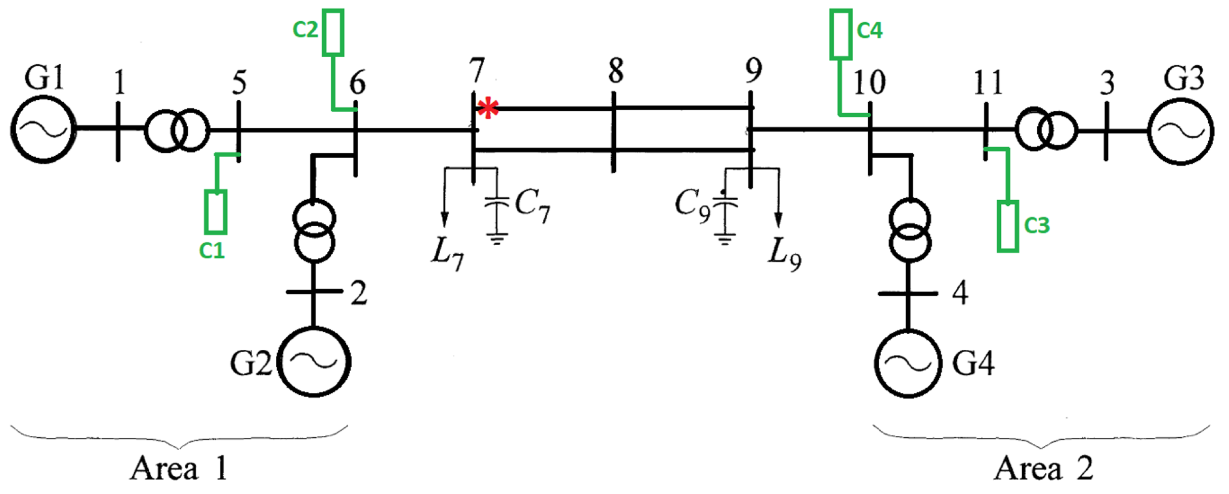
The performance of the proposed feedback control strategy is tested on a four-machine two-area power system model described in [1]. The system consists of two similar areas connected by a weak tie. Each area consists of two synchronous generators. The ES control devices are connected to the high-voltage bus of each generator, as shown in Figure 13. The size of each ES device is set to , which is equal to five percent of the rated power of its corresponding generator. The transient stability study on this model is performed using MATLAB Power System Toolbox (PST). Exciters, governors, and power system stabilizers are included in the simulation model.
Figure 13.
Four-machine two-area power system.
A three-phase fault is applied on one of the transmission lines from Bus 7 to Bus 8 at time s. The fault is cleared after 21 cycles. Figure 14 shows the speed of the four generators in the system. The plot on the left represents the speed of the generators when there is no control, and the plot on the right represents the generators speed when the proposed feedback control is implemented. Figure 15 shows the real power absorbed and injected by the energy storage devices connected at each generator’s terminal. ES devices C1 and C2 both absorbed real power, while C3 and C4 both injected power into the system to ensure transient stability.
Figure 14.
Generator frequency with no control and with control.
Figure 15.
Power absorbed and ejected by the control devices.
6.2. Case 2
The performance of the proposed control strategy is also tested on a reduced-order model of the WNAPS. The system consists of 34 generators, 123 buses and 171 branches, 19 loads, and 2 HVDC lines [22]. The system is a good representation of the WNAPS for transient stability studies because it has approximately the same inertia and impedance properties of the WNAPS. Figure 16 shows the one line diagram of the reduced-order model of the WNAPS. Exciters, governors, and power system stabilizers are included in the simulation model.
Figure 16.
Reduced-order model of the WNAPS.
With a six-cycle three-phase fault at Bus 83, followed by the tripping of the transmission line from Bus 83 to Bus 33, generator 13 on Bus 33 and generator 14 on Bus 31 lose synchronism with the rest of the system and become unstable, as shown in Figure 17. The figure shows the speed of generators 13 and 14 as well as the speed of some selected generators in the system. Generators 13 and 14 are located very close to the fault, hence the increase in their speed.
Figure 17.
Speed of selected generators in the WNAPS.
To improve the transient stability of this system, the control device is installed at all generator buses, just as in the four-machine power system in case 1. Figure 18 shows the speed of the generators when the control strategy is in effect.
Figure 18.
Speed of selected generators in the WNAPS.
Figure 19 shows the absorbed and injected real power by the control devices connected in the system. Only the energy storage devices connected to the terminal of generators 13 and 14 reacted. Immediately after, the fault is cleared. ESD 13 and ESD 14 both absorbed real power from the system. Subsequently, ESD 14 injected power into the system and, again, absorbed power in response to the control strategy. With the each ESD power rated at 5% of its corresponding generator’s rated power, the critical clearing time for this fault was increased by 20%. With higher ESD power, the critical fault clearing time can be increased to 60%.
Figure 19.
Speed of selected generators in the WNAPS.
7. Discussion
One of the goals of this research is to help drive the requirements for energy storage application in transient stability applications. With the penetration of inverter-based resources, such as solar energy and wind turbines, the total inertia of the grid from the replaced rotating machine responsible for maintaining transient stability is reducing. Energy storage systems can play a major role in improving transient stability as the grid slowly transitions from rotating generation. As shown in Table 4, the critical clearing time of the reduced-order model of the WNAPS is improved by increasing the power rating of the energy storage device. When each of the ESDs have a power that is 5% of their corresponding generator’s rated power, the critical clearing time is increased by 20%. At 20% of the generator’s power, the maximum critical clearing time that can be gained using this proposed control strategy is reached.
Table 4.
Gained critical clearing time.
One major challenge in employing this proposed strategy is the feasibility in installing energy storage devices at every generator bus. A better approach may be to find optimal locations in the grid, especially in transient-stability-limited corridors where the operation point is close to stability margins. In this work, it is assumed that there are no physical limitations on the rate at which the distributed energy storage device absorbs or inject power. Future research will address the capabilities of existing energy storage devices for transient stability. Future work will explore consideration for the optimal location and distribution of the energy storage devices as well as identify critical generators that are transient-stability-limited. Finally, another important avenue of research will be developing methods for defining adaptive areas during topology changes.
8. Conclusions
This paper provided a fundamental evaluation of the use of feedback control strategies to improve transient stability in a power system. Thereafter, we developed and demonstrated an optimal feedback control strategy that modulates the real power absorbed and injected by energy storage devices to improve transient stability in a multi-machine power system. The control strategy is derived from two perspectives. The first is based on a well-established energy function approach with the goal of removing as much kinetic energy gained during a disturbance as quickly as possible before it is turned into potential energy. With the second perspective, an optimal transient control cost function is minimized.
The performance of the control strategy is tested on a four-machine power system and on the reduced-order model of the Western North American Power System. The result shows that the strategy significantly improves the transient stability of power systems. In the case of the study performed with the reduced-order model of the WNAPS, the critical clearing time is improved by increasing the power rating of the energy storage device. The critical fault clearing time could be improved to a maximum of 60%.
Author Contributions
Conceptualization, S.T.O. and J.W.; methodology, S.T.O. and J.W.; software, S.T.O. and J.W.; validation, S.T.O., J.W. and D.T.; formal analysis, S.T.O.; investigation, S.T.O.; resources, S.T.O. and J.W.; data curation, S.T.O. and J.W.; writing—original draft preparation, S.T.O.; writing—review and editing, S.T.O., J.W. and D.T.; visualization, S.T.O.; supervision, J.W. and D.T.; project administration, J.W.; funding acquisition, D.T. All authors have read and agreed to the published version of the manuscript.
Funding
The authors gratefully acknowledge the financial support from the U.S. Department of Energy’s Office of Experimental Program to Stimulate Competitive Research. Sandia National Laboratories is a multi-mission laboratory managed and operated by National Technology and Engineering Solutions of Sandia, LLC, a wholly owned subsidiary of Honeywell International, Inc., for the U.S. Department of Energy’s National Nuclear Security Administration under contract DE-NA0003525.
Institutional Review Board Statement
Not applicable.
Informed Consent Statement
Not applicable.
Data Availability Statement
Not applicable.
Conflicts of Interest
The authors declare no conflict of interest.
Abbreviations
The following abbreviations are used in this manuscript:
| COI | Center of inertia |
| EAC | Equal area criterion |
| NERC | North American Electric Reliability Corporation |
| OMIB | One-machine infinite bus |
| RAS | Remedial action scheme |
| WECC | Western Electricity Coordinating Council |
| WNAPS | Western North American Power System |
References
- Kundur, P.; Balu, N.J.; Lauby, M.G. Power System Stability and Control; McGraw-Hill: New York, NY, USA, 1994; Volume 7. [Google Scholar]
- Kundur, P.; Ajjarapu, V. Definition and Classification of Power System Stability. IEEE Trans. Power Syst. 2004, 19, 1387–1401. [Google Scholar]
- Song, F.F.; Bi, T.S.; Yang, Q.X. Study on wide area measurement system based transient stability control for power system. In Proceedings of the International Power Engineering Conference, Singapore, 29 November–2 December 2005; Volume 2, pp. 757–760. [Google Scholar] [CrossRef]
- Mahmoudi, M.M.; Kincic, S.; Zhang, H.; Tomsovic, K. Implementation and testing of remedial action schemes for real-time transient stability studies. In Proceedings of the IEEE Power & Energy Society General Meeting, Chicago, IL, USA, 16–20 July 2017; pp. 1–5. [Google Scholar]
- Stigers, C.A.; Woods, C.S.; Smith, J.R.; Setterstrom, R.D. The acceleration trend relay for generator stabilization at Colstrip. IEEE Trans. Power Deliv. 1997, 12, 1074–1081. [Google Scholar] [CrossRef]
- IEEE Std 421.1-2007 (Revision of IEEE Std 421.1-1986); IEEE Standard Definitions for Excitation Systems for Synchronous Machines. IEEE: Piscataway, NJ, USA, 2007; pp. 1–33. [CrossRef]
- Patel, R.; Bhatti, T.S.; Kothari, D.P. Improvement of power system transient stability by coordinated operation of fast valving and braking resistor. IEE Proc.-Gener. Transm. Distrib. 2003, 150, 311–316. [Google Scholar] [CrossRef]
- Guo, C.; Xiao, X. Transient stability control of TCSC. In Proceedings of the 4th IEEE Conference on Industrial Electronics and Applications, Xi’an, China, 25–27 May 2009; pp. 1399–1402. [Google Scholar] [CrossRef]
- Zhou, X.; Liang, J. Overview of control schemes for TCSC to enhance the stability of power systems. IEE Proc.-Gener. Transm. Distrib. 1999, 146, 125–130. [Google Scholar] [CrossRef]
- Kosterev, D.N.; Kolodziej, W.J.; Mohler, R.R.; Mittelstadt, W.A. Robust transient stability control using thyristor-controlled series compensation. In Proceedings of the International Conference on Control Applications, Albany, NY, USA, 28–29 September 1995; pp. 215–220. [Google Scholar] [CrossRef]
- IPS Engineering. A Description of Discrete Supplementary Controls for Stability. IEEE Trans. Power Appar. Syst. 1978, PAS-97, 149–165. [Google Scholar] [CrossRef]
- Ali, M.H.; Murata, T.; Tamura, J. Effect of coordination of optimal reclosing and fuzzy controlled braking resistor on transient stability during unsuccessful reclosing. IEEE Trans. Power Syst. 2006, 21, 1321–1330. [Google Scholar] [CrossRef]
- Ali, M.H.; Murata, T.; Tamura, J.I. Transient stability augmentation by fuzzy logic controlled braking resistor in multi-machine power system. In Proceedings of the IEEE/PES Transmission and Distribution Conference and Exhibition, Yokohama, Japan, 6–10 October 2002; Volume 2, pp. 1332–1337. [Google Scholar] [CrossRef]
- Joshi, S.S.; Tamaskar, D.G. Augmentation of Transient Stability Limit of a Power System by Automatic Multiple Application of Dynamic Braking. IEEE Trans. Power Appar. Syst. 1985, PAS-104, 3004–3012. [Google Scholar] [CrossRef]
- Rahim, A.H.M.A.; Alamgir, D.A.H. A closed-loop quasi-optical dynamic braking resistor and shunt reactor control strategy for transient stability (of synchronous generators). IEEE Trans. Power Syst. 1988, 3, 879–886. [Google Scholar] [CrossRef]
- Saluja, R.; Ali, M.H. Novel braking resistor models for transient stability enhancement in power grid system. In Proceedings of the IEEE PES Innovative Smart Grid Technologies Conference (ISGT), Washington, DC, USA, 24–27 February 2013; pp. 1–6. [Google Scholar] [CrossRef]
- Ebadian, M.; Alizadeh, M. Improvement of power system transient stability using Fault Current Limiter and Thyristor Controlled Braking Resistor. In Proceedings of the International Conference on Electric Power and Energy Conversion Systems, (EPECS), Sharjah, United Arab Emirates, 10–12 November 2009; pp. 1–6. [Google Scholar]
- Croft, W.H.; Hartley, R.H. Improving Transient Stability by Use of Dynamic Braking. Trans. Am. Inst. Electr. Eng. Part III Power Appar. Syst. 1962, 81, 17–24. [Google Scholar] [CrossRef]
- Shelton, M.L.; Winkelman, P.F.; Mittelstadt, W.A.; Bellerby, W.J. Bonneville power administration 1400-MW braking resistor. IEEE Trans. Power Appar. Syst. 1975, 94, 602–611. [Google Scholar] [CrossRef]
- Chen, Y.; El-Hawary, M.e. An EAC Based Braking Resistor Approach for Transient Stability Improvement. In Proceedings of the IEEE International Symposium on Industrial Electronics, Montreal, QC, Canada, 9–13 July 2006; Volume 3, pp. 1869–1874. [Google Scholar] [CrossRef]
- Ojetola, S.; Wold, J.; Trudnowski, D.; Wilches-Bernal, F.; Elliott, R. A Real Power Injection Control Strategy for Improving Transient Stability. In Proceedings of the IEEE Power and Energy Society General Meeting, Montreal, QC, Canada, 2–6 August 2020. [Google Scholar] [CrossRef]
- Ojetola, S.T.; Wold, J.; Trudnowski, D.J. A Multi-loop Transient Stability Control via Power Modulation from Energy Storage Device. IEEE Trans. Power Syst. 2021. [Google Scholar] [CrossRef]
- Elliott, R.T.; Choi, H.; Trudnowski, D.J.; Nguyen, T. Real Power Modulation Strategies for Transient Stability Control. IEEE Access 2022, 10, 37215–37245. [Google Scholar] [CrossRef]
- Sauer, P.; Pai, M. Power System Dynamics and Stability; Prentice Hall: Hoboken, NJ, USA, 1998. [Google Scholar]
- Xue, Y.; Custem, T.V.; Ribbens-Pavella, M. Extended equal area criterion justifications, generalizations, applications. IEEE Trans. Power Syst. 1989, 4, 44–52. [Google Scholar] [CrossRef]
- Lackner, C.; Wilches-Bernal, F.; Chow, J.H. Effects of Wind Generation Integration on Power System Transient Stability. In Proceedings of the IEEE Power & Energy Society General Meeting (PESGM), Portland, OR, USA, 5–10 August 2018; pp. 1–5. [Google Scholar] [CrossRef]
- Kirk, D. Optimal Control Theory: An Introduction; Dover Books on Electrical Engineering Series; Dover Publications: Mineola, NY, USA, 2004. [Google Scholar]
- Trudnowski, D.; Pierre, B.; Wilches-Bernal, F.; Schoenwald, D.; Elliott, R.; Neely, J.; Byrne, R.; Kosterev, D. Initial closed-loop testing results for the pacific DC intertie wide area damping controller. In Proceedings of the IEEE Power & Energy Society General Meeting, Chicago, IL, USA, 16–20 July 2017; pp. 1–5. [Google Scholar]
Publisher’s Note: MDPI stays neutral with regard to jurisdictional claims in published maps and institutional affiliations. |
© 2022 by the authors. Licensee MDPI, Basel, Switzerland. This article is an open access article distributed under the terms and conditions of the Creative Commons Attribution (CC BY) license (https://creativecommons.org/licenses/by/4.0/).


















