Abstract
This paper reports on how the trade-off between the incident solar irradiance and conversion efficiency of a photovoltaic panel affects its power production. A neural network was developed through statistical analysis and a data-driven approach to accurately calculate the photovoltaic panel’s power output. Although the incident beam irradiance at a specified location directly relates to the tilt angle, the diffusion irradiance and energy conversion efficiency are nonlinearly dependent on a number of operating parameters, including cell temperature, wind speed, humidity, etc. A mathematical model was implemented to examine and cross-validate the physics of the neural network. Through simulation and comparison of the optimized results for different time horizons, it was found that hourly optimization can increase the energy generated from the photovoltaic panel by up to 42.07%. Additionally, compared to the base scenario, annually, monthly, and hourly optimization can result in 9.7%, 12.74%, and 24.78% more power, respectively. This study confirms the data-driven approach is an effective tool for optimizing solar power. It recommends adjusting the tilt angle of photovoltaic panels hourly, during the daily operation of maximizing the energy output and reducing solar costs.
1. Introduction
Since the Paris Climate Conference, reducing the emission of greenhouse gases and investing in sustainable energy have become national targets for more than 120 countries [1]. With these goals in mind, solar energy has become one of the most preferable energy resources for next-generation energy systems, thanks to its true carbon-zero nature and market readiness for easy deployment [2]. However, the high cost of solar power is still an obstacle on the path to net-zero energy production. Recent data indicate that the levelized cost of electricity (LCOE) of solar energy is 50% higher than onshore wind energy and 20% higher than hydro [3]. Meanwhile, the average initial cost of a 7.5 kW photovoltaic system is CAD 22,500 in Canada [4]. With these considerations, lowering the solar electricity cost by increasing the power generation ability of photovoltaic panels is a matter of urgence. Existing research shows that power generation ability could be improved through the use of advanced photovoltaic technologies [5] and through optimization.
Recent studies have shown that tilt angle optimization can significantly increase the solar irradiance incident on panels, which subsequently provides greater solar to electricity conversion [6,7,8]. Raina et al. [6] found that a bifacial photovoltaic module installed at an optimum orientation could collect up to 84.76% more irradiance. Ashutosh et al. [9] suggested optimizing the tilt angle monthly for a photovoltaic plant located in India, which resulted 18.03% more energy harvest, compared to five annual adjustment cases. Alghamdi [10] proposed an unsupervised artificial neural network approach for optimizing the net levelized cost of energy (Net-LCOE) and estimated an increase of 15.9% in the roof-mounted photovoltaic energy output over typical ground-mounted PV configurations. Mansour et al. [11] employed an anisotropic model to maximize PV power output and found a monthly optimization helps produce 4.2% more power than yearly adjustments. Hassan et al. [12] studied optimum tilt angles of the maximum solar irradiance and found the monthly optimal tilt angle for 20 locations within Iraq. Rather than only considering solar irradiance, Alhamer [13] studied bi-annual tilt angle optimization while examining the relationship between summer and winter temperatures and cloud cover. Makenzi et al. [14] used a mathematical model to maximize the solar irradiance incident on the surface of a PV panel by considering multiple site-specific variables to design a daily optimization approach, and they improved the daily solar energy output by up to 6.15%, compared to fixed angle panels. This study provided insight into how temperature and cloud cover affect optimization results. Gwesha et al. [15] considered sky coverage conditions and maximized energy output of PV panels with different optimization horizons (e.g., optimization frequency). With bi-annual, four-seasonal, and monthly adjustments, the gain in the yearly solar energy harvest can be 7.59%, 7.60%, and 9.19%. Although related studies have already proven the potential of tilt angle optimization, optimization outcomes and conclusions are divergent, and such a phenomenon is based on the following factors: (1) Some studies used irradiance instead of power generation as an optimization objective; (2) The existing literature did not explicitly evaluate the correlation between tilt angle and energy conversion efficiency; (3) Researchers chose different climate zones for their investigations.
The existing literature has already achieved astonishing accomplishments in tilt angle optimization. As yet, it still remains unclear how irradiance affects energy conversion efficiency through the tilt angle and how the optimization horizon affects the optimization performance after we consider energy conversion efficiency. Moreover, most studies used mathematical models for simulation. Mathematical models have various limitations that include strict assumptions and high computational costs. Hence, it is urgent to use neural networks to replace conventional mathematical models to improve estimation accuracy and overcome the limitations of conventional models. The potential of artificial neural networks (ANN) applications on the renewable energy sector has already been proven in the literature [16,17,18]. Shboul [19] proposed an ANN to predict hourly solar irradiance and found that the ANN demonstrated a higher accuracy and was faster and more robust during computation. Agbulut et al. [20] proved that machine learning algorithms could precisely forecast the daily global solar irradiance. Villegas-Mier et al. [21] used an ANN to optimize the photovoltaic power systems, and they found that it demonstrated a faster convergence speed and more stable performance. Some problems still exist in the literature when deploying ANNs in energy research. First, the black box behavior of ANNs has still not been solved in the existing literature. Second, the architecture and hyperparameters were designed by researchers in the existing literature. However, with ANN architecture and hyper-parameter optimization, the optimized ANN can demonstrate a better performance than the ANN without any optimization.
Based on these concerns, this study proposes an optimization flow for any photovoltaic panels located in any region within the climate zone. The primary objective of this paper is to study how the trade-off between incident solar irradiance and conversion efficiency of the photovoltaic panel affects its power production. The novelties of this study include the following aspects: (1) We proposed a novel data-driven approach to investigate the relationship between tilt angle and conversion efficiency. The conclusion was then cross validated with a reliable mathematical model. The conventional neural network requires knowledgeable researchers to extract features from an ultra-high dimensional data set before training to avoid useless input features. Thus, with cross-validation, the black box risk of the neural network can be decreased. (2) We developed a robust ANN model to help estimate the power output of a photovoltaic panel, and power output was used as the optimization objective. This study also applied an ANN architecture optimization technique to improve the accuracy of the ANN. The well-trained ANN requires relatively low computational cost during usage because it only involves simple matrix manipulation instead of solving complex integral problems. Furthermore, the trained network could be widely used in similar climate zones, and the fast response means the system can easily control the tilt angle later. (3) The hourly optimization outcome remains unclear in the literature; therefore, we studied how hourly optimization and the optimization horizon impact the optimization performance after considering energy conversion efficiency.
2. Methodology
Figure 1a shows the schematic of the energy flow of this study. The solar irradiance arrives at the tilted surface directly, diffused by the clouds or reflected by the ground. The photovoltaic panel converts solar irradiance into electricity. One can control the irradiance incident on the panel by adjusting the tilt angle of the photovoltaic panel. Thus, the basic process of tilt angle optimization includes calculating the solar position, irradiance, and power output of the photovoltaic panel for different tilt angles. Then, the tilt angle is optimized based on the calculation results. Therefore, the models required for this study include a solar position model to locate the sun based on time, a Liu–Jordan model to calculate solar irradiance incident on the tilted surface, and a five-parameter model to estimate the power output of the photovoltaic panel.
Figure 1.
(a) Schematic of energy flow and (b) functional relationship of model parameters.
Figure 1b shows the functional relationship of the model parameters. The solar position model uses time t, day of year n, and longitude L as inputs to calculate the sun’s hour angle ω. Then, the Liu–Jordan model uses tilt angle β, latitude ϕ, and global irradiance on the horizontal plane I to calculate the irradiance incident on the tilted surface . The optimization variable tilt angle will affect at this step. Finally, the irradiance G, ambient temperature and other meteorological data, such as wind speed and relative humidity RH, will be used as inputs for the five-parameter model to estimate the power output P. However, the five-parameter model has various limitations; hence, this study will use a neural network to replace the five-parameter model to improve the estimation accuracy. Section 2.1, Section 2.2 and Section 2.3 will provide details of these three models, respectively. Variables marked in blue were extracted from the external data set (NIST) and simulation platform (TRNSYS). One set of variables (G, , , RH, P) was extracted from the NIST data set for analysis and to train the neural network. Another set of variables (I, , , RH) was extracted from TRNSYS for simulation.
Figure 2 shows a diagram of the proposed methodology, and the main steps in the study are as follows:
Figure 2.
Flow chart of the proposed methodology.
- Preprocess the raw data from the National Institute of Standards and Technology (NIST) photovoltaic data set and remove outliers;
- Perform a statistical analysis using the NIST data set to determine crucial input parameters for the neural network;
- Analyze the five-parameter model and determine essential parameters from the physical viewpoint;
- Cross-validate the conclusion derived from statistical analysis and mathematical analysis;
- Normalize the data and shuffle the data points to avoid memorization of trend patterns by the neural network. Then, split the processed data: 80% for training and the remaining 20% for testing;
- Train the neural network with the training set and evaluate the performance of the neural network with the test set;
- Extract data from TRNSYS and prepare for simulation;
- Calculate the solar position relative to a certain position on the Earth with data extracted from TRNSYS. Express the solar position with the hour angle. Then, use the Liu–Jordan model to calculate the total solar irradiance incident on the tilted surface by using the hour angle;
- Use the trained neural network to calculate power output. Then, determine the optimal tilt angle to maximize the power output with a brute force algorithm;
- Perform an optimization process for different time intervals (one hour, one month, and one year);
- Discuss the results and uncertainties.
2.1. Solar Position Model
The solar position model is used to locate the Sun’s position relative to the Earth’s specific region. Before doing so, it is crucial to correct the standard time. The difference between the solar time and standard time is caused by the angle between the ecliptic plane and the equator, as well as the elliptical shape of the Earth’s orbit. Inputs of this model are the day number within a year n, longitude L, and standard time t, and the output of this model is hour angle ω.
First of all, Equation (1) calculates the fractional year γ in radians with the given standard time and the day number. During a leap year, 366 will replace 365 in the first term.
In order to correct the standard time, this study needs assistance from two terms: (1) the difference between standard time and mean solar time; and (2) the difference between the longitude of the simulation position and the meridian. The difference between standard time and mean solar time, also known as equation of time EoT, is caused by the Earth’s rotation. A positive value means that the standard time is faster than the true solar time, and a negative value means that the standard time is slower than the true solar time. Equation (2) is an empirical equation used to estimate EoT. The absolute value of EoT could be more than 15 min on certain days. Therefore, the effect of EoT cannot be ignored during the true solar time calculation. Meanwhile, the difference between the longitude of the simulation position and the meridian comes from the Coordinated Universal Time (UTC). Based on UTC, every 15 degrees of longitude L is a new time zone (TZ). However, UTC only gives the standard time exactly on that meridian. Hence, this model must calculate the standard time for the region near the meridian. With the help of Equation (3), this study was able to calculate the solar time of any location on the Earth.
Finally, this study calculated the hour angle ω with the true solar time. In Equation (4), ω defines 0 degrees at 12 PM LST, negative before 12 PM, and positive after 12 PM. In the next model to be discussed, the hour angle will be used to calculate the extraterrestrial irradiance on the horizontal surface.
2.2. Liu–Jordan Model
The Liu and Jordan (LJ) model [22] will use the output from the solar position model to decompose the solar irradiance and calculate the total solar irradiance incident on a tilted surface. The Liu and Jordan model is a type of isotropic model that calculates the hourly total solar irradiance incident on a tilt surface through three components: hourly direct beam irradiance on a tilted surface , hourly diffuse irradiance on a tilted surface , and hourly reflective irradiance on a tilted surface . Equations (5) and (6) show the basic concept of the model. Equation (5) decomposes the global irradiance on the horizontal plane I into two components: hourly direct beam irradiance on the horizontal plane and hourly diffuse irradiance on the horizontal plane . Then, Equation (6) uses , , and I to multiply the relative inclination factor to calculate the total irradiance incident on a tilted surface. It is worthwhile mentioning that when Shukla et al. compared various isotropic models and anisotropic models, a variety of indicators were used to evaluate the model accuracy [22]. Additionally, they found the LJ model is the second best model for estimating the irradiance among these five models that they investigated. Moreover, they found the discrepancy of the mean absolute percentage error (MAPE) is below 2% between the predictions from the LJ model and the most accurate Badescu model.
Inclination factors , and are related to the tilt angle of the photovoltaic panel. Thus, the optimization variable and the tilt angle of the photovoltaic panel will determine the value of inclination factors and affect the solar irradiance incident on a tilted surface at this step. A high solar irradiance incident on a tilted surface will lead to a high cell temperature and decrease the efficiency of the photovoltaic panel. This model uses n, ω, β, ϕ, and GHI as inputs to calculate .
highly correlates with the atmosphere’s clearness. The clearer the atmosphere, the less solar irradiance will be diffused. Hence, one can use the clearness index to measure the clearness of the atmosphere. This study uses to represent the hourly clearness index and calculate clearness of the atmosphere by comparing the solar irradiance at the bottom of the atmosphere (irradiance received on the horizontal plane) to the theoretical maximum solar irradiance that can be received on a horizontal plane (extraterrestrial irradiance on the horizontal surface). Equation (7) shows how the clearness index is calculated: the more irradiance received on the ground, the higher the clearness index.
In Equation (7), I will be measured or provided by the sensor located on the ground. This study will use this value as an input for the model during the simulation. Meanwhile, hourly extraterrestrial irradiance on the horizontal surface can be calculated through Equation (8) In this equation, is the solar constant, which is 1367 W/, with up to 1% error. ϕ is the latitude and is related to the simulation location, and ω is the hour angle, the output of the solar position model. δ is the declination in degree, which can be calculated by Equation (9). The declination is converted to radians in Equation (8).
After calculating the clearness index, this study uses Equation (10) to estimate . With , this study can decompose global irradiance on the horizontal plane and calculate total irradiance with three inclination factors.
The inclination factors, , and , are given by Equations (11)–(13), respectively. Inclination factors are related to the tilt angle, latitude, hour angle, and declination. Reflective coefficient, ρ, in Equation (13) depends on the surface of the ground. Generally, for a dry concrete surface, the value of the reflective coefficient is approximately equal to 0.2.
2.3. Five-Parameter Model
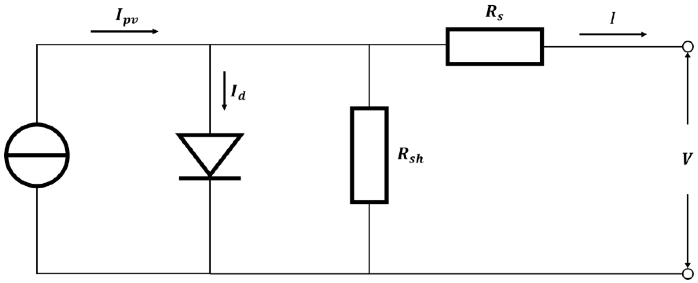
The five-parameter model is a mathematical model used to estimate the photovoltaic cell’s I–V output in the ideal experimental condition. Figure 3 represents an equivalent circuit of a photovoltaic cell. Two components located on the left side represent a p–n junction. Once solar energy reaches the photovoltaic cell, the built-in electric field produces a photovoltaic current . Then, electrons are forced to flow in opposite directions and produce a current after the new electric field is created. The resistance represents the leakage of the p–n junction, and represents the power loss of the cell.
Figure 3.
One diode model.
Equation (14) is commonly used in the literature to describe the one-diode model, which is shown in Figure 3. I and V are the output current and voltage of the photovoltaic cell, respectively. is the number of cells in a panel, and (thermal voltage) is a constant number. Parameters f (modified ideality factor), (diode’s saturation current), , and are known as the five parameters. These five parameters are crucial in calculating the power output of the photovoltaic cell, and they can be estimated through available technical data from manufacturers.
First of all, Equation (15) describes how to calculate thermal voltage through Boltzmann’s constant k, the absolute temperature T of the p–n junction, and the charge of the electron q.
Before calculating the five parameters, it is crucial to calculate open circuit voltage and short circuit current . These two variables depend on solar irradiance and cell temperature. HOMER [23], a photovoltaic analysis platform, implemented Equation (16) to estimate the cell temperature. Inputs of Equation (16) include ambient temperature , ambient temperature at nominal operating cell temperature (NOCT) , cell temperature at NOCT , solar irradiance G, solar irradiance at NOCT , the efficiency of the photovoltaic array at its maximum power point under standard test conditions (STC) , the temperature coefficient of power , and the product of the radiation transmission coefficient through the covering system and the cell absorption coefficient τα. As per the suggestion made by Duffie and Beckman [24], τα is equal to 0.9. With the assumption that the coefficient of heat transfer h to the surroundings is constant, Equation (16) can significantly reduce its complexity. The heat transfer coefficient to the surroundings will depend on meteorological conditions, such as wind speed and relative humidity HR.
Once the cell temperature is known, and can be calculated with varying solar irradiance and ambient temperatures through Equations (17) and (18) In these two equations, is the open-circuit voltage at reference condition, is the short circuit current at reference condition, is the temperature coefficient of open-circuit voltage, and is the temperature coefficient of the short circuit current.
and can be estimated through the slope at open-circuit voltage and slope at short circuit current , respectively. and also represent the initial state of and , respectively. Equations (19)–(21) describe this process. These two parameters can be estimated through the slope of the current–voltage curve. is assumed to be a constant number because it represents the leakage and is related to the p–n junction itself. Equation (21) shows how to calculate . Because losses in electrodes and semiconductors are related to the operating condition, the value of depends on other parameters.
Equations (22) and (23) show how to calculate parameters and . Parameter f is assumed to be a constant number. Thus, the irradiance, ambient temperature, and heat transfer coefficient determine and . In addition, these two parameters will change the values of the five parameters. The photovoltaic panel will operate at the maximum power point, and the five parameters change the maximum power point through Equation (14).
This study compares the calculated and experimental results to evaluate and validate the five-parameter model. This study chose the CS3U-365P-AG photovoltaic panel manufactured by Canadian Solar Inc. as the reference PV panel. On its technical datasheet, Canadian Solar Inc. provided two I–V curve figures for its photovoltaic module product under different irradiance and module temperature levels. Figure 4 demonstrates the I–V curve calculated through the five-parameter model and the I–V curve extracted from the experimental results. The grey line shows the I–V curve calculated by the five-parameter model under a 1000 W/m2 irradiance level when cell temperature was 5 °C; for comparison, the black dashed line in the figure shows the experimental result in the same condition. Rather than visualize differences between calculated and experimental results, this study also calculated the error of the calculated power output at the maximum power point (MPP) by comparing it with the experimental results during different irradiance and temperature levels. The error of the five-parameter model was 4.3%. The following reasons cause this error. Firstly, basic assumptions of the mathematical model, such as the constant heat transfer coefficient, will not be strictly guaranteed during the experiment. Secondly, extracting data leads to minor uncertainties, since data points are visually extracted from figures. Lastly, the solver has the possibility of outputting a saddle point when solving the non-convex transcendental equation. The convexity of the model has not been proven because it is beyond the scope of this study.
Figure 4.
I–V chart—five parameters model vs. experiment.
This model is validated and able to calculate the power output of photovoltaic cells under varying solar irradiance and ambient temperatures. The advantage of this model is that it provides an accurate result close to the manufacturer’s data, backed by physical theory. Nevertheless, the model still has limitations because of various physical assumptions and parameter estimation processes.
3. Data Analysis
This study used a neural network to estimate the power output of the photovoltaic panel. The neural network is a data-driven model that can overcome the limitations of the conventional mathematical model. The mathematical model faces a trade-off between accuracy and computational cost. A mathematical model tends to make assumptions and simplify a problem to ensure a relatively high accuracy with a low computational cost requirement during real-world applications. However, this means that the mathematical model could fail while calculating a scenario outside the scope of its assumptions. The five-parameter model does not consider the hidden patterns, such as the effect of anti-reflection coating. Even though a mathematical model modelling such hidden patterns would not significantly improve the model’s accuracy, modelling hidden patterns would dramatically increase the model’s computation requirement and decrease the model’s real-time computational efficiency. However, the neural network can perform a sophisticated regression and overcome imperfections of the mathematical model because the neuron number of a specific neural network is fixed. Therefore, the neural network can model a complex system without excluding hidden patterns. This study used statistical analysis to determine the inputs for the neural network and cross-validate with the mathematical model to guarantee that the inputs have physical meaning.
3.1. Data Pre-Process and Hypothesis Test
The NIST photovoltaic database [25] includes the data collected in 2015, 2016, and 2017 and from photovoltaic arrays and weather stations located in the campus in Gaithersburg, Maryland, USA. We chose a data set from the database for flat-placed photovoltaic panels. With this data set, we used GHI to replace the irradiance incident on the tilted surface because the two values for the panels installed horizontally are equal. The data set includes thousands of data points, each with multiple dimensions. It is sufficient for training a neural network and estimating a photovoltaic array’s power output. In this study, we use six of the most important features and visualize those data. Figure 5 shows the pairwise plot of six features, relative humidity (%), wind speed (m/s), , , Global Horizontal Irradiance (GHI) (), and power (P) (kW), extracted from NIST data set. Plots on the diagonal show distributions of the signal variable. The scatter plots visualize the relationships between two variables. From the distribution plot, we conclude any location in the same climate zone with a similar meteorology pattern can use this data set for NNW training purposes. In addition, from the scatter plot, we can easily find some variables that demonstrate a strong linear relationship with the other variable. For example, the GHI and P. However, we cannot conclude variables that did not show a linear relationship are useless at this step. The pairwise plot provides a first impression of the NIST data set; this study still needs to perform follow-up data analysis and cross-validate the conclusion with the mathematical model to guarantee the reliability of extracted features.
Figure 5.
Pairwise plot of NIST data set (raw).
Nevertheless, there exist some problems with using a data-driven approach to predict photovoltaic power output. Firstly, the data set used for developing the model usually includes some outliers that deviate from regular data points caused by various reasons, such as recording and measuring errors. Removing outliers from the data set is crucial to ensuring that these data points will not confuse the neural network. In order to remove outliers from multi-dimensional data, this study chose two of the most critical dimensions: the irradiance and the power output. The GHI is equal to irradiance on the surface, since photovoltaic panels in this data set are horizontal.
Figure 6 visualizes the data points in the NIST data set. All data points with negative power output values beyond 0.5 standard deviations were removed. The data points with a negative power output value are not realistic and are believed to be caused by measuring errors, thus, they must be removed. The performance of the photovoltaic panel at the deficient irradiance level has already been investigated by Sebastian et al. [26]. The black bold line in Figure 6 was calculated through the ordinary least squares regression approach. The value of R square () is 0.924, which means 92.4% of the variation in the dependent variable (power output) can be explained through the independent variable (GHI). At the same time, the correlation between the two variables is more than 0.96 before data pre-processing, and it shows a highly linear relationship between the two variables. The research of Rediske et al. [27] can support this result, since they found that irradiance is a determining factor for photovoltaic power output. Moreover, the data points are more concentrated around the fitted line in the lower GHI range. This phenomenon is caused by other factors, such as module temperature, since these factors will affect the efficiency of photovoltaic panels.
Figure 6.
Two dimensions raw data of NIST photovoltaic data set—irradiance vs. power output.
The hypothesis testing examined if the independent variables could explain the dependent variable in the multiple linear regression. The dependent variable is the power output, and the independent variables are meteorological variables. Equation (24) shows the null hypothesis and alternative hypothesis for hypothesis testing. The null hypothesis states that slope coefficients (n is the index of independent variables) of multiple linear regression equals zero, and the dependent variable is not significantly affected by independent variables. The alternative hypothesis addresses the slope coefficient of being not zero. If the null hypothesis is rejected, the study can conclude that slope coefficients are significantly different than zero. After performing the hypothesis test for slope coefficients, all p-values were lower than 0.05. Thus, this study has at least 95% confidence that slope coefficients are significantly different than zero.
3.2. Correlation Analysis
Correlation analysis is one of the fundamental approaches in data analysis. Correlation represents how strong the linear relationship is between two variables. If the absolute value of the correlation coefficient is closer to 1, this means the relationship between two variables is more linear, and thus more correlated. However, correlation analysis is only effective when analyzing linearity in relationships. It cannot be used to identify other relationships, such as quadratic relations. Thus, correlation analysis is not a perfect data analysis approach. However, the result of correlation analysis is still valuable to help researchers in developing their models. Figure 7 shows correlation analysis results for the main variables of the NIST data set.
Figure 7.
Confusion matrix of pre-processed data.
The confusion matrix provides evidence that GHI strongly correlates with the power output, and this relationship has already been investigated in the previous section. Thus, solar irradiance is the most critical parameter to calculate the energy generated.
The correlation between energy output and module temperature is more than 0.67, demonstrating a strong correlation. Additionally, the correlation between GHI and the module temperature is 0.71. The relationship between input variables should be independent if they are used as neural network inputs. The complexity of the regression analysis increases if input variables are highly dependent on each other. The correlation between the ambient temperature and the module temperature is 0.79, and the correlation between GHI and module temperature is 0.71. This study chose the ambient temperature as the second input. Furthermore, relative humidity has both positive and negative effects on the power output of the photovoltaic panel. Water vapor in the air affects the power output of the photovoltaic panel in two ways: the moisture on the panel and the air temperature. After the water vapor accumulates on the photovoltaic panel, it can reflect a portion of the received solar irradiance. However, the water vapor can increase the heat transfer coefficient and help the photovoltaic panel exchange heat. Thus, a high relative humidity level can improve the power output of the photovoltaic panel by helping it to decrease the module temperature. The correlation analysis found that the negative effect dominates the positive effect, which means the correlation between humidity and power output was −0.45. This negative correlation tells us that high relative humidity will decrease power output. Finally, the wind speed causes a minor increase in the power output, since the two variables have a correlation of 0.24. The high wind speed will reinforce the convection effect and help cool down the photovoltaic panel by changing the heat transfer coefficient.
Based on the results of the correlation analysis, this study used four variables as inputs: relative humidity, wind speed, ambient temperature, and irradiance. Even though these four input variables are essential in the correlation analysis, they still require cross-validation with a mathematical model to ensure they are physically meaningful.
3.3. Cross Validation
The mathematical model can cross-validate the input variables of the neural network with the validated input variables determined by the correlation analysis. Figure 8 shows the relationship between ambient temperature, GHI, and module temperature, as calculated by the mathematical model. In contrast, Figure 9 shows the same relationship that was extracted from the NIST data set. However, in Figure 9 the ambient temperature is fixed. In Figure 9, the black dash line is a linear regression line that all data fits in. Additionally, the solid black line is calculated by the mathematical model with the ambient temperature being equal to the average ambient temperature of the data set. From these two figures, it can be surmised that the ambient temperature determines the intercept, since the average ambient temperature in the data set is close to 11 °C and is equal to the ambient temperature used to calculate the black line. However, the solid black line and black dash line have different slopes of 0.022 and 0.036, respectively. These two lines share a similar intercept, indicating that the module temperature depends mainly on the ambient temperature. Therefore, the conclusion from the correlation analysis is verified.
Figure 8.
Irradiance vs. ambient temperature vs. module temperature by five parameters model.
Figure 9.
Two dimensions processed data of NIST photovoltaic data set—irradiance vs. module temperature.
On the other hand, the slopes of the two lines are different; this phenomenon is caused by the mathematical model, which only considers the effects of irradiance and ambient temperature. The five-parameter model assumes that the heat transfer coefficient is constant. In other words, the model does not consider the effect of wind and relative humidity. The heat transfer coefficient cannot significantly impact module temperature during low irradiance. However, the module temperature increases rapidly with increasing irradiance, and the heat transfer coefficient becomes a crucial variable. The reason described above could also explain the phenomenon that is the difference between the mathematical model and regression model increase with the irradiance. Thus, humidity, wind speed, ambient temperature, and GHI are four input variables used to estimate power output. Based on the previous analysis, they have been proven to have a high correlation with the power output and low correlation between each other.
4. Simulation and Results
After determining four neural network inputs, the next step is to design the neural network’s architecture. The fundamental structure of the neural network is a five-layer multi-perceptron, which includes one input layer, three hidden layers, and one output layer. The NIST data set was used to train the neural network: 80% of the data were used to create a training set, and the remaining 20% was used to create a testing set. The order of the data set was shuffled to prevent the neural networks from memorizing patterns based on the trend in the data. The “trend” refers to the power output being close to zero at night and increasing during the day until around noon, and from there it should steadily decrease. The random parameter search is an approach to finding a set of optimal hyperparameters in a particular domain. It was used in this study to improve the accuracy of the neural network. However, the details of the neural network optimization are not described here, since it is outside the scope of this study. The learning rate decay maintains a relatively high learning speed early on, however, it prevents the network from missing the local minimum at later learning stages. “Overfitting” refers to a neural network that can only precisely calculate the training data but cannot calculate other new data. Thus, this study uses the dropout technique to randomly stop updating a proportion of neurons in each epoch to prevent the overfitting problem. The optimized hyperparameters are shown in Table 1.
Table 1.
Hyperparameters of the neural network.
Figure 10 and Figure 11 demonstrate the performance of the neural network on the training set and the testing set, respectively. The figure randomly chooses a proportion of data to visualize the performance, since thousands of data points are in the test data set. The x-axis of the figure represents values estimated by the network and the y-axis of the figure represent real values from data set. These figures show that the neural network can estimate the power output with a relatively low error because most of the points are close to the diagonal. Meanwhile, this study used the root mean square error (RMSE) to evaluate and quantify the prediction accuracy rather than visualize the neural network’s performance. Equation (25) calculates RMSE using the target value , predicted value , and number of data points . The trained neural network was able to achieve an RMSE of 0.04 on the training data set and 0.06 on the test data set. This performance agrees with the RMSE values reported in the literature [28].
Figure 10.
Performance of the neural network on training set.
Figure 11.
Performance of the neural network on testing set.
The simulation and optimization of the tilt angle of a photovoltaic panel were performed based on its power output after the mathematical models and the neural network were validated. This study chose Ottawa, Canada (45.38° N, 75.72° W) as the power plant location. The optimization objective was the tilt angle of the photovoltaic array composed of one-axis rotation, south-faced photovoltaic panels. This study made the following assumptions during the simulation: (1) The hourly meteorological condition is constant. (2) There exists enough space in the photovoltaic farm so that the effect of the shading problem can be neglected. (3) The PV panel solar cells use monocrystalline silicon. (4) The neural network reflects all internal patterns.
The meteorological data were extracted from TRNSYS [29], a transient systems simulation software. TRNSYS has already been proven to be capable of dynamic simulation in the literature [30]. Data extracted from the commercial simulation are reliable and do not require further processing to detect outliers and missing data. The process is described as follows. First, the meteorological data are used as inputs to calculate the irradiance on the tilted surface. After that, the well-trained neural network is used to calculate the power output of the photovoltaic panel. Then, the optimal tilt angle is determined in the range of 0 to 90 degrees with 1-degree increments using a brute force algorithm. This study uses the hourly model for all optimization horizons and integrates hourly outcomes to calculate the monthly and annual optimization results. Finally, the tilt angle that can generate the maximum power output is chosen as the optimal angle and the harvested energy is calculated with a scale factor.
The simulation results show that compared to horizontally placed panels, optimizing tilt angles annually, monthly, and hourly can achieve 9.7%, 12.74%, and 24.78% more energy, respectively. Table 2 and Figure 12 include the optimization results. Figure 12 shows the benefits from the power-based tilt angle optimization. In this figure, the base case was the flat-placed photovoltaic panels. The figure’s blue, orange, and green bars show the excess energy harvested, compared to our base case with the hourly, monthly, and annual tilt angle optimization in percentages, respectively. For example, hourly optimization can help the photovoltaic panels collect almost 30% more energy than the base scenario. The red line in the figure shows the total amount of energy harvested during the monthly optimization. The energy harvested can be easily calculated during other optimization horizons with this information. Table 2 is supplementary to Figure 12, showing the energy harvested during different scenarios on a monthly basis.
Table 2.
Simulation result.
Figure 12.
Optimization result and optimal tilt angle for different time interval.
The optimization can generate over 40% more energy during the winter, and the optimization can still achieve at least 10% more energy during the summer. The benefit of the optimization is still significant during the summer, since it has a sizeable cardinal number; this is despite the improvement being around 10%. Moreover, the proposed approach can provide 16.23% more energy than the conventional rule-based optimization approach, which sets the tilt angle to be the same as the latitude. Table 3 provides the optimal tilt angles from monthly optimization and compares them with irradiance-based optimization. Obviously, compared to the irradiance-based optimization, the monthly optimal tilt angle is smaller in power-based optimization. These results can provide evidence of the value of power-based tilt angle optimization.
Table 3.
Optimal tilt angle of power-based and irradiance-based monthly optimization.
5. Discussion
The primary objective of our study was to investigate how the trade-off between incident solar irradiance and energy conversion efficiency of the photovoltaic panel affects its power production. Moreover, the second objective was to learn how the optimization horizon affects the result. After designing a tilt angle optimization approach and performing a dynamic simulation for a specific photovoltaic panel, we found that the highest incident solar irradiance will not generate the greatest power output for the photovoltaic panel. In addition, the smaller the time horizon, the more energy can be harvested by the photovoltaic panel. A potential explanation for energy conversion efficiency is that the high incident solar irradiance will increase cell temperature with other meteorological factors and decrease energy conversion efficiency. Thus, the high incident solar irradiance will not increase the energy conversion efficiency of the solar panels. In addition, the tilt angle adjustment mechanism could help the photovoltaic panel adapt to the changeable meteorological conditions, which can explain that the smaller the optimization horizon, the more energy can be harvested. Because the tilt angle adjustment mechanism’s variable cost can be neglected, the photovoltaic panels should take advantage of the optimization and use a small time interval optimization strategy.
We are the first to use hourly optimization and consider energy conversion efficiency during tilt angle optimization. At the same time, previous research only focused on solar irradiance-based optimization and did not consider the trade-off between irradiance and energy conversion efficiency. Moreover, we are the first to use data analysis and mathematical analysis to develop a robust ANN and reduce the black-box nature of ANN. In contrast, previous research only used data analysis when training the ANN model.
In this study, we proposed an optimization method, and this approach could be used to optimize tilt angle for photovoltaic panels that use different technologies and are located in different climate zones. Our findings offer a novel perspective on how the tilt angle affects energy conversion efficiency. A small time interval optimization will provide more energy than a large time interval optimization. Our study also provided a tilt angle optimization flow for photovoltaic panels.
This study has two limitations. The most important limitation is that we assumed that the hourly irradiance was constant. Such an assumption must be made in order to perform the dynamic simulation. The optimization result might have an error if the irradiance changes significantly within an hour; however, our study provided an optimization approach. This limitation could be solved by measuring irradiance with sensors during real-time optimization. Another limitation is that it is essential to obtain a relative data set before using the proposed optimization approach. When the photovoltaic technology or climate zone changes, the neural network must be retrained; otherwise, the ANN cannot accurately calculate power output. However, the training methodology is already provided in this study. It is easy to collect data and retrain ANN with the proposed approach.
For future research work, we recommend the following tasks: (1) using a neural network with a more advanced algorithm to improve the prediction accuracy further; (2) optimizing a power plant with alternative renewable energy resources in a smart energy network environment, whereby the data analytics can significantly minimize the need for expensive storage assets.
6. Conclusions
This study developed a new data-driven power-based optimization approach to help solar farms harvest more energy during operation. This study proved that power-based optimization will provide a different tilt angle than the conventional irradiance-based optimization because of the trade-off between irradiance and efficiency. This study also investigated the return on different optimization horizons and found that hourly optimization can significantly decrease the green energy premium. Despite higher initial investment on adjustable panels, the optimization could significantly improve the capital return in the long term in two important ways. First, the solar farm using this optimization approach could generate 22.43% more power with the same number of photovoltaic panels, resulting in greater cash flow during the operation. Second, fewer photovoltaic panels mean less land usage and lower maintenance costs, which means a lower initial investment. Panels with more advanced module materials could improve the benefits of the tilt angle optimization further.
Author Contributions
Conceptualization, W.Y., M.S.H. and J.Z.W.; methodology, W.Y.; software, W.Y.; validation, J.Z.W., J.N. and M.S.H.; formal analysis, W.Y.; data curation, J.Z.L.; writing—original draft preparation, W.Y.; writing—review and editing, J.Z.W. and J.Z.L.; visualization, W.Y.; supervision, J.Z.W. All authors have read and agreed to the published version of the manuscript.
Funding
This research was funded by the Natural Sciences and Engineering Research Council of Canada (NSERC) through a Collaborative Research and Development (CRD) grant.
Data Availability Statement
Data used in this study can be found from https://pvdata.nist.gov/.
Conflicts of Interest
The authors declare no conflict of interest.
Nomenclature
| Solar Position Model | |||
| γ | Fractional year | t | Standard Time in 24 h clock |
| EoT | Equation of Time | UTC | Coordinated Universal Time |
| L | Longitude | ΔTZ | Time Zone in UTC |
| Lst | Solar time | ω | Hour angle |
| n | The day number within a year (1–365) | ||
| Liu–Jordan model | |||
| Gsc | Solar constant | Rb | Inclination factor of beam irradiance |
| GHI | Solar irradiance on a horizontal surface | Rd | Inclination factor of diffuse irradiance |
| kT | Hourly clearness index | Rr | Inclination factor of reflect irradiance |
| I0 | Extraterrestrial irradiance on a flat surface | β | Tilt angle |
| Ib,t | Hourly direct beam irradiance on tilt surface | δ | Declination |
| Id,t | Hourly diffuse irradiance on tilted surface | ϕ | Latitude |
| Ir,t | Hourly reflective irradiance on tilt surface | ρ | Reflective coefficient |
| It | Total irradiance incident on a tilt surface | ||
| 5-Parameter Model | |||
| f | Modified ideality factor | Rsh | Shunt resistance |
| G | Solar irradiance on tilt surface | STC | Standard Test Conditions |
| Gnoct | Solar irradiance at NOCT | Ta | Ambient temperature |
| Idio | Diode current | Ta,noct | Ambient temperature at NOCT |
| Ipv | Photovoltaic current | Tc | Cell temperature |
| Is | Diode’s saturation current | Tc,noct | Cell temperature at NOCT |
| Isc | Short circuit current | Voc | Open circuit voltage |
| IMPP | Current at MPP | VMPP | Voltage at MPP |
| MPP | Maximum Power Point | α | Cell absorption coefficient |
| NOCT | Nominal Operating Cell Temperature | αP | Temperature coefficient of power |
| P | Power Output | ηmp,STC | Efficiency at MPP at STC |
| Rs | Series resistance | τ | Radiation transmission coefficient |
References
- AccessScience. Paris Climate Agreement; UNFCCC: New York, NY, USA, 2021. [Google Scholar]
- Sampaio, P.G.V.; González, M.O.A. Photovoltaic solar energy: Conceptual framework. Renew. Sustain. Energy Rev. 2017, 74, 590–601. [Google Scholar] [CrossRef]
- International Renewable Energy Agency. Renewable Power Generation Costs in 2020; International Renewable Energy Agency: Abu Dhabi, United Arab Emirates, 2020. [Google Scholar]
- Energyhub. Cost of Solar Power in Canada 2021; Energyhub: Brooklyn, NY, USA, 2021. [Google Scholar]
- Sharma, D.; Mehra, R.; Raj, B. Comparative analysis of photovoltaic technologies for high efficiency solar cell design. Superlattices Microstruct. 2021, 153, 106861. [Google Scholar] [CrossRef]
- Raina, G.; Vijay, R.; Sinha, S. Study on the optimum orientation of bifacial photovoltaic module. Int. J. Energy Res. 2021, 46, 4247–4266. [Google Scholar] [CrossRef]
- Ibrahim, K.H.; Ahmed, E.M.; Saleh, S.M. Minimum cost-based design of isolated PV -wind hybrid system considering the PV tilt angle and wind turbine hub height as design parameters using genetic algorithm. Int. J. Energy Res. 2021, 45, 13149–13162. [Google Scholar] [CrossRef]
- Ganti, P.K.; Naik, H.; Barada, M.K. Hybrid TSA-RBFN based approach for MPPT of the solar PV panel under the effects of tilt angles variations and environmental effects. Int. J. Energy Res. 2021, 45, 20104–20131. [Google Scholar] [CrossRef]
- Sharma, A.; Kallioğlu, M.A.; Awasthi, A.; Chauhan, R.; Fekete, G.; Singh, T. Correlation formulation for optimum tilt angle for maximizing the solar radiation on solar collector in the Western Himalayan region. Case Stud. Therm. Eng. 2021, 26, 101185. [Google Scholar] [CrossRef]
- Alghamdi, A. Performance Enhancement of Roof-Mounted Photovoltaic System: Artificial Neural Network Optimization of Ground Coverage Ratio. Energies 2021, 14, 1537. [Google Scholar] [CrossRef]
- Mansour, R.B.; Khan, M.A.M.; Alsulaiman, F.A.; Mansour, R.B. Optimizing the solar PV tilt angle to maximize the power output: A case study for Saudi Arabia. IEEE Access 2021, 9, 15914–15928. [Google Scholar] [CrossRef]
- Hassan, Q.; Abbas, M.K.; Abdulateef, A.M.; Abdulateef, J.; Mohamad, A. Assessment the potential solar energy with the models for optimum tilt angles of maximum solar irradiance for Iraq. Case Stud. Chem. Environ. Eng. 2021, 4, 100140. [Google Scholar] [CrossRef]
- Alhamer, E.E. Solar Photovoltaic Tilt Angle Optimization in the United States; University of Dayton: Dayton, OH, USA, 2021. [Google Scholar]
- Makenzi, M.; Muguthu, J.; Murimi, E. Maximization of Site-Specific Solar Photovoltaic Energy Generation through Tilt Angle and Sun-Hours Optimization. J. Renew. Energy 2020, 2020, 1–11. [Google Scholar] [CrossRef]
- Gwesha, A.O.; Li, P.; Alfulayyih, Y.M. Optimization of Fixed Photovoltaic Panel “Tilt” Angles for Maximal Energy Harvest Considering Year-Around Sky Coverage Conditions. J. Sol. Energy Eng. 2020, 143, 1–11. [Google Scholar] [CrossRef]
- Asiri, S.A.; Salilih, E.M.; Alfawaz, K.M.; Alogla, A.F.; Abu-Hamdeh, N.H.; Nusier, O.K. Improve the performance of renewable energy conversion and storage via ANN in a system of solar water heater with variable speed photovoltaic circulating pump. Int. J. Energy Res. 2022. [Google Scholar] [CrossRef]
- Bamisile, O.; Oluwasanmi, A.; Ejiyi, C.; Yimen, N.; Obiora, S.; Huang, Q. Comparison of machine learning and deep learning algorithms for hourly global/diffuse solar radiation predictions. Int. J. Energy Res. 2021, 46, 10052–10073. [Google Scholar] [CrossRef]
- Akhavan Shams, S.; Ahmadi, R. Dynamic optimization of solar-wind hybrid system connected to electrical battery or hydrogen as an energy storage system. Int. J. Energy Res. 2021, 45, 10630–10654. [Google Scholar] [CrossRef]
- Shboul, B.; Al-Arfi, I.; Michailos, S.; Ingham, D.; Ma, L.; Hughes, K.J.; Pourkashanian, M. A new ANN model for hourly solar radiation and wind speed prediction: A case study over the north & south of the Arabian Peninsula. Sustain. Energy Technol. Assessments 2021, 46, 101248. [Google Scholar] [CrossRef]
- Ağbulut, Ü.; Gürel, A.E.; Biçen, Y. Prediction of daily global solar radiation using different machine learning algorithms: Evaluation and comparison. Renew. Sustain. Energy Rev. 2020, 135, 110114. [Google Scholar] [CrossRef]
- Villegas-Mier, C.G.; Rodriguez-Resendiz, J.; Álvarez-Alvarado, J.M.; Rodriguez-Resendiz, H.; Herrera-Navarro, A.M.; Rodríguez-Abreo, O. Artificial Neural Networks in MPPT Algorithms for Optimization of Photovoltaic Power Systems: A Review. Micromachines 2021, 12, 1260. [Google Scholar] [CrossRef]
- Shukla, K.N.; Rangnekar, S.; Sudhakar, K. Comparative study of isotropic and anisotropic sky models to estimate solar radiation incident on tilted surface: A case study for Bhopal, India. Energy Rep. 2015, 1, 96–103. [Google Scholar] [CrossRef]
- Heinz, S.; Benner, C.; Spann, N.; Bertolino, E. Simple Combinations of Lineage-Determining Transcription Factors Prime cis-Regulatory Elements Required for Macrophage and B Cell Identities. Mol. Cell 2010, 38, 576–589. [Google Scholar] [CrossRef]
- Duffie, J.A.; Beckman, W.A.; Worek, W.M. Solar Engineering of Thermal Processes, 2nd ed. J. Sol. Energy Eng. 1994, 116, 67–68. [Google Scholar] [CrossRef]
- Boyd, M.; Chen, T.; Dougherty, B. NIST Campus Photovoltaic (PV) Arrays and Weathe Station Data Sets; National Institute of Standards and Technology, U.S. Department of Commerce: Washington, DC, USA, 2017.
- Bader, S.; Ma, X.; Oelmann, B. One-diode photovoltaic model parameters at indoor illumination levels—A comparison. Sol. Energy 2019, 180, 707–716. [Google Scholar] [CrossRef]
- Alzahrani, M.; Shanks, K.; Mallick, T.K. Advances and limitations of increasing solar irradiance for concentrating photovoltaics thermal system. Renew. Sustain. Energy Rev. 2020, 138, 110517. [Google Scholar] [CrossRef]
- Garud; Sandip, K.; Jayaraj, S.; Lee, M. A review on modeling of solar photovoltaic systems using artificial neural networks, fuzzy logic, genetic algorithm and hybrid models. Int. J. Energy Res. 2021, 45, 6–35. [Google Scholar] [CrossRef]
- University of Wisconsin–Madison. TRNSYS, a Transient Simulation Program; Solar Energy Laboratory: Madison, WI, USA, 1975. [Google Scholar]
- Mansir, I.B.; Musharavati, F.; Abubakar, A.A. Using deep learning artificial intelligence and multiobjective optimization in obtaining the optimum ratio of a fuel cell to electrolyzer power in a hydrogen storage system. Int. J. Energy Res. 2022. [Google Scholar] [CrossRef]
Publisher’s Note: MDPI stays neutral with regard to jurisdictional claims in published maps and institutional affiliations. |
© 2022 by the authors. Licensee MDPI, Basel, Switzerland. This article is an open access article distributed under the terms and conditions of the Creative Commons Attribution (CC BY) license (https://creativecommons.org/licenses/by/4.0/).











