Performance Analysis of Electro-Hydraulic Thrust System of TBM Based on Fuzzy PID Controller
Abstract
1. Introduction
2. Description of Thrust Hydraulic Control System
3. Mathematical Modeling
4. Electro-Hydraulic Control System Design
4.1. Control Strategy
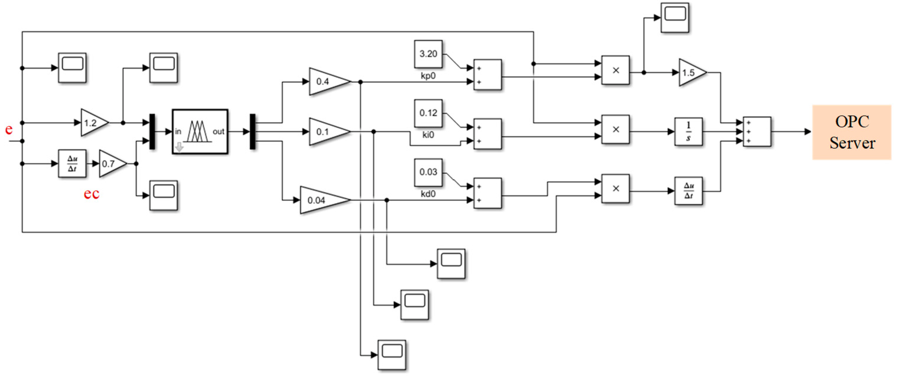
4.2. Design of Fuzzy PID Controller
4.3. Definition of Domain and Membership
4.4. Fuzzy Control Rules
5. Experimental Results and Analysis
5.1. Test Rig
5.2. Test Results
6. Conclusions
- (1)
- The model of the electro-hydraulic thrust system operating under the varying conditions was built and verified.
- (2)
- The thrust system with the fuzzy PID controller is more efficient in pressure regulation operation, which reaches the target value from 16–45 s in ascending interval and 13–24 s in descending circumstances. The larger variation of pressure changes, the more time the fuzzy PID system reduces.
- (3)
- Both systems can qualify the velocity need of tunneling projects. The thrust system of the fuzzy PID controller shows smoother impact when the system generates pressure at the beginning phase. The conventional PID controller can undertake the velocity regulation task as long as the tunneling routine has been continuously executed.
Author Contributions
Funding
Institutional Review Board Statement
Informed Consent Statement
Data Availability Statement
Conflicts of Interest
References
- Hu, X.; Fu, W.; Woody Ju, J.; He, C.; Fang, Y.; Wang, J. Face stability conditions in granular soils during the advancing and stopping of earth-pressure-balanced-shield machine. Tunn. Undergr. Space Technol. 2021, 109, 103755. [Google Scholar] [CrossRef]
- Do, N.A.; Dias, D.; Vu, T.T.; Dang, V.K. Impact of the shield machines performance parameters on the tunnel lining behaviour and settlements. Environ. Earth Sci. 2021, 80, 507. [Google Scholar] [CrossRef]
- Huo, J.; Zhou, L.; Zhu, D.; Zhang, W.; Wang, W.; Sun, W. Cutterhead opening mode design of a composite earth pressure balance shield machine. J. Harbin Eng. Univ. 2017, 38, 433–439. [Google Scholar]
- Zhang, X.; Xie, W.; Liu, Q.; Yang, X.; Tang, S.; Wu, J. Development and application of an in-situ indentation testing system for the prediction of tunnel boring machine performance. Int. J. Rock Mech. Min. Sci. 2021, 147, 104899. [Google Scholar] [CrossRef]
- Jahed Armaghani, D.; Azizi, A. An Overview of Field Classifications to Evaluate Tunnel Boring Machine Performance. In Applications of Artificial Intelligence in Tunnelling and Underground Space Technology; Springer Science and Business Media Deutschland GmbH: Singapore, 2021; pp. 1–16. [Google Scholar]
- Lee, G.; Ryu, H.; Kwon, T.; Cho, G.; Kim, K.; Hong, S. A Newly Developed State-of-the-Art Full-Scale Excavation Testing Apparatus for Tunnel Boring Machine (TBM). KSCE J. Civ. Eng. 2021, 25, 4856–4867. [Google Scholar] [CrossRef]
- Guo, Z.; Lv, S.; Wang, J.; Zhang, X. Rock-breaking performance of cutters of tunnel boring machine in broken coal rock formation. Int. J. Saf. Secur. Eng. 2020, 10, 17–25. [Google Scholar] [CrossRef]
- Grasmick, J.; Mooney, M. A Probabilistic Geostatistics-Based Approach to Tunnel Boring Machine Cutter Tool Wear and Cutterhead Clogging Prediction. J. Geotech. Geoenviron. 2021, 147, 05021014. [Google Scholar] [CrossRef]
- Huo, J.; Wu, H.; Ji, W. Anti-vibration design for TBM main drive system based on multi-directional coupling dynamic characteristics analysis. J. Mech. Sci. Technol. 2020, 34, 4405–4421. [Google Scholar] [CrossRef]
- Wang, F.; Gong, G.; Duan, L.; Qin, Y. XGBoost based intelligent determination system design of tunnel boring machine operation parameters. J. Zhejiang Univ. Eng. Sci. 2020, 54, 633–641. [Google Scholar]
- Lee, H.; Choi, H.; Choi, S.; Chang, S.; Kang, T.; Lee, C. Numerical Simulation of EPB Shield Tunnelling with TBM Operational Condition Control Using Coupled DEM-FDM. Appl. Sci. 2021, 11, 2551. [Google Scholar] [CrossRef]
- Krahl, P.A.; Palomo, I.I.; de Castro Almeida, S.J.; Siqueira, G.H.; Pinto Junior, N.D.O.; Marcos Vieira Junior, L.C. Tolerances for TBM thrust load based on crack opening performance of fiber-reinforced precast tunnel segments. Tunn. Undergr. Space Technol. 2021, 111, 103847. [Google Scholar] [CrossRef]
- Jing, L.; Li, J.; Zhang, N.; Chen, S.; Yang, C.; Cao, H. A TBM advance rate prediction method considering the effects of operating factors. Tunn. Undergr. Space Technol. 2021, 107, 103620. [Google Scholar] [CrossRef]
- Bilgin, N.; Acun, S. The effect of rock weathering and transition zones on the performance of an EPB-TBM in complex geology near Istanbul, Turkey. B Eng. Geol. Environ. 2021, 80, 3041–3052. [Google Scholar] [CrossRef]
- Wang, R.; Guo, X.; Li, J.; Wang, J.; Jing, L.; Liu, Z.; Xu, X. A mechanical method for predicting TBM penetration rates. Arab. J. Geosci. 2020, 13, 335. [Google Scholar] [CrossRef]
- Lindbergh, L.R.; Shanahan, A.J.; Cahoon, I.R.; Robbins, R.J.; Moore, J.C.; Brown, B.R.; Reilly, T.J. Apparatus and Method for Monitoring Tunnel Boring Efficiency. WO2009155110A2, 23 December 2009. [Google Scholar]
- Shi, H.; Yang, H.; Gong, G.; Liu, H.; Hou, D. Energy saving of cutterhead hydraulic drive system of shield tunneling machine. Automat. Constr. 2014, 37, 11–21. [Google Scholar] [CrossRef]
- Wang, L.; Gong, G.; Shi, H.; Yang, H. Modeling and analysis of thrust force for EPB shield tunneling machine. Automat. Constr. 2012, 27, 138–146. [Google Scholar] [CrossRef]
- Yang, J.; Men, Y.; Liao, S.; Gao, D.; Su, F. The effect and construction control of large diameter shield tunneling under railway culvert. J. Shanghai Jiaotong Univ. 2019, 53, 297–304. [Google Scholar]
- Hou, D.; Gong, G.; Shi, H.; Wang, L. Design of new propulsion system of shield tunneling machine based on compliance characteristics. J. Zhejiang Univ. Eng. Sci. 2013, 47, 1287–1292, 1298. [Google Scholar]
- Venkaiah, P.; Sarkar, B.K. Electrohydraulic proportional valve-controlled vane type semi-rotary actuated wind turbine control by feedforward fractional-order feedback controller. Proc. Inst. Mech. Eng. Part I J. Syst. Control Eng. 2022, 236, 318–337. [Google Scholar] [CrossRef]
- Huang, T.; Wang, X.; Liu, H.; Yang, Y. Force analysis of an open TBM gripping-thrusting-regripping mechanism. Mech. Mach. Theory 2016, 98, 101–113. [Google Scholar] [CrossRef][Green Version]
- Nogales, A.; de la Fuente, A. Crack width design approach for fibre reinforced concrete tunnel segments for TBM thrust loads. Tunn. Undergr. Space Technol. 2020, 98, 103342. [Google Scholar] [CrossRef]
- Li, J.; Wu, Y.; Li, P.; Zheng, X.; Xu, J.; Ju, X. TBM tunneling parameters prediction based on Locally Linear Embedding and Support Vector Regression. J. Zhejiang Univ. Eng. Sci. 2021, 55, 1426–1435. [Google Scholar]
- Mandal, P.; Sarkar, B.K.; Saha, R.; Mookherjee, S.; Sanyal, D. Designing an optimized model-free controller for improved motion tracking by rugged electrohydraulic system. Proc. Inst. Mech. Eng. Part I J. Syst. Control Eng. 2016, 230, 385–396. [Google Scholar] [CrossRef]
- Sankardoss, V.; Geethanjali, P. Design and Low-Cost Implementation of an Electric Wheelchair Control. IETE J. Res. 2021, 67, 657–666. [Google Scholar] [CrossRef]
- Haro, A.; Young, H.; Pavez, B. Fuzzy Logic Active Yaw Control of a Low-Power Wind Generator. IEEE Lat. Am. Trans. 2021, 19, 1941–1948. [Google Scholar] [CrossRef]
- Garcia-Martinez, J.R.; Cruz-Miguel, E.E.; Carrillo-Serrano, R.V.; Mendoza-Mondragon, F.; Toledano-Ayala, M.; Rodriguez-Resendiz, J. A PID-Type Fuzzy Logic Controller-Based Approach for Motion Control Applications. Sensors 2020, 20, 5323. [Google Scholar] [CrossRef]
- Vinod, J.; Sarkar, B.K. Francis turbine electrohydraulic inlet guide vane control by artificial neural network 2 degree-of-freedom PID controller with actuator fault. Proc. Inst. Mech. Eng. Part I J. Syst. Control Eng. 2021, 235, 1494–1509. [Google Scholar]
- Odry, Á.; Fullér, R.; Rudas, I.J.; Odry, P. Fuzzy control of self-balancing robots: A control laboratory project. Comput. Appl. Eng. Educ. 2020, 28, 512–535. [Google Scholar] [CrossRef]
- Castillo, O.; Cortés-Antonio, P.; Melin, P.; Valdez, F. Type-2 fuzzy control for line following using line detection images. J. Intell. Fuzzy Syst. 2020, 39, 6089–6097. [Google Scholar] [CrossRef]
- Mohammadzadeh, A.; Ghaemi, S.; Kaynak, O.; Khanmohammadi, S. Observer-based method for synchronization of uncertain fractional order chaotic systems by the use of a general type-2 fuzzy system. Appl. Soft Comput. 2016, 49, 544–560. [Google Scholar] [CrossRef]























| Class | Qualitative Description |
|---|---|
| I | The hardest and most complete |
| II | Hard and complete |
| III | Relatively hard and complete |
| IV | Relatively weak and broken |
| V | The weakest and most broken |
| e | ec | ||||||
|---|---|---|---|---|---|---|---|
| NB | NM | NS | ZO | PS | PM | PB | |
| NB | PB/NB/PS | PB/NB/NM | PM/NM/NB | PM/NM/NB | PS/NS/NB | ZO/NS/NM | ZO/ZO/PS |
| NM | PB/NB/PS | PM/NM/NM | PM/NM/NB | PS/NS/NM | PS/NS/NM | ZO/ZO/NS | NS/PS/ZO |
| NS | PM/NM/ZO | PM/NM/NS | PS/NS/NM | PS/NS/NM | ZO/ZO/NS | NS/PS/NS | NS/PS/ZO |
| ZO | PM/NM/ZO | PS/NS/NS | PS/NS/NS | ZO/ZO/NS | NS/PS/NS | NS/PS/NS | NM/PM/ZO |
| PS | PS/NS/ZO | PS/NS/ZO | ZO/ZO/ZO | NS/PS/ZO | NS/PS/ZO | NM/PM/ZO | NM/PM/ZO |
| PM | PS/NS/PB | ZO/ZO/NS | NS/PS/PS | NS/PS/PS | NM/PM/PS | NM/PM/PS | NB/PB/PB |
| PB | ZO/ZO/PB | NS/PS/PM | NS/PS/PM | NM/PM/PM | NM/PM/PM | NB/PB/PS | NB/PB/PB |
| Parameter | Value | Unit |
|---|---|---|
| Rod diameter of propel cylinder | 180 | mm |
| Inside bore diameter of propel cylinder | 125 | mm |
| Stroke of propel cylinder | 530 | mm |
| Control pressure of pressure reducing valve | 0–310 | bar |
| Max. flow rate of pressure reducing valve | 40 | L/min |
| Max. output current of solenoid of pressure reducing valve | 800 | mA |
| Setting pressure of safe valve | 320 | bar |
| Max. thrust force (4 cylinders in total) | 2000 | kN |
| Characteristics | Existing System | PID Control | Fuzzy PID Control | |
|---|---|---|---|---|
| Overshoot | 0–90 bar | 9.3 bar | 2.3 bar | 5.0 bar |
| 90–100 bar | 10.1 bar | 9.5 bar | 6.8 bar | |
| 100–95 bar | 4.3 bar | 3.3 bar | 2.8 bar | |
| Settling time | 0–90 bar | 42 s | 38 s | 7 s |
| 90–100 bar | 30 s | 45 s | 16 s | |
| 100–95 bar | 29 s | 24 s | 13 s | |
Publisher’s Note: MDPI stays neutral with regard to jurisdictional claims in published maps and institutional affiliations. |
© 2022 by the authors. Licensee MDPI, Basel, Switzerland. This article is an open access article distributed under the terms and conditions of the Creative Commons Attribution (CC BY) license (https://creativecommons.org/licenses/by/4.0/).
Share and Cite
Wu, W.; Gong, G.; Chen, Y.; Zhou, X. Performance Analysis of Electro-Hydraulic Thrust System of TBM Based on Fuzzy PID Controller. Energies 2022, 15, 959. https://doi.org/10.3390/en15030959
Wu W, Gong G, Chen Y, Zhou X. Performance Analysis of Electro-Hydraulic Thrust System of TBM Based on Fuzzy PID Controller. Energies. 2022; 15(3):959. https://doi.org/10.3390/en15030959
Chicago/Turabian StyleWu, Weiqiang, Guofang Gong, Yuxi Chen, and Xinghai Zhou. 2022. "Performance Analysis of Electro-Hydraulic Thrust System of TBM Based on Fuzzy PID Controller" Energies 15, no. 3: 959. https://doi.org/10.3390/en15030959
APA StyleWu, W., Gong, G., Chen, Y., & Zhou, X. (2022). Performance Analysis of Electro-Hydraulic Thrust System of TBM Based on Fuzzy PID Controller. Energies, 15(3), 959. https://doi.org/10.3390/en15030959
