Abstract
Facing the challenges of grid stability brought by the large-scale access of new energy to the grid, as one of the important means of frequency regulation of the grid, the doubly-fed pumped-storage units (DFPSU) have great practical significance in the study of the joint frequency regulation strategy with the thermal power unit (TPU). In order to reduce the frequency regulation pressure on the grid caused by the large-scale entry of new energy sources, this paper proposes a joint frequency regulation strategy for the TPU and DFPSU. Based on establishing the optimal scheduling model of the system, taking into account the minimum total operating cost and the optimal time as goals, the chaotic particle swarm optimization (CPSO) is proposed to solve the model. Finally, through MATLAB simulation, the relevant examples are studied and analyzed, and the simulation results verify that the joint frequency regulation strategy in this paper can effectively improve the frequency regulation performance of the unit and the operation economy is good.
1. Introduction
In recent years, with the sustained development of the social economy, the electricity demand is increasing, and users’ requirements for the quality and reliability of the power supply are also further improving. With the development and construction of UHV and smart grids, the large-load power supply is gradually increasing. Due to the uncertainty of the safety risk of a long-distance power supply, the large-load tripping in the region and the impact of large-capacity unit load shedding on the power grid have caused the frequency fluctuation of the power grid and the reduction of power supply reliability. To ensure the safe operation of the grid and prevent the occurrence of grid collapse accidents, the grid frequency level must be maintained. Therefore, we have to carry out joint frequency regulation research on the power system, which is of great practical significance to realize the economical distribution of unit load and meet the safe and economical operation of the power system.
As a mature traditional energy storage method, the pumped storage unit (PSU) occupies an important position in the power system with its great peak shaving ability [1,2,3]. Among them, the doubly-fed pumped storage units overcome the shortcomings of the traditional pumped storage units with non-adjustable rotational speed, and play an important role in improving the operational stability of the power grid and increasing the energy utilization rate, thus becoming one of the mainstreams of new units in pumped storage power plants nowadays. In recent years, with the global consensus to accelerate energy transformation and promote the development of renewable energy [4,5], the large-scale capacity connection of new energy units to the grid has promoted energy conservation and emission reduction work, but at the same time, it makes the stable operation and frequency control of the power system more difficult [6,7]. The sustained increase of the penetration rate of renewable energy in the power system requires that the DFPSU not only has the function of peak regulation, but also needs to have the ability to participate in the frequency regulation of the power grid. Compared with the traditional power grid, in which only the TPU participates in the system frequency regulation [8,9,10], the DFPSU participates in the grid frequency regulation, which has the advantage of automatically tracking the grid frequency changes, and can quickly smooth the grid frequency fluctuations in a short time, and adjust the frequency of the grid. The method is more flexible, the storage capacity is larger, and the environmental pollution is smaller [11,12]. Therefore, in the future, the strategy research on the participation of the DFPSU in power grid frequency regulation will receive more and more attention.
At present, most of the research on the PSU participating in system frequency regulation uses PSU as an auxiliary means and does not play a role in a large amount of energy storage. The literature [13] proposed a method for pumped storage units to participate in the system automatic power generation control and frequency regulation operation, which realized the step change of output power by changing the operation state of pumped storage units to realize the pumped storage units auxiliary thermal power units to participate in the system frequency control, but did not explain the advantages and economic benefits of pumped storage units auxiliary thermal power units to participate in the system frequency control. The literature [14,15,16] established a simulation model of the combined wind-fire-storage multi-source system in Simulink, and verified that the pumped storage unit-assisted thermal unit, which can smoothly regulate the fluctuation of wind power and stochastic power output, has a better effect on frequency control for the dynamic situation of load change. However, there are few studies on the participation of doubly-fed pumped storage units in system frequency regulation, and most of them focus on the modeling and operating characteristics of the units. The advantages of using doubly-fed pumped storage units for joint frequency control are not explained. References [17,18,19] applied the theory of field-oriented control respectively, deduced the mathematical model of the DFPSU, and verified its ability to support frequency stability through simulation. References [20,21] through the research on the droop controller strategy, compared with the traditional PSU and verified the superiority of the DFPSU in the dynamic stability of the response frequency. Although a few references have done related research on the operation control strategy of the unit [22,23,24,25], some simplify the model in the dynamic test, which makes the control effect of the unit too ideal [22]. Some focus on evaluating the performance of DFPSU on a time scale combined with physical characteristics and economic indicators [23]. The main purpose of some research control strategies is to apply the frequency regulation capability of the DFPSU to the wind power fluctuation compensation scheme [24,25]. As an important frequency regulation tool, in the future, DFPSU will be connected to the grid and combined with other grid units, such as TPU, to participate in the strategy research of system frequency regulation.
Based on the above background, because of the frequency distribution characteristics of the power grid and the inherent characteristics of frequency regulation of conventional units [26,27], this paper proposed a joint frequency regulation strategy for TPU and DFPSU, establishing an optimal scheduling model for system joint frequency regulation. Considering the output constraints of TPU, the output constraints of DFPSU, the storage capacity constraints of DFPSU, and the power balance constraints in the system, aiming at the lowest total operating cost and optimal time of the system, the CPSO is proposed to solve the model. The CPSO can jump out of the local optimal optimization process, to obtain the optimal solution. The simulation is carried out in MATLAB, and the simulation results verify that the joint frequency regulation strategy in this paper can effectively improve the frequency regulation performance of the unit and the operation economy is good.
2. Modeling of the TPU and DFPSU
2.1. Modeling of the TPU
The control of the AGC to the generator set is mainly completed by the coordination and cooperation of the speed regulating mechanism and the generator set controller.
In today’s power grid operation, the control mode of TPU is mainly adjusted by decentralized regulation. Its main function is to collect data, and after analyzing the collected data, quickly feedback the analysis results to the control center for adjustment and use by the control center. It can also control the start of the unit, adjust the rotor speed, monitor the state of the furnace to ensure safe production, and control the trip of the steam turbine.
The speed regulation system of thermal power units is composed of a prime mover, a generator, a load, and a governor. The mathematical model is as follows.
Depending on the speed deviation, the following equation can be obtained:
Taking the Lagrangian transformation of the above formula, the following equation can be obtained:
The load model can be expressed as.
where is the power change of the non-frequency sensitive equipment; δ∆ω is the power change of the frequency sensitive equipment; δ is the ratio of the percentage of load change to the percentage of frequency change.
The prime mover model, taking the reheat steam turbine as an example, can be expressed as:
The output of the governor is the difference between the set power and the power , which can be expressed as:
where is given by the governor characteristics.
The frequency–domain relationship can be expressed as:
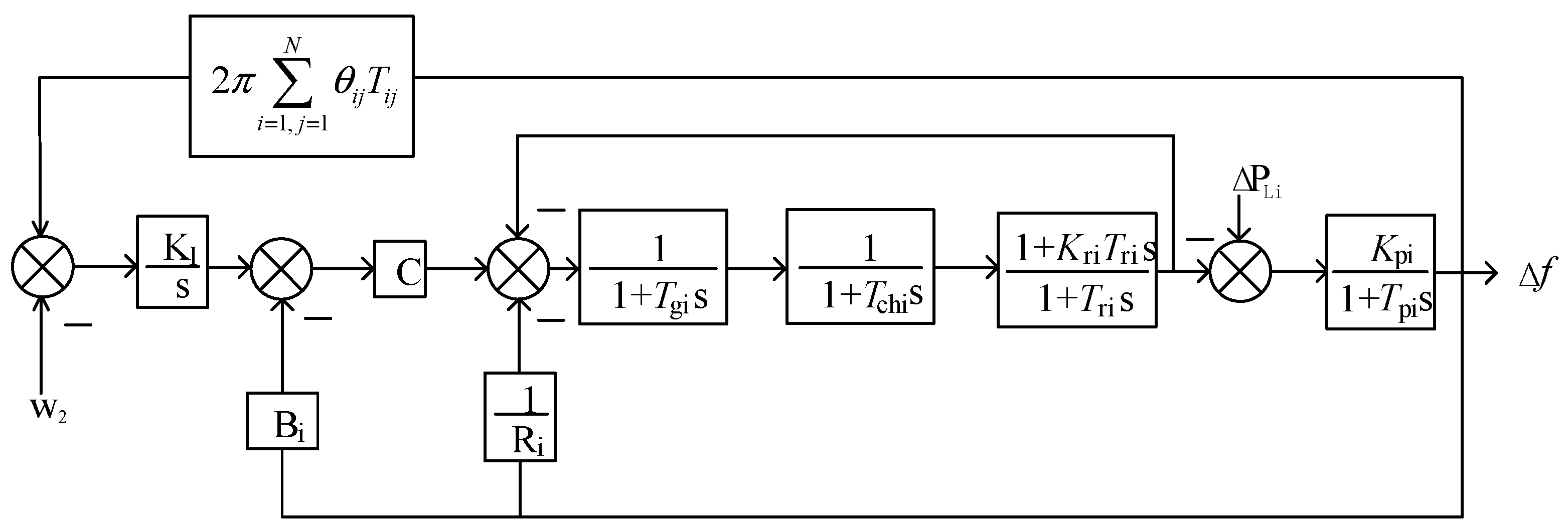
In summary, the frequency control model of the thermal power generating unit is shown in the Figure 1. A summary explanation of the variables is presented in Table 1.
Figure 1.
Frequency control system model of the TPU.
Table 1.
Variable Table.
2.2. Modeling of the DFPSU
The DFPSU overcomes the shortcomings of the traditional constant-speed PSU that the rotational speed cannot be adjusted, and has higher a stability and better operating performance.
The traditional PSU uses a synchronous motor as a generator motor, and the constant rotational speed limits the unit’s operating capacity and operating efficiency. However, because the DFPSU adopts the doubly-fed motor as the generator motor, the unit can use the excitation power on the rotor side of the motor to adjust the frequency, amplitude, and phase of the rotor voltage and current, thus realizing the adjustable speed. The principal structure is shown in Figure 2.
Figure 2.
Structure diagram of the DFPSU.
The operating states of the DFPSU can generally be summarized as static, power generation, and pumping. However, the output power of the DFPSU is limited due to the characteristic of the turbine to avoid the vibration-heavy operating area, so the operating state of the DFPSU cannot be adjusted at will. When the DFPSU is in the power generation condition, the operating characteristics of the hydroelectric unit are not much different, so it can be treated similarly. Within a limited range, the system frequency can be controlled by receiving an AGC signal adjustment command. When the DFPSU is in the pumping mode, the output power can be changed by switching the operating state to a static state, so that the frequency of the system can be controlled by the generated power change, solving the problem that the output power cannot be adjusted freely. When the DFPSU stops working, it can be regarded as the output state of unit 0, and the system frequency can be controlled by the power change generated by switching the working mode. There are at most 6 possible transition paths between the 3 operating states. Path 1 is from the stationary state to the power generation state; Path 2 is from the power generation state to the stationary state; Path 3 is from the stationary state to the pumping state; Path 4 is from the pumping state to the stationary state; Path 5 is from the power generation state to the pumping state and Path 6 is from the pumping state to the power generation state, as shown in Figure 3.
Figure 3.
Pumped storage unit operating state transfer diagram.
The probability characteristics of different switching paths are different. A mathematical model is developed for the power characteristics of the switching states for each operating condition, as shown in the formula following.
where represents the starting time of the working state switching, is the number of AGC delay steps from the time of receiving the command until the output power starts to change. take P when the DFPSU is in the motor state. take G when it is in the generator state, and take O when it is in the static state. is the number of AGC delay steps required to change the output power when the DFPSU switches to operating conditions. The output power of the unit when it is in the state of the motor is . The maximum power and the minimum power when it is in the state of the generator is expressed by and .
The mathematical model of the governor can be expressed as:
where is the time constant of the turbine governor.
The mathematical model of the turbine can be expressed as:
where is the time constant of the hydro-generator.
Due to the existence of the water hammer effect, it is often necessary to add a water hammer compensation link to the governor model to ensure the stability of the turbine. The mathematical expression of the water hammer compensation link is:
The compensator parameters , . Based on empiricism, the reset time parameter and the transient slope coefficient are defined as follows:
where M represents the inertia of the unit.
In summary, the frequency control model of the DFPSU is shown in Figure 4. A summary explanation of the variables is presented in Table 2.
Figure 4.
Frequency control system model of DFPSU.
Table 2.
Variable Table.
3. Combined Frequency Regulation Strategy for the TPU and DFPSU
3.1. System Model of the TPU and DFPSU
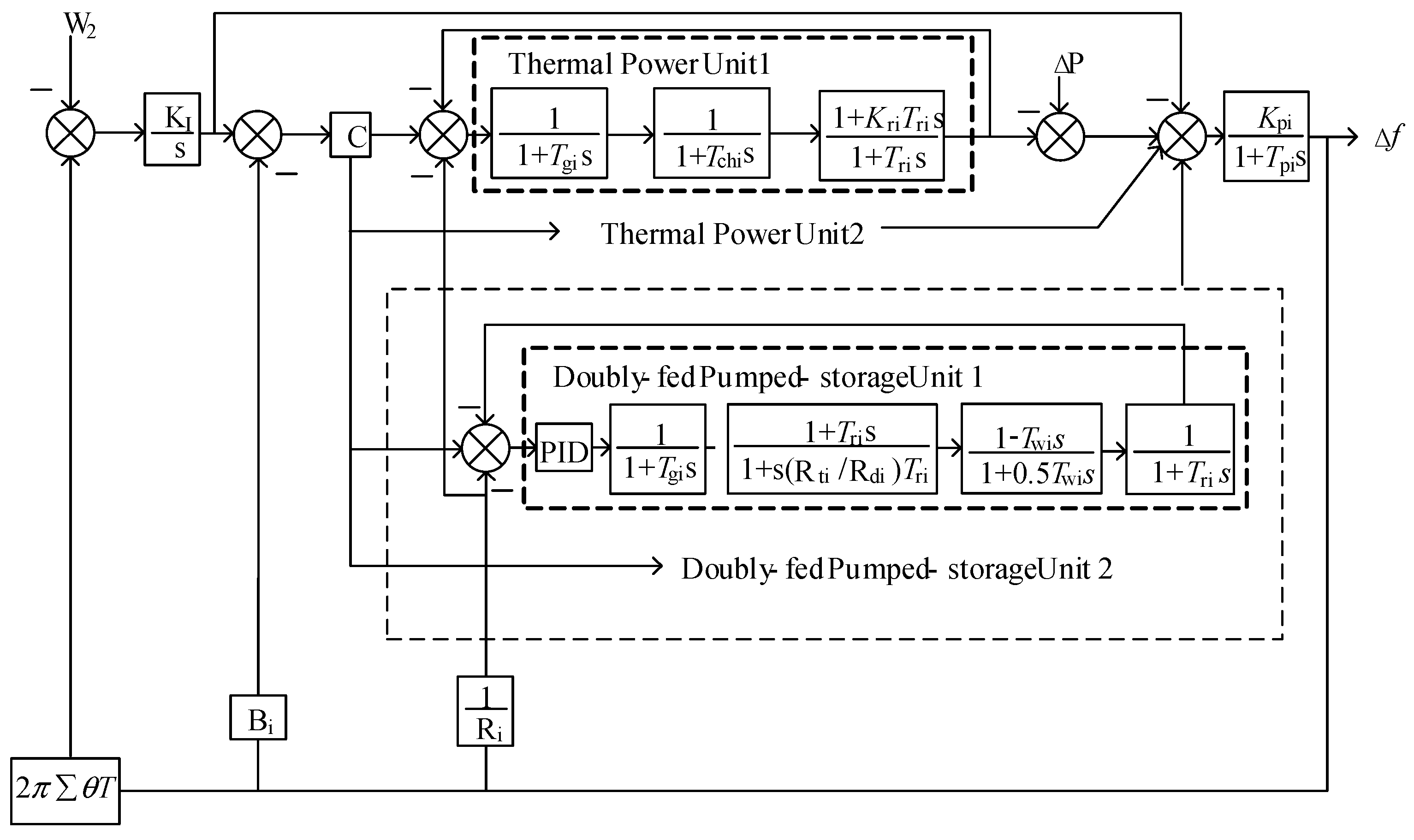
The system model connecting multiple TPU and multiple hydropower units through tie lines is shown in Figure 5:
Figure 5.
Joint frequency regulation control system diagram.
3.2. Optimal Dispatching Model for Joint Frequency Regulation of the TPU and DFPSU
3.2.1. Constraints
- 1.
- The upper and lower limits of the output of TPU can be expressed as:where and are the upper and lower output limits of unit i, respectively, and n is the number of TPU.
- 2.
- The upper and lower limits of the output of PSU can be expressed as:where and are the upper and lower limits of the output of the DFPSU j, respectively, and m is the number of the DFPSU.
- 3.
- The storage capacity constraint of the DFPSU iswhere , represent the average hydro-power conversion rate under the condition of power generation and pumping, respectively, ; are the initial water capacity, the minimum water capacity, and the maximum water capacity of the upper reservoir of the DFPSU; is the power generation of the DFPSU; is the pump-rated power.
- 4.
- The power balance constraint in the system iswhere indicates the state of the DFPSU. When it is 0, it means that the unit is in the static state; when it is 1, it means that the unit is in the power generation state, and when it is -1, it means that the unit is in the pumping condition; are the state of the TPU and the DFPSU in the adjustment. When the output exceeds the upper limit of the unit or is lower than the lower limit of the unit, the corresponding unit does not participate in the AGC adjustment, at this time ; otherwise, .
3.2.2. Objective Function
The objective function of the system is the lowest overall operating cost and the optimal time of the system:
where is the output of unit i, in MW; i is the serial number of TPU, n is the number of TPU; represents the coal consumption corresponding to the output of TPU i, which are the characteristic parameters of operating consumption; and is the state of the unit. When the output exceeds the upper limit of the unit or is lower than the lower limit of the unit, the corresponding unit does not participate in the AGC adjustment, at this time ; otherwise, .
The total amount of regional control deviation in the system at a certain time is , the current regulation amount carried by each AGC unit is , the regulation rate of each unit is , N is the sum of all AGC units, N = m + n: n is the thermal power AGC unit number, m is the number of DFPSU.
Economic goals:
Time target:
The weighted summation of economic goals and time goals is used to convert the multi-objective problem into a single-objective problem to solve. The expression is as follows:
where W is the time weight, that is, the importance ratio of the time-based optimization allocation in the whole objective, which shows the importance of the power grid to the time optimization. By changing the value of W, the flexible transformation of economic indicators and time indicators of the interconnected system can be realized, which is highly maneuverable and has important practical significance.
4. Realization of Joint Frequency Modulation Control Based on CPSO
4.1. Principle of the PSO
The PSO has been widely used in many engineering practices [28]. Its main idea is to learn from the behavior of bird groups to share information in the process of predation, to realize the optimal way for themselves and the group to find the target. The principle of the conventional particle swarm algorithm is as follows:
Set the total number of n particles, calculate in the D-dimensional space, set the coordinate of particle i as , the moving speed of particle i as , the optimal position found by the particle after one iteration is . The optimal position of the entire particle swarm after iteration is .
The relationship between the position and velocity of particles after each iteration is calculated as follows:
where represents the optimal position of particle i in the iterative process, represents the optimal position found by the entire population, and are the acceleration coefficient, w is the inertia coefficient, are random quantities equally distributed between 0 and 1.
Among them, w represents the influence of the current particle speed by the previous particle speed, also known as inertia weight. The value of w directly affects the ability of the PSO algorithm for global and local optimization. When the value of w is too large, the PSO algorithm will be more inclined to improve the ability of global optimization, while the ability of local optimization will be weakened; when the value of w is too small, the PSO algorithm will be more inclined to improve the ability of local optimization, while reducing the ability of global optimization.
4.2. Principle of the CPSO
4.2.1. Chaos Variables
Chaos is a random state of motion obtained from a deterministic equation, which is a more common phenomenon in nonlinear systems with complex and random behavior. Chaotic systems have the following characteristics:
Pseudo-randomness: Chaotic variables have the random properties of some random sequence on the surface, but at the same time can be predetermined;
Ergodicity: Chaotic variables can be ergodic over all points in the space, which means that the values of chaotic variables are absolutely unique in the evolution process;
Regularity: Chaotic variables have certain internal correlations within them, which are obtained by mapping the determined iterative equations, such as the logistic mapping used in this paper;
Sensitivity to initial values: Two initial values with small differences can produce two completely different chaotic systems, because chaotic mapping is done based on iterations, and each iteration amplifies the error between initial values, so reasonable initial values are especially important for chaotic iterations.
In order to make the PSO algorithm avoid premature and have good global search ability, this paper uses a chaotic optimization algorithm to improve the diversity of particles according to the advantages and disadvantages of the particle swarm algorithm, so that the PSO algorithm can obtain better diversity and global ergodicity in the initial state. With the help of the randomness and ergodicity of chaotic variables, it is possible to variate the particle search results in the particle search process, and then improve the distribution of particles, so that the algorithm can jump out of the local optimal search process.
The function of the chaotic variable in this paper is:
where is the state of the current particle, is the state of the particle after chaotic processing and is the control parameter.
4.2.2. The CPSO Algorithm Flow
The calculation process of the CPSO is as follows:
- 1.
- Initialize parameters, initialize particle position: initialize the population size (N), particle dimension (D), acceleration coefficient () and other parameters of the particle swarm.
- 2.
- Calculate the fitness of particles: Calculate and evaluate the fitness of the objective function and the fitness of the constraint function of each particle to obtain the individual optimal value and the global optimal value .
- 3.
- Update the velocity and position of the particle: the calculation formula is as described above.
- 4.
- The chaotic variable processing is performed on the updated particle state, and the formula is as follows:where t is the current number of iterations; is the particle state after chaotic variable processing; is obtained from the above formula; is the control parameter, and the calculation formula is as follows:where is the maximum number of iterations; k is a constant.
- 5.
- End condition judgment: judge whether the particle target value converges or whether it reaches the maximum number of iterations, otherwise go to step 2 to continue the optimization.
4.3. Flow of Joint Frequency Modulation Algorithm Based on the CPSO
Based on the above contents, the flow chart of the joint frequency modulation algorithm based on the CPSO is proposed in this paper, as shown in Figure 6.
Figure 6.
The flow chart of joint frequency modulation algorithm based on the CPSO.
- 1
- When initializing parameters, initialize the particle position, set the particle scale to 20, the maximum number of iterations , and the acceleration coefficient are 2, position the current evolutionary algebra at t = 1, define randomly generated particles in the space, and form the most initial population X(t). The initial displacement of each randomly generated particle changes to form a displacement transformation matrix .
- 2
- The population X(t), the objective function fitness values and constraint function fitness values in each dimension are evaluated and calculated.
- 3
- Compare the target value with its own optimal value, if the current target value is better than its own optimal value, replace its own optimal value with the current target value, and also update the current position in the D-dimensional space synchronously. The global optimal value of the population is compared with the current target value, and if the current target value is better than the global optimal value, the global optimal value is replaced with the current target value of the particle.
- 4
- Assign values to the new position and velocity formulas after introducing chaotic perturbations, and update the coordinate values of the particles in each dimension simultaneously to create a new population, denoted by the X(t + 1) denote.
- 5
- Judging whether the particle target value converges or not; in general, the PSO optimization search process only stops when the difference between the target value and the optimal value is less than the precision ε or when the maximum number of iterations is exceeded, otherwise, t = t + 1 and return to step 2 to continue the optimization search.
4.4. Comparison of Simulation Results between PSO Algorithm and Chaotic PSO Algorithm
As shown in Figure 7, it can be compared that the CPSO algorithm has a smoother convergence process compared to the conventional PSO algorithm, and it is less likely to fall into local optimum and has better convergence performance.
Figure 7.
Comparison chart of PSO algorithm and CPSO algorithm.
5. Case Analysis
This paper establishes an optimization model aiming at the minimum system operating cost and the optimal time. The model is solved under the MATLAB2018b platform. The computer parameters are Intel Core i5-8400 CPU@2.80 GHz, 8 GB memory.
5.1. Basic Data
Given and assigned to 5 TPU to form 1 TPU and 5 DFPSU to form a hydro-power plant, Ai is the adjustment amount to be allocated to each unit, and the relevant data characteristic parameters are shown in Table 3 and Table 4.
Table 3.
Relevant characteristic parameters of DFPSU.
Table 4.
Relevant characteristic parameters of TPU.
5.2. Simulation Results and Analysis
The simulation results of the dynamic characteristics of the unit are shown in the following Figure 8, Figure 9, Figure 10 and Figure 11:
Figure 8.
The frequency modulation difference curve of the unit when W = 0.
Figure 9.
The frequency modulation difference curve of the unit when W = 0.5.
Figure 10.
The frequency modulation difference curve of the unit when W = 0.7.
Figure 11.
The frequency modulation difference curve of the unit when W = 1.
As shown in Figure 8, Figure 9, Figure 10 and Figure 11, when a separate TPU is frequency-regulated, the overshoot is large and the adjustment time is long when the time weight W takes a small value, and the overshoot is small and the adjustment time is short when the time weight W takes a large value. When the DFPSU participates in the frequency regulation system, the area control deviation (ACE) amount of the adjustment undertaken by the TPU decreases, the ACE adjustment amount undertaken by the DFPSU increases, and the overall adjustment speed of the system slows down when the time weight W takes a small value. The ACE amount of the adjustment undertaken by the TPU increases, the ACE adjustment amount undertaken by the DFPSU decreases, and the overall adjustment speed of the system is accelerated when the time weight W takes a larger value. As shown in Figure 6 and Figure 9, the adjustment time when W = 1 is faster than the adjustment period when W = 0 and the deviation can be adjusted to zero more quickly. When W = 0, the overshoot is larger and the adjustment time is longer. When W = 1, the system adjustment time is accelerated without considering the coal consumption factor, but due to the larger time weight, the system oscillates slightly and eventually converges to zero.
To sum up, both the frequency regulation system which the DFPSU participates in and the independent TPU finally converge to zero, but the frequency-regulation system which the DFPSU participates in can converge to zero more quickly, and the rise time and adjustment time are higher than those of the independent TPU, and the dynamic characteristics are relatively good. As shown in Figure 8, Figure 9, Figure 10 and Figure 11, the TPU cannot quickly and stably adjust the ACE signal, but when the DFPSU participates in the frequency regulation system, although the overshoot is relatively large, the convergence is stable and the dynamic response is relatively better. Moreover, when the time weight W takes a small value, the regional control deviation borne by the TPU is relatively reduced, and the regional control deviation borne by the DFPSU is relatively increased, so the overall adjustment speed of the system becomes slower. The introduction of the W value has a strong practical application value for the formulation of the unit load distribution plan. Conversely, when the time weight W value increases, the distribution of TPU increases and the distribution of DFPSU decreases. That is, the adjustment input on the thermal power side increases, and the adjustment input on the hydropower side decreases. The total adjustment time of the system becomes faster, and the adjustment time is relatively short. Therefore, the combined regulation system of the DFPSU and the TPU has a good regulation ability to the grid disturbance.
6. Conclusions
Aiming at the research on the strategy of the DFPSU participating in the frequency regulation of the power grid, based on the analysis of the DFPSU participating in the frequency regulation of the system, this paper proposes a joint frequency regulation strategy of the TPU and the DFPSU. The optimal scheduling model of the system is proposed, the lowest total operating cost and optimal time are considered as the goals, and the CPSO is introduced to solve the model to obtain the optimal solution. The simulation results show that the joint frequency regulation strategy can effectively improve the frequency regulation performance of the unit and the operation economy is good.
- (1)
- Taking into account the challenges to grid stability posed by the large-scale entry of new energy sources into the grid, the joint frequency regulation strategy of doubly-fed pumped storage units and thermal power units is proposed, providing a new control strategy for maintaining grid frequency stability.
- (2)
- In this study, the problem of working condition changes of pumped storage units is involved, and the dynamic characteristics of hydro units when performing working conditions change are thoroughly studied, and mathematical models are established for six switching paths to improve the accuracy of hydro units in the simulation.
- (3)
- The chaotic PSO algorithm proposed for the shortcomings of the conventional PSO algorithm is summarized. The simulation results show that the improved PSO algorithm has a better convergence performance.
- (4)
- An optimal system scheduling model is established, and the model is solved considering the lowest total system operating cost and optimal time as the objectives. The simulation results show that the joint frequency regulation strategy is of great significance for the improvement of the unit frequency regulation performance.
Author Contributions
Conceptualization, Y.W.; methodology, Y.W.; software, Y.W.; validation, Y.W. and J.L.; formal analysis, Y.W.; investigation, Y.W.; resources, Y.W.; data curation, Y.W.; writing—original draft preparation, Y.W.; writing—review and editing, J.L.; visualization, Y.W.; supervision, J.Z. All authors have read and agreed to the published version of the manuscript.
Funding
This research received no external funding.
Institutional Review Board Statement
Not applicable.
Informed Consent Statement
Not applicable.
Data Availability Statement
Not applicable.
Conflicts of Interest
The authors declare no conflict of interest.
References
- Kuo, M.-T.; Lu, S.-D. Experimental Research and Control Strategy of Pumped Storage Units Dispatching in the Taiwan Power System Considering Transmission Line Limits. Energies 2013, 6, 3224–3244. [Google Scholar] [CrossRef] [Green Version]
- Pitorac, L.; Vereide, K.; Lia, L. Technical Review of Existing Norwegian Pumped Storage Plants. Energies 2020, 13, 4918. [Google Scholar] [CrossRef]
- Martínez-Lucas, G.; Sarasúa, J.I.; Sánchez-Fernández, J.Á. Frequency Regulation of a Hybrid Wind–Hydro Power Plant in an Isolated Power System. Energies 2018, 11, 239. [Google Scholar] [CrossRef] [Green Version]
- Cicėnas, P.; Radziukynas, V. Developed Transfer Function Allows Hydro Generators to Enter the Full Range of Ancillary Services Market. Energies 2022, 15, 397. [Google Scholar] [CrossRef]
- Fahlbeck, J.; Nilsson, H.; Salehi, S. Flow Characteristics of Preliminary Shutdown and Startup Sequences for a Model Counter-Rotating Pump-Turbine. Energies 2021, 14, 3593. [Google Scholar] [CrossRef]
- Sarasúa, J.I.; Martínez-Lucas, G.; Platero, C.A.; Sánchez-Fernández, J.Á. Dual Frequency Regulation in Pumping Mode in a Wind–Hydro Isolated System. Energies 2018, 11, 2865. [Google Scholar] [CrossRef] [Green Version]
- Nag, S.; Lee, K.Y.; Suchitra, D. A Comparison of the Dynamic Performance of Conventional and Ternary Pumped Storage Hydro. Energies 2019, 12, 3513. [Google Scholar] [CrossRef] [Green Version]
- Wang, J.S.; Zhong, J.L.; Gou, X.L. Control Strategy Study on Frequency and Peak-Load Regulation of Coal-Fired Power Plant Based on Boiler Heat Storage Capacity. Proc. Inst. Mech. Eng. Part A-J. Power Energy 2018, 232, 1063–1078. [Google Scholar] [CrossRef]
- Guo, Y.; Wang, Q.; Zhang, D.; Yu, D.; Yu, J. A Stochastic-Process-Based Method for Assessing Frequency Regulation Ability of Power Systems with Wind Power Fluctuations. J. Environ. Inform. 2018, 32, 45–54. [Google Scholar] [CrossRef] [Green Version]
- Zhang, Z.Y.; Du, E.S.; Teng, F.; Zhang, N.; Kang, C.Q. Modeling Frequency Dynamics in Unit Commitment with a High Share of Renewable Energy. IEEE Trans. Power Syst. 2020, 35, 4383–4395. [Google Scholar] [CrossRef]
- Sarasúa, J.I.; Pérez-Díaz, J.I.; Torres Vara, B. On the Implementation of Variable Speed in Pump-Turbine Units Providing Primary and Secondary Load-Frequency Control in Generating Mode. Energies 2015, 8, 13559–13575. [Google Scholar] [CrossRef] [Green Version]
- Liu, K.; He, J.; Luo, Z.; Shan, H.; Li, C.; Mei, R.; Yan, Q.; Wang, X.; Wei, L. Load Frequency Control of Pumped Storage Power Station Based on LADRC. Processes 2020, 8, 380. [Google Scholar] [CrossRef] [Green Version]
- Liang, L.; Li, P.M.; Liu, J.N.; Zhang, C.L.; Li, B. Study on the Control Strategy of Pumped Storage Power Station for the Frequency Regulation. High Volt. Eng. 2015, 41, 3288–3295. [Google Scholar]
- Jiang, S.C. Optimal Scheduling of Wind-Fire-Storage Research Based on Extreme Scenario. Master’s Thesis, East China Jiaotong University, Nanchang, China, 2018. [Google Scholar]
- Lv, W.J.; Wang, L.F.; Ji, C.C. Study on Optimal Operation of Combined System of Wind-Pumped Storage Power. Telecom Power Technol. 2016, 33, 71–73. [Google Scholar]
- Chen, K. Research on Coordinated Frequency Regulation Control Strategy for Pumped Storage Power Station and Thermal Power Unit of New Energy System. Master’s Thesis, University of South China, Hengyang, China, 2020. [Google Scholar]
- Lung, J.K.; Lu, Y.; Hung, W.L.; Kao, W.S. Modeling and Dynamic Simulations of Doubly Fed Adjustable-Speed Pumped Storage Units. IEEE Trans. Energy Convers. 2007, 22, 250–258. [Google Scholar] [CrossRef]
- Zhao, G.P.; Zhao, Q.; Ren, J.Y. Output Power Modelling for Dynamic Behavior of Doubly-Fed Variable-Speed Pumped Storage Power Station. In Proceedings of the 2018 IEEE Conference on Energy Internet and Energy System Integration, Beijing, China, 20–22 October 2018. [Google Scholar]
- Wu, T.; Xie, H.; Li, S.Y.; Tang, F.; Chen, P.F.; Yang, J.S.; Wu, X.Z. Modeling and Control of Variable Speed DFIG Pumped Storage Turbine Based on RTDS. In Proceedings of the 2019 IEEE International Electrical and Energy Conference, Beijing, China, 7–9 September 2019. [Google Scholar]
- Song, X.F.; Teshager, B.G.; Han, M.X.; Meng, Z.J.; Xu, J.B.; Wang, X.Z. Stability and Control of a Grid Integrated DHM Based Variable Speed Pumped Storage System. In Proceedings of the 2017 China International Electrical and Energy Conference, Beijing, China, 25–27 October 2017. [Google Scholar]
- Li, H.; Liu, H.T.; Song, E.B.; Xiao, H.W.; Luo, L.; Huang, Z.X. Improved Virtual Inertia Control Strategy of Doubly Fed Pumped Storage Unit for Power Network Frequency Modulation. Autom. Electr. Power Syst. 2017, 41, 58–65. [Google Scholar]
- Zhao, G.; Ren, J. Research on an Output Power Model of a Doubly-Fed Variable-Speed Pumped Storage Unit with Switching Process. Appl. Sci. 2019, 9, 3368. [Google Scholar] [CrossRef] [Green Version]
- Yang, W.J.; Yang, J.D. Advantage of Variable-Speed Pumped Storage Plants for Mitigating Wind Power Variations: Integrated Modelling and Performance Assessment. Appl. Energy 2019, 237, 720–732. [Google Scholar] [CrossRef]
- Han, M.X.; Bitew, G.T.; Mekonnen, S.A.; Yan, W.L. Wind Power Fluctuation Compensation by Variable Speed Pumped Storage Plants in Grid Integrated System: Frequency Spectrum Analysis. CSEE J. Power Energy Syst. 2021, 7, 381–395. [Google Scholar]
- Shi, Y.F.; Shi, X.J.; Yi, C.B.; Song, X.F.; Chen, X.G. Control of the Variable-Speed Pumped Storage Unit-Wind Integrated System. Math. Probl. Eng. 2020, 2020, 1–9. [Google Scholar] [CrossRef] [Green Version]
- Wang, C.G. Research on AGC Control Strategy Based on Pumped Storage Power Station. Master’s Thesis, North China Electric Power University, Beijing, China, 2014. [Google Scholar]
- Liu, H.T. Research on Control Strategies of AC Excited Pumped Storage Units to Participate in Power System Frequency Regulation. Master’s Thesis, Chongqing University, Chongqing, China, 2017. [Google Scholar]
- Wang, Y.S.; Li, W.Y.; Li, Z.W. Research on PSO-Fuzzy Algorithm Optimized Control for Multi-area AGC System with DFIG Wind Turbine. In Proceedings of the 2019 IEEE Conference on Industrial Electronics and Applications, Xi’an, China, 19–21 June 2019. [Google Scholar]
Publisher’s Note: MDPI stays neutral with regard to jurisdictional claims in published maps and institutional affiliations. |
© 2022 by the authors. Licensee MDPI, Basel, Switzerland. This article is an open access article distributed under the terms and conditions of the Creative Commons Attribution (CC BY) license (https://creativecommons.org/licenses/by/4.0/).










