Next Article in Journal
Characteristics of Deep Coal Reservoir and Key Control Factors of Coalbed Methane Accumulation in Linxing Area
Next Article in Special Issue
Increasing the Efficiency of Turbine Inlet Air Cooling in Climatic Conditions of China through Rational Designing—Part 1: A Case Study for Subtropical Climate: General Approaches and Criteria
Previous Article in Journal
Electromobility Prospects in Greece by 2030: A Regional Perspective on Strategic Policy Analysis
Previous Article in Special Issue
Numerical Simulation of Subcooled Flow Boiling in a Threaded Tube and Investigation of Heat Transfer and Bubble Behavior
 
 
Font Type:
Arial Georgia Verdana
Font Size:
Aa Aa Aa
Line Spacing:
Column Width:
Background:
Article

Random Forest Model of Flow Pattern Identification in Scavenge Pipe Based on EEMD and Hilbert Transform

College of Energy and Power Engineering, Nanjing University of Aeronautics and Astronautics, Nanjing 211106, China
*
Author to whom correspondence should be addressed.
Energies 2023, 16(16), 6084; https://doi.org/10.3390/en16166084
Submission received: 20 June 2023 / Revised: 7 August 2023 / Accepted: 18 August 2023 / Published: 21 August 2023
(This article belongs to the Special Issue Heat Transfer and Multiphase Flow)

Abstract

:
Complex oil and gas two-phase flow exists within an aero-engines bearing cavity scavenge pipe, prone to lubricated self-ignition and coking. Lubricant system designers must be able to accurately identify and understand the flow state of the scavenge pipe. The prediction accuracy of previous models is insufficient to meet the more demanding needs. This paper establishes a visualized flow pattern identification test system for the scavenge pipe, with a test temperature of up to 370 k, using a high-speed camera to photograph four flow patterns, decomposing the pressure signals obtained from high-frequency dynamic pressure sensors using the ensemble empirical mode decomposition (EEMD) method, and then performing Hilbert transform, using the Hilbert spectrum to quantify the changes of amplitude and frequency with time, and establishing the energy and flow pattern correspondence analysis. Then the energy percentage of IMFs is used as the input of feature values, and the random forest algorithm machine learning is used for predictive classification. The experimental results show that the flow pattern recognition rate established in this paper can reach 98%, which can identify the two-phase flow pattern in the scavenge pipe more objectively and accurately.

1. Introduction

In modern aero engines, lubrication systems play a crucial role [1]. Slip oils are not only used to lubricate bearings, gears, or seals, but they also carry away a lot of heat and have a cooling effect on the aero engine. However, high temperatures can also cause spontaneous combustion and coking of the lubricating oil, leading to engine reliability and safety problems. Usually, there is a vent pipe at the top of the bearing cavity and scavenge pipe at the bottom, which is connected to the oil return pump; the vent pipe discharges most of the sealed air to avoid high pressure in the bearing cavity and the scavenge pipe discharges most of the lubricating oil and a small amount of air to make the lubricating oil circulate. The aero-engine bearing cavity scavenge pipe has not only a large amount of high-temperature lubricating oil but also a small amount of high-pressure seal gas, and there is a complex oil and gas two-phase flow, which is more likely to occur the spontaneous combustion and coking of slip oil. The bearing cavity scavenging the pipe’s flow state is vital in correctly designing the bearing cavity lubrication and significantly impacts the flow’s pressure loss and heat transfer characteristics [2,3]. It can be seen that the study of the flow pattern identification method of the scavenge pipe is of great significance to the design of bearing cavity lubrication.
Traditional two-phase flow pattern discrimination mainly uses flow pattern diagrams and transformation criterion relational equations, which have shortcomings such as low recognition accuracy and more restrictive conditions for use. The rapid development of electronic computer technology, gas-liquid two-phase flow measurement technology, nonlinear signal analysis theory, modern information processing technology, artificial neural network technology [4,5], and data fusion technology provides new ideas and methods for the flow pattern identification problem. Ong C.L. et al. proposed a new macro–microscale flow pattern map for application to both the lower end of macroscale flows and the upper end of microscale flows [6]. Rafalko G. et al. used images directly for two-phase flow pattern identification [7,8], Sizikov V. S. et al. proposed the restoration of nonuniformly smeared images [9], VT Nguyen et al. used wavelets for research [10,11,12]. Ji H used the EMD method [13,14] for signal decomposition by obtaining the signal of two-phase flow pressure fluctuation in the tube for analysis. However, the wavelet decomposition can only achieve fixed resolution decomposition of the signal, which may lose some meaning of the signal itself. In contrast, EMD decomposition [15] has orthogonality and completeness and can decompose the signal adaptively, but there may be a modal aliasing phenomenon and endpoint effect. Azzedine Dliou proposed a combination of EMD and the Choi-Williams time-frequency techniques for analyzing a noised ECG signal [16]. Huang proposed the EEMD method [17] for the shortcomings of the EMD method, which suppresses the modal aliasing sensation by adding normal and spectrally uniformly distributed Gaussian white noise [18]. The Hilbert transform based on the EMD method is a new method with adaptive time-frequency analysis [19]. It can obtain a high resolution with good time-frequency aggregation, suitable for studying non-smooth and nonlinear signals. V. G. Kurbatskii et al. used Hilbert-Huang transform for signal analysis and prediction [20,21]. Therefore, this paper adopts EEMD decomposition and Hilbert transform for signal processing, which can improve the decomposition accuracy.
Machine learning, the core of artificial intelligence, uses cutting-edge algorithms to find and learn the implicit laws in the data by analyzing and learning from large amounts of systematically stored data to form predictive ideas [22,23]. It has been applied to various fields that require signal analysis, and B Yadav et al. used neural networks for prediction and classification [24,25]. However, neural network models often require extended training and detailed data pre-processing. Random forest [26] models perform better for data containing different features. It does not require iterative adjustment of parameters to give good results or data scaling. Therefore, improving data quality with EEMD and assisting random forest model machine learning can effectively enhance the performance of flow pattern recognition models.
In this paper, a visualized flow pattern identification test system [27,28] was established with a test temperature of 370 k in the scavenge pipe, a high-speed camera was used to photograph the flow pattern, and a high-frequency dynamic pressure sensor was used to obtain the pressure fluctuation signals at both ends of the test section. EEMD is used to decompose the signal, and Hilbert transforms, and the Hilbert spectrum is used to analyze the changes of amplitude and frequency with time quantitatively. Then the energy share of IMFs is input as the feature value, and the random forest algorithm machine learning is used to predict the classification. Finally, a random forest model based on EEMD decomposition and Hilbert transform is constructed to identify the oil and gas two-phase flow patterns in the scavenge pipe.

2. Theoretical Basis

2.1. EEMD

The empirical mode decomposition (EMD) method is suitable for analyzing and processing non-stationary and nonlinear signals, but there are problems and shortcomings in this method, mainly: (i) the existence of modal aliasing phenomenon with EMD decomposition; (ii) the end effect affects the decomposition effect. To suppress the mode-mixing phenomenon of EMD, Huang proposed an improved EMD method based on noise-assisted analysis, namely ensemble empirical mode decomposition (EEMD), by using EMD to perform statistics on the results of white noise decomposition [14].
The EEMD method is a multiple empirical mode decomposition with superimposed Gaussian white noise, which uses the statistical property of Gaussian white noise with uniform frequency distribution to change the polar characteristics of the signal by adding different white noise of equal amplitude each time, and then the overall average of the corresponding IMF obtained by multiple EMD to cancel the added white noise, to suppress the generation of modal aliasing effectively. The decomposition steps are as follows:
(1)
Set the overall average number of times M;
(2)
Add a white noise with standard normal distribution to the original signal to produce a new signal: x m t = x t + n m t , where n m t denotes the mth addition of white noise sequence, x m t denotes the signal with the ith additional noise, m = 1, 2…M;
(3)
EMD decomposition is performed separately for the resulting noise-containing signals, and the respective sums are obtained in the form:
x m t = i = 1 n c m , i ( t ) + r m , i ( t )
where, i = 1 n c m , i ( t ) is the nth IMF obtained by decomposition after m additions of white noise, r m , i ( t ) is the residual function, representing the average trend of the signal, and n is the number of IMFs;
(4)
Repeat step (2) and step (3) for M times, and each decomposition adds white noise signals with different amplitudes to obtain the set of IMFs as:
I M F = c 1 , i ( t ) , c 2 , i ( t ) c M , i ( t ) , i = 1 , 2 , n
(5)
Using the principle that the statistical mean of uncorrelated sequences is zero, the above corresponding IMFs are subjected to a pooled averaging operation to obtain the final IMF after EEMD decomposition:
I i t = 1 M m = 1 M c m , i ( t )
where I i t is the nth IMF of the EEMD decomposition, m = 1 , 2 , M , i = 1 , 2 , n , and the residual component is the difference between the original data and j IMFs. The final decomposition form of the signal is obtained:
x ( t ) = i = 1 n I i ( t ) + r n

2.2. Hilbert Transform

The Hilbert transform is an essential mathematical tool widely used to convert an actual signal into a complex signal for easy frequency domain analysis and processing. Firstly, the EEMD method decomposes the signal into the sum of several IMF components. Then the Hilbert transform is applied to each IMF component to obtain the instantaneous frequency and instantaneous amplitude, which results in the Hilbert spectrum of the signal, and the Hilbert spectrum represents the complete time-frequency distribution of the signal [13].
Hilbert transform for each IMF component Ii(t):
L i ( t ) = 1 π I i ( τ ) t τ d τ
Constructing parsed signals:
Z i ( t ) = I i ( t ) + j L i ( t ) = a i ( t ) e j ϕ i ( t )
where a i ( t ) is the instantaneous amplitude function, ϕ i ( t ) is the instantaneous phase function;
a i ( t ) = I i 2 ( t ) + L i 2 ( t ) , ϕ i ( t ) = arctan ( L i ( t ) I i ( t ) )
The instantaneous frequency of each IMF component is:
ω i ( t ) = 1 2 π d ϕ i ( t ) d t
As can be seen from the above equation, the instantaneous amplitude and instantaneous frequency of the IMF component are functions of time, with time t and instantaneous frequency ω i ( t ) as the independent variables, the amplitude of the signal can be expressed as a function H ( ω , t ) of t and ω, and Re is taken as the real part. The time-frequency distribution of this amplitude is called the Hilbert amplitude spectrum, or the Hilbert spectrum for short.
H ( ω , t ) = Re i = 1 n a i ( t ) e j ω i ( t ) d t
Defining the Hilbert marginal spectrum:
h ( ω ) = 0 T H ( ω , t ) d t
T is the total length of the signal. H ( ω , t ) describes precisely the variation pattern of the amplitude of the signal over the whole frequency band with time and frequency while h ( ω ) reflecting the variation of the amplitude of the signal over the entire frequency band with frequency.

2.3. Random Forest

Random Forest is an integrated learning method that improves classification accuracy by combining multiple decision trees. In the Random Forest algorithm, for each decision tree construction, the data used are randomly selected from a certain percentage of the original data (with put-back sampling). This method can effectively reduce the overfitting problem and handle high-dimensional and large amounts of data (Figure 1).
The training process of the random forest classifier is as follows:
(1)
Randomly select a portion of data and features from the original data to construct a decision tree.
(2)
Repeat n times to construct n decision trees.
(3)
For each new data point, pass it into each tree for classification and get the classification result for each tree.
(4)
Each new data point is classified as the most classified result of the random forest.
The final classification result is shown in Equation:
H ( x ) = arg max Y i = 1 k I ( h i ( x ) = Y )
where H ( x ) is the final voting result of the combined classification model, h i ( x ) is a single decision tree model, Y denotes the target variable, and I ( ) is an indicator function.

3. Experimental Apparatus

This paper selected a horizontal pipe with a diameter of 10 mm as the scavenge pipe, and the visualization line was 200 mm long for the return flow simulation test. The mixing temperature of the two phases was set at 350 k, the liquid phase commutation speed was guaranteed to be constant for each group of tests, and the inlet flow rate was increased sequentially.
Where J L and J G denote the converted velocities of the liquid and gas phases, respectively, defined as:
J L = V L A ,   J G = V G A
where: V L , V G is the volume flow rate of the liquid and gas phases, respectively; A is the cross-sectional area of the flow channel.
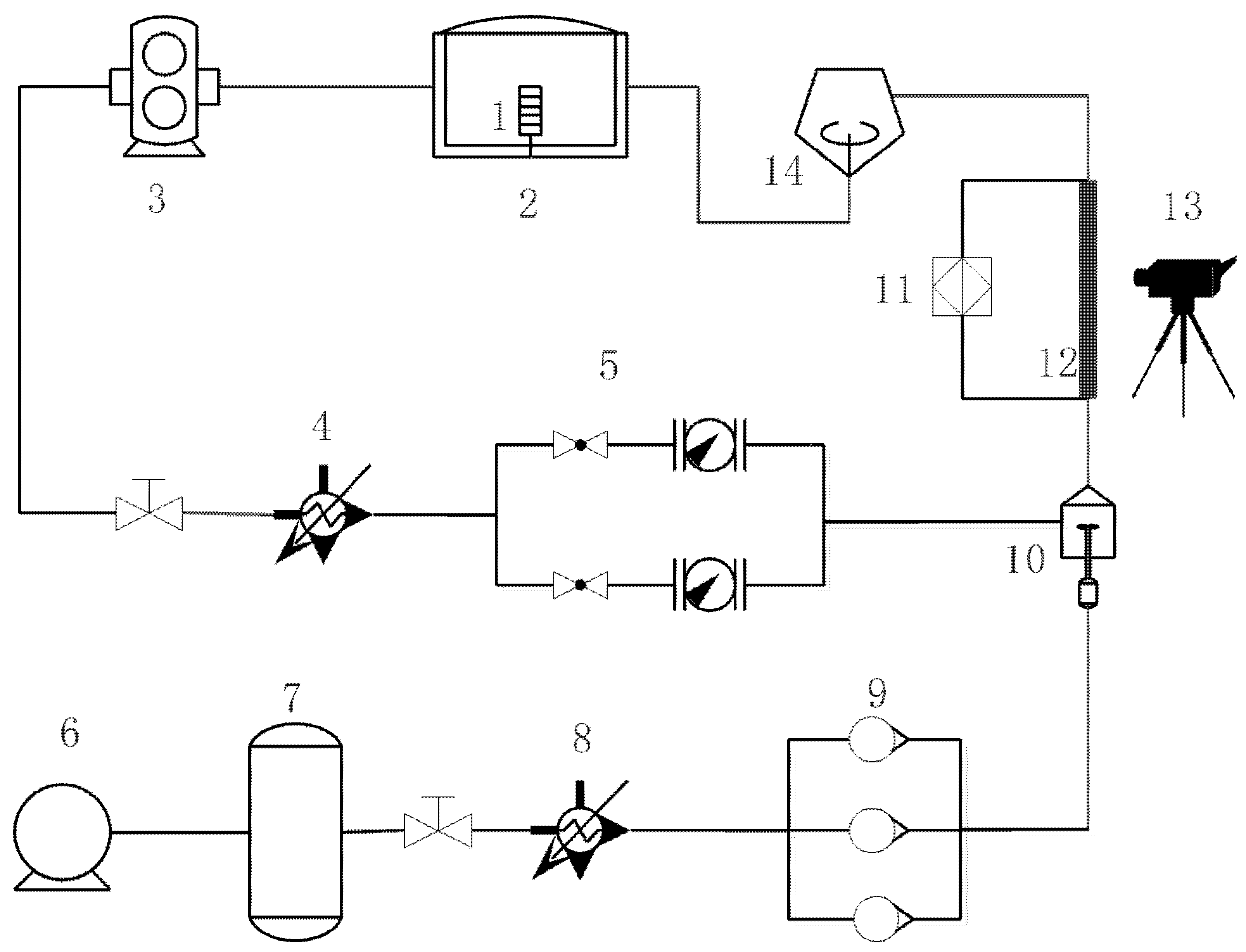
Figure 2 shows the scavenge pipe’s flow pattern identification test system, the two-phase flow pattern images in the horizontal tube, and the pressure fluctuation signals at both ends of the test tube obtained under different flow conditions. Ensure that the lubricant entering the pipeline is the target temperature. The lubricating oil in the tank is heated first to increase the base temperature. Then the lubricating oil enters the lubricating oil heater for heating, which has temperature feedback to ensure the outlet temperature is the target temperature. The liquid flow controller adjusts the flow rate entering the mixer. The compressed air from the air compressor enters the pressure stabilization tank. Then it enters the air heater with temperature control to ensure the target outlet temperature. The gas flow controller adjusts the gas flow rate into the mixer. The gas-liquid mixing device mixes the two-phase flow and enters the visualization pipeline, as shown in Figure 3. The temperature and pressure measurement points are located at both ends of the visualization pipe, with the pressure measurement point at the top and the temperature measurement point at the bottom, and the visualization section is made of high-strength quartz glass so that a high-speed camera can capture the flow pattern of the scavenge pipe. The high-speed camera used in the resolution of 1280 × 1024 has a shooting frame rate of up to 9300 fps. This test selected a frame rate of 3000 fps, which can shoot the flow image; using PCB Piezotronics model M105C02, high-frequency dynamic pressure sensor pressure range of 0~690 kPa, the maximum measurement frequency is 256 kHz, non-linearity ≤ 2%FS. The mixed fluid enters the gas-liquid separator at the end of the test section, and the separated slip oil flows back into the tank to reach the system’s circulation. The parameters of the two-phase medium used for the test are shown in Table 1.

4. Results and Discussion

4.1. Experimental Study on Oil Gas Two-Phase Flow in Scavenge Pipe

This study selected a horizontal pipe with a diameter of 10 mm as the scavenge pipe, the visualization line length was 200 mm, and the flow simulation test of the scavenge pipe was carried out. Set the two-phase mixing temperature to 350 k. This group of analysis images ensures that the liquid phase commutation velocity is 0.85 m/s constant, sequentially increasing the inlet flow rate and the gas phase commutation velocity change range of 0~2.12 m/s. The resulting flow pattern change filming results are shown in Table 2. To better display the shooting effect, the images were processed by simple binarization, and the graphics and contours were obtained by contrasting the prints and selecting a suitable threshold value, which made the photos show a black-and-white effect.
Ensure the liquid phase flow rate is constant and gradually increase the inlet air volume. When the inlet gas is small, the bubble flow is bubble-like; due to the influence of gravity, the bubbles are located in the upper part of the tube, and when the gas phase conversion speed reaches 0.127 m/s, the tiny bubbles merge into gas plugs, forming plug flow. The flow structure is also located in the upper part of the tube flow. With the further increase of the gas phase conversion velocity to 0.254 m/s, the gas phase forms a pop-up structure in the tube, called pop-up flow, which will be further elongated with the further increase of the inlet volume. As the inlet volume continues to increase, the gas phase velocity is high and thus forms a circular flow pattern, the liquid phase is pressed against the wall to form a circle, and the gas phase flows in the center of the tube. Still, the liquid film on the lower tube wall is thicker than the upper tube wall due to the effect of gravity during horizontal flow.

4.2. Decomposing the Pressure Signal of Oil Gas Two-Phase Flow in the Scavenge Pipe

The oil-gas two-phase flow in the scavenge pipe was tested to obtain the pressure fluctuation signals at both ends of its tube, and the fluctuation of the pressure signals showed relatively unstable characteristics from which information could not be directly obtained. Therefore, EEMD decomposition and Hilbert transformation of the obtained high-frequency pressure signal curves are carried out, which helps to carry out a more in-depth analysis. Four typical flow types, namely, bubble flow, plug flow, slug flow, and annular flow, are selected for research, and a set of pressure fluctuation signals are selected for each. The IMFs, Hilbert spectra, and marginal spectra of the pressure fluctuation signals of the four flow types are shown in Figure 4, Figure 5, Figure 6 and Figure 7.
Comparing the original pressure fluctuation signal s1 collected from the four flow types, the original signal of vesicular flow is relatively stable with a small signal fluctuation amplitude, and with the increase of gas phase flow, the signal fluctuation amplitude increases more obviously, and it is nonlinear and non-stationary. The EEMD method decomposes the pressure signal into IMFs with different scales and multiple resolution levels. The original pressure signal is plotted in the first row of the decomposition diagram. The EMD method decomposition and sieving process are direct and adaptive, decomposing the signal based on its information to obtain the IMFs components, and each IMF component represents the real physical information contained within the signal. Summing the individual IMF components and the residual term yields the original signal, proving the completeness of the EMD decomposition. The EEMD method decomposition results in IMFs that satisfy the characteristic conditions, and these IMFs exhibit modulation characteristics in frequency or amplitude, further indicating that the EEMD method is well suited to handle nonlinear and non-stationary signals.
The 12 IMFs obtained from the decomposition are subjected to the Hilbert transform, and the signal changes in the way shown in Section 2.2 to obtain the Hilbert spectrum of the pressure signal. The visible two-dimensional contours of the fluctuations are generated from the Hilbert spectrum. The color bar next to each Hilbert spectrum from dark blue to yellow indicates the change of the amplitude from minimum to maximum, which shows the evolution of the amplitude of the pressure fluctuations with time and frequency, and the non-smoothness of the oscillations can be seen from the color shift of the amplitude color band. Comparing the Hilbert spectra of four flow types: bubble flow, plunger flow, elastic flow, and annular flow, shows that the amplitude of signal fluctuation increases sequentially with the increase of inlet volume. The non-smooth signal is caused by the radial and axial velocity variations of the medium in the sensing area of the pressure sensor and the medium distribution. Figure 4, Figure 5, Figure 6 and Figure 7 show that the Hilbert spectrum is integrated over time to obtain the Hilbert marginal spectrum, demonstrating how the signal amplitude varies with frequency over the entire frequency band. Comparing the marginal spectra of the four flow types, the signal fluctuation band mainly lies within 100 Hz, and the amplitude of the pressure fluctuation signal increases with the increase of the inlet gas volume, which is consistent with the change of the amplitude of its corresponding Hilbert spectrum. With the rise of the gas phase flow, the two phases in the tube mixed with the height of the flow rate, its pressure fluctuation increases, containing more energy, corresponding to the measured pressure fluctuation signal amplitude increases. It indicates that the Hilbert spectrum Hilbert marginal spectrum reflects the change of energy and instantaneous frequency of the signal with time. It also represents the local pressure fluctuations under different gas-liquid two-phase flow conditions. Therefore, EEMD decomposition and Hilbert transform can be used to identify and analyze the oil-gas two-phase flow pattern in the Scavenge Pipe.

4.3. Establishing Flow Pattern Recognition Model

To quantitatively analyze the transformation law of pressure fluctuation signal with flow pattern, it is necessary to select the eigenvalues to establish the widespread recognition model. Based on the division of IMF components from high to low frequency, the energy of each IMF component of the signal in the frequency band as a percentage of the total energy as a characteristic value to reflect the information of the flow pattern, the typical energy value k is introduced and defined as:
k l = E l E , k 2 = E 2 E , k 12 = E 12 E
where Ei is the energy of each IMF component of the frequency band (i = 1, …, 12), the total energy E = E 1 + E 2 + + E 12 , and accordingly, ki is the ratio of the energy of each IMF component of the frequency band to the total energy, respectively. The following equation calculates the energy of the ith IMF component
E i = I i ( t ) 2 d t
Twelve feature values are obtained, and the random forest integrated learning method is used for classification and identification. Classification using machine learning is more objective. The random forest classification method has better accuracy, can run effectively on large data sets, has good noise immunity, but can overfit in the case of relatively noisy data, can handle very high dimensional data, and does not use dimensionality reduction.
For easy identification of the records, the individual flow types are coded, as shown in Table 3. The 150 samples will be tested for training; from Figure 8a, its total recognition rate can reach 98%, and the recognition effect is excellent. As shown in Figure 8b, seeing the recognition classification effect through the confusion matrix can be more intuitive. Longitudinally, it is found that the two groups are incorrectly recognized as bullet-like flow, and the feature values obtained at the boundary of flow type conversion have certain similarities, thus producing specific false recognition.
The flow pattern in the process of its accurate flow pattern determination artificially has a particular subjectivity and lack of objective realism, and its error rate will be higher. Based on the energy feature values obtained by EEMD decomposition and Hilbert transform, the flow pattern identification model constructed using a random forest model can quickly and accurately identify the two-phase flow pattern in the scavenge pipe. Machine learning is used to analyze and identify the flow pattern more objectively and accurately.

5. Conclusions

This paper establishes a test system to visualize the oil and gas two-phase flow in the scavenge pipe and capture a variety of flow types: bubble flow, plug flow, slug flow, and annular flow by high-speed photography at 370 k; and obtain non-smooth and nonlinear pressure fluctuation signals by pressure sensors.
To deeply reveal the characteristics of pressure fluctuations and establish the relationship with flow patterns, the EEMD was used to decompose the pressure fluctuation signals, generate the corresponding IMFs, and perform the Hilbert transform, followed by the Hilbert spectrum to quantitatively analyze the changes of amplitude and frequency with time, and establish the correspondence between the changes of amplitude and the changes of flow patterns in the tube, indicating that the extracted energy characteristics can reflect the changes of flow patterns.
Random forest machine learning successfully established the scavenge pipe’s oil and gas two-phase flow pattern identification model using the energy share as the feature value. The recognition rate of the model is close to 98%, and the accuracy of the model is high. However, the flow pattern recognition for the flow pattern transition boundary has some limitations, and other recognition tools are needed to assist in better recognition. In conclusion, the present work will help identify the flow pattern more objectively and accurately and better understand the flow characteristics of the gas-liquid two-phase flow in the scavenge pipe.

Author Contributions

Conceptualization, X.L.; writing—original draft, X.L.; supervision, S.W. and W.S.; project administration, S.W. All authors have read and agreed to the published version of the manuscript.

Funding

This research was funded by national science and technology major projects of China, grant number J2019-Ⅲ-0023-0067.

Data Availability Statement

Not applicable.

Conflicts of Interest

The authors declare no conflict of interest.

References

  1. Li, G.Q. Present and future of aeroengine oil system. Aeroengine 2011, 6, 49–52. [Google Scholar]
  2. Flouros, M.; Iatrou, G.; Yakinthos, K.; Cottier, F.; Hirschmann, M. Two-Phase Flow Heat Transfer and Pressure Drop in Horizontal Scavenge Pipes in an Aero-engine. J. Eng. Gas Turbines Power 2015, 137, 081901. [Google Scholar] [CrossRef]
  3. Chandra, B.; Simmons, K.; Pickering, S.; Collicott, S.H.; Wiedemann, N. Study of gas/liquid behavior within an aero enginebearing chamber. J. Eng. Gas Turbines Power 2013, 135, 051201. [Google Scholar] [CrossRef]
  4. Figueiredo, M.M.F.; Goncalves, J.L.; Nakashima, A.M.V.; Fileti, A.M.; Carvalho, R.; Carvalho, R. The use of an ultrasonic technique and neural networks for the identification of the flow pattern and measurement of the gas volume fraction in multiphase flows. Exp. Therm. Fluid Sci. 2016, 70, 29. [Google Scholar] [CrossRef]
  5. Merchan, F.; Guerra, A.; Poveda, H.; Guzmán, H.M.; Sanchez-Galan, J.E. Bioacoustic Classification of Antillean Manatee Vocalization Spectrograms Using Deep Convolutional Neural Networks. Appl. Sci. 2020, 10, 3286. [Google Scholar] [CrossRef]
  6. Ong, C.L.; Thome, J.R. Macro-to-microchannel transition in two-phase flow: Part 1—Two-phase flow patterns and film thickness measurements. Exp. Therm. Fluid Sci. 2011, 35, 37–47. [Google Scholar] [CrossRef]
  7. Rafalko, G.; Mosdorf, R.; Gorski, G. Two-phase flow pattern identification in minichannels using image correlation analysis. Int. Commun. Heat Mass Transf. 2020, 113, 104508.1–104508.9. [Google Scholar] [CrossRef]
  8. Thaker, J.; Banerjee, J. Characterization of two-phase slug flow sub-regimes using flow visualization. J. Pet. Sci. Eng. 2015, 135, 561–576. [Google Scholar] [CrossRef]
  9. Sizikov, V.S.; Dovgan, A.N.; Tsepeleva, A.D. Restoration of nonuniformly smeared images. J. Opt. Technol. 2020, 87, 110–116. [Google Scholar] [CrossRef]
  10. Nguyen, V.T.; Dong, J.E.; Song, C.H. An application of the wavelet analysis technique for the objective discrimination of two-phase flow patterns. Int. J. Multiph. Flow 2010, 36, 755–768. [Google Scholar] [CrossRef]
  11. De Giorgi, M.G.; Ficarella, A.; Lay-Ekuakille, A. Monitoring Cavitation Regime from Pressure and Optical Sensors: Comparing Methods Using Wavelet Decomposition for Signal Processing. IEEE Sens. J. 2015, 15, 4684–4691. [Google Scholar] [CrossRef]
  12. Dong, F.; Zhang, S.; Shi, X.; Wu, H.; Tan, C. Flow Regimes Identification-based Multidomain Features for Gas–Liquid Two-Phase Flow in Horizontal Pipe. IEEE Trans. Instrum. Meas. 2021, 99, 1–11. [Google Scholar] [CrossRef]
  13. Ji, H.; Long, J.; Fu, Y.; Huang, Z.; Wang, B.; Li, H. Flow Pattern Identification Based on EMD and LS-SVM for Gas–Liquid Two-Phase Flow in a Minichannel. IEEE Trans. Instrum. Meas. 2011, 60, 1917–1924. [Google Scholar]
  14. Ding, H.; Huang, Z.; Song, Z.; Yan, Y. Hilbert–Huang transform-based signal analysis for the characterization of gas–liquid two-phase flow. Flow Meas. Instrum. 2007, 18, 37–46. [Google Scholar] [CrossRef]
  15. Huang, N.E.; Shen, Z.; Long, S.R.; Wu, M.C.; Shih, H.H.; Zheng, Q.; Yen, N.; Tung, C.; Liu, H.H. The empirical mode decomposition and the Hilbert spectrum for nonlinear and non-stationary time series analysis. Proc. Math. Phys. Eng. Sci. 1998, 454, 903–995. [Google Scholar] [CrossRef]
  16. Dliou, A.; Latif, R.; Laaboubi, M.; Maoulainine, F.; Elouaham, S. Time-frequency analysis of a noised ECG signals using empirical mode decomposition and Choi-Williams techniques. Int. J. Syst. Control. Commun. 2013, 5, 231–245. [Google Scholar] [CrossRef]
  17. Wu, Z.; Huang, N.E. Ensemble empirical mode decomposition: A noise-assisted data analysis method. Adv. Adapt. Data Anal. 2011, 1, 1–41. [Google Scholar] [CrossRef]
  18. Chu, W.; Liu, Y.; Zhu, H.; Yang, X.; Pan, L. Application of EEMD-Multiscale Entropy Algorithm in the Signal Analysis of Narrow Channel Two-Phase Flow Under Rolling Motion. In Proceedings of the International Conference on Nuclear Engineering, Virtual, 4–6 August 2021; American Society of Mechanical Engineers: New York, NY, USA, 2021; Volume 85246, p. V001T04A001. [Google Scholar]
  19. Chen, Z.; Liu, B.; Yan, X.; Yang, H. An Improved Signal Processing Approach Based on Analysis Mode Decomposition and Empirical Mode Decomposition. Energies 2019, 12, 3077. [Google Scholar] [CrossRef]
  20. Kurbatskii, V.G.; Sidorov, D.N.; Spiryaev, V.A.; Tomin, N. On the neural network approach for forecasting of nonstationary time series on the basis of the Hilbert-Huang transform. Autom. Remote Control 2011, 72, 1405–1414. [Google Scholar] [CrossRef]
  21. Levin, A.A.; Tairov, E.A.; Spiryaev, V.A. Self-excited pressure pulsations in ethanol under heater subcooling. Thermophys. Aeromechanics 2017, 24, 61–71. [Google Scholar] [CrossRef]
  22. Behrends, H.; Millinger, D.; Weihs-Sedivy, W.; Javornik, A.; Roolfs, G.; Geißendörfer, S. Analysis of Residual Current Flows in Inverter Based Energy Systems Using Machine Learning Approaches. Energies 2022, 15, 582. [Google Scholar] [CrossRef]
  23. Zhang, Y.; Azman, A.N.; Xu, K.; Kang, C.; Kim, H.-B. Two-phase flow regime identification based on the liquid-phase velocity information and machine learning. Exp. Fluids 2020, 61, 212. [Google Scholar] [CrossRef]
  24. Yadav, B.; Devi, V.S. Novelty detection applied to the classification problem using Probabilistic Neural Network. In Proceedings of the Computational Intelligence & Data Mining, Bhubaneswar, India, 5–6 December 2015; IEEE: New York, NY, USA, 2015. [Google Scholar] [CrossRef]
  25. Liu, L.; Bai, B. Flow regime identification of swirling gas-liquid flow with image processing technique and neural networks. Chem. Eng. Sci. 2019, 199, 588–601. [Google Scholar] [CrossRef]
  26. Charbuty, B.; Abdulazeez, A. Classification Based on Decision Tree Algorithm for Machine Learning. J. Appl. Sci. Technol. Trends 2021, 2, 20–28. [Google Scholar] [CrossRef]
  27. Kawahara, A.; Sadatomi, M.; Nei, K.; Matsuo, H. Experimental study on bubble velocity, void fraction and pressure drop for gas–liquid two-phase flow in a circular microchannel. Int. J. Heat Fluid Flow 2009, 30, 831–841. [Google Scholar] [CrossRef]
  28. Hanafizadeh, P.; Saidi, M.; Gheimasi, A.N.; Ghanbarzadeh, S. Experimental investigation of air–water, two-phase flow regimes in vertical mini pipe. Sci. Iran. 2011, 18, 923–929. [Google Scholar] [CrossRef]
Figure 1. Random forest diagram.
Figure 1. Random forest diagram.
Energies 16 06084 g001
Figure 2. Flow pattern identification test system diagram. 1. oil heater; 2. oil tank; 3. oil pump; 4. lubricating oil heater; 5. turbine flowmeter; 6. gas pump; 7. pressure stabilizing tank; 8. gas heater; 9. glass rotor flowmeter; 10. gas-liquid mixer; 11. pressure sensor and thermocouple; 12. visualization pipeline; 13. high-speed camera; 14. gas-liquid separator.
Figure 2. Flow pattern identification test system diagram. 1. oil heater; 2. oil tank; 3. oil pump; 4. lubricating oil heater; 5. turbine flowmeter; 6. gas pump; 7. pressure stabilizing tank; 8. gas heater; 9. glass rotor flowmeter; 10. gas-liquid mixer; 11. pressure sensor and thermocouple; 12. visualization pipeline; 13. high-speed camera; 14. gas-liquid separator.
Energies 16 06084 g002
Figure 3. The photo of the visualization pipe.
Figure 3. The photo of the visualization pipe.
Energies 16 06084 g003
Figure 4. Bubble flow signal decomposition. (a) IMF components; (b) Hilbert spectrum; (c) Hilbert marginal spectrum.
Figure 4. Bubble flow signal decomposition. (a) IMF components; (b) Hilbert spectrum; (c) Hilbert marginal spectrum.
Energies 16 06084 g004
Figure 5. Plug flow signal decomposition. (a) IMF components; (b) Hilbert spectrum; (c) Hilbert marginal spectrum.
Figure 5. Plug flow signal decomposition. (a) IMF components; (b) Hilbert spectrum; (c) Hilbert marginal spectrum.
Energies 16 06084 g005
Figure 6. Slug flow signal decomposition. (a) IMF components; (b) Hilbert spectrum; (c) Hilbert marginal spectrum.
Figure 6. Slug flow signal decomposition. (a) IMF components; (b) Hilbert spectrum; (c) Hilbert marginal spectrum.
Energies 16 06084 g006
Figure 7. Annular flow signal decomposition. (a) IMF components; (b) Hilbert spectrum; (c) Hilbert marginal spectrum.
Figure 7. Annular flow signal decomposition. (a) IMF components; (b) Hilbert spectrum; (c) Hilbert marginal spectrum.
Energies 16 06084 g007
Figure 8. (a) Comparison of Prediction Results; (b) Confusion Matrix for Test Data.
Figure 8. (a) Comparison of Prediction Results; (b) Confusion Matrix for Test Data.
Energies 16 06084 g008
Table 1. Physical properties of the two-phase medium.
Table 1. Physical properties of the two-phase medium.
Physical PropertiesAirOil
ρ (kg/s)1.2251003.5
µ (kg/m·s)1.84 × 10−50.0051
Cp (J/kg·K)1006.431880
λ (W/m·K)0.02420.12
Table 2. Flow patterns photos.
Table 2. Flow patterns photos.
Order NumberGas Reduced Velocity (m/s)Flow PatternFlow Patterns Photos
10pure fluidEnergies 16 06084 i001
20.042bubble flowEnergies 16 06084 i002
30.084plug flowEnergies 16 06084 i003
40.127plug flowEnergies 16 06084 i004
50.169plug flowEnergies 16 06084 i005
60.212plug flowEnergies 16 06084 i006
70.254slug flowEnergies 16 06084 i007
80.297slug flowEnergies 16 06084 i008
90.339slug flowEnergies 16 06084 i009
100.382slug flowEnergies 16 06084 i010
110.424slug flowEnergies 16 06084 i011
120.636slug flowEnergies 16 06084 i012
130.849slug flowEnergies 16 06084 i013
141.061slug flowEnergies 16 06084 i014
151.273slug flowEnergies 16 06084 i015
161.698annular flowEnergies 16 06084 i016
172.123annular flowEnergies 16 06084 i017
Table 3. Flow pattern coding.
Table 3. Flow pattern coding.
Flow PatternPure LiquidBubble FlowPlug FlowSlug FlowAnnular Flow
Coding12345
Disclaimer/Publisher’s Note: The statements, opinions and data contained in all publications are solely those of the individual author(s) and contributor(s) and not of MDPI and/or the editor(s). MDPI and/or the editor(s) disclaim responsibility for any injury to people or property resulting from any ideas, methods, instructions or products referred to in the content.

Share and Cite

MDPI and ACS Style

Liang, X.; Wang, S.; Shen, W. Random Forest Model of Flow Pattern Identification in Scavenge Pipe Based on EEMD and Hilbert Transform. Energies 2023, 16, 6084. https://doi.org/10.3390/en16166084

AMA Style

Liang X, Wang S, Shen W. Random Forest Model of Flow Pattern Identification in Scavenge Pipe Based on EEMD and Hilbert Transform. Energies. 2023; 16(16):6084. https://doi.org/10.3390/en16166084

Chicago/Turabian Style

Liang, Xiaodi, Suofang Wang, and Wenjie Shen. 2023. "Random Forest Model of Flow Pattern Identification in Scavenge Pipe Based on EEMD and Hilbert Transform" Energies 16, no. 16: 6084. https://doi.org/10.3390/en16166084

APA Style

Liang, X., Wang, S., & Shen, W. (2023). Random Forest Model of Flow Pattern Identification in Scavenge Pipe Based on EEMD and Hilbert Transform. Energies, 16(16), 6084. https://doi.org/10.3390/en16166084

Note that from the first issue of 2016, this journal uses article numbers instead of page numbers. See further details here.

Article Metrics

Back to TopTop