Enhanced Humidification–Dehumidification (HDH) Systems for Sustainable Water Desalination
Abstract
:1. Introduction
- Advanced Heat and Mass Transfer Techniques: Researchers have explored various methods to enhance heat and mass transfer rates within HDH systems. These include the use of surface modifications, novel geometries, and advanced heat exchangers to improve the heat and mass transfer efficiency, thereby increasing the system performance and/or reducing the costs.
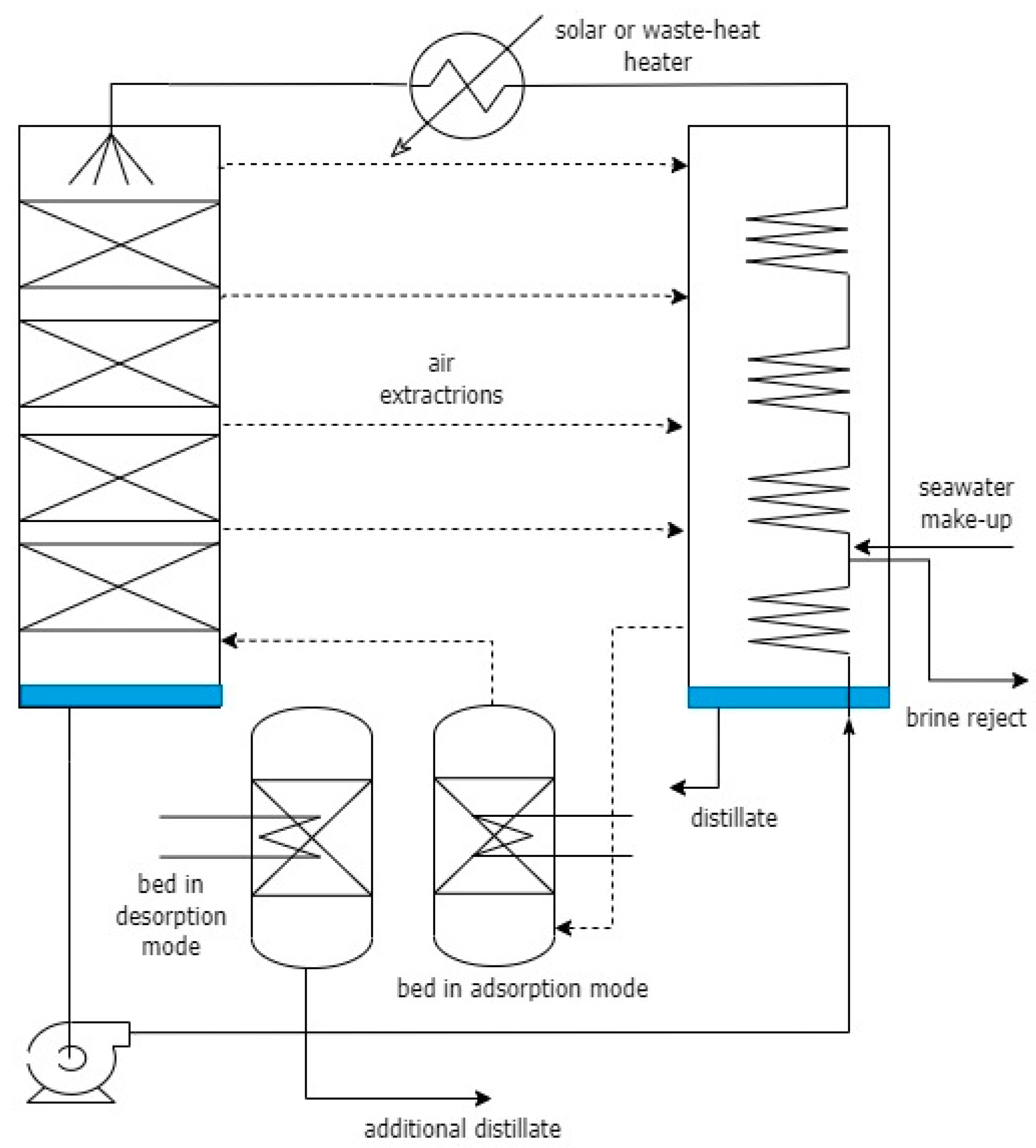
- Integration with Other Technologies: Integrated systems that combine HDH with other separation technologies, such as adsorption and membranes, can also improve the system performance. They include desalination membranes with enhanced selectivity, adsorbents with high water vapor uptake capabilities, and hygroscopic sorbents with improved water vapor desorption properties.
- Optimization of System Operative Conditions: This section is dedicated to the modification of conventional process conditions, such as variable pressure-based HDH systems that have been proposed, as they allow higher energy efficiencies, higher water product rates, and lower equipment costs.
2. Fundamentals of HDH System Enhancements
3. Advanced Heat and Mass Transfer Techniques
3.1. Humidifier
- a latent heat transfer mechanism supported by the transfer of mass in a stagnant medium (the inert air taking up the water vapor)
- a sensible heat transfer mechanism between the gas and liquid phases (the flow direction depends on the temperature of the two phases)
3.2. Dehumidifier
4. Integration with Other Technologies
5. Optimization of System Operative Conditions
6. Conclusions and Future Directions
- The performance of the HDH system hinges on the hydrodynamics of the humidifier, encompassing factors like its design, dimensions, packing configuration, and materials. Equally significant are the attributes of the inlet streams. Key goals involve maximizing water–air interaction, optimizing temperature conditions for humidification, and minimizing pressure drops within the humidifier. By concentrating on these aspects, improvements are made to heat and mass transfer coefficients, ultimately leading to increased system output and reduced entropy generation. Researchers have explored various methods, both experimental and theoretical, to advance the practical implementation of HDH processes. Incorporating multi-stage humidification and harnessing energy recovery through the extraction–injection strategy further elevates the overall system efficiency. Various direct and indirect heat exchanger designs have been studied to enhance the dehumidification process, resulting in improved HDH system performance. Strategies to improve humidifier and dehumidifier effectiveness include the direct contact between the condensate and humid air, with bubble columns and membrane contactors appearing among the most promising innovations. Operating the dehumidifier at super-atmospheric pressure can also contribute to enhanced effectiveness. The choice of the dehumidifier can be made based on performance parameters, such as GOR, SEC, RR, and water product cost, as reported in research papers.
- The potential advantages of utilizing adsorption and adsorption cycles at low temperatures align well with the unique characteristics of HDH, as adsorption (AD) fits seamlessly within the energy, technological, and operational requisites of the HDH desalination process. A noteworthy recent accomplishment is the successful coupling of adsorption with a multi-effect distillation (AD-MED) process, suggesting that the R&D panorama is ripe for charting a research trajectory towards innovative, sustainable, and low-carbon desalination methodologies. In fact, numerous porous materials, such as silica, alumina, zeolite, and CO2-switchable polymers, have been thoroughly studied for their potential in achieving water removal with minimal energy demand for sorbent regeneration. Parallel to the development of the AD-MED, the three types of coupling in the HDH sector have been elucidated and are grounded in a substantial foundation of both experimental exploration and modeling endeavors. The present work has identified the three main schemes and the peculiarities of the individual processes. These innovative couplings enable the attainment of impressive performances, comparable to those achieved by established large-scale desalination methods. Parallel to the increases in performance, new studies are needed in the field of heat exchange coupled with adsorption and desorption.
- The optimization of HDH system operative conditions has been investigated by means of variable pressure humidification–dehumidification cycles, where the humidifier is operated at a lower pressure than the dehumidifier. Such VP-HDH systems are more efficient, as a lower humidifier pressure increases the water uptake of air and a higher dehumidifier pressure increases the water condensation from air. Air can be compressed by a mechanical compressor or a thermo-compressor and then expanded in an expander or throttle valve. To further improve the system performance, researchers have assessed cycles operating under vacuum pressure to exploit the thermodynamics of air humidity against pressure at constant temperature. Multi-stage configurations focusing on variable pressure humidifiers have also been proposed theoretically and experimentally, showing enhanced system performance.
Author Contributions
Funding
Data Availability Statement
Conflicts of Interest
Nomenclature
| Acronyms | ||
| AD | Adsorption | |
| BBT | Bottom brine temperature | |
| HDH | Humidification–dehumidification | |
| HDHA | Humidification–dehumidification with water vapor adsorption | |
| MED | Multiple effect distillation | |
| MSF | Multi-stage flash | |
| MVC | Mechanical vapor compression | |
| TBT | Top brine temperature | |
| RO | Reverse osmosis | |
| VP | Variable pressure | |
| Symbols | Unit | Description |
| Dtot | kg s−1 | Flow rate of the total distillate |
| cps | kJ kmol−1 K−1 | Humid specific heat capacity at constant pressure |
| G | kmol s−1 | Molar flow rate of air |
| GOR | - | Gain output ratio |
| H | kJ kg−1 | Enthalpy of the humid air |
| HTG | m | Height of the transfer unit |
| Δhref | kJ mol−1 | Reference latent heat of water |
| h | kJ kg−1 | Specific enthalpy |
| hG | kW m−2 K−1 | Convective heat transfer coefficient of air |
| ky | kg s−1 m−2 | Mass transfer coefficient of water vapor |
| Le | - | Lewis number |
| NtG | - | Number of heat and mass transfer units |
| P | kPa | Pressure |
| Qin | kJ | Thermal duty input |
| kW | Thermal power | |
| kJ | Thermal energy for separation | |
| kW m−2 | Convective heat flux | |
| kW m−2 | Heat flux associated to water vapor diffusion | |
| RR | - | Recovery ratio |
| SEC | kJ kg−1 | Specific energy consumption |
| S | m−2 | Cross sectional area |
| T | K | Temperature |
| Tc | K | Coldest temperature of the heat source |
| T0 | K | Reference temperature |
| TH | K | Temperature of the heat source |
| Twb | K | Wet bulb temperature |
| kJ | Work input | |
| kJ | Work of separation | |
| kJ | Minimum work of separation | |
| kW | Mechanical power | |
| Greek letters | ||
| ηpp | - | Power plant intrinsic efficiency |
| ηII | - | II-law/Exergy efficiency |
| ηSH | - | Exergy efficiency of a sensible heat source |
References
- Kuzma, S.; Bierkens, M.F.P.; Lakshman, S.; Luo, T.; Saccoccia, L.; Sutanudjaja, E.H.; Van Beek, R. Aqueduct 4.0: Updated Decision-Relevant Global Water Risk Indicators; Technical Note; World Resources Institute: Washington, DC, USA, 2023. [Google Scholar] [CrossRef]
- MacAlister, C.; Baggio, G.; Perera, D.; Qadir, M.; Taing, L.; Smakhtin, V. Global Water Security 2023 Assessment; United Nations, University Institute for Water, Environment and Health: Hamilton, ON, Canada, 2023. [Google Scholar]
- Capocelli, M.; Prisciandaro, M.; Piemonte, V.; Barba, D. A technical-economical approach to promote the water treatment & reuse processes. J. Clean. Prod. 2019, 207, 85–96. [Google Scholar]
- Barba, D.; Capocelli, M. Process analysis of the novel Flash-ME desalination process driven by low-grade thermal energy. Chem. Eng. Res. Des. 2023, 189, 721–733. [Google Scholar] [CrossRef]
- Abedi, M.; Tan, X.; Klausner, J.F.; Bénard, A. Solar desalination chimneys: Investigation on the feasibility of integrating solar chimneys with humidification–dehumidification systems. Renew. Energy 2023, 202, 88–102. [Google Scholar] [CrossRef]
- Lacroix, C.; Perier-Muzet, M.; Stitou, D. Dynamic Modeling and Preliminary Performance Analysis of a New Solar Thermal Reverse Osmosis Desalination Process. Energies 2019, 12, 4015. [Google Scholar] [CrossRef]
- Li, Y.; Chen, X.; Xu, Y.; Zhuo, Y.; Lu, G. Sustainable thermal-based desalination with low-cost energy resources and low-carbon footprints. Desalination 2021, 520, 115371. [Google Scholar] [CrossRef]
- Luberti, M.; Gowans, R.; Finn, P.; Santori, G. An estimate of the ultralow waste heat available in the European Union. Energy 2022, 238, 121967. [Google Scholar] [CrossRef]
- Müller-Holst, H. Solar thermal desalination using the Multiple Effect Humidifcation (MEH) method. In Solar Desalination for the 21st Century; NATO Security through Science Series; Springer: Dordrecht, The Netherlands, 2007; Chapter 15; pp. 215–225. [Google Scholar]
- Narayan, G.P.; Sharqawy, M.H.; Summers, E.K.; Lienhard, J.H.; Zubair, S.M.; Antar, M.A. The potential of solar-driven humidification-dehumidification desalination for small-scale decentralized water production. Renew. Sustain. Energy Rev. 2010, 14, 1187–1201. [Google Scholar] [CrossRef]
- Mistry, K.H.; Mitsos, A.; Lienhard, J.H. Optimal operating conditions and configurations for humidification-dehumidification desalination cycles. Int. J. Therm. Sci. 2011, 50, 779–789. [Google Scholar] [CrossRef]
- Rahimi-Ahar, Z.; Hatamipour, M.S.; Ahar, L.R. Air Humidification-Dehumidification Process for Desalination: A review. Prog. Energy Combust. Sci. 2020, 80, 100850. [Google Scholar] [CrossRef]
- Dawood, M.M.K.; Amer, A.; Mansour, T.; Teamah, M.A.; Aref, A. A Review Study of Experimental and Theoretical Humidification Dehumidification Solar Desalination Technology. Comput. Water Energy Environ. Eng. 2020, 9, 48. [Google Scholar]
- Lienhard, J.H. Humidification-Dehumidification Desalination. In Desalination: Water from Water; Kucera, J., Ed.; Scrivener Publishing: Beverly, MA, USA, 2019; pp. 387–446. [Google Scholar]
- Essa, F.; Abdullah, A.; Omara, Z.; Kabeel, A.; El-Maghlany, W.M. On the different packing materials of humidification–dehumidification thermal desalination techniques—A review. J. Clean. Prod. 2020, 277, 123468. [Google Scholar] [CrossRef]
- Garg, K.; Beniwal, R.; Das, S.K.; Tyagi, H. Experimental investigation of a low-cost humidification-dehumidification desalination cycle using packed-bed humidifier and finned-tube heat exchanger. Therm. Sci. Eng. Prog. 2023, 41, 101858. [Google Scholar] [CrossRef]
- McGovern, R.K.; Thiel, G.P.; Narayan, G.P.; Zubair, S.M.; Lienhard, J.H. Performance limits of zero and single extraction humidification-dehumidification desalination systems. Appl. Energy 2013, 102, 1081–1090. [Google Scholar] [CrossRef]
- Narayan, G.P.; Chehayeb, K.M.; McGovern, R.K.; Thiel, G.P.; Zubair, S.M. Thermodynamic balancing of the humidification dehumidification desalination system by mass extraction and injection. Int. J. Heat Mass Transf. 2013, 57, 756–770. [Google Scholar] [CrossRef]
- Narayan, G.P.; Sharqawy, M.H.; Lienhard, J.H.; Lam, S.; John, M.S. Multistage Bubble Column Humidifer. U.S. Patent 9790102, 18 July 2017. [Google Scholar]
- Narayan, G.P.; Mistry, K.H.; Sharqawy, M.H.; Zubair, S.M.; Lienhard, J.H. Energy effectiveness of simultaneous heat and mass exchange devices. Front. Heat Mass Transf. 2010, 1, 023001. [Google Scholar] [CrossRef]
- Giwa, A.; Akther, N.; Al Housani, A.; Haris, S.; Hasan, S.W. Recent advances in humidification dehumidification (HDH) desalination processes: Improved designs and productivity. Renew. Sustain. Energy Rev. 2016, 57, 929–944. [Google Scholar] [CrossRef]
- Capocelli, M.; Balsamo, M.; Mazzeo, L.; Luberti, M. Thermodynamic analysis of the humidification-dehumidification-adsorption (HDHA) desalination process. Desalination 2023, 554, 116510. [Google Scholar] [CrossRef]
- Capocelli, M.; Balsamo, M.; Lancia, A.; Barba, D. Process analysis of a novel humidification-dehumidification-adsorption (HDHA) desalination method. Desalination 2018, 429, 155–166. [Google Scholar] [CrossRef]
- Ayati, E.; Rahimi-Ahar, Z.; Hatamipour, M.S.; Ghalavand, Y. Performance evaluation of a heat pump-driven vacuum humidification-dehumidification desalination system. Appl. Therm. Eng. 2020, 180, 115872. [Google Scholar] [CrossRef]
- Liu, H.; Joseph, A.; Elsayad, M.M.; Elshernoby, B.; Awad, F.; Elsharkawy, M.; Kandeal, A.; Hussien, A.; An, M.; Sharshir, S.W. Recent Advances in heat pump-coupled desalination systems: A systematic review. Desalination 2022, 543, 116081. [Google Scholar] [CrossRef]
- Byrne, P.; Fournaison, L.; Delahaye, A.; Oumeziane, Y.A.; Serres, L.; Loulergue, P.; Szymczyk, A.; Mugnier, D.; Malaval, J.-L.; Bourdais, R.; et al. A review on the coupling of cooling, desalination and solar photovoltaic systems. Renew. Sustain. Energy Rev. 2015, 46, 703–717. [Google Scholar] [CrossRef]
- Rehman, O.A.; Palomba, V.; Frazzica, A.; Cabeza, L.F. Enabling Technologies for Sector Coupling: A review on the Role of Heat Pumps and Thermal Energy Storage. Energies 2021, 14, 8195. [Google Scholar] [CrossRef]
- Capocelli, M.; Moliterni, E.; Piemonte, V.; De Falco, M. Reuse of waste geothermal brine: Process, thermodynamic and economic analysis. Water 2020, 12, 316. [Google Scholar] [CrossRef]
- Narayan, G.P.; Lienhard, J.H.; Zubair, S.M. Entropy generation minimization of combined heat and mass transfer devices. Int. J. Therm. Sci. 2010, 49, 2057–2066. [Google Scholar] [CrossRef]
- Narayan, G.P.; Lienhard, J.H.; Zubair, S.M. Generalized Least Energy of Separation for Desalination and Other Chemical Separation Processes. Entropy 2013, 15, 2046–2080. [Google Scholar]
- Bejan, A. Advanced Engineering Thermodynamics, 4th ed.; John Wiley & Sons, Inc.: Hoboken, NJ, USA, 2016. [Google Scholar]
- Ng, K.C.; Shahzad, M.W.; Son, H.S.; Hamed, O.A. An exergy approach to efficiency evaluation of desalination. Appl. Phys. Lett. 2017, 110, 184101. [Google Scholar] [CrossRef]
- Shahzad, M.W.; Burhan, M.; Son, H.S.; Oh, S.J.; Ng, K.C. Desalination processes evaluation at common platform: A universal performance ratio (UPR) method. Appl. Therm. Eng. 2018, 134, 62–67. [Google Scholar] [CrossRef]
- Shahzad, M.W.; Ng, K.C.; Burhan, M.; Chen, Q.; Jamil, M.A.; Imtiaz, N.; Bin Xu, B. Demystifying integrated power and desalination processes evaluation based on standard primary energy approach. Therm. Sci. Eng. Prog. 2022, 27, 101153. [Google Scholar] [CrossRef]
- Treybal, R.E. Mass-Transfer Operations; McGraw-Hill Education: Dubuque, IA, USA, 1980. [Google Scholar]
- Kloppers, J.; Kröger, D. A critical investigation into the heat and mass transfer analysis of counterflow wet-cooling towers. Int. J. Heat Mass Transf. 2005, 48, 765–777. [Google Scholar] [CrossRef]
- Nevarez, V. Extraction Based Thermodynamic Balancing for a Humidification Dehumidification Desalination Plant. Ph.D. Thesis, Massachusetts Institute of Technology, Cambridge, MA, USA, 2012. [Google Scholar]
- Narayan, G.P.; Thiel, G.P.; McGovern, R.K.; Lienhard, J.H.; Sharqawy, M.H. Humidifcation-Dehumidifcation System Including Bubble Column Vapor Mixture Condenser. U.S. Patent 8778065, 25 June 2014. [Google Scholar]
- Nawayseh, N.K.; Farid, M.M.; Al-Hallaj, S.; Al-Timimi, A.R. Solar desalination based on humidification process—I. Evaluating the heat and mass transfer coefficients. Energy Convers. Manag. 1999, 40, 1423–1439. [Google Scholar] [CrossRef]
- Zhao, Y.; Zheng, H.; Liang, S.; Zhang, N.; Ma, X.L. Experimental research on four-stage cross flow humidification dehumidification (HDH) solar desalination system with direct contact dehumidifiers. Desalination 2019, 467, 147–157. [Google Scholar] [CrossRef]
- Ghazouani, N.; El-Bary, A.A.; Hassan, G.E.; Becheikh, N.; Bawadekji, A.; Elewa, M.M. Solar Desalination by Humidification–Dehumidification: A Review. Water 2022, 14, 3424. [Google Scholar] [CrossRef]
- Li, G.; Wang, J.; Zhang, F.; Liu, J. Comprehensive operational parameter analysis of cross-flow hollow fiber membrane humidifier for humidification dehumidification desalination. Desalination 2022, 542, 116066. [Google Scholar] [CrossRef]
- Zeng, Z.; Sadeghpour, A.; Ju, Y.S. A highly effective multi-string humidifier with a low gas stream pressure drop for desalination. Desalination 2019, 449, 92–100. [Google Scholar] [CrossRef]
- Li, G.-P.; Zhang, L.-Z. Laminar flow and conjugate heat and mass transfer in a hollow fiber membrane bundle used for seawater desalination. Int. J. Heat Mass Transf. 2017, 111, 123–137. [Google Scholar] [CrossRef]
- Tariq, R.; Sheikh, N.A.; Xamán, J.; Bassam, A. An innovative air saturator for humidification-dehumidification desalination application. Appl. Energy 2018, 228, 789–807. [Google Scholar] [CrossRef]
- El-Agouz, S.A.; Abugderah, M. Experimental analysis of humidification process by air passing through seawater. Energy Convers. Manag. 2008, 49, 3698–3703. [Google Scholar] [CrossRef]
- El-Agouz, S.A. Desalination based on humidification–dehumidification by air bubbles passing through brackish water. Chem. Eng. J. 2010, 165, 413–419. [Google Scholar] [CrossRef]
- Abd-ur-Rehman, M.; Al-Sulaiman, F.A. A novel design of a multistage stepped bubble column humidifier for the humidification of air. Appl. Therm. Eng. 2017, 120, 530–536. [Google Scholar] [CrossRef]
- Shehata, A.; Kabeel, A.L.; Dawood, M.M.K.; Abdalla, A.M. Achievement of humidification and dehumidification desalination system by utilizing a hot water sprayer and ultrasound waves techniques. Energy Convers. Manag. 2019, 201, 112142. [Google Scholar] [CrossRef]
- Easa, A.S.; Mohamed, S.M.; Barakat, W.S.; Habba, M.I.A.; Kandel, M.G.; Khalaf-Allah, R.A. Water production from a solar desalination system utilizing a high-speed rotary humidifier. Appl. Therm. Eng. 2023, 224, 120150. [Google Scholar] [CrossRef]
- RKhalaf-Allah, A.; Abdelaziz, G.B.; Kandel, M.G.; Easa, A.S. Development of a centrifugal sprayer-based solar HDH desalination unit with a variety of sprinkler rotational speeds and droplet slot distributions. Renew. Energy 2022, 190, 1041–1054. [Google Scholar] [CrossRef]
- Tow, E.W.; Lienhard, J.H. Experiments and modeling of bubble column dehumidifier performance. Int. J. Therm. Sci. 2014, 80, 65–75. [Google Scholar] [CrossRef]
- Tow, E.W.; Lienhard, J.H. Analytical modeling of a bubble column dehumidifer. In Proceedings of the ASME 2013 Summer Heat Transfer Conference, Minneapolis, MN, USA, 14–19 July 2013. Paper No. HT2013-17763. [Google Scholar]
- Tow, E.W.; Lienhard, J.H. Heat flux and effectiveness in bubble column dehumidifers for HDH desalination. In Proceedings of the IDA World Congress on Desalination and Water Reuse, Tianjin, China, 20–25 October 2013. [Google Scholar]
- Narayan, G.P.; Sharqawy, M.H.; Lam, S.; Das, S.K.; Lienhard, J.H. Bubble Columns for Condensation at High Concentrations of Noncondensable Gas: Heat-Transfer Model and Experiments. AIChE J. 2013, 59, 1780–1790. [Google Scholar] [CrossRef]
- Sharqawy, M.H.; Liu, H. The effect of pressure on the performance of bubble column dehumidifier. Int. J. Heat Mass Transf. 2015, 87, 212–221. [Google Scholar] [CrossRef]
- Huang, J.H. Design of a Mobile Community Level Water Treatment System Based on Humidification Dehumidification Desalination. Bachelor’ s Thesis, Massachusetts Institute of Technology, Cambridge, MA, USA, 2012. [Google Scholar]
- Lam, S. Development of a Multi-Stage Bubble Column Dehumidifier for Application in a humidification Dehumidification Desalination System. Bachelor’ s Thesis, Massachusetts Institute of Technology, Cambridge, MA, USA, 2012. [Google Scholar]
- Eslamimanesh, A.; Hatamipour, M.S. Mathematical modelling of a direct contact humidification–dehumidification desalination process. Desalination 2009, 237, 296–304. [Google Scholar] [CrossRef]
- Hu, T.; Hassabou, A.H.; Spinnler, M.; Polifke, W. Performance analysis and optimization of direct contact condensation in a PCM fixed bed regenerator. Desalination 2011, 280, 232–243. [Google Scholar] [CrossRef]
- Wang, K.; Hu, T.; Hassabou, A.H.; Spinnler, M.; Polifke, W. Analyzing and modeling the dynamic thermal behaviors of direct contact condensers packed with PCM spheres. Contin. Mech. Thermodyn. 2013, 25, 23–41. [Google Scholar] [CrossRef]
- Niroomand, N.; Zamen, M.; Amidpour, M. Theoretical investigation of using a direct contact dehumidifier in humidification–dehumidification desalination unit based on an open-air cycle. Desalination Water Treat. 2014, 54, 305–315. [Google Scholar] [CrossRef]
- Agboola, O.P.; Egelioglu, F. An empirical evaluation of an integrated inclined solar water desalination system with spray jets variation. Desalination Water Treat. 2013, 53, 2875–2881. [Google Scholar] [CrossRef]
- Okati, V.; Farsad, S.; Behzadmehr, A. Numerical analysis of an integrated desalination unit using humidification- dehumidification and subsurface condensation processes. Desalination 2018, 433, 172–185. [Google Scholar] [CrossRef]
- Okati, V.; Behzadmehr, A.; Farsad, S. Analysis of a solar desalinator (humidification-dehumidification cycle) including a compound system consisting of a solar humidifier and subsurface condenser using DoE. Desalination 2016, 397, 9–21. [Google Scholar] [CrossRef]
- Al-Sahali, M.; Ettouney, H.M. Humidification dehumidification desalination process: Design and performance evaluation. Chem. Eng. J. 2008, 143, 257–264. [Google Scholar] [CrossRef]
- Narayan, G.P.; McGovern, R.H.; Lienhard, J.H.; Zubair, S.M. Helium as a Carrier Gas in Humidification Dehumidification Desalination Systems. In Proceedings of the ASME 2011 International Mechanical Engineering Congress & Exposition, Denver, CO, USA, 11–17 November 2011. IMECE2011-62875. [Google Scholar]
- Mousa, K.; Arabi, A.; Reddy, K.V. Performance evaluation of desalination processes based on the humidification/dehumidification cycle with different carrier gases. Desalination 2003, 156, 281–293. [Google Scholar]
- Ettouney, H. Design and analysis of humidification dehumidification desalination process. Desalination 2005, 183, 341–352. [Google Scholar] [CrossRef]
- Kabeel, A.E.; Abdelgaied, M.; Zakaria, Y. Performance evaluation of a solar energy assisted hybrid desiccant air conditioner integrated with HDH desalination system. Energy Convers. Manag. 2017, 150, 382–391. [Google Scholar] [CrossRef]
- El-Agouza, S.A.; Ravishankar Sathyamurthy, A. Muthu Manokar. Improvement of humidification–dehumidification desalination unit using a desiccant wheel. Chem. Eng. Res. Des. 2018, 131, 104–116. [Google Scholar]
- Qasem, N.A.; Ahmed, M.; Zubair, S.M. The impact of thermodynamic balancing on performance of a desiccant based humidification-dehumidification system to harvest freshwater from atmospheric air. Energy Convers. Manag. 2019, 199, 112011. [Google Scholar] [CrossRef]
- Ahmed, M.A.; Gandhidasan, P.; Zubair, S.M.; Bahaidarah, H.M. Thermodynamic analysis of an innovative liquid desiccant air conditioning system to supply potable water. Energy Convers. Manag. 2017, 148, 161–173. [Google Scholar] [CrossRef]
- Ng, K.C.; Thu, K.; Kim, Y.; Chakraborty, A.; Amy, G. Adsorption desalination: An emerging low-cost thermal desalination method. Desalination 2013, 308, 161–179. [Google Scholar] [CrossRef]
- Ng, K.C.; Thu, K.; Oh, S.J.; Ang, L.; Shahzad, M.W.; Bin Ismail, A. Recent developments in thermally-driven seawater desalination: Energy efficiency improvement by hybridization of the MED and AD cycles. Desalination 2015, 356, 255–270. [Google Scholar] [CrossRef]
- Ng, K.C.; Chua, H.T.; Chung, C.Y.; Loke, C.H.; Kashiwagi, T.; Akisawa, A.; Saha, B.B. Experimental investigation of the silica gel-water adsorption isotherm characteristics. Appl. Therm. Eng. 2001, 21, 1631–1642. [Google Scholar] [CrossRef]
- Qasem, N.A.; Zubair, S.M. Performance evaluation of a novel hybrid humidification-dehumidification (air-heated) system with an adsorption desalination system. Desalination 2019, 461, 37–54. [Google Scholar] [CrossRef]
- Elbassoussi, M.H.; Mohammed, R.H.; Zubair, S.M. Thermoeconomic assessment of an adsorption cooling/desalination cycle coupled with a water-heated humidification-dehumidification desalination unit. Energy Convers. Manag. 2020, 223, 113270. [Google Scholar] [CrossRef]
- Ali, E.S.; Mohammed, R.H.; Qasem, N.A.A.; Zubair, S.M.; Askalany, A. Solar-powered ejector-based adsorption desalination system integrated with a humidification-dehumidification system. Energy Convers. Manag. 2021, 238, 114113. [Google Scholar] [CrossRef]
- Thu, K. Adsorption Desalination: Theory & Experiments. Ph.D. Thesis, National University of Singapore, Singapore, 2010. [Google Scholar]
- Boniface, K.J.; Dykeman, R.R.; Cormier, A.; Wang, H.B.; Mercer, S.M.; Liu, G.; Cunningham, M.F.; Jessop, P.G. CO2-switchable drying agents. Green Chem. 2016, 18, 208–213. [Google Scholar] [CrossRef]
- Teo, H.W.B.; Chakraborty, A.; Fan, W. Improved adsorption characteristics data for AQSOA types zeolites and water systems under static and dynamic conditions. Microporous Mesoporous Mater. 2017, 242, 109–117. [Google Scholar]
- Vlachogiannis, M.; Bontozoglou, V.; Georgalas, C.; Litinas, G. Desalination by mechanical compression of humid air. Desalination 1999, 122, 35–42. [Google Scholar] [CrossRef]
- Narayan, G.P.; Sharqawy, M.H.; Lienhard, J.H.; Zubair, S.M. Thermodynamic analysis of humidification dehumidification desalination cycles. Desalination Water Treat. 2010, 16, 339–353. [Google Scholar] [CrossRef]
- Narayan, G.P.; McGovern, R.K.; Lienhard, J.H.; Zubair, S.M. Variable pressure humidification dehumidification desalination system. In Proceedings of the ASME/JSME Thermal Engineering Joint Conference, Honolulu, HI, USA, 13–17 March 2011. AJTEC 2011-44095. [Google Scholar]
- Govindan, P.N.; Elsharqawy, M.H.; Lienhard, J.H.; Zubair, S.N. Water Separation under Varied Pressure. U.S. Patent No. 8,252,092 B2, 28 August 2012. [Google Scholar]
- Elsharqawy, M.H.; Lienhar, J.H.; Zubair, S.M.; Govindan, P.N. Water Separation under Reduced Pressure. U.S. Patent No. 8,292,272 B2, 23 October 2012. [Google Scholar]
- Al-Qutub, A.; Govindan, P.N.; Lienhard, J.H. Thermal Energy-Driven Mechanical Compression Humidification-Dehumidification Water Purification. U.S. Patent No. 10,472,258 B2, 12 November 2019. [Google Scholar]
- Siddiqui, O.K.; Sharqawy, M.H.; Antar, M.A.; Zubair, S.M. Performance evaluation of variable pressure humidification-dehumidification systems. Desalination 2017, 409, 171–182. [Google Scholar] [CrossRef]
- Mistry, K.H.; Narayan, G.P.; Mitsos, A.; Lienhard, J.H. Optimization of multi-pressure humidification-dehumidification desalination using thermal vapor compression and hybridization. In Proceedings of the 21st National & 10th ISHMT-ASME Heat and Mass Transfer Conference, Chennai, India, 27–30 December 2011. ISHMT 2011-015. [Google Scholar]
- Govindan, P.N.; Mistry, K.H.; Lienhard, J.H.; Zubair, S.M. High-Efficiency Thermal-Energy-Driven Water Purification System. U.S. Patent No. 8,647,477, 11 February 2014. [Google Scholar]
- Yang, Y. Pressure effect on an ocean-based humidification-dehumidification desalination process. Desalination 2019, 468, 114056. [Google Scholar] [CrossRef]
- Narayan, G.P.; McGovern, R.K.; Zubair, S.M.; Lienhard, J.H. High-temperature-steam-driven, varied-pressure, humidification-dehumidification system coupled with reverse osmosis for energy-efficient seawater desalination. Energy 2012, 37, 482–493. [Google Scholar] [CrossRef]
- Narayan, G.P.; McGovern, R.K.; Zubair, S.M.; Lienhard, J.H. Exergy analysis of a high-temperature-steam-driven, varied-pressure, humidification-dehumidification system coupled with reverse osmosis. Appl. Energy 2013, 103, 552–561. [Google Scholar]
- Ghalavand, Y.; Hatamipour, M.S.; Rahimi, A. Humidification compression desalination. Desalination 2014, 341, 120–125. [Google Scholar] [CrossRef]
- Ghalavand, Y.; Hatamipour, M.S.; Rahimi, A. Performance evaluation of humidification-compression desalination. Desalination Water Treat. 2016, 57, 15285–15292. [Google Scholar] [CrossRef]
- Ghalavand, Y. Simplified mathematical modelling for a solar humidification compression desalination system. Water Environ. J. 2017, 31, 360–366. [Google Scholar] [CrossRef]
- Ghalavand, Y.; Rahimi, A.; Hatamipour, M.S. Mathematical modeling for humidifier performance in a compression desalination system: Insulation effects. Desalination 2018, 433, 48–55. [Google Scholar] [CrossRef]
- Rahimi-Ahar, Z.; Hatamipour, M.S.; Ghalavand, Y. Solar assisted modified variable pressure humidification-dehumidification desalination system. Energy Convers. Manag. 2018, 162, 321–330. [Google Scholar] [CrossRef]
- Rahimi-Ahar, Z.; Hatamipour, M.S.; Ghalavand, Y. Experimental investigation of a solar vacuum humidification-dehumidification (VHDH) desalination system. Desalination 2018, 437, 73–80. [Google Scholar] [CrossRef]
- Rahimi-Ahar, Z.; Hatamipour, M.S.; Ghalavand, Y.; Palizvan, A. Comprehensive study on vacuum humidification-dehumidification (VHDH) desalination. Appl. Therm. Eng. 2020, 169, 114944. [Google Scholar] [CrossRef]
- Abedi, M.; Ghalavand, Y.; Ghalavand, A. Mathematical modeling of double-stage humidification compression desalination: Series and parallel configurations. Energy Convers. Manag. 2021, 239, 114210. [Google Scholar] [CrossRef]
- Abedi, M.; Ghalavand, Y. Modification in energy and productivity of high-temperature variable pressure humidification-compression. Water Supply 2021, 21, 3557–3569. [Google Scholar] [CrossRef]
- Rahimi-Ahar, Z.; Hatamipour, M.S. Performance evaluation of a solar and vacuum assisted multi-stage humidification-dehumidification desalination system. Process Saf. Environ. Prot. 2021, 148, 1304–1314. [Google Scholar] [CrossRef]













| Reference | System Description | PH (kPa) | PDH (kPa) | Product Water Rate (kg h−1) | GOR (–) | SEC (kJe kg−1) | Product Water Cost (USD m−3) |
|---|---|---|---|---|---|---|---|
| Narayan et al. [85] | MVC-driven | 40 | 50 | ≈400 | 6.0 * | 200 | - |
| Siddiqui et al. [89] | MVC-driven | 50 | 66.5 | 180 | 3.8 | 640 | - |
| Narayan et al. [93] | TVC-driven | 87 | 100 | 3600 | 1.1 * | 66.6 | - |
| Ghalavand et al. [95] | HC-based | 100 | 300 | 151 | 2.1 | 1125 | - |
| Rahimi-Ahar et al. [99] | HC Process-I | 10 | >101.3 | 2.1 | 1.3 | 1714 | 8.0 |
| HC Process-II | 10 | 101.3 | 2.2 | 3.3 | 655 | 4.0 | |
| Abedi and Ghalavand [103] | 1-stage HC Case A | 100 | 167 | 41.2 | 14.1 | 165 | 2.8 |
| 1-stage HC Case B | 60 | 100 | 28.7 | 12.3 | 189 | 3.2 | |
| 2-stage HC parallel Case C | 100 (1st) 60 (2nd) | 100 | 52.4 | 16.1 | 145 | 2.4 |
| Reference | System Description | PH (kPa) | PDH (kPa) | Product Water Rate (kg h−1) | GOR (–) | SEC (kJe kg−1) | Product Water Cost (USD m−3) |
|---|---|---|---|---|---|---|---|
| Ghalavand et al. [96] | HC with solar heating | 100 | 300 | 1.5 | 1.1 | 2130 | 6.5 |
| Rahimi-Ahar et al. [100] | Vacuum HC with solar heating | 50 | 101.3 | 2.1 | 3.4 | 756 | 4.1 |
| Rahimi-Ahar et al. [101] | Vacuum HC with solar heating | 50 | 101.3 | 1.8 | - | 648 | 3.9 |
| Abedi et al. [102] | 2-stage HC series with solar heating | 100 (1st) 50 (2nd) | 120 | 4.5 | - | 2674 | 8.2 |
| 2-stage HC parallel with solar heating | 100 (1st) 50 (2nd) | 120 | 5.4 | - | 1619 | 4.9 | |
| Rahimi-Ahar and Hatamipour [104] | 3-stage vacuum HC parallel with solar heating | 33 | 101.3 | 3.6 | - | 360 | 2.0 |
Disclaimer/Publisher’s Note: The statements, opinions and data contained in all publications are solely those of the individual author(s) and contributor(s) and not of MDPI and/or the editor(s). MDPI and/or the editor(s) disclaim responsibility for any injury to people or property resulting from any ideas, methods, instructions or products referred to in the content. |
© 2023 by the authors. Licensee MDPI, Basel, Switzerland. This article is an open access article distributed under the terms and conditions of the Creative Commons Attribution (CC BY) license (https://creativecommons.org/licenses/by/4.0/).
Share and Cite
Luberti, M.; Capocelli, M. Enhanced Humidification–Dehumidification (HDH) Systems for Sustainable Water Desalination. Energies 2023, 16, 6352. https://doi.org/10.3390/en16176352
Luberti M, Capocelli M. Enhanced Humidification–Dehumidification (HDH) Systems for Sustainable Water Desalination. Energies. 2023; 16(17):6352. https://doi.org/10.3390/en16176352
Chicago/Turabian StyleLuberti, Mauro, and Mauro Capocelli. 2023. "Enhanced Humidification–Dehumidification (HDH) Systems for Sustainable Water Desalination" Energies 16, no. 17: 6352. https://doi.org/10.3390/en16176352
APA StyleLuberti, M., & Capocelli, M. (2023). Enhanced Humidification–Dehumidification (HDH) Systems for Sustainable Water Desalination. Energies, 16(17), 6352. https://doi.org/10.3390/en16176352

