Abstract
In the current literature, there exists a lack of analysis regarding the coordination of the spinning reserve and time-shift characteristics of hydrogen storage systems (HSS) and flexible carbon capture systems (FCCS) in terms of low-carbon economic operation. They are presently used solely as a tool to capture carbon dioxide, without fully utilizing the advantages of their flexible operation. The coordination and complementarity of the FCCS and HSS can ensure stable power supply and improve renewable energy (RE) consumption. Combined with demand side response (DSR), these factors can maximize the RE consumption capacity, reduce carbon emissions, and improve revenue. In this paper, a source-storage-load flexible scheduling strategy is proposed by considering the complementary nature of FCCS and HSS in terms of rotating standby and time-shift characteristics. First, the operational mechanisms of FCCS, HSS, and demand side response (DSR) are analyzed, and their mathematical models are constructed to improve flexibility in grid operation and regulation. Next, deficiencies in FCCS and HSS operation under rotating reserve requirements are analyzed to design a coordinated operation framework for the FCCS and HSS. This operational framework aims to enable the complementarity of the rotating reserve and time-shift characteristics of FCCS and HSS. Finally, based on the carbon emission trading mechanism, a three-stage ladder carbon emission trading cost model is constructed, and a source-storage-load flexible scheduling strategy is established to achieve an effective balance between low carbon emissions and economic performance. The simulation results demonstrate that the strategy reduces the overall cost by 8.57%, reduces the carbon emissions by 35.33%, and improves the renewable energy consumption by 3.5% compared with the unoptimized scheme.
1. Introduction
1.1. Research Background
With the introduction of the “dual-carbon” target and the construction of new power systems, China has put forward new requirements for carbon emissions and flexibility in the power industry [1]. Currently, China’s power generation infrastructure is still dominated by coal power generation, which accounts for 55.3% of China’s energy consumption [2,3]. There is an urgent need to vigorously develop renewable energy sources in order to facilitate the increasingly important energy transition to renewable power systems. However, the randomness and volatility of renewable energy (RE) output leads to difficulties in RE consumption and high pressure on spinning reserves. Therefore, it is important to fully coordinate the dispatchable resources of the source, load, and storage to achieve balanced RE consumption for a low-carbon and flexible operation [4].
The replacement of traditional high-carbon emission power generation equipment with flexible carbon capture systems (FCCS) is key to realizing a low-carbon transition. FCCS can significantly reduce greenhouse gas emissions by directly capturing and storing carbon dioxide emitted from coal-fired power plants. Additionally, as carbon regulations become more stringent, companies may have to pay high carbon emission fees. Carbon capture technology is used to reduce the cost of carbon emissions. When RE sources are not generating sufficient power, coal-fired power generation and CO2 capture via FCCS can be used to ensure a stable power supply, thus improving overall system flexibility and RE consumption capacity. However, these technologies are constrained by their rotating standby, and the adjustable range of their output is limited.
Owing to the high energy density of hydrogen, hydrogen storage systems (HSS) can store large amounts of energy over long periods of time, providing significant advantages over short-term storage systems such as batteries. In addition, hydrogen can be used not only for power generation, but also as an industrial raw material and fuel for fuel cells. This versatility increases the economic efficiency and application flexibility of hydrogen. However, hydrogen storage systems involve multiple energy conversions (electrical energy to hydrogen and back to electrical energy), with energy losses occurring at each conversion. With the current technology, this efficiency loss is large (usually around 50%). Hydrogen storage systems have energy time-shift characteristics. They are particularly suitable for use with intermittent renewable energy sources, such as wind and solar power. For example, in times of excess wind or solar power generation, the excess power can be used to produce hydrogen by electrolysis of water. During periods of under-generation or peak demand, the stored hydrogen can be used to generate electricity, balancing supply and demand. By creating an integrated power generation system with renewable energy sources, the issue of power wastage can be effectively mitigated. However, focusing only on time-shift characteristics without examining the equivalent rotating standby capacity of HSS fails to realize the full potential of renewable energy consumption. In view of the shortcomings of the two, studying the coordinated operation characteristics of FCCS and HSS is of great significance. This could not only enhance the system’s economic and low-carbon attributes, but also significantly boost the level of renewable energy consumption.
1.2. Literature Survey
Converting high carbon-emitting units to FCCS under the dual-carbon objective is an effective way to achieve low carbon emissions [5]. Carbon capture units can improve the deep peaking output of the units, increase the peaking margin, and effectively address high carbon emissions.
Carbon capture units can primarily be categorized into basic modes (flue gas splitter type and solution storage type) and a flexible mode [6,7]. Dispatch models with solution storage-type carbon capture plants are developed to reduce high carbon emissions [8]. Models are also constructed by considering carbon capture equipment of the flue gas splitter type. However, basic carbon capture equipment faces the problem of high operational energy consumption [9]. During peak load hours, the unit output is used to balance the system load, making it impossible to meet the energy consumption requirements of the carbon capture equipment.
FCCS combines low-carbon emissions with a wide peak load shifting capability [10], which can promote RE consumption [11]. In addition, FCCS have a faster response time and deeper regulation range than conventional thermal units, making them more suitable for the system spinning reserve capacity. FCCS assume the system spinning reserve demand [12,13], and the proposed models have been verified by arithmetic case studies.
However, the large-scale grid integration of RE sources places high reserve pressure on FCCS. It is difficult to reduce their net output during load valley hours, and thus it is difficult to recognize the advantages of a wide regulation range [14].
HSS have good development prospects as a form of RE storage [15]. The production of hydrogen and methanol from non-circulating plastic waste has been analyzed in detail. This has helped the EU diversify its energy sources and improve the efficiency of its waste management [16]. In one study on the hydrogen production process, a screw kiln continuous reaction system was used to investigate the production of hydrogen from a representative waste plastic [17]. The introduction of HSS can enable the reuse of locally discarded wind and solar resources, thereby increasing local RE consumption. Additionally, storing hydrogen and generating electricity during peak load hours can reduce the system’s peak-to-valley difference and increase HSS revenue [18]. A micro-grid capacity optimization allocation model considering HSS has been developed. This model realized the capacity optimization of hydrogen storage configuration through the energy time-shift characteristics of HSS [19]. A hydrogen energy storage peaking station design has been proposed, and the possibility of peaking based on the energy time-shift characteristics of HSS was analyzed [20]. A day-ahead electricity-hydrogen energy trading model based on the time-shift characteristics of HSS was also proposed to maximize HSS profitability [21]. Most of the above literature studies on HSS have been based on micro-grids or integrated energy systems. The above literature mainly covers studies the energy time-shift characteristics of HSS, but do not consider the conversion efficiency of HSS.
HSS are characterized by fast regulation. In addition to the energy time-shift, they can also reduce thermal power standby capacity by flexibly adjusting the output to undertake the system spinning reserve capacity [22]. The hydrogen storage equivalent reserve characteristic is defined as the ability of HSS to flexibly adjust the power output to provide reserve requirements. To reduce randomness and volatility, HSS have been utilized to provide up and down spinning reserve capacity for wind power plants [23]. In one study, a low-carbon scheduling method for comprehensive utilization of hydrogen energy was proposed, and HSS were utilized to provide rotating standby capacity [24]. The above literature investigates the effectiveness of HSS in undertaking spinning reserve demand. However, the high construction cost of HSS and the limitations relating to their capacity mean that they cannot undertake reserve requirement alone; they need to be coupled with other reserve equipment.
On the load side, the power consumption behavior of users can be guided by price signals to alleviate the regulatory pressure on power generation and energy storage [25]. Different demand and response resources can be optimally allocated to achieve optimal system economics and to verify the effectiveness of DSR participation [26,27]. Therefore, the DSR can be co-scheduled with other adjusted ability resources to further optimize system performance under the dual-carbon goal.
1.3. Research Focus and Organization
To date, domestic and international scholars have not analyzed the coordination of the spinning reserve and time-shift characteristics of FCCS and HSS in terms of low-carbon economic operation. They are used only as a tool to capture carbon dioxide, without fully utilizing the advantages of their flexible operation. The coordination and complementarity of FCCS and HSS can ensure stable power supply and improve RE consumption. Combined with demand side response (DSR), RE consumption capacity can be maximized, carbon emissions can be reduced, and revenue can be improved. In summary, the research focuses are proposed as follows:
- (1)
- The research results of some scholars have transformed thermal power units by adding carbon capture equipment, which alleviates the peaking cost during load valley periods. However, carbon capture units cannot achieve optimal carbon capture levels during load peak periods. The first key problem is in identifying how carbon capture units can cooperate with the time-shift characteristics of HSS, and how to jointly tap the low-carbon characteristics to maximize the potential of RE consumption.
- (2)
- The spinning reserve allocation plan needs to be restudied in depth with FCCS after considering the equivalent spinning reserve characteristics of HSS. Both FCCS and HSS can be used for energy time-shifting and partial spinning reserve capacity. Therefore, there is an urgent need for an in-depth study of the limitations in their operation modes, as well as their advantages and complementary characteristics.
- (3)
- In low-carbon economic scheduling, the impact of scheduling results have not been fully explored after the coordinated operation of source, storage, and load. The impact of DSR on low-carbon optimal economic dispatch needs to be considered.
Therefore, a source-storage-load flexible scheduling strategy is established by considering the coordination of spinning reserve and time-shift characteristics for the FCCS and HSS under the dual-carbon objective. In Section 2, the operational mechanisms of HSS, FCCS, and DSR are analyzed, and the operational models are constructed separately. The HSS, FCCS, and DSR are fully utilized to improve the dispatch flexibility. In Section 3, a coordinated operation framework is constructed for FCCS and HSS. The coordinated characteristics of the FCCS and HSS are analyzed to assess the difficulty of FCCS down-regulating output during the load valley period. In addition, the performance of the system is further optimized through the load demand side response. In Section 4, the optimal strategies considering the coordination of spinning reserve and time-shift characteristics of FCCS and HSS are established with the aim of minimizing operation costs and carbon emissions. This strategy achieves an effective balance between low carbon emissions and economic performance. The validity of the model proposed is also verified through the case study in Section 5. Finally, conclusions and limitations are presented in Section 6.
2. Operating Mechanisms and Models of HSS, FCCS and DSR Considering Spinning Reserve and Time-Shift Characteristics
2.1. Operating Mechanisms and Models of HSS Considering Spinning Reserve and Time-Shift Characteristics
2.1.1. Operating Mechanisms of HSS Considering Spinning Reserve and Time-Shift Characteristics
The ES system includes electrolytic cells (EC), hydrogen storage tanks (HST), fuel cells (FC), batteries, and so on. The operating mechanisms of the HSS for RE consumption are shown in Figure 1.
Figure 1.
The HSS system operating mechanisms.
According to the ESS operation mechanism, the process of HSS participation in RE consumption is reflected in two aspects:
- (1)
- Time-shift characterization of HSS
As shown in Figure 1, excess RE is fed into the EC for hydrogen production, and the generated hydrogen is stored in the HST when the RE output exceeds the load demand. The hydrogen from the HST is fed into the FC and converted into power generation to meet the load demand when the RE output is small and the load demand is high.
- (2)
- Equivalent spinning reserve characterization of HSS
The HSS system for power generation is characterized by fast response times. It can provide upper and lower spinning reserve capacity by flexibly adjusting output, thereby reducing the thermal power reserve capacity. Thermal power units can operate at lower net outputs, allowing RE installation capacity to be added to the grid.
2.1.2. Operating Models of HSS
The output models based on the HSS operation principle are shown as follows. It is assumed that the HSS equipment operates at a fixed efficiency. The efficiency of HSSC operation has not yet been considered.
where Pel,t and PelH,t represent the input and output power of the EC; ηel represents the EC efficiency; EHSS,t is HST energy stored; PfcH,t and Pfc,t represent the FC input and output power; and ηfc represents the FC efficiency.
The HSS operation constraints are shown based on the above HSS operation mechanism.
- (1)
- Hydrogen capacity constraints for the HST:where EHSS,0 and EHSS,T represent the initial and final HST hydrogen capacity, respectively; and EHSS,min and EHSS,max represent the minimum and maximum HST hydrogen capacity limits, respectively.
- (2)
- Operating power constraints for the EC and FC:where Pel,tmax represents the maximum input power of the EC; Pfc,tmax represents the maximum output power of the FC; and Pel,N and Pfc,N represent the rated powers of the EC and FC, respectively. The minimum technical output of the EC is 10% of the rated power.
2.2. Operating Mechanisms and Models of FCCS Considering Spinning Reserve and Time-Shift Characteristics
2.2.1. Operating Mechanisms of FCCS Considering Spinning Reserve and Time-Shift Characteristics
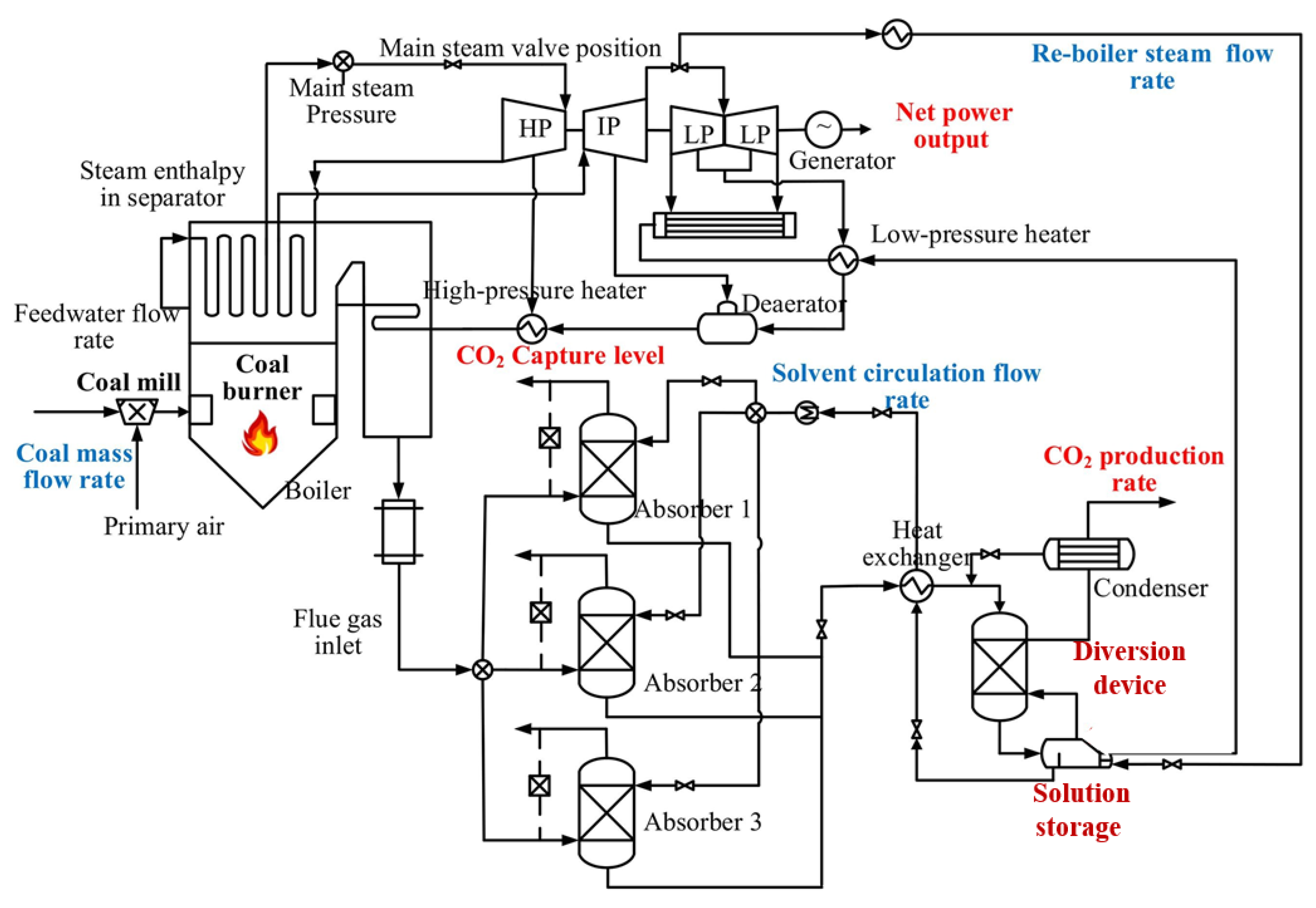
The conversion of high carbon emission units to the CCU is an effective way to achieve low carbon emissions under the dual-carbon objective. The installation of a diversion device and solution storage device can make it more flexible (FCCS). The operating mechanisms of FCCS are shown in Figure 2.
Figure 2.
The operating mechanisms of FCCS.
The operation mode of the FCCS can be described as follows. A portion of the CO2 produced by conventional thermal power units enters the absorbed tower via the flue gas bypass. The solution storage tank contains an aqueous monoethanolamine solvent (MEA), in which CO2 is soluble. At this time, CO2 and MEA combine to form a rich liquid with a high CO2 concentration, which is stored in the rich liquid tank (Absorber 1). The rich liquid enters the regeneration tower when the CO2 is needed. The MEA solvent separates CO2 by high temperature action, and reuse of CO2 is realized. After separation, the rich liquid forms a poor liquid stream with low CO2 concentration. It then returns to the poor liquid storage (Absorber 3) and the absorption tower for recycling.
2.2.2. Operating Models of FCCS
The output models of FCCS are as follows:
where PFC,t represents the FCCS total power in the flexible operation mode; PJC,t represents the FCCS net output power; Pr,t represents the FCCS operating power consumption; and PD represents fixed consumption of the carbon storage system.
The FCCS operating power consumption Pr,t is as follows:
where λ represents the unit set of CO2 captured power; EJC,t represents the captured CO2 capacity; η represents the CO2 captured efficiency; δt represents the flue gas split ratio at time t; EC,t represents the FCCS captured CO2 capacity; and EV,t represents the CO2 capacity supplied by the storage tank.
In addition, the parameter EC,t and EV,t constraints are as follows:
where α represents the emission factor required by the emission policy; Vv,t is the MEA solution volume; MV and MCO2 represent the MEA solution and CO2 molar mass; θ represents the resolution; and ρV and δV represent the concentration and density of the MEA solution, respectively.
2.3. Operating Mechanisms and Models of DSR
The load-side regulation methods should not be ignored. The introduction of the DSR mechanism can improve the flexible regulation characteristics of load-side resources and give full play to the load-side advantages. Price-based DSR is used to change the load’s electricity consumption behavior by means of tariff guidance. The policy of “peak-flat-valley” time-sharing tariff is applied to guide the load transfer. After adjusting from fixed tariff to time-of-day tariff, the load DSR model is shown in (13):
where PDSR,P, PDSR,F, and PDSR,V represent the load power in the peak, flat, and valley hours after the implementation of DSR; PL,P, PL,F and PL,V represent the peak, flat, and valley power before the implementation of DSR; K represents the elasticity matrix of tariff demand; ΔcP, ΔcF, and ΔcV represent the tariff changes in the peak, flat, and valley hours before and after the implementation of DSR, respectively; and cA represents the fixed tariff before DSR.
The elasticity matrix of the tariff demand K is determined by the elasticity coefficient of tariff demand, as shown in (14):
where P, F, and V represent the load period in the peak, flat, and valley hours. The main diagonal elements kP,P, kF,F, and kV,V are the coefficients of self-elasticity; and the remaining elements are coefficients of mutual elasticity.
The change scale of load power on electricity price is represented by the price elasticity of the demand coefficient k, as shown in (15):
where PL,t and cA,t represent the power and tariff before the implementation of DSR; and ΔPL,t and Δct represent the power and tariff changes after the implementation of DSR.
3. The Characteristics Complementary Framework of FCCS and HSS
3.1. The Characteristics Complementary Framework of FCCS and HSS
The characteristics complementary framework of FCCS and HSS is shown in Figure 3. It contains five energy drives: electricity flow, gas flow, hydrogen flow, heat flow, and carbon flow. Renewable electricity generated from wind and PV during the valley load period is converted to generate electricity during the peak load period through EC, HST, and FC. Its time-shifted characteristics enable additional consumption of RE. The heat flow generated by the EC and FC can also satisfy heating loads. In addition, carbon captured by the FCCS is used to produce methane for profit in the gas market.
Figure 3.
The operational framework considering the coordination of FCCS and HSS.
The characteristics complementary framework of the FCCS and HSS is analyzed from three perspectives: source, storage, and load.
Source side: Conventional thermal power units, as well as decarbonized and modified carbon capture units, can capture the generated carbon dioxide and reduce carbon emissions from thermal power units on the source side. In addition, carbon captured by FCCS is used to produce methane for profit in the gas market.
Load side: The DSR mechanism guides consumers’ electricity consumption patterns, increasing load demand in the valley period.
RE and energy storage: RE is coupled with HSS to form a co-generation system. This system can realize the reuse of local RE discarded resources and increase the local RE consumption. Spinning reserve demand is transformed from thermal power units to hydrogen storage systems coupled with carbon capture units.
As a result of the above analysis, both FCCS and HSS can be used for energy time-shifting and to perform some of the system’s spinning reserve tasks. Therefore, the limitations of the two systems and their complementary characteristics need to be studied in depth.
3.2. The Coordinated Operation Characteristics of FCCS and HSS
3.2.1. The Spinning Reserve Characteristics of FCCS
FCCS reduce net output power by increasing the amount of CO2 captured during the valley period. The output power adjustment range is shown as (16) for carbon capture units. However, the FCCS has a wider adjustment range, as shown in (17):
where PHC max and PHC min represent the maximum and minimum output power for conventional thermal part of carbon capture units; and δmax represents the maximum flue gas diversion ratio at time t.
In addition, thermal units need to have sufficient reserve capacity to undertake load and RE output uncertainties. The spinning reserve constraints for FCCS are expressed in (18):
where UC,t represents the FCCS start-stop state; PC,t,up and PC,t,down represent the FCCS maximum and minimum reserve capacity; RC,up and RC,down represent the FCCS maximum and minimum climbing rates; and Δt is the scheduling time interval.
The output power adjustment range for spinning reserve demand can be derived from (17) and (18) as follows.
From (16)–(19), FCCS have a limited net output adjustment range under the spinning reserve demand, which cannot fully utilize the carbon capture advantage. In addition, the development of HSS is still in its infancy in China. Due to capacity limitations, HSS are unable to undertake the regulation load demand alone, whether to provide the spinning reserve or energy time-shift demand.
Therefore, there is an urgent need to explore the coordination and complementarity between FCCS and HSS in terms of energy time-shift and spinning reserve, and to analyze the coupling relationship. This is the key to solving the problem of rapid development of HSS.
3.2.2. The Equivalent Spinning Reserve Characteristics of FCCS Coupled with HSS
First, various constraints on the HSS spinning reserve need to be considered. The EC reserve capacity is limited by its own and the HST constraints. The equivalent spinning reserve constraints of the EC are shown as (20):
where PeL,t,up and PeL,t,down represent the EC maximum and minimum reserve capacity, respectively; and φC,t represents the EC start-stop state.
In addition, the FC reserve capacity is limited by its own and the HST constraints. The start-stop characteristics will also affect its standby capacity. The equivalent spinning reserve constraints of the FC in the startup state are shown as (21):
where Pfc,t,up and Pfc,t,down represent the FC maximum and minimum reserve capacity; and ψC,t represents the FC start-stop state.
The 50% capacity is still available in the shutdown state with fast response capability. The equivalent reserve capacity constraint of the FC in the shutdown condition is shown as (22):
It is assumed that the FCCS energy consumption varies linearly with the increase in the FCCS output. Its consumption is highest during the trough period and lowest during the peak period. The changes in the regulation ranges of conventional generation, carbon capture units, and carbon capture units after the reserve of hydrogen storage under spinning reserve demand are shown in (23) and Figure 4, respectively.
where PC,t,up* and PC,t,down* represent the maximum and minimum reserve capacity of carbon capture units after the reserve of hydrogen storage, respectively (PC,t,up* < PC,t,up, PC,t,down* < PC,t,down); and ΔPJ1, ΔPJ2 and ΔPJ3 are the net output adjustment ranges of conventional units, FCCS, and FCCS after the reserve of HSS under the spinning reserve demand.
Figure 4.
The changes in the regulation ranges under different situations.
3.2.3. The Time-Shift Characteristics of FCCS Coupled with HSS
Due to the anti-peaking characteristics of RE, RE generation is abandoned more in load valley periods, and there is a lack of RE consumption capacity when considering carbon capture units alone. In addition, carbon capture unit output is large during load peak periods. However, the load demand keeps the power generation cost at a high level. When considering only the energy time-shift characteristics of HSS, more power generation is lost in the energy conversion process. The effect of RE consumption is not ideal for RE abandonment.
FCCS and HSS can be considered to complement each other’s advantages by matching the energy time-shift characteristics after the above analysis.
- (1)
- FCCS improve RE consumption in load valley periods through the liquid storage tanks to ease the peak pressure of HSS.
- (2)
- When FCCS reach the lower output limit during the load valley period, the phenomenon of power abandonment still occurs. HSS can consume the remaining electricity and replace the high-cost carbon capture unit output with energy storage output during the load peak period, so as to improve the operation economy.
4. Source-Storage-Load Flexible Scheduling Strategies Considering the Coordination of Spinning Reserve and Time-Shift Characteristics for HSS and FCCS
4.1. Objective Function
The source-storage-load flexible scheduling strategies are optimized to minimize carbon emissions and achieve the lowest possible economic cost under the system operation and output constraints. This strategy achieves an effective balance between low carbon and economic performance. The total system operating cost sub-objective function f includes the thermal power unit generation cost F1, the thermal power unit start-stop cost F2, the total spinning reserve cost F3, the thermal power unit carbon trading cost F4, the carbon capture unit solution loss cost F5, the hydrogen storage maintenance cost F6, and the total power loss cost F7.
The total electricity loss cost F7 is derived from the following two parts: (1) RE abandoned electricity loss, and (2) electricity loss caused by the low conversion efficiency of HSS in the process of consuming abandoned RE.
where T represents the scheduling cycle; N represents the number of conventional units; Pthn,t represents the electricity generated by the n-th conventional unit at time t; ccoal is the price of coal per unit weight; anP2thn,t + bnPthn,t + cn represents the coal consumption function; an, bn, and cn represent coal consumption coefficients; Un,t represents the n-th unit start-stop status; csn represents the start-stop cost; M represents the equipment collection providing spinning reserve capacity in conventional units, FCCS, and HSS; cupk and cdownk represent the maximum and minimum reserve cost factors for the k-th equipment; Pk,t,up and Pk,t,down represent the maximum and minimum reserve provided by the k-th equipment at time t; cct represents carbon trading prices; Etotal represents total carbon emissions; α represents the carbon trading quota; csc represents the MEA solvent cost factor; ηsc represents the MEA solvent operating loss factor; EJC,t represents CO2 captured capacity; cel and cfc represent the coefficients of operation and maintenance costs for EC and FC units, respectively; Prq,t represents the RE abandoned power; and cr represents the RE abandoned cost coefficient.
To effectively curb the disorderly carbon emissions of some enterprises, this paper mimics the ladder tariff model and constructs a three-stage stepped carbon emission cost model as follows:
where f2 represents the daily carbon emission cost; λ represents the trading price; τ represents the price growth; and d represents the interval of the step carbon emission cost. The three-stage stepped carbon emission cost model is shown in Figure 5.
Figure 5.
The three-stage stepped carbon emission cost model.
If Ep < Eq, the remaining part of the quota can be traded in the carbon trading market to obtain carbon revenue. On the contrary, additional carbon emissions must be purchased. The higher the excess, the higher the transaction unit price in a stepwise distribution.
The traditional use of linear weighting methods, when transformed into single objective optimization, will inevitably use subjective assignments. This results in a lack of fairness in the results. The multi-objective problem is transformed by minimizing the Euclidean distance as follows:
where x represents the scheduling plan; M is the solution set formed by all possible scheduling plans; and and are the optimal solutions of a single sub-objective function in the M solution set, respectively.
4.2. Constraints
The source-storage-load flexible scheduling strategy constraints include power grid balance constraint, thermal power unit operation constraint, RE output constraint, system reserve constraint, and other constraints.
- (1)
- Conventional unit operation constraint:where Pthn,max and Pthn,min represent the maximum and minimum output limits, respectively.
- (2)
- RE output constraint:where Pre,tpre represents the forecasted RE generation; and Pre,t represents the actual grid-connected power from RE sources.
- (3)
- Power grid balance constraint:where PJn,t represents the net output power; and PDSR,t represents load power after demand side response.
- (4)
- System reserve constraint:where p{} is the confidence expression; and σ is the confidence coefficient required by the system reserve constraint.
- (5)
- Other constraints
The optimal economy dispatch model also contains thermal power unit start-stop time constraints and climbing constraints, EC constraints, demand response satisfaction constraints, etc., all of which have been studied; the specific formulas are referenced in references [28,29,30]. In addition, the spinning reserve constraint for FCCS is shown in (16)–(19). The spinning reserve constraint for HSS units is shown in (20)–(22).
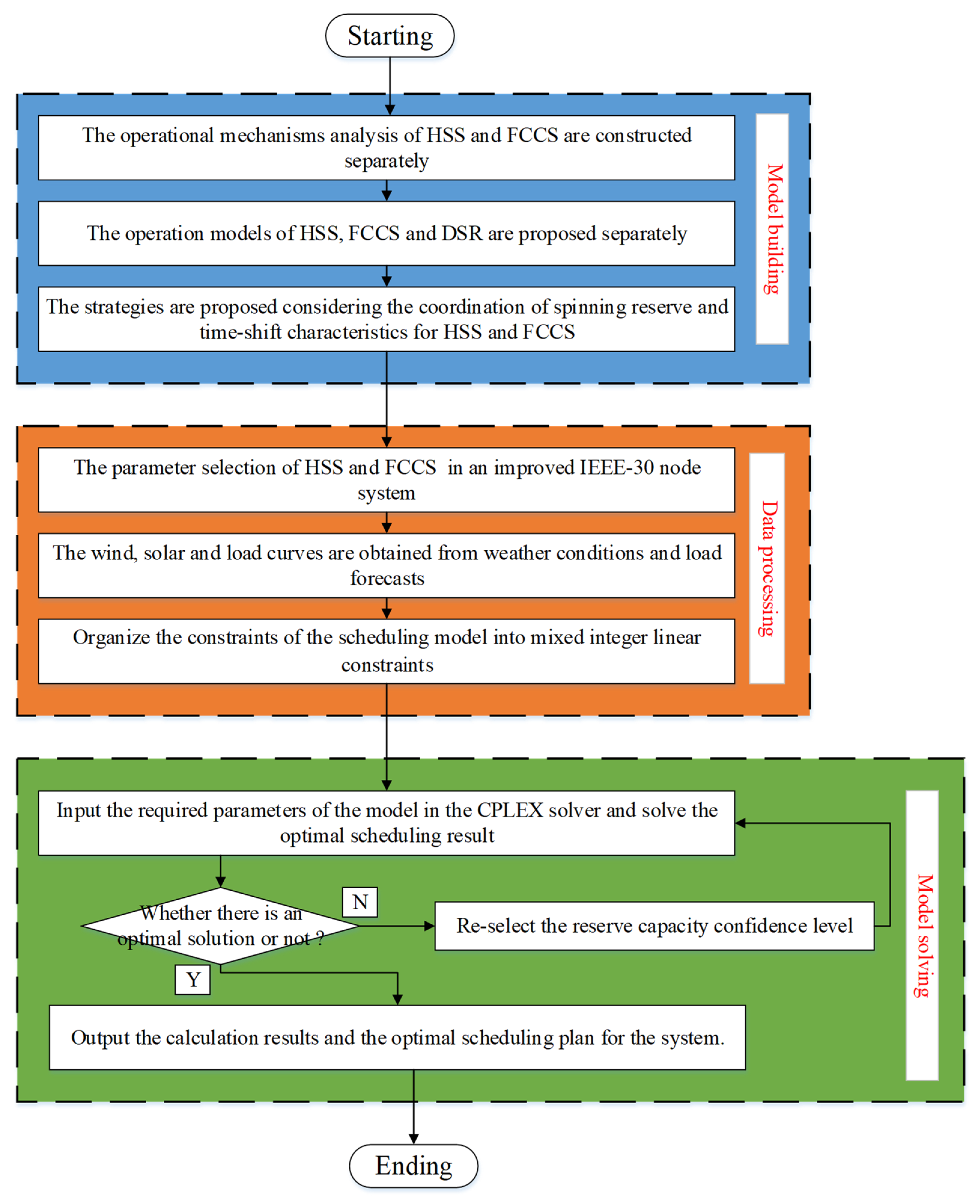
The solution process for the proposed low-carbon economic operation strategies is illustrated in Figure 6.
Figure 6.
The solving flow chart.
5. Case Study
5.1. The Parameter
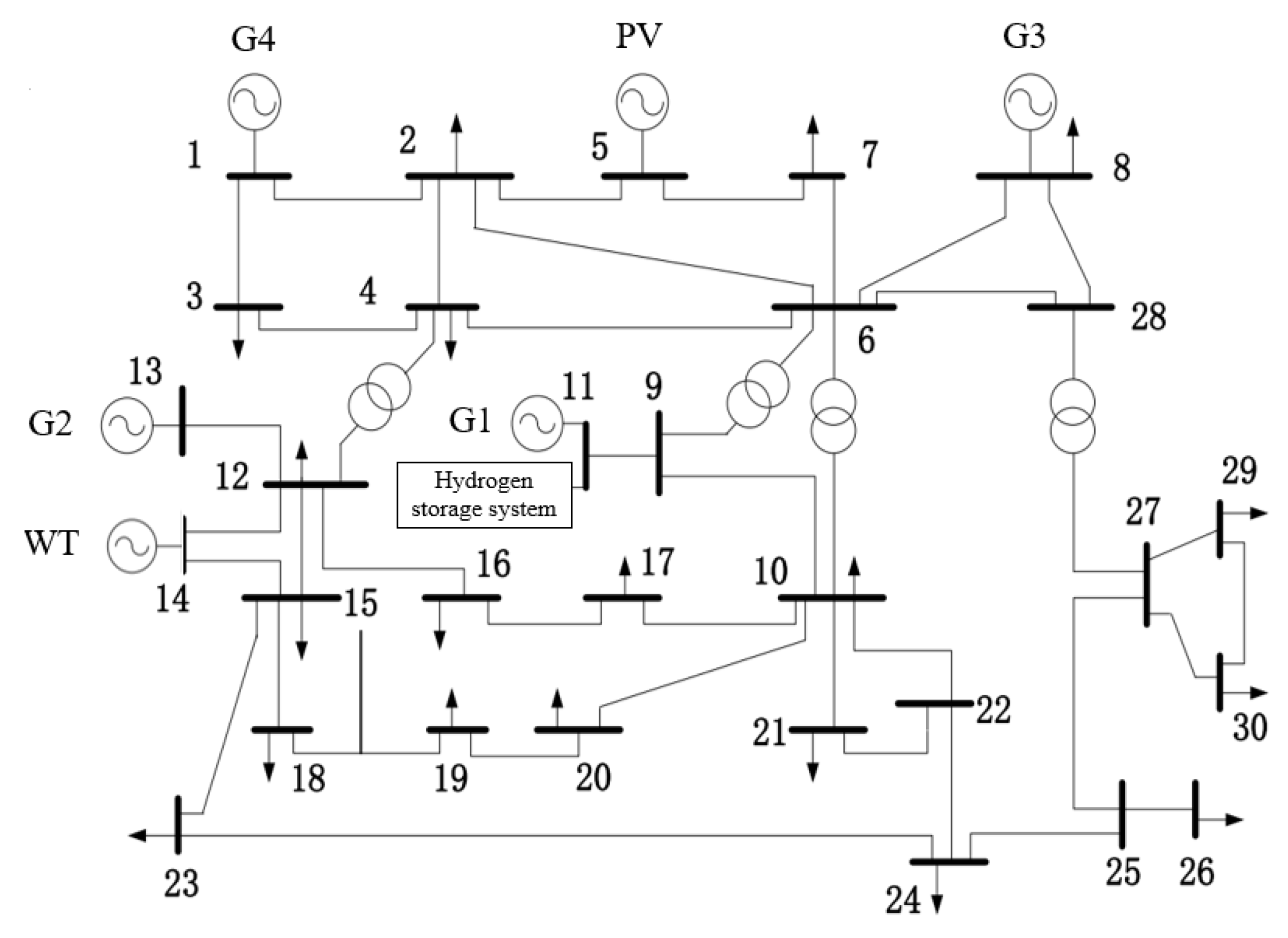
The improved IEEE-30 node standard system is shown in Figure 7 [31]. The system contains four conventional units, among which the unit G1 can be decarbonized, and the G2, G3, and G4 are conventional units. The installed capacities of the wind and photovoltaic power are 260 MW and 80 MW. The parameters of DSR, HSS, conventional units, unit G1 (FCCS), and other parameters are shown in Table 1, Table 2, Table 3 and Table 4.
Figure 7.
The improved IEEE-30 node standard system.
Table 1.
The parameters of DSR.
Table 2.
HSS parameters.
Table 3.
Thermal power unit parameters before decarbonization.
Table 4.
Decarbonized carbon capture unit G1 parameters, and other parameters.
The arithmetic in this paper is improved from the IEEE-30 standard node system. The positions of traditional units G2, G3, and G4 are all based on the standard node system. There are three improvements:
- (1)
- This study investigates the synergistic operation effect of carbon capture and hydrogen storage systems, so the conventional unit is decarbonized at node 11, and the HSS is set up for synergistic operation with it.
- (2)
- Because the installed capacity of the PV and WT is relatively large, they are set up at the remote nodes 5 and 14, and the parameters are from the actual measurement at the energy base of the Hami region in Xinjiang, China.
- (3)
- The parameters of G2, G3, and G4 are derived from the measured energy bases in Hami area, Xinjiang, China.
To verify the effectiveness, the following five scenarios are set up:
- (1)
- S1: FCCS, HSS, and DSR are not considered.
- (2)
- S2: The flexible carbon capture system is considered on the basis of S1.
- (3)
- S3: The hydrogen storage system is considered on the basis of S2, but only its energy time-shift characteristics are considered.
- (4)
- S4: The equivalent spinning reserve characteristics of HSS are considered on the basis of S3.
- (5)
- S5: The load DSR is considered on the basis of S4.
5.2. Comparison Results of Optimal Economic Scheduling Model under Different Scenarios
5.2.1. Comparative Analysis of Conventional Units Output under Different Scenarios
The output of conventional units under different scenarios is shown in Figure 8.
Figure 8.
The unit outputs in different scenarios.
The unit G1 in S1 is a conventional unit without a carbon capture device. It is difficult to reduce its net output during the G1 running period. In this case, thermal power units G2 and G3 are used to satisfy the load demand in the valley period and take care of the system spinning reserve plan due to their lower generation costs. Therefore, the reserve costs, carbon emissions and wind abandonment remained high in S1.
In S2, the introduction of decarbonized carbon capture units has significant advantages in terms of carbon emissions, RE consumption, and total system cost. Carbon capture unit G1 can capture and store CO2 generated by thermal power units, reducing carbon emission costs. Therefore, in S2, the carbon capture unit G1 attempts to generate electricity at all times to reduce the total system cost. The thermal power unit G1 with a carbon capture device can operate at a lower net output during load valley period.
In S3, a hydrogen storage system is introduced, but only the time-shifted energy characteristics of the HSS are considered. Comparing S3 with S2, it can be seen that the peak power output of the carbon capture unit G1 is slightly reduced due to the application of the time-shifted characteristics of the hydrogen storage system.
In S4, the unit G1 net output is further reduced and RE generation is further increased during the 2:00–5:00 period after considering the equivalent spinning reserve characteristics of ESS. Because the hydrogen storage system has a lower reserve cost than the thermal unit, the output of the other thermal units (G2, G3) is not significantly affected due to higher generation costs.
Based on Scenario 4, load-side demand response is introduced to improve the dispatchability of the system in S5. The conventional thermal unit G2 is shut down when demand side response is introduced. After the introduction of DSR in S5, the load is reduced in the load peak period, and the power generation can be supplied by the conventional thermal power unit G3 alone. The generation deficit is covered by the carbon capture units. The carbon emissions are reduced by 62 t compared to S4. In addition, the carbon emission intensity of G4 is significantly higher than that of other units, and the scheduling plan for G4 is not arranged in different scenarios.
The peaks in Figure 8 all represent the blue curve (G1) output power. Since unit G1 in S1 does not have a carbon capture device installed and has lower generation costs, it is used to obtain the peak load. G1 in S2 has a carbon capture device installed, but its power required for carbon capture is higher, and it needs to bear the system spinning reserve. The introduction of HSS in S3 can significantly reduce the output of G1 during the peak hour (20:00) through the interplay of time-shift characteristics. In S4, considering the equivalent rotating reserve characteristic of ESS, the net output of the G1 unit can be further reduced. With the introduction of DSR in S5, the load in the peak load period is reduced, and the generation that would have been required from G2 can be supplied separately by the conventional thermal unit G3, which has a lower generation cost.
In summary, the carbon capture unit G1 is prioritized for power supply in day-ahead dispatch plans. When the higher output of carbon capture unit G1 results in higher generation costs, the lower cost and lower carbon emission thermal units G3 and G2 are prioritized for power supply. The thermal power unit G4 is not scheduled for generation due to its higher carbon emission intensity.
5.2.2. Comparative Analysis of Power Generation from HSS under Different Scenarios
The comparison of power generation from hydrogen storage systems in different scenarios is shown in Table 5 and Figure 9. The approximate confidence interval for the data is set at 0.95.
Table 5.
Stored electricity comparison of HSS in different scenarios.
Figure 9.
The comparison of power generation from HSS under different scenarios.
In S3, the hydrogen storage system converts RE abandoned generation into hydrogen for storage during the load valley period. The hydrogen storage system generates electricity from FC during load valley period. Although there are power generation losses during the conversion process, the thermal generation cost is reduced by $3848.20.
In S4, the hydrogen storage system has a faster regulation speed and lower standby costs, and is more suitable for system rotation reserve as it does not compress the new energy feed-in space when considering the demand for system spinning reserve. However, as a result of the HSS taking on the spinning reserve demand, hydrogen-based production of electricity is reduced from 110.3 MWh to 96.2 MWh compared to S3. In addition, due to the increase in RE consumption capacity, the hydrogen power generation space is crowded out, and the hydrogen power generation is also reduced by 5.5 MWh compared with S3. Finally, due to the reduction in hydrogen-based production of electricity, the consumption of the hydrogen storage system in the energy transfer process is reduced by 8.6 MWh.
In S5, the peak hour load is reduced, and the valley hour load is increased due to the load-side demand response. The total amount of generation assumed by the hydrogen storage system decreases due to its energy time-shift property. Finally, hydrogen-based production of electricity and hydrogen power generation are reduced by 2.2 MWh and 0.9 MWh, respectively, compared with S4.
5.2.3. Comparative Analysis of Scheduling Results under Different Scenarios
The results of power system scheduling under different scenarios are shown in Figure 10, and the cost comparisons are presented in Table 6. The reserve cost, carbon trading cost, and RE abandoned generation remain at a high level in S1. The system operation is not low carbon and economical because FCCS and HSS are not considered.
Figure 10.
The results of power system scheduling under different scenarios.
Table 6.
Comparison of system cost and carbon emission in different scenarios.
Compared to S1, the introduction of the decarbonized carbon capture unit in S2 provides significant advantages in terms of carbon emissions, RE consumption, and total cost. The carbon capture unit captures and sequesters CO2 produced by conventional units, reducing carbon emissions by 1425 t. The thermal power unit G1 with a carbon capture device can operate at a lower net output during the load valley period, which reduces renewable energy power abandonment by 90.4 MWh. The carbon capture unit in G1 can capture and store CO2 generated by thermal power units, reducing carbon emission costs. Therefore, in S2, the carbon capture unit G1 attempts to generate electricity at all times to reduce the total system cost by $18,431.20.
In S3, the hydrogen storage system is introduced, but only the energy time-shift characteristics of the hydrogen storage system are considered. Compared to S2, the electricity loss cost ($5984.70) and the overall cost ($140,010.7) are reduced, owing to the fact that the RE abandoned generation is significantly reduced by considering the hydrogen storage system time-shift characteristics. In particular, there is a significant reduction of 96.3 MWh in RE abandoned generation and a 29.22% reduction in the electricity loss cost. During the load valley hours, the FCCS G1 is at low output and has sufficient capacity to provide upper and lower spinning reserve. The carbon capture units can carry the system’s spinning reserve requirements on their own.
In S4, the hydrogen storage system has a lower reserve cost compared to thermal power units. The spinning reserve cost is substantially reduced compared to the previous three scenarios. Compared to S3, the reserve cost is reduced by 16.78% and the overall cost is reduced by $5317.30. As a result, the carbon capture unit G1 can operate at a lower net output than S3, and more grid-connected electricity from the RE source is allowed during the load valley period. Due to the limitations in regulation capacity, the EC and FC are not able to fully take over the rotating standby of the system, but have to be coupled with a carbon capture unit, which provides the remaining rotating standby demand.
Based on S4, load-side demand response is introduced to improve the dispatchability of the system in S5. The conventional thermal unit G2 is shut down when demand side response is introduced. After the introduction of the DSR in S5, the load is reduced in the load peak period, and the power generation can be supplied by the conventional thermal power unit G3 alone. The generation deficit is covered by the carbon capture units. The carbon emissions are reduced by 62 t compared to S4. Additionally, the total cost of the system is reduced by $4224.70.
5.3. Coordinated Operation Characteristics Analysis of FCCS and HSS
5.3.1. The Equivalent Spinning Reserve Characteristics Analysis of FCCS and HSS under Different Scenarios
The equivalent spinning reserve allocation plans of S3 and S4 are shown in Figure 11. The approximate confidence interval for the data is set at 0.95.
Figure 11.
The equivalent spinning reserve allocation plans of S3 and S4.
In S3, during the load valley hours, the FCCS G1 is at low output and has sufficient capacity to provide upper and lower spinning reserve. However, taking on all of the down-rotation standby capacity leaves limited space for RE to be connected to the grid, which in turn makes it difficult for wind power to be consumed. During peak load periods, the carbon capture energy used by CCS units to capture carbon dioxide is small due to the limitation of carbon capture energy consumption. Carbon capture units can carry the system’s spinning reserve requirements on their own.
In S4, the hydrogen storage system has a faster regulation speed and lower standby costs, and is more suitable for system rotation reserve as it does not compress the new energy feed-in space when considering the demand for system spinning back-up. The spinning reserve cost is substantially reduced compared to the previous three scenarios. Compared to S3, the reserve cost is reduced by 16.78%, and the overall cost is reduced by $5317.30. The FC in S4 accounted for 22.67% of the upper spinning reserve capacity, and the FC and EC accounted for 85.72% of the lower spinning reserve capacity. As a result, the carbon capture unit G1 can operate at a lower net output than S3, and more grid-connected electricity from the RE source is allowed during the load valley period. Due to the limitations in regulation capacity, the FC and EC are not able to fully take over the rotating standby of the system, but have to be coupled with a carbon capture unit, which provides the remaining rotating standby demand.
5.3.2. Time-Shift Characteristics Analysis of FCCS and HSS under Different Scenarios
The conventional unit outputs under different scenarios are shown in Figure 12.
Figure 12.
The output of thermal power units in different scenarios.
FCCS and HSS are not considered in S1. The regulatory capacity of the conventional units is limited. The absorption capacity of RE is weak, and RE curtailment is generated. The energy time-shift characteristic of the flexible carbon capture system and hydrogen storage system can improve the RE grid-connected generation and the operational economy. The outputs of the flexible carbon capture system and the hydrogen storage system in S2 and S3 are shown in Figure 13.
Figure 13.
The output of the flexible carbon storage system and hydrogen storage system in S2 and S3.
As shown in Figure 13, the carbon capture power consumption is high in S2. However, there is still RE abandonment throughout the 3:00–9:00 period, as the hydrogen storage system has not been introduced to store the rich electricity from renewable energy sources. This results in a waste of renewable energy generation. In S3, the electricity stored in the HST is shifted to the peak period due to the time-shifting characteristic in the hydrogen storage system during the 3:00–9:00 period. The hydrogen is used to generate electricity to prevent load-shedding conditions during the 12:00–13:00 and 16:00–20:00 periods. The carbon capture unit G1 has a lower net output power, which allows for more grid-connected electricity from the RE source. In addition, the introduction of the hydrogen storage system allows RE abandonment to be fully utilized, thereby increasing the RE consumption capacity.
5.4. Comparison Results for a High Percentage of RE Penetration Rate
To verify the advantages of dispatch strategies in terms of RE consumption, the economic dispatch results are compared and analyzed under different RE penetration rates. Comparison results of total cost and power loss under different RE penetration rates are listed in Table 7.
Table 7.
Comparison results of total cost and power loss under different RE penetration rates.
In S1, the RE consumption capacity has reached its ceiling. An increase in RE penetration rate leads to an increase in total system cost and power loss. In S2 and S3, RE consumption is increased due to the time-shift characteristics of the flexible carbon capture system and the hydrogen storage system. However, there is still a lack of RE consumption after the RE penetration rate is increased to 60%. In S4 and S5, the equivalent spinning reserve characteristics of hydrogen storage and the load-side demand response mechanism cause the system to retain a large RE consumption capacity. The total system cost shows a decreasing trend with an increase in RE penetration.
5.5. Impact Analysis of Carbon Emissions Trading Price on Carbon Emissions and Scheduling Results
The following two methods are set up:
Model 1: Carbon emission trading (CET) costs are not considered.
Model 2: CET costs are fully considered and incorporated into the total system cost.
The two models have the same residual parameters. The scheduling results are listed in Table 8.
Table 8.
Comparison results of different models.
From Table 8, the overall economic cost increases under the influence of the CET policy because Model 2 considers the CET cost. However, the carbon emissions from coal-fired units are significantly reduced. The introduction of CET policy can effectively reduce environmental pollution. In addition, the sensitivity of the CET price λ to carbon emissions and CET costs is analyzed, as shown in Figure 14.
Figure 14.
Sensitivity analysis of carbon emissions trading price λ.
As shown by the blue curve in Figure 14, as the CET price λ rises, the carbon emissions of conventional energy units become progressively smaller and finally remain at the minimum limit. This is because a rise in the CET price λ will induce power generators to reduce carbon emissions and curb the rise in the cost of carbon emissions. When the CET price λ exceeds 120 ¥/t, the carbon emissions become insensitive to changes in the trading price because carbon emissions from power generation have reached the minimum value. The final CET cost is shown by the red curve; as the CET price λ rises, the CET cost decreases to the minimum value and then increases. It reaches the minimum value of CET cost at a CET price of 110 ¥/t, that is, the best economic result. To achieve the best low carbon performance, the CET price can be increased to 120 ¥/t. At this point, the carbon emissions reach the minimum limit. Therefore, the CET price λ can be used as a weight to balance system economy and low-carbon environmental protection in order to maintain sustainable operation of the system under a low-carbon economy.
5.6. Other Index Sensitivity Analysis of Source-Storage-Load Flexible Scheduling Strategy under Different Scenarios
This section explores the impact of different strategies on system reliability, harmonics, voltage, and load balance under different scenarios. The system reliability assessment is expressed in terms of EENS (Expected Energy Not Supplied). The system harmonic assessment is expressed in terms of THD (Total Harmonic Distortion). The aggregated voltage deviation and load balancing index are used to assess the system voltage condition and load balance. The results of sensitivity analysis under different scenarios are listed in Table 9.
Table 9.
The results of sensitivity analysis under different scenarios.
In S1–S3, the EENS indicator value increases as its RE consumption gradually rises, and the volatility and randomness of RE causes load-shedding conditions in some periods. In S4, the equivalent rotational characteristics of the hydrogen storage system are considered. It has adequate system back-up capacity in conjunction with the flexible carbon capture system. In S5, during peak hours, the load is reduced as the load-side demand response is considered. The peak load demand is reduced to some extent, which ultimately leads to a reduction in the cut load power of 0.32 MWh.
THD (Total Harmonic Distortion) is directly related to the share of RE generation in the power system. Because wind and photovoltaic power generation is related to wind speed and sunlight intensity, the associated volatility and randomness lead to a large proportion of grid harmonics. Therefore, the higher the share of RE generation, the higher the value of its THD index. In S1–S5, the proportion of RE consumption is increasing, and its THD index is also gradually increasing.
Voltage deviation is related to factors such as the diameter of the conductors used for power transmission, the distance to the supply, the percentage of electricity generated from RE sources, the method of voltage regulation, and the capacity of reactive power compensation. An increase in the proportion of RE consumption leads to increasing aggregated voltage rate deviation. In S4, the equivalent rotational characteristics of HSS are considered. It has enough spare capacity to balance the system voltage deviation. Therefore, the voltage deviation does not increase in S4 and S5.
Load balancing is the rational distribution of electricity between supply and demand. The unit G1 is in the load center area, its output is directly related to the load balance. From the output of G1 in Figure 8, it can be found that when the output of G1 is low, some lines will be overloaded. Therefore, the load balance of S1, 98.24%, is lower than the average of S2, S3, and S4. S5 has a relatively unbalanced load distribution because of the shutdown of unit G2. The load balance rate in S5 is 98.76%.
6. Conclusions and Future Work
6.1. Conclusions
A source-storage-load flexible scheduling strategy is proposed considering the coordination of the spinning reserve and time-shift characteristics of FCCS and HSS. This provides a new basis for RE consumption and low-carbon operations. The following conclusions are obtained through simulations under different scenarios.
- The introduction of the source-side carbon capture unit (S2) reduces the carbon dioxide emissions in the traditional scenario system by 1425 t. Meanwhile, due to the storage tank, carbon capture and carbon emissions can be decoupled and operated, and the new energy grid-connected quantity increases by 90.4 MWh, while the total cost is reduced by 11.44%.
- The coordinated operation of the carbon capture unit with a hydrogen storage system increases the range of regulation of the carbon capture unit for spinning reserve requirements. It also reduces the power loss in the hydrogen storage energy time-shift by 29.22%. The efficiency of energy utilization is improved, and the amount of renewable energy forgone is significantly reduced by 96.3 MWh. In addition, the reserve cost of the hydrogen energy storage system is lower than that of the thermal power unit. Compared with S3, the reserve cost is reduced by 16.78%, and the total cost is reduced by $5317.30.
- The coordinated scheduling of source, load, and storage after considering the demand response mechanism can further improve the low-carbon and economic operation of the system. Simultaneously, with the increasing scale of RE installations, source-load-storage cooperative scheduling has more advantages in terms of economy and RE consumption.
- In addition, when the CST price is maintained at 110 ¥/t, the total carbon emission cost of the system is minimized. The CST price can be used as a weight to balance the economic and low-carbon features of the system, in order to maintain a low-carbon economy and sustainable operation of the system.
6.2. Limitations and Future Work
In this study, the coordinated operation characteristics of FCCS and HSS are analyzed, and an optimal economic scheduling strategy is proposed. However, there are some limitations in the examined scenarios, and future research can be improved as follows:
- This study does not consider the impact of hydrogen storage efficiency improvement on the optimal scheduling results after upgrading the hydrogen storage technology. Hydrogen production technology and FC power generation technology may make significant breakthroughs in HSS. Future work can focus on a simulation analysis of the optimal scheduling results after hydrogen storage system efficiency is improved.
- This study has not explored the optimal capacity allocation for HSS. The next step is to study the optimal capacity calculation method of HSS under the optimal economic scheduling model, and analyze the impact of different installed capacities of hydrogen storage on the scheduling results [32].
- This study takes the lowest operating cost as the objective function, and does not consider the influence of investment cost and expected return in the range of the entire life cycle cost. The next step is to analyze the optimal economic scheduling results with maximizing the revenue from “wind-solar-thermal-storage” bundled operations [33].
Author Contributions
Z.W. conceptualized the idea of this research and carried out the theoretical analysis. H.Y. and Y.L. contributed to the design of the methodology and case study, and writing and revising the paper. X.W. provided important comments on the structure, language, and format of the paper. Y.X., Z.H., H.Z. and X.Z. provided the data for the example. L.Z. contributed to the writing and revising of the paper. All authors have read and agreed to the published version of the manuscript.
Funding
This work was supported by the State Grid Science and Technology Project (No.5100-202456031A-1-1-ZN).
Data Availability Statement
The original contributions presented in the study are included in the article, further inquiries can be directed to the corresponding author.
Conflicts of Interest
Authors Lang Zhao, Zhidong Wang, Haiqiong Yi, Yizheng Li and Xueying Wang were employed by the company State Grid Economic and Technological Research Institute Co., Ltd. Authors Zhiyun Hu and Honglian Zhou were employed by the company State Grid Xinjiang Electric Power Co., Ltd. Author Xinhua Zhang was employed by the company State Grid Shandong Electric Power Co., Ltd. The remaining author declare that the research was conducted in the absence of any commercial or financial relationships that could be construed as a potential conflict of interest.
Nomenclature
| HSS | hydrogen storage systems | ΔPL,t and Δct | the power and tariff changes after the implementation of DSR |
| FCCS | flexible carbon capture systems | PHC,max and PHC,min | the maximum and minimum output power for conventional thermal part of carbon capture units |
| DSR | demand side response | δmax | the maximum flue gas diversion ratio |
| RE | renewable energy | UC,t | the FCCS start-stop state |
| EC | electrolytic cell | PC,t,up and PC,t,down | the FCCS maximum and minimum reserve capacity |
| HST | hydrogen storage tank | RC,up and RC,down | the FCCS maximum and minimum climbing rates |
| FC | fuel cell | Δt | the scheduling time interval |
| Pel,t and PelH,t | input and output power of the EC | PeL,t,up and PeL,t,down | the EC maximum and minimum reserve capacity |
| ηel | EC efficiency | φC,t | the EC start-stop state |
| EHSS,t | HST energy stored | Pfc,t,up and Pfc,t,down | the FC maximum and minimum reserve capacity |
| PfcH,t and Pfc,t | the FC input and output power | ψC,t | the FC start-stop state |
| ηfc | the FC efficiency | PC,t,up* and PC,t,down* | the maximum and minimum reserve capacity of carbon capture units after the reserve of hydrogen storage |
| EHSS,0 and EHSS,T | the initial and final HST hydrogen capacity | ΔPJ1, ΔPJ2 and ΔPJ3 | the net output adjustment ranges of conventional units, FCCS, and FCCS after the reserve of HSS under the spinning reserve demand |
| EHSS,min and EHSS,max | the minimum and maximum HST hydrogen capacity limits | T | the scheduling cycle |
| Pel,tmax | the maximum input power of the EC | N | the number of conventional units |
| Pfc,tmax | the maximum output power of the FC | Pthn,t | the electricity generated by the n-th conventional unit at time t |
| Pel,N and Pfc,N | the rated power of the EC and FC | ccoal | the price of coal per unit weight |
| PFC,t | the FCCS total power in the flexible operation mode | anP2thn,t+ bnPthn,t+ cn | the coal consumption function |
| PJC,t | the FCCS net output power | Un, | the n-th unit start-stop status |
| Pr,t | the FCCS operating power consumption | csn | the start-stop cost |
| PD | fixed consumption of the carbon storage system | M | the equipment collection of providing spinning reserve capacity |
| λ | the unit set CO2 captured power | cupk and cdownk | the maximum and minimum reserve cost factors for the k-th equipment |
| EJC,t | the captured CO2 capacity | Pk,t,up and Pk,t,down | the maximum and minimum reserve provided by the k-th equipment at time t |
| η | the CO2 captured efficiency | cct | carbon trading prices |
| δt | the flue gas split ratio at time t | Etotal | total carbon emissions |
| EC,t | the FCCS captured CO2 capacity | α | the carbon trading quota |
| EV,t | the CO2 capacity supplied by the storage tank | csc | the MEA solvent cost factor |
| α | the emission factor required by the emission policy | ηsc | the MEA solvent operating loss factor |
| Vv,t | the MEA solution volume | cel and cfc | the coefficients of operation and maintenance costs for EC and FC |
| MV and MCO2 | the MEA solution and CO2 molar mass | Prq,t | the RE abandoned power |
| θ | the MEA resolution | cr | the RE abandoned cost coefficient |
| ρV and δV | the MEA solution concentration and density | τ | he price growth |
| PDSR,P, PDSR,F and PDSR,V | the load power in peak, flat, and valley hours after the implementation of DSR | d | the interval of the step carbon emission cost |
| PL,P, PL,F and PL,V | the peak, flat and valley power before the implementation of DSR | x | the scheduling plan |
| K | the elasticity matrix of tariff demand | and | the optimal solutions of a single sub-objective function |
| ΔcP, ΔcF and ΔcV | the tariff changes in peak, flat, and valley hours before and after the implementation of DSR | Pthn,max and Pthn,min | the maximum and minimum output limits |
| cA | the fixed tariff before DSR | Pre,tpre | the forecasted RE generation |
| P, F and V | the load period in the peak, flat and valley hours | Pre,t | the actual grid-connected power from RE source |
| kP,P, kF,F and kV,V | the coefficient of self-elasticity | PDSR,t | load power after demand side response |
| PL,t and cA,t | the power and tariff before the implementation of DSR | σ | the confidence coefficient required by the system reserve constraint |
References
- Mostafaeipour, A.; Bidokhti, A.; Fakhrzad, M.-B.; Sadegheih, A.; Mehrjerdi, Y.Z. A new model for the use of renewable electricity to reduce carbon dioxide emissions. Energy 2022, 238, 121602. [Google Scholar] [CrossRef]
- National Energy Administration. National Energy Bureau Releases 2023 National Electric Power Industry Statistics [EB/OL]. Available online: http://www.nea.gov.cn/2023-01/18/c_1310691509.htm (accessed on 18 January 2023).
- Mallapaty, S. How China could be carbon neutral by mid-century. Nature 2020, 586, 482–483. [Google Scholar] [CrossRef]
- Huang, W.; Zhang, B.; Ge, L.; He, J.; Liao, W.; Ma, P. Day-ahead optimal scheduling strategy for electrolytic water to hydrogen production in zero-carbon parks type microgrid for optimal utilization of electrolyzer. Energy Storage 2023, 68, 107653. [Google Scholar] [CrossRef]
- Shafiullah, G.; Oo, A.M.; Ali, A.S.; Wolfs, P. Potential challenges of integrating large-scale wind energy into the power grid—A review. Renew. Sustain. Energy Rev. 2013, 20, 306–321. [Google Scholar] [CrossRef]
- Abdilahi, A.M.; Mustafa, M.W.; Abujarad, S.Y.; Mustapha, M. Harnessing flexibility potential of flexible carbon capture power plants for future low carbon power systems. Renew. Sustain. Energy Rev. 2018, 81, 3101–3110. [Google Scholar] [CrossRef]
- Wilberforce, T.; Baroutaji, A.; Soudan, B.; Al-Alami, A.H.; Olabi, A.G. Outlook of carbon capture technology and challenges. Sci. Total Environ. 2019, 657, 56–72. [Google Scholar] [CrossRef] [PubMed]
- Ji, Z.; Kang, C.; Chen, Q.; Xia, Q.; Jiang, C.; Chen, Z.; Xin, J. Low-carbon power system dispatch incorporating carbon capture power plants. IEEE Trans. Power Syst. 2013, 28, 4615–4623. [Google Scholar] [CrossRef]
- Cui, Y.; Zeng, P.; Hui, X. Low-carbon economic dispatch considering the integrated flexible operation mode of carbon capture power plant. Power Syst. Technol. 2021, 45, 1877–1886. [Google Scholar]
- Ouyang, T.; Xie, S.; Pan, M.; Qin, P. Peak-shaving scheme for coal-fired power plant integrating flexible carbon capture and wastewater treatment. Energy Convers. Manag. 2022, 256, 115377. [Google Scholar] [CrossRef]
- Wang, S.; Wang, S.; Zhao, Q.; Dong, S.; Li, H. Optimal dispatch of integrated energy station considering carbon capture and hydrogen demand. Energy 2023, 269, 126981. [Google Scholar] [CrossRef]
- He, L.; Lu, Z.; Zhang, J.; Geng, L.; Zhao, H.; Li, X. Low-carbon economic dis patch for electricity and natural gas systems considering carbon capture systems and power-to-gas. Appl. Energy 2018, 224, 357–370. [Google Scholar] [CrossRef]
- Deng, J.; Jiang, F.; Wang, W.; He, G.; Zhang, X.; Liu, K. Low-carbon optimized operation of integrated energy system considering electric heating flexible load and hydrogen energy refined modeling. Power Syst. Technol. 2022, 46, 1692–1704. [Google Scholar]
- He, K.; Zeng, L.; Yang, J.; Gong, Y.; Zhang, Z.; Chen, K. Optimization strategy for low-carbon economy of integrated energy system considering carbon capture-two stage power-to-gas hydrogen coupling. Energies 2024, 17, 3205. [Google Scholar] [CrossRef]
- Wang, S.B.; Kong, L.G.; Cai, G.W.; Yan, H.; Han, Z.; Liu, C.; Wan, Y.; Yang, S.; Wang, X. Current status, challenges, and prospects of key application technologies for hydrogen storage in power system. China J. Electr. Eng. 2023, 43, 6660–6680. [Google Scholar] [CrossRef]
- Zsiborács, H.; Pintér, G.; Baranyai, N.H.; Vincze, A. Production of hydrogen and methanol from mixed plastic waste: Potential for the European Union. MRS Energy Sustain. 2024, 1, 192–204. [Google Scholar] [CrossRef]
- Wu, C.; Williams, P.T. Hydrogen from waste plastics by way of pyrolysis-gasification. Proc. Inst. Civ. Eng.-Waste Resour. Manag. 2014, 167, 35–46. [Google Scholar] [CrossRef]
- Yue, M.; Lambert, H.; Pahon, E.; Roche, R.; Jemei, S.; Hissel, D. Hydrogen energy systems: A critical review of technologies, applications, trends and challenges. Renew. Sustain. Energy Rev. 2021, 146, 111180. [Google Scholar] [CrossRef]
- Wang, W.; Jiang, F.; Zhang, X.; Li, Z.; Guo, Q.; He, G. Low-carbon and flexible dispatch of high-proportion wind-photovoltaic multi-energy system with comprehensive utilization of large-scale hydrogen energy. Power Syst. Technol. 2023, 48, 197–211. [Google Scholar] [CrossRef]
- Wang, J.; Yin, X.; Liu, Y.; Cai, W. Optimal design of combined operations of wind power-pumped storage-hydrogen energy storage based on deep learning. Electr. Power Syst. Res. 2023, 218, 109216. [Google Scholar] [CrossRef]
- Ahmad, M.S.; Ali, M.S.; Abd, R.N. Hydrogen energy vision 2060: Hydrogen as energy carrier in Malaysian primary energy mix–developing P2G case. Energy Strategy Rev. 2023, 35, 100632. [Google Scholar] [CrossRef]
- Yang, J.; Zeng, L.; He, K.; Gong, Y.; Zhang, Z.; Chen, K. Optimization of the joint operation of an electricity-heat-hydrogen-gas multi-energy system containing hybrid energy storage and power-to-gas-combined heat and power. Energies 2024, 17, 3144. [Google Scholar] [CrossRef]
- Nguyen, D.H.; Chapman, A.; Tsuji, T. Assessing the Optimal Contributions of Renewable and Carbon Capture and Storage toward Carbon Neutrality by 2050. Sustainability 2023, 15, 13447. [Google Scholar] [CrossRef]
- Pan, L.; Xu, X.; Liu, J.; Hu, W. Adaptive robust scheduling of a hydro/photovoltaic/pumped-storage hybrid system in day-ahead electricity and hydrogen markets. Sustain. Cities Soc. 2023, 95, 104571. [Google Scholar] [CrossRef]
- Bie, Z.; Hu, G.; Xie, H.; Li, G. Optimal dispatch for wind power integrated systems considering demand response. Autom. Electr. Power Syst. 2014, 38, 115–120+159. [Google Scholar]
- Hui, H.; Junyi, T.; Yifan, W. Long-time-scale charging and discharging scheduling of electric vehicles under joint price and incentive demand response. Autom. Electr. Power Syst. 2022, 46, 46–55. [Google Scholar]
- Bao, Y.; Wang, B.; Li, Y.; Yang, S. Rolling dispatch model considering wind penetration and multi-scale demand response resources. Proc. CSEE 2016, 36, 4589–4599. [Google Scholar]
- Duan, P.; Feng, M.; Zhao, B.; Xue, Q.; Li, K.; Chen, J. Operational Optimization of Regional Integrated Energy Systems with Heat Pumps and Hydrogen Renewable Energy under Integrated Demand Response. Sustainability 2024, 16, 1217. [Google Scholar] [CrossRef]
- Huang, W.; Luo, J.; Ge, L.; He, J.; He, Z.; Wang, X. Consider a generalized economic dispatch strategy combining flexible carbon capture power plants and pumped storage. China J. Electr. Eng. 2023, 44, 1430–1446. [Google Scholar]
- Sánchez-Sáinz, H.; García-Vázquez, C.A.; Llorens Iborra, F.; Fernández-Ramírez, L.M. Methodology for the Optimal Design of a Hybrid Charging Station of Electric and Fuel Cell Vehicles Supplied by Renewable Energies and an Energy Storage System. Sustainability 2019, 11, 5743. [Google Scholar] [CrossRef]
- IEEE Committee. Power Systems Test Case Archive [EB/OL]. Available online: http://labs.ece.uw.edu/pstca (accessed on 25 January 2024).
- Cui, Y.; An, N.; Fu, X.; Zhao, Y.; Zhong, W. Low-carbon economic dispatch of power system considering joint peak shaving of generalized energy storage and carbon capture equipment. Electr. Power Autom. Equip. 2023, 43, 40–48. [Google Scholar]
- Wang, S.C.; Sun, W.Q. Capacity Value Assessment for a Combined Power Plant System of New Energy and Energy Storage Based on Robust Scheduling Rules. Sustainability 2023, 15, 15327. [Google Scholar] [CrossRef]
Disclaimer/Publisher’s Note: The statements, opinions and data contained in all publications are solely those of the individual author(s) and contributor(s) and not of MDPI and/or the editor(s). MDPI and/or the editor(s) disclaim responsibility for any injury to people or property resulting from any ideas, methods, instructions or products referred to in the content. |
© 2024 by the authors. Licensee MDPI, Basel, Switzerland. This article is an open access article distributed under the terms and conditions of the Creative Commons Attribution (CC BY) license (https://creativecommons.org/licenses/by/4.0/).













