Shortening the Payback Period of Greenhouse Gas Reduction Benefits from Photovoltaic Rooftop Systems
Abstract
1. Introduction
- -
- The amount and price of carbon credits from photovoltaic systems in Thailand were calculated. Carbon credits were assessed based on the amount of electrical energy produced by the photovoltaic rooftop system using the PVsyst program.
- -
- Economic analysis indices include the payback period, NPV, B/C ratio, and IRR. The financial economic analysis variables include project costs, O&M costs, and project returns, while the economic analysis variables include project costs, O&M costs, returns from the project, and income from selling carbon credits.
2. Background
3. Evaluation of Greenhouse Gas Reduction
- ERy is the amount of greenhouse gas emissions reduction from project implementation in year y (tCO2eq per year).
- BEy is the baseline emission in year y (tCO2eq per year).
- PEy is the total emissions of the project in year y (tCO2eq per year).
- BEEG,y is the amount of greenhouse gas emissions from the electricity generation of the grid in year y (tCO2eq per year).
- EGPJ,y is the amount of electricity produced from the photovoltaic system in year y (kWh per year).
- EFgrid represents the greenhouse gas emissions from the electricity generation of the grid (tCO2eq per MWh).
4. Thailand Policy
4.1. Thailand National Economic and Social Development Plan
4.2. Thailand Integrated Energy Blueprint
- -
- The Alternative Energy Development Plan (AEDP).
- -
- The Energy Efficiency Development Plan (EEDP).
- -
- The Power Development Plan (PDP).
- -
- The Gas Plan.
- -
- The Oil Plan.
4.3. Net Zero Emission and Carbon Neutrality
5. Economic Analysis Index
5.1. Net Present Value
- Bt is the annual return.
- Ct is the cost per year.
- C0 is the first year’s cost.
- i is the rate of discount.
5.2. Internal Rate of Return
- r is IRR.
5.3. Benefit–Cost Ratio
5.4. Payback Period
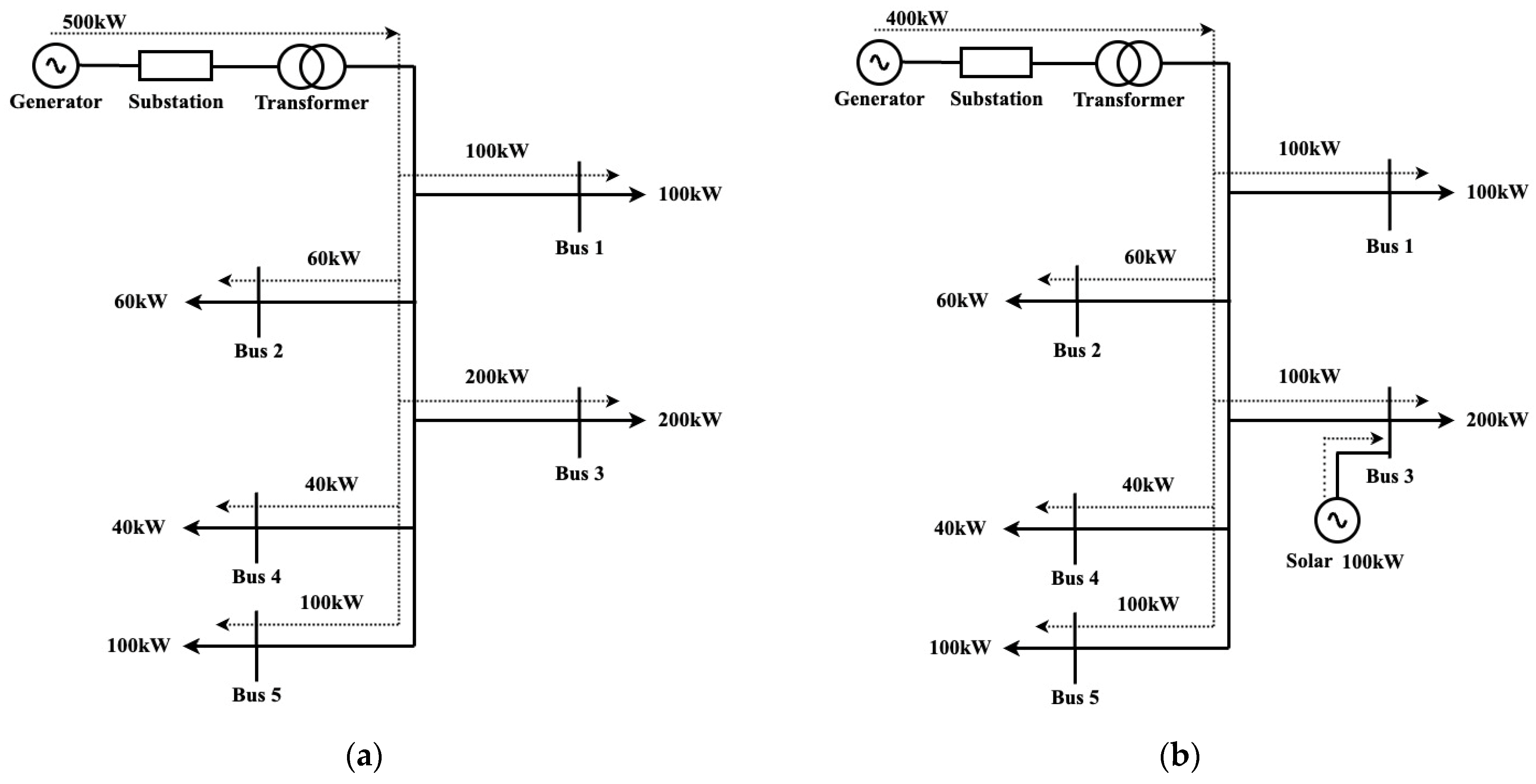
6. Methodology
7. Case Study
7.1. Evaluation of Quantity and Value of Carbon Credits
7.2. The Economic Analysis
7.3. The Benefit Analysis of the Same Area
8. Discussion
- The Quantity and Value of Carbon Credits from the Photovoltaic System
- 2.
- The Results of the Economic Analysis of the Photovoltaic System
- -
- The results of the economic analysis of the 149.80 kWp photovoltaic system. A comparison of the economic analysis of the 149.80 kWp photovoltaic system (a) in terms of NPV and IRR and (b) in terms of the payback period and B/C ratio is shown in Figure 7.
- -
- The results of the economic analysis of the photovoltaic system with a capacity of 25.68 kWp are presented. The comparison of the economic analysis of the photovoltaic system with a capacity of 25.68 kWp (a) in terms of NPV and IRR and (b) in terms of the payback period and B/C ratio is shown in Figure 8.
- 3.
- Results of the Payback Period for Photovoltaic Systems in the Same Area
- 4.
- Discussing Results from Previous Studies
9. Conclusions
Author Contributions
Funding
Data Availability Statement
Acknowledgments
Conflicts of Interest
References
- Chilukuri, Y.; Usman, A.; Rajpurohit, B.S. Assessing the Impact of Renewable Energy Sources to Achieve Net Zero Emissions. In Proceedings of the 2023 IEEE Conference on Technologies for Sustainability (SusTech), Portland, OR, USA, 19–22 April 2023. [Google Scholar]
- Tavassoli, M.; Pirzaman, A.K. Comparison of effective greenhouse gases and global warming. In Proceedings of the 2023 8th International Conference on Technology and Energy Management (ICTEM), Babol, Iran, 8–9 February 2023. [Google Scholar]
- Albuquerque, F.D.B.; Maraqa, M.A.; Chowdhury, R.; Mauga, T.; Alzard, M. Greenhouse gas emissions associated with road transport projects: Current status, benchmarking, and assessment tools. Transp. Res. Procedia 2020, 48, 2018–2030. [Google Scholar] [CrossRef]
- Iwata, H.; Okada, K. Greenhouse gas emissions and the role of the Kyoto Protocol. Environ. Econ. Policy Stud. 2012, 16, 325–342. [Google Scholar] [CrossRef]
- Moiceanu, G.; Dinca, M.N. Climate Change-Greenhouse Gas Emissions Analysis and Forecast in Romania. Sustainability 2021, 13, 12186. [Google Scholar] [CrossRef]
- Sanglimsuwan, K. Carbon Markets: The Simple Fact. Panyapiwat J. 2011, 3, 123–133. [Google Scholar]
- Nelson, J.; Gambhir, A.; Daukes, N.E. Solar Power for CO2 Mitigation; Grantham Institute for Climate Change Imperial College: London, UK, 2014; Briefing Paper No. 11; pp. 1–15. [Google Scholar]
- Naskar, R.; Ghosh, S.; Mandal, R. Analysis on Carbon Credit of a 5KWP Solar Photovoltaic Power Plant at JIS College of Engineering, Kalyani. Imp. J. Interdiscip. Res. (IJIR) 2016, 2, 1506–1511. [Google Scholar]
- Drennen, T.E.; Erickson, J.D.; Chapman, D. Solar power and climate change policy in developing countries. Energy Policy 1996, 24, 9–16. [Google Scholar] [CrossRef]
- Prabhakant, Y.N.; Tiwari, G.N. Evaluation of Carbon Credits Earned by a Solar Energy Park in Indian Conditions. Open Fuels Energy Sci. J. 2008, 1, 57–66. [Google Scholar] [CrossRef]
- Mukherjee, S.; Ghosh, P.B. Estimation of carbon credit and direct carbon footprint by solar photovoltaic cells in West Bengal, India. Int. J. Low-Carbon Technol. 2014, 9, 52–55. [Google Scholar] [CrossRef]
- Naskar, R.; Ghosh, S.; Mandal, R. Estimation & Analysis of a 5KWP Solar Photovoltaic Power Plant at JIS College of Engineering, Kalyani. Int. Res. J. Eng. Technol. (IRJET) 2017, 4, 223–230. [Google Scholar]
- Kale, D.; Kokil, P. A Study of the Performance and Carbon Credit Analysis of a 6 KWP Rooftop Solar Photovoltaic Power Plant at Sanjay Group Aurangabad, India. Innov. Energy Res. 2019, 8, 1000226. [Google Scholar]
- Bhadke, H.M.; Prajapati, A.B.; Gulhane, M.L. A case study of Government College of Engineering Amravati for its design and assessment of solar PV plant and Carbon credit earned. J. Emerg. Technol. Innov. Res. 2022, 9, 1–9. [Google Scholar]
- Charlangsut, N.; Ruangsap, N.; Rugthaicharoencheep, N. An Assessment of a Return from Carbon Credit of a Hybrid Solar Rooftop System. In Proceedings of the 2023 International Conference on Power, Energy and Innovations (ICPEI), Phrachuap Khirikhan, Thailand, 18–20 October 2023. [Google Scholar]
- Boonthienthong, M.; Ruangsap, N.; Charlangsut, N.; Rugthaicharoencheep, N. The Economic Analysis Consider Carbon Credit from Hybrid Solar Rooftop System. In Proceedings of the 2023 IEEE PES 15th Asia-Pacific Power and Energy Engineering Conference (APPEEC), Chiang Mai, Thailand, 6–9 December 2023. [Google Scholar]
- Soto, E.A.; Wollega, E.; Ortega, A.V.; Guzman, A.H.; Bosman, L. Reduction in Emissions by Massive Solar Plant Integration in the US Power Grid. Energies 2024, 17, 1611. [Google Scholar] [CrossRef]
- Abasi-obot, I.E.; Dan, E.E.; Umoren, M. Design and Carbon Credit Evaluation of a Grid-Connected Solar Photovoltaic Power System for Campus Streetlight: Case Study of the University of Uyo Main Campus, Akwa Ibom State. In The Second International Adaptive and Sustainable Science, Engineering and Technology Conference; Springer Nature: Cham, Switzerland, 2024. [Google Scholar]
- Tantisattayakul, T.; Rassameethammachote, P.; Auisakul, M. Energy, Environmental and Economic Assessment of Solar Rooftop Systems on Buildings of Thammasat University, Rangsit Centre. Thai Sci. Technol. J. 2017, 25, 1083–1099. [Google Scholar]
- United Nations Framework Convention on Climate Change. ACM0002: Grid-Connected Electricity Generation from Renewable Sources—Version 22.0. Available online: https://cdm.unfccc.int/methodologies/DB/XB1TX7TAZ6SLWM9B7BC67THHVD16JV (accessed on 20 October 2024).
- Office of the National Economic and Social Development Council Office of the Prime Minister Bangkok, Thailand. The Thirteenth National Economic and Social Development Plan (2023–2027). Available online: https://www.nesdc.go.th/nesdb_en/main.php?filename=develop_issue (accessed on 20 October 2024).
- Traivivatana, S.; Wangjiraniran, W.; Junlakarn, S.; Wansophark, N. Thailand Energy Outlook for the Thailand Integrated Energy Blueprint (TIEB). Energy Procedia 2017, 138, 399–404. [Google Scholar] [CrossRef]
- Office of Natural Resources and Environmental Policy and Planning Ministry of Natural Resources and Environment, Thailand. Long-Term Low Greenhouse Gas Emission Development Strategy (Revised Version). Available online: https://unfccc.int/documents/622276?gad_source=1&gclid=CjwKCAjw1NK4BhAwEiwAVUHPUHS-FvBRfsFg2tq6c-V_OMdi6-FW3l0OHTlLEd7hom-OEKXeAY9b4xoC-TYQAvD_BwE (accessed on 20 October 2024).
- Rajbhandari, S.; Winyuchakrit, P.; Pradhan, B.B.; Chaichaloempreecha, A.; Pita, P.; Limmeechokchai, B. Thailand’s net-zero emissions by 2050: Analysis of economy-wide impacts. Sustain. Sci. 2023, 19, 189–202. [Google Scholar] [CrossRef] [PubMed]
- Prechaveerakul, J.; Inwai, C.C. Engineering economic analysis between high power LED and hydrargyrum medium-arc iodide luminaries in studio lighting application. In Proceedings of the 2015 18th International Conference on Electrical Machines and Systems (ICEMS), Pattaya, Thailand, 25–28 October 2016. [Google Scholar]
- Acharya, P.; Regmi, P.P.; Gauchan, D.; Dilli, K.C.B.; Gopa, K.C.B. Benefit Cost Analysis of Adoption of Small Farm Machineries for Rice Cultivation in Nepal. Int. J. Appl. Sci. Biotechnol. (IJASBT) 2020, 8, 448–453. [Google Scholar] [CrossRef]
- Santoso, N.B.; Bahaweres, R.B.; Alaydrus, M. Cost-benefits, NPV, IRR and QoS analysis of the dynamic telecytology system in Indonesia. In Proceedings of the 2016 1st International Conference on Biomedical Engineering (IBIOMED), Yogyakarta, Indonesia, 5–6 October 2016. [Google Scholar]








| Energy Plan | Objective | 
|---|---|
| AEDP | In 2036, renewable energy usage increased to 20%. | 
| EEDP | In 2036, energy intensity was reduced by 30% compared to 2010. | 
| PDP | Enhances the capacity of electricity generation to meet future consumption needs. | 
| Gas Plan | Manage and provide natural gas usage to adequately meet future demand. | 
| Oil Plan | Manage petroleum consumption and reserves at an optimal level. | 
| Year | Electrical Energy Produced (kW) | Quantity of Carbon Credits (tCO2eq) | Value of Carbon Credits (THB) | 
|---|---|---|---|
| 1 | 200,378.00 | 97.32 | 4557.66 | 
| 2 | 199,275.92 | 96.79 | 4532.60 | 
| 3 | 198,173.84 | 96.25 | 4507.53 | 
| 4 | 197,071.76 | 95.72 | 4482.46 | 
| 5 | 195,969.68 | 95.18 | 4457.40 | 
| 6 | 194,867.61 | 94.65 | 4432.33 | 
| 7 | 193,765.53 | 94.11 | 4407.26 | 
| 8 | 192,663.45 | 93.58 | 4382.19 | 
| 9 | 191,561.37 | 93.04 | 4357.13 | 
| 10 | 190,459.29 | 92.51 | 4332.06 | 
| 11 | 189,357.21 | 91.97 | 4306.99 | 
| 12 | 188,255.13 | 91.44 | 4281.93 | 
| 13 | 187,153.05 | 90.90 | 4256.86 | 
| 14 | 186,050.97 | 90.36 | 4231.79 | 
| 15 | 184,948.89 | 89.83 | 4206.72 | 
| 16 | 183,846.82 | 89.29 | 4181.66 | 
| 17 | 182,744.74 | 88.76 | 4156.59 | 
| 18 | 181,642.66 | 88.22 | 4131.52 | 
| 19 | 180,540.58 | 87.69 | 4106.46 | 
| 20 | 179,438.50 | 87.15 | 4081.39 | 
| 21 | 178,336.42 | 86.62 | 4056.32 | 
| 22 | 177,234.34 | 86.08 | 4031.25 | 
| 23 | 176,132.26 | 85.55 | 4006.19 | 
| 24 | 175,030.18 | 85.01 | 3981.12 | 
| 25 | 173,928.10 | 84.48 | 3956.05 | 
| Total | 4,678,826.30 | 2175.18 | 106,421.45 | 
| Year | Electrical Energy Produced (kW) | Quantity of Carbon Credits (tCO2eq) | Value of Carbon Credits (THB) | 
|---|---|---|---|
| 1 | 35,047.00 | 17.02 | 797.16 | 
| 2 | 34,854.24 | 16.93 | 792.77 | 
| 3 | 34,661.48 | 16.84 | 788.39 | 
| 4 | 34,468.72 | 16.74 | 784.00 | 
| 5 | 34,275.97 | 16.65 | 779.62 | 
| 6 | 34,083.21 | 16.55 | 775.23 | 
| 7 | 33,890.45 | 16.46 | 770.85 | 
| 8 | 33,697.69 | 16.37 | 766.47 | 
| 9 | 33,504.93 | 16.27 | 762.08 | 
| 10 | 33,312.17 | 16.18 | 757.70 | 
| 11 | 33,119.42 | 16.09 | 753.31 | 
| 12 | 32,926.66 | 15.99 | 748.93 | 
| 13 | 32,733.90 | 15.90 | 744.54 | 
| 14 | 32,541.14 | 15.81 | 740.16 | 
| 15 | 32,348.38 | 15.71 | 735.77 | 
| 16 | 32,155.62 | 15.62 | 731.39 | 
| 17 | 31,962.86 | 15.52 | 727.01 | 
| 18 | 31,770.11 | 15.43 | 722.62 | 
| 19 | 31,577.35 | 15.34 | 718.24 | 
| 20 | 31,384.59 | 15.24 | 713.85 | 
| 21 | 31,191.83 | 15.15 | 709.47 | 
| 22 | 30,999.07 | 15.06 | 705.08 | 
| 23 | 30,806.31 | 14.96 | 700.70 | 
| 24 | 30,613.55 | 14.87 | 696.32 | 
| 25 | 30,420.80 | 14.78 | 691.93 | 
| Total | 818,347.45 | 397.47 | 18,613.58 | 
| Year | Cost | Benefit | ||
|---|---|---|---|---|
| Investment (THB) | O&M (THB) | Benefit (THB) | Cost of Carbon Credit (THB) | |
| 0 | 5,827,220 | 0.00 | 0.00 | 0.00 | 
| 1 | 0.00 | 0.00 | 735,693.31 | 4557.66 | 
| 2 | 0.00 | 0.00 | 731,646.99 | 4532.60 | 
| 3 | 0.00 | 44,940.00 | 727,600.68 | 4507.53 | 
| 4 | 0.00 | 44,940.00 | 723,554.37 | 4482.46 | 
| 5 | 0.00 | 44,940.00 | 719,508.05 | 4457.40 | 
| 6 | 0.00 | 44,940.00 | 715,461.74 | 4432.33 | 
| 7 | 0.00 | 44,940.00 | 711,415.43 | 4407.26 | 
| 8 | 0.00 | 44,940.00 | 707,369.11 | 4382.19 | 
| 9 | 0.00 | 44,940.00 | 703,322.80 | 4357.13 | 
| 10 | 0.00 | 44,940.00 | 699,276.49 | 4332.06 | 
| 11 | 0.00 | 44,940.00 | 695,230.17 | 4306.99 | 
| 12 | 0.00 | 44,940.00 | 691,183.86 | 4281.93 | 
| 13 | 0.00 | 44,940.00 | 687,137.55 | 4256.86 | 
| 14 | 0.00 | 44,940.00 | 683,091.24 | 4231.79 | 
| 15 | 0.00 | 44,940.00 | 679,044.92 | 4206.72 | 
| 16 | 0.00 | 44,940.00 | 674,998.61 | 4181.66 | 
| 17 | 0.00 | 44,940.00 | 670,952.30 | 4156.59 | 
| 18 | 0.00 | 44,940.00 | 666,905.98 | 4131.52 | 
| 19 | 0.00 | 44,940.00 | 662,859.67 | 4106.46 | 
| 20 | 0.00 | 44,940.00 | 658,813.36 | 4081.39 | 
| 21 | 0.00 | 44,940.00 | 654,767.04 | 4056.32 | 
| 22 | 0.00 | 44,940.00 | 650,720.73 | 4031.25 | 
| 23 | 0.00 | 44,940.00 | 646,674.42 | 4006.19 | 
| 24 | 0.00 | 44,940.00 | 642,628.10 | 3981.12 | 
| 25 | 0.00 | 44,940.00 | 638,581.79 | 3956.05 | 
| Total | 5,827,220 | 1,033,620 | 17,178,438.71 | 106,421.45 | 
| Case | NPV (THB) | IRR (%) | B/C Ratio | Payback Period (Year) | 
|---|---|---|---|---|
| 1 | 246,849.61 (FNPV) | 10.57 (FIRR) | 2.771 | 8.493 | 
| 2 | 268,718.29 (ENPV) | 10.62 (EIRR) | 2.776 | 8.445 | 
| 3 | 279,502.01 (ENPV) | 10.65 (EIRR) | 2.781 | 8.436 | 
| 4 | 286,522.75 (ENPV) | 10.66 (EIRR) | 2.789 | 8.436 | 
| Year | Cost | Benefit | ||
|---|---|---|---|---|
| Investment (THB) | O&M (THB) | Benefit (THB) | Cost of Carbon Credit (THB) | |
| 0 | 1,766,336 | 0.00 | 0.00 | 0.00 | 
| 1 | 0.00 | 0.00 | 128,676.02 | 797.16 | 
| 2 | 0.00 | 0.00 | 127,968.30 | 792.77 | 
| 3 | 0.00 | 11,280.00 | 127,260.58 | 788.39 | 
| 4 | 0.00 | 11,280.00 | 126,552.86 | 784.00 | 
| 5 | 0.00 | 11,280.00 | 125,845.15 | 779.62 | 
| 6 | 0.00 | 11,280.00 | 125,137.43 | 775.23 | 
| 7 | 0.00 | 11,280.00 | 124,429.71 | 770.85 | 
| 8 | 0.00 | 11,280.00 | 123,721.99 | 766.47 | 
| 9 | 0.00 | 11,280.00 | 123,014.27 | 762.08 | 
| 10 | 0.00 | 11,280.00 | 122,306.56 | 757.70 | 
| 11 | 0.00 | 11,280.00 | 121,598.84 | 753.31 | 
| 12 | 0.00 | 11,280.00 | 120,891.12 | 748.93 | 
| 13 | 0.00 | 11,280.00 | 120,183.40 | 744.54 | 
| 14 | 0.00 | 11,280.00 | 119,475.68 | 740.16 | 
| 15 | 0.00 | 11,280.00 | 118,767.97 | 735.77 | 
| 16 | 0.00 | 11,280.00 | 118,060.25 | 731.39 | 
| 17 | 0.00 | 11,280.00 | 117,352.53 | 727.01 | 
| 18 | 0.00 | 11,280.00 | 116,644.81 | 722.62 | 
| 19 | 0.00 | 11,280.00 | 115,937.09 | 718.24 | 
| 20 | 0.00 | 11,280.00 | 115,229.37 | 713.85 | 
| 21 | 0.00 | 11,280.00 | 114,521.66 | 709.47 | 
| 22 | 0.00 | 11,280.00 | 113,813.94 | 705.08 | 
| 23 | 0.00 | 11,280.00 | 113,106.22 | 700.70 | 
| 24 | 0.00 | 11,280.00 | 112,398.50 | 696.32 | 
| 25 | 0.00 | 11,280.00 | 111,690.78 | 691.93 | 
| Total | 1,766,336 | 259,440.00 | 3,004,585.04 | 18,613.58 | 
| Case | NPV (THB) | IRR (%) | B/C Ratio | Payback Period (Year) | 
|---|---|---|---|---|
| 1 | −729,060.75 (FNPV) | 3.88 (FIRR) | 1.554 | 15.535 | 
| 2 | −725,235.82 (ENPV) | 3.91 (EIRR) | 1.557 | 15.484 | 
| 3 | −723,349.70 (ENPV) | 3.92 (EIRR) | 1.560 | 15.434 | 
| 4 | −722,121.74 (ENPV) | 3.95 (EIRR) | 1.565 | 15.425 | 
| Case | Payback Period of the 25.68 kWp System (Year) | Payback Period of 25.68 kWp System When Combined with the Profit of the 149.80 kWp System (Year) | Comparison of the Payback Period of 25.68 kWp System When Combined with the Profit of the 149.80 kWp System (Year) | 
|---|---|---|---|
| 1 | 15.535 | 10.495 | 5.040 | 
| 2 | 15.484 | 10.447 | 5.037 | 
| 3 | 15.434 | 10.431 | 5.003 | 
| 4 | 15.425 | 10.431 | 4.994 | 
| Reference | This Paper | [12] | [13] | |
|---|---|---|---|---|
| Year | 2024 | 2024 | 2017 | 2019 | 
| Country | Thailand | Thailand | India | India | 
| Capacity (kW) | 149.80 | 25.68 | 5.00 | 6.00 | 
| Payback period (Year) | 8.436 | 15.425 | 6 years 10 months | 4–5 | 
| Price of carbon credit per tons | THB 46.83 (19 October 2024) | THB 46.83 (19 October 2024) | EUR 21 (20 June 2014) | EUR 21 (29 October 2018) | 
| Price of carbon credit | THB 106,421.45 | THB 18,613.58 | INR 215,714.519 | INR 196,430.00 | 
| Greenhouse gas reduction (tCO2eq) | 2175.18 (25 Years) | 397.47 (25 Years) | 125.53 (25 Years) | 112.00 (20 Years) | 
| Disclaimer/Publisher’s Note: The statements, opinions and data contained in all publications are solely those of the individual author(s) and contributor(s) and not of MDPI and/or the editor(s). MDPI and/or the editor(s) disclaim responsibility for any injury to people or property resulting from any ideas, methods, instructions or products referred to in the content. | 
© 2024 by the authors. Licensee MDPI, Basel, Switzerland. This article is an open access article distributed under the terms and conditions of the Creative Commons Attribution (CC BY) license (https://creativecommons.org/licenses/by/4.0/).
Share and Cite
Rugthaicharoencheep, N.; Ruangsap, N.; Nedphokaew, S. Shortening the Payback Period of Greenhouse Gas Reduction Benefits from Photovoltaic Rooftop Systems. Energies 2024, 17, 6159. https://doi.org/10.3390/en17236159
Rugthaicharoencheep N, Ruangsap N, Nedphokaew S. Shortening the Payback Period of Greenhouse Gas Reduction Benefits from Photovoltaic Rooftop Systems. Energies. 2024; 17(23):6159. https://doi.org/10.3390/en17236159
Chicago/Turabian StyleRugthaicharoencheep, Nattachote, Natchapol Ruangsap, and Supawud Nedphokaew. 2024. "Shortening the Payback Period of Greenhouse Gas Reduction Benefits from Photovoltaic Rooftop Systems" Energies 17, no. 23: 6159. https://doi.org/10.3390/en17236159
APA StyleRugthaicharoencheep, N., Ruangsap, N., & Nedphokaew, S. (2024). Shortening the Payback Period of Greenhouse Gas Reduction Benefits from Photovoltaic Rooftop Systems. Energies, 17(23), 6159. https://doi.org/10.3390/en17236159
 
        




 
       