Abstract
Available transfer capability (ATC) is the transfer capability remaining in the physical transmission network for further commercial activity over and above already committed uses which needs to be posted in the electricity market to facilitate competition. ATC evaluation is a complicated task including the determination of total transfer capability (TTC) and existing transfer capability (ETC). In the deregulated electricity market, ETC is decided by the independent system operator’s (ISO’s) economic dispatch (ED). TTC can then be obtained by a continuation power flow (CPF) method or by an optimal power flow (OPF) method, based on the given ED solutions as well as the ETC. In this paper, a bi-level optimization framework for the ATC evaluation is proposed in which ATC results can be obtained simultaneously with the ED and ETC results in the deregulated electricity market. In this bi-level optimization model, ATC evaluation is formulated as the upper level problem and the ISO’s ED is the lower level problem. The bi-level model is first converted to a mathematic program with equilibrium constraints (MPEC) by recasting the lower level problem as its Karush-Kuhn-Tucher (KKT) optimality condition. Then, the MPEC is transformed into a mixed-integer linear programming (MILP) problem, which can be solved with the help of available optimization software. In addition, case studies on PJM 5-bus, IEEE 30-bus, and IEEE 118-bus systems are presented to demonstrate the proposed methodology.
1. Introduction
In the deregulated electricity market, effectively and efficiently coordinating the security and economic concern in the system operation has become a significant issue for market participants—especially the system and market operators. Under this circumstance, available transfer capability (ATC) is required to be posted on Open Access Same-time Information System (OASIS) to make the competition reasonable and effective. According to the North American Electric Reliability Corporation (NERC) definition [1], ATC is the transfer capability remaining in the physical transmission network for further commercial activity over and above already committed uses. It is defined as a total transfer capability (TTC) minus: existing transfer capability (ETC) (including retail customer service), capacity benefit margin (CBM), and transmission reliability margin (TRM). ATC indicates the margin from the current operating point to the system security limits and is becoming an important reference in the electricity transaction for market participants. Therefore, ATC evaluation plays an indispensable role in the system security operation, the congestion management and the electricity transaction. Consequently, ATC evaluation is obtaining an increasing attention in the electricity market [2].
Recently, research concerning ATC has mainly focused on two aspects: (1) ATC quantity evaluation, in which ATC is calculated between specific sources and sink areas; (2) ATC analysis and decision, in which the ATC distribution, the corresponding risk to maintain a required ATC, the relationship between ATC, and system economic dispatch (ED) is analyzed in the actual market operation. In this paper, we will discuss ATC evaluations in the deregulated electricity market.
Mainly, the approach for ATC evaluations can be categorized as deterministic and probabilistic methods [3]. The deterministic methods utilize the optimization technique, or some other method, to directly obtain the ATC value under the specific system operating condition. The most popular methods are direct current power flow methods using linear programming (LP) [4,5], repeated power flow (RPF) [6], continuous power flow (CPF) [7,8], optimal power flow (OPF) [9,10,11], and the distribution factor (DF) method [12]. The probabilistic approach utilizes probability theory and statistical analysis to obtain ATC, considering the system uncertainties based on the deterministic approach. In this approach, system equipment status, possible load variation, and generation fluctuation are modeled and some probabilistic indices of ATC are obtained (e.g., expectation and variance or standard deviation [3,13,14,15,16]).
In the standard ATC evaluation, TRM and CBM are two components that should be further studied. The deficiency of calculation consistency on TRM and CBM may obscure the credibility of ATC quantity [17]. TRM is a margin to mitigate the impact of system topology uncertainty due to the transmission line outages on transfer capability [18]. CBM is the power interchange margin reserved for the tie-lines to maintain the sink area generation reliability [19]. CBM and TRM are necessary margins that take care of the uncertain system conditions. Recently, there are several approaches for CBM and TRM evaluation. Reference [20] presents a (2m+1) point estimation method to evaluate the uncertainty of TTC, based on which TRM can be determined. In reference [21], three methods are proposed to provide more flexibility to market participants, in which CBM assessment is formulated as an optimization model to reflect different objectives. Three CBM optimization models are established based on the multi-area generation reliability exponential analytic model through the iteration of reliability calculation for each area [22]. An ATC calculation framework based on parametric bootstrap technique that enables generating random samples of system operating conditions with uncertainty at a predefined confidence interval is proposed in [23].
In these research works, ATC evaluation is formulated based on a given power flow solution (base case) such that ATC calculation is decomposed into two steps: first solving the base case ED and obtaining the power flow solution, then utilizing CPF, OPF, or another previously mentioned method to obtain the ATC value. The system operators need to do numerous simulations to consider uncertainties within the system conditions, including load variations and N-1 line outages. This two-step evaluation may be inefficient shown in Figure 1; therefore, an integrated method is proposed to evaluate ATC that considers the change of base case due to the system demand variation and N-1 tie-line outages and obtain ATC result with the ED results simultaneously.
Therefore, a bi-level optimization model to calculate ATC has been proposed in this paper. In this model, ATC evaluation is formulated as an upper-level optimization problem, and the ISO’s ED is a lower-level problem for generation cost minimization. By solving this bi-level optimization model, ATC results are obtained with ED results together at a given system condition and the change of the system condition such as load change and N-1 tie-line outages is modeled in the ATC evaluation model and ED simultaneously. The framework of the ATC evaluation in the previous studies and our proposed model are shown in Figure 1. The rest of this paper is organized as follows: Section 2 proposes the bi-level optimization model for ATC evaluation; Section 3 presents the case studies in PJM 5-bus, IEEE 30-bus, and IEEE 118-bus systems; Section 4 presents the summary and conclusions of the paper.
Figure 1.
Framework of ATC evaluation of previous and proposed model.
Figure 1.
Framework of ATC evaluation of previous and proposed model.

2. Bi-Level Optimization for ATC Evaluation
2.1. ISO’s Economic Dispatch
In ATC evaluation, economic dispatch determines ETC and the base case power flow, and then ATC is calculated based on this ETC. Therefore, in this subsection, ISO’s ED model is introduced first. In the deregulated electricity market, ED is carried out by ISOs to clear the market as well as determining electricity market clearing prices such as locational marginal prices (LMP) and generation dispatch. Typically, various optimization models built on top of DC optimal power flow (DCOPF) are utilized by many ISOs [24] to clear the electricity market and simulate or forecast LMP. While the actual models in practice are more complex, due to the need of computation robustness and efficiency, the ED based on DCOPF is utilized here to illustrate the main point of the proposed work. The DCOPF is essentially a linear programming (LP) problem given by:
where N is the number of buses; M is the number of lines; ci is the generation bidding price at bus i ($/MWh); Gi is the generation dispatch at bus i (MWh) in ED model; Gimax, Gimin are the maximum and minimum generation output at bus i; Di is the demand at bus i (MWh) in ED model; GSFl-i is the generation shift factor to line l from bus i; Limitl is the transmission limit of line l; λ is the dual variable associated with the power balance equation in ED; μlmin, μlmax are the dual variables associated with the lower- and upper-limits of transmission line l; ωimin, ωimax are the dual variables associated with the lower- and upper-limits of the generator at bus i. In this level, the decision variables are the generation output for minimum cost.
After obtaining the optimal solution of the above ED problem, the LMP πi can be calculated with the Lagrangian function. The function and LMP can be written as:
where ψ is the Lagrangian function of ISO’s ED problem in Model (1)–(4); πi is the LMP at bus i.
2.2. Bi-Level Optimization Model for ATC Evaluation
According to the definition of ATC, which is the transfer capability remaining in the physical transmission network for further commercial activity over and above already committed uses, in the deregulated electricity market, the existing transfer capability (ETC) is determined by ISO’s ED introduced in the previous subsection. Therefore, ATC evaluation can be formulated as a bi-level optimization model (proposed below) in which the upper level problem is the maximization of generation in the Source area or the demand in the Sink area for ATC evaluation; the lower level problem is the ISO’s ED mentioned in the previous subsection. In this model, the decision variables are the maximum generation increment in the Source area or demand increment in the Sink area under the optimal generation dispatch of ISO’s ED:
where G1i and D1i in the Models (7)–(14) are the generation and demand in the ATC evaluation model, which should increase in the Source and Sink areas, respectively. Equation (8) means that the total increased demand in the Sink area equals the total increased generation in the Source area. Equation (9) is the transmission thermal limit; Equation (10) and Equation (11) are the generation constraints in which the generation in the Source area increases while the other generations maintain the ED dispatch results. Similarly to the demand in Equation (12) and Equation (13), the demand in the Sink area increase while the other demand is fixed. Equation (14) identifies the base case ED and power flow solution, which is determined by ISO’s ED optimization in Equations (1)–(6). When N-1 transmission line outages are considered, the GSF matrix in the model should be replaced with the new one based on the new topology without the outage line. Note that TRM and CBM are not included in this ATC evaluation model because they are constants under a given operating point. The calculation of TRM and CBM is another research topic that is beyond the scope of this paper.
Lower Level: ED optimization problem {(1)–(6)}
2.3. MPEC Formulation of Bi-Level Optimization Model
Given that the lower level ED is a LP problem that has a unique optimal solution satisfying Karush-Kuhn-Tucher (KKT) optimality conditions, the bi-level models in Equations (7)–(14) can be transformed into a single level mathematical program with equilibrium constraints (MPEC) by recasting the lower level problem as its KKT optimality condition [25,26,27,28,29,30,31,32]. These conditions are later added into the upper-level problem as a set of additional complementarity constraints. The MPEC model of this bi-level optimization is as below:
where Equations (17)–(21) are the complementarity constraints from ED problem’s KKT optimality conditions; the perpendicular sign ⊥ denotes a zero cross product of the corresponding variables in vector form.
s.t. Constraints in (2) and (8)–(13)
2.4. MILP Transformation
The MPEC models in Equations (15)–(21) are nonlinear due to the complementary constraints in Equations (18)–(21). Utilizing the method presented in [33], the MPEC problem is converted into a mixed integer linear programming problem (MILP) as:
where Mμmin, Mμmax, Mωmin , and Mωmax are large enough constants, and νμ,lmin, νμ,lmax, νω,imin , and νω,imax are the auxiliary binary variables [24].
s.t. Constraints in (16), and (17)
3. Case Studies
In this section, the proposed bi-level optimization-based ATC evaluation is performed on a modified PJM 5-bus system [24], IEEE 30-bus system [34], and IEEE 118-bus system [35]. The proposed MILP model in Equations (22)–(31) is solved by CPLEX 12.6 under GAMS [36,37].
3.1. PJM 5-Bus System
PJM 5-bus system is depicted in Figure 2 in which the generation maximum power output and bid cost are included. In this case, ATC from the Generation Center (on the left side of the system) which is the Source area to the Load center (on right side of the system) which is the Sink area will be evaluated. Lines E–D and A–B have thermal limits with 240 MW and 400 MW, also shown in Figure 2. In this system, the system total demand is equally distributed on three load buses: B, C, and D. The system’s ED and ATC results under different load levels are shown in Table 1 and Figure 3. The bus LMPs under different load levels are shown in Figure 4.
Figure 2.
PJM 5-bus system.
Figure 2.
PJM 5-bus system.

Table 1.
ATC and ED results of PJM 5-bus system under different demand level.
| Total Demand Level (MW) | |||||
|---|---|---|---|---|---|
| 400 | 500 | 600 | 700 | 800 | |
| ATC (MW) | 400.7 | 300.7 | 179.8 | 19.0 | 0 |
| Cost ($) | 4000 | 500 | 6000 | 7400 | 9996 |
| G1 | 0 | 0 | 0 | 100 | 110 |
| G2 | 0 | 0 | 0 | 0 | 100 |
| G3 | 0 | 0 | 0 | 0 | 0 |
| G4 | 0 | 0 | 0 | 0 | 42.24 |
| G5 | 400 | 500 | 600 | 600 | 547.76 |
| A–B | 173.8 | 217.2 | 260.7 | 307.59 | 348.1 |
| E–D | 141.9 | 177.4 | 212.9 | 237.13 | 240 |
Figure 3.
ATC and line flow under different demand level.
Figure 3.
ATC and line flow under different demand level.

Figure 4.
LMP on buses with different demand level.
Figure 4.
LMP on buses with different demand level.

With the proposed method, the ATC results can be obtained with the ED results under different demand levels simultaneously (shown in Table 1). It is obvious that the ATC value decreases with the system demand level because the generator’s remaining capacity in the Generation Center decreases, the tie-line power flows increase with demand level, and consequently ATC decreases. Figure 3 shows that line E–D becomes congested when the total demand is greater than 711 MW (its power flow is 240 MW). With this line congestion, ATC between the Generation Center to the Load Center decreases to zero. Because no more generations can be transferred from Generation Center to Load Center.
Figure 4 demonstrates that if there is no congestion between Generation Center and Load Center, the LMP of all buses are the same as the marginal unit bid cost in the Generation Center due to the low cost of generation in Generation Center When the total demand is less than 600 MW, the marginal unit is G5 at bus E and all the buses’ LMPs are $10/MWh. When the total demand is between 600 MW and 711 MW, the marginal unit is G1 at bus A and the LMPs are $14/MWh. If the congestion exists between these two areas when the total demand is larger than 711 MW, ATC is zero and the buses’ LMPs are different because the congestion costs on every bus are different shown in LMP formulation of Equation (6).
The results of ATC, generation dispatch, and buses’ LMPs with different tie-line outages under the 700 MW system demand are listed in Table 2 and Table 3. It shows that the outages of line E–D will not change the dispatch results and buses’ LMPs maintain the same as that with no line outage. Meanwhile, ATC under this circumstance increases from 18.975 MW to 63.736 MW. This result is counter intuitive because the transfer capability normally should decrease with line outages. In this system, due to the system and line parameters, line E–D is prone to transfer more power when it is in service. However, its power limit is 240 MW, which is easier to be congested than other tie-lines. When line E–D experiences the outage, more power transfers through lines A–B and A–D, which have higher limits and are not easily congested. Therefore, the system has a higher ATC from Generation Center to Load Center with line E–D outage. While with lines A–B and A–D outages, ATC decreases to zero and the generation cost and the LMPs of Bus A to Bus D increase. Because when these two lines are out of service, more power will be transferred to line E–D, which is even more easily to be congested due to this power transfer. Consequently, more expensive power will being dispatched in the Load Center. This observation demonstrates that the system operators can optimize the system topology to increase ATC without sacrificing the system generation cost under some system conditions.
Table 2.
ATC and ED results of PJM 5-bus system under different tie-line outages with 700 MW demand.
| Tie-Line Outage | ||||
|---|---|---|---|---|
| No outage | E–D | A–B | A–D | |
| ATC (MW) | 18.975 | 63.736 | 0 | 0 |
| Cost ($) | 7400 | 7400 | 12,326.346 | 10,664.084 |
| G1 | 100 | 100 | 0 | 0 |
| G2 | 0 | 0 | 0 | 0 |
| G3 | 0 | 0 | 266.317 | 0 |
| G4 | 0 | 0 | 0 | 146.563 |
| G5 | 600 | 600 | 433.683 | 553.437 |
| A–B | 307.567 | 380.427 | – | 313.437 |
| E–D | 237.137 | -- | 240 | 240 |
Table 3.
Bus LMPs of PJM 5-bus system under different tie-line outages with 700 MW demand.
| Tie-Line Outage | Bus LMP ($/MWh) | ||||
|---|---|---|---|---|---|
| A | B | C | D | E | |
| No outage | 14 | 14 | 14 | 14 | 14 |
| E–D | 14 | 14 | 14 | 14 | 14 |
| A–B | 13.477 | 30 | 30 | 30 | 10 |
| A–D | 12.132 | 21.5 | 25.102 | 35 | 10 |
3.2. IEEE 30-Bus System
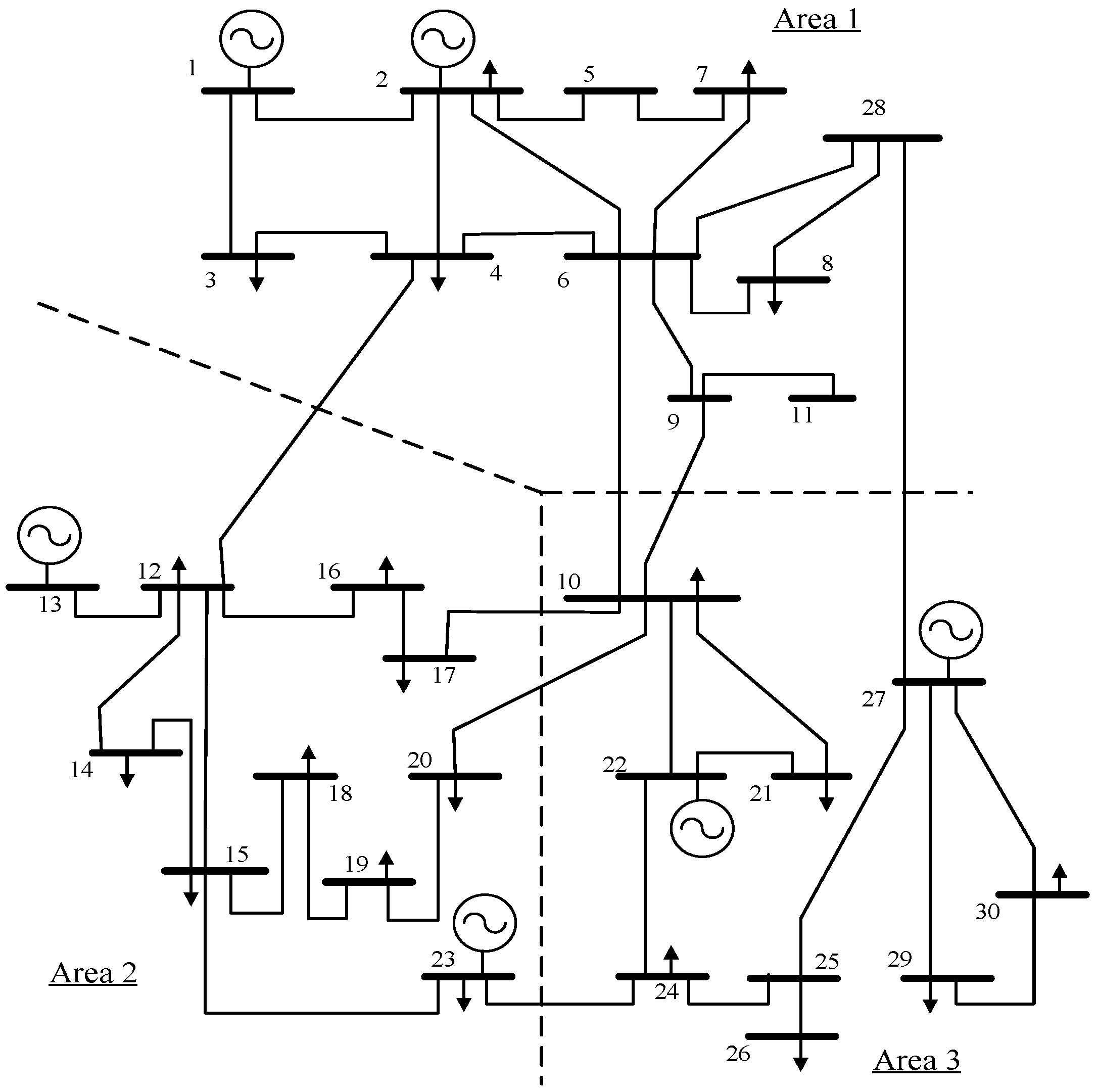
The configuration of IEEE 30-bus system is shown in Figure 5. There are six generators, 41 transmission lines, and 20 loads in this system; the system data can be found in [34]. The generation parameters are listed in Table 4. In this system, the base demand is 189.2 MW distributed in three areas (shown in Figure 5). The transmission line’s thermal limits are also in [34].
Table 4.
Generation parameters.
| Gen. Unit | Bus | Cost bid ($/MWh) | Pmax (MW) |
|---|---|---|---|
| 1 | 1 | 10 | 200 |
| 2 | 2 | 15 | 100 |
| 3 | 22 | 30 | 50 |
| 4 | 27 | 35 | 55 |
| 5 | 23 | 40 | 30 |
| 6 | 13 | 45 | 40 |
Figure 5.
IEEE 30-bus system with three areas.
Figure 5.
IEEE 30-bus system with three areas.

From Table 4, it can be concluded that Area 1 is the main generation center which has larger generation capacity and lower generation cost and Area 2 and Area 3 are the Load center in which the generation is more expensive. In this study, ATC from Area 1 to Area 2 and from Area 1 to Area 3 are evaluated. The ATC results under different demand levels are shown in Figure 6 and Table 5. Figure 7 is the LMP result for Bus 4 (in Area 1), Bus 18 (in Area 2), and Bus 29 (in Area 3).
Figure 6.
ATC under different demand level.
Figure 6.
ATC under different demand level.

Figure 7.
Bus LMPs in IEEE 30-bus system with different demand level.
Figure 7.
Bus LMPs in IEEE 30-bus system with different demand level.

Table 5.
ATC and ED results of IEEE 30-bus system under different demand level.
| Total Demand Level (MW) | ||||
|---|---|---|---|---|
| 180 | 189.2 | 200 | 210 | |
| Cost ($) | 1800 | 1892 | 2033.45 | 2367.26 |
| G1 | 180 | 189.2 | 193.31 | 193.286 |
| G2 | 0 | 0 | 6.69 | 7.529 |
| G3 | 0 | 0 | 0 | 0 |
| G4 | 0 | 0 | 0 | 9.185 |
| G5 | 0 | 0 | 0 | 0 |
| G6 | 0 | 0 | 0 | 0 |
| Bus 6-10 | 15.75 | 16.56 | 17.51 | 17.73 |
| Bus 9-10 | 27.57 | 28.98 | 30.65 | 31.03 |
| Bus 4-12 | 37.76 | 39.69 | 41.93 | 42.56 |
| Bus 10-20 | 9.30 | 9.78 | 10.34 | 10.89 |
| Bus 10-17 | 6.77 | 7.12 | 7.54 | 8.22 |
| Bus 23-24 | 0.37 | 0.39 | 0.40 | −0.71 |
| Bus 28-27 | 18.52 | 19.47 | 20.59 | 15.71 |
| ATC From Area 1 to Area 3 | ||||
| ATC (MW) | 67.19 | 59.38 | 20.67 | 0 |
| ATC From Area 1 to Area 2 | ||||
| ATC | 69.35 | 61.57 | 25.61 | 0 |
In this case, the transmission line from Bus 1 to Bus 2 is congested when the system’s total demand level is higher than 192 MW, then another line from Bus 6 to Bus 8 is congested with the demand higher than 203 MW. With lines congestion, ATC from Area 1 to Area 2 and from Area 1 to Area 3 decreases sharply.
As it is shown in Figure 6, ATC from Area 1 to Area 2 is larger than that from Area 1 to Area 3 when the demand is less than 203 MW. With a higher demand, both ATCs are zeros. When the demand is lower than 192 MW, the system has no line congested. Buses’ LMPs are the same as the marginal unit G1’s bid cost $10/MWh. With a higher demand, line 1–2 will be congested first, then line 6–8 will be congested with demand larger than 203 MW, buses’ LMPs are different, as shown in Figure 7.
ATC and ED results reflecting different tie-line outages under-demand level of 189.2 MW from Area 1 to Area 2 are listed in Table 6. Buses’ LMPs with different line outages are shown in Figure 8. It can be observed that the outages of bus 6-10 and bus 9-10 will not change the ED results and bus LMPs. But the ATC from Area 1 to Area 2 and from Area 1 to Area 3 will decrease due to these two tie-line outages. Line outages of bus 4-12 and bus 28-27 will increase the total generation cost and change bus LMP results, as well as decrease ATC from Area 1 to Area 2 and from Area 1 to Area 3. The most severe line outage for system economic concern is the tie-line from bus 28 to 27. The generation cost increases from $1892 to $1985.94 when this line is out of service, and the most critical line outage for ATC concern is the tie-line from bus 4 to 12. ATC from Area 1 to Area 2 and from Area 1 to Area 3 decrease from 59.38 MW to 13.85 MW and from 61.57 MW to 12.85 MW, respectively. Also Buses’ LMPs increase significantly under this line outage shown in Figure 8. The impact of line outages on the system generation cost and ATC are different. Under some line outages the system ATC decrease significantly; although, the generation cost may not change, such as an outage in line from bus 9 to 10 in this case.
Table 6.
ATC and ED results of IEEE 30-bus system under different tie-line outages with 189.2 MW demand.
| Tie-line outage | |||||
|---|---|---|---|---|---|
| No outage | 4–12 | 6–10 | 9–10 | 28–27 | |
| Cost ($) | 1892 | 1911.773 | 1892 | 1892 | 1985.937 |
| G1 | 189.2 | 188.549 | 189.2 | 189.2 | 185.443 |
| G2 | 0 | 0.1 | 0 | 0 | 0 |
| G3 | 0 | 0 | 0 | 0 | 0 |
| G4 | 0 | 0 | 0 | 0 | 3.757 |
| G5 | 0 | 0 | 0 | 0 | 0 |
| G6 | 0 | 0.551 | 0 | 0 | 0 |
| Bus 6-10 | 16.56 | 28.08 | – | 28.35 | 20.248 |
| Bus 9-10 | 28.98 | 49.141 | 38.012 | – | 35.434 |
| Bus 4-12 | 39.69 | – | 45.008 | 51.833 | 45.261 |
| Bus 10-20 | 9.78 | 19.694 | 8.068 | 5.877 | 10.001 |
| Bus 10-17 | 7.12 | 25 | 4.294 | 0.667 | 6.38 |
| Bus 23-24 | 0.39 | −10.955 | 1.171 | 2.177 | 5.443 |
| Bus 28-27 | 19.47 | 26.929 | 31.68 | 24.518 | – |
| ATC From Area 1 to Area 3 | |||||
| ATC (MW) | 59.38 | 13.85 | 53.97 | 14.64 | 47.66 |
| ATC From Area 1 to Area 2 | |||||
| ATC | 61.57 | 12.85 | 49.87 | 17.78 | 52.06 |
Figure 8.
Bus LMPs in IEEE 30-bus system with different tie-line outages.
Figure 8.
Bus LMPs in IEEE 30-bus system with different tie-line outages.

3.3. IEEE 118-Bus System
The IEEE 118-bus system [35] is applied to demonstrate applicability of the proposed method to larger systems. The system (as shown in Figure 9) has a 4242 MW load and a 9966 MW generation capacity, which consists of 118-buses, 54 generators, and 186 branches.
The generator bidding data are similar with that in [38]: 20 low-cost generators with bids from $10 to $19.5 and $0.5 increments; 20 expensive generators with bids from $30 to $49 and $1 increments; and 14 of the most expensive generators with bidding from $70 to $83 and $1 increments. The thermal limits for the transmission tie-lines among different areas are 150 MW.
ATC results between different areas and ED results with no line outages, line outages of bus 15 to 33, and bus 77 to 82 are listed in Table 7, Table 8 and Table 9. Figure 10 is the buses’ LMP results with no line outage, line outages of bus 15 to 33, and bus 77 to 82, respectively.
Figure 9.
IEEE 118-bus system with three areas.
Figure 9.
IEEE 118-bus system with three areas.

Table 7.
ATC and Gen. Dispatch Results in IEEE 118-bus system.
| Gen | Disp. Power | Gen | Disp. Power | Gen | Disp. Power |
|---|---|---|---|---|---|
| 1 | 128.981 | 19 | 100 | 37 | 0 |
| 2 | 200 | 20 | 119 | 38 | 0 |
| 3 | 0 | 21 | 304 | 39 | 0 |
| 4 | 100 | 22 | 148 | 40 | 0 |
| 5 | 550 | 23 | 100 | 41 | 0 |
| 6 | 0 | 24 | 100 | 42 | 0 |
| 7 | 100 | 25 | 255 | 43 | 0 |
| 8 | 100 | 26 | 260 | 44 | 0 |
| 9 | 100 | 27 | 100 | 45 | 0 |
| 10 | 100 | 28 | 491 | 46 | 0 |
| 11 | 38.04 | 29 | 133.979 | 47 | 0 |
| 12 | 414 | 30 | 0 | 48 | 0 |
| 13 | 0 | 31 | 0 | 49 | 0 |
| 14 | 0 | 32 | 0 | 50 | 0 |
| 15 | 0 | 33 | 0 | 51 | 0 |
| 16 | 100 | 34 | 0 | 52 | 0 |
| 17 | 100 | 35 | 0 | 53 | 0 |
| 18 | 100 | 36 | 0 | 54 | 0 |
| Tie-Line Power Flow (MW) | |||||
| 23–24 | 0.907 | 30–38 | 150 | 80–96 | −50.546 |
| 15–33 | 150 | 77–82 | 98.545 | 98–100 | 64.542 |
| 19–34 | 46.85 | 97–96 | 58.216 | 99–100 | 47.141 |
| Gen. Cost ($) | 98084.119 | ||||
| ATC Area 1 to 2 (MW) | 0 | ||||
| ATC Area 2 to 1 (MW) | 965.5066 | ||||
| ATC Area 2 to 3 (MW) | 1052.2074 | ||||
| ATC Area 3 to 2 (MW) | 2333.093 | ||||
Table 8.
ATC and Gen. Dispatch Results in IEEE 118-bus system with line 15–33 outage.
| Gen | Disp. Power | Gen | Disp. Power | Gen | Disp. Power |
|---|---|---|---|---|---|
| 1 | 220 | 19 | 100 | 37 | 0 |
| 2 | 200 | 20 | 119 | 38 | 0 |
| 3 | 250 | 21 | 304 | 39 | 0 |
| 4 | 100 | 22 | 148 | 40 | 0 |
| 5 | 550 | 23 | 100 | 41 | 0 |
| 6 | 185 | 24 | 100 | 42 | 0 |
| 7 | 100 | 25 | 255 | 43 | 0 |
| 8 | 100 | 26 | 260 | 44 | 0 |
| 9 | 100 | 27 | 100 | 45 | 0 |
| 10 | 52.503 | 28 | 491 | 46 | 0 |
| 11 | 0 | 29 | 107.497 | 47 | 0 |
| 12 | 0 | 30 | 0 | 48 | 0 |
| 13 | 0 | 31 | 0 | 49 | 0 |
| 14 | 0 | 32 | 0 | 50 | 0 |
| 15 | 0 | 33 | 0 | 51 | 0 |
| 16 | 100 | 34 | 0 | 52 | 0 |
| 17 | 100 | 35 | 0 | 53 | 0 |
| 18 | 100 | 36 | 0 | 54 | 0 |
| Tie-Line Power flow (MW) | |||||
| 23–24 | 146.971 | 30–38 | 150 | 80–96 | −50.857 |
| 15–33 | -- | 77–82 | 97.777 | 98–100 | 64.696 |
| 19–34 | 140.853 | 97–96 | 58.527 | 99–100 | 47.294 |
| Gen. Cost ($) | 95374.176 | ||||
| ATC Area 1 to 2 (MW) | 14.4699 | ||||
| ATC Area 2 to 1 (MW) | 831.282 | ||||
| ATC Area 2 to 3 (MW) | 1561.9466 | ||||
| ATC Area 3 to 2 (MW) | 2328.8769 | ||||
Table 9.
ATC and Gen. Dispatch Results in IEEE 118-bus system with line 77–82 outage.
| Gen | Disp. Power | Gen | Disp. Power | Gen | Disp. Power |
|---|---|---|---|---|---|
| 1 | 129.167 | 19 | 100 | 37 | 0 |
| 2 | 200 | 20 | 119 | 38 | 0 |
| 3 | 0 | 21 | 304 | 39 | 0 |
| 4 | 100 | 22 | 148 | 40 | 0 |
| 5 | 550 | 23 | 100 | 41 | 0 |
| 6 | 0 | 24 | 100 | 42 | 0 |
| 7 | 100 | 25 | 255 | 43 | 0 |
| 8 | 100 | 26 | 260 | 44 | 0 |
| 9 | 100 | 27 | 100 | 45 | 0 |
| 10 | 100 | 28 | 491 | 46 | 0 |
| 11 | 36.528 | 29 | 135.305 | 47 | 0 |
| 12 | 414 | 30 | 0 | 48 | 0 |
| 13 | 0 | 31 | 0 | 49 | 0 |
| 14 | 0 | 32 | 0 | 50 | 0 |
| 15 | 0 | 33 | 0 | 51 | 0 |
| 16 | 100 | 34 | 0 | 52 | 0 |
| 17 | 100 | 35 | 0 | 53 | 0 |
| 18 | 100 | 36 | 0 | 54 | 0 |
| Tie-Line Power Flow (MW) | |||||
| 23–24 | 0.675 | 30–38 | 150 | 80–96 | −69.585 |
| 15–33 | 150 | 77–82 | -- | 98–100 | 69.118 |
| 19–34 | 46.851 | 97–96 | 77.245 | 99–100 | 51.712 |
| Gen. Cost ($) | 98113.686 | ||||
| ATC Area 1 to 2 (MW) | 0 | ||||
| ATC Area 2 to 1 (MW) | 965.771 | ||||
| ATC Area 2 to 3 (MW) | 1129.7202 | ||||
| ATC Area 3 to 2 (MW) | 2309.0415 | ||||
Figure 10.
Bus LMPs in IEEE 118-bus system with no outage, line 15–33 and line 77–82 outage.
Figure 10.
Bus LMPs in IEEE 118-bus system with no outage, line 15–33 and line 77–82 outage.

ATC results in Table 7 shows that Area 1 to Area 2 has a zero ATC under this operating point. This means that no more power can be transferred from Area 1 to Area 2. The market participants who are willing to make the electricity transactions from Area 1 to Area 2 should be cautious. ATC in the opposite direction from Area 2 to Area 1 is large. Therefore, there is a large room for the electricity transaction from Area 2 to Area 1. ATC on both directions of Area 2 to Area 3 are large. Therefore, the margin for further electricity transactions between Area 2 and Area 3 is large.
Table 8 and Table 9 are the ATC and ED results with line outages of bus 15 to 33 and 77 to 82, respectively. Figure 10 shows the buses’ LMP results with no line outage, as well as line outages of 15–33 and 77–82. When line 15–33 is out of service, the generation cost decreases from $98084.12 to $95374.18; it increases to $98113.69 with the outage of line bus 77-82. The outage of the tie-line from bus 15 to 33 changes the portfolio of buses’ LMPs and the buses in Area 1, which are close to this outage tie-line are mainly impacted. While the outage of the tie-line from bus 77 to 82 does not change the bus LMPs although there are some small changes in the generation dispatch. It is obvious that the line outages change ATC between different areas. But the impact of line outage on ATC should be analyzed case by case. When the outage occurs on the tie-line from bus 15 to 33, which is a tie-line between Area 1 and Area 2, ATC from Area 1 to Area 2 increases from zero to 14.47 MW while ATC in the opposite direction (from Area 2 to Area 1) decreases from 965.51 MW to 831.28 MW. This outage also affects ATC between Area 2 and Area 3. ATC from Area 2 to Area 3 increases from 1052.21 MW to 1561.95 MW and the opposite direction ATC decreases from 2333.09 MW to 2328.88 MW. ATC between Area 1 and Area 2 does not change with the outage of tie-line bus 77 to 82 between Area 2 and Area 3. This line outage increases ATC from Area 2 to Area 3 and decreases it from Area 3 to Area 2.
4. Conclusions
In the deregulated electricity market, operating power system economically and maintaining its reliability is always a major responsibility for system and market operators. Available transfer capability (ATC) identifies the available power transfer capability from the specific source to sink areas which is an index of the system reliability while it is closely related with the system economic dispatch. Therefore, how to effectively and efficiently evaluate ATC under the deregulated market environment is becoming an urgent issue. In this paper, a bi-level optimization method for available transfer capability (ATC) evaluation in the deregulated electricity market is proposed with transfer power maximization for ATC evaluation as the upper-level and ISO’s economic dispatch as the lower-level. The main contributions of this paper can be concluded as:
- (1)
- A bi-level optimization model for ATC evaluation in the deregulated electricity market is proposed in which the system uncertainty such as demand variation and N-1 transmission contingencies can be considered in the ATC evaluation and ED endogenously, and the ATC results can be obtained simultaneously with the ISO’s market economic dispatch (ED) results.
- (2)
- The proposed bi-level optimization model is formulated as a mathematic program with equilibrium constraints (MPEC) by recasting the lower level problem as its Karush-Kuhn-Tucker (KKT) optimality conditions. Then this MPEC is transformed to a mixed-integer linear programming (MILP) problem, which is solved by available software.
- (3)
- The case studies performed in PJM 5-bus, IEEE 30-bus, and IEEE 118-bus systems under different system demand levels and system topologies validate the proposed method. The simulation results demonstrate that ATC decreases with the system load level due to remain generation capacity and tie-line capacity reduction.
- (4)
- The change of the system topology has a different impact on the economic dispatch and ATC. Under some conditions, line outage can increase ATC without increasing the generation operating cost. Therefore, there is a tradeoff between the economic and reliability concerns in the system topology optimization.
Furthermore, it should be noted that although the discussion in this paper focuses on the analysis of load variation and N-1 transmission topology change, similar mechanism or approach can be applied to the analysis of renewable generation uncertainty which also has an impact on market clearing results and ATC. And the modeling of renewable generation will be the future work.
Acknowledgments
The authors would like to acknowledge the support in part by the NSF grant ECCS-1001999, the CURENT research center funded by NSF and DOE under the NSF grant EEC-1041877, and NSFC grant 71471036, 51377016 and 51477027.
Conflicts of Interest
The authors declare no conflict of interest.
Abbreviations
| ATC | Available Transfer Capability |
| TTC | Total Transfer Capability |
| ETC | Existing Transfer Capability |
| CBM | capacity benefit margin |
| TRM | transmission reliability margin |
| ED | economic dispatch |
| OASIS | Open Access Same-time Information System |
| NERC | North American Electric Reliability Corporation |
| ISO | Independent System Operator |
| RPF | repeated power flow |
| CPF | continuation power flow |
| OPF | optimal power flow |
| MPEC | mathematic program with equilibrium constraints |
| KKT | Karush-Kuhn-Tucher |
| MILP | mixed-integer linear programming |
References
- Force, T.T.C.T. Available Transfer Capability Definitions and Determination; North American Electric Reliability Council: Princeton, NJ, USA, 1996. [Google Scholar]
- Zheng, Y.; Yang, J.; Hu, Z.G.; Zhou, M.; Li, G.Y. Credibility theory-based available transfer capability assessment. Energies 2015, 8, 6059–6078. [Google Scholar] [CrossRef]
- Li, G.Q.; Chen, H.H. Study of probabilistic available transfer capability by improved particle swarm optimization. Proc. CSEE 2006, 26, 18–23. [Google Scholar]
- Hamoud, G. Assessment of available transfer capability of transmission systems. IEEE Trans. Power Syst. 2000, 15, 27–32. [Google Scholar] [CrossRef]
- Ilic, M.D.; Yoon, Y.Y.; Zobian, A. Available transfer capability (ATC) and its value under open access. IEEE Trans. Power Syst. 1997, 12, 636–645. [Google Scholar] [CrossRef]
- Nallan, H.C.; Rastgoufard, P. Computational voltage stability assessment of large-scale power systems. Electr. Power Syst. Res. 1996, 38, 177–181. [Google Scholar] [CrossRef]
- Ejebe, G.C.; Tong, J.; Waight, G.G.; Frame, J.G.; Wang, X.; Tinney, W.F. Available transfer capability calculations. IEEE Trans. Power Syst. 1998, 13, 1521–1527. [Google Scholar] [CrossRef]
- Ou, Y.; Singh, C. Assessment of available transfer capability and margins. IEEE Trans. Power Syst. 2002, 17, 463–468. [Google Scholar] [CrossRef]
- Sawhney, H.; Jeyasurya, B. Application of unified power flow controller for available transfer capability enhancement. Electr. Power Syst. Res. 2004, 69, 155–160. [Google Scholar] [CrossRef]
- Fang, X.; Li, F.; Gao, N.; Guo, Q. Available transfer capability of photovoltaic generation incorporated system. In Proceedings of the IEEE PES General Meeting 2014, National Harbor, MD, USA, 27–31 July 2014; pp. 1–5.
- Pan, X.; Xu, G.Y. Available transfer capability calculation considering voltage stability margin. Electr. Power Syst. Res. 2005, 76, 52–57. [Google Scholar] [CrossRef]
- Min, L.; Abur, A.; Zhao, L. Two-level multi-area TTC calculation by updating power transfer distribution factors. In Proceedings of the Power Engineering Society General Meeting, San Francisco, CA, USA, 12–16 June 2005; pp. 491–496.
- Shin, D.; Kim, J.; Kim, K.; Singh, C. Probabilistic approach to available transfer capability calculation. Electr. Power Syst. Res. 2007, 77, 813–820. [Google Scholar] [CrossRef]
- Rodrigues, A.B.; Da Silva, M.G. Probabilistic assessment of available transfer capability based on Monte Carlo method with sequential simulation. IEEE Trans. Power Syst. 2007, 22, 484–492. [Google Scholar] [CrossRef]
- Cui, Y.L.; Bie, Z.H.; Wang, X.F. Study on calculation of probability available transfer capability. In Proceedings of the 2002 International Conference on Power System Technology (PowerCon 2002), Kunming, China, 13–17 October 2002; pp. 2052–2056.
- Fang, X.; Li, F.X.; Gao, N.C. Probabilistic available transfer capability evaluation for power systems with high-penetration wind power. In Proceedings of the 13th International Conference on Probabilistic Methods Applied to Power Systems (PMAPS), Durham, UK, 7–10 July 2014; pp. 1–6.
- Ou, Y.; Singh, C. Calculation of risk and statistical indices associated with available transfer capability. IEE Proc. Gener. 2003, 150, 239–244. [Google Scholar] [CrossRef]
- Othman, M.M.; Mohamed, A.; Hussain, A. Fast evaluation of available transfer capability using cubic spline interpolation technique. Electr. Power Syst. Res. 2005, 73, 335–342. [Google Scholar] [CrossRef]
- Tuglie, E.D.; Dicorato, M.; Scala, M.L.; Scarpellini, P. A static optimization approach to assess dynamic available transfer capability. IEEE Trans. Power Syst. 2000, 15, 1069–1076. [Google Scholar] [CrossRef]
- Li, W.Y.; Vaahedi, E.; Lin, Z.H. BC Hydro’s transmission reliability margin assessment in total transfer capability calculations. IEEE Trans. Power Syst. 2013, 28, 4796–4802. [Google Scholar] [CrossRef]
- Ramezani, M.; Haghifam, M.; Singh, C.; Seifi, H.; Moghaddam, M.P. Determination of capacity benefit margin in multi-area power systems using particle swarm optimization. IEEE Trans. Power Syst. 2009, 24, 631–641. [Google Scholar] [CrossRef]
- Sun, R.; Song, Y.; Sun, Y. Capacity benefit margin assessment based on multi-area generation reliability exponential analytic model. IET Gener. Transm. Distrib. 2008, 2, 610–620. [Google Scholar] [CrossRef]
- Salim, N.A.; Othman, M.M.; Serwan, M.S.; Fotuhi-Firuzabad, M.; Safdarian, A.; Musirin, I. Determination of available transfer capability with implication of cascading collapse uncertainty. IET Gener. Transm. Distrib. 2014, 8, 705–715. [Google Scholar] [CrossRef]
- Li, F.; Bo, R. DCOPF-based LMP simulation: Algorithm, comparison with acopf, and sensitivity. IEEE Trans. Power Syst. 2007, 22, 1475–1485. [Google Scholar] [CrossRef]
- Fang, X.; Hu, Q.R.; Li, F.X.; Wang, B.B.; Li, Y. Coupon-based demand response considering wind power uncertainty: A strategic bidding model for load serving entities. IEEE Trans. Power Syst. 2015, in press. [Google Scholar] [CrossRef]
- Wogrin, S.; Centeno, E.; Barquin, J. Generation capacity expansion in liberalized electricity markets: A stochastic MPEC approach. IEEE Trans. Power Syst. 2011, 26, 2526–2532. [Google Scholar] [CrossRef]
- Gabriel, S.A.; Conejo, A.J.; Fuller, J.D.; Hobbs, B.F.; Ruiz, C. Complementarity Modeling in Energy Markets; Springer: New York, NY, USA, 2012. [Google Scholar]
- Fang, X.; Li, F.X.; Hu, Q.R.; Gao, N.C. The impact of FTR on LSE’s strategic bidding considering coupon based demand response. In Proceedings of the IEEE Power and Energy Society General Meeting 2015, Denver, CO, USA, 26–30 July 2015.
- Fang, X.; Wei, Y.; Li, F.X. Evaluation of Lmp intervals considering wind uncertainty. IEEE Trans. Power Syst. 2015, in press. [Google Scholar] [CrossRef]
- Pieper, H. Algorithms for Mathematical Programs with Equilibrium Constraints with Applications to Deregulated Electricity Markets. Ph.D. Thesis, Department of Management Science and Engineering, Stanford University, Stanford, CA, USA, Junuary 2001. [Google Scholar]
- Taha, A.F.; Panchal, J.H. Multilevel decision-making in decentralized energy systems with multiple technologies and uncertainty. IEEE Trans. Syst. Man Cybern. Syst. 2014, 44, 894–907. [Google Scholar] [CrossRef]
- Christie, R.; Wollenberg, B.; Wangensteen, I. Transmission management in the deregulated environment. Proc. IEEE 2000, 88, 170–195. [Google Scholar] [CrossRef]
- Amat, J.F.; McCarl, B. A representation and economic interpretation of a two-level programming problem. J. Oper. Res. Soc. 1981, 32, 783–792. [Google Scholar] [CrossRef]
- Li, F.X.; Bo, R. Small test systems for power system economic studies. In Proceedings of the IEEE Power and Energy Society General Meeting 2010, Minneapolis, MN, USA, 25–29 July 2010; pp. 1–4.
- Fang, X.; Li, F.X.; Wei, Y.L.; Azim, R.; Xu, Y. Reactive power planning under high penetration of wind energy using benders decomposition. IET Gener. Trans. Distrib. 2015, in press. [Google Scholar] [CrossRef]
- GAMS Manual. Available online: http://www.gams.com/ (accessed on 1 November 2015).
- Brooke, A.; Kendrick, D.; Meeraus, A.; Raman, R. GAMS: A User’s Guide; GAMS Development Corporation: Washington, DC, USA, 1998. [Google Scholar]
- Wei, Y.; Li, F.; Tomsovic, K. Measuring the volatility of wholesale electricity prices caused by the wind power uncertainty with a correlation model. IET Renew. Power Gener. 2012, 6, 315–323. [Google Scholar] [CrossRef]
© 2015 by the authors; licensee MDPI, Basel, Switzerland. This article is an open access article distributed under the terms and conditions of the Creative Commons by Attribution (CC-BY) license (http://creativecommons.org/licenses/by/4.0/).