Deformation Behavior under Tension with Pulse Current of Ultrafine-Grain and Coarse-Grain CP Titanium
Abstract
1. Introduction
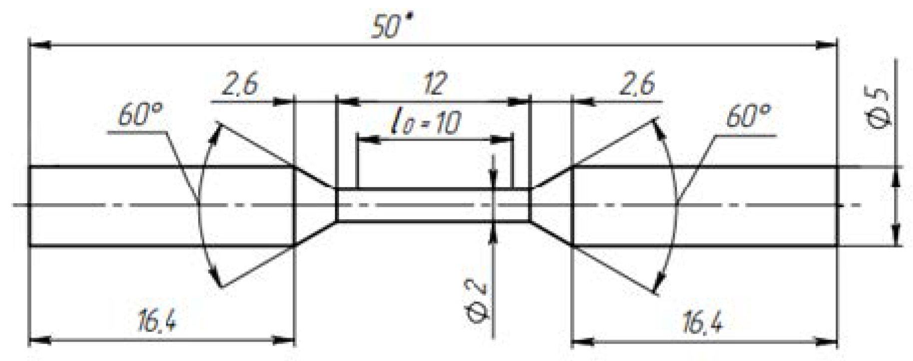
2. Materials and Methods
3. Results
3.1. Microstructure and Microhardness
3.2. Tension
3.3. Fracture
4. Discussion
5. Conclusions
- It was shown that the tension of Grade 4 titanium specimens accompanied by a low duty cycle pulsed current leads to EPE, which manifests itself in a decrease in flow stresses. In this case, the maximum relative effect of reducing the flow stresses in UFG more than in CG titanium, 82% and 65%, respectively.
- An increase in the density and duration of the current pulse leads to a multiple decrease in the flow stresses in CG and UFG titanium.
- EPE in CG and UFG titanium under the influence of the selected current modes manifests itself in a strong decrease in flow stresses without a significant change in microhardness and grain size.
- Based on these conclusions, future research should be focused on cold rolling of UFG titanium accompanied by pulsed current according to the found modes and related microstructural observations and mechanical tests.
Author Contributions
Funding
Institutional Review Board Statement
Informed Consent Statement
Data Availability Statement
Conflicts of Interest
References
- Bataronov, I.L. Mechanisms of electroplasticity. Soros Educ. J. 1999, 10, 93–99. (In Russian) [Google Scholar]
- Okazaki, K.; Kagawa, M.; Conrad, H. An Evaluation of the Contributions of Skin, Pinch and Heating Effects to the Electroplastic Effect in Titanium. Mater. Sci. Eng. 1980, 45, 109–116. [Google Scholar] [CrossRef]
- Kim, M.-J.; Yoon, S.; Park, S.; Jeong, H.-J.; Park, J.-W.; Kim, K.; Jo, J.; Heo, T.; Hong, S.-T.; Cho, S.H.; et al. Elucidating the origin of electroplasticity in metallic materials. Appl. Mater. Today 2020, 1, 100874. [Google Scholar] [CrossRef]
- Roh, J.-H.; Seo, J.-J.; Hong, S.-T.; Kim, M.-J.; Han, H.N.; Roth, J.T. The mechanical behavior of 5052-H32 aluminum alloys under a pulsed electric current. Int. J. Plast. 2014, 58, 84–99. [Google Scholar] [CrossRef]
- Troitsky, O.A. Electromechanical effect in metals. JETP Lett. 1969, 10, 18–22. (In Russian) [Google Scholar]
- Troitsky, O.A. Physical mechanisms of the electroplastic effect and its application. Int. Independ. Sci. J. 2019, 10, 35–38. (In Russian) [Google Scholar]
- Okazaki, K.; Kagawa, M.; Conrad, H. Additional results on the electroplastic effect in metals. Scr. Metall. 1979, 13, 277–280. [Google Scholar] [CrossRef]
- Pakhomov, M.; Stolyarov, V. Specific Features of Electroplastic Effect in Mono- and Polycrystalline Aluminum. Met. Sci. Heat Treat. 2021, 63, 236–242. [Google Scholar] [CrossRef]
- Rudolf, C.; Goswami, R.; Kang, W.; Thomas, J. Effects of electric current on the plastic deformation behavior of pure copper, iron, and titanium. Acta Mater. 2021, 209, 116776. [Google Scholar] [CrossRef]
- Troitsky, O.; Baranov, Y.; Avraamov, Y.; Shlyapin, A. Physical Fundamentals and Technologies of Treatment of Modern Materials; Institute of Computer Researches: Moscow-Izhevsk, Russia, 2004; 590p, book in Russian. [Google Scholar]
- Li, X.; Tang, G.; Kuang, J.; Li, X.; Zhu, J. Effect of current frequency on the mechanical properties, microstructure and texture evolution in AZ31 magnesium alloy strips during electroplastic rolling. Mater. Sci. Eng. 2014, 612, 406–413. [Google Scholar] [CrossRef]
- Illarionov, A.G.; Grib, S.V.; Yurovskikh, A.S.; Volokitina, E.A.; Gilev, M.V.; Azorina, T.S. Application of metallic materials for medical implants. Bull. Ivanovo Med. Acad. 2017, 22, 46–50. (In Russian) [Google Scholar]
- Magargee, J.; Morestin, F.; Cao, J. Characterization of Flow Stress for Commercially Pure Titanium Subjected to Electrically Assisted Deformation. J. Eng. Mater. Technol. 2013, 135, 041003. [Google Scholar] [CrossRef]
- Stolyarov, V.V. Role of External Impacts in Nanostructured Titanium Alloys. Bull. Russ. Acad. Sci. Physics. 2012, 76, 96–101. [Google Scholar] [CrossRef]
- Gunderov, D.V.; Polyakov, A.V.; Semenova, I.P. Evolution of microstructure, macrotexture and mechanical properties of commercially pure Ti during ECAP-conform processing and drawing. Mater. Sci. Eng. 2013, 562, 128. [Google Scholar] [CrossRef]
- Korolkov, O.E.; Stolyarov, V.V. Study and Application of an Electric Current for Medical Implants. J. Mach. Manuf. Reliab. 2021, 50, 554–561. [Google Scholar] [CrossRef]
- Kardashev, B.K.; Betekhtin, V.I.; Kadomtsev, A.G.; Narykova, M.V.; Kolobov, Y.R. Elastic and microplastic properties of titanium in various structural states. J. Tech. Phys. 2017, 87, 1362–1366. (In Russian) [Google Scholar] [CrossRef][Green Version]
- Krishtal, M.M. Instability and mesoscopic inhomogeneity of plastic deformation (analytical review). 1. Phenomenology of tooth yield and intermittent yield. Phys. Mesomech. 2004, 7, 5–29. (In Russian) [Google Scholar]









| N | C | H | Fe | O | Ti | 
|---|---|---|---|---|---|
| 0.01 | 0.04 | 0.015 | 0.14 | 0.36 | balance | 
| No. | State | Method of Action | Current Density, A/mm2 | Pulse Duration, μs | 
|---|---|---|---|---|
| 1 | CG | Pulse current | - | - | 
| 2 | 30 | 100 | ||
| 3 | 1000 | |||
| 4 | 60 | 100 | ||
| 5 | 500 | |||
| 6 | Dryer 200 °C | - | - | |
| 1 | UFG | Pulse current | - | - | 
| 2 | 30 | 100 | ||
| 3 | 1000 | |||
| 4 | 60 | 100 | ||
| 5 | 500 | |||
| 6 | Dryer 200 °C | - | - | 
| Spectrum Label | Sample Center | 
|---|---|
| O | 4.52 | 
| Ti | 95.27 | 
| Balance | 0.21 | 
| Total | 100 | 
| No. | State | Method of Action | j, A/mm2 | τ, μs | T, °C | UTS, MPa | YS, MPa | δ, % | Δσ *, MPa | Δσ, % | 
|---|---|---|---|---|---|---|---|---|---|---|
| 1 | CG | No current | 25 | 850 | 610 | 15 | ||||
| 2 | Pulse current | 30 | 100 | 40 | 720 | 520 | 18 | 130 | 15 | |
| 3 | 1000 | 40 | 630 | 515 | 18 | 220 | 26 | |||
| 4 | 60 | 100 | 110 | 480 | 370 | 19 | 370 | 44 | ||
| 5 | 500 | 200 | 295 | 265 | 19 | 555 | 65 | |||
| 6 | Dryer | 200 | 575 | 495 | 18 | 275 | 32 | |||
| 1 | UFG | No current | 25 | 1215 | 650 | 12 | ||||
| 2 | Pulse current | 30 | 100 | 40 | 1120 | 660 | 13 | 95 | 8 | |
| 3 | 1000 | 40 | 1060 | 515 | 11 | 155 | 13 | |||
| 4 | 60 | 100 | 120 | 760 | 630 | 13 | 455 | 38 | ||
| 5 | 500 | 200 | 220 | 170 | 16 | 995 | 82 | |||
| 6 | Dryer | 200 | 970 | 560 | 14 | 245 | 20 | 
| Disclaimer/Publisher’s Note: The statements, opinions and data contained in all publications are solely those of the individual author(s) and contributor(s) and not of MDPI and/or the editor(s). MDPI and/or the editor(s) disclaim responsibility for any injury to people or property resulting from any ideas, methods, instructions or products referred to in the content. | 
© 2022 by the authors. Licensee MDPI, Basel, Switzerland. This article is an open access article distributed under the terms and conditions of the Creative Commons Attribution (CC BY) license (https://creativecommons.org/licenses/by/4.0/).
Share and Cite
Stolyarov, V.; Korolkov, O.; Pesin, A.; Raab, G. Deformation Behavior under Tension with Pulse Current of Ultrafine-Grain and Coarse-Grain CP Titanium. Materials 2023, 16, 191. https://doi.org/10.3390/ma16010191
Stolyarov V, Korolkov O, Pesin A, Raab G. Deformation Behavior under Tension with Pulse Current of Ultrafine-Grain and Coarse-Grain CP Titanium. Materials. 2023; 16(1):191. https://doi.org/10.3390/ma16010191
Chicago/Turabian StyleStolyarov, Vladimir, Oleg Korolkov, Alexander Pesin, and George Raab. 2023. "Deformation Behavior under Tension with Pulse Current of Ultrafine-Grain and Coarse-Grain CP Titanium" Materials 16, no. 1: 191. https://doi.org/10.3390/ma16010191
APA StyleStolyarov, V., Korolkov, O., Pesin, A., & Raab, G. (2023). Deformation Behavior under Tension with Pulse Current of Ultrafine-Grain and Coarse-Grain CP Titanium. Materials, 16(1), 191. https://doi.org/10.3390/ma16010191
 
        

 
       