The Measurement of Hemp Concrete Thermal and Moisture Properties for an Effective Building Construction Proposal in Region of Slovakia (Central Europe)
Abstract
1. Introduction
2. Materials and Methods
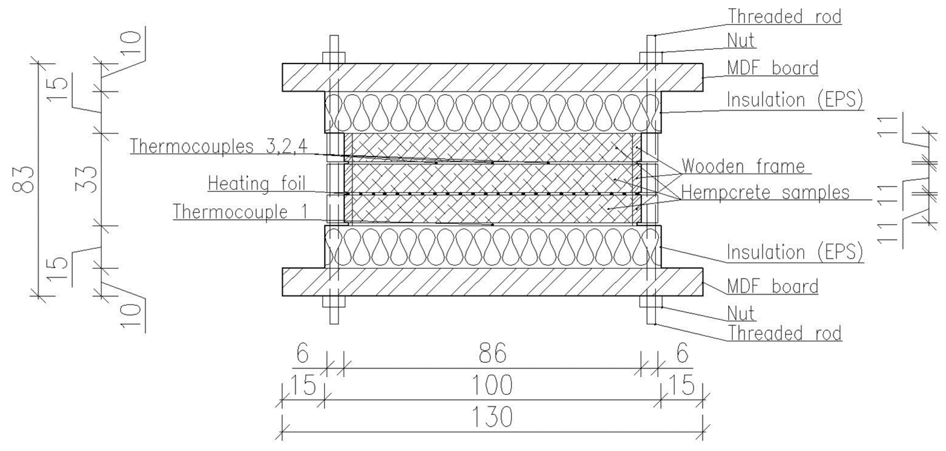
2.1. Thermal Properties and Density Measurement
2.2. Measurement of Water Molecules’ Translation Speed During Diffusion and Equilibrium Moisture Content
2.3. Measurement of Bound Water Maximum Moisture Content and Density of Particles
2.4. Calculation of Thermal and Moisture Properties of Proposed Assemblies
3. Results
3.1. Thermal Properties of Hemp Concrete
3.2. Moisture Properties of Hemp Concrete
3.3. Design of Hemp Concrete Wall Composition
- Original assembly: Lime–cement plaster (10 mm) + perforated bricks (500 mm) + external perlite plaster (30 mm) + ventilated air cavity and external wooded cladding (spruce); total thickness: 540 mm.
- Proposed Assembly 1: Lime–cement plaster (10 mm) + perforated bricks (500 mm) + external perlite plaster (30 mm) + fiberglass insulation boards inserted into the steel grid for external stone cladding (180 mm); total thickness: 720 mm.
- Proposed Assembly 2: Lime–cement plaster (10 mm) + perforated bricks (500 mm) + external perlite plaster (30 mm) + hemp concrete with integrated timber (or steel) grid for stone cladding (320 mm); total thickness: 860 mm.
4. Discussion
5. Conclusions
- Thermophysical properties are generally dependent on density. The average density (ρ) of hemp concrete specimens was 322 kg·m−3, ranging from 302 to 345 kg·m−3. The resulting density of hemp concrete depends on the individual component’s ratio in the given mixture, level of moisture content, and extent of compaction. In addition, the density of hemp concrete depends on the method of application in the structures. All thermal properties of hemp concrete samples were measured at a relative humidity of 50% and a temperature of 22 °C.
- The specific heat capacity (c) of wet hemp concrete samples ranged from 1330 to 1740 J·kg−1·K−1 with an average of 1535 J·kg−1·K−1.
- The thermal conductivity (λ) of the hemp concrete samples perpendicular to the plane of the samples ranged from 0.070 to 0.110 W·m−1·K−1, with an average of 0.099 W·m−1·K−1.
- According to the data, the thermal effusivity (e) of hemp concrete ranged from 189 to 248 W·m−2·K−1·s0.5, with an average of 221 W·m−2·K−1·s0.5. The thermal effusivity of hemp concrete walls is relatively low compared to most common masonry materials, but it is higher than classic insulation materials.
- Understanding the thermal diffusivity (a) was crucial for calculating the lag time (or phase shift) of the samples studied according to the applied methodology. The thermal diffusivity of the wet samples ranged from 1.5 to 2.3 × 10−7 m2·s−1, with an average of 2.0 × 10−7 m2·s−1.
- As one of the indicators of thermal properties, time lag defines the rate at which heat is absorbed and released by construction material. The computed time lag of the samples (11 mm thick) ranged from 258 to 401 s, with an average of 301 s.
- Hemp, as a bio-based material, has a porous anatomical structure and hygroscopic nature; thus, it can adsorb and desorb large amounts of water. The results of surface moisture content revealed that the whole body of hemp concrete specimen acted in response to the changing environmental parameters. The surface moisture content attained equilibrium gradually. The comparison of time lag results for heat conduction and water diffusion reveals it was 50 times faster in equilibrating the temperatures than concentrations within hemp concrete. This indicates the possibility of investigating both processes separately at normal boundary conditions with a temperature of 20 °C and humidity of 50%. Hemp concrete possesses the ability to store water inside its structure, especially at higher relative humidity. This property enables a more pleasant indoor environment in comparison to concrete, especially in the dry and cold winter season.
- Both proposed assemblies (with mineral wool or with hemp concrete) meet the requirements of the standard STN [38] regarding the heat transfer coefficient (U-value) and the maximum amount of condensed water vapor inside the structures. During the simulated time, there was no condensation of water vapor inside the structures. The phase shift (Ψ) in the proposed Assembly 2 using hemp concrete, unlike Assembly 1 with mineral wool, is significantly higher (difference of 12.61 h). These results indicate that the use of hemp concrete as the main insulating layer, compared to mineral wool, ensures better indoor environmental conditions and a slower reaction of the indoor environment to changes in outdoor temperature. These differences will be reflected in the overall heating demand in winter and cooling in summer.
Author Contributions
Funding
Institutional Review Board Statement
Informed Consent Statement
Data Availability Statement
Acknowledgments
Conflicts of Interest
References
- Buildings—Topics, IEA. Available online: https://www.iea.org/energy-system/buildings (accessed on 16 January 2025).
- Zhang, C.; Hu, M.; Di Maio, F.; Sprecher, B.; Yang, X.; Tukker, A. An overview of the waste hierarchy framework for analysing the circularity in construction and demolition waste management in Europe. Sci. Total Environ. 2022, 803, 149892. [Google Scholar] [CrossRef] [PubMed]
- Dhakal, U.; Berardi, U.; Gorgolewski, M.; Richman, R. Hygrothermal performance of hempcrete for Ontario (Canada) buildings. J. Clean. Prod. 2017, 142, 3655–3664. [Google Scholar] [CrossRef]
- Yan, L.; Kasal, B.; Huang, L. A review of recent research on the use of cellulosic fibres, their fibre fabric reinforced cementitious, geo-polymer and polymer composites in civil engineering. Compos. Part B 2016, 92, 94–132. [Google Scholar] [CrossRef]
- Jami, T.; Karade, S.R.; Singh, L.P. A review of the properties of hemp concrete for green building applications. J. Clean. Prod. 2019, 239, 117852. [Google Scholar] [CrossRef]
- Stanwix, W.; Sparrow, A. The Hempcrete Book: Designing and Building with Hemp-Lime; Green Books; UK Hempcrete: Matlock, UK, 2014. [Google Scholar]
- Kołodziej, J.; Kicińska-Jakubowska, A. Utilization of hemp shives for various purposes—A review. J. Nat. Fibers 2024, 22, 2448016. [Google Scholar] [CrossRef]
- Muttil, N.; Sadath, S.; Coughlan, D.; Paresi, P.; Singh, S.K. Hemp as a sustainable carbon negative plant: A review of its properties, applications, challenges and future directions. Int. J. Integr. Eng. 2024, 16, 1–12. [Google Scholar] [CrossRef]
- Zdravé Konopné Stavby (Healthy Hemp Buildings). Available online: https://konopny.sk/ (accessed on 24 January 2025).
- Konopný Betón (Hemp Concrete). Available online: https://www.konopnybeton.sk/konopny-beton (accessed on 24 January 2025).
- Stevulova, N.; Cigasova, J.; Estokova, A.; Terpakova, E.; Geffert, A.; Kacik, F.; Singovszka, E.; Holub, M. Properties Characterization of Chemically Modified Hemp Hurds. Materials 2014, 7, 8131–8150. [Google Scholar] [CrossRef]
- Chau, K.; Fleck, R.; Irga, P.J.; Torpy, F.R.; Wilkinson, S.J.; Castel, A. Hempcrete as a substrate for fungal growth under high humidity and variable temperature conditions. Constr. Build. Mater. 2023, 398, 132373. [Google Scholar] [CrossRef]
- Abdellatef, Y.; Khan, M.A.; Khan, A.; Alam, M.I.; Kavgic, M. Mechanical, thermal, and moisture buffering properties of novel insulating hemp-lime composite building materials. Materials 2020, 13, 5000. [Google Scholar] [CrossRef]
- Gibson, P. Mainstreaming precast and block hempcrete—A carbon sequestering solution for the built environment. Acad. Mater. Sci. 2024, 1, 4. [Google Scholar] [CrossRef]
- Bedlivá, H.; Isaacs, N. Hempcrete—An environmentally friendly material? AMR 2014, 1041, 83–86. [Google Scholar] [CrossRef]
- Chabannes, M.; Garcia-Diaz, E.; Clerc, L.; Bénézet, J.C.; Becquart, F. Lime-Based Binders. In Lime Hemp and Rice Husk-Based Concretes for Building Envelopes; Springer: Berlin/Heidelberg, Germany, 2018. [Google Scholar] [CrossRef]
- Bukhari, H.; Musarat, M.A.; Alalous, W.S.; Riaz, M. Hempcrete as a sustainable Building material: A review. In Proceedings of the International Conference on Decision Aid Sciences and Application (DASA), Sakheer, Bahrain, 7–8 December 2021; pp. 633–635. [Google Scholar] [CrossRef]
- Ingrao, C.; Lo Giudice, A.; Bacenetti, J.; Tricase, C.; Dotelli, G.; Fiala, M.; Siracusa, V.; Mbohwa, C. Energy and environmental assessment of industrial hemp for building application: A review. Renew. Sustain. Energy Rev. 2015, 51, 29–42. [Google Scholar]
- Cortés, J.G.; Ryu, B.R.; Pauli, C.; Barroso, L.R.; Park, S.H. Industrial Applications of Hemp Fiber in Europe and Evolving Regulatory Landscape. J. Nat. Fibers 2024, 21, 2435047. [Google Scholar] [CrossRef]
- Sassoni, E.; Manzi, S.; Motori, A.; Montecchi, M.; Canti, M. Novel sustainable hemp-based composites for application in the building industry: Physical, thermal and mechanical characterization. Energy Build. 2014, 77, 219–226. [Google Scholar]
- Collet, F.; Bart, M.; Serres, L.; Miriel, J. Porous structure and water vapour sorption of hemp-based materials. Constr. Build. Mater. 2008, 22, 1271–1280. [Google Scholar]
- Amziane, S.; Collet, F.; Lawrence, M.; Picandet, V.; Lanos, C.; Marceau, S.; Pavia, S. State-of-the-Art Report of the RILEM Technical Committee 236-BBM. In Bio-Agregates Based Building Materials; Springer: Berlin/Heidelberg, Germany, 2017; Volume 23. [Google Scholar]
- Somé, S.C.; Fraj, A.B.; Pavoine, A.; Chehade, M.H. Modeling and experimental characterization of effective transverse thermal properties of hemp insulation concrete. Constr. Build. Mater. 2018, 189, 384–396. [Google Scholar] [CrossRef]
- Nguyen, S.T.; Tran-Le, A.D.; Vu, M.N.; To, Q.D.; Douzane, O.; Langlet, T. Modeling thermal conductivity of hemp insulation material: A multi-scale homogenization approach. Build. Environ. 2016, 107, 127–134. [Google Scholar] [CrossRef]
- Kicińska-Jakubowska, A.; Broda, J.; Zimniewska, M.; Bączek, M.; Mańkowski, J. Effect of Blend Composition on Barrier Properties of Insulating Mats Produced from Local Wool and Waste Bast Fibres. Materials 2023, 16, 459. [Google Scholar] [CrossRef]
- Brencis, R.; Pleiksnis, S.; Skujans, J.; Adamovics, A.; Gross, U. Lightweight Composite Building Materials with Hemp (Cannabis sativa L.) Additives. Chem. Eng. Trans. 2017, 57, 1375–1380. [Google Scholar]
- Bevan, R.; Woolley, T. Constructing a Low Energy House from Hempcrete and Other Natural Materials. In Proceedings of the 11th International Conference on Non-Conventional Material Technology (NOCMAT 2009), Bath, UK, 6–9 September 2009. [Google Scholar]
- Bevan, R.; Woolley, T. Hemp Lime Construction: A Guide to Building. With Hemp Lime Composes; IHS BRE Press: London, UK, 2008. [Google Scholar]
- Yadav, M.; Saini, A. Opportunities and challenges of hempcrete as a building material for construction: An overview. Mater. Today Proc. 2022, 65, 2021–2028. [Google Scholar] [CrossRef]
- IsoHemp. Hemp Blocks for Naturally High-Performance Masonry. Available online: https://www.isohemp.com/en/hemp-blocks-naturally-high-performance-masonry (accessed on 23 January 2024).
- Lykov, A.V. Analytical Heat Diffusion Theory; Academic Press: New York, NY, USA; London, UK, 1968. [Google Scholar]
- Crank, J. The Mathematics of Diffusion; Oxford University Press: Oxford, UK, 1979. [Google Scholar]
- Hrčka, R.; Kučerová, V.; Hýrošová, T.; Hönig, V. Cell wall saturation limit and selected properties of thermally modified Oak wood and cellulose. Forests 2020, 11, 640. [Google Scholar] [CrossRef]
- STN 73 0540-2: 2019; Thermal Protection of Buildings. Thermal Performance of Buildings and Components. Part 2: Functional Requirements. Slovak Office of Standards, Metrology and Testing: Bratislava, Slovak Republic, 2019.
- Reilly, A.; Kinnane, O.; Lesage, F.J.; McGranaghan, G.; Pavía, S.; Walker, R.; O’Hegarty, R. The thermal diffusivity of hemplime and method of direct measurement. Constr. Build. Mater. 2019, 212, 707–715. [Google Scholar]
- De Bruijn, P.; Johansson, P. Moisture fixation and thermal properties of lime–hemp concrete. Constr. Build. Mater. 2013, 47, 1235–1242. [Google Scholar]
- Wooley, T. Low Impact Building. Housing Using Renewable Materials; Willey and Blackwell: London, UK, 2012. [Google Scholar]
- Manh, D.T. Contribution to the Development of Precast Hempcrete Using Innovative Pozzolanic Binder. Ph.D. Thesis, Université Toulouse III-Paul Sabatier, Toulouse, France, 2014. [Google Scholar]
- Evrard, A.; Herde, A.D. Bioclimatic envelopes made of lime and hemp concrete. In Proceedings of the CISBAT2005 Conference—Renewables in a Changing Climate—Innovation in Building Envelopes and Environmental Systems at Lausanne, Lausanne, Switzerland, 27–28 September 2005. [Google Scholar]
- Collet, F.; Pretot, S. Thermal conductivity of hemp concretes: Variation with formulation, density and water content. Constr. Build. Mater. 2014, 65, 612–619. [Google Scholar]
- Sinka, M.; Sahmenko, G.; Korjakins, A. Mechanical Properties od Pre-Compressed Hemp-Lime Concrete. J. Sustain. Archit. Civ. Eng. 2014, 3, 92–99. [Google Scholar]
- Seng, B.; Magniont, C.; Lorente, S. Characterization of a precast hemp concrete. Part I: Physical and thermal properties. J. Build. Eng. 2019, 24, 100540. [Google Scholar]
- Abbot, T. Hempcrete Factsheet. 2014. Available online: http://limecrete.co.uk/hempcrete-factsheet/ (accessed on 11 February 2025).
- Sawadogo, M.; Benmahiddine, F.; Hamami, A.E.A.; Belarbi, R.; Godin, A.; Duquesne, M. Investigation of a novel bio-based phase change material hemp concrete for passive energy storage in buildings. Appl. Therm. Eng. 2022, 212, 118620. [Google Scholar] [CrossRef]
- Pochwała, S.; Makiola, D.; Anweiler, S.; Böhm, M. The Heat Conductivity Properties of Hemp–Lime Composite Material Used in Single-Family Buildings. Materials 2020, 13, 1011. [Google Scholar] [CrossRef]
- Walker, R.; Pavía, S. Moisture transfer and thermal properties of hemp-lime concretes. Constr. Build. Mater. 2014, 64, 270–276. [Google Scholar] [CrossRef]
- Amziane, S.; Sonebi, M. Overview on bio-based building material made with plant aggregate. RILEM Tech. Lett. 2016, 1, 31–38. [Google Scholar]
- Zach, J.; Slávik, R.; Novák, V. Investigation of the process of heat transfer in the structure of thermal insulation materials based on natural fibres. Procedia Eng. 2016, 151, 352–359. [Google Scholar]
- Glouannec, P.; Collet, F.; Lanos, C.; Mounanga, P.; Pierre, T.; Poullain, P.; Pretot, S.; Chamoin, J.; Zaknoune, A. Propriétés physiques de bétons de chanvre. Matériaux Tech. 2011, 99, 657–665. [Google Scholar]
- Balčiunas, G.; Žvironaite, J.; Vejelis, S.; Jagniatinskis, A. Ecological, thermal and acoustical insulating compostite from hemp shives and sapropel binder. Ind. Crops Prod. 2016, 91, 286–294. [Google Scholar] [CrossRef]
- Hussain, A.; Calabria-Holley, J.; Lawrence, M.; Jiang, Y. Hygrothermal and mechanical characterization of novel hemp shiv based thermal insulation composites. Constr. Build. Mater. 2019, 212, 561–568. [Google Scholar]
- Barbhuiya, S.; Das, B.B. A comprehensive review on the use of hemp in concrete. Constr. Build. Mater. 2022, 341, 127857. [Google Scholar]
- Delannoy, G.; Marceau, S.; Glé, P.; Gourlay, E.; Guéguen-Minerbe, M.; Diafi, D.; Nour, I.; Amziane, S.; Farcas, F. Aging of hemp shiv used for concrete. Mater. Des. 2018, 160, 752–762. [Google Scholar]
- Gourlay, E.; Glé, P.; Marceau, S.; Foy, C.; Moscardelli, S. Effect on water content on the acoustical and thermal properties of hemp concretes. Constr. Build. Mater. 2017, 139, 513–523. [Google Scholar]
- Maalouf, C.; Tran Le, A.D.; Umurigirwa, S.B.; Lachi, M.; Douzane, O. Study of hygrothermal behaviour of a hemp concrete building envelope under summer conditions in France. Energy Build. 2014, 77, 48–57. [Google Scholar] [CrossRef]
- Evrard, A. Transient Hygrothermal Behaviour of Lime-Hemp Materials. Ph.D. Thesis, Universite Catholique De Louvain, Brussels, Belgium, 2008. [Google Scholar]
- Dlimi, M.; Iken, O.; Agounoun, R.; Zoubir, A.; Sbai, K. Experimental and numerical investigations on the thermal performance of hemp such a bio sourced insulation material: Application to a Moroccan Mediterranean climate. Int. J. Eng. A Technol. 2018, 7, 157–164. [Google Scholar]
- Asli, M.; Brachelet, F.; Sassine, E.; Antczak, E. Thermal and hygroscopic study of hemp concrete in real ambient conditions. J. Build. Eng. 2021, 44, 102612. [Google Scholar]
- Tran Le, A.D.; Samri, D.; Douzane, O.; Promis, G.; Nguyen, A.T.; Langlet, T. Effect of temperature dependence of sorption on hygrothermal performance of a hemp concrete building envelope. In Encyclopedia of Renewable and Sustainable Materials; Elsevier: Amsterdam, The Netherlands, 2020; pp. 68–77. [Google Scholar]
- Nazmul, R.T.; Sainsbury, B.-A.; Al-Deen, S.; Garcez, E.O.; Ashraf, M. An Experimental Evaluation of Hemp as an Internal Curing Agent in Concrete Materials. Materials 2023, 16, 3993. [Google Scholar] [CrossRef] [PubMed]
- Delhomme, F.; Hajimohammadi, A.; Almeida, A.; Jiang, C.; Moreau, D.; Gan, Y.; Wang, X.; Castel, A. Physical properties of Australian hurd used as aggregate for hemp concrete. Mater. Today Commun. 2020, 24, 100986. [Google Scholar]
- Jiang, Y.; Lawrence, M.; Hussain, A.; Ansell, M.; Walker, P. Comparative moisture and heat sorption properties of fibre and shiv derived from hemp and flax. Cellulose 2019, 26, 823–843. [Google Scholar] [CrossRef]
- Hussain, A.; Calabria-Holley, J.; Lawrence, M.; Jiang, Y. Resilient hemp shiv aggregates with engineered hygroscopic properties for the building industry. Constr. Build. Mater. 2019, 212, 247–253. [Google Scholar] [CrossRef]
- Collet, F.; Chamoin, J.; Pretot, S.; Lanos, C. Comparison of the hygric behaviour of three hemp concretes. Energy Build. 2013, 62, 294–303. [Google Scholar] [CrossRef]
- Latif, E.; Lawrence, M.; Shea, A.; Walker, P. Moisture buffer potential of experimental wall assemblies incorporating formulated hemp-lime. Build. Environ. 2015, 93, 199–209. [Google Scholar] [CrossRef]
- Piot, A.; Béjat, T.; Jay, A.; Bessette, L.; Wurtz, E.; Barnes-Davin, L. Study of a hempcrete wall exposed to outdoor climate: Effects of the coating. Constr. Build. Mater. 2017, 139, 540–550. [Google Scholar] [CrossRef]





| h (mm) | ρ (kg∙m−3) | c (J∙kg−1∙K−1) | λ (W∙m−1.K−1) | c∙ρ (J∙m−3∙K−1) | e (W∙m−2∙K−1∙s0.5) | a (m2∙s−1) | Lag Time (s) | |
|---|---|---|---|---|---|---|---|---|
| average | 11.0 | 322 | 1540 | 0.099 | 494,000 | 221 | 2.0 × 10−7 | 302 |
| min | 302 | 1330 | 0.070 | 422,000 | 189 | 1.5 × 10−7 | 258 | |
| max | 345 | 1740 | 0.110 | 550,000 | 248 | 2.3 × 10−7 | 401 | |
| std. dev. | 16 | 122 | 0.014 | 37,300 | 19 | 2.5 × 10−8 | 43 | |
| var. coef. (%) | 5.1 | 7.9 | 14 | 7.6 | 8.6 | 13 | 14 |
| H (mm) | v × 10−7 (m·s−1) | Lag Time (hours) | |
|---|---|---|---|
| average | 11.0 | 8.6 | 3.7 |
| var. coef. (%) | 30 | 27 |
| ρ0 (kg·m−3) | ρparticle (kg·m−3) | wBmax (%) | wFmax (%) | |
|---|---|---|---|---|
| average | 278 | 1300 | 56 | 85 |
| var. coef. (%) | 1.4 | 2.4 | 1.9 | 21 |
| Material | Density ρ (kg∙m−3) | Thermal Conductivity λ (W∙m−1∙K−1) | Specific Heat Capacity c (J∙kg−1∙K−1) | Diffusion Resistance η (-) |
|---|---|---|---|---|
| Lime–cement plaster | 2000 | 0.99 | 790 | 19 |
| Perforated bricks | 1400 | 0.61 | 960 | 7 |
| Perlite plaster | 400 | 0.12 | 850 | 11 |
| Fiberglass board | 23 | 0.036 | 940 | 1 |
| Hemp concrete | 322 | 0.10 | 1 435 | 10.17 |
| Timber frame (softwood) | 400 | 0.13 | 2 510 | 157 |
| Chrome-alloyed steel (frame for external cladding) | 7850 | 19 | 540 | 100,000 |
| Vapor-permeable membrane | 1000 | 0.21 | 1400 | 50 |
| Assembly | Heat Transfer Coefficient U (W∙m−2∙K−1) | Thermal Resistance R (m2∙K∙W−1) | Water Vapor (kg∙m−2∙Year−1) | Phase Shift of Thermal Oscillation Ψ (h) | Thermal Damping Factor ν (-) | |
|---|---|---|---|---|---|---|
| Annual Amount of Condensed Water Vapor | Balance of Annual Amount of Condensed and Evaporated Water Vapor | |||||
| Assembly 1 (with fiberglass insulation) | 0.219 | 4.355 | - (1) | - (1) | 21.15 | 1993.52 |
| Assembly 2 (with hemp concrete) | 0.224 | 4.247 | - (1) | - (1) | 33.76 | 14,854.47 |
Disclaimer/Publisher’s Note: The statements, opinions and data contained in all publications are solely those of the individual author(s) and contributor(s) and not of MDPI and/or the editor(s). MDPI and/or the editor(s) disclaim responsibility for any injury to people or property resulting from any ideas, methods, instructions or products referred to in the content. |
© 2025 by the authors. Licensee MDPI, Basel, Switzerland. This article is an open access article distributed under the terms and conditions of the Creative Commons Attribution (CC BY) license (https://creativecommons.org/licenses/by/4.0/).
Share and Cite
Hrčka, R.; Štompf, P.; Jochim, S.; Mikuš, M.E.; Iskra, M. The Measurement of Hemp Concrete Thermal and Moisture Properties for an Effective Building Construction Proposal in Region of Slovakia (Central Europe). Materials 2025, 18, 1651. https://doi.org/10.3390/ma18071651
Hrčka R, Štompf P, Jochim S, Mikuš ME, Iskra M. The Measurement of Hemp Concrete Thermal and Moisture Properties for an Effective Building Construction Proposal in Region of Slovakia (Central Europe). Materials. 2025; 18(7):1651. https://doi.org/10.3390/ma18071651
Chicago/Turabian StyleHrčka, Richard, Patrik Štompf, Stanislav Jochim, Marek Eduard Mikuš, and Milan Iskra. 2025. "The Measurement of Hemp Concrete Thermal and Moisture Properties for an Effective Building Construction Proposal in Region of Slovakia (Central Europe)" Materials 18, no. 7: 1651. https://doi.org/10.3390/ma18071651
APA StyleHrčka, R., Štompf, P., Jochim, S., Mikuš, M. E., & Iskra, M. (2025). The Measurement of Hemp Concrete Thermal and Moisture Properties for an Effective Building Construction Proposal in Region of Slovakia (Central Europe). Materials, 18(7), 1651. https://doi.org/10.3390/ma18071651

