Detecting Wheel Slip to Suppress Self-Excited Oscillations in Braking Mode
Abstract
1. Introduction
2. Materials and Methods
2.1. Slip Detection Necessity to Suppress Self-Oscillations
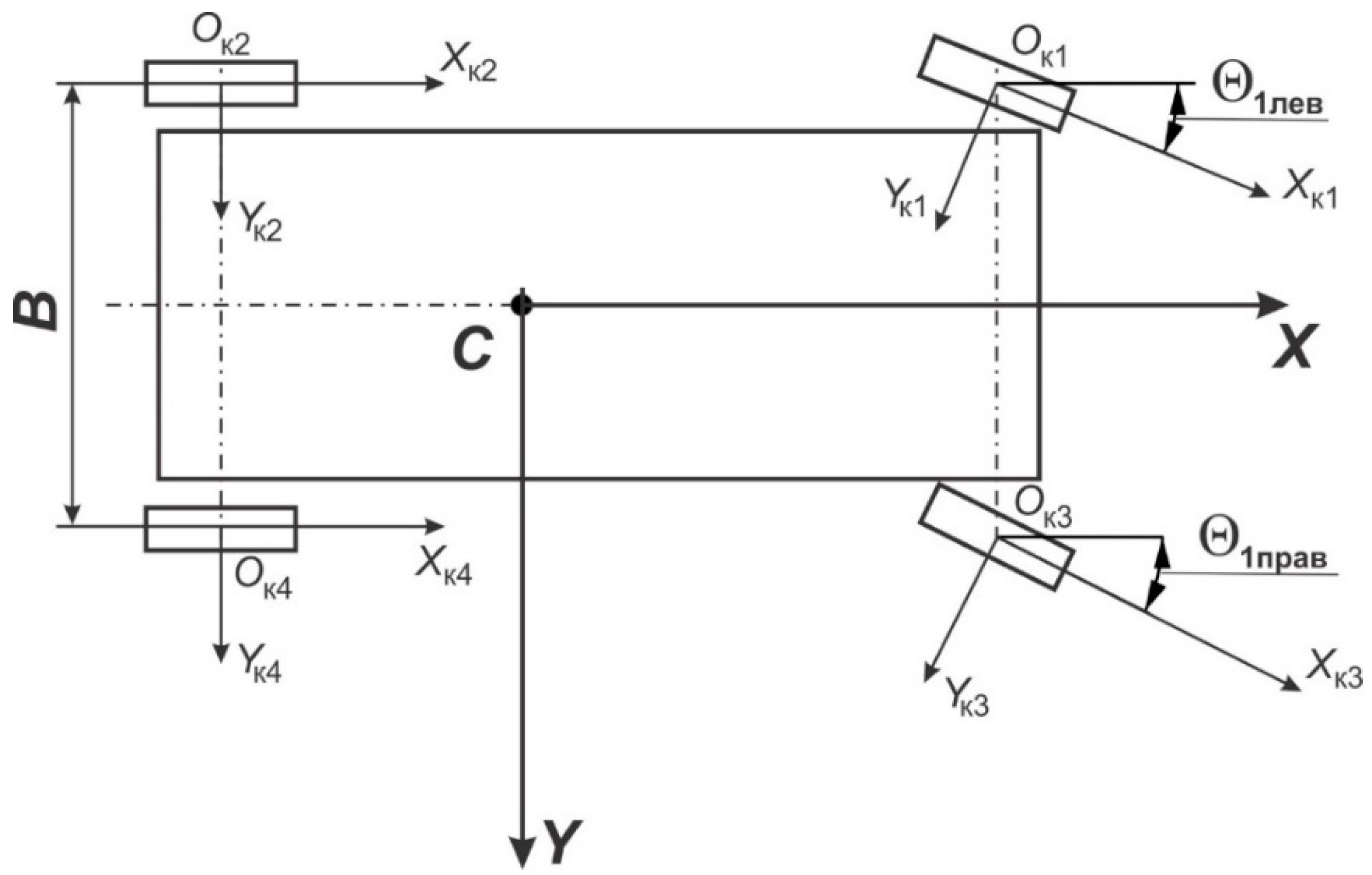
2.2. Studying Self-Excited Oscillation in Individual Drives of Large-Capacity Electric Buses during Braking
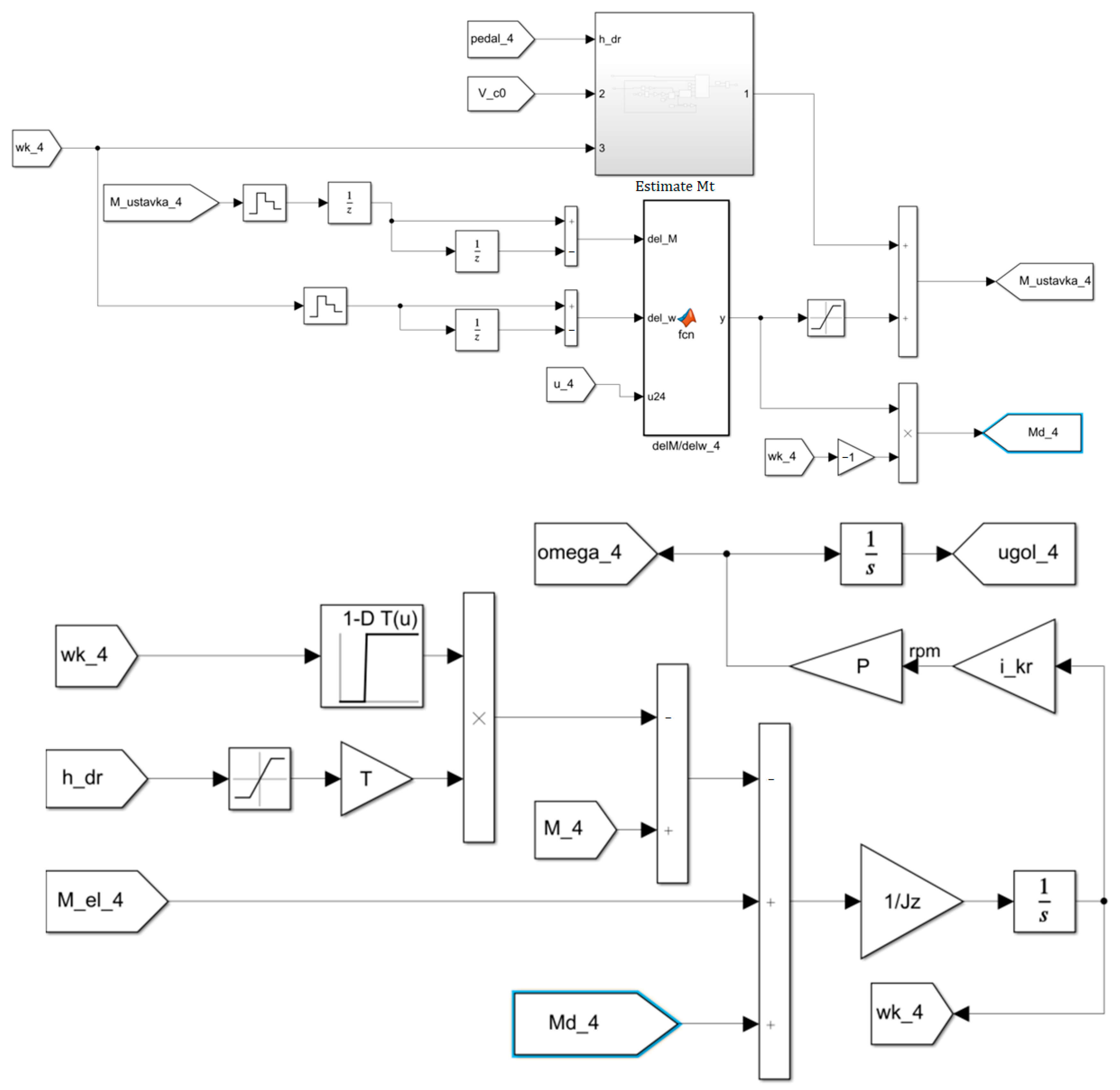
2.3. Wheel Slip Observer Operation Algorithm in a Control System with Self-Excited Oscillation Suppression Function
- 1.
- Read from the sensors the parameters: angular velocities of the rear-driven wheels , left and right, angular velocities of the front-driven wheels , left and right, linear speed of the machine, acceleration pedal position , steering wheel rotation angle θ.
- 2.
- Calculate diagnostic signs of slipping and using Formula (7) and functions and according to Figure 7 for left and right drive wheels.
- 3.
- Evaluate the values of torques and for the left and right traction motors according to the readings transmitted by the traction inverter.
- 4.
- If functions or :- 4.1
- Calculate control signals u2 or u4
- 4.2
- Calculate correction coefficients k2 or k4, allowing to take into account the redistribution of braking torque during curvilinear ;
- 4.3
- Calculate the required torque for the left or right driving wheels; or right driving wheels;
- 4.4
- Calculate the angular stiffnesses and using Formula (12):where are the increments of electromagnetic torque estimates and wheel angular speed ; is current and previous times.
- 4.5
- Calculate the minimum values of the self-oscillation damping coefficient and ;
- 4.6
- Calculate minimum damping moments or :
- 4.7
- If , then or if , then .
 
- 5.
- Generate torque settings for the left traction motor and for the right traction motor (t).
3. Results
3.1. Simulation of Slip Observer Operation for Suppressing Self-Excited Oscillations
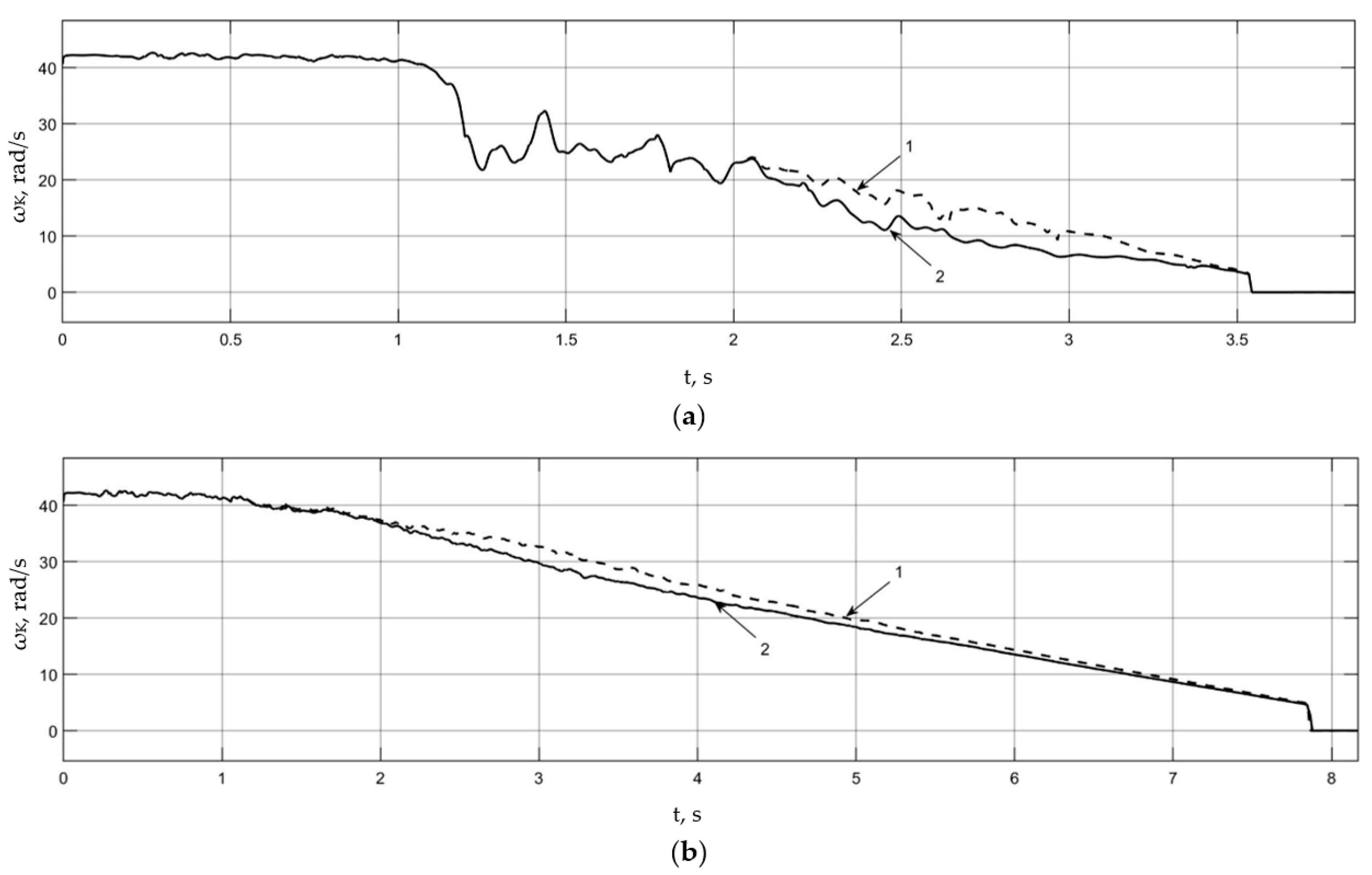
3.2. Experimental Study of the Effectiveness of the System for Suppressing Self-Oscillations during Intense Braking
4. Discussion
4.1. Experimental Study of the Effectiveness of the System for Suppressing Self-Oscillations during Intense Braking
4.2. Study during Intense Braking with Activated Vibration Suppression System
5. Conclusions
Author Contributions
Funding
Data Availability Statement
Conflicts of Interest
References
- Vilke, V.G.; Shapovalov, I.L. Self-Excited Oscillations in the Process of Car Braking. Vestnik MGU. Ser. 1. Math. Mech. 2015, 4, 33–39. [Google Scholar]
- Svetlitskii, V.A. Random Oscillations of Mechanical Systems; Mashinostroenie: Moscow, Russia, 1976; 250p. [Google Scholar]
- Kruchinin, P.A.; Magomedov, M.K.; Novozhilov, I.V. Mathematical Model of a Car Wheel in Anti-Lock Braking Modes. J. Bull. Russ. Acad. Sciences. Solid Body 2001, 6, 63–69. [Google Scholar]
- Awrejcewiez, J.; Dzyubak, L.; Grehori, C. Estimation of chaotic and regular (stick-slip and ship-slip) oscillations exhibited by coupled oscillations with dry friction. Nonlinear Dyn. 2005, 42, 383–394. [Google Scholar] [CrossRef]
- Pascal, M. Dynamics and stability of a two degrees of freedom oscillator with an elastic stop. J. Comput. Nonlinear Dyn. 2006, 1, 94–102. [Google Scholar] [CrossRef][Green Version]
- Shin, K.; Brennan, M.J.; Oh, J.-E.; Harris, C.J. Analysis of disk brake noise using a two-degrees-of-freedom model. J. Sound Vib. 2002, 254, 837–848. [Google Scholar] [CrossRef]
- Kolesnikov, K.S. Self-Excited Oscillations of Controlled Wheels; Gosudarstvennoe Izdatelstvo Tekhniko-Teoreticheskoy Literatury: Moscow, Russia, 1955; 356p. [Google Scholar]
- Vilke, V.G.; Shapovalov, I.L. Self-Oscillations During Car Braking. Mosc. Univ. Mech. Bull. 2015, 70, 142–146. [Google Scholar]
- Shapovalov, I.L. Investigation of Self-Excited Oscillations of Mechanical Systems in Variables Action–Angle. PhD Thesis, Lomonosov Moscow State University, Moscow, Russia, 2015. [Google Scholar]
- Kotiev, G.O.; Padalkin, B.V.; Kartashov, A.B.; Diakov, A.S. Designs and development of Russian scientific schools in the field of cross-country ground vehicles building. ARPN J. Eng. Appl. Sci. 2017, 12, 1064–1071. [Google Scholar]
- Ergin, A.A.; Kolomejtseva, M.B.; Kotiev, G.O. Antiblocking control system of the brake drive of automobile wheel. Prib. Sist. Upr. 2004, 9, 11–13. [Google Scholar]
- Kaldas, M.; Soliman, A. An Investigation of Anti-Lock Braking System for Automobiles. In Proceedings of the SAE 2012 World Congress & Exhibition, Detroit, MI, USA, 24–26 April 2012. [Google Scholar]
- Sun, C.; Pei, X. Development of ABS ECU with Hardware-in-the-Loop Simulation Based on Labcar System; SAE International: Warrendale, PA, USA; Warwick University: Warwick, UK, 2016. [Google Scholar]
- Sabbioni, E.; Cheli, F.; d’Alessandro, V. Politecnico di Milano Analysis of ABS/ESP Control Logics Using a HIL Test Bench; SAE International: Warrendale, PA, USA; Warwick University: Warwick, UK, 2016. [Google Scholar]
- Hart, P.M. Review of Heavy Vehicle Braking Systems Requirements (PBS Requirements). Draft Report. 24 April 2003. Available online: https://trid.trb.org/View/1407752 (accessed on 28 April 2024).
- Marshek, K.M.; Guderman, J.F.; Jonson, M.J. Performance of Anti-Lock Braking System Equipped Passenger Vehicles Part I: Braking as a Function of Brake Pedal Application Force. In Proceedings of the SAE 2002 World Congress, Detroit, MI, USA, 4–7 March 2002. [Google Scholar]
- Zhileikin, M.M. Investigation of Autooscillatory Processes in the Zone of Interaction of an Elastic Tire with a Hard Bearing Base. Proc. High. Educ. Inst. Mech. Eng. 2021, 10, 3–15. [Google Scholar]
- Afanasyev, B.A.; Belousov, B.N.; Gladov, G.I.; Polungyan, A.A. Designing All-Wheel Drive Wheeled Vehicles: Textbook. Textbook for universities; Izd-vo MGTU im. G. E. Baumana: Moscow, Russia, 2008; Volume 1. [Google Scholar]
- Afanasyev, B.A.; Zheglov, L.F.; Zuzov, V.N.; Polungyan, A.A. Designing All-Wheel Drive Wheeled Vehicles. Textbook for Universities; Izd-vo MGTU im. G.E. Baumana: Moscow, Russia, 2008; Volume 2. [Google Scholar]
- Beloutov, G.S.; Klochkov, E.S. Combined method for calculating transients in transmissions. Def. Technol. 1984, 1, 45–48. [Google Scholar]
- Zhuchkov, M.G.; Korolkov, R.N.; Petrov, O.S. Calculation of the Durability of Transmissions of Military Tracked Vehicles; Isacov, P.P., Ed.; TSNII of Information: Moscow, Russia, 1987; 334p. [Google Scholar]
- Grishkevich, A.I. Designing Car Transmissions: Handbook. Mashinostroenie: Moscow, Russia, 1984; 423p. [Google Scholar]
- Algin, V.B.; Drobyshevskaya, O.V.; Sorochan, V.M.; Uspenskiy, A.A. Schematization and dynamic calculation of a mobile machine. Systems with variable structure. Mech. Mach. Mech. Mater. 2008, 2, 16–24. [Google Scholar]
- Algin, V.B. Dynamics of Multimass Systems of Machines with Changing States of Friction Components and Directions of Power Flows. Mech. Mach. Mech. Mater. 2014, 4, 21–32. [Google Scholar]
- Taratorkin, A.I. Scientific Methods for Reducing the Dynamic and Vibration Load of Power Transmissions of Wheeled and Tracked Vehicles by Varying Modal Properties. Ph.D. Dissertation, Centre For Automotive Vehicle Testing And Refinement (FSUE «NAMI»), Moscow, Russia, 2021. The degree inTechnical Sciences/Taratorkin Alexander Igorevich. p. 377. [Google Scholar]
- Prokopyev, M.V. Method for Assessing Frictional Self-Excited Oscillations in a Transmission When Starting a Passenger Car. PhD Thesis, Togliatti State University, Togliatti, Russia, 2002; 137p. [Google Scholar]
- Salamandra, K.B.; Korendyasev, G.K. To the problem of self-excited oscillations of a transmission with an automatic transmission. In Proceedings of the Mechanical Engineering and Innovation, Conference of Young Scientists and Students (MICMUS-2017), Moscow, Russia, 6–8 December 2017; Institute of Machine Science, A.A. Blagonravov RAS: Moscow, Russia, 2018; pp. 327–330. [Google Scholar]
- Myasishchev, D.G.; Vashutkin, A.S.; Lorents, A.S. Reducing the resonance of relaxation self-excited oscillations of wheel brake mechanisms of timber trucks. Izv. Vyssh. Uchebn. Zaved. Les. Zh. 2016, 4, 112–120. [Google Scholar]
- Zhileikin, M.M.; Sirotin, P.V.; Nosikov, S.S.; Pulyaev, N.N. Method for detecting loss of stability of tractor movement when implementing tractive effort on a trailer or a coupled unit. Trakt. Sel’khozmashiny 2023, 90, 39–48. [Google Scholar]
- Grabar, I.G.; Opanasyuk, E.G.; Begersky, D.B.; Opanasyuk, O.E. Determination of the conditions for the onset of self-oscillatory processes in the contact of a pneumatic tire model with loose soil. Visnyk SevNTU 2011, 121, 139–142. [Google Scholar]
- KAMAZ. Characteristics of the KAMAZ 6282 Electric Bus. PJSC KAMAZ: Naberezhnye Chelny, Russia. Available online: https://kamaz.ru/upload/bus/%D0%AD%D0%BB%D0%B5%D0%BA%D1%82%D1%80%D0%BE%D0%B1%D1%83%D1%81%20KAMAZ-6282.pdf (accessed on 15 October 2022).
- Klimov, A.V.; Ospanbekov, B.K.; Keller, A.V.; Shadrin, S.S.; Makarova, D.A.; Furletov, Y.M. Research into the Peculiarities of the Individual Traction Drive Nonlinear System Oscillatory Processes. World Electr. Veh. J. 2023, 14, 316. [Google Scholar] [CrossRef]
- Klimov, A.V. Oscillatory Processes in a Nonlinear System of an Individual Electric Traction Drive. Gruzovik 2023, 7, 19–24. [Google Scholar] [CrossRef]
- Klimov, A.V.; Antonyan, A.V. Study of the features of oscillatory processes in a nonlinear system of an individual traction drive of an electric bus. Her. MSTU MAMI 2023, 17, 87–96. [Google Scholar]
- Klimov, A.V. Traction Control System with Wheel Anti-Skid Function for Traction Operation. Tr. Nami 2023, 3, 44–56. [Google Scholar] [CrossRef]
- Kuznetsov, A.P.; Kuznetsov, S.P.; Ryskin, N.M. Nonlinear Oscillations; Fizmatlit: Moscow, Russia, 2002. [Google Scholar]
- Kryukov, B.I. Forced Oscillations of Significantly Nonlinear Systems; Mashinostroenie: Moscow, Russia, 1984. [Google Scholar]
- Nechorkin, V.I. Lectures on the Fundamentals of Vibration Theory: Textbook; Nizhny Novgorod University: Nizhny Novgorod, Russia, 2011. [Google Scholar]
- Blehman, I.I. (Ed.) Vibrations in Technology: Handbook; Mashinostroenie: Moscow, Russia, 1979; Volume 2. [Google Scholar]
- Gorelov, V.V.; Zhileikin, M.M.; Lovtcov, A.N.; Shinkarenko, V.A. Control law with the function of active safety systems for electromechanical transmissions of multi-axle wheeled vehicles. Izv. Vyssh. Uchebn. Zaved. Mashinostr. 2013, 9, 56–66. [Google Scholar]
- Zhileykin, M.M.; Zhurkin, M.M. Anti-lock braking system algorithm with anti-skid function for two-axle vehicles with one driving axle. Her. MSTU MAMI 2020, 1, 51–56. [Google Scholar] [CrossRef]
- Zhileykin, M.M.; Kotiev, G.O. Modeling of Vehicle Systems: Textbook; Bauman Moscow State Technical University: Moscow, Russia, 2020; ISBN 978-5-7038-5351-1. [Google Scholar]
- Klimov, A.V.; Ospanbekov, B.K.; Zhileikin, M.M. Method of Controlling an Individual Traction Electric Drive of the Driving Wheels of a Multi-Wheeled Vehicle. Patent No. 2797069 C1, 31 May 2023. Russian Federation, IPC B60K 17/12, B60L 15/20, B60L 3/10. No. 2023103483; Application 02/16/2023: Publ. 05/31/2023/; applicant Public Joint Stock Company “KAMAZ”. Available online: https://patents.google.com/patent/RU2797069C1 (accessed on 17 June 2024).































| Test type | Constance | 
|---|---|
| 1. Intensive braking on a horizontal slippery base (from 20 km/h to a stop) with regenerative braking activated and deactivated | Intensive deceleration to a complete stop with the brake pedal fully depressed. Both wheels are on a slippery base. | 
| Intensive deceleration to a complete stop with the brake pedal fully depressed. The right wheel is on a slippery base, the left one is on a dry base. | |
| Intensive deceleration to a complete stop with the brake pedal fully depressed. The left wheel is on a slippery base, the right one is on a dry base. | |
| 2. Intensive braking on a horizontal variable base (from 20 km/h to a stop) | The left wheel starts on a slippery surface and switches to dry asphalt. | 
| The right wheel starts on a slippery surface and switches to dry asphalt. | |
| Both wheels start on slippery surfaces and switch to dry asphalt. | 
| Disclaimer/Publisher’s Note: The statements, opinions and data contained in all publications are solely those of the individual author(s) and contributor(s) and not of MDPI and/or the editor(s). MDPI and/or the editor(s) disclaim responsibility for any injury to people or property resulting from any ideas, methods, instructions or products referred to in the content. | 
© 2024 by the authors. Licensee MDPI, Basel, Switzerland. This article is an open access article distributed under the terms and conditions of the Creative Commons Attribution (CC BY) license (https://creativecommons.org/licenses/by/4.0/).
Share and Cite
Klimov, A.V.; Ospanbekov, B.K.; Antonyan, A.V.; Anisimov, V.R.; Dvoeglazov, E.A.; Novogorodov, D.A.; Keller, A.V.; Shadrin, S.S.; Makarova, D.A.; Ershov, V.S.; et al. Detecting Wheel Slip to Suppress Self-Excited Oscillations in Braking Mode. World Electr. Veh. J. 2024, 15, 340. https://doi.org/10.3390/wevj15080340
Klimov AV, Ospanbekov BK, Antonyan AV, Anisimov VR, Dvoeglazov EA, Novogorodov DA, Keller AV, Shadrin SS, Makarova DA, Ershov VS, et al. Detecting Wheel Slip to Suppress Self-Excited Oscillations in Braking Mode. World Electric Vehicle Journal. 2024; 15(8):340. https://doi.org/10.3390/wevj15080340
Chicago/Turabian StyleKlimov, Aleksander V., Baurzhan K. Ospanbekov, Akop V. Antonyan, Viktor R. Anisimov, Egor A. Dvoeglazov, Danila A. Novogorodov, Andrey V. Keller, Sergey S. Shadrin, Daria A. Makarova, Vladimir S. Ershov, and et al. 2024. "Detecting Wheel Slip to Suppress Self-Excited Oscillations in Braking Mode" World Electric Vehicle Journal 15, no. 8: 340. https://doi.org/10.3390/wevj15080340
APA StyleKlimov, A. V., Ospanbekov, B. K., Antonyan, A. V., Anisimov, V. R., Dvoeglazov, E. A., Novogorodov, D. A., Keller, A. V., Shadrin, S. S., Makarova, D. A., Ershov, V. S., & Furletov, Y. M. (2024). Detecting Wheel Slip to Suppress Self-Excited Oscillations in Braking Mode. World Electric Vehicle Journal, 15(8), 340. https://doi.org/10.3390/wevj15080340
 
         
                                                

 
       