Experimental Study on Flexural Behaviour of Prestressed Specified Density Concrete Composite Beams
Abstract
1. Introduction
2. Materials and Methods
2.1. Materials
2.2. Mix Design and Test Methods
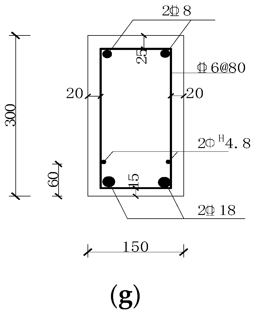
2.3. Specimen Design
2.4. Loading System and Testing Contents
3. Test Results
3.1. Test Phenomena and Failure Modes
3.2. Strain of the Mid-Span Section
3.3. Flexural Capacity
4. General Discussion
4.1. Ductility Analysis
4.2. Comparison of the Measured Load and Theoretical Calculation Values of the Beam
4.3. Short-Term Stiffness
4.4. Crack Distribution
5. Conclusions
- (1)
- Similar to the cast-in-place beam, the bending process of specified-density concrete composite beams also goes through an elastic stage, a working stage with cracks, and a plastic stage. The change in concrete strain along the section height basically conforms to the plane-section assumption. The bearing capacity can be designed according to the plane-section assumption.
- (2)
- The reinforcement ratio is a key factor affecting the bending performance of specified-density concrete prestressed composite beams; the cracking and ultimate load can be calculated according to the relevant formulas in the “Code”.
- (3)
- Under the same conditions, the short-term stiffness of the specified-density concrete prestressed composite beam was slightly lower than that of the ordinary concrete prestressed composite beam. Thus, when the short-term stiffness of the specified density concrete composite beam is calculated using the formula in the “Code”, a multiplication coefficient of 0.9 is recommended.
- (4)
- The working performance of the combined interface was good and there was no slip-failure phenomenon. The combined interface after the artificial rough treatment had no obvious influence on the crack development of the beam. The average crack spacing can be calculated according to the relevant formula of the current “Code”.
Author Contributions
Funding
Institutional Review Board Statement
Informed Consent Statement
Data Availability Statement
Conflicts of Interest
References
- JGJ 51-2002; Technical Specification for Lightweight Aggregate Concrete. Architecture & Building Press: Beijing, China, 2002. Available online: https://www.renrendoc.com/p-17054280.html (accessed on 1 August 2022).
- Song, P.; Ding, J.; Guo, Y. Shrinkage of High Strength Lightweight Aggregate Concrete and Factors Influencing It. J. Build. Mater. 2004, 2, 138–144. (In Chinese). Available online: https://kns.cnki.net/kcms/detail/detail.aspx?FileName=JZCX200402003&DbName=CJFQ2004 (accessed on 1 July 2022).
- Bentur, A.; Igarashi, S.; Kovler, K. Prevention of autogenous shrinkage in high-strength concrete by internal curing using wet lightweight aggregates. Cem. Concr. Res. 2001, 31, 1587–1591. [Google Scholar] [CrossRef]
- Zhutovsky, S.; Kovler, K.; Bentur, A. Influence of cement paste matrix properties on the autogenous curing of high-performance concrete. Cem. Concr. Compos. 2004, 26, 499–507. [Google Scholar] [CrossRef]
- Shafigh, P.; Chai, L.J.; Bin Mahmud, H.; Nomeli, M.A. A comparison study of the fresh and hardened properties of normal weight and lightweight aggregate concretes. J. Build. Eng. 2018, 15, 252–260. [Google Scholar] [CrossRef]
- Okuyucu, D.; Turanli, L.; Uzal, B.; Tankut, T. Some characteristics of fibre-reinforced semi-lightweight concrete with unexpanded perlite. Mag. Concr. Res. 2011, 63, 837–846. [Google Scholar] [CrossRef]
- Nguyen, L.H.; Beaucour, A.L.; Ortola, S.; Noumowe, A. Influence of the volume fraction and the nature of fine lightweight aggregates on the thermal and mechanical properties. Constr. Build. Mater. 2014, 51, 121–132. [Google Scholar] [CrossRef]
- Abouhussien, A.A.; Hassan, A.A.A.; Ismail, M.K. Properties of semi-lightweight self-consolidating concrete containing lightweight slag aggregate. Constr. Build. Mater. 2015, 75, 63–67. [Google Scholar] [CrossRef]
- Malešev, M.; Radonjanin, V.; Lukić, I.; Bulatović, V. The Effect of Aggregate, Type and Quantity of Cement on Modulus of Elasticity of Lightweight Aggregate Concrete. Arab. J. Sci. Eng. 2014, 39, 705–711. [Google Scholar] [CrossRef]
- Kumar, R.; Srivastava, A.; Lakhani, R. Industrial wastes-cum-Strength enhancing additives incorporated lightweight aggregate concrete (LWAC) for energy efficient building: A comprehensive review. Sustainability 2022, 14, 331. [Google Scholar] [CrossRef]
- Murat, E.D.; Hakan, N.A.; Cengiz, Ş. A comparison of strength and elastic properties between conventional and lightweight structural concretes designed with expanded clay aggregates. Constr. Build. Mater. 2015, 101, 260–267. [Google Scholar] [CrossRef]
- Sajedi, F.; Shafigh, P. High-Strength Lightweight Concrete Using Leca, Silica Fume, and Limestone. Oct. Arab. J. Sci. Eng. 2012, 37, 1885–1893. [Google Scholar] [CrossRef]
- Bing, H.; Tian-Yu, X. Axial compressive stress-strain relation and Poisson effect of structural lightweight aggregate concrete. Constr. Build. Mater. 2017, 146, 338–343. [Google Scholar] [CrossRef]
- Meng, J.; Xu, Z.; Liu, Z.; Chen, S.; Wang, C.; Zhao, B.; Zhou, A. Experimental Study on the Mechanics and Impact Resistance of Multiphase Lightweight Aggregate Concrete. Sustainability 2022, 14, 9606. [Google Scholar] [CrossRef]
- Aslam, M.; Shafigh, P.; Nomeli, M.A.; Jumaat, M.Z. Manufacturing of high-strength lightweight aggregate concrete using blended coarse lightweight aggregates. J. Build. Eng. 2017, 13, 53–62. [Google Scholar] [CrossRef]
- Chen, H.J.; Wu, K.C.; Tang, C.W.; Huang, C.H. Engineering Properties of Self-Consolidating Lightweight Aggregate Concrete and Its Application in Prestressed Concrete Members. Sustainability 2018, 10, 142. [Google Scholar] [CrossRef]
- Korkmaz, H.H.; Dere, Y.; Özkılıç, Y.O.; Bozkurt, M.B.; Ecemiş, A.S.; Özdoner, N. Excessive snow induced steel roof failures in Turkey. Eng. Fail. Anal. 2022, 141, 106661. [Google Scholar] [CrossRef]
- Guo, Z. Mechanical Properties of Concrete Materials and Components at Room Temperature and High Temperature; Tsinghua University Press: Beijing, China, 2006; pp. 63–89. (In Chinese) [Google Scholar]
- Wang, Y.; Ou, J. Fundamental mechanical behavior of innovatively designed hybrid FRP concrete beams. Xi’an Univ. Arch. Tech. 2006, 38, 455–462. (In Chinese). Available online: https://kns.cnki.net/kcms/detail/detail.aspx?FileName=XAJZ200604002&DbName=CJFQ2006 (accessed on 1 June 2022).
- Ji, W.; Li, W.; Wang, J. Experiment alanalysis on flexural ductility of prestressed RPC-NC composite beam. J. Harbin Inst. Technol. 2017, 49, 21–27. (In Chinese). Available online: https://kns.cnki.net/kcms/detail/23.1235.T.20170508.1446.008.html (accessed on 1 July 2022).
- Hussein, L.; Amleh, L. Structural behavior of ultra-high performance fiber reinforced concrete-normal strength concrete or high strength concrete composite members. Constr. Build. Mater. 2015, 93, 1105–1116. [Google Scholar] [CrossRef]
- Zhang, Y.; Li, X.; Zhu, Y.; Shao, X. Experimental study on flexural behavior of damaged reinforced concrete (RC) beam strengthened by toughness-improved ultra-high performance concrete (UHPC) layer. Compos. Part B Eng. 2020, 186, 107834. [Google Scholar] [CrossRef]
- Turker, K.; Torun, I.B. Flexural performance of highly reinforced composite beams with ultra-high performance fiber reinforced concrete layer. Eng. Struct. 2020, 219, 11072. [Google Scholar] [CrossRef]
- Kim, Y.Y.; Lee, B.Y.; Bang, J.W. Flexural performance of reinforced concrete beams strengthened with strain-hardening cementitious composite and high strength reinforcing steel bar. Compos. Part B Eng. 2014, 56, 512–519. [Google Scholar] [CrossRef]
- Zhang, Y. Simplified method for evaluating the behavior of strain hardening cementitious composite flexural strengthening reinforced concrete members. Eng. Fract. Mech. 2014, 121, 11–27. [Google Scholar] [CrossRef]
- Xiong, X.; Xiao, Q. Research on the first-loading sensibility of composite beams with hybrid prestressed tendons. Build. Struct. 2018, 48, 46–51. (In Chinese) [Google Scholar]
- Wu, F.; Huang, H.; Zhou, X. Experimental study on flexural behavior of prestressed precast component composite beams. J. Build. Struct. 2011, 32, 107–115. (In Chinese) [Google Scholar]
- Li, S.P.; Chen, W.J.; Zhang, Y.B. Flexural behavior of precast, prestressed, lightweight aggregate concrete-conventional concrete composite beams. Constr. Build. Mater. 2021, 274, 121926. [Google Scholar] [CrossRef]
- GB 50010-2010; Code for Design of Concrete Structures. Architecture & Building Press: Beijing, China, 2015. Available online: https://www.doc88.com/p-697103196671.html?r=1 (accessed on 12 July 2022).










| Species | Water kg/m3 | Cement kg/m3 | Sand kg/m3 | Stone kg/m3 | Fly Ash kg/m3 | Steel Slag kg/m3 | Ceramsite kg/m3 | Bulk Density kg/m3 | 
|---|---|---|---|---|---|---|---|---|
| Specified density concrete | 136 | 280 | 764 | 826 | 55 | 55 | 105 | 2221 | 
| Ordinary concrete | 120 | 280 | 749 | 1121 | 59 | 59 | 0 | 2388 | 
| Species | Location | fcu/MPa | fc/MPa | ft/MPa | Ec/(N/mm2) | ||||
|---|---|---|---|---|---|---|---|---|---|
| Value | S.D. | Value | S.D. | Value | S.D. | Value | S.D. | ||
| Ordinary concrete | Precast | 49.2 | 1.95 | 43.3 | 1.47 | 4.06 | 0.21 | 36719 | 1215.5 | 
| Cast-in-place | 46.7 | 1.72 | 40.6 | 1.73 | 3.8 | 0.17 | 36410 | 1311.2 | |
| Specified density concrete | Precast | 40.9 | 2.23 | 35.5 | 1.67 | 3.57 | 0.22 | 35321 | 1419.6 | 
| Cast-in-place | 44.4 | 1.91 | 38.7 | 1.85 | 3.6 | 0.31 | 35741 | 1547.8 | |
| Rebar Diameter/mm | Steel Grade | fy/MPa | fu/MPa | Es/(kN/mm2) | |||
|---|---|---|---|---|---|---|---|
| Value | S.D. | Value | S.D. | Value | S.D. | ||
| 18 | HRB400E | 420 | 12.4 | 595 | 24.5 | 200 | 0.9 | 
| 20 | HRB400E | 445 | 11.2 | 620 | 20.6 | 200 | 0.7 | 
| 22 | HRB400E | 440 | 11.4 | 620 | 26.3 | 200 | 0.8 | 
| 4.8 | Prestressed wire | 1260.6 | 34.2 | 1483 | 46.8 | 205 | 0.8 | 
| Specimen Number | Concrete Type | Precast Concrete Height/mm | Hooped Reinforcement | Supplementary Reinforcement | Tensile Bar | Prestressing Wire | Reinforcement Ratio | 
|---|---|---|---|---|---|---|---|
| DHL-1 | Specified-density concrete | 100 | C6@80 | 2C8 | 2C18 | 2AH4.8 | 1.37% | 
| DHL-2 | Specified-density concrete | 150 | C6@80 | 2C8 | 2C18 | 2AH4.8 | 1.37% | 
| DHL-3 | Specified-density concrete | 200 | C6@80 | 2C8 | 2C18 | 2AH4.8 | 1.37% | 
| DHL-4 | Specified-density concrete | 150 | C6@80 | 2C8 | 2C20 | 2AH4.8 | 1.62% | 
| DHL-5 | Specified-density concrete | 150 | C6@80 | 2C8 | 2C22 | 2AH4.8 | 1.92% | 
| DHL-6 | Ordinary concrete | 150 | C6@80 | 2C8 | 2C18 | 2AH4.8 | 1.37% | 
| ZJL | Specified-density concrete | 0 | C6@80 | 2C8 | 2C18 | 2AH4.8 | 1.37% | 
| Specimen Number | Cracking Load/kN | Yielding Load/kN | Ultimate Load/kN | 
|---|---|---|---|
| DHL-1 | 27.9 | 144.1 | 153.2 | 
| DHL-2 | 28.2 | 142.3 | 151.3 | 
| DHL-3 | 28.6 | 143.3 | 149.7 | 
| DHL-4 | 30.5 | 173.8 | 181.2 | 
| DHL-5 | 29.7 | 205.2 | 205.2 | 
| DHL-6 | 33.4 | 146.5 | 156.7 | 
| ZJL | 28.3 | 142.8 | 153.7 | 
| Specimen Number | fy/mm | fu/mm | fk/mm | µ | 
|---|---|---|---|---|
| DHL-1 | 9.22 | 20.46 | 6.06 | 2.22 | 
| DHL-2 | 9.33 | 20.64 | 6.40 | 2.21 | 
| DHL-3 | 9.18 | 20.16 | 7.02 | 2.20 | 
| DHL-4 | 10.15 | 21.58 | 7.80 | 2.13 | 
| DHL-5 | 11.07 | 22.68 | 7.92 | 2.05 | 
| DHL-6 | 10.36 | 24.25 | 6.30 | 2.34 | 
| ZJL | 8.83 | 20.15 | 5.91 | 2.28 | 
| Specimen Number | Cracking Load/kN | Ultimate Load/kN | ||
|---|---|---|---|---|
| Measured Value | Theoretical Value | Measured Value | Theoretical Value | |
| DHL-1 | 27.9 | 28.5 | 153.2 | 156.2 | 
| DHL-2 | 28.2 | 28.5 | 151.3 | 156.2 | 
| DHL-3 | 28.6 | 28.5 | 149.7 | 156.2 | 
| DHL-4 | 30.5 | 27.1 | 181.2 | 191.3 | 
| DHL-5 | 29.7 | 25.8 | 205.2 | 218.7 | 
| DHL-6 | 33.4 | 33.2 | 156.7 | 157.1 | 
| ZJL | 28.3 | 28.5 | 153.7 | 155.4 | 
| Specimen Number | Stiffness before Cracking/(N·mm2) | Post-Cracking Stiffness/(N·mm2) | ||
|---|---|---|---|---|
| Measured Stiffness | Theoretical Stiffness | Measured Stiffness | Theoretical Stiffness | |
| DHL-1 | 9.87 × 1012 | 1.11 × 1013 | 4.44 × 1012 | 4.48 × 1012 | 
| DHL-2 | 9.89 × 1012 | 1.11 × 1013 | 4.32 × 1012 | 4.48 × 1012 | 
| DHL-3 | 9.83 × 1012 | 1.11 × 1013 | 4.26 × 1012 | 4.48 × 1012 | 
| DHL-4 | 1.03 × 1013 | 1.13 × 1013 | 4.93 × 1012 | 5.08 × 1012 | 
| DHL-5 | 1.08 × 1013 | 1.15 × 1013 | 5.01 × 1012 | 5.88 × 1012 | 
| DHL-6 | 1.07 × 1013 | 1.14 × 1013 | 4.96 × 1012 | 4.82 × 1012 | 
| ZJL | 1.04 × 1013 | 1.11 × 1013 | 4.55 × 1012 | 4.48 × 1012 | 
| Specimen Number | Measured Value of the Average Distance (cm) | Calculated Value of the Average Distance (cm) | Measured Value/ Calculated Value | 
|---|---|---|---|
| DHL-1 | 9.89 | 9.29 | 1.06 | 
| DHL-2 | 9.88 | 9.29 | 1.06 | 
| DHL-3 | 9.96 | 9.29 | 1.07 | 
| DHL-4 | 9.44 | 8.71 | 1.08 | 
| DHL-5 | 9.16 | 8.47 | 1.08 | 
| DHL-6 | 10.11 | 9.29 | 1.09 | 
| ZJL | 9.77 | 9.29 | 1.05 | 
| Publisher’s Note: MDPI stays neutral with regard to jurisdictional claims in published maps and institutional affiliations. | 
© 2022 by the authors. Licensee MDPI, Basel, Switzerland. This article is an open access article distributed under the terms and conditions of the Creative Commons Attribution (CC BY) license (https://creativecommons.org/licenses/by/4.0/).
Share and Cite
Song, X.; Liu, Y.; Fu, X.; Ma, H.; Hu, X. Experimental Study on Flexural Behaviour of Prestressed Specified Density Concrete Composite Beams. Sustainability 2022, 14, 14727. https://doi.org/10.3390/su142214727
Song X, Liu Y, Fu X, Ma H, Hu X. Experimental Study on Flexural Behaviour of Prestressed Specified Density Concrete Composite Beams. Sustainability. 2022; 14(22):14727. https://doi.org/10.3390/su142214727
Chicago/Turabian StyleSong, Xingyu, Yan Liu, Xiaodong Fu, Hongwei Ma, and Xiaolun Hu. 2022. "Experimental Study on Flexural Behaviour of Prestressed Specified Density Concrete Composite Beams" Sustainability 14, no. 22: 14727. https://doi.org/10.3390/su142214727
APA StyleSong, X., Liu, Y., Fu, X., Ma, H., & Hu, X. (2022). Experimental Study on Flexural Behaviour of Prestressed Specified Density Concrete Composite Beams. Sustainability, 14(22), 14727. https://doi.org/10.3390/su142214727
 
        


 
       