Abstract
This paper presents a zeta/flyback hybrid converter with a PV array as its power source for an LED street light or digital signage application. When the PV array is used in a LED lighting system, it needs a battery charger and discharger. In order to increase the areas of application for different PV arrays, a zeta converter has been adopted as the battery charger. In addition, since a flyback converter has a simpler circuit, it is used as the battery discharger. Due to the leakage inductor of the transformer in the flyback converter, an active clamp circuit is used to recover the energy stored in leakage inductance. Zeta and flyback converters use switch integration techniques to form the proposed zeta/flyback hybrid converter. With this approach, the proposed system has less components, a lighter weight, a smaller size, and higher conversion efficiency. Finally, a prototype of the proposed hybrid converter with an output voltage of 12 V and output power of 50 W has been implemented to verify its feasibility. It is suitable for LED lighting system applications.
1. Introduction
Nowadays, due to the progress in material science, the performances of light-emitting diodes (LED) have been significantly improved. They have several merits, which include high brightness, a long lifetime, a small size, low maintenance, and high efficiency. Therefore, LEDs have gradually replaced traditional lighting equipment in our daily life [1,2,3]. They are applied to both indoor and outdoor energy-saving lighting systems, such as automotive taillights, traffic signals, streetlights, digital signage, electronic indicator boards, and so on.
In general, electricity generation uses fossil fuels, resulting in environmental pollution and a serious greenhouse effect, which disturbs the balance of the global climate. Due to zero pollution and clean energy research, renewable energy sources have been rapidly developed. In particular, solar power serves as an alternative energy source [4,5,6]. In previous research [4,5], renewable energy was adopted to generate utility line source. Another paper [6] proposed a soft-switching dc–dc converter for high voltage gain applications. In this paper, the proposed power system was used in LED lighting and solar power to achieve the saving of energy and carbon reduction.
When solar power is regarded as input power source of streetlights, digital signage, or electronic indicator boards, the power processer needs a battery to store energy during the day and release energy during night. Therefore, the proposed power system includes a charger and a discharger, as shown in Figure 1. Since the proposed system operating in the charging condition belongs to a low-power-level application, it can use a basic converter as its charging converter, such as buck, boost, buck–boost, cuk, zeta, and sepic converters [7,8,9,10]. In one paper [7], the proposed converter uses cuk, zeta, or sepic converters operating in the critical conduction mode (CRM) to achieve zero-current or zero-voltage switching (ZCS or ZVS). The authors of [8] proposed a simple converter, such as buck, boost, etc., to implement the renewable energy application, while [9] used a buck–boost, dc–dc converter to increase voltage gain. In addition, [10] presented a buck–boost–buck type converter to drive LED lighting. Since buck or boost converters can be operated in the step-up or step-down voltage condition, they are not suitable for solar power applications due to the various output voltages of solar power. When a power processor uses cuk or sepic converters to transfer energy to the load, they are suitable for the step-up voltage condition due to their input port having the boost type. In addition, although buck–boost converters can implement step-down or step-up voltage functions, their power processing capability is low. They are not suitable for a higher power level application (≥100 W) [11]. Therefore, since the zeta converter possesses step-down or step-up voltage function, it was selected as the charger in the proposed converter, as shown in Figure 2.
Figure 1.
Block diagram of the proposed power system for solar power applications.
Figure 2.
Schematic diagram of zeta converter with coupling inductor circuit.
Since the output voltage of a lithium battery varies from 2.5 to 4.2 V for each battery cell, its discharger needs a voltage range converter with a wide input. In addition, the proposed power system belongs to a low power level application. Therefore, a flyback or forward converter can be regarded as its discharger [12,13,14,15,16]. In [12,13], a flyback converter was adopted to balance each battery cell of a battery pack. Research reported in [14,15] presented a battery charger with a flyback converter. Due to simpler circuit topology, wider input voltage range, and lower cost, the flyback converter was selected as the battery discharger, as shown in Figure 3. In Figure 3, the active clamp circuit can recover the energy trapped in the leakage inductor and the help switch operating in zero-voltage switching (ZVS) at turn-on transition. Therefore, the proposed power system adopts a zeta converter as the charger and uses active clamp flyback converter as the discharger, as shown in Figure 4.
Figure 3.
Schematic diagram of a flyback converter with the active clamp circuit.
Figure 4.
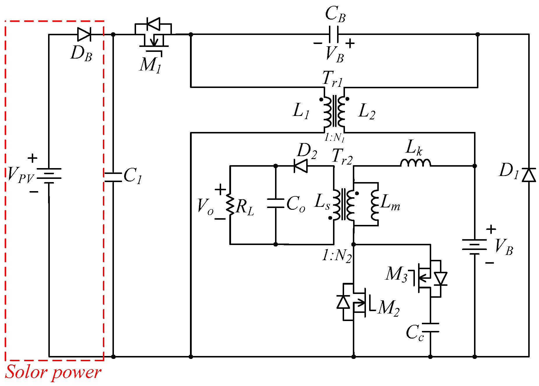
Schematic diagram of the conventional zeta/flyback hybrid converter.
When the proposed power system consists of zeta and flyback converters, it needs more components and a greater cost to implement the battery charging and discharging functions. Since the charger and discharger are operated at different times and their operation exchange time is long, a low-speed and low-cost switch is used to control two operational conditions: the charging condition and the discharging condition. Therefore, two sets of converters can be integrated to form a hybrid converter, as shown in Figure 5. From Figure 5, it can be seen that the proposed hybrid converter can use less components to implement the battery charging and discharging functions simultaneously. Moreover, the proposed one can be operated in ZVS at turn-on transition to increase conversion efficiency. It is suitable for the solar power system.
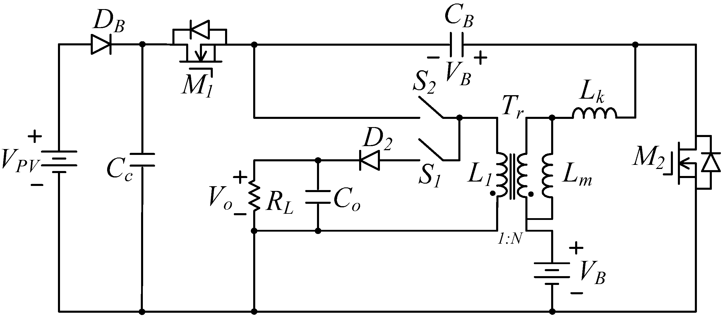
Figure 5.
Schematic diagram of the proposed zeta/flyback hybrid converter.
The dc–dc converters with dual input ports and a single output port have been widely used to generate electric power for different loads [16,17,18] in the PV and battery system. With the implementation of multiple input power sources, the components needed to construct these converters have been increased, resulting more complex driving circuits. Hence, a hybrid converter with three-ports, two inputs and one output, has been proposed and shown in Figure 5. Comparisons of components needed among the proposed hybrid converter and those converters provided in [16,17,18] are illustrated in Table 1. From Table 1, it revealed that the proposed converter needed less components to achieve the same functions of dual inputs and a single output as its compared ones; that is, only a transformer, two switches, three capacitors, and one extra switch (relay) have been used.
Table 1.
Comparisons of component needed between the proposed hybrid converter and its compared ones.
2. Derivation of the Proposed Hybrid Converter
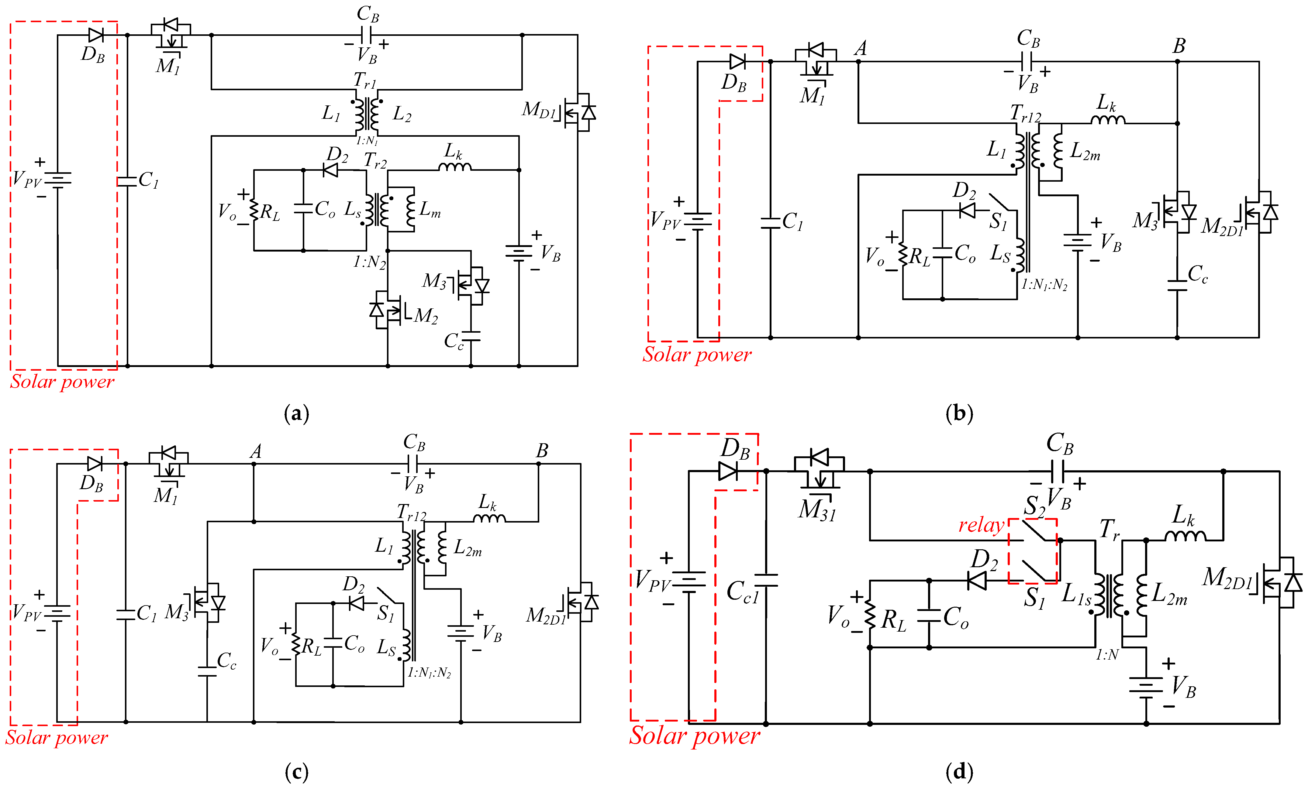
The procedures for simplifying the conventional zeta /flyback converter in Figure 4 are listed below.
- Procedure 1: As shown Figure 6a, the bidirectional circuit structure for the zeta converter with the coupling inductor circuit and flyback converter with the active clamp circuit have been used to simplify the conventional converter for the proposed power system.
Figure 6. Circuit derivation of the proposed zeta/flyback hybrid converter: (a) procedure 1, (b) procedure 2, (c) procedure 3, and (d) procedure 4. - Procedure 2: Since the switches M2 and MD1 in Figure 6a are operated synchronously, they can be merged to form switch M2D1 shown in Figure 6b. Simultaneously, a switch S1 with a low speed and a low cost is added to the zeta and flyback hybrid converters to control the operational condition of the proposed power system. Moreover, magnetizing the inductances of transformers Tr1 and Tr2 has been integrated into magnetizing inductance L2m.
- Procedure 3: Since voltage difference between nodes B and A is equal to VB, the branch of switch M3 and capacitor CC can be moved from node B to node A, except that voltage stresses of switch M3 and capacitor CC are simultaneously changed, as shown in Figure 6c.
- Procedure 4: Since switches M2 and M3 are operated in complementary, and switches M1 and MD1 are also operated in complementary, switches M1 and M3 are operated synchronously due to the synchronous operations of switches M2 and MD1. Therefore, switches M3 and M1 are integrated into switch M31, and capacitors C1 and CC are connected in parallel to be merged as capacitor CC1. In addition, inductors L1 and LS can be integrated with inductor L1S. In order to keep the same operational principle of the proposed power system, a switch S2 with a low speed is adopted to control different operational conditions of the proposed one. When switches S1 and S2 are adopted in the proposed hybrid converter and operated in complementary, a relay with a normal close and a normal open contacts can be used to realize the proposed operational conditions, as shown in Figure 6d. In Figure 6d, symbols of component devices are complex expression. They have been renamed for easy use in further explanation of operational principles of the proposed converter, as shown in Figure 5.
3. Operational Principle of the Proposed Hybrid Converter
The proposed hybrid converter can be operated in battery charging and discharging conditions, separately. Their equivalent circuits are respectively illustrated in Figure 7a,b with blue lines. Figure 7a shows a zeta converter with a coupling inductor circuit, which is used as the battery charger, while Figure 7b shows a flyback converter with an active clamp circuit, which is regarded as the battery discharger. In order to explain the operational principles of the proposed hybrid converter, operational principles of zeta and flyback converters are separately described as follows.
Figure 7.
Wquivalent circuits of the proposed zeta/flyback hybrid converter operated in (a) battery charger and (b) battery discharger.
3.1. Battery Charger: Zeta Converter
The proposed hybrid converter adopts a zeta converter as the battery charger. Since the proposed one is always operated in the continuous conduction mode (CCM) from light load to heavy load, operational principles of the zeta converter with CCM are described in this paper. According to the operational principles of the zeta converter, the operational modes can be divided into five modes. Figure 8 illustrates the equivalent circuit of each operational mode during a completely switching cycle, while Figure 9 shows conceptual waveforms of each operational mode of the zeta converter. In the following, each operational mode is explained.

Figure 8.
Equivalent circuits of each operational mode of the proposed zeta/flyback hybrid converter operated in the battery charger.
Figure 9.
Conceptual waveforms of each operational mode of the proposed zeta/flyback hybrid converter operated in the battery charging condition over a completely switching cycle.
Mode 1 [Figure 8a; t0 ≤ t < t1]: Before to, switches M1 and M2 are simultaneously in the off state. Since inductor current ILk is equal to −(1/2)IDS2 and switch current IDS2 is a negative value, the diode DM2 is in the forwardly bias state. When t = t0, switch M1 is turned on and switch M2 is still kept in the off state. At the moment, switch current IDS1 abruptly increases from 0 to the minimum value of inductor current IL1 operated in CCM. Therefore, diode DM2 is reversely biased. During this time interval, switch current IDS1 is equal to inductor currents (IL1 + ILk). Inductor currents IL1 and ILk linearly increases, simultaneously. Inductors L1 and Lm simultaneously remain in the storage state.
Mode 2 [Figure 8b; t1 ≤ t < t2]: At t1, switch M1 is turned off, and switch M2 is still kept in the off state. Due to the continuous feature of inductor L1, capacitor CM1 is charged from 0 V to [], while capacitor CM2 is discharged from [] to 0 V.
Mode 3 [Figure 8c; t2 ≤ t < t3]: When t = t2, switches M1 and M2 are in the off states. In this moment, since capacitor voltage VDS2 is clamped at 0 V, the diode DM2 is forwardly biased. Within this time interval, the inductor L1 starts to release energy through the diode DM2 to the capacitor CB. Inductor current IL1 linearly decreases, while inductor current ILK linearly decreases to release the energy stored in the inductor Lm to the battery.
Mode 4 [Figure 8d; t3 ≤ t < t4]: At t4, switch M1 is sustained in the off state, switch M2 is turned on. Since the diode DM2 is still kept in the forwardly bias state before switch M2 is turned on, the switch M2 can be operated with zero-voltage switching (ZVS) at turn-on transition. In this mode, the inductor L1 is sustained in the released energy state. Its energy flows through the switch M2 to the capacitor CB. The energy stored in the inductor Lm is released by the switch M2 to the battery. Inductor currents IL1 and ILm linearly decrease, simultaneously.
Mode 5 [Figure 8e; t4 ≤ t < t5]: A t = t4, the switch M1 is in the off state, while the switch M2 is turned off. Since inductor currents IL1 and ILm must be kept in the continuous conduction condition, currents IL1 and ILm simultaneously flow through the diode DM2 to sustain their continuous conditions. When t = t5, the switch M1 is turned on again. A new switching cycle will start.
3.2. Battery Discharger: Flyback Converter
In the battery discharger condition, the proposed hybrid converter is equivalent to the flyback converter with an active clamp circuit. When load current Io is greater than 10~20% of the full-load condition, the inductor Lm will be operated in CCM. Therefore, the proposed active clamp flyback converter is always operated in CCM under load changes from light load to heavy load.
When the active clamp flyback converter is operated in CCM, according to operational principles of the one, the operational modes can be divided into nine modes within a completely switching cycle. Figure 10 illustrates the equivalent circuits of each operational mode of the proposed one. Its conceptual waveforms are shown in Figure 11. In the following, each operational mode is briefly explained.

Figure 10.
Equivalent circuits of each operational mode of the proposed zeta/flyback hybrid converter operated in the battery discharging condition.
Figure 11.
Conceptual waveforms of each operational mode of the zeta/flyback hybrid converter operated in the battery discharging condition over a completely switching cycle.
Mode 1 [Figure 10a; t0 ≤ t < t1]: Since current ILK is equal to current IDS2, and its value is a negative value before to, the diode DM2 is stated in the forwardly bias condition to keep a continuous conduction condition of inductor current ILK. When t = t0, the switch M1 is in the off state, while the switch M2 is turned on. Due to the diode DM2 operating in the forwardly bias condition, the switch M2 is operated with ZVS at turn-on transition. During this time interval, the energy stored in the inductor Lm is released through the transformer Tr and the diode D2 to the load. Voltage across the secondary winding of the transformer Tr is equal to Vo. Its reflected voltage from secondary to primary windings equals Vo. Moreover, voltage, which is equal to [VB + (Vo)], is imposed on leakage inductor LK. Since the inductance of the inductor LK is much less than the inductance of the inductor Lm, current ILK rapidly increases from a negative value to 0 A.
Mode 2 [Figure 10b; t1 ≤ t < t2]: When t = t1, the switch M1 is in the off state, while the switch M2 is in the on state. In this moment, the switch current IDS2 is equal to 0 A. Within this time interval, the energy stored in the inductor Lm is sustained in the released energy condition, and the diode D2 is also kept in the forwardly bias condition. In addition, voltage across the leakage inductor LK is equal to [VB + (Vo)]. Inductor current ILK rapidly increases from 0 A to the minimum value, which is the minimum value of the inductor ILm operated in CCM.
Mode 3 [Figure 10c; t2 ≤ t < t3]: At t2, the switch M1 is still kept in the off state, while the switch M2 is sustained in the on state. In this mode, the inductor Lm is worked in the energy storing state. Inductor current ILK (=ILm) linearly increases.
Mode 4 [Figure 10d; t3 ≤ t < t4]: When t = t3, the switch M1 is in the off state, while the switch M2 is turned off. At the moment, inductor current ILm reaches to the maximum value. Within this time interval, since inductor current ILK (=ILm) has to be kept in the continuous state, the capacitor CM1 is discharged from [VB + Vo] to 0 V, and the capacitor CM2 is charged from 0 V to [VB + Vo]. Since the capacitance of the capacitor CB is much greater than that of the capacitor CC, capacitor voltage VcB is equal to 0 V, while capacitor voltage VCC is kept at [VB + Vo].
Mode 5 [Figure 10e; t4 ≤ t < t5]: At t4, switches M1 and M2 are kept in the off state. Since voltage VDS1 is equal to 0 V and voltage VDS2 is clamped to [VB + Vo], the diode DM1 is forwardly biased. In this mode, the energy stored in the inductor Lm is released through the transformer Tr and the diode D2 to load. Since capacitance of the capacitor CB is much greater than that of capacitor CC, the inductor LK and the capacitor CC are connected in series to form a resonant circuit. They start to generate resonance.
Mode 6 [Figure 10f; t5 ≤ t < t6]: When t = t5, the switch M1 is turned on, and switch M2 is kept in the off state. In this moment, the switch M1 is operated with ZVS at turn-on transition since the diode DM1 is forwardly biased before t5. During this time interval, the inductor LK and the capacitor CC are kept in the resonant condition. Inductor current ILK varies in a resonant manner. Its value changes from the maximum value to 0 A. The inductor Lm is in the released energy condition. Its energy is transferred through the transformer Tr and the diode D2 to load. Inductor current ILm linearly decreases.
Mode 7 [Figure 10g; t6 ≤ t < t7]: At t = t6, switch M1 is sustained in the on state, while switch M2 is kept in the off state. At the moment, inductor current ILK is equal to 0 A. In this time interval, inductor LK and the capacitor CC are operated in a resonant manner, and current ILK also varies in a resonant manner from 0 A to the maximum negative value. The energy stored in inductor Lm is released through the transformer Tr and diode D2 to load. Inductor current ILm linearly decreases.
Mode 8 [Figure 10h; t7 ≤ t < t8]: When t = t7, switch M1 is turned off, and switch M2 is in the off state. During this time interval, since inductor current ILK is a negative value, it causes capacitor CM1 to be in the charging state and capacitor CM2 to be in the discharging state. Therefore, capacitor voltage VDS1 varies from 0 V to [VB + Vo], while voltage VDS2 changes from [VB + Vo] to 0 V. Inductor Lm is under the released state, causing current ILm to linearly decrease.
Mode 9 [Figure 10i; t8 ≤ t < t9]: When t = t8, switches M1 and M2 are in the off state. At the moment, capacitor voltage VDS2 is clamped at 0 V. Since inductor current ILK is equal to current IDS2 and ILK is a negative value, diode DM2 is forwardly biased to sustain the negative value of inductor ILK. During this time interval, inductor Lm is under the energy released condition. Its energy is transferred through transformer Tr and diode D2 to load. Current ILm varies with the linear variation method. When the operational mode enters the end of mode 8, switch M2 will be turned on again. A new switching cycle will start.
4. Design of the Proposed Hybrid Converter
The proposed hybrid converter includes a zeta converter and a flyback converter for implementing battery charging and discharging functions. In order to analyze the proposed hybrid converter, a zeta converter and a flyback converter are separately derived in this paper. In the following, the analyses of each circuit are described.
4.1. Zeta Converter
The proposed hybrid converter adopts a zeta converter for battery charger. Its equivalent circuit is shown in Figure 7a. In Figure 7a, the important parameters of the proposed circuit include duty cycle D11 of switch M1, the inductance of inductor L1, and the turns ratio N. Due to the vol-second balance of inductor L1, the turns ratio N is equal to 1. Thus, the duty cycle D11 and the inductance of inductor L1 are respectively derived as follows.
4.1.1. Duty Cycle D11
Since the proposed hybrid converter uses the zeta converter as its battery charger, switch M1 is regarded as the main switch, while switch M2 is indicated as the auxiliary switch. In addition, a zeta converter adopts the solar power as its input source. It can transfer the solar power to the battery. In order to implement maximum power point tracking (MPPT) of the solar power, a zeta converter can regulate the charging current IB to achieve MPPT. According to the volt-second balance of inductor L1, the voltage of the inductor L1 can be expressed as:
where Ts is the period of a switching cycle. When switch M1 is turned off, voltage VL1 of inductor L1 is equal to capacitor voltage VCB. During this time interval, since voltage VLm equals VB, capacitor voltage VCB can be rewritten by:
where N is the turns ratio of transformer Tr. Since N = 1, VCB = VB. From (1) and (2), the transfer ratio M11 of a zeta converter can be derived as:
When a zeta converter is operated under the minimum voltage VPV(min) of the solar power and the maximum voltage VB(max) of battery. The maximum duty ratio D11(max) can be determined. The D11(max) can be expressed as:
When the types of the solar power and battery are separately chosen, the maximum voltage VPV(max) can be denoted. In general, the maximum duty ratio D11(max) is limited at 0.7~0.8 for variations in the input voltage, components, and load. As mentioned above, since each battery possesses its own maximum charging current IB(max), the proposed converter can regulate charging current IB by duty ratio D11 to achieve MPPT function of the solar power. The charging current IB is limited within ranges from 0 A to IB(max).
4.1.2. Inductor L1 of Transformer Tr
In general, when the proposed hybrid converter is operated in the charging condition, its equivalent circuit is the same as the zeta converter. In order to meet the volt-second balance for each inductor, voltage VL1 across the inductor L1 is equal to voltage VLm across the inductor Lm. Therefore, turns ratio N is set by 1. Figure 12 shows ideal waveforms of key currents in the proposed hybrid converter operated in the battery charging condition. When the proposed one is operated in the boundary of CCM and discontinuous conduction mode (DCM), the average charging current IB(av) is:
where IL1(P) is the maximum inductor current of IL1. Since the proposed one is operated in the boundary, the maximum inductor current IL1(P) can be expressed by:
where L1B1 expresses inductor L1 operated in the boundary under charging condition. When VB = VB(max) and VPV = VPV(min), the maximum duty ratio D11(max) can be obtained. That is, current IB(av) can be rewritten by:
Figure 12.
Ideal waveforms of key currents in the proposed hybrid converter operated in the battery charging condition.
In general, the proposed converter is designed by using the rule of thumb. The proposed one is always operated in CCM. That is, the proposed one under light load condition enters the operational state of CCM. From (7), it can be seen that average current IB(av) can be set by K1IB(max), where K1 varies from 0 to 1. According to the rule of thumb of the converter design, a better range for K1 is from 0.1 to 0.3. Therefore, inductor L1 can be determined by:
In (8), when the types of battery and the solar power are specified, the maximum current IB(max) and the minimum voltage VPV(min) can be obtained. Therefore, the inductance of the inductors L1 can be determined by (8).
4.2. Active Clamp Flyback Converter
When the proposed hybrid converter is operated in the discharging condition, it is equivalent to the active clamp flyback converter. Since the active clamp circuit in the proposed hybrid converter can help the switches to achieve the soft-switching features, the conversion ratio M12 and design of inductor Lm will not be affected. In order to design the proposed hybrid converter, important parameters are briefly derived in the following.
4.2.1. Duty Ratio D12
Due to limitation of a zeta converter under the charging condition, the turns ratio N of transformer Tr is equal to 1. According to volt-second balance of inductor Lm, the relationship between voltages VB and Vo can be expressed as:
Moreover, when battery VB is under the minimum voltage VB(min), the maximum duty ratio D12(max) can be obtained and expressed by:
From (10), the conversion ratio M12(max) can be derived as:
4.2.2. Transformer Tr
Due to the operational principles of a zeta converter, turn ratio N is limited by 1. In order to design the magnetizing inductance Lm, output current Io is used to obtain inductance Lm. Figure 13 illustrates ideal waveforms of key currents in the proposed hybrid converter operated in the boundary of CCM and DCM under the discharging condition. In Figure 13, the average current of ID2(av) can be expressed by:
where ILm(P) represents the maximum value of inductance Lm. In general, when output current Io is equal to 20~30% of the maximum output current Io(max), the proposed hybrid converter is operated in the boundary of CCM and DCM. Therefore, the average current ID2(av) can be rewritten as:
where K2 represents ratio of current Io to the maximum current Io(max). Its value varies from 0 to 1. Moreover, the maximum current ILm(P) gives:
where LmB is the magnetizing inductance value of magnetizing inductor Lm operated in the boundary. As mentioned above, inductance Lm can be determined by:
Figure 13.
Ideal waveforms of key currents in the proposed hybrid converter operated in the battery discharging condition.
Since turns ratio N is equal to 1, L1 = Lm. In order to determine the magnetizing inductance Lm, the maximum value can be selected between L1 and Lm, as illustrated in (8) and (15), respectively.
4.2.3. Active Clamp Capacitor CC
The active clamp capacitor CC is used to recover the energy trapped in the leakage inductor LK and help switches to implement ZVS features under the resonant manner. To achieve the soft-switching features, a half of resonant period is equal to or greater than turn-off time of the switch M2. Therefore, the capacitor CC has to satisfy the following inequality:
In (16), the capacitor CC can be rewritten by:
From (17), it can be seen that when leakage inductance LK is obtained by the transformer Tr, the capacitor CC can be determined.
4.2.4. Output Capacitor Co
In order to decrease ripples of output voltage Vo, the capacitor Co must be large enough. The ripple voltage ΔVo can be expressed as:
where Io(max) is the maximum value of output current Io. From (18), once ripple voltage ΔVo, the maximum output current Io(max), duty ratio D12 and period Ts are determined, the output capacitor Co can be obtained and expressed by:
4.2.5. Power Loss Analysis
Since the proposed hybrid converter is operated in the discharging condition, the proposed one is operated with soft-switching manner. Its power loss analysis is the same as the flyback converter with active clamp circuit. Therefore, when the proposed hybrid converter is operated in the discharging conditions, the power losses include losses of the switches, diode, and core. In the following, power loss analyses are derived.
- (1)
- Losses of switches
The losses of switches include switching loss and conduction loss. Figure 14 shows the conceptual waveforms of switching losses for switches ~. Since switches ~ are operated with ZVS at turn-on transition when the proposed hybrid converter is operated in the utility line condition, their switching loss is only induced at turn-off transition of the switches. Therefore, switching losses of switches ~:
where is the maximum current. The conduction loss of switch or ) can be derived as:
where is the rms current of each switch, and represses the resistance of the switch during the turn-on state.
Figure 14.
Conceptual waveforms of switching losses during switch turn-on and turn-off transitions (a) during one switching cycle, (b) during turn-on transition, (c) during turn-off transition.
- (2)
- Loss of diode
The loss of diode is generated by the forward voltage when diode is in the forward biased state. The loss can be derived by:
- (3)
- Loss of core
The losses of the core include core loss and copper loss. The core loss of the transformer is determined by the maximum flux density and the core loss curve of the core. The maximum flux density can be determined by:
where IPK is the maximum current of primary winding, N1 expresses turns of primary winding, expresses the effective magnetic path length, indicates the air gap length, and is the permeability. When is determined, the core loss coefficient can be obtained through core loss curve of core. The core loss is determined as:
where is the effective core volume of the core. Moreover, the copper loss can be derived by:
where is the resistance coefficient of the wire gauge of primary winding, represses the total length of turns of the primary winding, is the resistance coefficient of the wire gauge of the secondary winding, and indicates the total length of turns of the secondary winding.
5. Circuit Control of the Proposed Hybrid Converter
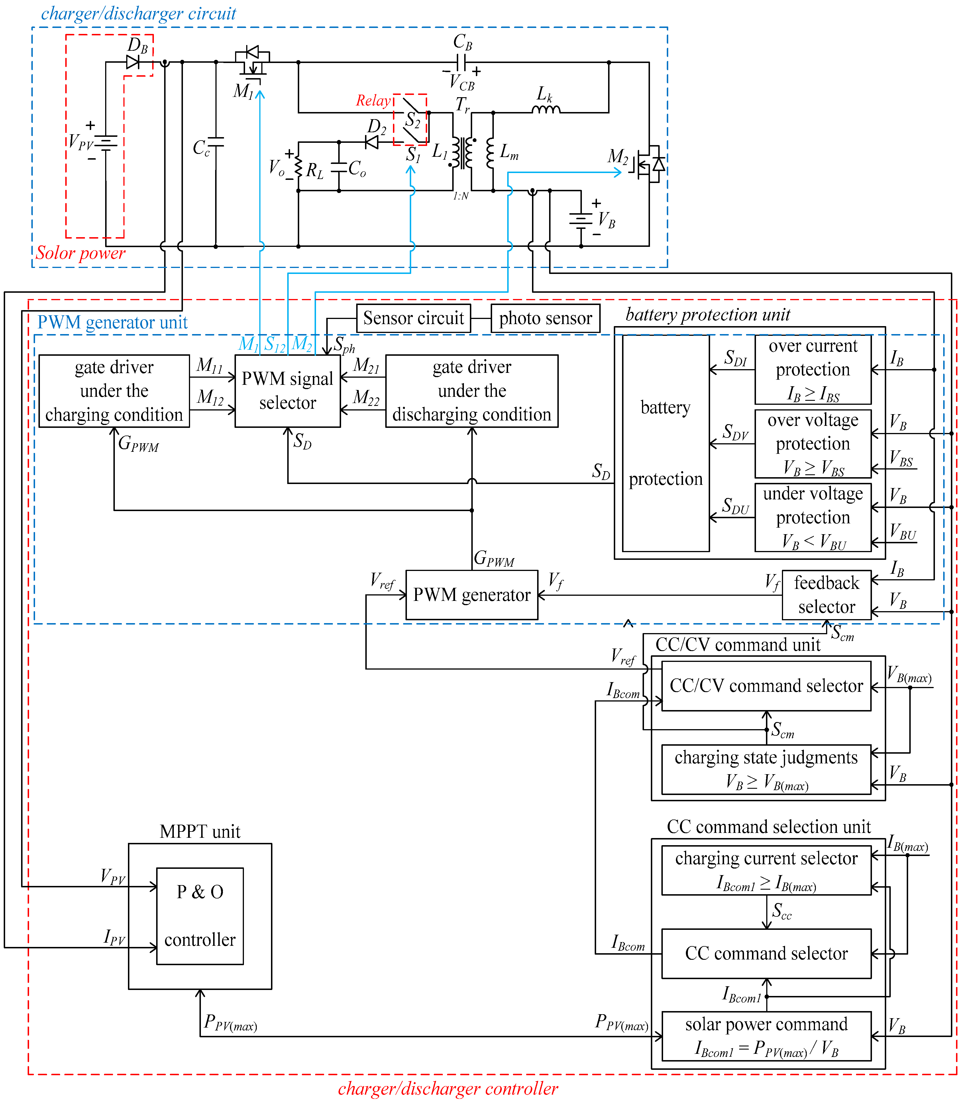
The circuit topology consists of charger/discharger controller, as shown in Figure 15. The charger/discharger controller is used to control the charger/discharger circuit to implement battery charging and discharging functions. In Figure 15, the charger/discharger includes a MPPT unit, a CC command selection unit. Table 2 illustrates definitions of the important parameters shown in Figure 15, while Table 3 lists the operational conditions of the controller of the proposed hybrid converter. In the following, each unit is briefly described.
Figure 15.
Block diagrams of the charger/discharger controller for the proposed hybrid converter.
Table 2.
Definitions of the important parameters in Figure 15 for the charger/discharger of the proposed hybrid converter.
Table 3.
Operational conditions of the proposed hybrid converter for the controller shown in Figure 15.
5.1. MPPT Unit
The proposed hybrid converter uses solar power to transfer power to the battery. In order to extract the maximum power of the solar power, a perturb and observe (P&O) method is adopted. The operational algorithm explained in [19] has been used in this paper, the descriptions are omitted. The MPPT unit in the charger/discharger controller is used to separately obtain voltage VPV and current IPV by voltage VPV and current IPV signals. According to the operational principles of P&O method, the MPPT unit is associated with the CC command selection unit, the CC/CV command unit and the PWM generator unit to operate the solar power at the maximum power point (MPP). That is, the maximum power can be obtained by the MPPT unit.
5.2. CC Command Selection Unit
When the proposed hybrid converter is operated in the charging condition, the CC-CV method is used to implement lithium battery charge. In general, the operational exchange time and the CC and CV methods have VB ≥ VB(max), where VB(max) represents the voltage regulation value under the CV operational condition. Therefore, the proposed hybrid converter always adopts the CC mode to charge the battery, and then the charging operational condition can be changed from CC mode to CV mode when voltage VB is equal to or greater than voltage VB(max). In order to operate in a proper CC command value under the CC operational mode, the CC command selection unit first determines the CC command value IBcom1 under the maximum power PPV (max) of the solar power. The CC command value IBcom1 is equal to (PPV (max)/VB). Since the charging current IB is limited with IB(max), the CC command selection unit uses charging current selection to judge the relationship between IBcom1 and IB(max). When IB ≥ IB(max), signal Scc is in the high-level condition. If IBcom1 < IB(max), signal Scc is in the low-level condition. The signal Scc is sent to the CC command selector. According to the operational condition listed in Table 2, the CC command value IBcom is equal to IB(max) when Scc is in the high-level condition, and IBcom is equal to IBcom1 as the Scc is in the low-level condition. The CC command value IBcom is sent to the CC/CV command unit to be used as the reference value Vref of the PWM generator under the CC operational condition.
5.3. CC/CV Command Unit
The CC/CV command unit is used to generate the command value Vref for PWM generator. Since the battery charging period is divided into two intervals, while there are CC operational intervals and CV operational intervals, their command values are different. When the charging mode is in the CC operational condition, the command value Vref is equal to IBcom. If the charging mode is under the CV operational condition, Vref equals VB(max). In the CC/CV command unit, the charging state depends on voltage VB. When VB ≥ VB(max), the charging state enters the CV operational condition. At this time, signal Scm is in the high-level condition. Moreover, when VB < VB(max), the charging state is under the CC operational condition. The signal Scm is in the low-level condition. As mentioned above, the operational condition of battery is determined by the voltage level of battery. The CC/CV command unit can be used to determine the command value Vref depending on the different operation condition.
5.4. PWM Generator Unit
The PWM generator unit includes a feedback selector, a PWM generator, a gate driver under the charging condition, a gate driver under the discharging condition, and a PWM signal selector. The feedback selector and the PWM generator are combined to generate PWM signal GPWM. When VB ≥ VB(max), signal Scm is in the high-level condition, and the operational condition is in the CV charging mode. The feedback signal Vf in the feedback selector is equal to VB and the output voltage Vref of the CC/CV command selector. By comparing the error values between signals Vref and Vf with triangle wave, the PWM signal GPWM can be produced. On the other hand, when signal Scm is in the low-level condition, the charging mode is operated in the CC charging mode. The command value Vref equals IBcom and feedback signal Vf is equal to IB. The signals Vref and Vf are sent to the PWM generator to produce PWM signal GPWM.
The gate driver under the charging condition can generate two PWM signals M11 and M12 by GPWM. In this operational condition, signal M11 is equal to signal GPWM. While signal M12 is generated by signal GPWM in complementary. Moreover, the gate driver under the discharging condition can generate two signals, M21 and M22, by GPWM. In this circuit, signal M22 equals GPWM, while signal M21 is generated by signal GPWM in complementary. Two pair signals, (M11, M12) and (M21, M22), are sent to the PWM signal selector to generate signals M1 and M2, respectively. Moreover, a photo sensor is adopted to generate signal Sph. When signal Sph is in the high level condition,,the proposed hybrid converter is operated in the charging condition. Signal M1 = M11 and M2 = M12. Signal S12 is used to drive relay. Therefore, the switch S1 is in the off state and the switch S2 is in the on state. If signal Sph is in the low-level condition, the proposed hybrid converter is operated in the discharging condition. Signal M1 = M21, and M2 = M22. Signal S12 is adopted to drive relay, where te switch S1 is in the on state and switch S2 is in the off state. In addition, when signal SD changes from low level to high level, the proposed hybrid converter is shut down due to operational conditions under overcurrent, overvoltage, or undervoltage protection.
5.5. Battery Protection Unit
The battery protection unit includes overcurrent, overvoltage, and undervoltage protections. When the charging or discharging current IB is equal to or greater than the set current IBS, signal SDI varies from low level to high level. The operational condition is in the overcurrent condition, and the proposed hybrid converter must be shut down. If voltage VB is equal to or greater than voltage VBS, signal SDV changes from the low level to high level. The operational condition is in the overvoltage condition. The proposed hybrid converter has to be shut down. In addition, when voltage VB is equal to or less than voltage VBU, the proposed hybrid converter enters the under-voltage operational condition. Signal SDU is in the high-level state, and the proposed hybrid converter is shut down. Output signal SD can be expressed by SDI + SDV + SDU. When signal SD changes from low level to high level, the PWM signal selector is disabled. That is, signals M1, M2, and S12 are in the low-level condition, simultaneously. Switches M1, M2, and relay are simultaneously in the off state, resulting in the proposed hybrid converter operated in the shutdown condition.
6. Experimental Results
The proposed hybrid converter is regarded as the charger and discharger. In order to verify its feasibility, a prototype was implemented by the following specifications:
- Charger: zeta converter:
- Input voltage VPV: DC13.5~22.5 V (PV array);
- Maximum input power PPV(max): 50 W;
- Operating frequency fs1: 50 kHz;
- Maximum charging current IBC(max): 6 A;
- Output voltage VB: DC5 V~8.4 V (lithium battery: 3.2 Ah).
- Discharger: flyback converter:
- Input voltage VB: DC5 V~8.4 V (lithium battery: 3.2 Ah);
- Maximum input current IBD(max): 6.8 A;
- Operating frequency fs2: 50 kHz;
- Maximum output current Io(max): 4.2 A;
- Output voltage Vo: 12 V.
As circuit specifications mentioned above, the PV arrays adopts a maximum output power PPV(max) = 50 W. The important parameters of the PV arrays are listed in Table 4. Since a single battery cell possesses a lower voltage level, a number of battery calls are connected in series to increase its output voltage capability or, in parallel, to increase its output current capability. Considering the voltage and current ratings of the battery pack, two battery cells are connected in series to form a battery string, and four battery strings are connected in parallel to form a battery pack. That is, the battery pack are combined with 2 series*4 in parallel. Its specifications are listed in Table 5. According to the circuit specifications of the proposed hybrid converter, the voltage and current stresses of switches M1 and M2 are 31 V/7.47 A and 31 V/9.49 A, respectively. Here, the switches M1 and M2 are realized by Aow 2918 with the voltage and current ratings of 100 V/90 A. In addition, the voltage and current stresses of diode D2 are 20.4 V/7.82 A, respectively. STPS10L60D, with voltage and current ratings of 60 V/10 A, is selected for diode D2. The selection of the key components are listed in the following.
Table 4.
Parameters of PV arrays supplied by PV arrays manufacturer.
Table 5.
Specifications of battery pack supplied by battery manufacturer.
- Switches M1 and M2: Aow2918;
- Capacitor CB: 10 µF/100 V;
- Transformer Tr core: EE-33;
- Transformer Tr: Lm = 48 µH (leakage inductance Lk = 7 µH);
- Trans ratio N: 1;
- Diode D2: STPS10L60D;
- Capacitor CC: 0.5 µF.
The proposed hybrid converter can be regarded as a battery charger and discharger. In order to verify functions of the proposed hybrid converter, some experimental results are measured for battery charging or discharging. When the proposed hybrid converter is operated in the battery charging condition, Figure 16 and Figure 17 show the measured switch voltage VDS and current IDS waveforms of switches M1 and M2. Figure 16 illustrates those waveforms under the 20% full-load condition, while Figure 17 expresses those waveforms under the 100% full-load condition. From Figure 16 and Figure 17, it can be seen that the proposed hybrid converter can be operated in CCM from the 20% full-load condition to the 100% full-load condition. Figure 18 depicts measured battery voltage VB and current IB waveforms under different battery charging currents. Figure 18a shows those waveforms under the average charging current IB(av) = 2 A, while Figure 18b illustrates those waveforms under the average charging current IB(av) = 6 A. Figure 18 shows that the proposed hybrid converter can operate in different charging currents IB. In order to verify the dynamic response of the proposed hybrid converter, the charging current IB changed with the step-load change between IB = 0.6 A and IB(max) = 6 A is shown in Figure 19. From Figure 19, it can be seen that when the battery charging current IB varies between 0.6 A and 6A, voltage VB of battery can be kept within ±1%. By using PV arrays as the input source of the proposed hybrid converter, the perturbation and observation (P&O) method is adopted to acquire the maximum power of the PV arrays. When the MPPT of the solar power is implemented, the solar power is replaced by power supply with a function of the solar power simulation curve. Figure 20 shows measured PV arrays voltage VPV, current IPV, and power PPV waveforms under PPV(max) = 50 W. In Figure 20, when PV arrays power PPV varies from 0 W to 50 W, it needs about 450 ms to trace the maximum power. After t1, PV arrays power is kept at 50 W. That is, the solar power is operated at maximum power point.
Figure 16.
Measured switch voltage VDS and current IDS waveforms under 20% of full-load condition: (a) switch M1 and (b) switch M2.
Figure 17.
Measured switch voltage VDS and current IDS waveforms under 100% of full-load condition: (a) switch M1 and (b) switch M2.
Figure 18.
Measured battery voltage VB and current IB waveforms (a) under IB = 2 A and (b) under IB(max) = 6 A.
Figure 19.
Measured battery voltage VB and current IB waveforms under step-load change between IB = 0 A and IB(max) = 6 A.
Figure 20.
Measured PV array voltage VPV, current IPV and power PPV under maximum PV power PPV(max) = 50 W.
When the proposed hybrid converter is operated in the discharging condition, the active clamp flyback converter is used to achieve battery discharging, as shown in Figure 7b. Figure 21 and Figure 22 illustrate that the measured switch voltage VDS and current IDS waveforms of the proposed hybrid converter under battery voltage VB = 8 V. Figure 21 shows those waveforms under the 30% full-load condition, while Figure 22 indicates those waveforms under the 100% full-load condition. From Figure 21 and Figure 22, it can be observed that switches M1 and M2 are approximately operated with ZVS at turn-on transition under the 30% full-load condition. That is, soft-switching ranges of the proposed hybrid converter operated in the discharging condition are depicted from 30% to 100% of the full-load condition. Figure 23 illustrates the measured output voltage Vo and current Io waveforms of the proposed hybrid converter under step-load changes between Io = 0 A and Io = 4 A. When load current Io varies between 0 A and 4 A, the output voltage variation ΔVo is limited within ±1%. That is, the proposed hybrid converter possesses a good dynamic response. Figure 24 shows the efficiency comparison between a flyback converter with a hard-switching circuit and with the proposed active clamp circuit from light load to heavy load. In Figure 24, the conversion efficiency of the flyback converter with the proposed active clamp circuit under 100% of full-load condition is about 87%. It is 4% more efficiency than that of a flyback converter with a hard-switching circuit under a 100% full-load condition. The total power loss under the full-load condition equals 7.52 w. According to power loss analysis, the driving circuit is about 2.8% of the total power loss. Losses of switches are approximated to be 36% of the total power loss; the losses of diode D2 are about 31.2% of the total power loss; while losses of transformer Tr are approximately 30% of the total power loss.
Figure 21.
Measured switch voltage VDS and current IDS waveforms under 30% of full-load condition: (a) switch M1 and (b) switch M2.
Figure 22.
Measured switch voltage VDS and current IDS waveforms under 100% of full-load condition: (a) switch M1 and (b) switch M2.
Figure 23.
Measured output voltage Vo and current Io waveforms under step-load switching circuit from light load to heavy load.
Figure 24.
Conversion efficiency comparison between flyback converter with the proposed active clamp circuit and the one with hard-switching circuit from light load to heavy load.
7. Conclusions
The proposed zeta/flyback hybrid converter is regarded as the battery charger and discharger for solar power applications. In this paper, the degenerated circuit of the proposed hybrid converter is presented for reducing the components required. In addition, the circuit operational theorem, the circuit analyses, and the design of the proposed hybrid converter have been explained and derived in detail. From the experimental results, it can be seen that when the proposed hybrid converter operates in the charging condition, it can implement the MPPT of the solar power and charge the battery with the different charging current. Moreover, the proposed hybrid converter working in the discharging condition can be operated with ZVS at turn-on transition. The experimental results also showed that the conversion efficiency is 87% under 100 % of full-load condition, which is increased by 4% as compared with the conventional counterparts with hard-switching circuit. A prototype of the proposed zeta/flyback hybrid converter has been implemented for lithium battery charger and driving LED lighting, respectively. The specifications of the maximum charging voltage and maximum charging current for lithium battery charger are 8.4V and 6 A, and the specifications of the output voltage and maximum output current for driving LED lighting are 12V and 4.2 A have been accomplished with the prototype to verify the feasibility of the proposed hybrid converter. Experimental results prove that the proposed hybrid is suitable for driving LED lighting.
Author Contributions
Conceptualization, S.-Y.T.; methodology, S.-Y.T.; software, S.-Y.T. and J.-H.F.; validation, S.-Y.T.; data curation, S.-Y.T.; writing—original draft preparation, S.-Y.T.; writing—review and editing, S.-Y.T.; visualization, S.-Y.T.; project administration, S.-Y.T. and J.-H.F. All authors have read and agreed to the published version of the manuscript.
Funding
This research was funded by MOST in Taiwan, grant number MOST 110-2221-E-182-040.
Institutional Review Board Statement
Not applicable.
Informed Consent Statement
Not applicable.
Data Availability Statement
Not applicable.
Conflicts of Interest
The authors declare no conflict of interest.
References
- Castro, I.; Vazquez, A.; Aller, D.G.; Arias, M.; Lamar, D.G.; Sebastian, J. On Supplying LEDs from Very Low DC Voltages with High-Frequency AC-LED Drivers. IEEE Trans. Power Electron. 2019, 34, 5711–5719. [Google Scholar] [CrossRef]
- Wang, Y.; Hu, X.; Guan, Y.; Xu, D. A Single-Stage LED Driver Based on Half-Bridge CLCL Resonant Converter and Buck–Boost Circuit. IEEE Trans. Power Electron. 2019, 7, 196–208. [Google Scholar] [CrossRef]
- Tsou, M.-C.; Kuo, M.-T. Optimal Combination Design of a Light Emitting Diode Matrix Applicable to a Single-Stage Flyback Driver. Energies 2020, 13, 5209. [Google Scholar] [CrossRef]
- Zhang, F.; Xie, Y.; Hu, Y.; Chen, G.; Wang, X. A Hybrid Boost–Flyback/Flyback Microinverter for Photovoltaic Applications. IEEE Trans. Ind. Electron. 2020, 67, 308–318. [Google Scholar] [CrossRef]
- Lodh, T.; Pragallapati, N.; Agarwal, V. Novel Control Scheme for an Interleaved Flyback Converter Based Solar PV Microinverter to Achieve High Efficiency. IEEE Trans. Ind. Appl. 2018, 54, 3473–3482. [Google Scholar] [CrossRef]
- Das, M.; Agarwal, V. Design and Analysis of a High-Efficiency DC–DC Converter with Soft Switching Capability for Renewable Energy Applications Requiring High Voltage Gain. IEEE Trans. Ind. Electron. 2016, 63, 2936–2944. [Google Scholar] [CrossRef]
- Khodabandeh, M.; Afshari, E.; Amirabadi, M. A Family of Ćuk, Zeta, and SEPIC Based Soft-Switching DC–DC Converters. IEEE Trans. Power Electron. 2019, 34, 9503–9519. [Google Scholar] [CrossRef]
- Tian, Q.; Zhou, G.; Liu, R.; Zhang, X.; Leng, M. Topology Synthesis of a Family of Integrated Three-Port Converters for Renewable Energy System Applications. IEEE Trans. Ind. Electron. 2021, 68, 5833–5846. [Google Scholar] [CrossRef]
- Banaei, M.R.; Sani, S.G. Analysis and Implementation of a New SEPIC-Based Single-Switch Buck–Boost DC–DC Converter with Continuous Input Current. IEEE Trans. Power Electron. 2018, 33, 10317–10325. [Google Scholar] [CrossRef]
- Liu, X.; Wan, Y.; Dong, Z.; He, M.; Zhou, Q.; Tse, C.K. Buck–Boost–Buck-Type Single-Switch Multistring Resonant LED Driver with High Power Factor and Passive Current Balancing. IEEE Trans. Power Electron. 2020, 35, 5132–5143. [Google Scholar] [CrossRef]
- Tseng, S.-Y.; Fan, J.-H. Buck-Boost/Flyback Hybrid Converter for Solar Power System Applications. Electronics 2021, 10, 414. [Google Scholar] [CrossRef]
- Cao, Y.; Li, K.; Lu, M. Balancing Method Based on Flyback Converter for Series-Connected Cells. IEEE Access 2021, 9, 52393–52403. [Google Scholar] [CrossRef]
- Guo, X.; Geng, J.; Liu, Z.; Xu, X.; Cao, W. A Flyback Converter-Based Hybrid Balancing Method for Series-Connected Battery Pack in Electric Vehicles. IEEE Trans. Veh. Technol. 2021, 70, 6626–6635. [Google Scholar] [CrossRef]
- Yuan, Y.; Lai, L.; Wu, Q.; Yi, C. An Integrated Boost-LC-Resonant-Flyback Multimode Converter for Battery Charger Applications. IEEE Trans. Ind. Electron. 2021, 68, 5686–5689. [Google Scholar] [CrossRef]
- Ravi, V.; Satpathy, S.; Lakshminarasamma, N. An Energy-Based Analysis for High Voltage Low Power Flyback Converter Feeding Capacitive Load. IEEE Trans. Power Electron. 2021, 35, 546–564. [Google Scholar] [CrossRef]
- Kumar, M.; Babu, Y.N.; Pullaguram, D.; Mishra, S. A high voltage gain non-isolated modified three-port DC/DC converter based on integrated Boost-Cuk topology. In Proceedings of the 2017 IEEE PES Asia-Pacific Power and Energy Engineering Conference (APPEEC), Bangalore, India, 8–10 November 2017; pp. 1–6. [Google Scholar]
- Wu, H.; Zhang, J.; Xing, Y. A Family of Multiport Buck–Boost Converters Based on DC-Link-Inductors (DLIs). IEEE Trans. Power Electron. 2015, 30, 735–746. [Google Scholar] [CrossRef]
- Wu, Y.-E.; Chiu, P.-N. A High-Efficiency Isolated-Type Three-Port Bidirectional DC/DC Converter for Photovoltaic Systems. Energies 2017, 10, 434. [Google Scholar] [CrossRef] [Green Version]
- Manoharan, P.; Subramaniam, U.; Babu, T.S.; Padmanaban, S.; Holm-Nielsen, J.B.; Mitolo, M.; Ravichandran, S. Improved Perturb and Observation Maximum Power Point Tracking Technique for Solar Photovoltaic Power Generation Systems. IEEE Syst. J. 2021, 15, 3024–3035. [Google Scholar] [CrossRef]
Publisher’s Note: MDPI stays neutral with regard to jurisdictional claims in published maps and institutional affiliations. |
© 2022 by the authors. Licensee MDPI, Basel, Switzerland. This article is an open access article distributed under the terms and conditions of the Creative Commons Attribution (CC BY) license (https://creativecommons.org/licenses/by/4.0/).

























