Abstract
Electricity access in rural areas is a critical challenge for global electrification. Most countries have focused on increasing electricity coverage without assessing the long-term sustainability of such solutions. To achieve sustainability in rural electrification solutions, it is necessary to consider five dimensions: technical, environmental, economic, social, and institutional. This paper reviews the state of rural electrification worldwide and proposes a dynamic tariff scheme that increases the technical and economic conditions of implemented solutions over an extended period. The proposed time-of-use (TOU) pricing methodology aims to flatten the system demand curve and utilize on-site renewable energy potentials. For the methodology’s evaluation, we analyzed a case study focused on electrification in isolated areas of Colombia, conducting a sensitivity analysis of user-behavior to the proposed tariff scheme using the concept of price elasticity of demand. We also evaluated the effect of the achieved demand curve flattening on the system frequency. The identified benefits highlight that an accurate pricing scheme can reduce the variation range in the system frequency. Furthermore, the evaluation results show that the implementation of the proposed tariff scheme has the potential to significantly flatten the demand curve and encourage the connection of non-conventional renewable sources to improve network conditions.
1. Introduction
1.1. Background and Aims
Since the Johannesburg Summit in 2002, the fundamental role that energy plays in achieving sustainable development has been recognized in the literature on energy policy [1,2,3], and there seems to be a consensus that sustainable development is not possible without affordable, reliable, and clean energy [3].
Currently, around one-tenth of the world’s population remains without electricity; mainly in the developing countries’ poorest and most geographically remote areas [4]. It is worth noting that access to reliable, sustainable, safe, and modern electricity is essential to achieve sustainable development goals [5] related to eradicating extreme poverty, increasing food production, accessing safe drinking water and public health services, increasing economic opportunities, achieving gender equity, and attaining quality education [6].
Rural electrification is considered a crucial prerequisite for development and the elimination of barriers to economic growth. Electricity potentially increases productivity in agricultural and non-agricultural activities, facilitates domestic tasks, provides a source of clean and efficient lighting, and enables the delivery of improved social services such as education and health [5].
In recent years, the overall electrification rate has increased by less than 1% annually [5], so the proportion of the world’s population with access to electricity increased from 83% in 2010 to 91% in 2020. The number of people without access decreased from 1.2 billion in 2010 to 733 million in 2020 [4]. However, the rate of progress in electrification has slowed in recent years due to the growing complexity of reaching more remote populations; a difficulty worsened by the impact of the COVID-19 pandemic. In this scenario, from 2010 to 2018, an average of 130 million people gained access to electricity each year; a pace that fell to 109 million between 2018 and 2020. The annual growth rate of access to electricity was 0.8% between 2010 and 2018 and only 0.5% between 2018 and 2020 [7].
Achieving universal access to sustainable, reliable, and affordable energy should be an integral part of a just energy transition [6]. Therefore, all countries with a deficit in access to electricity should adopt comprehensive national strategies for electrification and access to clean cooking fuels and integrate energy access priorities within their economic development strategies. Since the beginning of the 21st century, Latin American countries have shown a significant increase in rural electrification rates due to direct government intervention in planning, financing, and executing national rural electrification programs. This situation is particularly noteworthy in cases such as Brazil, Bolivia, and Venezuela [7,8]. According to the historical record of the Latin American Energy Organization (OLADE), from 2005 to 2014, the electrification rate in South America increased at a rate of 0.57% annually, increasing from 93.16% to 96.19% [9]. However, this rate was reduced to 0.27% from 2014 to 2017 [10]. The reduction presented between 2014 and 2017 is due to the focus on increasingly dispersed and isolated homes that require autonomous electrification systems with renewable energy technologies since interconnection with the central system is unfeasible due to remote location, difficult land access, low population density, and the location of populations, in some cases, in environmentally protected areas [11]. Currently, 22 million people are without electricity, particularly in Haiti, Guatemala, Colombia, Honduras, Mexico, Bolivia, and Peru [4]. Figure 1 shows an overview of coverage in electrification and of the populations without access to electricity supply in Latin America.
Figure 1.
Latin American overview of the populations without access to electricity, electrification rate by country (electrification coverage) in 2021, and average increase in national electrification rate in the 2011–2021 scenario. Each vertical axis is marked with the color of the corresponding series, and the scale and unit of measurement are indicated on it. Source: Own compilation based on [4].
1.2. Literature Survey of the Challenge of Sustainable Rural Electrification
Electrification of isolated areas is one of the predominant issues in electrification worldwide [12]. Most countries have focused on increasing access to electricity without paying relevant attention to whether these solutions are sustainable [13,14].
The concept of sustainability is generally understood as the ability to maintain a specific state over an extended time [15]. In the literature, there are different ideas about the meaning of sustainable development in various domains and fields of research often without understanding the holistic concept, and thus creating difficulties in other components not initially considered as dimensions of “sustainability” analysis [16].
In general, we could say that humans choose to maintain themselves within their analysis or system as an aspect of sustainability that is valuable to them [15,16]. Therefore, we could argue that sustainable development is a concept that inherently is subjective and requires deliberative forms of governance and evaluation for its holistic definition [16].
In this context, and based on an analysis of the related literature, the concept of sustainability in rural or isolated electrification projects is related to the following dimensions:
- Technical sustainability: encompasses concepts such as resilience, reliability, and continuity of the installed systems and energy security [10]. It also considers the use of on-site energy potentials and the reduction in dependence on fuel transportation.
- Environmental sustainability: refers to the ability to maintain the qualities valued in the physical world, such as the natural environment that maintains living conditions for people and other species (clean and available water and air, suitable climate, etc.), ensuring habitability for the future generations [17,18].
- Economic sustainability: encompasses the ability to keep a project operational with minimal or no dependence on external sources of financing other than the fees received for the service, without the collection of these fees compromising the economic capacity of users [19].
- Social sustainability: considers the human costs and benefits of corporate activities and refers to the achievement of justice, equality, and well-being for people and their communities in the present and the future. Social sustainability implies equality, well-being, and balance between indicators of quality of life among sociocultural groups and legal entities (corporations and governments) over time and from one generation to the next [20].
- Institutional sustainability: refers to the activities of government and non-governmental institutions related to providing tools that support decision-making and implementation of sustainability policies. It relates to how institutions shape behavior, expectations, relationships, value, and perceptions of actors and, therefore, their approach to, and objectives for, sustainable development [21].
In this sustainable development framework, multiple authors have formulated methodologies for the planning, design, and execution of rural or isolated electrification projects, while focusing their approach on some of these dimensions [10,22,23]. However, the applicability of these methodologies must be evaluated concerning the resilience and adaptability of the model [19]. Typically, the proposed methodologies found in the literature support decision-making on indicators or data of the target community that, in some contexts, may not be available, such as electricity consumption per user in unelectrified communities or individually unmeasured users.
Under this paradigm, Figure 2 shows the characterization, in terms of sustainability approach, of different methodologies found in the literature that tend towards the implementation of sustainable energy solutions in rural or isolated areas. Appendix A provides a comprehensive characterization of each methodology presented in Figure 2; emphasizing the sustainability approach adopted by each.
Figure 2.
Sustainability approach of different methodologies for electrification of rural or isolated areas found in the literature. Source: Own compilation based on [10,22,23,24,25,26,27,28,29,30,31,32,33,34,35,36].
The following aspects stand out from the methodologies presented in Figure 2:
- There is a clear need to establish indicators that allow for the quantitative evaluation of each sustainability dimension considered relevant in each methodological framework [22,24,37].
- In general, methodologies that consider a social participation approach in decision-making lack the establishment of rigorous technical mechanisms that guarantee the sustainability of the system operation over an extended period.
- Few methodologies consider a systemic approach in which the interactions between the different components of sustainability are considered relevant, and typically some criteria or indicators are correlated with each other (an analysis excluded in most methodologies) [32].
- Methodologies focus on, or are rigorous in, only one or two of the sustainability dimensions analyzed in this document, and the effect that the other components may have on the dimensions studied is excluded. Additionally, when methodologies seek to comprehensively cover all sustainability dimensions, the rigor of each dimension study decreases. This makes it necessary to establish a mechanism for prioritizing indicators that allow decision-makers to focus their analysis on the components that will be most impacted by the project according to the objective context.
- In the economic aspect, few methodologies tend to promote the economic independence of rural electrification solutions from external sources of financing, such as government subsidies, which limits the adaptability of methodologies in sustainable long-term planning.
1.3. Contributions and Paper Content
In this scenario, the analysis of different methodologies found in the literature allows for the identification of a series of challenges and needs that still need to be studied in more detail, such as the maintenance of the technical and economic sustainability of rural or isolated electrification solutions over an extended period without dependence on external sources of financing.
Therefore, this work presents an analysis of the state of rural electrification globally and considers a comprehensive approach from various perspectives, including technical, economic, environmental, social, and institutional sustainability. Additionally, a proposal for a simple time-of-use tariff scheme is presented to encourage users to respond to the needs of the network, flattening the demand curve, improving system frequency stability, and promoting the maximum use of renewable resources in the system.
Typically, dynamic tariff schemes are based on market price variations when establishing consumption time-of-use bands. In the case of isolated or rural networks, the main objective is not to reduce electricity supply costs but to generate schemes that allow for increased continuity in service provision. Furthermore, in cases such as Colombia’s non-interconnected zone, rural users see a leveled energy price with users who are part of the central interconnected system, so the rural user does not see the total electricity supply costs in the electricity bill. Therefore, this article proposes a methodology for establishing a time-of-use tariff scheme based on the demand curve of the objective context and the behavior of the on-site energy potentials used in electricity generation. This approach can reduce dependence on non-present fuels in the area, leverage rational and efficient energy use, and consequently improve the technical conditions of the network in terms of reducing the range in which the main technical system parameters vary.
2. The Importance of Dynamic Pricing in the Technical and Economic Sustainability of Rural Electrification Solutions
The remote location of rural communities, difficult road access, and the impossibility of expanding transmission networks to these areas, have made the electrification of isolated zones dependent on small-scale generation solutions [13]. The latter has historically led to these rural electrification solutions being mostly dependent on fossil fuels for energy production [3,38].
The global electricity sector is undergoing a fundamental transformation due to the recognition that energy generation through fossil fuels contributes to greenhouse gas emissions and other forms of environmental pollution [39]. To address this issue, renewable generation technologies are being increasingly adopted even though they are frequently subject to fluctuations in resource availability [40].
Small-scale renewable generation solutions offer a viable alternative for new rural electrification solutions or for diversifying the energy mix of existing generation systems in these areas, as this type of technology leverages the energy potential available on-site and reduces dependence on fuel purchase and transportation [3,41].
The introduction of renewable generation technologies, whose primary resource is typically variable, makes it necessary to establish tariff mechanisms that allow the user to interact with the state of the network so that they can make responsible use of electricity that contributes to the increase in the continuity and reliability of the supply [42]. In this regard, dynamic pricing has emerged as a mechanism that enables conscious electricity demand and has the potential to leverage the deployment of distributed energy resources [43].
Here, dynamic pricing design for rural electrification systems should consider two key factors. First, the average user of these systems is accustomed to flat rates, where the cost per kWh consumed is constant regardless of the time or day of electricity consumption. Second, these users are primarily residential [35].
According to [44], three principles of tariff design that are particularly important in establishing tariff schemes for residential customers that promote rational and efficient energy use are:
- The simplicity of the scheme. Tariffs should be easy for customers to understand and respond to.
- Revenue stability for service providers. Tariffs should allow service providers to obtain profits that enable them to maintain financial health.
- Promotion of energy conservation and energy efficiency. Tariffs should send price signals to customers that allow for the conscious use of electricity, especially during periods of high operating costs.
An intelligent tariff design can maximize the utilization of the existing power grid, which can help minimize future investments while also having the potential to empower consumers to make good decisions about their electricity consumption [39,45]. In addition, the tariff design should make the decisions that the customer takes to minimize their bill consistent with the alternatives that help to reduce system costs [45].
Time-varying tariff schemes present various risk-reward trade-offs for consumers. Time-varying tariffs include, among others, time-of-use (TOU) rates, critical peak pricing (CPP), peak-time rebates (PTR), and real-time pricing (RTP), as well as variations and combinations of these tariff designs. Each design provides a different degree of price volatility and uncertainty for customers and, therefore, presents a different opportunity to reduce their electricity bill by shifting the load from high-priced hours to lower-priced hours [39].
However, it is important to note that the success of time-variable pricing deployment largely depends on customer support and collaboration [44,46]. This may require implementing awareness programs that promote rational energy use and coordinate community needs with the system’s requirements, including shifting energy-intensive activities to periods of higher energy availability. It is evident that a comprehensive strategy, which considers social and institutional dimensions, is crucial for developing effective activities that support the deployment of such pricing systems or schemes. This strategy should involve the active participation of service providers, government entities, regulators, and other stakeholders [39,44,47].
In [45,48], it is recommended to implement TOU schemes as a dynamic pricing option for residential and commercial users who do not have advanced automation systems and when transitioning from flat-rate to dynamic pricing. In addition, this type of tariff promotes a permanent shift in the load from peak hours to low-priced hours and has a simple design that is predictable and easy for customers to understand. However, these tariffs do not have the dynamism to reflect real-time power system reliability events, so they are not as appropriate in addressing specific events that occur in the grid [39].
Dynamic Pricing for the Improvement of Technical Parameters of Rural Electrical Systems
In the case of rural electrification or isolated areas, one of the biggest challenges is the continuity of electricity supply. Typically, these systems are characterized by a limited number of hours-of-service provision per day, mainly due to the difficulties in transporting fuel for generation units that depend on it, and the intermittency in the availability of the primary resource in renewable generation sources of variable nature, such as photovoltaic solar generation [35,49].
The latter, combined with the communities’ economic challenges, mainly in emerging countries, makes the connection between storage systems and permanent control and monitoring systems economically unfeasible in many regions. Therefore, it is essential to establish energy management mechanisms that can be technically sustainable and cost-effective to maintain the technical variables of the system within an operational margin [8,35].
In this context, the system’s frequency and voltage are the two main variables that must be kept within established margins to ensure the reliability and continuity of the electricity supply [50,51,52]. Furthermore, maintaining the system frequency within a narrower margin ensures that there will be no spikes in demand or generations that generate significant variations in the system voltage. Therefore, keeping the frequency within its operational limits should be a priority for increasing supply continuity.
In this regard, having reviewed the literature related to the implementation of dynamic pricing as a tool that allows user participation in frequency control, three mechanisms have been identified through which demand response can help maintain system frequency within its operational limits [51,53,54,55,56,57]:
- Demand participation as a power reserve.
- Consumer participation in critical events when system reliability is compromised, by reducing consumption in response to critical peak prices.
- Participation of large population blocks in constraining the range in which frequency varies through the implementation of time-varying tariffs based on system congestion.
In this sense, one of the demand response mechanisms that allows the involvement of large segments of the population in improving the technical parameters of energy supply systems is the implementation of time-varying tariffs [58,59,60,61].
Furthermore, the design of an appropriate tariff scheme should be based on the specific characteristics of the target territory, as much of the success of deploying these schemes depends on the attitude of the customers and the effectiveness of the activities supporting the expansion of these mechanisms; while adopting tariff schemes that do not fit the technical, economic, and social characteristics of the context can lead to a reduction in system reliability indices, and subsequently an increase in the likelihood of unplanned power outages [44].
In this context, as previously mentioned, a TOU pricing scheme is a dynamic pricing option that promotes the permanent flattening of the demand curve and has a simple design that is easily understood by customers. It is also an option that allows residential and commercial users who do not have advanced automation systems to participate, especially when transitioning from flat-rate pricing.
Therefore, this paper proposes a two-stage model for the design and evaluation of a TOU scheme that allows flattening the demand curve of the system. In the first stage, the model allows for the selection of the distribution of periods and the assignment of prices to each based on the characteristics of the demand curve of each region and the behavior of the energy potential of the target territory. The model then allows for the evaluation of the effects of the pricing scheme on flattening the demand curve and subsequently limiting the range in which daily demand varies.
3. Proposal for Designing Time-of-Use Tariffs to Flatten the Demand Curve in Rural Microgrids
Time-of-use pricing is characterized by grouping the 24 h of the day into categories of consumption intensity. Then, a price per kWh consumed, directly proportional to the consumption intensity in that category, is assigned to each consumption band. In other words, the 24 periods of the day are classified as periods of low, medium, or high consumption, and the energy cost is assigned according to the category of each period [43,62,63].
The kWh prices of each category must reflect market prices, which are low when generation units that depend on on-site energy potentials can supply the demanded power. Prices will increase as generation units with high-cost primary resources are connected (such as units dependent on fossil fuels). Therefore, the higher the energy consumption, the higher the price assigned to each consumption category [63].
However, generating a TOU pricing scheme with only the demand curve of the target context could fail to consider some context particularities, such as the behavior of the on-site energy potentials, and in periods with an abundance of generation from renewable resources, the energy supply cost will be reduced.
Therefore, Figure 3 shows the proposed methodology for establishing TOU schemes based on the demand curve of the target region and the behavior of the primary energy resource present in the area. A highlight that this scheme focuses on is photovoltaic solar energy use, but the model can be easily adapted for other types of renewable generation. Additionally, this proposed scheme focuses on rural communities that are just transitioning from flat rates, so the scheme’s simplicity is prioritized.
Figure 3.
Proposed methodology for the establishment of time-of-use dynamic pricing programs. Source: Own compilation.
The following method is proposed to define the TOU scheme, which aims to flatten the demand curve while promoting greater use of electricity generated from photovoltaic solar units.
Initially, the demand curve is normalized, and its percentiles are determined to categorize each consumption period into one of the following three categories: peak, shoulder, and off-peak. Periods in which the mean consumption falls between the percentiles 0 and 40 are considered off-peak periods; periods with mean electricity consumption between the percentiles 40 and 70 are considered shoulder periods; and periods whose mean consumption falls between the percentiles 70 and 100 are considered peak periods.
By following this procedure, the electricity demand curve of the target context is divided into three energy consumption categories. However, this does not guarantee that the number of time slots for time-of-use rates is three, as situations such as those presented in Table 1 may occur.
Table 1.
Example of time categorization for establishing time slots for time-of-use (The background color indicated in the category row allows for easy visualization of the consumption bands that are created) rates. Source: Own elaboration.
In cases such as these, even if the number of consumption categories is three, the number of time slots created may exceed the number of categories since a time slot can be understood as a grouping of consecutive periods that belong to the same category. Therefore, using the categorization method proposed earlier as the only parameter for defining time slots may lead to situations such as the one illustrated in Table 1 where there are only three consumption categories, but there are five time slots.
Although a scheme with five time slots is theoretically correct in a TOU scheme, it is essential to opt for simple schemes that can be easily understood and remembered by any user. Therefore, it is necessary to find a way to reduce the number of time slots. Therefore, an additional technical parameter can be used for decision-making.
In this case, the behavior of renewable resources embedded in the system was selected as an additional parameter for decision-making.
The selection of solar radiation as an additional parameter for establishing time slots was because the procedure described above corresponds to a scheme that encourages flattening the demand curve but does not consider the use of the photovoltaic solar resource, one of the most used in isolated microgrids. In other words, although the system seeks to reduce peak consumption and to fill valleys (increased demand during periods of reduced consumption), it does not prioritize filling valleys during abundant photovoltaic solar generation.
The average solar radiation in the objective context was taken for each period of the day to consider the generation from photovoltaic solar units as a decision parameter. The radiation was categorized into several categories using the same classifications used by the Colombian Institute of Hydrology, Meteorology, and Environmental Studies—IDEAM [64]:
- Low radiation: [0, 200] Wh/m2.
- Medium-low radiation: (200, 400] Wh/m2.
- Medium radiation: (400, 600] Wh/m2.
- Medium-high radiation: (600 to 800] Wh/m2.
- High radiation: >800 Wh/m2.
Each category was assigned a relative multiplication factor that is inversely proportional to the mean solar radiation of each category; this means that the factor decreases as the category (or solar radiation) increases, as shown in Equation (1).
where fREU—i is the factor that encourages the generation consumption of photovoltaic solar sources in the ith period and Ib—i is the average irradiance of the area in Wh/m2 over the ith period.
The curve of the factor to incentive renewable generation for all periods is then multiplied by the original electricity demand curve period by period, and the resulting curve is classified again. The latter ensures that the initial categorization method not only aims to flatten the demand curve but also encourages the consumption of generation from renewable sources embedded in the system.
Once the final TOU scheme is obtained, prices are assigned to each resulting category. First, based on the flat electricity price at the time of program design, the average daily electricity cost is calculated. Time-varying tariff schemes must ensure user protection by not imposing exaggerated charges on those who choose not to modify their consumption in response to changes in electricity prices. Therefore, the aim is to ensure that those users who do not modify their daily demand curve pay approximately the same cost as the flat rate.
Subsequently, the deviation between each period’s average consumption and the average daily electricity consumption is determined. The electricity price for each time-of-use period is calculated using these deviations and takes the base electricity price as the average price. However, sometimes the direct application of these prices results in a final cost seen by users with a variation of more than 10% compared to the flat rate. Therefore, according to the context, the designer can manually adjust these prices until a balance is achieved between the daily cost of electricity seen by the user with flat rates and the cost with the application of the new scheme. This approach encourages a modification of the consumption pattern of end-users while ensuring a fair price for all.
After establishing the time slots and electricity prices, it is necessary to model the change in the demand curve due to the changes in the electricity price. The price elasticity of demand concept is used to evaluate the demand response to the new tariff scheme. Equation (2) shows that the price elasticity of demand is the ratio of the percentage change in quantity demanded to the percentage change in price [65]:
where represents the elasticity (the price elasticity of demand is calculated by comparing the percentage change in quantity demanded to the percentage change in price; price elasticity is a measure of the responsiveness of the quantity demanded to a change in its price; it is a unitless measure, which means that it does not have any standardized units), q is the demanded quantity, and P is the price.
Therefore, it is essential to consider that the electricity demand of residential users accustomed to flat-rate pricing tends to be inelastic [66]. International experiences in the application of demand response programs based on hourly rates have been able to establish the values of price elasticity of demand that can be expected when initiating the application of these programs [67]; a price elasticity of demand of 0.1 allows for largely conservative predictions of user behavior, while an elasticity of 0.3 to 0.5 should be considered an optimistic scenario.
To determine the range in which demand may respond to the proposed tariff scheme, it is necessary to carry out a sensitivity analysis. This analysis evaluates the behavior of the demand curve of the system regarding the proposed tariff scheme with a variation of the price elasticity of demand within a range of 0.0 to 0.3 (conservative projection). This analysis shows the possible modifications in the consumption curve that will be triggered by the application of the proposed TOU scheme.
Once the sensitivity analysis is completed, it is proposed to carry out a dynamic or quasi-dynamic simulation of the microgrid. This simulation evaluates the behavior of the technical variables of the system according to the daily evolution of the base demand curve and the limit scenarios obtained with the sensitivity analysis. For this analysis, the authors of this article have used the Quasi Dynamic Simulation package of DIgSILENT Power Factory 15.1.2 ®.
4. Case Study and Evaluation of the Proposed Tariff Model
4.1. General Context of the Case Study
The electrification of isolated areas in Colombia poses one of the most significant challenges for the country’s energy transition. According to [68], Colombia’s energy matrix ranks fourth in the share of renewables in energy production. However, it is crucial to note that the country’s electrical systems are categorized into two types: the National Interconnected System (SIN) and isolated microgrids. SIN, which operates with centralized generation units, provides electricity to 80% of the country’s electricity demand but only covers 47% of the national territory, while the remaining 53% is covered by isolated microgrids that rely on distributed generation resources and serve mainly residential demand [69,70,71].
In Colombia, the isolated microgrids are collectively referred to as Non-Interconnected Zones (ZNI) and provide power to 1786 localities located in environmentally protected areas such as tropical forests, deserts, mountain ranges, and snowy mountains, and 26 national parks, among others [72]. These areas have 201,525 users [73].
Electrifying these remote and environmentally sensitive areas poses significant challenges for the electric power service providers due to the difficulty in accessing these localities and the possible environmental impacts. Expanding transmission networks to many of these areas is unfeasible which makes energy supply dependent on the primary resources available in these territories or the use of fossil fuel generators [74]. Diesel is the primary source of energy for most localities in the ZNIs (86.5% of the aggregated capacity of these microgrids corresponds to diesel), with only 15 localities operating projects that integrate renewable energy with diesel production units [75,76].
In addition, ZNI communities are characterized by low population density, low payment capacity, low collection levels, and an unsatisfied basic needs index greater than 77%. These areas have low average consumption levels, high service delivery costs, low micro-measurement levels, and high dependence on fossil fuels [76,77]. The transportation of primary energy resources, coupled with limited on-site generation alternatives, leads to a scarce, deficient, and costly energy supply in the ZNI; while the payment capacity for energy is low [78]. Therefore, energy management in these areas presents challenges not only in technical sustainability but also in issues related to economic, social, and environmental sustainability.
One of the biggest challenges for rural electrification in Colombia is the implementation of individual measurement infrastructure in rural areas [79]. Without information related to electricity consumption, the implementation of the proposed dynamic pricing methodology on an individual basis is limited. Therefore, it is necessary to start with social programs that promote efficient resource management through system status notifications and the establishment of typical, critical, and steady-state operating ranges in the early stages of energy-efficient management system implementation.
It is also important to consider the investments made by Colombia to finance the Non-Interconnected Zones (ZNI), which amounted to more than COP $1.2 trillion from 2018 to 2022 [80]. In this regard, the Colombian Ministry of Mines and Energy recently issued a resolution establishing the procedure and criteria for the distribution and disbursement of subsidies for the public electricity service in the ZNIs [80]. All with the aim of providing energy to 500,000 users located in isolated areas by 2035 [81], which requires the deployment of individual measurement infrastructure [82].
Currently, some service providers estimate energy use based on applicable regulations, which means that the information reported to the National Unique Information System (SUI) does not fully reflect the reality of service delivery [79]. Therefore, one of the main strategies established by the Colombian government to promote the deployment of individual measurement infrastructure are the tax incentives proposed for energy-efficient management projects. These incentives represent an opportunity for those interested in investing in smart metering deployment projects for these types of communities [83,84].
4.2. Case Study
To evaluate the proposed method for defining a TOU scheme in an isolated microgrid that resembles Colombian ZNIs, we consider a typical demand curve for aggregating residential and some commercial users, as shown in Figure 4. The demand curve shape was obtained from the national market operator [85] and scaled to the level of the isolated microgrid considered in this exercise.
Figure 4.
Demand curve, in MW, for the case study of the isolated microgrid within a 24 h horizon. Source: Own elaboration based on [85].
Additionally, we consider the hourly average solar radiation for the Antioquia-Chocó departments as the typical behavior of radiation for Colombian ZNIs. The monthly average hourly solar radiation data and the annual average hourly data are shown in Table 2.
Table 2.
Hourly average of solar radiation for the Antioquia-Chocó departments (Hourly average of solar radiation for the Antioquia-Chocó departments with the indicated categories of solar radiation represented by background colors). Source: Own compilation based on [86].
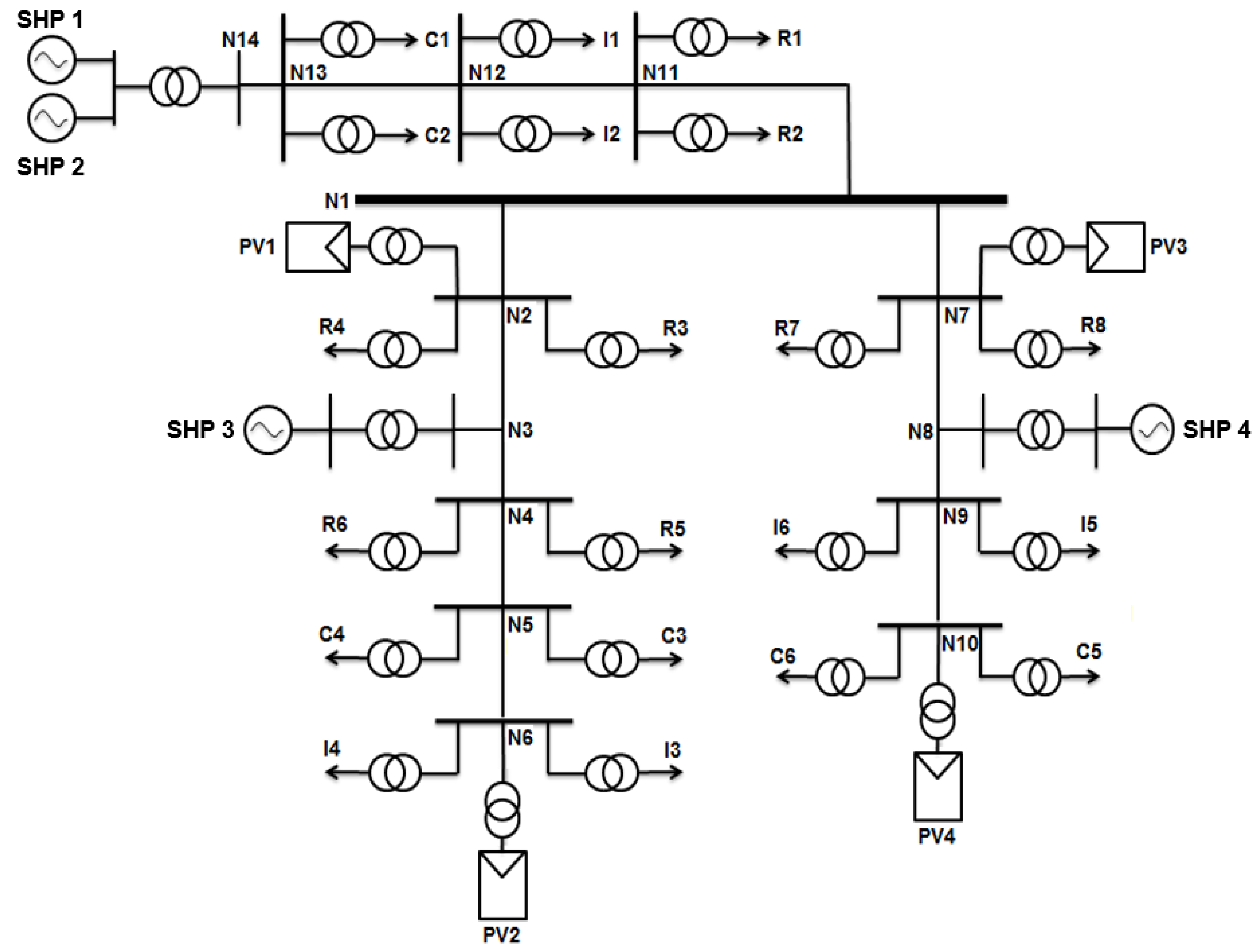
Finally, to evaluate the effects of changes in demand on the system frequency in an isolated microgrid when integrating photovoltaic solar generation units, we consider the theoretical microgrid shown in Figure 5. This microgrid corresponds to an isolated system with a voltage level of 13.2 kV/220 V, a radial topology, and is based on the characteristics of Colombian non-interconnected zones. This microgrid has four 1 MVA hydro generation units and four 300 kWp photovoltaic solar generation units.
Figure 5.
Single-line diagram of the theoretical microgrid analyzed as a case study. Source: Own elaboration.
The presented microgrid is designed to meet the typical operating conditions of population centers in non-interconnected areas of Colombia. These population centers are characterized by an agglomeration of rural or urban households, with a population ranging from 100 to 2000 inhabitants. The microgrid is specifically tailored to the common needs of these population centers, providing a reliable and sustainable source of energy to support their daily activities.
4.3. Evaluation of the Proposed Tariff Methodology
The proposed method begins with the application of an initial categorization by using percentiles of the demand curve shown in Figure 4. This categorization results in the classification ranges presented in Table 3, which allow for each period’s average demand to be categorized as low, medium, or high demand (off-peak, shoulder, peak).
Table 3.
Determination of ranges for categorizing the electricity demand of the isolated microgrid for each period. Source: Own elaboration.
Once the classification ranges for electricity demand have been established, the initial classification for each period can be calculated. Additionally, to incentivize the production from photovoltaic solar generation sources and to reduce overall system congestion, the renewable solar incentive factor is calculated for each period based on the average radiation from the solar generation curve presented in Table 2. Finally, the final demand classification is determined, and the results are presented in Table 4. By incorporating the additional parameter of the renewable solar incentive, the number of initial time-of-use periods is diminished, and the start and end times of some periods are modified.
Table 4.
Classification of demand by periods before and after implementation of the solar incentive for the isolated microgrid use (The background color indicated in the category row allows for easy visualization of the consumption bands that are created). Source: Own elaboration.
With the final demand classification shown in Table 4, the time-of-use tariff scheme for the isolated microgrid can be determined (as shown in Figure 6).
Figure 6.
Time-of-use (TOU) scheme time periods for the isolated microgrid (The green shading indicates off-peak periods, yellow indicates shoulder periods, and orange in-dicates peak periods). Source: Own elaboration.
Considering the proposed tariff mechanism, the next step is to establish prices for each consumption band, assigning an electricity price to each category based on the average electricity price in October 2018. The base price and the prices assigned to each band are presented in Table 5.
Table 5.
Base price in COP $/kWh paid by users of the isolated microgrid for the year 2018 and selected prices for each category of the TOU scheme. Source: Own elaboration.
5. Results and Discussion
With the TOU scheme fully defined, we perform the sensitivity analysis, as explained earlier, on the demand curve of the system, considering the curve presented in Figure 4 as the base case. For this case study, the sensitivity analysis considers the variation of the price elasticity of demand in a range from 0.0 to 0.3, highlighting the scenario with 0.1 elasticity, which means the users respond moderately to changes in electricity prices. Figure 7 shows the behavior of demand in the base case (black line), the conservative scenario (red line), and the possible variations in that behavior that may occur if the demand elasticity varies between 0.0 and 0.3 (gray shadow).
Figure 7.
Demand curve of the isolated microgrid in MW over a 24 h horizon, in the base case (black line), with an elasticity of 0.1 (red line), and the possible variations that may occur when considering a range of elasticity from 0.0 to 0.3 (gray shade). Source: Own elaboration.
The proposed tariff scheme encourages electricity consumption during times of surplus generation from photovoltaic solar sources and stimulates the reduction in electricity demand during peak consumption, which could compromise the system’s reliability.
With the results of the sensitivity analysis to the tariff scheme, the effect of the application of this scheme on the frequency of an isolated microgrid is analyzed. For this, we take the two extreme demand curves (base scenario and maximum elasticity scenario) and the conservative elasticity scenario demand curve and carry out a dynamic analysis of the evolution of the system frequency for each of them in a 24 h scenario in the DIgSILENT®® Power Factory software, also considering the speed-governing control of the small hydroelectric plants. The results of this simulation are shown in Figure 8.
Figure 8.
Frequency in Hz of the isolated microgrid over a 24 h horizon, in the base case (black line), with an elasticity of 0.1 (red line), and the possible variations that may occur when considering a range of elasticity from 0.0 to 0.3 (gray shade). Source: Own elaboration.
It can be highlighted that with a minimum flattening of the demand curve, it is possible to reduce the frequency variations of the system to more restricted operational limits, which would reduce the risk of unplanned disconnections, thus increasing the system’s reliability and enabling better integration of variable renewable generation resources.
Therefore, the proposed TOU scheme has the potential to achieve significant flattening in the system’s demand curve, which in turn is reflected in limits to the range of frequency variations during the day. Table 6 presents some of the most relevant results of the evaluation of the TOU scheme when considering the conservative elasticity scenario and the base scenario.
Table 6.
Summary of some of the most significant results of technical simulations for the isolated microgrid, before and after the implementation of the tariff scheme. Source: Own elaboration.
Based on the results obtained, it was found that using a decision variable that reflects the behavior of renewable generation sources in the system can simplify the application of time-of-use tariff schemes and enhance the utilization of energy from these sources. The dynamic pricing approach reduces the frequency variation in the system by altering consumption patterns, which shows the potential for flattening the demand curve and promoting the integration of non-conventional renewable sources to improve the technical conditions of the network.
Remuneration schemes based on wholesale market prices, such as time-of-use tariffs, can involve a large portion of the population in the provision of frequency regulation services by limiting frequency range variations without compromising comfort. The billing price for consumers who do not wish to participate in the scheme remains roughly constant compared to flat rates.
The results indicate that the high flexibility of demand and its ability to adjust the demand curve can indirectly provide frequency control services to the system, thus maintaining frequency variations within a narrower range. This could lead to a more accurate balance of active power, reducing the likelihood and severity of power outages.
The above discussion shows that it is possible to involve the user as an active agent in the electricity supply chain. Additionally, the actions of users in response to price signals can help increase the technical, economic, and social sustainability of projects implemented in rural or isolated areas.
In addition, it should be noted that typical rural electrification systems in Latin America are often characterized by being far from major consumption centers, being in locations with difficult vehicular access, and being in environmentally protected areas. Different governments have been concerned with promoting the electrification of these isolated populations, but so far there have been no significant advances in individual measurement that allow for a deeper understanding of the consumption habits of the inhabitants in these areas, which leads to challenges such as those exposed in the Colombian case.
6. Conclusions
Electrification of rural areas is one of the predominant issues in global electrification. Solutions proposed for these areas must allow for long-term sustainability across different dimensions, such as technical, economic, environmental, social, and institutional.
The economic sustainability of projects seeks to minimize the dependence of rural electrification projects on external funding sources. While the need for government participation is evident in the early stages of planning and implementation, it is necessary to propose tariff mechanisms to maintain a stable income level that allows for the maintenance of these solutions. Additionally, a well-designed tariff system allows users to respond to the state of the network and prevent events that compromise the continuity and reliability of the supply.
This paper proposes a model for designing and evaluating time-of-use tariff schemes that link large blocks of the population to the provision of frequency-control ancillary service by limiting the range in which the frequency varies daily. This mechanism enables users to consciously use electricity, allowing them to redistribute non-vital consumption, thus significantly flattening the demand curve. This flattening translates, for the user, into a possible decrease in their electricity bill with minimal impact on their daily activities. By contrast, this translates to a reduction in system congestion for the system operator and a consequent decrease in the probability of fortuitous disconnections.
The flattening of a system demand curve undoubtedly led to a subsequent narrowing of the system’s frequency range and the node’s voltage variation range. However, the narrowing degree for any microgrid cannot be directly calculated because it depends on the inertia constant of the system, the on-site renewable energy potentials, the load demand curve, and the output power of each generation source.
Author Contributions
Conceptualization, D.L.G. and S.X.C.Q.; data curation, J.D.B.G. and D.L.G.; formal analysis, D.L.G.; funding acquisition, J.D.B.G. and S.X.C.Q.; investigation, D.L.G.; methodology, D.L.G.; project administration, S.X.C.Q.; resources, D.L.G. and J.D.B.G.; software, D.L.G. and J.D.B.G.; supervision, S.X.C.Q.; validation, D.L.G. and S.X.C.Q.; visualization, D.L.G. and J.D.B.G.; writing—original draft, D.L.G.; writing—review and editing, D.L.G., J.D.B.G. and S.X.C.Q. All authors have read and agreed to the published version of the manuscript.
Funding
The research for this paper was funded by the Ministry of Science and Technology of Colombia (Minciencias) and the Universidad Nacional de Colombia–Sede Manizales, under the project titled “Valoración de los criterios técnicos, económicos y regulatorios para la integración de sistemas de gestión de la energía en la industria y su impacto en las redes de distribución típicas colombianas” (Hermes code: 51689, beneficiary of call 891), through Resolution 1050-2021.
Institutional Review Board Statement
Not applicable.
Informed Consent Statement
Not applicable.
Data Availability Statement
Data available upon reasonable request.
Acknowledgments
We thank the Universidad Nacional de Colombia—Sede Manizales for making the publication of this research possible.
Conflicts of Interest
The authors declare no conflict of interest. The funders had no role in the design of the study; in the collection, analyses, or interpretation of data; in the writing of the manuscript; or in the decision to publish the results.
Appendix A. Review of Sustainable Electrification Methodologies
In the context of sustainable development, multiple authors have formulated methodologies for the planning, design, and execution of electrification projects in isolated or rural areas of developing countries, focusing their approach on some of the sustainability aspects mentioned in Section 1.2.
Under this paradigm, Table A1 shows the characterization of different methodologies found in the literature that advocate for the implementation of sustainable energy solutions in rural or isolated areas.
Table A1.
Characterization of sustainable rural electrification methodologies. Source: Own compilation.
Table A1.
Characterization of sustainable rural electrification methodologies. Source: Own compilation.
| Methodology | Description and Adaptability | Sustainability Approach |
|---|---|---|
| Ref. [22] Year: 2008 | Methodology for evaluating rural electrification projects based on the use of indicators that cover the dimensions of technical, economic, social/ethical, environmental, and institutional sustainability. This study allows decision-makers to review the reasons for the success behind rural electrification projects. In terms of adaptability, some of the proposed indicators are not easily calculable in contexts where individual electricity measurement is not available. | ![]() |
| Ref. [23] Year: 2009 | Methodology for evaluating the impact of rural electrification projects prior to the implementation of an intervention in a target region, providing information for adjusting the project design. The methodology allows for the identification of possible deficiencies or areas to strengthen in the technical and institutional components of rural electrification designs but does not consider the social component as a key element for the success of a design. | ![]() |
| Ref. [26] Year: 2011 | Participatory methodology that promotes the involvement of the beneficiary population in the self-management and sustainability of electric service provision projects. Regarding the adaptability of the methodology in other contexts, it should be noted that it is restricted solely to photovoltaic solar generation. Additionally, an integrated electrification approach is needed that considers social participation in the other elements that make up the electricity supply system. | ![]() |
| Ref. [31] Year: 2013 | Study that evaluates the factors responsible for the success and failure of energy access programs in Asia, offering lessons on appropriate technology, income generation, financing, political leadership, capacity development, programmatic flexibility, marketing and awareness, stakeholder participation, community ownership, and technical standardization. The study’s recommendations were obtained from the analysis of 10 electrification projects in which international institutions were involved, so the results may be biased (in fact, the author highlights this possibility). In reviewing the case studies, the author limits the analysis to unconventional energy generation behind the meter. | ![]() |
| Ref. [36] Year: 2013 | This methodology focuses on the design of autonomous electrification systems based on solar and wind energy, which are suitable for the economic, technical, and social characteristics of rural communities in developing countries, and considers the opinions of all stakeholders involved in the project. However, it excludes consideration of other possible technologies that could be used, and the environmental component is limited to the use of solar and wind energy potential in the area. | ![]() |
| Ref. [34] Year: 2015 | This methodology focuses on the formulation of Sustainable Rural Electrification Plans (PERS) in Colombia, aimed at regional and local stakeholders such as governors, mayors, potential investors, project developers, planners, academics, etc. Its objective is to promote the creation of PERS in all regions of the country. The methodology focuses on electrification, productivity, and entrepreneurship, but does not guarantee long-term economic sustainability. Additionally, community energy management is not considered. | ![]() |
| Ref. [30] Year: 2016 | Methodological framework for the assessment of community attitudes and needs, presenting the key factors that should be considered in the different stages of program development and implementation. The framework allows project developers and policy makers to address different socio-cultural and political issues at different stages of development and implementation of a solution to ensure a sustainable electrification program in the long term. It constitutes a good framework for the social approach, but does not cover the economic, technical, and environmental aspects. | ![]() |
| Ref. [32] Year: 2017 | This method focuses on selecting appropriate technologies and designing sustainable electrification solutions but does not consider the impact of institutional intervention on the viability of a project. The technical sustainability approach is limited to selecting the suitable technology to implement on-site and does not consider the extended operation of the system, equipment maintenance, among other factors. | ![]() |
| Ref. [28] Year: 2017 | Methodology for planning and designing a microgrid for remote locations. This methodology prioritizes improving the quality of life of the inhabitants by considering variables such as location, availability of renewable energy resources, equipment prices, initial budget, operation and maintenance costs, and equipment replacement costs. However, the implementation and operation stages are not considered in detail, which may compromise long-term technical sustainability. Finally, possible changes in the demand behavior of the electrified community are not considered to make a better projection and estimation of it due to the increase in load from access to energy. | ![]() |
| Ref. [27] Year: 2017 | This document considers five rural electrification experiences in Andean countries, analyzes the decisions made throughout the design process, and highlights the suitability of these technologies for expanding access to electricity. This study can be a good reference for the dissemination of distributed generation technologies in future projects in Andean countries, but it does not consider the institutional and social impact on the success of implemented solutions. Additionally, the environmental component is limited only to the use of energy potentials present in the area. | ![]() |
| Ref. [25] Year: 2018 | Comprehensive methodological framework based on the synergies of decision analysis and optimization models for designing a reliable, robust, and economical microgrid system based on locally available resources for rural communities in developing countries. The role of government and non-governmental institutions in implementing sustainable electrification solutions is excluded from the decision-making process, while the particular social dynamics of each context cannot be easily integrated into the proposed methodology. | ![]() |
| Ref. [10] Year: 2019 | Methodological framework for rural electrification based on the three pillars of the energy trilemma (environment, security, and equity), considering four dimensions of sustainability: environmental, technical, socio-economic, and institutional. It is based on experiences from a national program carried out in Venezuela between 2005 and 2013. The methodology is easily adaptable to other Latin American countries and could be complemented by strengthening the economic component over an extended horizon. | ![]() |
| Ref. [29] Year: 2019 | Methodology for evaluating energy needs in the rural electrification sector to obtain reliable inputs for load profiling and microgrid sizing, with the aim of characterizing the energy needs of the community and exploring the viability of potential projects, as well as optimizing the operation of the energy system. This methodology focuses on the initial collection of data from communities to create economically viable designs, but it does not delve into the particularities of each context or consider the use of potential generation resources present on-site. | ![]() |
| Ref. [33] Year: 2020 | Methodological guide that seeks to strengthen the institutional and normative capacities of governments in the Latin American and Caribbean region for the adoption of the Water-Energy-Food Nexus approach in the design of comprehensive actions, whether these are policies, plans, programs, or projects, to achieve coordinated and efficient actions. At the same time, it seeks to provide tools to evaluate to what extent the Nexus approach has been adopted in actions that are currently underway or are seeking funding. The guide focuses on establishing a methodology for proposing projects and monitoring progress but does not go into detail on establishing mechanisms for selecting technologies and ensuring the operation and maintenance of the installed system over time. | ![]() |
| Ref. [35] Year: 2021 | This study focuses on establishing a strategic methodology for the incorporation of distributed energy resources in isolated microgrids to ensure sustainability and energy transition through an adapted business model. The model highlights the importance of motivating investors and increasing profitability by including a value proposition based on technical contributions that benefit the operation of the microgrid. However, this model restricts the environmental component to the use of local potentials and does not provide guidelines for selecting generation technologies. | ![]() |
References
- United Nations. The Energy Challenge for Achieving the Millennium Development Goals; United Nations: New York, NY, USA, 2005. [Google Scholar]
- Cook, P. Infrastructure, Rural Electrification and Development. Energy Sustain. Dev. 2011, 15, 304–313. [Google Scholar] [CrossRef]
- Bhattacharyya, S.C.; Palit, D. (Eds.) Mini-Grids for Rural Electrification of Developing Countries; Green Energy and Technology; Springer International Publishing: Cham, Switzerland, 2014; ISBN 978-3-319-04815-4. [Google Scholar]
- REN21. Renewables 2022 Global Status Report Germany Factsheet; REN21: Paris, France, 2022; ISBN 9783948393045. [Google Scholar]
- IEA. SDG7: Data and Projections; IEA: Paris, France, 2022. [Google Scholar]
- United Nations. Informe Mundial Sobre Desarrollo Sostenible 2019; United Nations: New York, NY, USA, 2019. [Google Scholar]
- IEA; IRENA; United Nations Statistics Division; The World Bank; World Health Organization. Tracking SDG7—The Energy Report; World Bank: Washington, DC, USA, 2022. [Google Scholar]
- López-García, D. Caracterización de un Esquema Remunerativo para la Participación de la Demanda en la Prestación del Servicio Complementario de Control de Frecuencia en el Mercado Eléctrico Colombiano; Universidad Nacional de Colombia: Bogota, Colombia, 2019. [Google Scholar]
- OLADE; Sistema de Información Energética de Latinoamerica y el Caribe; BID. Panorama Energético de América Latina y El Caribe; Dialnet: La Rioja, Spain, 2021. [Google Scholar]
- López-González, A.; Ferrer-Martí, L.; Domenech, B. Sustainable Rural Electrification Planning in Developing Countries: A Proposal for Electrification of Isolated Communities of Venezuela. Energy Policy 2019, 129, 327–338. [Google Scholar] [CrossRef]
- Banal-Estañol, A.; Calzada, J.; Jordana, J. How to Achieve Full Electrification: Lessons from Latin America. Energy Policy 2017, 108, 55–69. [Google Scholar] [CrossRef]
- International Energy Agency (IEA). Energy for All: Financing Access for the Poor (Special Early Excerpt of the World Energy Outlook 2011). Available online: https://iea.blob.core.windows.net/assets/imports/events/214/birol.pdf (accessed on 30 January 2020).
- Bhattacharyya, S.C. Energy Access Programmes and Sustainable Development: A Critical Review and Analysis. Energy Sustain. Dev. 2012, 16, 260–271. [Google Scholar] [CrossRef]
- Arango-Manrique, A. Evaluación Técnica y de Mercado de la Operación de una Microrred en Modo Aislado Dentro de un Sistema Eléctrico de Potencia Con Ambiente Desregulado. Ph.D. Thesis, Universidad Nacional de Colombia, Bogota, Colombia, 2017. [Google Scholar]
- Waseem, N.; Kota, S. Sustainability definitions—An analysis. In Research into Design for Communities, Volume 2: Proceedings of ICoRD 2017; Springer: Singapore, 2017; pp. 361–371. [Google Scholar]
- Kemp, R.; Martens, P. Sustainable Development: How to Manage Something That Is Subjective and Never Can Be Achieved? Sustain. Sci. Pract. Policy 2007, 3, 5–14. [Google Scholar] [CrossRef]
- Sutton, P. A Perspective on Environmental Sustainability? Pap. Vic. Comm. Environ. Sustain. 2004, 1, 32. [Google Scholar]
- Virtanen, P.K.; Siragusa, L.; Guttorm, H. Introduction: Toward More Inclusive Definitions of Sustainability. Curr. Opin. Environ. Sustain. 2020, 43, 77–82. [Google Scholar] [CrossRef]
- Ruggerio, C.A. Sustainability and Sustainable Development: A Review of Principles and Definitions. Sci. Total Environ. 2021, 786, 147481. [Google Scholar] [CrossRef]
- Ross, D. Social Sustainability. In Dictionary of Corporate Social Responsibility; Idowu, S.O., Capaldi, N., Fifka, M.S., Zu, L., Schmidpeter, R., Eds.; Springer International Publishing: Cham, Switzerland, 2015; ISBN 978-3-319-10535-2. [Google Scholar]
- Pfahl, S. Institutional Sustainability. Int. J. Sustain. Dev. 2005, 8, 80–96. [Google Scholar] [CrossRef]
- Ilskog, E. Indicators for Assessment of Rural Electrification—An Approach for the Comparison of Apples and Pears. Energy Policy 2008, 36, 2665–2673. [Google Scholar] [CrossRef]
- Peters, J. Evaluating Rural Electrification Projects. Ruhr Econ. Pap. 2009, 136. [Google Scholar] [CrossRef]
- Ilskog, E. Rural Electrification Sustainability Indicators—Manual for Field Workers; KTH University Press: Stockholm, Suedia, 2008. [Google Scholar]
- Kumar, A.; Singh, A.R.; Deng, Y.; He, X.; Kumar, P.; Bansal, R.C. A Novel Methodological Framework for the Design of Sustainable Rural Microgrid for Developing Nations. IEEE Access 2018, 6, 24925–24951. [Google Scholar] [CrossRef]
- Del Valle Gasanz, J.J. Guía Metodológica Para el Desarrollo de Proyectos de Electrificación Rural Mediante Sistemas Fotovoltaicos Aislados; Universidad Carlos III de Madrid: Madrid, Spain, 2011. [Google Scholar]
- López-González, A.; Domenech, B.; Gómez-Hernández, D.; Ferrer-Martí, L. Renewable Microgrid Projects for Autonomous Small-Scale Electrification in Andean Countries. Renew. Sustain. Energy Rev. 2017, 79, 1255–1265. [Google Scholar] [CrossRef]
- Jimenez, J.D.; Vives, S.M.; Jimenez, E.G.; Mendoza, A.P. Development of a methodology for planning and design of microgrids for rural electrification. In Proceedings of the 2017 CHILEAN Conference on Electrical, Electronics Engineering, Information and Communication Technologies (CHILECON), Pucon, Chile, 18–20 October 2017; pp. 1–6. [Google Scholar]
- Gambino, V.; del Citto, R.; Cherubini, P.; Tacconelli, C.; Micangeli, A.; Giglioli, R. Methodology for the Energy Need Assessment to Effectively Design and Deploy Mini-Grids for Rural Electrification. Energies 2019, 12, 574. [Google Scholar] [CrossRef]
- Urmee, T.; Md, A. Social, Cultural and Political Dimensions of off-Grid Renewable Energy Programs in Developing Countries. Renew. Energy 2016, 93, 159–167. [Google Scholar] [CrossRef]
- Sovacool, B.K. A Qualitative Factor Analysis of Renewable Energy and Sustainable Energy for All (SE4ALL) in the Asia-Pacific. Energy Policy 2013, 59, 393–403. [Google Scholar] [CrossRef]
- Büyüközkan, G.; Karabulut, Y. Energy Project Performance Evaluation with Sustainability Perspective. Energy 2017, 119, 549–560. [Google Scholar] [CrossRef]
- Naranjo, L.; Willaarts, B.A. Guía Metodológica—Diseño de Acciones Con Enfoque Del Nexo Entre Agua, Energía y Alimentación Para Países de América Latina y El Caribe; CEPAL: Santiago, Chile, 2020. [Google Scholar]
- UPME. Guía para Elaboración de un Plan de Energización Rural Sostenible; Ministerio de Minas y Energía: Bogota, Colombia, 2015; ISBN 9789588363271. [Google Scholar]
- Arango-Manrique, A.; López-García, D.; Arango-Lemoine, C.; Carvajal-Quintero, S.X. Business Model Proposal for Energy Transition towards Operational and Economic Sustainability for Rural Electrification: Colombian Case. Sustainability 2021, 13, 4308. [Google Scholar] [CrossRef]
- Domenech Léga, B. Metodología Para El Diseño de Sistemas de Electrificación Autónomos Para Comunidades Rurales; Universitat Politécnica de Catalunya: Barcelona, Spain, 2013; p. 238. [Google Scholar]
- Schuschny, A.; Soto, H. Guía Metodológica Diseño de Indicadores Compuestos de Desarrollo Sostenible Andrés Schuschny; CEPAL: Santiago, Chile, 2009; p. 109. [Google Scholar]
- Gaona, E.E.; Trujillo, C.L.; Guacaneme, J.A. Rural Microgrids and Its Potential Application in Colombia. Renew. Sustain. Energy Rev. 2015, 51, 125–137. [Google Scholar] [CrossRef]
- Faruqui, A.; Hledik, R.; Palmer, J. Time-Varying and Dynamic Rate Design; Global Power Best Practice Series; Regulatory Assistance Project: Montpelier, VT, USA, 2012; pp. 1–52. [Google Scholar]
- Cappers, P. Mass Market Demand Response and Variable Generation Integration Issues: A Scoping Study; Lawrence Berkeley National Laboratory: Berkeley, CA, USA, 2012. [Google Scholar]
- Thapa, R.B.; Upreti, B.R.; Devkota, D.; Pokharel, G.R. Identifying the Best Decentralized Renewable Energy System for Rural Electrification in Nepal. J. Asian Rural. Stud. 2020, 4, 49–70. [Google Scholar] [CrossRef]
- Cambini, C.; Soroush, G. Designing Grid Tariffs in the Presence of Distributed Generation. Util Policy 2019, 61, 100979. [Google Scholar] [CrossRef]
- Finn, P.; Fitzpatrick, C. Demand Side Management of Industrial Electricity Consumption: Promoting the Use of Renewable Energy through Real-Time Pricing. Appl. Energy 2014, 113, 11–21. [Google Scholar] [CrossRef]
- Baatz, B. Rate Design Matters: The Intersection of Residential Rate Design and Energy Efficiency; American Council for an Energy-Efficient Economy: Washington, DC, USA, 2017. [Google Scholar]
- Kolokathis, C. Designing Retail Electricity Tariffs for a Successful Energy Union; European Commission: Brussels, Belgium, 2018. [Google Scholar]
- Faruqui, A.; Arritt, K.; Sergici, S. The Impact of Advanced Metering Infrastructure on Energy Conservation: A Case Study of Two Utilities. Electr. J. 2017, 30, 56–63. [Google Scholar] [CrossRef]
- Bonbright, J.C.; Danielsen, A.L.; Kamerschen, D.R. Principles of Public Utility Rates, 2nd ed.; Public Utilities Reports, Inc.: Dumfries, VA, USA, 1961. [Google Scholar]
- Faruqui, A.; Hanser, P.; Lessem, N. The Lantau Group Best Practices in Tariff Design; The Lantau Group: Hong Kong, China, 2016. [Google Scholar]
- Rodriguez Zabala, A.; López-García, D.; Carvajal-Quintero, S.X.; Arango Manrique, A. A Comprehensive Review of Sustainability in Isolated Colombian Microgrids. Tecnura 2021, 25, 126–145. [Google Scholar] [CrossRef]
- Hodel, C. Overview of Ancillary Services; Swissgrid Ltd.: Zurich, Switzerland, 2019. [Google Scholar]
- Ma, O.; Alkadi, N.; Cappers, P.; Denholm, P.; Dudley, J.; Goli, S.; Hummon, M.; Kiliccote, S.; MacDonald, J.; Matson, N.; et al. Demand Response for Ancillary Services. IEEE Trans. Smart Grid 2013, 4, 1988–1995. [Google Scholar] [CrossRef]
- Carvajal, S.X.; Serrano, J.; Arango, S. Colombian Ancillary Services and International Connections: Current Weaknesses and Policy Challenges. Energy Policy 2013, 52, 770–778. [Google Scholar] [CrossRef]
- Fernández-Muñoz, D.; Pérez-Díaz, J.I.; Guisández, I.; Chazarra, M.; Fernández-Espina, Á. Fast Frequency Control Ancillary Services: An International Review. Renew. Sustain. Energy Rev. 2020, 120, 109662. [Google Scholar] [CrossRef]
- Schisler, K.; Sick, T.; Brief, K. The role of demand response in ancillary service markets. In Proceedings of the IEEE/PES Transmission and Distribution Conference and Exposition, Chicago, IL, USA, 21–24 April 2008; pp. 1–3. [Google Scholar] [CrossRef]
- Majzoobi, A.; Khodaei, A. Application of Microgrids in Providing Ancillary Services to the Utility Grid. Energy 2017, 123, 555–563. [Google Scholar] [CrossRef]
- Barroco, J. Designing Financeable Ancillary Services Revenue Contracts in Developing Economies: Learnings from the Philippines. Energy Policy 2021, 152, 112218. [Google Scholar] [CrossRef]
- Rebours, Y.G.; Kirschen, D.S.; Trotignon, M.; Rossignol, S. A Survey of Frequency and Voltage Control Ancillary Services—Part I: Technical Features. IEEE Trans. Power Syst. 2007, 22, 350–357. [Google Scholar] [CrossRef]
- Dupont, B.; de Jonghe, C.; Olmos, L.; Belmans, R. Demand Response with Locational Dynamic Pricing to Support the Integration of Renewables. Energy Policy 2014, 67, 344–354. [Google Scholar] [CrossRef]
- Rasheed, M.B.; Qureshi, M.A.; Javaid, N.; Alquthami, T. Dynamic Pricing Mechanism with the Integration of Renewable Energy Source in Smart Grid. IEEE Access 2020, 8, 16876–16892. [Google Scholar] [CrossRef]
- Haslund, C.; Johnson, S.R. AMI Demand Response: The Opportunity and Challenges of Mass Market Dynamic Pricing. Response 2011, 1–14. Available online: https://www.itron.com/-/media/feature/products/documents/white-paper/101172wp02-ami-demand-response.pdf (accessed on 15 October 2022).
- Albogamy, F.R.; Zakria, M.; Khan, T.A.; Murawwat, S.; Hafeez, G.; Khan, I.; Ali, F.; Khan, S. An Optimal Adaptive Control Strategy for Energy Balancing in Smart Microgrid Using Dynamic Pricing. IEEE Access 2022, 10, 37396–37411. [Google Scholar] [CrossRef]
- Aalami, H.; Yousefi, G.R.; Parsa Moghadam, M. Demand response model considering EDRP and TOU programs. In Proceedings of the IEEE/PES Transmission and Distribution Conference and Exposition, Chicago, IL, USA, 21–24 April 2008. [Google Scholar] [CrossRef]
- Shao, S.; Zhang, T.; Pipattanasomporn, M.; Rahman, S. Impact of TOU rates on distribution load shapes in a smart grid with PHEV penetration. In Proceedings of the 2010 IEEE PES Transmission and Distribution Conference and Exposition: Smart Solutions for a Changing World, New Orleans, LA, USA, 19–22 April 2010; pp. 1–6. [Google Scholar] [CrossRef]
- Instituto de Hidrología. Atlas Radiación Solar; Instituto de Hidrología: Bogotá, DC, USA, 2003. [Google Scholar]
- Miller, R.L.R.; Meiners, R.E. Microeconomía, 3rd ed.; McGraw-Hill: New York, NY, USA, 1990; ISBN 9684510521. [Google Scholar]
- Moreno, W.A.M. Identificación de las Variables Relevantes Para Implementar la Respuesta a la Demanda de Energía Eléctrica en Colombia; Ministerio de Minas y Energía: Bogota, Colombia, 2017. [Google Scholar]
- Roscoe, A.J.; Ault, G. Supporting High Penetrations of Renewable Generation via Implementation of Real-Time Electricity Pricing and Demand Response. IET Renew. Power Gener. 2010, 4, 369. [Google Scholar] [CrossRef]
- Enerdata World Energy & Climate Statistics—Yearbook 2022. Available online: https://www.enerdata.net/publications/world-energy-statistics-supply-and-demand.html (accessed on 25 February 2023).
- Bustos González, J.F.; Sepúlveda, A.L.; Triviño Aponte, K. Zonas No Interconectadas Eléctricamente En Colombia: Problemas y Perspectiva. Econografos Esc. Econ. 2014, 27, 012817. [Google Scholar]
- López-García, D.; Arango-Manrique, A.; Carvajal-Quintero, S.X. Integration of Distributed Energy Resources in Isolated Microgrids: The Colombian Paradigm. TecnoLógicas 2018, 21, 13–30. [Google Scholar] [CrossRef][Green Version]
- Centro Nacional de Monitoreo; IPSE. Informe de Telemetría Mensual de Junio 2017; IPSE: Bogota, Colombia, 2017. [Google Scholar]
- IPSE. Soluciones Energéticas Para Las Zonas No Interconectadas de Colombia; IPSE: Bogota, Colombia, 2014. [Google Scholar]
- Superintendencia de Servicios Públicos Domiciliarios. Zonas No Interconectadas—Diagnóstico de la Prestación del Servicio de Energía Eléctrica 2018; Superintendencia de Servicios Públicos Domiciliarios: Bogota, Colombia, 2018. [Google Scholar]
- Blasques, L.C.M.; Pinho, J.T. Metering Systems and Demand-Side Management Models Applied to Hybrid Renewable Energy Systems in Micro-Grid Configuration. Energy Policy 2012, 45, 721–729. [Google Scholar] [CrossRef]
- IPSE. Boletín Mensual de Localidades Con Telemetría—Junio 2022; IPSE: Bogota, Colombia, 2022. [Google Scholar]
- IPSE. Caracterización de Las ZNI. Available online: https://ipse.gov.co/cnm/caracterizacion-de-las-zni/ (accessed on 19 November 2022).
- UPME. Plan Energético Nacional Colombia: Ideario Energético 2050; Ministerio de Minas y Energía: Bogota, Colombia, 2015; p. 184. [Google Scholar]
- Gómez, N. Energización de Las ZNI de Colombia a Partir de Las Energias Solar y Eólica; Universidad Javeriana: Bogota, Colombia, 2011; p. 99. [Google Scholar]
- Superintendencia de Servicios Públicos Domiciliarios. Informe Sectorial de la Prestación del Servicio de Energía Eléctrica 2021—Zonas No Interconectadas; Superintendencia de Servicios Públicos Domiciliarios: Bogota, Colombia, 2021. [Google Scholar]
- Ministerio de Minas y Energía. Boletín Informativo—Gobierno Nacional Aumenta los Subsidios en las Zonas No Interconectadas del País; Ministerio de Minas y Energía: Bogota, Colombia, 2022. [Google Scholar]
- Ministerio de Minas y Energía. Resolución 40430 de 2021—Plan Nacional de Electrificación Rural (PNER) para las Zonas No Interconectadas (ZNI) y para el Sistema Interconectado Nacional (SIN); Ministerio de Minas y Energía: Bogota, Colombia, 2021. [Google Scholar]
- Ministerio de Minas y Energía. Plan Nacional de Energización Rural. Available online: https://siipo.dnp.gov.co/vistaciuddanodetallato/5 (accessed on 27 March 2023).
- Congreso de Colombia. Ley 1715 de 2014—Regulación de La Integración de las Energías Renovables No Convencionales al Sistema Energético Nacional 2014; Senado de la Republica de Colombia: Bogota, Colombia, 2014. [Google Scholar]
- Congreso de Colombia. Ley 2099 de 2021; Senado de la Republica de Colombia: Bogota, Colombia, 2021; pp. 1–25. [Google Scholar]
- XM, S.A. Pronóstico de Demanda. Available online: https://www.xm.com.co/consumo/informes-demanda/propuesta-pronostico-de-demanda-cnd (accessed on 9 October 2022).
- Instituto de Hidrología; Ministerio de Minas y Energía. Atlas Interactivo—Radiación IDEAM. Available online: http://atlas.ideam.gov.co/visorAtlasRadiacion.html (accessed on 14 May 2019).
Disclaimer/Publisher’s Note: The statements, opinions and data contained in all publications are solely those of the individual author(s) and contributor(s) and not of MDPI and/or the editor(s). MDPI and/or the editor(s) disclaim responsibility for any injury to people or property resulting from any ideas, methods, instructions or products referred to in the content. |
© 2023 by the authors. Licensee MDPI, Basel, Switzerland. This article is an open access article distributed under the terms and conditions of the Creative Commons Attribution (CC BY) license (https://creativecommons.org/licenses/by/4.0/).






















