Life Cycle Assessment of Craft Beer Brewing at Different Scales on a Unit Operation Basis
Abstract
1. Introduction
2. Materials and Methods
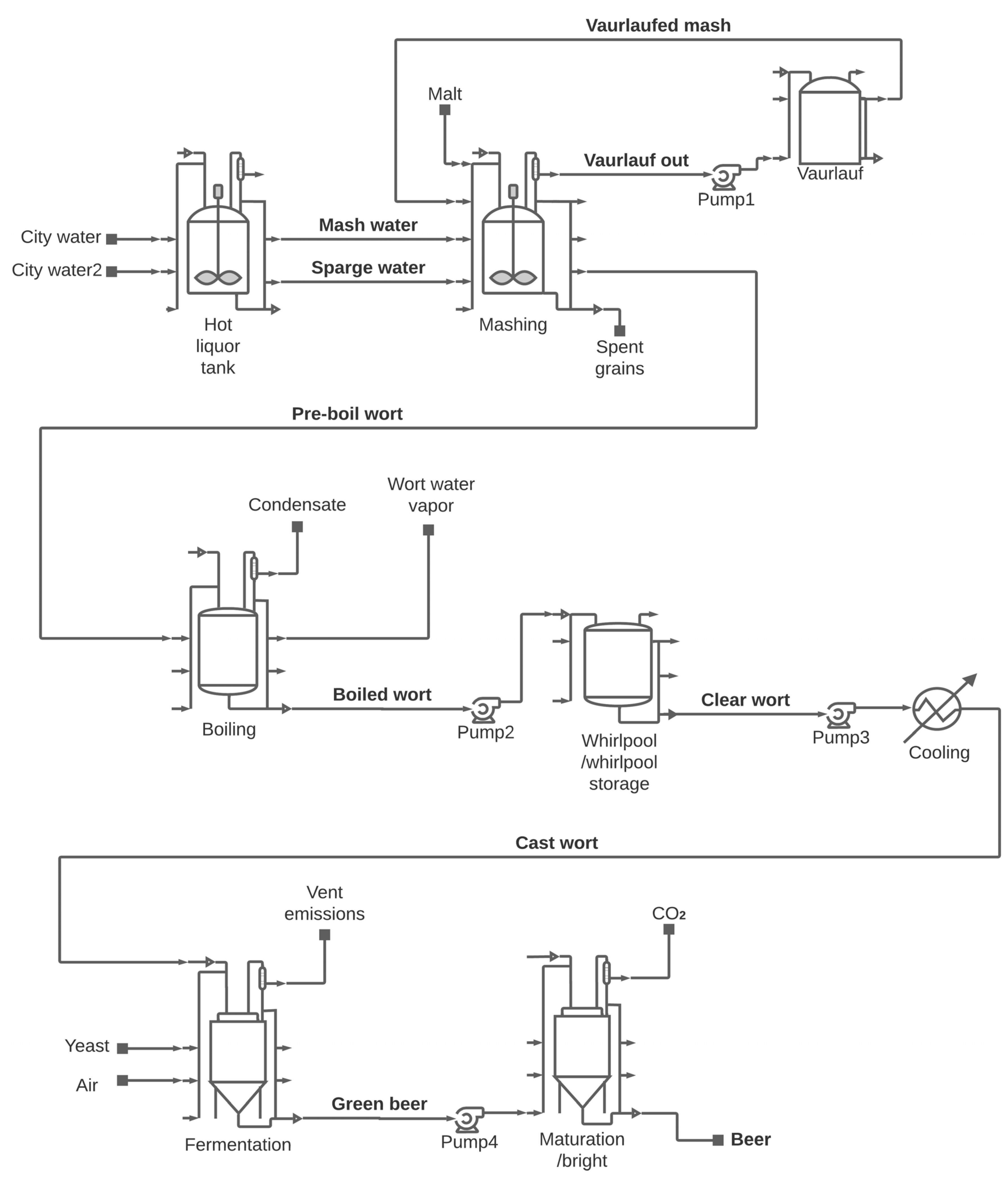
2.1. Brewing Process
2.1.1. Microbrewery
2.1.2. Pilot-Scale Brewery
2.2. Process Simulation
2.3. Life Cycle Assessment
2.3.1. Goal and Scope
2.3.2. Life Cycle Inventory
2.3.3. Life Cycle Impact Assessment
3. Results and Discussion
3.1. Model Validation
3.2. Inventory Analysis
3.3. Midpoint Environmental Impacts
4. Conclusions
Author Contributions
Funding
Institutional Review Board Statement
Informed Consent Statement
Data Availability Statement
Acknowledgments
Conflicts of Interest
References
- Bimbo, F.; De Meo, E.; Baiano, A.; Carlucci, D. The Value of Craft Beer Styles: Evidence from the Italian Market. Foods 2023, 12, 1328. [Google Scholar] [CrossRef] [PubMed]
- Iannone, M.; Ovidi, E.; Vitalini, S.; Laghezza Masci, V.; Marianelli, A.; Iriti, M.; Tiezzi, A.; Garzoli, S. From Hops to Craft Beers: Production Process, VOCs Profile Characterization, Total Polyphenol and Flavonoid Content Determination and Antioxidant Activity Evaluation. Processes 2022, 10, 517. [Google Scholar] [CrossRef]
- Brewers Association. National Beer Sales & Production Data. Available online: https://www.brewersassociation.org/statistics-and-data/national-beer-stats/ (accessed on 26 June 2023).
- Gil, R.L.; Amorim, C.M.P.G.; Amorim, H.G.; Montenegro, M.D.C.B.S.M.; Araújo, A.N. Influence of Brewing Process on the Profile of Biogenic Amines in Craft Beers. Sensors 2023, 23, 343. [Google Scholar] [CrossRef] [PubMed]
- Silva, S.; Oliveira, A.I.; Cruz, A.; Oliveira, R.F.; Almeida, R.; Pinho, C. Physicochemical Properties and Antioxidant Activity of Portuguese Craft Beers and Raw Materials. Molecules 2022, 27, 8007. [Google Scholar] [CrossRef]
- Bokulich, N.A.; Bamforth, C.W. The microbiology of malting and brewing. Microbiol. Mol. Biol. Rev. 2013, 77, 157–172. [Google Scholar] [CrossRef]
- Testa, B.; Coppola, F.; Letizia, F.; Albanese, G.; Karaulli, J.; Ruci, M.; Pistillo, M.; Germinara, G.S.; Messia, M.C.; Succi, M.; et al. Versatility of Saccharomyces cerevisiae 41CM in the Brewery Sector: Use as a Starter for “Ale” and “Lager” Craft Beer Production. Processes 2022, 10, 2495. [Google Scholar] [CrossRef]
- Ciont, C.; Epuran, A.; Kerezsi, A.D.; Coldea, T.E.; Mudura, E.; Pasqualone, A.; Zhao, H.; Suharoschi, R.; Vriesekoop, F.; Pop, O.L. Beer Safety: New Challenges and Future Trends within Craft and Large-Scale Production. Foods 2022, 11, 2693. [Google Scholar] [CrossRef]
- Galitsky, C.; Martin, N.; Worrell, E.; Lehman, B. Energy Efficiency Improvement and Cost Saving Opportunities for Breweries: An ENERGY STAR (R) Guide for Energy and Plant Managers; Lawrence Berkeley National Laboratory: Berkeley, CA, USA, 2003. [Google Scholar]
- Salazar, T.; San Martín-González, M.F.S.; Cai, H.; Huang, J.-Y. Economic and environmental performance of instantaneous water heating system for craft beer production. Food Bioprod. Process. 2021, 127, 472–481. [Google Scholar] [CrossRef]
- ISO 14044:2006; Environmental management—Life cycle assessment—Requirements and guidelines. ISO: Geneva, Switzerland, 2006.
- Cimini, A.; Moresi, M. Effect of brewery size on the main process parameters and cradle-to-grave carbon footprint of lager beer. J. Ind. Ecol. 2018, 22, 1139–1155. [Google Scholar] [CrossRef]
- De Marco, I.; Miranda, S.; Riemma, S.; Iannone, R. Life cycle assessment of ale and lager beers production. Chem. Eng. Trans. 2016, 49, 337–342. [Google Scholar] [CrossRef]
- The Climate Conservancy. The Carbon Footprint of Fat Tire Amber Ale; The Climate Conservancy: Lincoln, OR, USA, 2008. [Google Scholar]
- Cordella, M.; Tugnoli, A.; Spadoni, G.; Santarelli, F.; Zangrando, T. LCA of an Italian lager beer. Int. J. Life Cycle Assess. 2008, 13, 133–139. [Google Scholar] [CrossRef]
- Koroneos, C.; Roumbas, G.; Gabari, Z.; Papagiannidou, E.; Moussiopoulos, N. Life cycle assessment of beer production in Greece. J. Clean. Prod. 2005, 13, 433–439. [Google Scholar] [CrossRef]
- Kløverpris, J.; Spillane, D. Comparative LCA of malt-based beer and 100% barley beer. Brew. Beverage Ind. Int. 2010, 2, 34–36. [Google Scholar]
- Brewers Association. Water and Wastewater: Treatment/Volume Reduction Manual; Brewers Association: Boulder, CO, USA, 2014. [Google Scholar]
- Wernet, G.; Bauer, C.; Steubing, B.; Reinhard, J.; Moreno-Ruiz, E.; Weidema, B. The ecoinvent database version 3 (part I): Overview and methodology. Int. J. Life Cycle Assess. 2016, 21, 1218–1230. [Google Scholar] [CrossRef]
- Hospido, A.; Moreira, M.T.; Feijoo, G. Environmental analysis of beer production. Int. J. Agric. Resour. Gov. Ecol. 2005, 4, 152–162. [Google Scholar] [CrossRef]
- Talve, S. Life cycle assessment of a basic lager beer. Int. J. Life Cycle Assess. 2001, 6, 293–298. [Google Scholar] [CrossRef]
- Stambuk, B.U.; Alves, S.L., Jr.; Hollatz, C.; Zastrow, C.R. Improvement of maltotriose fermentation by Saccharomyces cerevisiae. Lett. Appl. Microbiol. 2006, 43, 370–376. [Google Scholar] [CrossRef]
- Rautio, J.; Londesborough, J. Maltose transport by brewer’s yeasts in brewer’s wort. J. Inst. Brew. 2003, 109, 251–261. [Google Scholar] [CrossRef]
- Vidgren, V.; Multanen, J.-P.; Ruohonen, L.; Londesborough, J. The temperature dependence of maltose transport in ale and lager strains of brewer’s yeast. FEMS Yeast Res. 2010, 10, 402–411. [Google Scholar] [CrossRef] [PubMed]
- Sturm, B.; Hugenschmidt, S.; Joyce, S.; Hofacker, W.; Roskilly, A.P. Opportunities and barriers for efficient energy use in a medium-sized brewery. Appl. Therm. Eng. 2013, 53, 397–404. [Google Scholar] [CrossRef]
- International Energy Agency. Electricity Information; International Energy Agency: Paris, France, 2022. [Google Scholar]
- Kunze, W. Technology Brewing and Malting, revidierte Ausgabe, 5th ed; Versuchs- u. Lehranstalt f. Brauerei: Berlin, Germany, 2016; p. 968. ISBN 978-3-921690-77-2. [Google Scholar]
- Inyang, U.; Bassey, E. Characterization ofbrewery effluent fluid. J. Eng. Appl. Sci. 2021, 4, 67–76. [Google Scholar]


| Unit Operation | Ale | Lager |
|---|---|---|
| Heating | Mash water † of 3.63 m3 at 75–76 °C | Mash water † of 3.45 m3 at 75–76 °C |
| Mashing | Grains of 628.23 kg; mashing at 65 °C for 30 min | Grains of 480.81 kg; mashing at 65 °C for 30 min |
| Boiling | Wort of 2.76 m3 for 60 min by saturated steam (152 °C) | Wort of 2.82 m3 for 60 min by saturated steam (152 °C) |
| Whirlpool | Boiled wort of 2.60 m3 for 20 min | Boiled wort of 2.75 m3 for 20 min |
| Cooling | To target temperature of 18 °C by water of 5 °C | |
| Primary fermentation | 18.9 °C for 19 days | 14.4 °C for 9 days |
| Secondary fermentation | Not included | 7.2–15.6 °C for 11 days |
| Maturation | 4.4 °C for 14 days | 4.4 °C for 24 days |
| Unit Operation | Ale | Lager |
|---|---|---|
| Heating | Mash water of 0.075 m3 at 71.1 °C; sparge water of 0.099 m3 at 76.7 °C | Mash water of 0.12 m3 at 71.1 °C; sparge water of 0.045 m3 at 76.7 °C |
| Mashing | Grains of 25.36 kg; mashing at 65.6 °C for 60 min | Grains of 26.99 kg; mashing at 65.6 °C for 60 min |
| Boiling | Wort of 0.14 m3 for 90 min by saturated steam (152 °C) | |
| Whirlpool | Boiled wort of 0.11 m3 for 5 min | Boiled wort of 0.12 m3 for 5 min |
| Cooling | To target temperature of 22.2 °C by water of 5 °C | |
| Primary fermentation | 18.9 °C for 19 days | 14.4 °C for 9 days |
| Secondary fermentation | Not included | 7.2–15.6 °C for 11 days |
| Unit Operation | Ale | Lager | ||
|---|---|---|---|---|
| Simulation (kg) | Measurement (kg) † | Simulation (kg) | Measurement (kg) † | |
| Heating | 22.10 | 23.56 ± 2.34 | 22.10 | 21.14 ± 1.54 |
| Boiling | 38.91 | 36.82 ± 2.71 | 38.41 | 33.91 ± 6.41 |
| Beer Type | Electricity Use (kWh/bbl) | Natural Gas Use (kWh/bbl) | ||
|---|---|---|---|---|
| Simulation | Avergae of Microbrewey’s Monthly Bill † | Simulation | Avergae of Microbrewey’s Monthly Bill † | |
| Ale | 72.54 | 106.59 ± 36.87 * | 2.13 | 2.25 ± 0.88 * |
| Lager | 94.87 | 1.95 | ||
| Unit Operation | Item | Unit | Microbrewery Scale | Pilot Scale | ||
|---|---|---|---|---|---|---|
| Ale | Lager | Ale | Lager | |||
| Heating | Input | |||||
| Water | kg | 173.73 | 169.70 | 214.52 | 216.31 | |
| Natural gas | kWh | 1.21 | 1.26 | 1.50 | 1.41 | |
| Output | ||||||
| Hot water | kg | 173.73 | 169.70 | 214.52 | 216.31 | |
| Mashing | Input | |||||
| Malt | kg | 30.13 | 24.02 | 28.00 | 28.04 | |
| Electricity | kWh | 0.05 | 0.04 | 1.24 | 1.16 | |
| Output | ||||||
| Pre-boil wort | m3 | 0.13 | 0.13 | 0.15 | 0.15 | |
| Spent grains | kg | 61.56 | 49.07 | 57.20 | 57.28 | |
| Wastewater | m3 | 0.01 | 0.01 | 0.03 | 0.04 | |
| Boiling | Input | |||||
| Natural gas | kWh | 0.93 | 0.68 | 2.64 | 2.45 | |
| Hops | kg | 0.24 | 0.01 | 0.22 | 0.17 | |
| Output | ||||||
| Boiled wort | m3 | 0.12 | 0.12 | 0.12 | 0.12 | |
| Trub | kg | 1.45 | 1.91 | 3.50 | 3.50 | |
| Whirlpool | Electricity | kWh | 0.005 | 0.005 | 0.049 | 0.049 |
| Output | ||||||
| Wort | m3 | 0.12 | 0.12 | 0.12 | 0.12 | |
| Wastewater | m3 | 0.03 | 0.02 | 2.10 × 10−3 | 1.97 × 10−3 | |
| Cooling | Input | |||||
| Electricity | kWh | 0.005 | 0.005 | 0.126 | 0.112 | |
| Water | m3 | 1.60 | 1.58 | 0.22 | 0.53 | |
| Output | ||||||
| Cooled wort | m3 | 0.117 | 0.117 | 0.117 | 0.117 | |
| Fermentation | Input | |||||
| Glycol | g | 0.02 | 0.02 | 0.02 | 0.02 | |
| Electricity | kWh | 44.48 | 47.16 | 926.03 | 1220.07 | |
| Output | ||||||
| Green beer | m3 | 0.117 | 0.117 | 0.117 | 0.117 | |
| Maturation | Input | |||||
| Electricity | kWh | 28.00 | 47.66 | Not included | ||
| Output | ||||||
| Beer | bbl | 1.00 | 1.00 | 1.00 | 1.00 | |
| Emissions to water | BOD | kg | 2.62 | 2.62 | 2.62 | 2.62 |
| COD | kg | 3.42 | 3.42 | 3.42 | 3.42 | |
| Total N2 | kg | 0.06 | 0.06 | 0.06 | 0.06 | |
| Total P | kg | 0.06 | 0.06 | 0.06 | 0.06 | |
| Impact Category | Unit | Microbrewery Scale | Pilot Scale | ||
|---|---|---|---|---|---|
| Ale | Lager | Ale | Lager | ||
| Global warming | kg CO2 eq | 1.04 × 102 | 1.26 × 102 | 1.12 × 103 | 1.43 × 103 |
| Terrestrial acidification | kg SO2 eq | 6.47 × 10−1 | 7.39 × 10−1 | 6.24 | 7.93 |
| Freshwater eutrophication | kg P eq | 1.13 × 10−1 | 1.25 × 10−1 | 6.56 × 10−1 | 8.10 × 10−1 |
| Marine eutrophication | kg N eq | 9.18 × 10−2 | 6.14 × 10−2 | 9.74 × 10−2 | 1.29 × 10−1 |
| Water use | m3 | 5.33 × 101 | 5.02 × 101 | 4.00 × 102 | 4.80 × 102 |
Disclaimer/Publisher’s Note: The statements, opinions and data contained in all publications are solely those of the individual author(s) and contributor(s) and not of MDPI and/or the editor(s). MDPI and/or the editor(s) disclaim responsibility for any injury to people or property resulting from any ideas, methods, instructions or products referred to in the content. |
© 2023 by the authors. Licensee MDPI, Basel, Switzerland. This article is an open access article distributed under the terms and conditions of the Creative Commons Attribution (CC BY) license (https://creativecommons.org/licenses/by/4.0/).
Share and Cite
Salazar Tijerino, M.B.; San Martín-González, M.F.; Velasquez Domingo, J.A.; Huang, J.-Y. Life Cycle Assessment of Craft Beer Brewing at Different Scales on a Unit Operation Basis. Sustainability 2023, 15, 11416. https://doi.org/10.3390/su151411416
Salazar Tijerino MB, San Martín-González MF, Velasquez Domingo JA, Huang J-Y. Life Cycle Assessment of Craft Beer Brewing at Different Scales on a Unit Operation Basis. Sustainability. 2023; 15(14):11416. https://doi.org/10.3390/su151411416
Chicago/Turabian StyleSalazar Tijerino, María Belén, M. Fernanda San Martín-González, Juan Antonio Velasquez Domingo, and Jen-Yi Huang. 2023. "Life Cycle Assessment of Craft Beer Brewing at Different Scales on a Unit Operation Basis" Sustainability 15, no. 14: 11416. https://doi.org/10.3390/su151411416
APA StyleSalazar Tijerino, M. B., San Martín-González, M. F., Velasquez Domingo, J. A., & Huang, J.-Y. (2023). Life Cycle Assessment of Craft Beer Brewing at Different Scales on a Unit Operation Basis. Sustainability, 15(14), 11416. https://doi.org/10.3390/su151411416

