Abstract
The hydraulic conductivity is known as the soil properties that mostly vary over an order of magnitude. There are many laboratory test methods to determine the hydraulic conductivity of the soil. Each test has its own merits, drawbacks and limitations. One of these methods is the measurement using a rigid wall permeameter (RWP), which is a common practice to obtain the fluid transmissibility characteristics of the soil matrix. This type of permeameter has the advantages of low cost, simplicity of test equipment, and adaptability to many different types of permeant liquids. Another method is the measurement through a flexible wall permeameter (FWP). The hydraulic conductivity measured using the FWP is conducted in a confined cylinder in which water flow is forced into one direction. The main disadvantage of this type is being relatively more expensive and needs more time to perform the test compared to the RWP. This study is aimed at comparing three testing conditions to obtain an adjustment factor for the hydraulic conductivity test normally carried out in practice in order to cut down the time needed to perform the test as well as its cost. Different mixtures of sand and expansive clay addition were considered to examine the effect of expansive clay content on the values of the hydraulic conductivity. Tests results revealed that the clay content had a significant effect on the swelling potential, which was attributed to structural changes in the mixtures. The hydraulic conductivity of mixtures decreases with the increase in clay content. The hydraulic conductivity of mixtures tested using FWP was observed to be lower than that of mixtures tested using RWP at similar clay contents. The tests conducted enabled establishing a correction factor to adjust the hydraulic conductivity normally obtained in practice using rigid wall cells.
1. Introduction
Hydraulic conductivity is usually defined as the ease with which a fluid, commonly water, can pass through a particular soil and is expressed as a rate. This is given as unit length per unit time. It depends not only on the permeability of the matrix but is also a function of the fluid. Intrinsic Permeability is a measure of how well a porous media transmits a fluid. It has nothing to do with the fluid itself. The term permeability is generally used when the subject fluid is water in a variety of geotechnical analyses. The need for this parameter in fluid or soil mechanics and geotechnical engineering, in general, is associated with the subsurface water flow, waste containment materials and other applications. Low hydraulic conductivity sand–bentonite or sand–clay mixtures are often used in hydraulic barriers to prevent contaminated water leaching from landfills. In order to engineer effective hydraulic barriers systems, proper knowledge of the hydraulic conductivity of mixtures is required. It is generally assumed that the coarser fraction of the mixture imparts a relatively high shear strength and high compacted density, while the hydraulic conductivity of the soil is governed by the proportion and index properties of the finer fraction [1]. Mitchell and Soga [2] reported that mixing a sand-sized fine aggregate with clay enhanced the compaction and mechanical properties, reduced cracking on drying [3] and reduced susceptibility to frost damage [4]. Studies in the literature covering this area during the last two decades of the twentieth century included works addressing the factors that influence this important parameter.
Lundgren [5], studied bentonite as an effective sealant in soil mixtures. Abeele [6], conducted a similar study while investigating the permeability of sandy soils. Peirce et al. [7] discussed the quality control for liner construction with regard to the hydraulic conductivity. Chapuis [8] used laboratory tests to predict the permeability in the field. The study of Kenney et al. [9] investigated the hydraulic conductivity of compacted bentonite–sand mixtures. Other works included research studies of the effect of the amount of fine soils (clay or bentonite) on the hydraulic conductivity of sand–clay and sand–bentonite mixtures [10,11,12,13,14,15,16,17,18].
It was found that the hydraulic conductivity decreases with increasingly fine content. This was confirmed by all researchers who used different devices. Variable techniques have been used to determine the hydraulic conductivity in the laboratory. These techniques can be categorized into direct approach (constant or falling head conditions) and indirect approach (from consolidation test) methods. The permeameters in general are categorized into rigid walls (RWP) and flexible walls (FWP). Numerous studies have been conducted in recent years to precisely quantify the rate at which water flows through sand–clay mixtures and the factors influencing the hydraulic conductivity. The attention to this area of research is increased as nuclear waste management and control measures become essential. The various types of permeameters are discussed, and their relative advantages and disadvantages are listed by Daniel et al. [19]. The applied stress, boundary leakages and degree of saturation are the major differences between the cells. It is evident that no one type of cell is best suited to all applications. Many researchers used conventional techniques to determine the hydraulic conductivity of the sand–clay mixtures [14,15,18,20,21]. Tavenas et al. and Dafalla et al. [22,23] used the consolidation tests as an indirect approach to measure the hydraulic conductivity of sand–clay mixtures. Flexible sidewall permeability testing became popular during the last two decades and is used by many investigators [13,23,24,25,26,27,28,29] as it allows simulating the actual field condition with regard to the control of the lateral earth pressure and the hydraulic gradient. The ASTM D5084 standard method uses flexible sidewall parameters and is mostly recommended for projects sensitive to hydraulic conductivity such as compacted clay liners (CCL). Trials have been made to find possible links and correlations between the rapid falling head or constant head permeability tests and the flexible wall permeability tests. The works of Dafalla et al. [23] suggested equations to predict the flexible wall hydraulic conductivity using indirect hydraulic conductivity measurements from the odometers. The effective pressure was found to influence this prediction, and four different equations were suggested to cover the effective stress from 50 kPa to 400 kPa.
When accurate values of hydraulic conductivity are required for soils, three stages need to be performed. Initially, the soil needs to be saturated. This stage is achieved in the laboratory when the volumetric change in the sample under pressure is equal to the water discharged from the sample. The second stage is to consolidate the sample under the stress likely to be exerted on the subject layers on site. Then, the final stage will be the permeation. This test can take several weeks or months, especially if the sample is rich in clay or has low hydraulic conductivity. The works of Ameta and Wayal, Anderson and Sivakumar [16,30] provide a good reference in this subject. From these studies, it can be inferred that the hydraulic conductivity indirectly obtained from the consolidation test is lower than the values obtained using direct conventional approaches (e.g., flexible/rigid wall and constant/falling head). Dafalla et al. [23] presented equations to be used when the hydraulic conductivity is computed using the consolidation test data. The precise and more reliable test is the ASTM D 5084: Standard test methods for measurement of the hydraulic conductivity of saturated porous materials using a flexible wall permeameter. The British standard constant head triaxial permeability test is very similar and provides reliable measurements.
The objective of this paper is to address a correction method to the results obtained in common practice for the hydraulic conductivity. The work program was tailored to study the relationship between the rigid wall tests and the flexible wall tests for determining the hydraulic conductivity. This approach can enhance prediction of reliable values for the hydraulic conductivity that can be confidently used in the design. The hydraulic conductivity, as measured using the flexible wall method, is the most ideal as it takes into account the natural field conditions. The common test conducted in practice is the rigid wall test where the sample is surrounded by tubes made of steel or other rigid materials. These tests are quick and easy to perform.
2. Materials
In recent years, heavy research has been devoted to the use of local clays as a substitute for processed bentonite in order to reduce the cost and avoid import complications. Al-Qatif clay in Saudi Arabia was singled out as the most suitable material due to its high plasticity and for being abundant in sufficient quantities in the eastern province of Saudi Arabia. This clay can be added to sand at different proportions depending on the required hydraulic conductivity of the required barrier.
2.1. Al-Qatif Clay
Al-Qatif clay is found along the Arabian Gulf coast, 400 km East of Riyadh (Saudi Arabia). This clay is classified as problematic for construction and engineering purposes due to its high plasticity. This was considered not suitable as a supporting ground due to the repeated cycles of swelling and shrinking when subjected to wetting and drying. Table 1 and Table 2 present the geotechnical characteristics and chemical composition of Al-Qatif clay, respectively.
Table 1.
Physical properties of the clay used in this study (after [25]).
Table 2.
Typical chemical composition of the clay used in this study.
2.2. Local Red Sand
The sand used in this study is a poorly graded fine- to medium-grained soil classified as SP in accordance with ASTM D2487 specifications. It is very popular in the area, being used for different construction purposes. Most of the sand grains are between 0.1 mm and 0.6 mm in size, as shown in Figure 1.
Figure 1.
Grain size distribution of uniform sand.
3. Testing Methodology
3.1. Index Properties
The basic index properties of Al-Qatif sand expansive clay mixtures were evaluated for different clay contents of 10%, 20% and 30%. Tests performed included specific gravity tests (ASTM D 854-00) and Atterberg limits (ASTM D 4318-00), and results are listed in Table 3.
Table 3.
Index Properties for Mixtures.
3.2. Compaction Tests
Al-Qatif clay was collected from the site and delivered to the laboratory to be dried and pulverized. Drying was performed using an oven at 60 °C temperature or by spreading the material in the open air at the summer temperature of 40 °C. In order to perform the index properties tests, a # 40 sieve (pore size = 425 µm) was used to remove coarse particles. The dry clay was mixed thoroughly with sand to achieve clay contents of 10, 20 and 30% by dry weight.
ASTM D698 was used for the compaction tests and the determination of the optimum water contents and the maximum dry unit weights for the selected mixtures. This procedure requires placing the mixtures into a mold (internal diameter = 101.6 mm (4-in); height = 113.9 mm (4.5-in)) using a 2.5-kg (5.5-lb) hammer in three equal layers. The results of the compaction test are summarized in Table 4.
Table 4.
The maximum dry density and optimum moisture content for the sand–clay mixtures.
3.3. Compressibility and Swell Tests
The compressibility and swell tests were performed using conventional odometers. The consolidation cell is designed to accommodate a ring of 50 mm diameter and 20 mm height. The thickness of the sample is made 2 to 3 mm less than the height of the ring in order to make room for swelling to take place. Porous disks and filter papers were placed on top and bottom of the sample to allow for drainage both ways (inward and outward). A loading frame with a lever arm designed to apply different stresses was attached to the system. The changes in the sample height during the test are traced by a sensor that records deformation to an accuracy of 0.01 mm.
All samples are prepared at the optimum moisture content and the maximum dry density. Measurements of height and weights were recorded for each sample before starting the test. In order to perform the swell tests ASTM D4546: Standard test methods for one-dimensional swell or settlement potential of cohesive soils, was considered with slight changes in the loading sequence. ASTM D2435: Standard test method for one-dimensional consolidation properties of soils using incremental loading was conducted. Loading pressures of 25, 50, 100, 200 and 400 kPa were applied and then off-loaded in increments. Each pressure was maintained for 24 h at free drainage and recharged from the top and bottom.
3.4. Hydraulic Conductivity
3.4.1. Rigid Wall Constant Head Tests
The hydraulic gradient applied on a sample is based on a constant water head while water passes through the sample. The measurements obtained by this method are used to compute the rate of flow of water through the well-defined laboratory section which is laterally confined by a rigid wall. The permeability coefficient obtained is referred to as constant head permeability.
3.4.2. Rigid Wall Falling Head Tests
The hydraulic gradient applied on a tested sample is based on a water head dropping as water is passing through the sample. The measurements obtained by this method are used to compute the rate of flow of water through a well-defined laboratory section which is laterally confined by a rigid wall. The permeability coefficient obtained is referred to as falling head permeability.
3.4.3. Flexible Wall Constant Head Tests
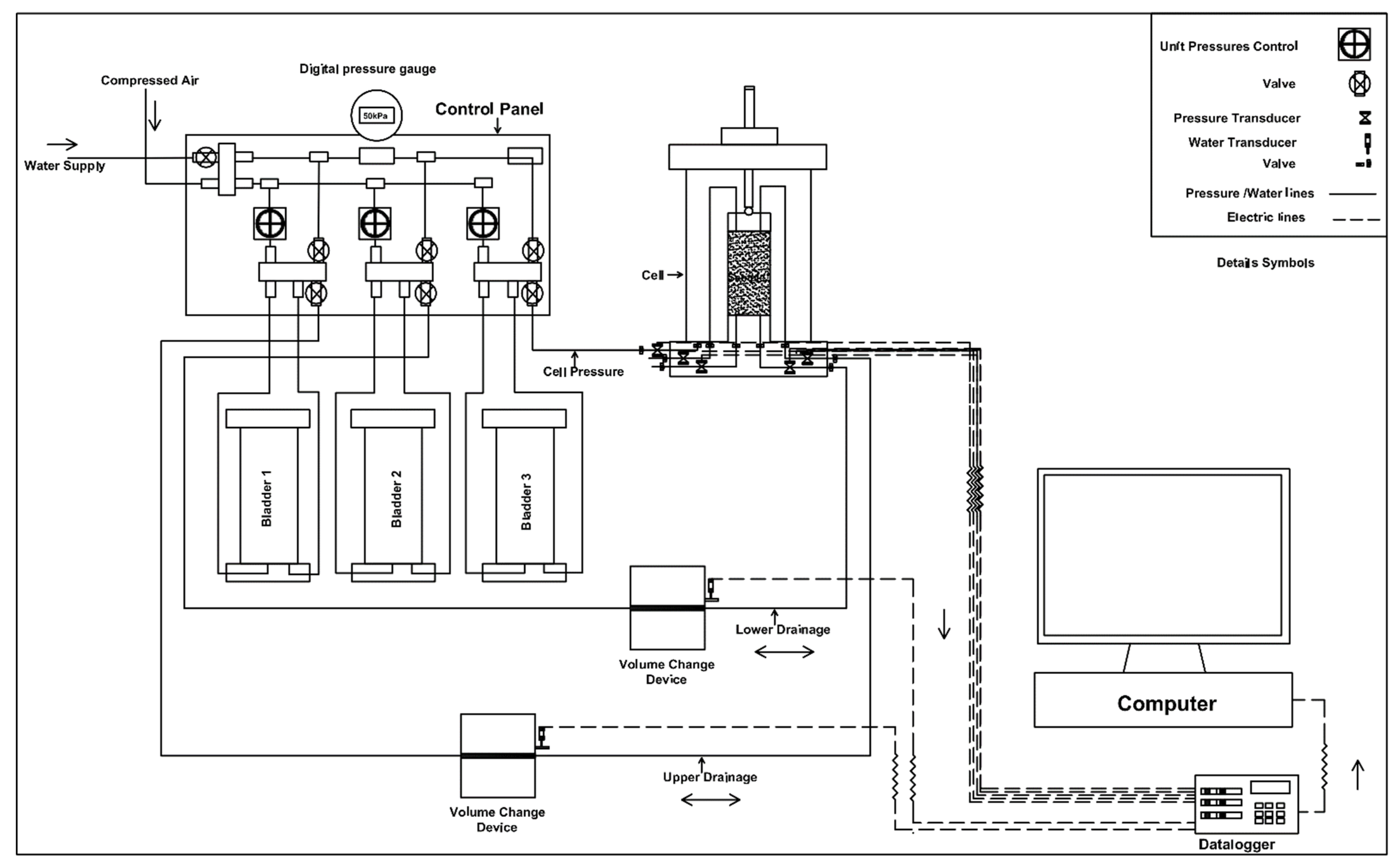
The ASTM presented a test method designated as ASTM D5084 titled: Standard test methods for measurement of hydraulic conductivity of saturated porous materials using a flexible wall permeameter [31]. This standard procedure covers many methods, which include the application of the hydraulic gradient to create a water flow under specific conditions where vertical and lateral stresses can be changed. This test method is not very much different from the British standard for the constant head triaxial permeability test. Both standards describe direct methods to obtain the saturated hydraulic conductivity, with minor differences in the procedure. In this study, the sand–Al-Qatif clay mixtures were tested using a flexible wall constant head permeameter. A schematic diagram of the test setup used here is shown in Figure 2.
Figure 2.
Schematic diagram of a flexible wall permeameter (after [32]).
3.4.4. Indirect Permeability Determination
One dimensional consolidation tests were used as an indirect method to estimate the saturated hydraulic conductivity of mixtures. The hydraulic conductivity using one-dimensional consolidation tests is considered a simple and fast test procedure compared to the direct measurement approaches. The computation of the saturated hydraulic conductivity is based on the assumptions adopted in driving the theory of consolidation by Terzaghi (1948). According to the theory of consolidation, the flow rate of water during each load increment depends on the magnitude of the hydraulic conductivity value.
The indirect method for determining the hydraulic conductivity based on Terzaghi’s theory of one-dimensional consolidation can be expressed as:
where cv is the coefficient of consolidation, mv is the coefficient of volume compressibility and γw is the unit weight of water. Consolidation tests are quicker and can allow estimations of the hydraulic conductivity under specific loading conditions.
4. Results and Discussion
4.1. Properties of the Mixtures
A poorly graded fine-grained material is shown in Figure 1, which presents the particle size distribution for the sand used in the clay–sand mixtures. In this case, the use of coarse-grained and rounded sand is considered the worse selection because it would require more expansive clay to fill up the voids. The laboratory porosity and void ratio are commonly measured to characterize the sand–clay mixtures.
The geological settings contribute to the mineralogy and chemistry composition of the clay. The parent material from which the clay particles were formed is of significant influence and normally varies from one area to another area [33]. Gueddouda et al. [24] carried out extensive research on the impact of ion concentration in water, cation exchange capacity and the double-layer theory on the hydraulic and mechanical properties of expansive soils.
Index properties (e.g., liquid and plastic limits) are used to estimate roughly the amount of swelling in the clay or clay mixtures. Al-Qatif clay is highly plastic, with a liquid limit (up to 150) and a plasticity index (up to 80). Table 3 summarizes the liquid limit, plastic limit and specific gravity values for all mixtures. The compaction parameters for all mixtures are presented in Table 4. The maximum dry densities for the sand–clay mixtures with a 10, 20 and 30% clay content are presented in a tabular form and given in Table 4.
4.2. Swelling Consolidation Behavior
The vertical strain vs. time shown in Figure 3 indicate a 3.5% swell for the 30% clay mixture compared to values of less than 0.2% for other mixtures of 20 and 10% clay in 1000 min. The initial rate of the swelling is usually high but decreases with time. This is attributed to the clay within the mixture. Pure clay continues to show changes in the vertical swelling strain for periods of more than two months. The hydraulic conductivity of the mixture is reduced with the expansion of clay as more parts of the voids become filled with a clay paste.
Figure 3.
Vertical strain vs. time for sand–clay mixtures.
The stress vs. vertical strain profile is presented in Figure 4. The slope of the curve for each clay content indicates the compressibility of the mixture. It is obvious how the 30% clay mixture is different from the other mixtures with regard to the compressibility. Being very compressible indicates a weakness but not a high permeability. The passage of water through the clay paste takes a longer time, and the paste itself is considered as an obstruction to the flow.
Figure 4.
Vertical strain at 24 h vs. stress at variable clay content of the mixtures.
The variation of swelling potential with clay content for mixtures is illustrated in Figure 5. This figure indicates that for all mixtures, there is a threshold clay content (at 20%) below which the expansion of sand–clay mixtures is not observed. A plausible explanation for observations shown in Figure 5 is that, for clay content less than or equal to the threshold clay content, the swelling of the clay component is confined within the voids of the sand particles (host material) without altering the structure of the mixture. Once the clay content increases beyond the threshold clay content, clay swelling will take place by filling the void and pushing the sand particles, resulting in the realization of swelling in the sand–clay mixtures. These observations are in agreement with those reported by [21,34,35]. Beyond the threshold clay content, the swell potential was observed to increase with an increase in clay content. As expected, the rate of increase in the swell potential with 30% clay content was observed to be higher than that for 20% clay content.
Figure 5.
Swelling strain at 24 h vs. clay content of the sand–clay mixtures.
4.3. Hydraulic Conductivity
Figure 6, Figure 7, Figure 8 and Figure 9 introduce graphical presentations for the flexible wall hydraulic conductivity, as measured under four different effective confining stresses compared to the hydraulic conductivity measured using the rigid wall methods (falling head and constant head) and compared to the hydraulic conductivity computed using an indirect method under vertical stress of 50 kPa. From Figure 6, Figure 7, Figure 8 and Figure 9, it is obvious that an increase in the clay content of a mixture reduces the hydraulic conductivity. Similar results were reported by [10,11,12,13,14,15,16,17,18,23,26]. Tong and Shackelford [31] confirmed that the measured values of the hydraulic conductivity (k) decreased by approximately 1 to 1.5 orders of magnitude as the bentonite content is increased from 5% to 15%. It was stated that the overall high k values for the specimens with a bentonite content of 5% can be attributed to the bentonite content being inadequate to completely fill all of the pores of the mixture. As the clay content had been found to influence the hydraulic conductivity, in general, it is seen here to also influence the comparison between testing methods.
Figure 6.
Hydraulic conductivity for a flexible wall at 50 kPa stress compared to other methods.
Figure 7.
Hydraulic conductivity for a flexible wall at 100 kPa stress compared to other methods.
Figure 8.
Hydraulic conductivity for a flexible wall at 200 kPa stress compared to other methods.
Figure 9.
Hydraulic conductivity for a flexible wall at 400 kPa stress compared to other methods.
For both FWP and RWP, the hydraulic conductivity profile for the mixture with 20% clay content is found closer to the hydraulic conductivity profile of that with 30% clay content. Evidently, there is no big difference in hydraulic conductivity values for clay content exceeding 20%. The influence of the effective confining stress is observed and found very significant for the measurements conducted here. Lower hydraulic conductivity values are associated with 200 kPa and 400 kPa confining stresses. The difference in magnitude is marginal when comparing the output of the test methods. Very high confining stresses of more than 200 kPa occur at a rather deep level if we consider only the weight of saturated soil as an overburden pressure. These observations are in agreement with those reported by [23,24,26,28].
Figure 10 presents the trend of the comparison between the flexible wall system and other rigid wall test methods. It can be observed that the clay content of the mixture has a substantial influence.
Figure 10.
Hydraulic conductivity prediction factor for a rigid wall/flexible wall measurement at variable clay content.
The trend presented in Figure 10 is only guidance and is obtained to represent the behavior of the Al-Qatif clay–sand mixture when tested under different conditions. The prediction factor can be introduced and expressed as rigid wall permeability divided by flexible wall permeability. The value of this factor varies from 1 to 6.3 (RWP falling head/FW). In addition, the value of this factor varies from 1 to 33.4 for (RWP constant head/FWP). For both cases, the general profile of the prediction factor indicates that the difference between the testing method for clay content above 20% is very small, and the factor can be taken as 1. For clay content less than 20%, the difference in measurements varies from 1 to 6.3 with a slope of 54% for RWP falling head/FWP and from 1 to 33.4 with a slope of 320% for RWP constant head/FWP. The bilinear relationship between the clay content and the prediction factor can be useful for adjusting the test results conducted in the laboratory using a rigid wall apparatus.
On the other hand, from the comparison of direct and indirect hydraulic conductivity measurements for mixtures with clay content, it is apparent that the hydraulic conductivity deduced from indirect methods is more than three orders of magnitude less than that obtained from the direct method. This may be attributed to several reasons. One reason could be the difference in the mechanism by which water flows through the sample. In the case of the direct method, the condition is steady state and hence the water flow is due to the direct hydraulic gradient application, whereas, in the case of the indirect method, the state is a transient flow and the water flow is due to the squeezing of the sample. In this case, the hydraulic gradient is a function of the compressibility of the mixtures. However, it is apparent that at the 30% clay content mixtures, the data show both methods to give comparable values for the hydraulic conductivity.
5. Microstructure Investigation
The scanning electron microscope (SEM) is an advanced technique generally used to view the soil fabric and the distribution of pores in a material. This can be conducted for the clay–sand mixtures of different properties and subjected to different stress levels. The SEM investigation was conducted using a field emission scanning electron microscope (FE-SEM) model JSM-7600F supplied by JEOL (Tokyo, Japan). The magnification ×100 was used for the examination of the mixture’s fabric. For this examination, three sand–clay mixtures were examined: 10, 20 and 30% clay content. Specimens with 0% clay content were not examined in this investigation because they were friable to the extent that they crumbled under a high vacuum inside the SEM device.
The samples were prepared following the same technique used for preparing samples for compressibility and swell tests as described above, then they were cut into small pieces to fit the desired size of the sample. All test samples were dried and coated with platinum to be electrically conductive. To minimize fabric disturbance accompanying the drying, saturated samples were dried using the freeze-drying technique.
The use of the obtained images can help in understanding the interaction between sand grains and clay particles for different mixtures. The pore distribution and assemblage can be seen very clearly. Figure 11, Figure 12 and Figure 13 show the SEM micrographs of the mixtures under as-compacted conditions. These micrographs show the transition of soil fabric with the increase in clay content. From these figures, it is observed that, for a clay content of 10%, the clay coats the sand grains of the mixture without developing significant gaps between sand grains (Figure 11). Part of the clay particles resides in the voids between the sand grains, as shown in Figure 12. In Figure 13, direct contact between sand grains is still visible, inferring that it will control the hydraulic conductivity behavior of the mixture. In the case of clay content greater than 20%, the volume of clay coating increases, causing the development of clay particles assemblage connectors in addition to filling up the voids between the sand particles. Under this case, the hydraulic conductivity behavior is dominated by the clay particles. In addition, interassemblage pores are visible in the case of 10% clay content. As the clay content equal or greater than 20%, interassemblage pores are hardly visible and filled with clay causing a significant decrease in hydraulic conductivity.
Figure 11.
SEM of sand clay mixture with 10% clay content.
Figure 12.
SEM of sand clay mixture with 20% clay content.
Figure 13.
SEM of sand clay mixture with 30% clay content.
6. Conclusions
The studied sand–clay mixture (containing Al-Qatif clay) was found to be very sensitive to the hydraulic conductivity measurements. The test method conducted to obtain the hydraulic conductivity needs to be corrected for the flexible wall testing conditions. A prediction factor is introduced to convert rigid wall measurements to flexible wall conditions. Significant differences between the rigid wall permeability test and the flexible wall permeability tests were observed for the clay content of less than 20%. The prediction factor can be introduced and expressed as rigid wall falling head or constant head permeability divided by the flexible wall constant head permeability. The value of this factor varies from 1 to 6.3 for the rigid wall falling head hydraulic conductivity and from 1 to 33.4 for the constant head rigid wall hydraulic conductivity. The general profile of the prediction factor indicates that the differences in the hydraulic conductivity between various testing methods for clay content above 20% are very small. The adjustment factor for this case can be taken as 1. The changes and differences in the constant head rigid wall hydraulic conductivity tend to be higher for the low clay content. This can be explained by the increase in the granular cohesion-less component of the mixture.
Author Contributions
Conceptualization, A.A.S. and M.D.; methodology, A.A.S.; formal analysis, A.A.S. and M.D.; investigation, A.A.S. and A.M.A.-M.; resources; A.A.S.; writing—original draft, A.A.S. and M.D.; writing—review and editing M.A.A.-S.; review, editing and supervision, A.A.S. and M.D.; funding acquisition, M.A.A.-S. All authors have read and agreed to the published version of the manuscript.
Funding
Deanship of Scientific Research at King Saud University. Grant reference: Vice Deanship of Scientific Research Chairs, BRCES.
Data Availability Statement
The data used to support the findings of this study are included in the introduced figures.
Acknowledgments
The authors are grateful to the Deanship of Scientific Research, King Saud University, for funding through Vice Deanship of Scientific Research Chairs.
Conflicts of Interest
The authors declare no conflict of interest.
References
- Shafiee, A. Permeability of compacted granule-clay mixtures. Eng. Geol. 2008, 97, 199–208. [Google Scholar] [CrossRef]
- Mitchell, J.K.; Soga, K. Fundamentals of Soil Behavior; John Wiley & Sons. Inc.: New York, NY, USA, 1976; p. 422. [Google Scholar]
- Dixon, D.A.; Gray, M.N.; Thomas, A.W. A study of the compaction properties of potential clay—Sand buffer mixtures for use in nuclear fuel waste disposal. Eng. Geol. 1985, 21, 247–255. [Google Scholar] [CrossRef]
- Kraus, J.F.; Benson, C.H.; Erickson, A.E.; Chamberlain, E.J. Freeze-thaw cycling and hydraulic conductivity of bentonitic barriers. J. Geotech. Geoenvironment. Eng. 1997, 123, 229–238. [Google Scholar] [CrossRef]
- Lundgren, T.A. Some bentonite sealants in soil mixed blankets. In Proceedings of the 10th International Conference on Soil Mechanics and Foundation Engineering, Stockholm, Sweden, 15–19 June 1981; Volume 2, pp. 349–354. [Google Scholar]
- Abeele, W.V. The influence of bentonite on the permeability of sandy silts. Nucl. Chem. Waste Manag. 1986, 6, 81–88. [Google Scholar] [CrossRef]
- Peirce, J.J.; Sallfors, G.; Peterson, E. Clay liner construction and quality control. J. Environ. Eng. 1986, 112, 13–24. [Google Scholar] [CrossRef]
- Chapuis, R.P. Sand-bentonite liners: Predicting permeability from laboratory tests. Can. Geotech. J. 1990, 27, 47–57. [Google Scholar] [CrossRef]
- Kenney, T.C.; Van Veen, W.A.; Swallow, M.A.; Sungaila, M.A. Hydraulic conductivity of compacted bentonite—Sand mixtures. Can. Geotech. J. 1992, 29, 364–374. [Google Scholar] [CrossRef]
- Gipson, A.H. Permeability testing on clayey soil and silty sand-bentonite mixture using acid liquor. In Hydraulic Barriers in Soil and Rock; ASTM International: West Conshohocken, PA, USA, 1985. [Google Scholar]
- Mollins, L.H.; Stewart, D.I.; Cousens, T.W. Predicting the properties of Bentonite Sand Mixtures. Clay Miner. 1996, 31, 243–252. [Google Scholar] [CrossRef]
- Gleason, M.H.; Daniel, D.E.; Eykholt, G.R. Calcium and Sodium Bentonite for Hydraulic Containment Applications. J. Geotech. Geoenvironment. Eng. 1997, 123, 438–445. [Google Scholar] [CrossRef]
- Komine, H. Simplified evaluation on hydraulic conductivities of sand-bentonite mixture backfill. Appl. Clay Sci. 2004, 26, 13–19. [Google Scholar] [CrossRef]
- Chalermyanont, T.; Arrykul, S. Compacted sand-bentonite mixtures for hydraulic containment liners. Songklanakarin J. Sci. Technol. 2005, 27, 313–323. [Google Scholar]
- Al-Rawas, A.A.; Mohamedzein, Y.E.A.; Al-Shabibi, A.S.; Al-Katheiri, S. Sand-attapulgite clay mixtures as a landfill liner. Geotech. Geol. Eng. 2006, 24, 1365–1383. [Google Scholar] [CrossRef]
- Ameta, N.K.; Wayal, A.S. Effect of bentonite on permeability of dune sand. Ejge 2008, 13, 1–7. [Google Scholar]
- Imaizumi, S.; Wataru, M.; Takahashi, N.; Doi, Y. Estimation of critical ratio of bentonite addition to tuff sand. J. Mater. Cycles Waste Manag. 2009, 11, 299–304. [Google Scholar] [CrossRef]
- Akgün, H. Geotechnical characterization and performance assessment of bentonite/sand mixtures for underground waste repository sealing. Appl. Clay Sci. 2010, 49, 394–399. [Google Scholar] [CrossRef]
- Daniel, D.E.; Anderson, D.C.; Boynton, S.S. Fixed-wall versus flexible-wall permeameters. In Hydraulic Barriers in Soil and Rock; ASTM International: West Conshohocken, PA, USA, 1985. [Google Scholar]
- Kaoser, S.; Barrington, S.; Elektorowicz, M.; Ayadat, T. The influence of hydraulic gradient and rate of erosion on hydraulic conductivity of sand-bentonite mixtures. Soil Sediment Contam. 2006, 15, 481–496. [Google Scholar] [CrossRef]
- Shaker, A.A.; Elkady, T.Y. Hydraulic performance of sand–clay mixtures: Soil fabric perspective. Géotechnique Lett. 2015, 5, 198–204. [Google Scholar] [CrossRef]
- Tavenas, F.; Jean, P.; Leblond, P.; Leroueil, S. The permeability of natural soft clays. Part II: Permeability characteristics. Can. Geotech. J. 1983, 20, 645–660. [Google Scholar] [CrossRef]
- Dafalla, M.; Shaker, A.A.; Elkady, T.; Al-Shamrani, M.; Dhowian, A. Effects of confining pressure and effective stress on hydraulic conductivity of sand-clay mixtures. Arab. J. Geosci. 2015, 8, 9993–10001. [Google Scholar] [CrossRef]
- Gueddouda, M.K.; Lamara, M.; Abou-bekr, N.; Taibi, S. Hydraulic behaviour of dune sand-bentonite mixtures under confining stress. Geomech. Eng. 2010, 2, 213–227. [Google Scholar] [CrossRef][Green Version]
- Dafalla, M.A. The Compressibility and Swell of Mixtures for Sand-Clay Liners. Adv. Mater. Sci. Eng. 2017, 2017, 3181794. [Google Scholar] [CrossRef]
- Shaker, A.A.; Elkady, T.Y. Investigation of the hydraulic efficiency of sand-natural expansive clay mixtures. Int. J. GEOMATE 2016, 11, 2410–2415. [Google Scholar] [CrossRef]
- Shaker, A.A.; Dafalla, M. Effect of state of compaction on the hydraulic conductivity of sand-clay mixtures. J. GeoEng. 2017, 12, 13–19. [Google Scholar] [CrossRef]
- Tavakoli, H.R.; Shafiee, A.; Jafari, M.K. Hydraulic conductivity of compacted composite clays. Int. J. Civ. Struct. Eng. 2010, 1, 288–304. [Google Scholar]
- Dafalla, M.A. Efficiency of Sand Clay Liners in Controlling Subsurface Water Flow. Eng. Geol. Soc. Territ. 2015, 3, 497–499. [Google Scholar] [CrossRef]
- Anderson, C.; Sivakumar, V. Permeability of Natural Clay Liners: Effect of Accelerated Permeability Testing on Soil Structure. In Proceedings of the 12th International Conference of International Association for Computer Methods and Advances in Geomechanics (IACMAG), Goa, India, 1–6 October 2008; pp. 1443–1450. [Google Scholar]
- Tong, S.; Shackelford, C.D. Standardized hydraulic conductivity testing of compacted sand-bentonite mixtures. Geotech. Test. J. 2016, 39, 1015–1029. [Google Scholar] [CrossRef]
- Shaker, A.A.; Al-Shamrani, M.A.; Moghal, A.A.B.; Vydehi, K.V. Effect of confining conditions on the hydraulic conductivity behavior of fiber-reinforced lime blended semiarid soil. Materials 2021, 14, 3120. [Google Scholar] [CrossRef]
- Zhang, T.; Wang, S. Explanation of the influence of sodium chloride solution on volume deformation and permeability of normally consolidated clays. Materials 2019, 12, 1671. [Google Scholar] [CrossRef]
- Sun, D.; Cui, H.; Sun, W. Swelling of compacted sand-bentonite mixtures. Appl. Clay Sci. 2009, 43, 485–492. [Google Scholar] [CrossRef]
- Shaker, A.A.; Elkady, T.Y.; Dhowian, A. Swell and Compressibility of Sand-Expansive Clay Mixtures. In Soil Behavior and Geomechanics; GSP 236: Shanghai, China, 2014; pp. 15–24. [Google Scholar]
Publisher’s Note: MDPI stays neutral with regard to jurisdictional claims in published maps and institutional affiliations. |
© 2022 by the authors. Licensee MDPI, Basel, Switzerland. This article is an open access article distributed under the terms and conditions of the Creative Commons Attribution (CC BY) license (https://creativecommons.org/licenses/by/4.0/).












