Abstract
Multi-effect distillation with thermal vapor compression (MED-TVC) is a highly energy-efficient desalination technology that can provide a reliable and sustainable source of high-quality water, particularly in areas with limited energy infrastructure and water resources. In this study, a numerical model based on exergoeconomic approach is developed to analyze the economic performance of a MED-TVC system for seawater desalination. A parallel/cross feed configuration is considered because of its high energy efficiency. In addition, a parametric study is performed to evaluate the effects of some operational parameters on the total water price, such as the top brine temperature, seawater temperature, motive steam flow rate, and number of effects. The obtained results indicate that the total water price is in the range of 1.73 USD/m3 for a distilled water production of 55.20 kg/s. Furthermore, the exergy destructions in the effects account for 45.8% of the total exergy destruction. The MED effects are also identified to be the most relevant component from an exergoeconomic viewpoint. Careful attention should be paid to these components. Of the total cost associated with the effects, 75.1% is due to its high thermodynamic inefficiency. Finally, the parametric study indicates that adjusting the top brine temperature, the cooling seawater temperature, the motive steam flow rate, and the number of effects has a significant impact on the TWP, which varies between 1.42 USD/m3 and 2.85 USD/m3.
1. Introduction
Desalination technologies have become an important pillar of the world’s freshwater supplies; they are effective in supporting countries and industries to satisfy their water needs. There are many desalination plants around the world on which communities depend for their economic activity and portable water supply. As desalination systems become a common application in the world, different desalination technologies are available, such as membrane techniques and thermally driven techniques [1]. In this regard, desalination systems are generally designed and optimized from an energy and economic perspective. The exergy-based method has been successfully used for the analysis and optimization of energy and the economic performance of desalination systems [2,3,4,5,6].
Multi-effect desalination is among the thermal desalination systems to receive significant attention for its high efficiency, operational and maintenance simplicity, the feasibility of using low-grade heat, and economic sustainability [7,8]. MED integrated in a thermal vapor compressor system has recently received much attention in research; the major advantages of MED-TVC desalination systems are high thermal efficiency with low energy requirement, a small condenser size, and reasonable production costs [9].
A number of studies have been conducted to analyze the energetic performance of MED-TVC systems using the exergy approach [10,11,12,13,14,15,16,17], in which exergy analysis revealed that the thermo-compressor and effects are the major sources of exergy destruction in a MED-TVC system. Hamed et al. [10] applied an exergy analysis to evaluate and compare the performance of a TVC system with those of the conventional MEB and MVC desalination systems. It was observed that the TVC system generates the lowest exergy destruction among the three systems. In addition, a major part of the exergy destruction in the TVC system occurs in the first effect and in the thermo-compressor. In [11], the thermo-compressor and the evaporator were also identified as the main sources of exergy destruction for single- and multi-effect thermo-vapor compression systems.
Al Asfour et al. [12] conducted a parametric study using energy and exergy analysis for three configurations of a multi-effect thermal vapor compression desalination system. The results revealed that the steam ejector and evaporators are the major sources of exergy destruction in the three configurations. The decrease in the top brine temperature leads to a decrease in the specific heat consumption and exergy destruction. Choi et al. [13] presented an energy and exergy analysis for a MED-TVC system developed by Hyundai Heavy Industry for identifying the system’s efficiency improvement potential. It was found that the largest specific exergy losses in the MED-TVC desalination system occur in the TVC and the effects. Comprehensive thermal and exergy analyses for MED and MED–TVC systems were conducted to reveal the mechanism of the system’s internal exergy loss [14].
The exergy consumption of the MED TVC system is evidently higher than for the MED system, and the exergy efficiency of the system improves as the number of suction effects increases. Binamer [15] developed a mathematical model of a MED-TVC desalination system to evaluate the system performance using energy and exergy analysis. It was shown that the first effect accounted for about 31% of the total destruction of the exergy effects. The specific exergy destruction is significantly reduced when increasing the number of effects as well as operating at lower top brine temperatures. Sadri et al. [16] also developed a mathematical model to predict and optimize the exergy efficiency of a MED-TVC system. The model could predict the effects of various variables on the performance of the system. The authors indicated that careful attention should be paid to evaporators, since they are the main sources of exergy destruction. Menasri et al. [17] presented a MED–TVC system model based on energy and exergy analyses. The results revealed that the main sources of exergy destruction in the MED-TVC system are the ejector and the evaporators, while a parametric study revealed that operating with a lower brine temperature and lower motive steam flow rate is recommended to improve the overall efficiency.
In recent studies, the economic performance of MED-TVC desalination systems has been analyzed by using the exergoeconomic method. Elsayed et al. [9] conducted an exergoeconomic analysis on four different feed configurations for a MED-TVC desalination system. The effect of the economic variables, such as cost index, interest rate, and electricity cost, on the total water price was investigated. Their results showed that the parallel cross feed (PCF) configuration has the minimum production cost (2.09 USD/m3). In another study, Elsayed et al. [1] also developed an exergoeconomic model to analyze the performance of a multi-effect desalination plant integrated to a mechanical vapor compressor unit (MED-MVC). The results indicated that the total water price was 1.63 USD/m3. Samaké et al. [18] performed an exergoeconomic analysis of a multiple-effect desalination system with ejector vapor compression. Both forward and parallel/cross configurations were considered. It was found that the required total capital investment and the unit cost of the produced potable water always increase when the number of effects increases.
In recent studies, Javadi et al. [19,20,21] have explored the use of different combinations, including gas and steam, parabolic solar collectors, MED desalination units, and reverse osmosis, to generate water and electricity. They worked on the optimization of these cogeneration systems through performing exergy, economic, and environmental analyses. Ghasemiasl et al. [22] conducted an economic optimization for a cogeneration system consisting of gas and steam turbines, a MED system, and a solar farm; the results showed that the interest rate of freshwater production increased from 6 to 12 due to the increase in the number of effects.
Based on the review mentioned above, it is obvious that MED-TVC desalination systems have attracted the attention of many researchers. Most studies focus on the exergy analysis of MED-TVC desalination systems; however, few focus on their economic analysis. The present study will add more value to the existing studies by providing a detailed economic analysis using an exergoeconomic approach for a MED-TVC desalination system, in order to estimate the total water price and identify the most relevant components of the system from an exergoeconomic point of view. By analyzing the costs and benefits of different design options, operational strategies, and maintenance practices, decision makers can identify ways to improve the efficiency and effectiveness of the MED-TVC system. In addition, a parametric study is conducted here to evaluate the effect of some process parameters on the total water price, such as top brine temperature, seawater temperature, motive steam flow rate, and number of effects.
2. MED-TVC System Description
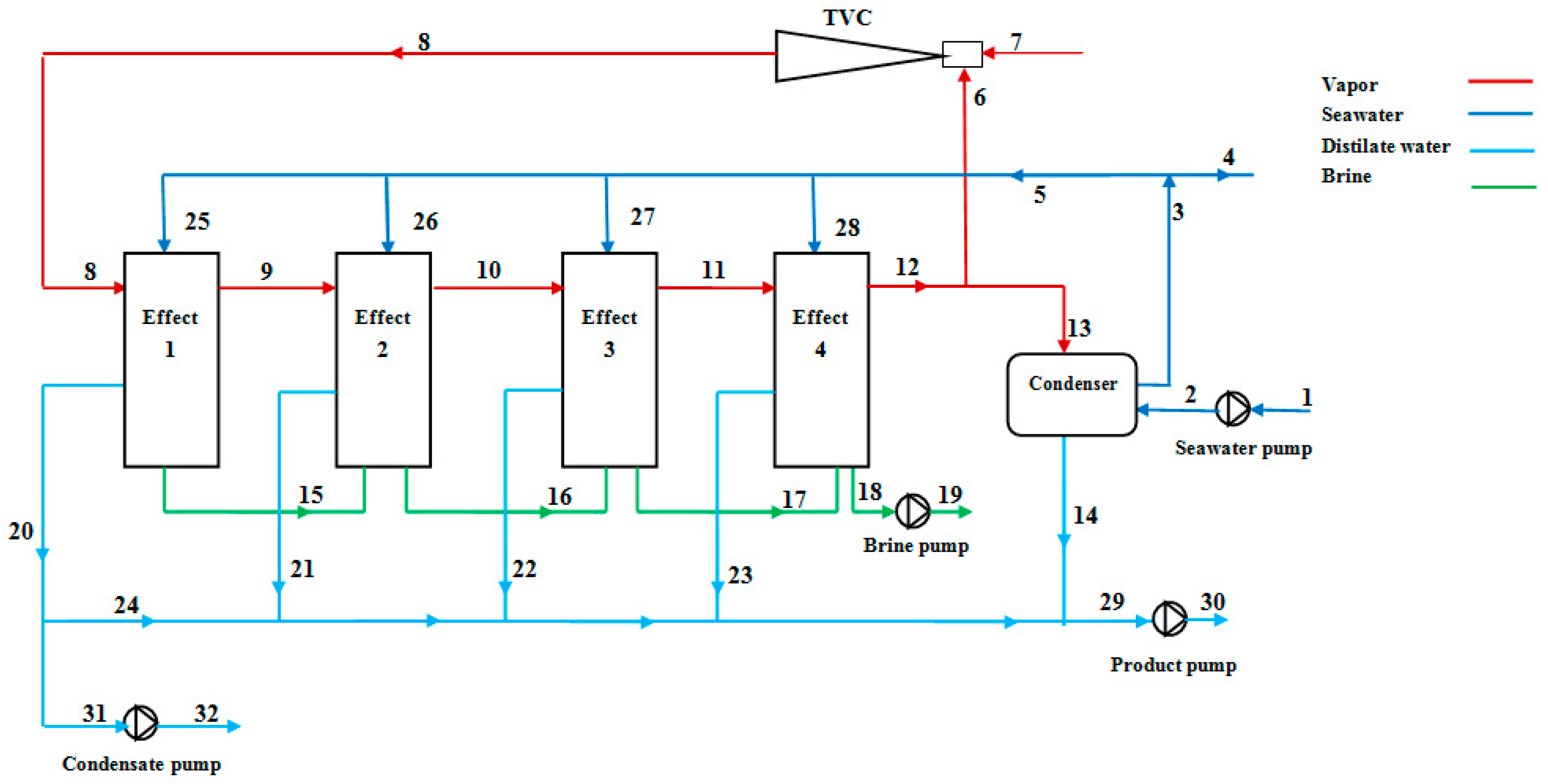
A schematic diagram of the MED-TVC desalination system is presented in Figure 1. The MED-TVC system mainly consists of four effects (evaporators); a steam ejector (thermo-compressor); a condenser; and pumps for seawater, brine, and distillate. As shown in this figure, the feed configuration of MED integrated with the TVC unit considered in the present study is PCF. The cooling seawater flow (stream 1) enters the condenser to cool the distillate water and increase the seawater feed temperature (stream 2). The seawater leaves the condenser (stream 3) and is divided into two streams. One stream (stream 4) returns to the tank and the other stream (stream 5) is directed to the effects and split into four parts (streams 25–28). Motive steam (stream 7) is supplied to the steam ejector and is mixed with entrained steam (stream 6), which was separated from the steam generated from the last effect (stream 12).
Figure 1.
Schematic diagram of the MED-TVC desalination system with parallel cross feed configuration.
The combined vapor streams are then compressed in the ejector to meet the first thermal requirement (stream 8). The other part (stream 13) enters the condenser and heats the seawater to a higher temperature. Thereby, it condenses as distillate water and passes to the product line (stream 14). The vapor generated from the first effect (stream 9) is passed through demisters and enters effect number two (stream 10), and so on into the next effect (stream 11). The brine remaining in the feed water of the first effect (stream 15) is directed to the second effect and so on to the other effects (streams 16–18). In the last effect, raw water is discharged as brine (stream 19). At the same time, the condensate steam leaving the first effect (stream 20) is divided into two streams. One stream (stream 31) is fed to the water to the steam cycle of the steam power plant, while the other stream (stream 24) flows with all streams collected from the four effects (streams 21–23) in the fresh water line (stream 29).
3. Mathematical Modeling of the System
3.1. Thermodynamic Analysis
The thermodynamic model of the proposed MED-TVC desalination system was developed in MATLAB 7.9 software using mass and energy conservation equations according to the following assumptions:
- -
- The desalination plant operates in a steady state condition.
- -
- The effects have a similar temperature difference and the feed-flow rate is constant.
- -
- The distillate and vapor are salt-free.
- -
- A pump average efficiency of 75% is considered.
In addition, the model includes the equations for calculating the physical properties of the seawater and the heat transfer coefficients. A detailed description of seawater properties’ (enthalpy, entropy, chemical potential and density) calculation and the thermodynamic model developed for a combined cycle for the MED-TVC desalination system were previously presented by the authors [17,23].
3.2. Exergy Analysis
Exergy analysis involves calculation of the exergy flow of each stream and the exergy destruction of each component of the system. Neglecting the kinetic and potential energies, the exergy flow rate of each stream is given as follows:
The global exergy of each flow is defined as follows:
The exergy destruction is defined as the irreversibility rate of the system. For each component, the exergy destruction rate can be obtained by the following equation:
3.3. Exergoeconomic Analysis
The method of exergoeconomic analysis was used to evaluate the economic performance of the MED-TVC system presented in this study. There are several exergoeconomic approaches reported in the literature [24]; the specific exergy costing method (SPECO), which is one of the most widely applied methods for energy systems, is used in this study.
The SPECO method consists of three basic steps, including the definition of control volumes for all components, the development of auxiliary equations according to the fuel and product rules, and the formulation of the cost balance equations [25].
In an exergoeconomic analysis, the cost balance for each system component can be written as:
The term represents the total cost rate associated with the capital investment of the component, as defined by [26,27]:
CRF is the capital recovery factor, which is given as follows:
represents the purchase cost of the component that is calculated based on the cost formulas in the literature [9,18]. It is noted that the purchase cost of each component has been updated to the year 2020 by using the chemical engineering plant cost index (CEPCI) [28].
Combining Equation (5) for all the MED-TVC system components with the appropriate auxiliary equations, a linear equation system is developed to obtain the unknown flows costs.
The remaining cost balances and corresponding auxiliary equations for each component of the system are given in Table 1 [9,18].
Table 1.
Exergy and cost balance equations with corresponding auxiliary equations for the MED-TVC system [9,18].
3.4. Performance Indicators
- Total water price (TWP), which is the ratio between the cost streams of water exiting the desalination unit to the amount of the desalinated water [29].
- Exergy destruction cost rate (), defined as [30]
- Exergoeconomic factor calculated by:
4. Results and Discussion
First, it should be noticed that the developed thermodynamic model of the MED-TVC system was validated using the reported data of a model developed by Elsayed et al. [9]. The input values for validation and the validation results are given in Table 2. As shown in this table, there is good agreement between the current results and the available data in [9].
Table 2.
Validation results of MED-TVC model.
The results of the exergy and exergoeconomic analyses and the parametric study are presented in the next sections. The main initial parameters used to simulate the MED-TVC system are provided in Table 3. The simulation results, including the mass flow rate, temperature, specific exergy, and cost rate of all of the matter streams shown in Figure 1, are summarized in Figure 2. The fresh water production for the evaluated system is 55.2 kg/s (198.7 m3/h), and the total water price (TWP) is found to be around 1.73 USD/m3. This value is of the same range as those reported in the literature for other MED-TVC units, varying between 0.41 USD/m3 and 2.09 USD/m3 [1,9,10,11,12,13,14,15,16,17,18,19,20,21,22,23,24,25,26,27,28,29,30].The difference can be attributed to the MED-TVC unit configuration and the cost index used to update the equipment purchase cost.
Table 3.
Parameters assumed for the simulations.
Figure 2.
Cost flow diagram of the MED-TVC system.
4.1. Exergy Analysis
Table 4 contains the results obtained from the exergetic analysis, i.e., exergy rates associated with fuel, product, exergy destruction and exergy destruction ratios for each component. It can be seen that the components that should be improved first are the evaporators and the TVC unit. The exergy destruction of the evaporators is 1946.3 kW, which accounts for 45.8% of the system exergy destruction, and the exergy destruction of the TVC unit is 1730.8 kW, which accounts for 40.7% of the system exergy destruction. This is mainly due to the heat transfer process in the effects associated with phase change and to the high pressure of motive steam and the temperature difference through the TVC unit.
Table 4.
Exergetic analysis results.
The second priority for improvement is the condenser; the exergy destruction for this component is 381.5 kW. While pumps (except the feed pump) have the smaller share of exergy destruction, ranging from 0.1% to 3.5%, the improvement is less important than the improvement of the above-mentioned components. Therefore, designers should focus on evaporators, TVC unit, and condenser to improve the exergetic performance of a desalination plant. It should be noted that the exergy destruction in the effects can be reduced by increasing the number of effects [17]. On the other hand, seawater preheater before the condenser inlet can be used to improve the exergy performance of the condenser by recovering energy from the fresh water outlets to increase the temperature of the seawater at the inlet of the condenser.
4.2. Exergoeconomic Analysis
Table 5 and Figure 3 show the results of the exergoeconomic analysis of the components of the MED-TVC system. Different exergoeconomic variables were calculated for each component, such as the investment cost rate (), the cost rates associated with exergy destruction (), the exergoeconomic factor (), and the sum of (). According to (), values, the cheapest component is the TVC unit (0.7 USD/h) and pumps (0.71 USD/h), and the most expensive component is the effects (72.4 USD/h) and condenser (7.7 USD/h), due to the required large heat transfer area. In addition, for all components, low values of the exergoeconomic factor () were observed, except for the pump (60%). A low value of the exergoeconomic factor suggests a decrease in the cost rates associated with the exergy destruction of a component.
Table 5.
Exergoeconomic analysis results.
Figure 3.
The sum of () for the MED-TVC system components.
It can be seen from Figure 3 that the highest sum () is for the effects, followed by the condenser. The exergoeconomic factor of the effects is 24.9%, suggesting that the capital cost has a relatively much lower rate than the cost of exergy destruction. Therefore, 75.1% of the total cost associated with the effects is due to its high thermodynamic inefficiency (high exergy destruction). The second cost ineffective component in the system is the condenser; its exergoeconomic factor is observed to be 8.6%, meaning that only 8.6% of the cost is owing to component capital cost and 91.4% of the cost is because of high exergy destruction. The third cost ineffective component in the system is found to be the TVC unit, and its exergoeconomic factor is obtained to be approximately 2.4%, which means that only 2.4% of the cost is owing to component capital cost and 97.6% of the cost is owing to high exergy destruction.
4.3. Parametric Study
A parametric study was carried out in order to investigate the effect of certain parameters on the total water price of the MED-TVC system. The key parameters of the study were the top brine temperature, seawater temperature, motive steam flow rate, and number of effects.
4.3.1. Effect of the Top Brine Temperature
Figure 4 shows the variations in the total water price of the MED-TVC system as the top brine temperature changes. It can be seen that the TWP monotonically decreases over the given range of TBT, but its rate of decrease is lower (from 1.8 USD/m3 to 1.42 USD/m3) as a higher TBT is approached. This trend in the TWP is explained by the nature of variation of the cost streams of water exiting the desalination unit with an increase in TBT. Although the distillate production increases linearly with TBT, the variation of the cost streams of water with an increase in TBT is not linear, and there is a small increase in the slope of increase in the cost streams with TBT. This feature is attributed to the variation of LMTD with an increase in TBT.
Figure 4.
Effect of top brine temperature on the TWP.
4.3.2. Effect of the Seawater Temperature
Figure 5 shows the variation of total water price with the seawater temperature. As it can be seen from this figure, the increase in the cooling seawater temperature leads to an increase in the TWP of the system. The TWP is increased by 12%, from 1.6 USD/m3 to 1.79 USD/m3. The reason is that the increase in the seawater temperature results in an increase in the feed water temperature, and feed water with higher temperatures needs lower heat to be preheated. Therefore, the lower the specific heat consumption, the lower the TWP. This is because the energy required to desalinate seawater depends on the difference in temperature between the feed seawater and the heated evaporator surface. Warmer seawater requires less energy to heat to the boiling point, which results in lower energy consumption and operating costs. However, there are some limitations to the benefits of warmer seawater. For example, if the temperature of the seawater is too high, it may cause scaling or fouling of the heat exchangers, which can decrease the efficiency of the desalination process and increase maintenance costs. The obtained results indicate that the increase in the seawater temperature from 25°C to 33°C leads to a 10% increase in the TWP of the MED-TVC system.
Figure 5.
Effect of cooling seawater temperature on the TWP.
4.3.3. Effect of the Motive Steam Flow Rate
The influence of the motive steam flow variation on the total water price is shown in Figure 6. It is observed that an increase in the motive steam flow rate from 6 to 10 kg/s leads to a slight increase in the TWP. The increase in the TWP is only 2.3% when the motive steam flow rate rises from 6 to 9 kg/s and then increases by 4.4% when the motive steam flow increases to 10 kg/s. This can be explained by the higher influence of the motive steam flow on the specific heat consumption because the addition of steam flow rate leads to an increase in the temperature and the pressure of compressed vapor. This will lead to the generation of more vapors and, consequently, more distillate water, but higher energy will be needed to evaporate the seawater in all effects. Therefore, the amount of freshwater production is more sensitive to the motive steam flow rate of the MED-TVC system than the total water price.
Figure 6.
Effect of motive steam flow rate on the TWP.
4.3.4. Effect of the Number of Effects
The number of effects used in a MED-TVC process is an important factor in determining the total water price. Figure 7 shows the variation of the total water price with the number of effects. As shown in this figure, the TWP monotonically rises with the addition of more effects to the MED-TVC system, due to the increase in the capital and operating costs of the desalination process. By adding more effects, freshwater production and energy efficiency increase, but this also increases the capital cost, maintenance cost, and downtime, which can lead to a higher total water price. It is estimated that the increase in the total water price is about 26% as the number of effects increases from 4 to 10. The minimum TWP is obtained at four effects. Therefore, using four effects is preferable for the MED-TVC system to obtain the lowest price of desalinated water.
Figure 7.
Influence of the number of effects on the TWP.
5. Conclusions
In this paper, a parallel/cross MED-TVC desalination system with four effects was investigated, and its performance was evaluated using exergy and exergoeconomic approaches. In addition, a parametric study was performed to analyze the effects of several operating parameters on the system economic performance. The main conclusions arising from the present study can be summarized as follows:
- -
- The total water price of the MED-TVC system is estimated to be 1.73 USD/m3 for a freshwater production of 16.16 kg/s.
- -
- Among all system components, the effects, TVC unit, and condenser are the most relevant components from an exergetic and an exergoeconomic point of view.
- -
- The top brine temperature, cooling seawater temperature, motive steam flow rate, and number of effects have significant effects on the economic performance of the MED-TVC system.
Finally, an exergoenvironmental analysis using life cycle assessment is needed and will be performed in a future study to evaluate the environmental impact of the MED-TVC desalination system and improve its ecological performance.
Author Contributions
Conceptualization, Z.T., H.T., M.K., A.A., N.M. and L.M.; Methodology, Z.F., Z.T., R.M., H.T., A.A., J.Z. and L.M.; Software, Z.F., Z.T., H.T. and J.Z.; Validation, Z.F., Z.T., R.M., H.T., M.K., A.A., N.M., J.Z. and L.M.; Formal analysis, Z.F., Z.T., R.M., H.T., M.K., A.A., J.Z. and L.M.; Investigation, Z.F., Z.T., H.T., M.K., A.A., N.M. and L.M.; Resources, Z.F., Z.T., R.M., A.A. and L.M.; Data curation, Z.F., Z.T., R.M., A.A. and J.Z.; Writing—original draft, Z.F.; Writing—review & editing, Z.T., H.T., M.K., A.A., N.M., J.Z. and L.M.; Visualization, Z.T., R.M., H.T., M.K., A.A., N.M., J.Z. and L.M.; Supervision, Z.T., H.T. and A.A.; Project administration, Z.T., A.A., N.M., J.Z. and L.M. All authors have read and agreed to the published version of the manuscript.
Funding
This research received no external funding.
Data Availability Statement
Not applicable.
Conflicts of Interest
The authors declare no conflict of interest.
Nomenclature
| Symbols | Description |
| heat transfer area (m2) | |
| cost rate (USD/h) | |
| electricity cost (USD/kWh) | |
| C | cost per exergy unit (USD/GJ) |
| cost rate of the exergy of fuel (USD/GJ) | |
| D | distillate production (m3/h) |
| exergy rate (kW) | |
| chemical exergy(kW) | |
| exergy destruction (kW) | |
| exergy rate of the fuel (kW) | |
| physical exergy (kW) | |
| exergy rate of the product (kW) | |
| specific enthalpy (kJ/kg) | |
| specific enthalpy at ambient conditions (kJ/kg) | |
| I | interest rate (%) |
| K | kth component |
| mass flow rate (kg/s) | |
| N | operating hours(h) |
| P | pressure (kPa) |
| N | lifetime of the unit desalination (yr) |
| specific entropy (kJ/kg K) | |
| specific entropy at ambient conditions (kJ/kg K) | |
| temperature (°C) | |
| specific chemical cost (USD/m3) | |
| specific heat consumption (USD/m3) | |
| specific labor cost (USD/m3) | |
| U | heat transfer coefficient (W/m2°C) |
| brine pump power (kW) | |
| condensate pump power(kW) | |
| product pump power (kW) | |
| feed pump power (kW) | |
| component purchasing cost (USD) | |
| capital investment cost rate (USD/h) | |
| maintenance factor (%) | |
| mass fraction (kg/kg) | |
| chemical potential (kJ/kg) | |
| pump efficiency (%) | |
| Abbreviations | |
| LMDT | Logarithmic Mean Temperature Difference |
| MEB | Multi-Effect Boiling |
| MED | Multiple-Effect Desalination |
| MVC | Mechanical Vapor Compression |
| PCF | Parallel Cross Feed |
| SPECO | Specific Exergy Costing Method |
| TBT | Top Brine Temperature |
| TVC | Thermal Vapor Compression |
| TWP | Total Water Price |
References
- Elsayed, M.L.; Mesalhy, O.; Mohammed, R.H.; Chow, L.C. Transient and thermo-economic analysis of MED-MVC desalination system. Energy 2019, 16, 283–296. [Google Scholar] [CrossRef]
- Macedonio, F.; Drioli, E. An exergetic analysis of a membrane desalination system. Desalination 2010, 261, 293–299. [Google Scholar] [CrossRef]
- Fitzsimons, L.; Corcoran, B.; Young, P.; Foley, G. Exergy analysis of water purification and desalination: A study of exergy model approaches. Desalination 2015, 359, 212–224. [Google Scholar] [CrossRef]
- Miladi, R.; Frikha, N.; Gabsi, S. Exergy analysis of a solar-powered vacuum membrane distillation unit using two models. Energy 2017, 120, 872–883. [Google Scholar] [CrossRef]
- Askari, I.B.; Ameri, M.; Calise, F. Energy, exergy and exergo-economic analysis of different water desalination technologies powered by Linear Fresnel solar field. Desalination 2018, 425, 37–67. [Google Scholar] [CrossRef]
- Triki, Z.; Fergani, Z.; Bouaziz, M.N. Exergoeconomic and exergoenvironmental evaluation of a solar-energy-integrated vacuum membrane distillation system for seawater desalination. Desalin. Water Treat. 2021, 225, 380–391. [Google Scholar] [CrossRef]
- Mistry, K.H.; Antar, M.A.; Lienhard, V.J.H. An improved model for multiple effect distillation. Deasalin. Water Treat. 2013, 51, 807–821. [Google Scholar] [CrossRef]
- Ophir, A.; Lokiec, F. Advanced MED process for most economical sea water desalination. Desalination 2005, 182, 187–198. [Google Scholar] [CrossRef]
- Elsayed, M.L.; Mesalhy, O.; Mohammed, R.H.; Chow, L.C. Exergy and thermo-economic analysis for MED-TVC desalination systems. Desalination 2018, 447, 29–42. [Google Scholar] [CrossRef]
- Hamed, O.A.; Zamamiri, A.M.; Aly, S.; Lior, N. Thermal performance and exergy analysis of a thermal vapour compression desalination system. Energy Convers. Manag. 1996, 37, 379–387. [Google Scholar] [CrossRef]
- Al-Najem, N.M.; Darwish, M.A.; Youssef, F.A. Thermovapor compression desalters: Energy and availability—Analysis of single-and multi-effect systems. Desalination 1997, 110, 223–238. [Google Scholar] [CrossRef]
- Alasfour, F.N.; Darwish, M.A.; Amer, A.B. Thermal analysis of ME—TVC+MEE desalination systems. Desalination 2005, 174, 39–61. [Google Scholar] [CrossRef]
- Choi, H.S.; Lee, T.J.; Kim, Y.G.; Song, S.L. Performance improvement of multiple-effect distiller with thermal vapour compression system by exergy analysis. Desalination 2005, 182, 239–249. [Google Scholar] [CrossRef]
- Cao, C.; Xie, L.; Xu, S.; Du, Y. Exergy analysis and optimization of MED–TVC system with different effect group divisions. Desalination 2021, 500, 114891. [Google Scholar] [CrossRef]
- Binamer, A. Second law and sensitivity analysis of large ME-TVC desalination units. Desalin. Water Treat. 2015, 53, 1234–1245. [Google Scholar] [CrossRef]
- Sadri, S.; HaghighiKhoshkhoo, R.; Ameri, M. Multi objective optimization of the MED-TVC system with exergetic and heat transfer analysis. Energy Equip. System. 2017, 5, 419–430. [Google Scholar]
- Menasri, R.; Triki, Z.; Bouaziz, M.N.; Hamrouni, B. Energy and exergy analyses of a novel multi-effect distillation system with thermal vapour compression for seawater desalination. Desalin. Water Treat. 2022, 246, 54–67. [Google Scholar] [CrossRef]
- Samaké, O.; Galanis, N.; Sorin, M. Thermo-economic analysis of a multiple-effect desalination system with ejector vapour compression. Energy 2018, 144, 1037–1051. [Google Scholar] [CrossRef]
- Javadi, M.A.; Khalaji, M.; Ghasemiasl, R. Exergoeconomic and environmental analysis of a combined power and water desalination plant with parabolic solar collector. Desalin. Water Treat. 2020, 193, 212–223. [Google Scholar] [CrossRef]
- Hemmatpour, K.; Ghasemiasl, R.; Javadi, M.A. Time-Transient Optimization of Electricity and Fresh Water Cogeneration Cycle Using Gas Fuel and Solar Energy. Mathematics 2023, 11, 571. [Google Scholar] [CrossRef]
- Javadi, M.A.; Khodabakhshi, S.; Ghasemiasl, R.; Jabery, R. Sensivity analysis of a multi-generation system based on a gas/hydrogen-fueled gas turbine for producing hydrogen, electricity and fresh water. Energy Convers. Manag. 2022, 252, 115085. [Google Scholar] [CrossRef]
- Ghasemiasl, R.; Javadi, M.A.; Nezamabadi, M.; Sharifpur, M. Exergetic and economic optimization of a solar-based cogeneration system applicable for desalination and power production. J. Therm. Anal. Calorim. 2021, 145, 993–1003. [Google Scholar] [CrossRef]
- Sharqawy, M.H.; Lienhard, J.H.; Zubair, S.M. Thermophysical properties of seawater: A review of existing correlations and data. Desalin. Water Treat. 2010, 16, 354–380. [Google Scholar] [CrossRef]
- Abusoglu, A.; Kanoglu, M. Exergoeconomic analysis and optimization of combined heat and power production: A review. Renew. Sust. Energ. Rev. 2009, 13, 2295–2308. [Google Scholar] [CrossRef]
- Lazzaretto, A.; Tsatsaronis, G. SPECO: A systematic and general methodology for calculating efficiencies and costs in thermal systems. Energy 2006, 31, 1257–1289. [Google Scholar] [CrossRef]
- Mohammadkhani, F.; Khalilarya, S.; Mirzaee, I. Exergy and exergoeconomic analysis and optimization of diesel engine based Combined Heat and Power (CHP) system using genetic algorithm. Int. J. Exergy 2013, 12, 139–161. [Google Scholar] [CrossRef]
- Habibi, H.; Zoghi, M.; Chitsaz, A.; Shamsaiee, M. Thermo-economic performance evaluation and multi-objective optimization of a screw expander-based cascade Rankine cycle integrated with parabolic trough solar collector. Appl. Therm. Eng. 2020, 180, 115827. [Google Scholar] [CrossRef]
- Jenkins, S. Chemical Engineering Plant Cost Index Annual Average 2020. Available online: http://www.chemengonline.com/pci-home (accessed on 18 April 2022).
- Mohammed, R.H.; Ibrahim, M.M.; Abu-Heiba, A. Exergoeconomic and multi-objective optimization analyses of an organic Rankine cycle integrated with multi-effect desalination for electricity, cooling, heating power, and fresh water production. Energy Convers. Manag. 2021, 231, 113826. [Google Scholar] [CrossRef]
- Bejan, A.; Tsatsaronis, G.; Moran, M.J. Thermal Design and Optimization; John Wiley & Sons: Hoboken, NJ, USA, 1996. [Google Scholar]
Disclaimer/Publisher’s Note: The statements, opinions and data contained in all publications are solely those of the individual author(s) and contributor(s) and not of MDPI and/or the editor(s). MDPI and/or the editor(s) disclaim responsibility for any injury to people or property resulting from any ideas, methods, instructions or products referred to in the content. |
© 2023 by the authors. Licensee MDPI, Basel, Switzerland. This article is an open access article distributed under the terms and conditions of the Creative Commons Attribution (CC BY) license (https://creativecommons.org/licenses/by/4.0/).






