New Frontiers in Water Distribution System Management and Monitoring: First Development of a Water Safety Plan Based on Heritage Building Information Modeling (HBIM) in Neptune Fountain, Bologna, Italy
Abstract
1. Introduction
2. Materials and Methods
2.1. The Case Study: The Neptune Fountain
2.2. Neptune Fountain Water Treatment System
2.3. Water Treatment System 3D Model Acquisition
2.4. Identification of Microbiological and Hydraulic Sample Points on Water Treatment System
2.5. Water Sample Collection and Microbiological Analysis
2.6. Hydraulic Parameters Measured
3. Results
3.1. Water Treatment System and Reintegration System 3D Model
3.2. Microbiological Results
3.3. Hydraulic Parameter Monitoring Results
4. Discussion
5. Conclusions
Author Contributions
Funding
Data Availability Statement
Acknowledgments
Conflicts of Interest
References
- Legislative Decree Feb 2 Legislative Decree n.31 02.02.2001 Implementation of the Water Quality Directive 98/83/EC Relative to Water Quality Intended for Human Consumption; Gazzetta Ufficiale n.52 of March 3rd 2001, Supplemento Ordinario n.414. 2001, pp. 1–21. Available online: https://www.gazzettaufficiale.it/eli/id/2001/03/03/001G0074/sg (accessed on 10 May 2024).
- Legislative Decree Feb 23 Legislative Decree No. 18. Implementation of Directive (EU) 2020/2184 of the Parliament European Parliament and of the Council of 16 December 2020 on the Quality of Water Intended for Human Consumption. Gazzetta Ufficiale—Serie Generale n. 55. 2023. Available online: https://www.gazzettaufficiale.it/eli/id/2023/03/06/23G00025/sg (accessed on 10 May 2024).
- Directive (EU) 2020/2184 of the European Parliament and of the Council of 16 December 2020 on the Quality of Water Intended for Human Consumption, 431/1. Gazzetta Ufficiale Dell’Unione Europea Del 23 December 2020. 2020. Available online: https://eur-lex.europa.eu/legal-content/IT/TXT/?uri=CELEX%3A32020L2184 (accessed on 10 May 2024).
- Khatri, N.; Tyagi, S. Influences of Natural and Anthropogenic Factors on Surface and Groundwater Quality in Rural and Urban Areas. Front. Life Sci. 2015, 8, 23–39. [Google Scholar] [CrossRef]
- Ramírez-Castillo, F.Y.; Loera-Muro, A.; Jacques, M.; Garneau, P.; Avelar-González, F.J.; Harel, J.; Guerrero-Barrera, A.L. Waterborne Pathogens: Detection Methods and Challenges. Pathogens 2015, 4, 307–334. [Google Scholar] [CrossRef]
- Manetu, W.M.; Karanja, A.M. Waterborne Disease Risk Factors and Intervention Practices: A Review. Open Access Libr. J. 2021, 8, e7401. [Google Scholar] [CrossRef]
- Pouey, J.; Galey, C.; Chesneau, J.; Jones, G.; Franques, N.; Beaudeau, P.; Mouly, D. Implementation of a National Waterborne Disease Outbreak Surveillance System: Overview and Preliminary Results, France, 2010 to 2019. Eurosurveillance 2021, 26, 2001466. [Google Scholar] [CrossRef]
- Kumar, P.; Srivastava, S.; Banerjee, A.; Banerjee, S. Prevalence and Predictors of Water - Borne Diseases among Elderly People in India: Evidence from Longitudinal Ageing Study in India, 2017–18. BMC Public Health 2022, 22, 993. [Google Scholar] [CrossRef]
- World Health Organization Guidelines for Drinking-Water Quality [electronic Resource]: Incorporating 1st and 2nd Addenda, 3rd ed.; Recommendations; WHO: Geneva, Switzerland, 2008; Volume 1.
- World Health Organization Water Safety Plan Manual: Step-by-Step Risk Management for Drinking-Water Suppliers, 2nd ed.; WHO: Geneva, Switzerland, 2023.
- Modrzewska, B.D.; Bartnicka, M.; Blaszkowska, J. Microbially Contaminated Water in Urban Fountains as a Hidden Source of Infections. Clean Soil Air Water 2019, 47, 1800322. [Google Scholar] [CrossRef]
- Burkowska-But, A.; Swiontek Brzezinska, M.; Walczak, M. Microbiological Contamination of Water in Fountains Located in the City of Toruń, Poland. Ann. Agric. Environ. Med. 2013, 20, 645–648. [Google Scholar]
- Chatziprodromidou, I.P.; Savoglidou, I.; Stavrou, V.; Vantarakis, G.; Vantarakis, A. Surveillance of Legionella Spp. in Open Fountains: Does It Pose a Risk? Microorganisms 2022, 10, 2458. [Google Scholar] [CrossRef]
- Zhang, C.M.; Xu, P.C.; Du, W.W.; Wang, X.C. Exposure Parameters and Health Risk of Cryptosporidium and Giardia in the Recreational Water Activities for Urban Residents in China. Environ. Sci. Pollut. Res. 2022, 29, 1573–1583. [Google Scholar] [CrossRef] [PubMed]
- Santos, G.A.C.; Dropa, M.; Rocha, S.M.; Peternella, F.A.S.; Razzolini, M.T.P. Staphylococcus Aureus and Methicillin-Resistant Staphylococcus Aureus (MRSA) in Drinking Water Fountains in Urban Parks. J. Water Health 2020, 18, 654–664. [Google Scholar] [CrossRef] [PubMed]
- Pompeu Martins, M.; Junio Borges Araujo, A.; Parreira de Souza, L.; De Araújo Ribeiro, Y.; Clemente Olmos Hernandes, L.; Nascimento Zanatto, L.; Araújo Vilela, D.; Galisa de Oliveira, R.; Clara Monte Teixeira, A.; Queiroz Messias, D.; et al. Microbial Contamination in Drinking Water Fountains and the Potential Risk Associated with Location and Cleanliness. Interfaces Científicas-Saúde E Ambiente 2021, 8, 399–408. [Google Scholar] [CrossRef]
- Stec, J.; Kosikowska, U.; Mendrycka, M.; Stępień-Pyśniak, D.; Niedźwiedzka-Rystwej, P.; Bębnowska, D.; Hrynkiewicz, R.; Ziętara-Wysocka, J.; Grywalska, E. Opportunistic Pathogens of Recreational Waters with Emphasis on Antimicrobial Resistance—A Possible Subject of Human Health Concern. Int. J. Environ. Res. Public Health 2022, 19, 7308. [Google Scholar] [CrossRef] [PubMed]
- LeChevallier, M.W.; Prosser, T.; Stevens, M. Opportunistic Pathogens in Drinking Water Distribution Systems—A Review. Microorganisms 2024, 12, 916. [Google Scholar] [CrossRef] [PubMed]
- Lee, D.; Calendo, G.; Kopec, K.; Henry, R.; Coutts, S.; McCarthy, D.; Murphy, H.M. The Impact of Pipe Material on the Diversity of Microbial Communities in Drinking Water Distribution Systems. Front. Microbiol. 2021, 12, 779016. [Google Scholar] [CrossRef] [PubMed]
- Ji, P.; Parks, J.; Edwards, M.A.; Pruden, A. Impact of Water Chemistry, Pipe Material and Stagnation on the Building Plumbing Microbiome. PLoS ONE 2015, 10, e0141087. [Google Scholar] [CrossRef] [PubMed]
- Viñas, V.; Malm, A.; Pettersson, T.J.R. Overview of Microbial Risks in Water Distribution Networks and Their Health Consequences: Quantification, Modelling, Trends, and Future Implications. Can. J. Civ. Eng. 2019, 46, 149–159. [Google Scholar] [CrossRef]
- Boers, S.A.; Prest, E.I.; Maja, T.; Kne, A. Monitoring of Microbial Dynamics in a Drinking Water Distribution System Using the Culture-Free, User- Friendly, MYcrobiota Platform. Sci. Rep. 2018, 8, 14727. [Google Scholar] [CrossRef] [PubMed]
- Mei, X.; Gao, S.; Liu, Y.; Hu, J.; Razlustkij, V.; Rudstam, L.G.; Jeppesen, E.; Liu, Z.; Zhang, X. Effects of Elevated Temperature on Resources Competition of Nutrient and Light Between Benthic and Planktonic Algae. Front. Environ. Sci. 2022, 10, 908088. [Google Scholar] [CrossRef]
- Bulut, Y.; Atabeyoǧlu, Ö. Fountains as Urban Furniture in Historical Urban Structure and Usage Culture: Erzurum City Case. Build. Environ. 2007, 42, 2432–2438. [Google Scholar] [CrossRef]
- Rugani, B.; Pulselli, R.M.; Niccolucci, V.; Bastianoni, S. Environmental Performance of a XIV Century Water Management System: An Emergy Evaluation of Cultural Heritage. Resour. Conserv. Recycl. 2011, 56, 117–125. [Google Scholar] [CrossRef]
- Bolivar-Galiano, F.; Cuzman, O.A.; Abad-Ruiz, C.; Sánchez-Castillo, P. Facing Phototrophic Microorganisms That Colonize Artistic Fountains and Other Wet Stone Surfaces: Identification Keys. Appl. Sci. 2021, 11, 8787. [Google Scholar] [CrossRef]
- Azhar, S. Building Information Modeling (BIM): Trends, Benefits, Risks, and Challenges for the AEC Industry. Leadersh. Manag. Eng. 2011, 11, 241–252. [Google Scholar] [CrossRef]
- Dervishaj, A. From Sustainability to Regeneration: A digital framework with BIM and computational design methods. Arch. Struct. Constr. 2023, 3, 315–336. [Google Scholar] [CrossRef]
- Mora, R.; Sánchez-Aparicio, L.J.; Maté-González, M.Á.; García-Álvarez, J.; Sánchez-Aparicio, M.; González-Aguilera, D. An Historical Building Information Modelling Approach for the Preventive Conservation of Historical Constructions: Application to the Historical Library of Salamanca. Autom. Constr. 2021, 121, 103449. [Google Scholar] [CrossRef]
- Lovell, L.J.; Davies, R.J.; Hunt, D.V.L. The Application of Historic Building Information Modelling (HBIM) to Cultural Heritage: A Review. Heritage 2023, 6, 6691–6717. [Google Scholar] [CrossRef]
- Rocha, G.; Mateus, L.; Fernández, J.; Ferreira, V. A Scan-to-Bim Methodology Applied to Heritage Buildings. Heritage 2020, 3, 47–65. [Google Scholar] [CrossRef]
- Rocha, G.; Mateus, L. A survey of scan-to-bim practices in the aec industry—A quantitative analysis. ISPRS Int. J. Geo-Information 2021, 10, 564. [Google Scholar] [CrossRef]
- Bragalli, C.; Cristino, S.; Mancini, B.; Mancini, M.; Naldi, G.; Pietrini, A.; Ricci, S. Il Sistema Idraulico e Delle Acque. In NETTUNO: La Fontana: Studio, Progetto, Restauro; Gaiani, M., Ed.; Bononia University Press: Bologna, Italy, 2017; pp. 101–122. [Google Scholar]
- Gaiani, M. Nettuno. La Fontana: Studio, Progetto, Restauro; Bononia University Press: Bologna, Italy, 2017. [Google Scholar]
- Girelli, V.A.; Tini, M.A.; Apuzzo, M.G.D.; Bitelli, G. 3D Digitisation in Cultural Heritage Knowledge and Preservation: The Case of the Neptune Statue in Bologna and Its Archetype. Int. Arch. Photogramm. Remote Sens. Spat. Inf. Sci. 2020, 43, 1403–1408. [Google Scholar] [CrossRef]
- Girelli, V.A.; Tini, M.A.; Dellapasqua, M.; Bitelli, G. High Resolution 3D Acquisition and Modelling in Cultural Heritage Knowledge and Restoration Projects: The Survey of the Fountain of Neptune in Bologna. ISPRS Ann. Photogramm. Remote Sens. Spat. Inf. Sci. 2019, 42, 573–578. [Google Scholar] [CrossRef]
- Fujioka, T.; Hoang, A.T.; Ueyama, T.; Nghiem, L.D. Integrity of reverse osmosis membrane for removing bacteria: New insight into bacterial passage. Environ. Sci. Water Res. Technol. 2019, 5, 239–245. [Google Scholar] [CrossRef]
- UNI EN ISO 19458:2006; Water Quality—Sampling for Microbiological Analysis. ISO: Geneva, Switzerland, 2006. Available online: http://store.uni.com/catalogo/en-iso-19458-2006 (accessed on 2 October 2023).
- Ministerial Decree 14.06.2017 Implementation of Directive (EU) 2015/1787 Amending Annexes II and III of Directive 98/83/EC on the Quality of Water Intended for Human Consumption. Amendments to Annexes II and III of Legislative Decree 2 February 2001, n. 31. Off. J. Ital. Repub. 2017, 14–19.
- Istituto Superiore di Sanità. Reference Analytical Methods for Water Intended for Human Consumption according to the Italian Legislative Decree 31/2001. Microbiological Methods. 2007. Available online: https://www.salute.gov.it/imgs/C_17_pubblicazioni_2277_allegato.pdf (accessed on 2 October 2023).
- UNI EN ISO 6222:2001; Water Quality—Enumeration of Culturable Micro-Organisms—Colony Count by Inoculation in a Nutrient Agar Culture Medium. ISO: Geneva, Switzerland, 2001. Available online: https://store.uni.com/uni-en-iso-6222-2001 (accessed on 2 October 2023).
- EN ISO 7899-2:2000; Water Quality—Detection and Enumeration of Intestinal Enterococci—Part 2: Membrane Filtration Method (ISO 7899-2:2000). ISO: Geneva, Switzerland, 2000. Available online: https://store.uni.com/en-iso-7899-2-2000 (accessed on 2 October 2023).
- UNI EN ISO 16266:2008; Water Quality—Detection and Enumeration of Pseudomonas Aeruginosa—Method by Membrane Filtration. ISO: Geneva, Switzerland, 2008. Available online: https://store.uni.com/uni-en-iso-16266-2008 (accessed on 2 October 2023).
- UNI EN ISO 9308-1:2017; Water Quality—Enumeration of Escherichia Coli and Coliform Bacteria—Part 1: Membrane Filtration Method for Waters with Low Bacterial Background Flora 2017. ISO: Geneva, Switzerland, 2017. Available online: https://store.uni.com/uni-en-iso-9308-1-2017 (accessed on 2 October 2023).
- UNI EN ISO 14189:2016; Water Quality—Enumeration of Clostridium Perfringens—Method Using Membrane Filtration. ISO: Geneva, Switzerland, 2016. Available online: https://store.uni.com/en/uni-en-iso-14189-2016 (accessed on 2 October 2023).
- ISO 11731:2017; Water Quality—Enumeration of Legionella (2017). ISO: Geneva, Switzerland, 2017. Available online: https://conto.uni.com/uni-en-iso-11731-2017 (accessed on 2 October 2023).
- Pascale, M.R.; Mazzotta, M.; Salaris, S.; Girolamini, L.; Grottola, A.; Simone, M.L.; Cordovana, M.; Bisognin, F.; Dal Monte, P.; Bucci Sabattini, M.A.; et al. Evaluation of MALDI–TOF Mass Spectrometry in Diagnostic and Environmental Surveillance of Legionella Species: A Comparison with Culture and Mip-Gene Sequencing Technique. Front. Microbiol. 2020, 11, 589369. [Google Scholar] [CrossRef] [PubMed]
- Apollonio, F.I.; Ballabeni, M.; Bertacchi, S.; Fallavollita, F.; Foschi, R.; Gaiani, M. From Documentation Images to Restauration Support Tools: A Path Following the Neptune Fountain in Bologna Design Process. Int. Arch. Photogramm. Remote Sens. Spat. Inf. Sci. 2017, 42, 329–336. [Google Scholar] [CrossRef]
- Italian National Institute of Health. Italian Guidelines for Prevention and Control of Legionellosis; Italian National Institute of Health: Roma, Italy, 2015; pp. 1–144. Available online: https://www.salute.gov.it/imgs/C_17_pubblicazioni_2362_allegato.pdf (accessed on 10 May 2023).
- Mazzotta, M.; Salaris, S.; Pascale, M.R.; Girolamini, L.; Cristino, S. Occurrence of Legionella spp. in Man-Made Water Sources: Isolates Distribution and Phylogenetic Characterization in the Emilia-Romagna Region. Pathogens 2021, 10, 552. [Google Scholar] [CrossRef] [PubMed]
- Nascimento, M.; Rodrigues, J.C.; Reis, L.; Nogueira, I.; Carvalho, P.A.; Brandão, J.; Duarte, A.; Jordao, L. Pathogens in ornamental waters: A pilot study. Int. J. Environ. Res. Public Health 2016, 13, 216. [Google Scholar] [CrossRef] [PubMed]
- Girolamini, L.; Brattich, E.; Marino, F.; Pascale, M.R.; Mazzotta, M.; Spiteri, S.; Derelitto, C.; Tositti, L.; Cristino, S. Cooling towers influence in an urban environment: A predictive model to control and prevent Legionella risk and Legionellosis events. Build. Environ. 2023, 228, 109891. [Google Scholar] [CrossRef]
- Apollonio, F.I.; Basilissi, V.; Callieri, M.; Dellepiane, M.; Gaiani, M.; Ponchio, F.; Rizzo, F.; Rubino, A.R.; Scopigno, R.; Sobra, G. A 3D-Centered Information System for the Documentation of a Complex Restoration Intervention. J. Cult. Herit. 2018, 29, 89–99. [Google Scholar] [CrossRef]
- Proctor, C.; Garner, E.; Hamilton, K.A.; Ashbolt, N.J.; Caverly, L.J.; Falkinham, J.O.; Haas, C.N.; Prevost, M.; Prevots, D.R.; Pruden, A.; et al. Tenets of a Holistic Approach to Drinking Water-Associated Pathogen Research, Management, and Communication. Water Res. 2022, 211, 117997. [Google Scholar] [CrossRef]







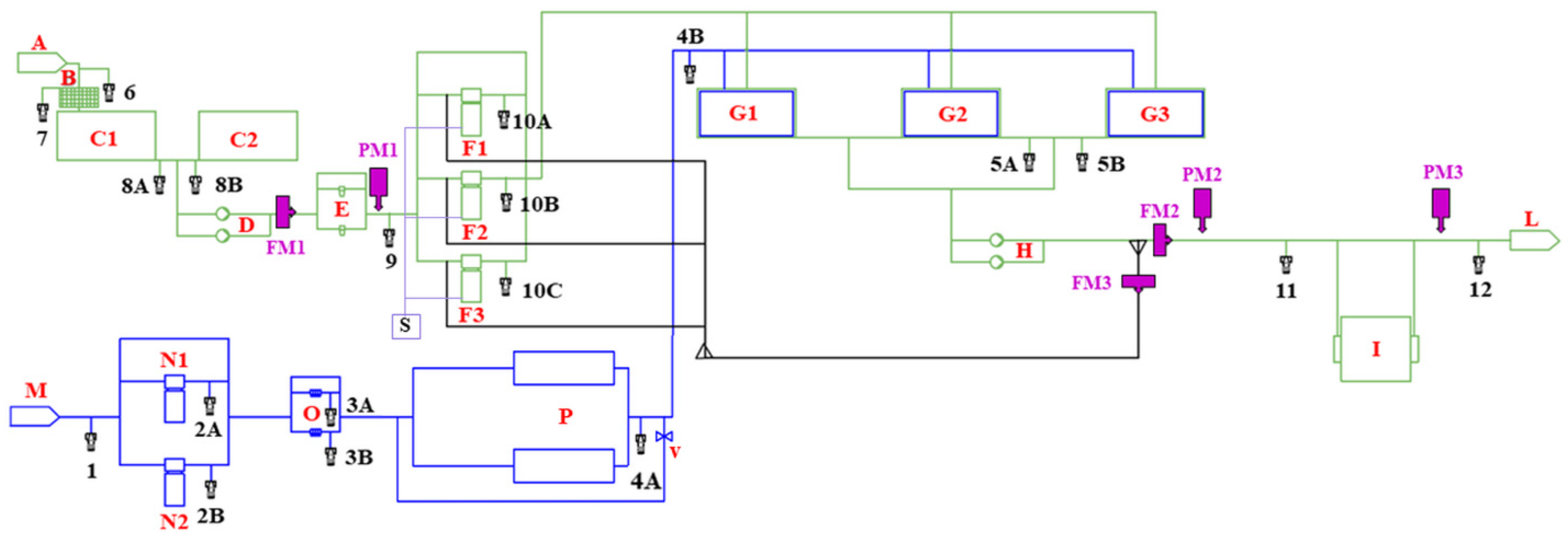
| Sampling Points Description | ||
|---|---|---|
| Microbiological sampling points ID | 1 | Water supply by municipal aqueduct (M) |
| 2A | Activated carbon filters (N1) outlet | |
| 2B | Activated carbon filters (N2) outlet | |
| 3A | Cartridge filters (O) outlet—Point A | |
| 3B | Cartridge filters (O) outlet—Point B | |
| 4A | Osmotized reintegrated water in reverse osmosis process (P) outlet section | |
| 4B | Dechlorinated, filtered, and osmotized reintegrated water in reverse osmosis process (P) outlet section | |
| 5A | Storage tank (G2) outlet | |
| 5B | Storage tank (G3) outlet | |
| 6 | Return from the Fountain | |
| 7 | Water outflow gouge from the rotary screener (B) in storage tank (C1–C2) | |
| 8A | Storage tank (C1), post-scouring (bottom discharge) | |
| 8B | Storage tank (C2), post-scouring (bottom discharge) | |
| 9 | Self-cleaning filter (E) outlet | |
| 10A | Sand filters (F1) outlet | |
| 10B | Sand filters (F2) outlet | |
| 10C | Sand filters (F3) outlet | |
| 11 | UV lamp (I) inlet | |
| 12 | UV lamp (I) outlet | |
| Hydraulic sampling point ID | PM1 | Pressure monitoring downstream pumps (D) |
| PM2 | Pressure monitoring before the UV Lamp (I) | |
| PM3 | Pressure monitoring sent to the Fountain | |
| FM1 | Flow monitoring downstream pumps (D) | |
| FM2 | Flow monitoring sent to the Fountain | |
| FM3 | Flow monitoring for sand filters (F1–F2–F3) backwashing |
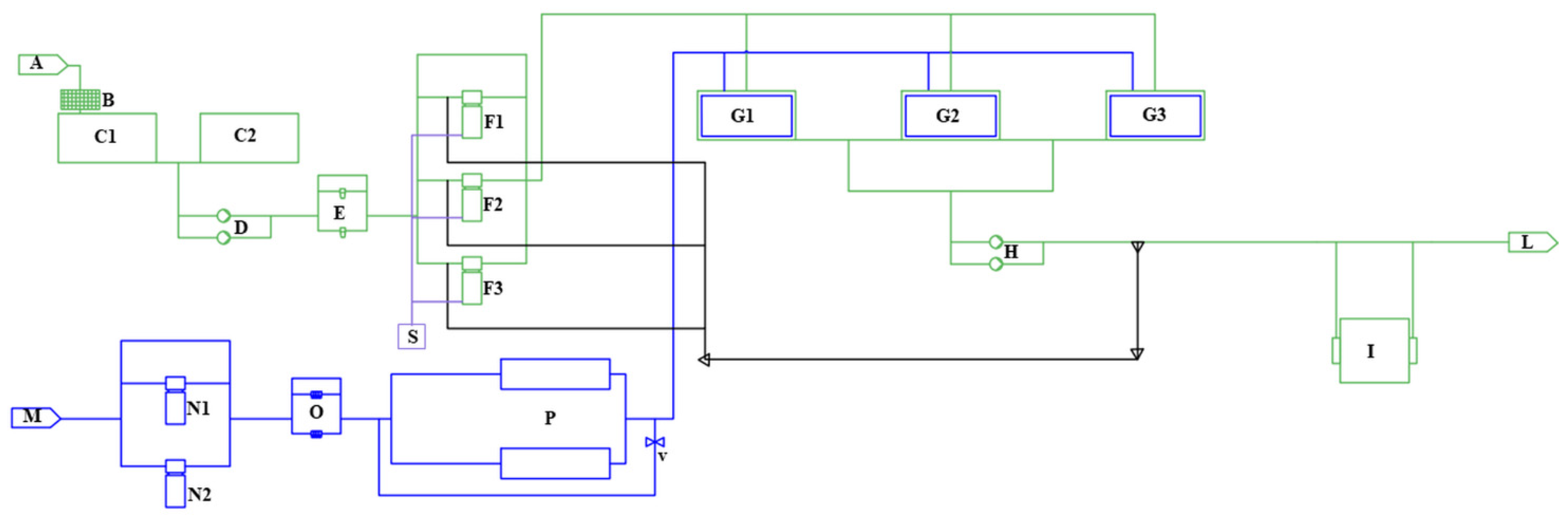
| RS | MODULE I—PRIMARY REINTEGRATION WATER TREATMENT From municipal aqueduct (M), two in parallel activated carbon filters (N1–N2), eight 5-micron cartridge filters (O), and it ends at reverse osmosis process (P) inlet section. Sampling points: 1, 2A, 2B, 3A, 3B. |
| MODULE II—SECONDARY REINTEGRATION WATER TREATMENT From reverse osmosis process (P) inlet section and it ends at reverse osmosis process (P) outlet section. | |
| MODULE III—REINTEGRATION ACCUMULATION From reverse osmosis process (P) outlet section, and it ends at storage (G1–G2–G3) inlet section. Sampling points: 4A, 4B. | |
| WTS | MODULE IV—RETURN FROM THE FOUNTAIN From Neptune Fountain basin (A), and it ends at rotary screener (B) inlet section. Sampling points: 6 |
| MODULE V—PRE-TREATMENT From rotary screener (B) outlet section, storage tanks (C1–C2), through self-cleaning filters (E) and it ends at sand filters (F1–F2–F3) inlet section. Sampling points: 7, 8A, 8B, 9. | |
| MODULE VI—PRIMARY TREATMENT From sand filters (F1–F2–F3) inlet section and it ends at storage (G1–G2–G3) inlet section. Sampling points: 10A, 10B, 10C. | |
| MODULE VII—ACCUMULATION From storage (G1–G2–G3) inlet section, two pumps in parallel (H) and it ends in two directions: at UV lamp inlet section and the line used to wash the sand filters (F1–F2–F3). Sampling points: 5A, 5B. | |
| MODULE VIII—SECONDARY TREATMENT From UV lamp (I) inlet section, and it ends at UV lamp (I) outlet section. Sampling points: 11, 12. | |
| MODULE IX—SENDING TO THE FOUNTAIN From UV lamp outlet section, and it ends at the beginning section of the transport pipe to the Fountain. | |
| MODULE X—OTHER All parts that should be turned off at steady state in WST and RS. |
| Sampling Points | Years | Microbiological Parameters Range of Contamination: Min–Max (ufc/mL) | |||||||
|---|---|---|---|---|---|---|---|---|---|
| HPC at 37 °C cfu/mL | HPC at 22 °C cfu/mL | P. aeruginosa cfu/100 mL | C. perfringens cfu/100 mL | Fecal coliforms cfu/100 mL | E. coli cfu/100 mL | S. aureus cfu/100 mL | Enterococci cfu/100 mL | ||
| Module I—Primary reintegration water treatment (sampling points: 1, 2A, 2B, 3A, and 3B) | 2018 | 1–612 | 1–221 | 0–7 | 0–1 | Absent | Absent | Absent | Absent |
| 2021 (S1) | 4–668 | 1–332 | Absent | Absent | Absent | Absent | 0–1 | Absent | |
| 2021 (S2) | 1–64 | 1–87 | 31–61 | Absent | 0–57 | Absent | Absent | Absent | |
| 2021 (S3) | 1–3280 | 2–5200 | 0–1 | Absent | 105–140 | Absent | Absent | Absent | |
| Module III—Reintegration accumulation (sampling points: 4A and 4B) | 2018 | 810–1204 | 712–980 | 88–125 | Absent | 6–15 | Absent | Absent | Absent |
| 2021 (S1) | 163–225 | 58–79 | Absent | Absent | Absent | Absent | Absent | Absent | |
| 2021 (S2) | 23–303 | 28–374 | 7–125 | Absent | 100–300 | Absent | 0–10 | Absent | |
| 2021 (S3) | 1–1 | 2–4 | Absent | Absent | Absent | Absent | Absent | Absent | |
| Module VII—Accumulation (sampling points: 5A and 5B) | 2018 | 15–79 | 24–37 | 1–3 | Absent | Absent | Absent | Absent | Absent |
| 2021 (S1) | 11–12 | 96–97 | Absent | 9–19 | Absent | 2–3 | 1–8 | 2–7 | |
| 2021 (S2) | 79–346 | 50–356 | 13–135 | Absent | 1–310 | Absent | 0–10 | Absent | |
| 2021 (S3) | 1–1 | 1–2 | Absent | Absent | Absent | Absent | Absent | Absent | |
| Module IV—Return from the fountain (sampling point: 6) | 2018 | n.d. | n.d. | n.d. | n.d. | n.d. | n.d. | n.d. | n.d. |
| 2021 (S1) | 35–69 | 750–1100 | Absent | 5–14 | Absent | 3–6 | 6–15 | 0–1 | |
| 2021 (S2) | n.d. | n.d. | n.d. | n.d. | n.d. | n.d. | n.d. | n.d. | |
| 2021 (S3) | n.d. | n.d. | n.d. | n.d. | n.d. | n.d. | n.d. | n.d. | |
| Module V—Pre-treatment (sampling points: 7, 8A, 8B and 9) | 2018 | 2–327 | 9–340 | 10–20 | Absent | Absent | Absent | Absent | Absent |
| 2021 (S1) | 4–768 | 258–436 | Absent | 10–21 | 0–9 | 3–27 | 4–36 | 0–4 | |
| 2021 (S2) | 121–162 | 221–890 | 10–42 | 0–1 | 5–150 | Absent | 0–2 | Absent | |
| 2021 (S3) | 1–4 | 2–3 | Absent | Absent | Absent | Absent | Absent | Absent | |
| Module VI—Primary treatment (sampling points: 10A, 10B and 10C) | 2018 | 79–155 | 156–340 | 10–12 | Absent | Absent | Absent | Absent | Absent |
| 2021 (S1) | 29–40 | 125–175 | Absent | 6–9 | Absent | 2–7 | 6–15 | 0–7 | |
| 2021 (S2) | 6240–28000 | 6720–60800 | 22–136 | 15–44 | 100–125 | Absent | 0–110 | 23–156 | |
| 2021 (S3) | 0–1 | 2–5 | Absent | Absent | Absent | Absent | Absent | Absent | |
| Module VIII—Secondary treatment (sampling points: 11 and 12) | 2018 | 1–38 | 4–62 | 0–1 | Absent | Absent | Absent | Absent | Absent |
| 2021 (S1) | 1–7 | 1–131 | Absent | 0–15 | Absent | 0–2 | 0–6 | 0–6 | |
| 2021 (S2) | 2–136 | 1–136 | 0–115 | Absent | 0–120 | Absent | Absent | Absent | |
| 2021 (S3) | 1–1 | 1–1 | Absent | Absent | Absent | Absent | Absent | 0–17 | |
| Sampling Points | Hydraulic Parameters Range of Operation: Min–Max | ||
|---|---|---|---|
| Flow (m3/h) | Pressure (bar) | ||
| Module V—Pre-treatment | FMI | 6.700 | |
| PM1 | 1.68 | ||
| Module VII—Accumulation | FM2 | 5.395 | |
| PM2 | 2.05 | ||
| Module IX—Sending to the fountain | PM3 | 1.97 | |
| Module X—Other | FM3 | 4.800 | |
Disclaimer/Publisher’s Note: The statements, opinions and data contained in all publications are solely those of the individual author(s) and contributor(s) and not of MDPI and/or the editor(s). MDPI and/or the editor(s) disclaim responsibility for any injury to people or property resulting from any ideas, methods, instructions or products referred to in the content. |
© 2024 by the authors. Licensee MDPI, Basel, Switzerland. This article is an open access article distributed under the terms and conditions of the Creative Commons Attribution (CC BY) license (https://creativecommons.org/licenses/by/4.0/).
Share and Cite
Pascale, M.R.; Roggio, D.S.; Barbieri, E.; Marino, F.; Derelitto, C.; Girolamini, L.; Bragalli, C.; Bitelli, G.; Cristino, S. New Frontiers in Water Distribution System Management and Monitoring: First Development of a Water Safety Plan Based on Heritage Building Information Modeling (HBIM) in Neptune Fountain, Bologna, Italy. Water 2024, 16, 2075. https://doi.org/10.3390/w16152075
Pascale MR, Roggio DS, Barbieri E, Marino F, Derelitto C, Girolamini L, Bragalli C, Bitelli G, Cristino S. New Frontiers in Water Distribution System Management and Monitoring: First Development of a Water Safety Plan Based on Heritage Building Information Modeling (HBIM) in Neptune Fountain, Bologna, Italy. Water. 2024; 16(15):2075. https://doi.org/10.3390/w16152075
Chicago/Turabian StylePascale, Maria Rosaria, Domenico Simone Roggio, Ester Barbieri, Federica Marino, Carlo Derelitto, Luna Girolamini, Cristiana Bragalli, Gabriele Bitelli, and Sandra Cristino. 2024. "New Frontiers in Water Distribution System Management and Monitoring: First Development of a Water Safety Plan Based on Heritage Building Information Modeling (HBIM) in Neptune Fountain, Bologna, Italy" Water 16, no. 15: 2075. https://doi.org/10.3390/w16152075
APA StylePascale, M. R., Roggio, D. S., Barbieri, E., Marino, F., Derelitto, C., Girolamini, L., Bragalli, C., Bitelli, G., & Cristino, S. (2024). New Frontiers in Water Distribution System Management and Monitoring: First Development of a Water Safety Plan Based on Heritage Building Information Modeling (HBIM) in Neptune Fountain, Bologna, Italy. Water, 16(15), 2075. https://doi.org/10.3390/w16152075

