Abstract
To improve the strength of the metal while maintaining good plasticity, helical fibers are added to the metal matrix. How to form helical fiber and control its parameters in the preparation process are urgent problems to be solved in the study of helical fiber-reinforced metal matrix composites. In this paper, the continuous casting process of helical fiber-reinforced metal matrix composites was proposed. To reduce the difficulty of the experiment, the formation process of helical fiber on metal matrix and the relationship between the continuous casting process parameters and helical shape fiber parameters were studied by preparing helical carbon fiber-reinforced lead matrix composites with a low-melting-point metal matrix. The results show that this process can produce helical fiber-reinforced metal matrix composite stably and continuously, and the helical shape parameters of the composite can be controlled by changing the process parameters of continuous casting. To further improve the practical application of this process, helical carbon fiber-reinforced aluminum matrix composites were prepared. The test result in terms of mechanical property shows that the tensile strength and elongation of the composite were improved. This indicates that the reinforced phase of the helical structure of the metal matrix composite has higher strength and toughness compared with the matrix metal.
1. Introduction
In recent decades, metal matrix composites have been extensively studied and developed; metal matrix composites usually have the advantages of high temperature resistance, high strength, high modulus, a low thermal expansion coefficient, etc. They are widely used in automotive, aerospace, electronics, etc. [1,2]. Continuous fiber-reinforced metal matrix composites are usually composed of a metal matrix with good ductility (Al, Cu, Mg, etc.) and a continuous fiber with high strength (carbon fiber, graphite fiber, etc.). Since carbon fiber is continuous and has very little ductility, almost less than 2%, the strength of the composite material has been greatly improved, but its ductility and toughness have been greatly reduced [3,4], limiting its application in fields requiring good comprehensive mechanical properties, such as construction, power transmission, etc. [5,6].
Many natural materials have both high strength and high toughness, such as bamboo [7,8], bone [9], nacre [10], etc. These natural composites have a common structural feature in which the reinforcement is distributed in a helical structure in the matrix. These helical structure composites have nonlinear stress–strain relationships and large Poisson’s ratios [11,12]. Compared with straight fiber composites, the helical fiber composites can extend in the axial direction of the helical fibers, through helical fiber uniform bending and torsion, when an axial load is applied [13,14,15]. The shape of helical fiber can change cooperatively with the deforming metal matrix to a certain extent. The latter load is transmitted to the fiber through the matrix and the interface between the fiber and the matrix. When the load exceeds the maximum load, defects in the composites will appear, such as interface delamination, fiber fracture, and so on. Therefore, such composite materials with a helical shape structure have properties such as high strength and high toughness at the same time.
Inspired by this natural material, many researchers have focused on the study of this helical fiber-reinforced composite. In terms of experimental investigations, many investigations on the properties of helical fiber-reinforced composites have been carried out through testing or simulations using FEM. Li [16,17] et al. used the structural characteristics of bamboo as inspiration to prepared helical fiber-reinforced resin matrix composites by fixing fibers with steel wires. Composites with the double helical fiber structure have the best comprehensive mechanical properties compared with the structures of other composites. Kagawa [18] et al. prepared helical tungsten fiber-reinforced copper matrix composites by electrodeposition and vacuum hot-pressing methods. During the deformation and fracture of the composites, the helical fibers were deformed and fractured, the crack propagation direction was deflected, energy absorption was increased, and the toughness of the composites was increased.
Wang [19,20] et al. studied the helical fiber-reinforced composite through FEM simulation. Their simulations show that due to the uniform bending and twisting of the helical fiber in the composites during the deformation process, the pull-out force of the fiber was increased, which increases the toughness of the composites. Qin [21,22] et al. prepared a helical nylon fiber-reinforced epoxy resin matrix composite by winding nylon wire into a helical shape and fixing the shape by heating. The process of the mechanical failure of the composites is simulated. The results of the performance test show that the embedded nylon helical fibers can serve as stress dispersers for energy and transfer processes, which can improve impact toughness while maintaining strength. Liang [23] et al. prepared and pulled helical carbon fiber-reinforced aluminum matrix composites. Their experimental results indicated that the shape of the helical carbon fiber in the composites changes with the deformation of the aluminum matrix.
In terms of theoretical research, Slepyan [24] et al. analyzed the three-dimensional stress and strain state of the helical fiber in the elastic matrix; they theoretically explained the influence of the helical structure on the properties of the elastic matrix. Gao [25] et al. presented a fracture mechanics model. The toughening mechanisms of helical fiber biological materials was explained theoretically.
Based on the result of the above research, it is found that this helical fiber can improve the strength and maintain the toughness of the composite. But there are few studies on macro-sized helical fiber-reinforced metal composites. Carbon fibers are usually soft and cannot maintain a helical shape without any treatment. Most of the preparation processes of metal matrix composites are under high temperature and high pressure. It is difficult to maintain the helical shape of the fiber. Whether winding the carbon fiber on a metal rod or fixing the carbon fiber in the helical shape with a high-melting-point metal wire, to prepare helical carbon fiber-reinforced metal composites, the size of the composites is limited, it is difficult to achieve continuous production, and the new second phase (oxide layer, high-melting-point metal) introduced in the preparation process affects the performance of the composite. Therefore, how to continuously and stably prepare helical fiber-reinforced metal matrix composites is an urgent problem to be solved.
In this paper, the continuous casting process as a novel process is used to prepare the helical fiber-reinforced metal matrix composites, which is referred to as the HFCC (Helical Fiber Composites’ Continuous Casting Process). The effect of continuous casting parameters on the shape of helical carbon fiber was studied by preparing helical carbon fiber-reinforced lead matrix composites. Through the method of analytic geometry, the model between the process parameters and the parameters of the helical shape in the composites is established. The shape of helical fiber-reinforced metal matrix composites can be controlled by process parameters. The helical carbon fiber-reinforced aluminum matrix composite was prepared as the helical carbon fiber-reinforced metal matrix composite in material practical application in the initial study. The helical carbon fiber-reinforced aluminum matrix composites were prepared. The interface between the aluminum matrix and carbon fiber and the mechanical properties of the composites was studied.
2. Experimental Section
2.1. Design and Manufacturing of Experimental Equipment
The equipment includes a cooling water control device, a continuous casting traction device, an induction heating device, and a fiber rotating device, as shown in Figure 1. The cooling water control device of the crystallizer is provided with water pressure by the water pump, and the magnetic control valve controls the water flow; the range is 100–1000 L/h. The continuous casting traction device is composed of a three-phase asynchronous motor, a reducer, and a lead screw, used to obtain a stable drawing speed; the speed range is 5–100 mm/min. The induction heating equipment provides metal melting and continuous casting temperatures with a temperature deviation of ±5 °C. Some PID control instruments, placed in the control cabinet to display and control the cooling water intensity and melt temperature, were heated by an induction heating device. The fiber rotation device is used to make the fiber rotate smoothly into the molten metal. Melting temperature was measured with a K-type thermocouple protected by a ceramic tube. The observation stairs are used to easily observe the operation of the experimental equipment.

Figure 1.
(a) Continuous casting equipment of preparing the helical fiber-reinforced metal matrix composites; (b) fiber rotation device and its schematic.
The rotator used to add fiber rod is a graphite rod with an eccentric hole. It rotates under the drive of a servo motor. The motor speed range is 1–3000 rpm. The gear ratio between the driving pulley and the driven pulley is 2:3. The rotational speed of the motor is displayed on the drive. The tow bar which is pulling the solidified metal has fixed-fiber holes, which are the same as the fiber rotation radius.
2.2. Material
Pure lead and commercial 99.5% pure aluminum are selected as the metal matrices, respectively. Carbon fiber (T300) is provided by Weihai Guangwei Composites Materials Co., Ltd. (Weihai, China); its main performance is shown in Table 1, and each bundle has 6000 fibers.
Table 1.
The main performance of carbon fiber (T300).
2.3. Process Parameters
According to the characteristics of the experimental equipment, the process parameters mainly include fiber rotation speed ), fiber rotation radius R (mm), melt temperature T (), cooling intensity ), and continuous casting speed v (), as shown in Figure 2.
Figure 2.
Process parameters of HFCC.
The melting point of pure lead is 327 °C. The melt temperature in continuous casting is relatively low, so carbon fiber does not need any protection against inert gas. The melting point of industrial pure aluminum is 660 °C. To prevent carbon fiber from being burned by oxygen in the air at high temperatures, carbon fiber should be protected by gas during the preparation process. The determined range of the process parameters of helical carbon fiber-reinforced lead composites is shown in Table 2.
Table 2.
Continuous casting process parameters of helical carbon fiber-reinforced metal matrix composites.
The continuous casting speed was fixed at 5.5 mm/min. At the condition of a low continuous casting speed, the liquid–solid interface metal shape of solidification is close to the horizontal plane, which makes it easier for the helical shape of the fiber in the lead matrix to form, so only a lower continuous casting speed is selected in this experiment. Due to the limitation of mold size, only one carbon fiber rotation radius is selected.
2.4. Testing
2.4.1. The Shape of Helical Carbon Fiber in Composites
The sample with a diameter of 25 mm was equally divided into four parts along the axial direction, as shown in Figure 3. The distance between adjacent measurement points is the pitch of the helical fiber, and the distance between the measurement point and the centerline of the bar is the helical radius of the helical fiber in composites.
Figure 3.
Helical carbon fiber-reinforced lead matrix composites samples.
2.4.2. Interface and Mechanical Property of Helical Carbon Fiber-Reinforced Aluminum Composites
The interface of the carbon fiber-reinforced aluminum matrix composite was observed by using a field emission scanning electron microscope (FESEM, SU8010, Hitachi, Tokyo, Japan), which operated at an accelerating voltage of 15 kV. The mechanical properties of the helical carbon fiber-reinforced aluminum matrix composites were measured using an electro-mechanical universal testing machine (Instron 5569, Instron, Norwood, MA, USA), the tensile test was carried out at room temperature with a stretching speed of 5mm/min, and the displacement data were collected using an extensometer. The tensile sample is a dumbbell-shaped sample with a section diameter of 10 mm and a standard distance of 50 mm, which is prepared according to standardization administration of the People’s Republic of China [26].
3. Model
According to whether they affect the liquid–solid interface’s height in the crystallizer, the process parameters are divided into two types: the first type includes melt temperature, cooling intensity, and continuous casting speed. The second type includes fiber rotation speed and rotation radius. The former changes the liquid–solid interface’s height; the latter does not. The shape of the helical fiber in the composites is affected by the height of the liquid–solid interface and the frequency of fiber addition.
Taking the height of the liquid–solid interface as an important parameter, the process of forming a shape of the helical fiber in the metal matrix is quantitatively analyzed. When the fiber is in a state of motion equilibrium, the relationship between the process parameters and the geometry of the helical fiber and the process parameters are established, that is, the process model.
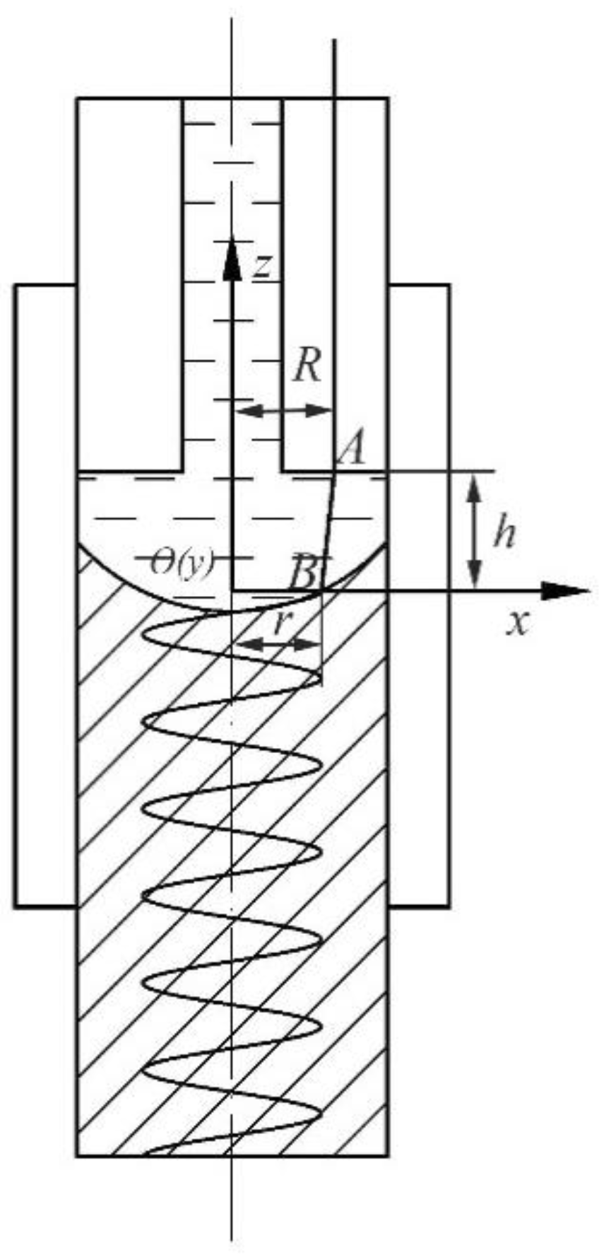
3.1. Coordinate System
When taking the horizontal plane where the fiber and the solidified metal bond point are the O-xy plane of the 3D space cartesian coordinate system, the central axis of the continuous casting rod is the z-axis direction, the origin is the intersection of the O-xy plane and the z-axis, and a 3D space cartesian coordinate O-xyz was established, as shown in Figure 4. The fiber rotates around the z-axis with a radius of R to form the fiber rotation plane. Under the condition that the process parameters remain unchanged, the distance between the O-xy plane and the plane of the rotation of the fiber in the matrix remain stable, recorded as the height of the liquid–solid interface h in this paper. A and B are the fiber rotation point and the metal bonding point, respectively. r is the helical radius of the helical carbon fiber in the solidified metal matrix.
Figure 4.
Three-dimensional space cartesian coordinate system O-xyz.
3.2. Basic Assumptions
The basic assumptions of this process model:
At first, the cooling intensity of the crystallizer is uniform, that is, the liquid–solid interface is rotationally symmetrical around the z-axis. If it is not, the radius of the helical shape will be unstable. Secondly, during continuous casting, the melt temperature was stable, but the fluctuation in the position of the solid–liquid interface was neglected. The continuous casting speed is low, the liquid–solid interface is close to the plane, and the concave shape of the liquid–solid interface is ignored. At any radial position, h is the constant value. Thirdly, during continuous casting, the tension on fiber is stable, that is, the solidification and bonding process of the fiber and the metal is stable. The fiber is straightened in molten metal. Excessive tension causes the bonding point to be pulled away. On the contrary, the fiber in the molten metal is in a relaxed and bent state.
3.3. The Formation Processing of Helical Fiber
3.3.1. Initial State
In the initial state of continuous casting, the fiber does not start to rotate. The height of the liquid–solid interface h formed in the crystallizer is stable. Since the fiber is fixed on the tow bar with radius R off-axis, the radius of the fiber in the metal matrix is the same as the fiber rotation radius R. The rotation to add the fiber bar and the tow bar is shown in Figure 5; and correspond to points A and B in Figure 6d, respectively. When the fiber starts to rotate counterclockwise, only the speed of the fiber rotation point A is , and the speed of the fiber–metal bonding point B is zero. In the top view, the fiber rotation point A and the fiber–metal bonding point B are the same point, as shown in Figure 6a,d,g.
Figure 5.
Rotate to add fiber bar (a) and the tow bar (b). is the spinning point of the fiber, and is the fiber fixed point on the tow bar.
Figure 6.
Geometric state of liquid metal in the crystallizer of fibers during the preparation process, speed change, top view. Geometric relationship: initial state, (a) formation process, (b) stable state (c); speed change in fiber binding point: initial state (d), formation process (e), stable state (f); the top view of the geometric relationship: initial state (g), formation process (h), stable state (i).
3.3.2. Transition State
As the carbon fiber rotates with speed , the solidified metal matrix was pulled down. The original fiber–metal bonding point was dropped at the continuous casting speed ; the new point B is where the fiber binds to the solidified metal, and the radius between it and the central axis is the radius of the helical fiber. The metal above the solid–liquid interface is liquid, and its fibers are inclined in the liquid metal at a certain angle to the horizontal plane, as shown in Figure 6b. Since the distance h between the two planes includes the carbon fiber rotation plane and the horizontal plane, the bonding point B remains unchanged. The bonding point of the carbon fiber and solidified lead metal gradually decreases. The horizontal rotation speed of the bonding point B also gradually increases from the initial zero, as shown in Figure 6e. However, with increasing the speed of point B, the difference between the angle turned by point A and the angle turned by point B becomes larger. The larger the angle difference, the smaller the radius of the bonding point. The top view is shown in Figure 6h.
3.3.3. Stable State
With the carbon fiber rotation, the difference between the angle of point A rotation and the angle of point B rotation in the horizontal direction continues to increase. When the rotational speed of point B increases to in the horizontal direction, increases to the maximum and remains constant. At this time, the straight line AB where the fiber is located is tangent to the circle formed by the bonding point B and reaches a stable state, as shown in Figure 6i.
In this stable state, the straight line AB is at a fixed angle to the horizontal plane xOy rotate around the z-axis. The bonding point B is formed by the combined action of the rotation around the z-axis at the horizontal rotation speed and the movement along the negative direction of the z-axis at a continuous casting speed . The fibers were arranged in a helical shape in the metal matrix.
According to the positional relationship, the helical radius r and the helical pitch H of the helical carbon fibers in the matrix are, respectively, as follows
where R is the carbon fiber rotation radius rotate round the z-axis, and is the difference between the angle of the carbon fiber rotation point A and the angle of the bond point B rotation, when the steady state is reached. is the time for the carbon fiber to make one rotation, is the continuous casting speed, and is the rotational speed of the fibers at the horizontal direction.
3.4. The Angle Difference between Point A and Point B
When the helical fibers in the metal are stably formed, the fiber between the fiber rotation point A and the fiber–metal bonding point B is at a fixed angle to the horizontal plane, as shown in Figure 7a. The helical fibers in the metal matrix are unfolded, which are extensions of the fibers AB in the liquid metal, as shown in Figure 7b.
Figure 7.
The fiber shape at stable state; (a) unfolded helical fibers in metal matrix (b).
The coordinate system of Figure 8 is established on the plane where the straight fiber AB is located.
Figure 8.
Schematic of the unfolding of the fiber helical shape.
In Figure 8, β is the helical angle of the helical fibers in the metal matrix,
is the angle between fiber AB in the liquid metal and z-axis. According to the geometric relationship in Figure 6a,i,
where α = β, from Equations (4) and (5), follow that
The helical radius of the helical fiber in metal matrix,
The pitch of the helical fiber in metal matrix,
This process model quantitatively describes the relationship between the process parameters and the shape of the helical fiber in the metal matrix: The helix radius r is determined by the fiber rotation radius R, the height of the liquid–solid interface h, the fiber rotation speed , and the continuous casting speed . The pitch H is determined by the continuous casting speed and the fiber rotation speed .
Among these process parameters, the liquid–solid interface’s height h is mainly related to the metal type, continuous casting process parameters (melt temperature, cooling intensity, continuous casting speed, etc.), and the boundary conditions of the crystallizer (the dimensions of continuous casting equipment), which can be measured by experiments.
4. Results and Discussion
4.1. Shape Stability of Helical Carbon Fiber in Lead Matrix
According to the above process model, the shape stability of the helical carbon fiber in the helical carbon fiber-reinforced lead matrix composites is mainly affected by the state of the liquid–solid interface. The state of the liquid–solid interface mainly includes the symmetry and height stability of the liquid–solid interface. The symmetry of the liquid–solid interface is mainly related to the cooling uniformity of the crystallizer. The height stability of the liquid–solid interface is mainly related to the stability of the melt temperature and continuous casting speed.
In the continuous casting process, the change in melt temperature causes the height fluctuation in the liquid–solid interface in the crystallizer. When the change range of the melt temperature is larger, the fluctuation in the liquid–solid interface change is larger. During the periodic increase and decrease in the melt temperature, the helical radius of the helical carbon fibers in the lead matrix changes periodically. When the range of the melt temperature is 510 ± 15 °C, the helical radius of the helical carbon fiber has a relatively large fluctuation. When the melt change range is reduced to 510 ± 5 °C, the helical radius of the helical carbon fiber is relatively uniform, such as shown in Figure 9.
Figure 9.
Influence of melt temperature range on the stability of helical carbon fiber shape in lead matrix.
4.2. Influence of Process Parameters on the Shape of Helical Carbon Fiber in Lead Matrix
4.2.1. Melting Temperature
The effect of the melt temperature (from 490 to 520 °C) on the helical carbon fiber shape (helix radius and pitch) in lead matrix composites is shown in Figure 10. When the melt temperature was increased from 490 to 520 °C, the helical radius of the carbon fiber in the lead matrix showed a downward trend. However, when the melt temperature is in the range of 490 to 510 °C, the change in the helix radius is not obvious. When the melt temperature rises to 520 °C, the helical radius decreases significantly, as shown in Figure 11. The pitch is basically the same as the predicted value of the process model, and the difference is mainly caused by measurement errors. Since the liquid–solid interface’s height needs to be measured experimentally, the predicted value of the helical radius is not given in the figure.
Figure 10.
Influence of melt temperature on the shape of helical carbon fiber in the lead matrix ().
Figure 11.
Helical shape of carbon fiber in lead matrix at different melt temperatures ().
When the melt temperature is low, the height of the solid–liquid interface h is low. According to Equation (8), the helix radius of the helical carbon fiber formed in the lead matrix is larger than that of the high melt temperature. While the pitch of the helical carbon fiber is only related to the rotation speed of the fiber and the continuous casting speed, it does not change with the temperature, as shown in Figure 12. In this experiment, when the melt temperature is 490−510 °C, the height of the solid–liquid interface in the crystallizer does not change significantly with temperature, so the spiral radius of the spiral fiber does not change much. However, when the melt temperature reaches 520 °C, the spiral radius decreases significantly, indicating that the solid–liquid interface decreases significantly. This phenomenon shows that the solid–liquid height is not linearly related to the melt temperature.
Figure 12.
The height of solid–liquid interface at different melt temperatures. (a) Low melt temperature; (b) high melt temperature.
4.2.2. Cooling Intensity
The effect of cooling intensity (from 350 to 450 ) on the shape of helical carbon fibers (helix radius and pitch) in lead matrix composites is shown in Figure 13. At the same melt temperature, the helix radius increases with cooling intensity; the pitch basically does not change with the cooling intensity.
Figure 13.
Influence of cooling intensity on the shape of helical carbon fiber in lead matrix (the dotted line indicates that the helical shape of carbon fiber has not formed, ).
At the same melt temperature, the height of the liquid–solid interface increases with the cooling intensity, and the process parameter h decreases, according to Equation (8). The helix radius increases with its height. The pitch hardly changes with the cooling intensity. This is consistent with the process model.
4.2.3. Carbon Fiber Rotation Speed
The effect of fiber rotation speed (from 0.67 to 1.33 rpm) on the shape (helix radius and pitch) of carbon fiber-reinforced lead matrix composites, as shown in Figure 14. At the same melt temperature, the helical radius decreases with increasing fiber rotation speed. The pitch also decreases significantly with increasing fiber rotation speed, almost 1/2 of the former, as shown in Figure 15. This is consistent with the proportional relationship between the fiber rotation speed and the pitch in the process parameters model.
Figure 14.
Influence of carbon fiber rotation speed on the shape of helical carbon fiber in lead matrix (the dotted line indicates that the helical shape of carbon fiber has not formed, ).
Figure 15.
Helical shape of carbon fiber in lead matrix at different fiber rotation speed ().
According to the above model analysis, when the carbon fiber forms a stable helical shape on the lead base, the angle difference between the addition point A of the carbon fiber and the helical formation point B will remain unchanged, as shown in Figure 6i, that is, after one rotation of the carbon fiber, the helical fiber forms one cycle in the matrix. With the continuous casting speed remaining constant, there is a linear relationship between the fiber rotation speed and the helical pitch, as shown in Equation (9).
4.3. Prediction of the Helical Fiber Shape
Since the pitch of the helical fibers is only related to the casting speed and the fiber rotation speed, the predicted value can be directly calculated. By taking the process parameters as the melt temperature of 490–520 °C, the cooling intensity of 450 L/h, the continuous casting speed of 5.5 mm/min, the fiber rotation radius of 7.0 mm, and the fiber rotation speed of 0.67 rpm as the benchmark, the helical radius and pitch of helical carbon fibers in the lead matrix were measured, respectively,
The process parameter h can be calculated at each temperature. When the fiber rotation speed increased to 1.33 rpm, substituting it into Equation (8) obtained the predicted value of the helical radius at each temperature under the process conditions compared with the experimentally measured value, as shown in Figure 16. The deviation between the experimental value and the predicted value of the helical radius is at most 7.2%. Thus, the process model can accurately predict the helical shape of the helical carbon fiber of the composites through the process parameters.
Figure 16.
Comparison between the shape of helical carbon fiber in lead matrix experimental and model predictions (the dotted line indicates that the helical shape of carbon fiber has not formed, ).
4.4. Helical Carbon Fiber-Reinforced Aluminum Matrix Composites
4.4.1. The Shape of Helical Carbon Fiber
According to the process in Table 2, the transverse section of the prepared helical carbon fiber-reinforced aluminum matrix composites is shown in Figure 17. The radius of the helical carbon fiber is evenly distributed, and the helical pitch is relatively consistent. In the carbon fiber-reinforced aluminum composites with an outer diameter 20.00 mm, the helical radius and the pitch of the helical fiber are 8.15 mm and 8.22 mm, respectively.
Figure 17.
The helical carbon fiber-reinforced aluminum matrix composites.
4.4.2. Interface of Carbon Fiber and Aluminum Matrix
Figure 18 shows the SEM of the aluminum matrix and carbon fiber of the helical carbon fiber-reinforced aluminum matrix composites. Through observation, it can be found that the carbon fiber bundle is not completely impregnated by the aluminum matrix, as there are holes, and the carbon fiber is not fully combined with the aluminum matrix. This is mainly because the wettability between the carbon fiber and the molten aluminum is poor under normal pressure.
Figure 18.
SEM images of aluminum matrix and carbon fiber of helical carbon fiber-reinforced aluminum matrix composite.
4.4.3. Mechanical Properties
The stress–strain relationship between helical carbon fiber-reinforced aluminum matrix composites and pure aluminum is shown in Figure 19. It shows that the tensile strength and elongation of the composites were 57 MPa and 52%, and that the tensile strength and elongation of the pure aluminum were 53 MPa and 45%. The tensile strength of the composites is 7.5% higher than that of pure aluminum, and the elongation of the composite material is 15.6% higher than that of pure aluminum.
Figure 19.
Stress–strain relationship between helical carbon fiber-reinforced aluminum matrix composite and pure aluminum.
With the addition of only one helical carbon fiber bundle, the volume fraction of carbon fiber is 0.3%. The mixing criteria (ROM) of the fiber-reinforced composites’ strength are shown in Equation (11):
The theoretical strength of helical carbon fiber-reinforced aluminum matrix composite is 64 MPa. However, the infiltration between carbon fiber and aluminum matrix is not complete, which reduces the improvement effect of helical carbon fiber on the strength of the composites.
In the process of the tensile test, the helical carbon fiber extends axially with the extension of the composites, the helical shape fiber changes with the radius decreasing and the pitch increasing, and the carbon fiber plays a certain strengthening effect in the deformation process, so the strength of the composites has been improved. When cracks appear in the composites, the helical carbon fiber prevents the crack from spreading to the center of the composites and makes the crack expand along the helical fiber [21,22]. In this process, fracture energy is increased, which prevents the fracture of the composites, as shown in Figure 20. Thus, the helical carbon fiber improves the elongation of the composites.
Figure 20.
The schematic diagram of crack growth during tensile testing of the helical carbon fiber-reinforced aluminum composites.
5. Conclusions
- (1)
- The helical carbon fiber-reinforced lead matrix composites were prepared by a novel process. The helical shape carbon fiber is distributed in the lead base stable and uniform.
- (2)
- The model between the shape parameter of helical fiber in the metal matrix and the process parameters are described by a differential geometry method, shown in the following equation:
The results show that this process is a stable and controllable method for preparing helical carbon fiber-reinforced metal composites.
- (3)
- The helical carbon fiber-reinforced aluminum matrix composite has higher strength and elongation than pure aluminum. When the volume fraction of carbon fiber in the composite is 0.3%, the strength of the composite is increased by 7.5%, and the elongation is increased by 15.6%.
- (4)
- In the process of tensile test, the shape of the helical carbon fiber changes with aluminum matrix deformation, which improves the tensile strength of the composites. The helical fiber hindered the crack propagation, changed the crack propagation direction, increased the fracture energy, and improved the elongation of the composite. Therefore, the addition of such helical fibers can be used as a means of increasing the strength and toughness of the metal matrix.
Author Contributions
Conceptualization, H.Y.; Methodology, H.Y., M.C. and C.W.; Validation, H.Y.; Formal analysis, H.Y.; Investigation, H.Y.; Resources, M.C.; Writing—original draft, H.Y.; Writing—review & editing, C.W.; Visualization, H.Y. All authors have read and agreed to the published version of the manuscript.
Funding
This work is supported by the National Natural Science Foundation of China with Grant (No. 52027805).
Data Availability Statement
The raw data supporting the conclusions of this article will be made available by the authors on request.
Conflicts of Interest
The authors declare no conflicts of interest.
References
- Sharma, D.K.; Mahant, D.; Upadhyay, G. Manufacturing of metal matrix composites: A state of review. Mater. Today Proc. 2020, 26, 506–519. [Google Scholar] [CrossRef]
- Shirvanimoghaddam, K.; Hamim, S.U.; Karbalaei Akbari, M.; Fakhrhoseini, S.M.; Khayyam, H.; Pakseresht, A.H.; Ghasali, E.; Zabet, M.; Munir, K.S.; Jia, S.; et al. Carbon fiber reinforced metal matrix composites: Fabrication processes and properties. Compos. Part A Appl. Sci. Manuf. 2017, 92, 70–96. [Google Scholar] [CrossRef]
- Daoud, A. Microstructure and tensile properties of 2014 Al alloy reinforced with continuous carbon fibers manufactured by gas pressure infiltration. Mater. Sci. Eng. A 2005, 391, 114–120. [Google Scholar] [CrossRef]
- Yang, Q.; Liu, J.; Li, S.; Wang, F.; Wu, T. Fabrication and mechanical properties of Cu-coated woven carbon fibers reinforced aluminum alloy composite. Mater. Des. 2014, 57, 442–448. [Google Scholar] [CrossRef]
- Rong, X.; Zhao, D.; He, C.; Zhao, N. Review: Recent progress in aluminum matrix composites reinforced by in situ oxide ceramics. J. Mater. Sci. 2024, 59, 9657–9684. [Google Scholar] [CrossRef]
- Kumar, A.; Singh, V.P.; Singh, R.C.; Chaudhary, R.; Kumar, D.; Mourad, A.-H.I. A review of aluminum metal matrix composites: Fabrication route, reinforcements, microstructural, mechanical, and corrosion properties. J. Mater. Sci. 2024, 59, 2644–2711. [Google Scholar] [CrossRef]
- Li, S.; Fu, S.; Zhou, B.; Zeng, Q. Bamboo—A natural bio-composite research. J. Mater. Res. 1994, 8, 188–192. [Google Scholar]
- Li, S.; Zhou, B.; Zhen, Z.; Zeng, Q. A biomimetic composite model at the mesoscale. Adv. Mater. Sci. 1991, 5, 543–547. [Google Scholar]
- Meyers, M.A.; Chen, P.Y.; Lin, A.Y.M.; Seki, Y. Biological materials: Structure and mechanical properties. Prog. Mater. Sci. 2008, 53, 1–206. [Google Scholar] [CrossRef]
- Shao, Y.; Zhao, H.P.; Feng, X.Q.; Gao, H. Discontinuous crack-bridging model for fracture toughness analysis of nacre. J. Mech. Phys. Solids 2012, 60, 1400–1419. [Google Scholar] [CrossRef]
- Ji, B.; Gao, H. Mechanical principles of biological nanocomposites. Annu. Rev. Mater. Res. 2010, 40, 77–100. [Google Scholar] [CrossRef]
- Reese, S.P.; Maas, S.A.; Weiss, J.A. Micromechanical models of helical superstructures in ligament and tendon fibers predict large Poisson’s ratios. J. Biomech. 2010, 43, 1394–1400. [Google Scholar] [CrossRef] [PubMed]
- Grason, G.M. Braided bundles and compact coils: The structure and thermodynamics of hexagonally packed chiral filament assemblies. Phys. Rev. E 2009, 79, 041919. [Google Scholar] [CrossRef] [PubMed]
- Li, L.; Weaver, J.C.; Ortiz, C. Hierarchical structural design for fracture resistance in the shell of the pteropod Clio pyramidata. Nat. Commun. 2015, 6, 6216. [Google Scholar] [CrossRef] [PubMed]
- Zhao, Z.; Li, B.; Feng, X. Handedness-dependent hyperelasticity of biological soft fibers with multilayered helical structures. Int. J. Non-Linear Mech. 2016, 81, 19–29. [Google Scholar] [CrossRef]
- Li, S.; Zhang, R.; Fu, S.; Chen, X.; Zhou, B. A Biomimetic Model of Fiber-reinforced Composite Materials. J. Mater. Sci. Technol. 1994, 10, 34–38. [Google Scholar]
- Li, S.; Fu, S.; Zhou, B.; Zeng, Q. Experimental investigation of biomimetic double-helical reinforcing elements. J. Mater. Sci. Lett. 1995, 14, 769–772. [Google Scholar] [CrossRef]
- Kagawa, Y.; Nakata, E.; Yoshida, S. Fracture Toughness of Helical Fiber Reinforced Cu/W Composites. J. Japan Inst. Met. 1983, 47, 760–767. [Google Scholar] [CrossRef]
- Wang, L.; Cui, Y.; Qin, Q.; Wang, H.; Wang, J. Helical Fiber Pull-out in Biological Materials. Acta Mech. Solida Sin. 2016, 29, 243–255. [Google Scholar] [CrossRef]
- Wang, L.; Yuan, L.; Wang, L.; Cui, Y.; Qin, Q. Numerical Study on Helical Fiber Fragmentation in Chiral Biological Materials. Trans. Tianjin Univ. 2018, 24, 51–58. [Google Scholar] [CrossRef]
- Liu, S.; Chen, Y.; Zhu, Z.; Ren, E.; Wang, J.; Wang, Y.; Qin, J.; Cheng, P. Bioinspired helical fiber/elastomer composites with high strength. Polymer 2024, 302, 127072. [Google Scholar] [CrossRef]
- Chang, X.; Xu, Q.; Lv, J.; Xu, L.; Zhu, Z.; Liu, S.; Liu, X.; Qin, J. Bioinspired 3D helical fibers toughened thermosetting composites. Compos. Part B Eng. 2021, 216, 108855. [Google Scholar] [CrossRef]
- Liang, J.; Wu, C.; Zhao, Z.; Tang, W. Forming Process and Simulation Analysis of Helical Carbon Fiber Reinforced Aluminum Matrix Composite. Metals 2021, 11, 2024. [Google Scholar] [CrossRef]
- Slepyan, L.I.; Krylov, V.I.; Parnes, R. Helical inclusion in an elastic matrix. J. Mech. Phys. Solids 2000, 48, 827–865. [Google Scholar] [CrossRef]
- Gao, Y.; Li, B.; Wang, J.; Feng, X.-Q. Fracture toughness analysis of helical fiber reinforced biocomposites. J. Mech. Phys. Solids 2021, 146, 104206. [Google Scholar] [CrossRef]
- GB/T228.1-2021; Metallic Materials-Tensile Testing-Part 1: Method of Test at Room Temperature. Standardization Administration of the People’s Republic of China: Beijing, China, 2021.
Disclaimer/Publisher’s Note: The statements, opinions and data contained in all publications are solely those of the individual author(s) and contributor(s) and not of MDPI and/or the editor(s). MDPI and/or the editor(s) disclaim responsibility for any injury to people or property resulting from any ideas, methods, instructions or products referred to in the content. |
© 2024 by the authors. Licensee MDPI, Basel, Switzerland. This article is an open access article distributed under the terms and conditions of the Creative Commons Attribution (CC BY) license (https://creativecommons.org/licenses/by/4.0/).




















