Abstract
Through studying the effects of the Al–5Ti-x(Mg–30%Ce) refiner on the microstructure of the Al–7Si alloy, we investigated the hardness, tensile, and impact properties of the Al–Si alloy before and after refinement. The refinement results show that Mg–30%Ce can improve the refinement effect of Al–5Ti on Al–7Si, and also refine α-Al and eutectic Si in Al–7Si. When 2%Mg–30%Ce is added, the refining effect of the aluminum–silicon alloy is most obvious. After refinement, the hardness and tensile properties of the Al–7Si alloy improve. When 2%Mg–30%Ce is added to the refiner, the tensile properties of the Al–Si alloy are the best. Dynamic mechanical tests were conducted on refined Al–7Si alloy. The impact toughness of Al–7Si–(Al–5Ti-2(Mg–30%Ce) improved and the impact toughness reached 34.91 J/cm2, which is 78.7% higher than that of Al–7Si–(Al–5Ti) specimens. The separate Hopkinson pressure bar test results show that, under a high strain rate, the strain rate sensitivity of the prepared Al–Si alloy is significant. The specimens of Al–7Si–(Al–5Ti-2(Mg–30%Ce) demonstrated the best anti-impact performance at the same velocity.
1. Introduction
Aluminum alloys have a wide range of applications in various industrial fields and they are important engineering structural materials. With the development of modern industry, the demand for aluminum alloys are increasing, as is the demand for better aluminum alloy mechanical properties [1,2,3]. However, traditional aluminum alloys face the problems of coarse grains after casting and solidification, and defects, such as composition segregation, cracks, and shrinkage cavities, are often caused by coarse grains, which seriously affect the mechanical properties of aluminum alloy [4,5,6,7,8]. Therefore, to refine aluminum alloy grains and optimize the microstructure, examining the mechanical properties of aluminum alloy has become a research focus. In modern industry, adding the grain refiner to aluminum melt is the most simple and effective method of refining the grain and improving the mechanical properties of aluminum alloy. Currently, the refining agents commonly used are Al–Ti, Al–Ti–B, Al–Ti–C, and other intermediate alloys [9,10,11]. The addition of rare earth elements to the Al–Ti refiner can improve its refining effect and reduce the decay time. Rare earth elements have a large atomic radius, which much larger than the radius of the aluminum atom, and it is more active. Rare earth elements that are dissolved in aluminum liquid can easily fill the surface defects in the alloy phase of an aluminum alloy, easily forming a surface active film to prevent the growth of TiAl3. Accordingly, the TiAl3 phase of the alloy is remarkably refined, thereby improving the refining effect [12]. The Mg can further stimulate the refining effect of rare earth elements, but few experimental and theoretical studies on improving the Al–Ti refiner of aluminum alloy via the interaction of Mg and rare earth have been reported. The addition of Mg to Al–Si alloy further improves the mechanical properties of the alloy by forming a Mg2Si dispersion strengthening phase [13].
Several researchers have investigated the mechanical properties of Al–Si alloy after refinement. Pio et al. [14] investigated the effect of Al–5Ti–B on the mechanical properties of LM6 Al–Si alloy sand casting. The experimental results showed that the mechanical properties of LM6 sand casting are optimally improved by grain refinement with 0.5 wt% Al5Ti1B. A further increase in grain refiner quantity did not provide any additional significant improvement. Jigajinni et al. [15] evaluated the effect of a grain refiner cum modifier on the mechanical properties of Al–7Si and Al–11Si alloys. The results showed that boron-rich (Al–3B–Sr and Al–1Ti–3B–Sr) master alloys are more efficient than the Ti-rich (Al–3Ti–Sr and Al–5Ti–1B–Sr) master alloys when considering their combined grain refinement and modification effect on Al–7Si and Al–11Si alloys. Wang et al. [16] analyzed the effects of Al–Ti–B–RE grain refiner on microstructure and mechanical properties of the Al–7.0Si–0.55Mg alloy. The tensile strength of Al–7.0Si–0.55Mg alloys with the Al–5Ti–1B–3.0RE grain refiner reached the maximum with the same addition (0.2%) of grain refiner. Timelli et al. [17] researched the effect of grain refinement and cooling rate on the microstructure and mechanical properties of secondary Al–Si–Cu alloys. The results showed that the grain refinement improves the plastic behavior of the alloy and increases the reliability of castings, as was evidenced by the Weibull statistics. The research on the refinement of aluminum alloys has mainly focused on the theoretical mechanism of grain refinement, refinement process, refiner, and type and amount of modifier [18,19,20]. The research on the properties of Al–Si alloys has mainly focused on basic static mechanical properties. The influence of the addition of refiner on the mechanical behavior of Al–Si under dynamic loading has been much less studied.
We prepared a new type of aluminum-silicon alloy refiner. The microstructure of the aluminum alloy under the action of the new refiner (Al–Ti–Mg–Ce) was studied, and the synergistic refinement mechanism and refining effect of Al–Ti and Mg–Ce were analyzed. Experimental studies on the hardness, tensile, and impact properties of the Al–Si alloy are presented in this paper. The influence of the refiner on the static and dynamic mechanical properties of the Al–Si alloy was analyzed.
2. Materials and Methods
Pure aluminum ingot (99.9%), titanium powder (99.9%), and Mg–30%Ce intermediate alloy were used as raw materials, all being supplied by Yueyang Yuhang New Materials Co., Ltd. (Yueyang, China). The melting of Al–5Ti-x(Mg–30%Ce) was completed in a vacuum induction furnace. After the alloy was melted, the alloy liquid was stirred for 5 min under an electromagnetic field and then poured into a metal mold after standing for 2 min to obtain a new refiner for refining the Al–Si alloy [21].
Pure aluminum ingot (99.9%) and silicon (99.9%) were used as raw materials, with all being supplied by Yueyang New Materials Co., Ltd. (Yueyang, China). The Al–7Si alloy was melted using a well crucible resistance furnace at a melting temperature of 730 °C. After the pure aluminum was melted, the eutectic silicon particles were added and kept for 20 min. Subsequently, 1 wt% new Al–5Ti–x(Mg–30%Ce) refiner was added, and, after holding for 20 min, the mixture was blown out for 5 min. Afterwards, the mixture was poured into the finished sand mold cavity and the sand mold specimen was taken out after cooling [22].
The microstructure of the alloy was observed using an Inverted Material Microscope (OLYMPUSGX71) (Beijing Ruike Zhongyi Technology Co. LTD, Beijing, China). The nano-measurer 1.2 software (Fudan University, Shanghai, China) was used to calculate the grain size. The statistical method that was used to determine grain size involved measuring the length of the scale on the metallographic chart, and setting its length as the length represented by the scale. We cross-measured the crystal grains in the metallographic diagram by measuring the diameter distance of the crystal grains. All of the grains in the figure were counted to obtain a grain size report. A metallographic microscope and Hitachi SU-70 (Hitachi, Tokyo, Japan) scanning electron microscope (SEM) were used, and the alloy SEM energy dispersive spectrum (EDS) was also utilized. We obtained the same part of the sample at both ends in order to eliminate the influence of different parts on the grain size. Before observation, the specimen was polished and then etched with a volume fraction of 5% hydrofluoric acid solution [23].
The hardness test was carried out using an HXS-1000 AY (Hangzhou Yaset Instrument Equipment Co., LTD, Hangzhou, China) Vickers micro-hardness tester. Measurements were recorded at five different positions on each specimen for hardness testing, and the average value was taken as the final value of the hardness of the specimen [24].
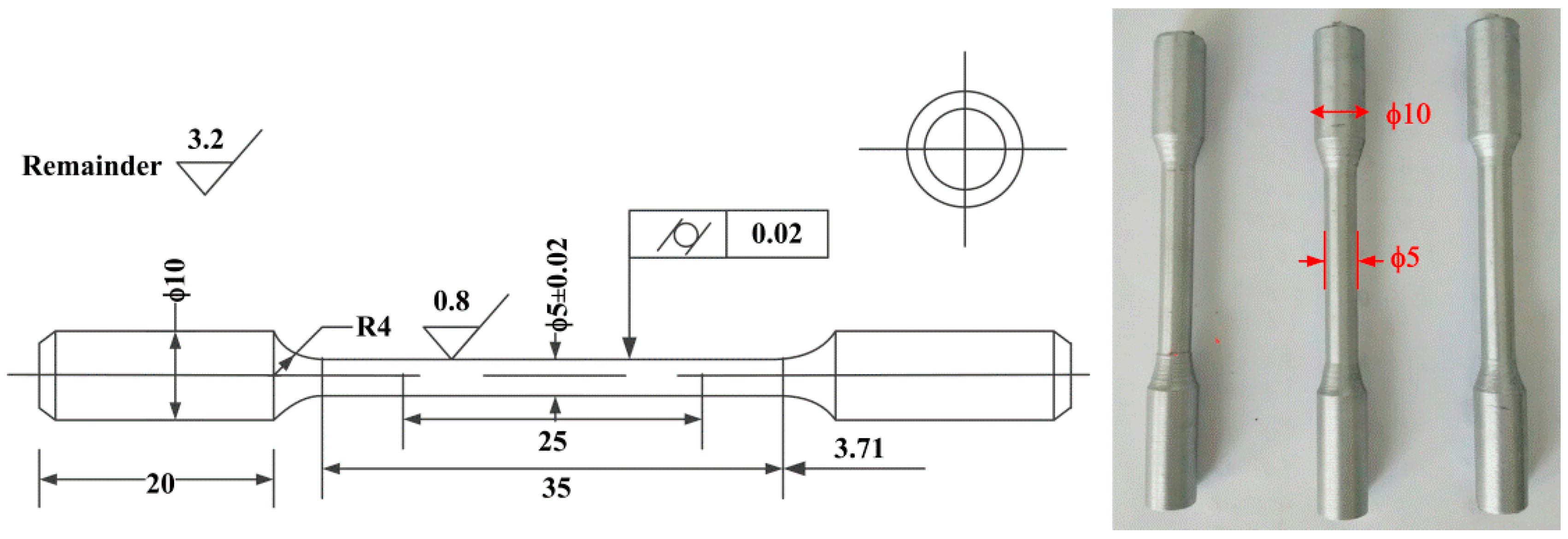
Tensile testing was conducted using a CMT 5305, (Uhong Measurement and Control Technology Co., LTD, Shanghai, China) microcomputer-controlled universal tensile testing machine at a crosshead rate of 2 mm/min [25,26]. Five specimens were taken from the same blank cast with the aluminum-silicon alloy and their dimensions are schematically shown in Figure 1. The elongation of the tensile test piece was measured.
Figure 1.
The dimensions of tensile specimen. (unit: mm).
The Charpy pendulum impact test was carried out using JB-30B (Jinan Kairui Testing Machine Manufacturing Co., LTD, Jinan, China) impact tester. The dimension of the test specimen was 10 × 10 × 55 mm. Figure 2 shows a picture of an impact specimen with a 2 mm deep V-shaped notch in the middle of its length. The potential energy difference before and after the pendulum blows to the specimen is the impact absorption energy Ak of the specimen [27,28,29,30]. If energy losses, such as air resistance and friction force, are not considered, then the impact absorption energy Ak of the punched specimen can be calculated using Equation (1):
where F is the weight of the pendulum, L is the pendulum length (the distance between the pendulum axis and the center of gravity of the hammer), α is the maximum angle (initial angle) to which the pendulum is raised before impact, and β is the maximum angle (end angle) to which the pendulum is raised after impact.
Figure 2.
The dimensions of the impact specimen.
The dynamic stamping test was carried out using a separate Hopkinson pressure bar (SHPB) tester. The impact bar, incident bar, transmission bar, and absorption bar in the split Hopkinson pressure bar were all made of steel with a density of 7.85 g/cm3. We chose two impact velocities of the bullet in the dynamic stamping experiment: 5 m/s and 12 m/s. The dimensions of the specimen were 10 × 10 × 6 mm. Figure 3 shows the SHPB experimental device and the schematic diagram of the size of the experimental device. The tests were conducted at room temperature in different strains [31].
Figure 3.
Separate Hopkinson pressure bar (SHPB) experiment device.
3. Results and Discussion
3.1. Energy Spectrum Analysis of Al–5Ti-(Mg–30%Ce)
Figure 4 shows the scanning electron microscopy images and energy spectrum analysis of Mg–30%Ce. Figure 4a shows that the two phases are mainly distributed in the alloy matrix: a uniform gray-white phase and a network phase in which the off-white phase is mixed with gray-black phase, and a small amount of white particle phase is additionally included. The reticular structure consists of a black flake phase and a white flake phase. The grain phase of the Mg–30%Ce alloy is bright white. In Figure 4b, the crystal contains Mg and Ce elements: 91.22% Mg elements, mixed with 8.78% of Ce elements, and the atomic number ratio of Mg and Ce is about 1:10.38. According to the Mg–Ce alloy phase diagram, we judged that the crystal phase may be MgCe10.3 phase. As can be seen from Figure 4c, the atomic number ratio of Mg and Ce elements in the gray-black phase in the mesh phase is about 36:1, and the Ce element content is very small and it should be distributed in the Mg matrix. In Figure 4d, the mass fraction of Ce element is large, the atomic number ratio of Mg and Ce elements is about 3:1, and the second phase particle is estimated to be CeMg3, according to the Mg–30%Ce alloy phase diagram.
Figure 4.
Scanning electron microscopy and energy spectrum analysis images of Mg–30%Ce: (a) Mg–30%Ce, (b) Analysis of gray-white phase energy spectrum in Mg–30%Ce, (c) Analysis of black network phase energy spectrum in Mg–30%Ce, and (d) Phase energy spectrum analysis of bright white particles in Mg–30%Ce.
From the above analysis, MgCe10.3 in Mg–30%Ce alloy is the main body, contains a small amount of second-phase CeMg3 particles, has a uniform structure, does not contain other impurities, and is suitable for modification in the Al–5Ti refiner.
Figure 5 shows the results of scanning electron microscopy and energy spectrum analysis of pure Al–5Ti and Al–5Ti-(Mg–30%Ce). In Figure 5a, the matrix is dark, with coarse strip-shaped second phases precipitated, and the precipitated phase has a radial dimension of about 20–40 μm. The axial dimension fluctuates greatly, between 100 and 300 μm, and the other part has an axial dimension of more than 400 μm. In Figure 5b, the Al and Ti peaks are stronger, indicating that the precipitated elements are Al and Ti elements. From EDS results analysis, the precipitated phase is the TiAl3 phase. Figure 5c shows a metallographic photograph of the addition of 1% Mg–30%Ce in Al–5Ti. As can be seen from Figure 5c, the size of the precipitated second phase has changed, with the radial size that is basically below 20 μm, the axial size around 200 μm, and the axial size of individual precipitated phases above 300 μm.
Figure 5.
Scanning electron microscope and energy spectrum analysis images of Al–5Ti–x(Mg–30%Ce).
Figure 6 shows the SEM and energy spectrum analysis images of Al–5Ti-(Mg–30%Ce). As can be seen from Figure 6a, the matrix is also dark, with coarse precipitated phases with a radial dimension of 10 to 20 μm. According to Figure 6b, the main component in the precipitated phase is Al, and Al and Ti still occupy a large proportion of the precipitated phase, so the precipitated phase is still the AlTi phase. The edge of precipitated phase in Al–5Ti–(Mg–30%Ce) was analyzed using its energy spectrum. We found that Mg and Ce were enriched around the precipitated TiAl3 phase. The Ce and Mg contents are much higher than the addition amount, because both Mg and Ce are active elements that easily adsorb or deflect to form a surface film at the solidification front of the precipitated phase, which hinders the aggregation and growth of the second phase particles. Therefore, it is possible to prevent TiAl3 particles from growing up and producing fine and homogeneous heterogeneous nuclei. The shape and size of the TiAl3 particles significantly affect the grain and dendrite size of aluminum alloys [32,33]. The enrichment of Mg and RE Ce in front of the melt can reduce the surface energy of the aluminum melt, making the melt more wettable to the second phase particles and rendering the second phase particles less prone to precipitation, and increasing the number of heterogeneous crystal nuclei, thus promoting the refinement of the crystal grains.
Figure 6.
(a) Scanning electron microscope and (b) energy spectrum analysis images of Al–5Ti-(Mg–30%Ce).
3.2. Microscopic Analysis of Al–Si Alloy
In the test of grain size, there are five specimens of each component alloy and at least five metallographic micrographs of the same multiple are randomly taken on each specimen. 1~5 in the first column of Table 1 refer to the specimen number of the same alloy composition. The corresponding data is the average value, as measured by five metallographic micrographs of each specimen. The final statistical grain size in the table is the average of at least 25 measurements of each component alloy. Figure 7 shows the microstructure of Al–7Si refined by Al–5Ti, Al–5Ti–(Mg–30%Ce), Al–5Ti–2(Mg–30%Ce), and Al–5Ti–3(Mg–30%Ce) refiners, with a magnification of 100×. As can be seen from Figure 7a, the size of the grain in the alloy is coarse and varies considerably. In Figure 7b, the grain size decreases, but the change is not obvious. In Figure 7c, the size of grain is obviously refined and it has an equiaxed tendency. In Figure 7d, the size of grain increased, and the thinning effect decreased. The right histogram in Figure 7a–d is the statistics of the gain size distribution of the specimen measured randomly five times by the nano-measurer. The average value of grain size is shown in the upper right corner (mean/μm), and the final statistical results of the five specimens are shown in Table 1. The average grain sizes of Al–7Si–(Al–5Ti), Al–7Si–(Al–5Ti–(Mg–30%Ce)), Al–7Si–(Al–5Ti–2(Mg–30%Ce)), and Al–7Si–(Al–5Ti–3(Mg–30%Ce)) are about 129 μm, 111 μm, 90 μm, and 103 μm, respectively. With increasing Mg–30%Ce content in the refiner, the dendrite size in the alloy structure decreases and the refining effect increases. With the addition of 2% Mg–30%Ce, the refining effect of Al–Si alloy was most obvious. After that, increasing the amount of Mg–30%Ce in the refiner weakened the refining effect.
Table 1.
The average grain size of specimens.
Figure 7.
Metallographic micrograph images of the Al–Si alloy (100×).
Al–5Ti can provide heterogeneous nucleation particles to refine α(Al) dendrites in the nucleation process after adding refiners to Al–Si alloy, mainly because TiAl3 has heterogeneous nucleation conditions [34]. According to the theory of peritectic reaction, TiAl3 dissolution results in Ti-rich formation in the surrounding aluminum melt. When Ti reaches a certain concentration and temperature, the peritectic reaction starts and solid aluminum nucleates on its surface. According to this theory, during the crystallization of aluminum alloy, dendrites that were formed by the peritectic reaction are broken into small crystal nuclei under the impact of liquid convection, and many crystal nuclei are simultaneously crystallized to form fine crystal structures.
The Ce element in Mg–30%Ce mainly exists in MgCe10.3. After adding Mg–30%Ce to Al–5Ti, the MgCe10.3 phase dissolves, Ce atoms are distributed in the alloy melt, Al has an atomic radius of 0.144 nm and rare earth Ce has an atomic radius of 0.27 nm, which is quite different from Al’s atomic radius—a mismatch degree of more than 15%. Therefore, rare earth elements have a low solid solubility in aluminum and are active elements. In order to reduce the free energy, the defects at the interface are easily filled. During the solidification process, rare earth atoms tend to accumulate in the solidification front of precipitated TiAl3 and create enrichment. Rare earth, enriched in the solidification front, has a relatively slow diffusion rate due to its large atomic radius, and the enrichment layer prevents Al atoms and Ti atoms from diffusing into the TiAl3 phase in the melt. Therefore, TiAl3 phase growth is suppressed, thus refining TiAl3. However, Mg redistributes in the alloy melt. Mg-rich phase was found at the interface between the TiAl3 phase and Al. The atomic radius of Mg is 0.160 nm, which is larger than that of Al. We inferred that Mg is also enriched at the front of TiAl3 phase during solidification, assisting rare earth elements in reducing the size of the TiAl3 phase. The segregation coefficient of rare earth elements is large, which leads to segregation at the solid-liquid interface during solidification, resulting in larger constitutional supercooling and promoting nucleation, which also positively influences grain refinement [35]. When 2% Mg–30%Ce was added in the refiner Al–5Ti, the refining effect was the best. We continued to increase the addition amount of Mg–30%Ce. The rare earth film around TiAl3 in the alloy was then too thick, which also led to the coarsening of particles and a reduction of the refining effect.
Figure 8 shows a metallographic micrograph with a magnification of 200×. As Figure 8a displays, the eutectic silicon in the Al–Si alloy under the action of the Al–5Ti refiner without Mg–30%Ce precipitated more, the aggregation phenomenon is obvious, the crystal grains are coarse, and most of them are strip-shaped. In Figure 8b, the eutectic silicon of Al–Si alloy refined by Al–5Ti with 2% Mg–30%Ce is less precipitated and more dispersed, and the morphology changes from long strips to small short rods and granules. Figure 9 shows a metallographic micrograph with a magnification of 500×. In Figure 9a, the radial dimension of the eutectic silicon is 10–50 μm, the aspect ratio is mostly around 10, and a small amount of eutectic silicon is granular. In Figure 9b, the eutectic silicon changes from thick long strips to small short sticks and granules, with a radial dimension of 8–36 μm and an aspect ratio of mostly 1–7, but there is still a small amount of eutectic silicon with a large aspect ratio and disordered distribution.
Figure 8.
Metallographic microscope image of Al–Si alloy (200×).
Figure 9.
Metallographic microscope image of the Al–Si alloy (500×).
There are three main reasons for the change of silicon morphology. (1) The extra TiAl3 particles existing on the grain boundary can act as nucleation particles of eutectic silicon. (2) Grain refinement indirectly affects the eutectic morphology, reducing the volume of intergranular melt and limiting the nucleation area of silicon. Therefore, the silicon particles are dispersed during eutectic transformation. (3) The addition of Mg and Ce greatly promotes this effect. Under conventional casting conditions, Si phase growth has the characteristics of small plane growth, which involves a distinct anisotropic growth tendency, which rapidly grows into sheet or strip Si crystals along the <112> direction. The solid solubility of Ce in Al and Si is very low, and the diffusion coefficient in the Al–Si alloy is very small, so Ce atoms must be enriched at the front of the solid-liquid interface. At the Al/Si interface, especially at the roots of the eutectic Si branches, the enrichment of Ce is relatively significant, so that the dendrite arms are necked at the roots and fusing even occurs. The point-like Si particles are separated from the main stem [36].
3.3. Microhardness of Al–Si Alloy
Figure 10 shows the micro-Vickers hardness histogram of aluminum–silicon alloy that was treated with Al–5Ti–x(Me–30%Ce) master alloy refiner. Figure 10 shows that, with the addition of intermediate alloy refiners, Al–5Ti–x(Me–30%Ce) alloy refiners with different rare earth Ce additions impact the hardness of the Al–Si alloy. The overall properties show that the hardness of the Al–Si alloy increases first and it then decreases with increasing Ce content in the refiner. The hardness of the Al–7Si-(Al–5Ti-2(Me–30%Ce)) specimen was the highest, which is also consistent with the changing rule of the refining effect of refiner Al–5Ti-x(Mg–30%Ce) on the Al–Si alloy. The increase in hardness is mainly due to the series of effects of refining alloy grains after the addition of rare earth.
Figure 10.
Vickers micro-hardness of Al–7Si-(Al–5Ti-x(Mg–30%Ce)).
With the capability of improving the hardness of the alloy, rare earth compounds with substantial hardness and a high melting point formed in the alloy. The addition of Ce results in fine grain strengthening, which improves the hardness of the alloy. Rare earth Ce can also adsorb or segregate on grain boundaries and phase surfaces of aluminum or aluminum melt, which minimizes the defects at grain boundaries and improves the hardness. The solid solution strengthening and the second phase strengthening that are caused by the addition of Mg and Ce enhance the hardness. In addition, grain refining and grain boundary increases can increase the alloy hardness.
3.4. Tensile Properties of Al–Si Alloy
Figure 11 shows a graph of the tensile properties of aluminum–silicon alloy. The tensile strength and yield strength of Al–Si refined by Al–5Ti alloy with the addition of the Mg–30%Ce alloy are higher than those of the Al–Si alloy that are refined with pure Al–5Ti refiner. A trend is depicted of first increasing and then decreasing with increasing Mg–30%Ce content in refiner. When the addition amount reached 2%, the tensile strength of the specimen was the highest. The plastic deformation of the Al–Si alloy at fracture is very small. The elongation A/% of specimen 3 (Al–7Si–(Al–5Ti–2(Mg–30%Ce)) was the largest, carrying a value of 4.86%. Specimen 1 (Al–7Si–(Al–5Ti)) had the lowest value of 2.42%, which is a difference of 2.44% with specimen 3. There was little difference in the macroscopic deformation of the broken piece, which was mainly due to the brittle fracture that occurs when the aluminum–silicon alloy is fractured. However, the elongation of specimen 3 was 100.8% higher than that of specimen 1, indicating that the fracture of Al–Si alloy after refining with rare earth refiner has a tendency to be tough. The tensile test results of the aluminum silicon alloy after refining are shown in Table 2.
Figure 11.
The tensile properties of the Al–Si alloy.
Table 2.
The tensile test results of aluminum silicon alloy after refining.
The improvement in the tensile strength of Al–Si alloy is mainly due to the two main effects of refining the alloy grains after adding rare earth refiners. Firstly, grain refinement significantly affects the strength of the alloy. According to the analysis in Section 3.2, when Mg–30%Ce is not added to the refiner Al–5Ti, the primary dendrite size of α(Al) in the Al–Si alloy is coarse and uneven, and eutectic silicon grains are coarse and strip-shaped, damaging the aluminum alloy matrix and seriously affecting the mechanical properties of the alloy. The primary dendrite size of α(Al) in the Al–Si alloy that is refined by Al–5Ti–2(Mg–30%Ce) is reduced by 26.84% as compared with the 1# specimen. The eutectic silicon phase changes from strip-like and rod-like to granular, and the size decreases. The fine and dispersed granular eutectic silicon can effectively hinder dislocation development and improve the deformation resistance of the alloy, thus improving the properties of the alloy. Eutectic silicon was refined according to the Hall-Petch formula [32]:
where σs is the yield strength; σi is a constant, the deformation resistance in reactive crystal; ky is a constant, which indicates the influence of grain boundary on strength; and, d is the average size of each grain in the polycrystalline body.
The strength of the alloy increases with the decrease in grain size, so the strength of the Al–7Si alloy after adding Al–5Ti-x(Mg–30%Ce) improved. Therefore, the strength of the alloy tends to increase first and then decrease.
Secondly, grain boundaries are the part that provides strength in the crystal and increasing the number of grain boundaries has a positive effect on improving the strength of the alloy [37,38,39]. From the study in Section 3.2, it can be seen that the dendrite size of Al–Si alloy was refined and the number of grain boundaries obviously increased after adding refiners, which can hinder the development of dislocations and thus improve the strength of the Al–Si alloy.
The tensile fracture morphology of the Al–7Si alloy before and after refinement is shown in Figure 12. Figure 12a shows the tensile fracture morphology of specimen 1 (Al–7Si–(Al–5Ti)). The specimen is composed of several large brittle fracture platforms and many tearing ridges, and the size of brittle platform is between 20 and 40 μm. EDS was used for micro-area analysis. As shown in Figure 12b, it is known to be a silicon-rich phase (the mark in Figure 12a). Since Al–7Si is a hypoeutectic alloy that is mainly composed of aluminum matrix and eutectic silicon, it is considered a eutectic silicon phase. Its presence may promote the brittle fracture tendency and accelerate the crack propagation speed [40,41]. In addition, high power SEM and EDS analysis were carried out on the local area of brittle fracture, as shown in Figure 12c,d. The local enlargement of the junction between the brittle platform and the tearing region shows that the brittle phase that is rich in silicon is subjected to tensile stress, which leads to cracks, and then cracks develop on eutectic silicon. There are also small cracks around the large cracks, which indicates that the eutectic silicon phase is brittle. Under excessive external stress, the damage first occurs and cracks are generated. This further proves that coarse eutectic silicon can significantly enhance the brittle fracture tendency of the alloy, and it will negatively impact the elongation or energy of the alloy during tensile strain or impact.
Figure 12.
Fracture analysis of Al–7Si–(Al–5Ti) alloy.
The tensile fracture of sample 3 (Al–7Si-(Al–5Ti–2(Mg–30%Ce)) is shown in Figure 13. As can be seen from Figure 13a, after refinement, the larger-sized brittle platform in the alloy fracture disappears, and a large number of tearing ridges and a small number of smaller-sized brittle platforms appear in the fracture. The appearance and distribution of tearing are shown in Figure 13b. In Figure 13c, fine fracture phases are depicted in the fracture surface, which are granular in shape and smaller than 5 μm. They are silicon-rich phases (Figure 13d), as determined by EDS analysis. These silicon-rich phases are closely bonded to the matrix and they do not tear with the matrix due to stretching.
Figure 13.
Fracture analysis of Al–7Si alloy after refining by Al–Ti–2(Mg–30%Ce).
From the above analysis, the coarse silicon-rich brittle phase in the Al–7Si alloy matrix refined by Al–5Ti easily becomes a crack source, and brittle fractures occur due to the tensile stress, thus easily decreasing the strength and toughness of the alloy. However, the eutectic phase in the Al–7Si alloy matrix is reduced by the thinning agent Al–Ti–2(Mg–30%Ce), which hinders the dislocation movement during the deformation of the matrix. In the fracture process, the crack can be prevented from propagating so that the fracture after refinement has obvious toughness.
3.5. Impact Performance of Al–Si Alloy
Figure 14 shows the impact toughness curve plotted from the impact test results. Figure 14 demonstrates that the impact toughness of the Al–Si alloy specimen increases gradually and then decreases with increasing Ce mass fraction in the refiner. When x = 2 in Al–7Si-(Al–5Ti–x(Mg–30%Ce)) specimens, the impact toughness αkv reaches 34.91 J/cm2, which is 78.7% higher than that of Al–7Si–(Al–5Ti) specimens. This occurs because, after the aluminum alloy is refined by the rare earth Ce-containing refiner, α-Al is basically blocky and spherical, the grain size is refined, and the grain boundary area increases. Eutectic silicon, rare earth, and rare earth compounds tend to agglomerate at the grain boundary, resulting in improved cleavage fracture strength at the grain boundary. The eutectic Si in Al–Si alloy is long-strip and needle-sheet-shaped after being refined by Al–5Ti. This thick eutectic silicon phase breaks the matrix, which becomes the crack source of cleavage fractures. The eutectic silicon in the aluminum-silicon alloy that was refined by the refiner containing Mg–30%Ce is transformed into short rods and fine particles, the structure is more uniform, the impact energy that is required for fracture improves, the impact toughness of the material improves, and the ability to resist deformation and fracture of the aluminum alloy material improves.
Figure 14.
The impact toughness change diagram of specimen.
3.6. Dynamic Compression Properties of Al–Si Alloy
Two basic assumptions need to be satisfied when applying the split Hopkinson pressure bar experimental technique. One is the assumption of the one-dimensional stress wave and the other is the assumption of uniform distribution. One is the assumption of one-dimensional stress wave and the other is the assumption of uniform distribution. One-dimensional stress wave assumption: the transverse inertial effect will occur when elastic wave propagates in the experimental bar, leading to wave dispersion. When the wavelength of the incident wave is much larger than the diameter of the incident bar, the transverse vibration effect of the bar is ignored, i.e. the stress in the specimen and waveguide bar is a one-dimensional plane, only axial stress exists in the bar, and a weak dispersion effect is ignored. Uniform Distribution Assumption: It is assumed that the strain and stress in the specimen that is to be tested are uniformly distributed along the length direction of the specimen. Under the condition that the two assumptions are true, the dynamic stress-strain curve of the material is obtained by the two-wave method, and then its mechanical properties are judged.
Figure 15 shows the stress-time curve at 5 m/s of the H0 sample. As can be seen from Figure 15, at 0.05 ms, the specimen begins to yield, with a yield strength value of 160 MPa, and then the specimen begins to enter the stage of flow compaction strengthening. With continuous dynamic compression, multiple slip systems in the aluminum alloy crystal move at the same time, the dislocation density in the crystal increases, and the resistance of deformation increases. Therefore, the stress curve shows a trend of plastic flow increase. When the grain deformation finished, the stress no longer increased, the pulse loading ended, and unloading began.
Figure 15.
The stress-time curve at 5 m/s of the H0 specimen.
Figure 16 shows the stress-strain and strain rate-strain curves of the specimen. In Figure 16a, when the strain was 0.0052, the H0 specimen began to yield with a yield strength of 160 MPa. The yield strength of the Hm1 specimen was 343 MPa when the strain was 0.025. In Figure 16b, the strain rate of the platform section with a relatively gentle curve tends to be constant and the average strain rate was calculated while using this gentle platform section. The average strain rates of the H0 and Hm1 specimens were 800 and 700 s–1, respectively. According to the corresponding dynamic yield strength of the two kinds of material, the mechanical properties of the materials at different strain rates were analyzed. The results of dynamic compression experiments are shown in Table 3.
Figure 16.
SHPB experiment curve at 5 m/s.
Table 3.
SHPB experimental data of specimens.
When the impact bar velocity is 5 m/s, the average yield strength of H0 and Hm1 specimens are 160 MPa and 173 MPa, respectively. When compared with quasi-static yield strength, the yield strength is increased by about 10%, with a small rate of change and no obvious strain rate sensitivity. When the impact bar velocity increases to 12 m/s, the average yield strength of H0 and Hm1 specimens are 343 MPa and 393 MPa, respectively, and the stress change is obvious, which is about 2.4 times that of the quasi-static stress. This shows that the mechanical properties of the aluminum alloy that was prepared in this paper are significantly different at different impact velocities, and its impact strength increases to a certain extent with the increase of impact velocity. When considering that the impact velocity in the experiment determines the strain rate range of the material, the above phenomenon shows that the Al-Si specimens that were prepared in this paper are rate-dependent materials, especially at high strain rates (2.0 × 103 s−1 and above), and the strain rate effect is significant. At the same impact velocity, the yield strength of Hm1 specimen is always higher than that of the H0 specimen. This is mainly because the Hm1 specimen is finer and more uniform than the grains in H0 specimen, which can provide more grain boundaries. However, grain boundaries play an important role in preventing dislocation slip. The more grain boundaries exist, the finer and more uniform they are. The dislocation entanglement on grain boundaries is enhanced, providing more dislocation resistance for the alloy, and the resistance to deformation will further increase.
4. Conclusions
The thinning effect of Al–5Ti–x(Mg–30%Ce) on Al–7Si is remarkable, because Mg stimulated the thinning effect of the rare earth Ce on the precipitation phase TiAl3 in the refining agent, which provides more heterogeneous nucleation during the solidification process of aluminum alloy.
The basic mechanical properties of Al–5Ti–x(Mg–30%Ce) alloy after refinement were investigated. We found that Al–5Ti–x(Mg–30%Ce) significantly improves the mechanical properties of the Al–Si alloy. The tensile strength, hardness, impact toughness, and yield strength of Al–Si alloy under dynamic load were significantly affected, and the variation trend of mechanical properties was consistent with the effect of thinning agent. The microscopic mechanism of the variation of mechanical properties was analyzed. After adding Al–5Ti-x(Mg–30%Ce) refiners to Al–Si alloy, the crystal grains refined, the grain boundaries increased, and the eutectic silicon structure improved. All of these aspects can provide dislocation resistance, hinder the further development of dislocations, and improve the macroscopic mechanical properties.
SHPB experiments were performed on Al–Si alloys (Al–7Si–(Al–5Ti) and Al–7Si–(Al–5Ti-2(Mg–30%Ce). The results show that the strain rate sensitivity of the Al–Si alloys prepared in this paper is significant under high strain rates (2.0 × 103 s−1 and above). The specimens of Al–7Si–(Al–5Ti-2(Mg–30%Ce) produced the best anti-impact performance at the same bullet velocity.
Author Contributions
J.Z. conceived and designed the experiments; M.S. performed the experiments; J.Z. and L.X. analyzed the data; Z.W. contributed materials; L.X. wrote the paper.
Funding
This research was funded by the National Natural Science Foundation of China, Grant NO. 11872157 and 11532013.
Acknowledgments
The authors gratefully acknowledge the financial support of the National Natural Science Foundation of China, Grant NO. 11872157 and 11532013.
Conflicts of Interest
The authors declare no conflict of interest.
References
- Nakai, M.; Eto, T. New aspects of development of high strength aluminum alloys for aerospace applications. Mater. Sci. Eng. A 2000, 285, 62–68. [Google Scholar] [CrossRef]
- Heinz, A.; Haszler, A.; Keidel, C.; Miller, W.S. Recent development in aluminum alloys for aerospace applications. Mater. Sci. Eng. A 2000, 280, 102–107. [Google Scholar] [CrossRef]
- Zhu, M.; Jian, Z.Y.; Yang, G.C.; Zhou, Y.H. Effects of T6 heat treatment on the microstructure, tensile properties, and fracture behavior of the modified A356 alloys. Mater. Des. 2012, 36, 243–249. [Google Scholar] [CrossRef]
- Wang, X.J.; Luo, X.X.; Cong, F.G.; Cui, J.Z. Research progress of microstructure control for aluminium solidification process. Chin. Sci. Bull. 2013, 58, 468–473. [Google Scholar] [CrossRef]
- Birol, Y. AlB3 master alloy to grain refine AlSi10Mg and AlSi12Cu aluminium foundry alloys. J. Alloys Compd. 2012, 513, 150–153. [Google Scholar] [CrossRef]
- Wang, T.M.; Chen, Z.N.; Fu, H.W.; Gao, L.; Li, T.J. Grain refinement mechanism of pure aluminum by inoculation with Al-B master alloys. Mater. Sci. Eng. A 2012, 549, 136–143. [Google Scholar] [CrossRef]
- Birol, Y. Grain refinement of pure aluminium and Al-7Si with Al-3B master alloy. Mater. Sci. Eng. A 2013, 28, 363–367. [Google Scholar] [CrossRef]
- Ravi, M.; Pillai, U.T.S.; Pai, B.C.; Damodaran, A.D.; Dwarakadasa, E.S. The Effect of Mischmetal Addition on the Structure and Mechanical Properties of a Cast Al-7Si-0.3Mg Alloy Containing Excess Iron (up to 0.6 Pct). Metall. Mater. Trans. A 2002, 33, 391–400. [Google Scholar] [CrossRef]
- Kori, S.A.; Murty, B.S.; Chakraborty, M. Development of an efficient grain refiner for Al-7Si alloy. Mater. Sci. Eng. A 2000, 280, 58–61. [Google Scholar] [CrossRef]
- Rao, A.P.; Das, K.; Murty, B.S.; Chakraborty, M. Effect of grain refinement on wear properties of Al and Al-7Si alloy. Wear 2004, 257, 148–153. [Google Scholar] [CrossRef]
- Chen, Z.N.; Kang, H.J.; Fan, G.H.; Li, J.J.; Lu, Y.P.; Jie, J.C.; Zhang, Y.B.; Li, T.J.; Jian, X.G.; Wang, T.M. Grain refinement of hypoeutectic Al-Si alloys with B. Acta Mater. 2016, 120, 168–178. [Google Scholar] [CrossRef]
- Samuel, E.; Golbahar, B.; Samuel, A.M.; Doty, H.W.; Valtierra, S.; Samuel, F.H. Effect of grain refiner on the tensile and impact properties of Al-Si-Mg cast alloys. Mater. Des. 2014, 56, 468–479. [Google Scholar] [CrossRef]
- Song, M.; Chen, K.H.; Huang, L.P. Effects of Ce and Ti on the microstructures and mechanical properties of an Al-Cu-Mg-Ag alloy. Rare Met. 2007, 26, 28–32. [Google Scholar] [CrossRef]
- Pio, L.Y.; Sulaiman, S.; Hamouda, A.M.; Ahmad, M.M.H.M. Grain refinement of LM6 Al-Si alloy sand castings to enhance mechanical properties. J. Mater. Process. Technol. 2005, 162–163, 435–441. [Google Scholar] [CrossRef]
- Jigajinni, S.M.; Venkateswarlu, K.; Kori, S.A. Effect of a grain refiner cum modifier on mechanical Properties of Al-7Si and Al-11Si alloys. Met. Mater. Int. 2013, 19, 171–181. [Google Scholar] [CrossRef]
- Wang, X.J.; Xu, C.; Muhammad, A.; Hanada, S.; Yamagata, H.; Wang, W.H.; Ma, C.L. Effects of Al-Ti-B-RE grain refiner on microstructure and mechanical properties of Al-7.0Si-0.55Mg alloy. Trans. Nonferrous Met. Soc. China 2014, 24, 2244–2250. [Google Scholar] [CrossRef]
- Timelli, G.; Camicia, G.; Ferraro, S. Effect of grain refinement and cooling rate on the microstructure and mechanical properties of secondary Al-Si-Cu alloys. J. Mater. Eng. Perform. 2014, 23, 611–621. [Google Scholar] [CrossRef]
- Easton, M.; John, D. Grain refinement of aluminum alloys: Part, I. The nucleant and solute paradigms—A review of the literature. Metall. Mater. Trans. A 1999, 30, 1613–1623. [Google Scholar] [CrossRef]
- Nogita, K.; Mcdonald, S.D.; Dahle, A.K. Eutectic modification of Al-Si alloys with rare earth metals. Mater. Trans. 2004, 45, 323–326. [Google Scholar] [CrossRef]
- Yao, X.; Mcdonald, S.D.; Dahle, A.K. Modeling of grain refinement: Part III. Al-7Si-0.3Mg aluminum alloy. J Mater. Res. 2008, 23, 1301–1306. [Google Scholar] [CrossRef]
- Brinkman, H.J.; Zupazi, F.; Duszezyk, J.; Katgerman, L. Production of Al-Ti-C grain refiner alloys by reactive synthesis of elemental powders: Part I. Reactive synthesis and characterization of alloys. J. Mater. Res. 2000, 15, 2620–2627. [Google Scholar] [CrossRef]
- Wang, J.; He, S.X.; Sun, B.D.; Guo, Q.X.; Nishio, M. Grain refinement of Al-Si alloy (A356) by melt thermal treatment. J. Mater. Process. Technol. 2003, 141, 29–34. [Google Scholar] [CrossRef]
- Mousavi, G.S.; Emamy, M.; Rassizadehghani, J. The effect of mischmetal and heat treatment on the microstructure and tensile properties of A357 Al-Si casting alloy. Mater. Sci. Eng. A 2012, 556, 573–581. [Google Scholar] [CrossRef]
- Ebrahimi, S.S.; Emamy, M. Effects of Al-5Ti-1B and Al-5Zr master alloys on the structure, hardness and tensile properties of a highly alloyed aluminum alloy. Mater. Des. 2010, 31, 200–209. [Google Scholar] [CrossRef]
- Du, Y.Z.; Zheng, M.Y.; Qiao, X.G.; Wu, K.; Liu, X.D.; Wang, G.J.; Lv, X.Y. Microstructure and mechanical properties of Mg-Zn-Ca-Ce alloy processed by semi-continuous casting. Mater. Sci. Eng. A 2013, 582, 134–139. [Google Scholar] [CrossRef]
- Riestra, M.; Ghassemali, E.; Bogdanoff, T.; Seifeddine, S. Interactive effects of grain refinement, eutectic modification and solidification rate on tensile properties of Al-10Si alloy. Mater. Sci. Eng. A 2017, 703, 270–279. [Google Scholar] [CrossRef]
- Basavakumar, K.G.; Mukunda, P.G.; Chakraborty, M. Impact toughness in Al-12Si and Al-12Si-3Cu cast alloys-Part 1: Effect of process variables and microstructure. Int. J. Impact Eng. 2008, 35, 199–205. [Google Scholar] [CrossRef]
- Samuel, A.M.; Doty, H.W.; Valtierra, S.; Samuel, F.H. Effect of grain refining and Sr-modification interactions on the impact toughness of Al-Si-Mg cast alloys. Mater. Des. 2014, 56, 264–273. [Google Scholar] [CrossRef]
- Abuhasel, K.A.; Ibrahim, M.F.; Elgallad, E.M.; Samuel, F.H. On the impact toughness of Al-Si cast alloys. Mater. Des. 2016, 91, 388–397. [Google Scholar] [CrossRef]
- Rathia, S.K.; Sharma, A.; Sabatino, M.D. Effect of mould temperature, grain refinement and modification on hot tearing test in Al-7Si-3Cu alloy. Eng. Fail. Anal. 2017, 79, 592–605. [Google Scholar] [CrossRef]
- Tan, Z.H.; Chen, C.; Han, X.; Wang, F.R. Investigation on the dynamic compressive behavior and energy absorption properties of aluminium-silicon foam. Eng. Mech. 2013, 30, 360–364. [Google Scholar] [CrossRef]
- Yin, D.S.; Zhao, J.T.; Nan, J.F.; Wang, Z.T.; Zhang, Z.K.; Xu, J.W. Influence of Ce and Mg-Ce master alloy on the microstructure of Al-STi alloy. Spec. Cast. Nonferrous Alloys 2015, 35, 987–990. [Google Scholar] [CrossRef]
- Chen, C.; Liu, Z.X.; Ren, B. Influences of complex modification of P and RE on microstructure and mechanical properties of hypereutectic Al-20Si alloy. Trans. Nonferrous Met. Soc. China 2007, 17, 301–306. [Google Scholar] [CrossRef]
- Wang, S.C.; Li, J.L.; Gan, C.L. Grain refinement mechanism and effective nucleation phase of Al-5Ti-1B master alloy. Mater. Sci. Forum 2017, 898, 1231–1235. [Google Scholar] [CrossRef]
- Robson, J.D. Effect of Rare-Earth Additions on the Texture of Wrought Magnesium Alloys: The Role of Grain Boundary Segregation. Metall. Mater. Trans. A 2014, 45, 3205–3212. [Google Scholar] [CrossRef]
- Monhanty, P.S.; Gruzleski, J.E. Mechanism of grain refinement in aluminium. Acta Metall. Mater. 1995, 43, 2001–2012. [Google Scholar] [CrossRef]
- Abbott, T.B.; Parker, B.A. Coarsening of silicon fibres in modified eutectic aluminium-silicon alloys. J. Mater. Sci. Lett. 1988, 7, 88–90. [Google Scholar] [CrossRef]
- Zhang, X.X.; Wang, D.Z.; Geng, L. Coarsening of eutectic silicon in squeeze-cast alumina fiber reinforced eutectic Al-Si aluminum composites. J. Mater. Sci. Lett. 2003, 22, 861–863. [Google Scholar] [CrossRef]
- Samuel, A.M.; Elgallad, E.M.; Doty, H.W.; Valtierra, S.; Samuel, F.H. On the Microstructure, Hardness and Impact Toughness of 356 and 413 Alloys. Int. J. Metalcast. 2017, 11, 240–254. [Google Scholar] [CrossRef]
- Zhang, G.; Zhang, J.; Li, B. Double-stage hardening behavior and fracture characteristics of a heavily alloyed Al-Si piston alloy during low-cycle fatigue loading. Mater. Sci. Eng. A 2013, 561, 26–33. [Google Scholar] [CrossRef]
- Ammar, H.R.; Samuel, A.M.; Samuel, F.H. Porosity and the fatigue behavior of hypoeutectic and hypereutectic aluminum-silicon casting alloys. Int. J. Fatigue 2008, 30, 1024–1035. [Google Scholar] [CrossRef]
© 2019 by the authors. Licensee MDPI, Basel, Switzerland. This article is an open access article distributed under the terms and conditions of the Creative Commons Attribution (CC BY) license (http://creativecommons.org/licenses/by/4.0/).















