Experimental Studies on Seismic Performance of UHPSFRC-Filled Square Steel Tubular Columns
Abstract
:1. Introduction
2. Experiment of UHPSFRC-Filled Square Steel Tubular Columns
2.1. Test Program
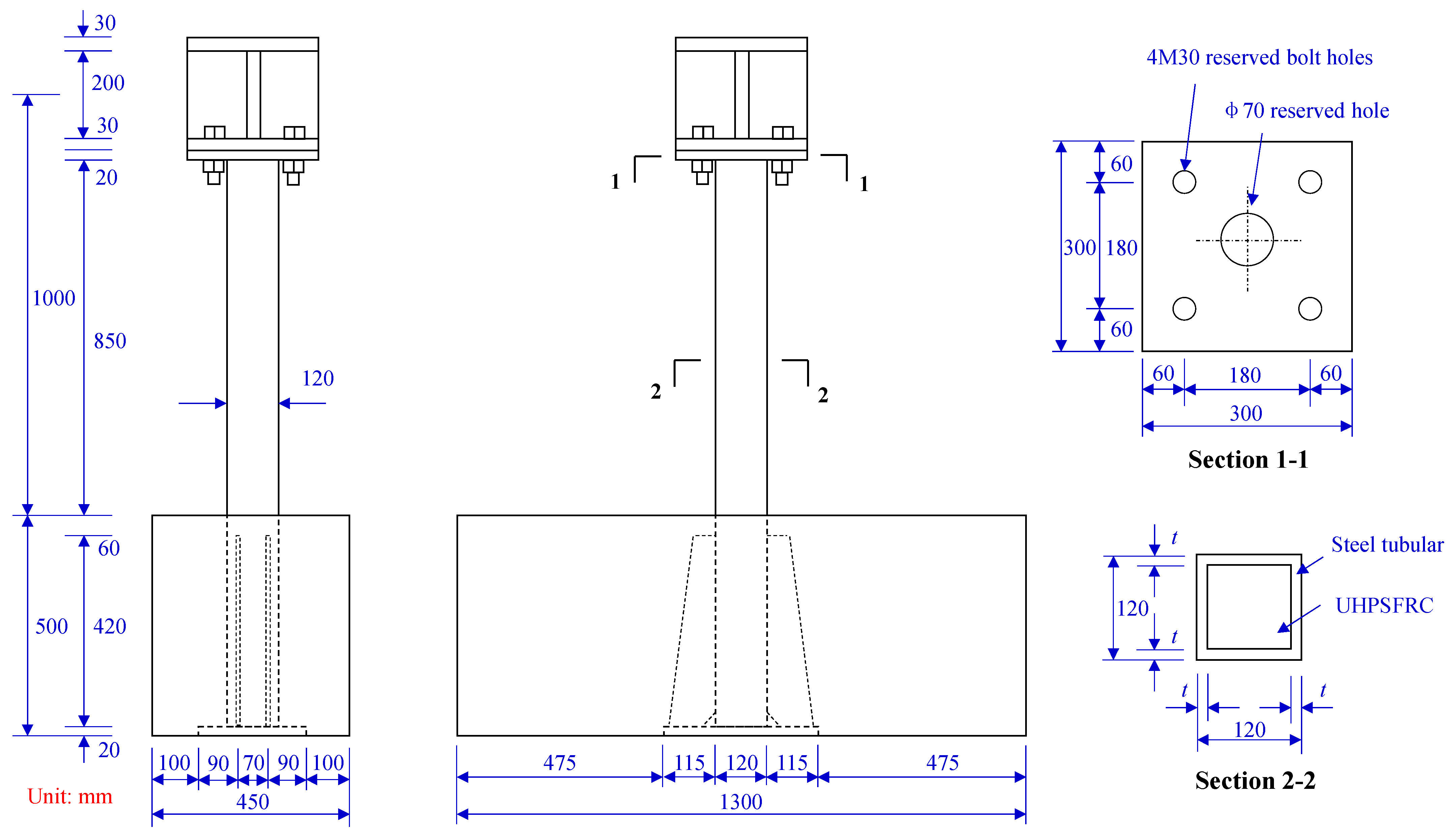
2.2. Details of Specimens
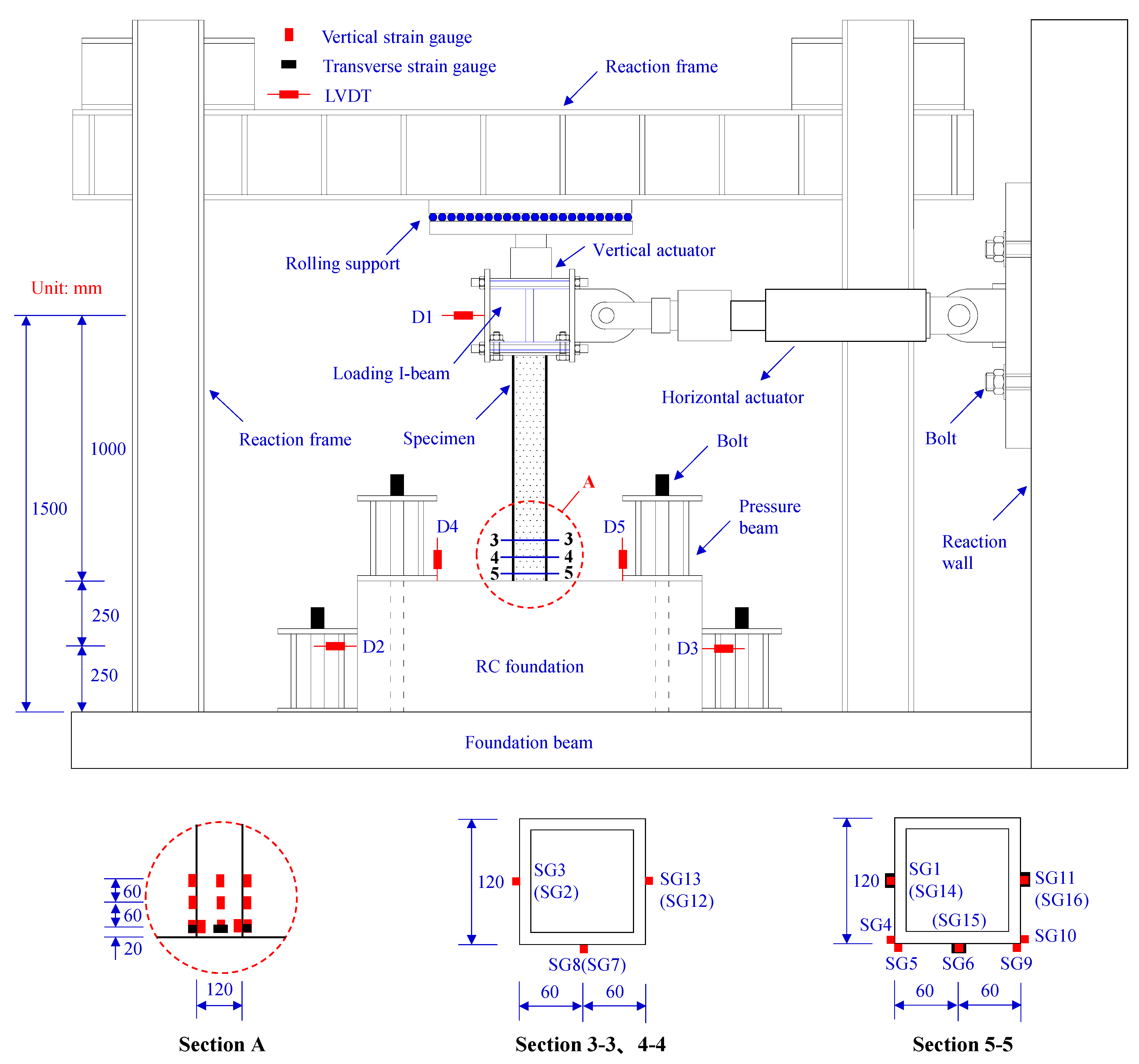
2.3. Test Setup and Measurements
3. Test Results and Discussion
3.1. Failure Modes
3.2. Hysteretic Behavior
3.3. Skeleton Curves
3.4. Energy Dissipation Capacity
3.5. Strength Degradation
3.6. Rigidity Degradation
3.7. Ductility and Deformation Behavior
4. Finite Element Analysis
5. Discussion
6. Conclusions
- The UHPSFRC-filled square steel tubular columns showed local buckling failure, and their hysteresis curves were full and have good seismic performance.
- When the width-to-thickness ratio decreased from 28.5 to 19.9 and 14.7 (the thickness of the steel tubular increased from 4 to 6 and 8 mm), the moment capacity of the UHPSFRC-filled square steel tubular columns increased significantly, and the ductility increased slightly first and then increased obviously, which slowed down the degradation of the stiffness and strength.
- When the axial compression ratio increased from 0.133 to 0.266 and 0.399, the moment capacity of UHPSFRC-filled square steel tubular columns decreased slightly at first and then decreased significantly, and the ductility decreased obviously, which accelerated the degradation of stiffness and strength.
- The finite element model established with the UHPFSRC constitutive model considering external steel tubular constraint can simulate the hysteresis behavior of UHPSFRC-filled square steel tubular columns well, and the skeleton curve was in good agreement with the experimental results.
- When the width-to-thickness ratio (the thickness of steel tubular) and axial compression ratio were within a reasonable range, the UHPSFRC-filled square steel tubular column had good energy dissipation capacity and plastic deformation capacity, and it shows good ductility under earthquake action, which can better meet the seismic design requirements of seismic fortification areas versus RC columns.
- UHPSFRC-filled steel tubular columns exhibit good energy dissipation capability and ductility under earthquake. In the future, new materials can be developed in composite columns, which expected to be researched to determine optimal size for practical engineering applications. In addition, the finite element models can provide a reference and recommendation for subsequent research, but they also need to be developed on method to simulate local flexion and bugling. The proposed theoretical calculation model can well predict the flexural capacity of UHPSFRC-filled square steel tubular columns, but the calculation formulas of yield bending moment and initial stiffness need further research.
Author Contributions
Funding
Acknowledgments
Conflicts of Interest
References
- Huang, H.; Gao, X.; Li, L.; Wang, H. Improvement effect of steel fiber orientation control on mechanical performance of UHPC. Constr. Build. Mater. 2018, 188, 709–721. [Google Scholar] [CrossRef]
- Wu, Z.; Shi, C.; He, W.; Wang, D. Static and dynamic compressive properties of ultra-high performance concrete (UHPC) with hybrid steel fiber reinforcements. Cem. Concr. Compos. 2017, 79, 148–157. [Google Scholar] [CrossRef] [Green Version]
- Tian, H.; Zhou, Z.; Wei, Y.; Wang, Y.; Lu, J. Experimental investigation on axial compressive behavior of ultra-high performance concrete (UHPC) filled glass FRP tubes. Constr. Build. Mater. 2019, 225, 678–691. [Google Scholar] [CrossRef]
- Sun, L.; Hao, Q.; Zhao, J.; Wu, D.; Yang, F. Stress strain behavior of hybrid steel-PVA fiber reinforced cementitious composites under uniaxial compression. Constr. Build. Mater. 2018, 188, 349–360. [Google Scholar] [CrossRef]
- Zhang, J.; Li, X.; Cao, W.; Yu, C. Cyclic behavior of steel tube-reinforced high-strength concrete composite columns with high-strength steel bars. Eng. Struct. 2019, 189, 565–579. [Google Scholar] [CrossRef]
- Hu, H.-S.; Chen, Z.-X.; Wang, H.-Z.; Guo, Z.-X. Seismic behavior of square spiral-confined high-strength concrete-filled steel tube columns under high axial load ratio. Eng. Struct. 2022, 252, 113600. [Google Scholar] [CrossRef]
- Yan, X.-F.; Hassanein, M.F.; Wang, F.; He, M.-N. Behavior and design of high-strength concrete-filled rectangular ferritic stainless steel tubular (CFFSST) short columns subjected to axial compression. Eng. Struct. 2021, 242, 112611. [Google Scholar] [CrossRef]
- Zhang, J.; Liu, Y.; Chen, Z.; Cai, R.; Li, X. Seismic behavior of high-strength concrete-filled square steel tube columns reinforced with ultrahigh-strength reinforcing bars. Structures 2021, 34, 3125–3140. [Google Scholar] [CrossRef]
- Ding, F.; Luo, L.; Wang, L.; Cheng, S.; Yu, Z. Pseudo-static tests of terminal stirrup-confined concrete-filled rectangular steel tubular columns. J. Constr. Steel Res. 2018, 144, 135–152. [Google Scholar] [CrossRef] [Green Version]
- Han, R.; Zhao, H.; Sun, Y.; Ju, N.; Zhao, S. Cyclic behavior of concrete-filled square tubular columns with stiffened plastic hinge region. J. Constr. Steel Res. 2022, 190, 107152. [Google Scholar] [CrossRef]
- Liu, L.; Yang, Y.; Guo, C. The Influence of Connectors on the Seismic Performance of Precast Assembled CFST Columns. In Proceedings of the 2021 4th International Symposium on Traffic Transportation and Civil Architecture (ISTTCA), Suzhou, China, 12–14 November 2021; pp. 622–626. [Google Scholar] [CrossRef]
- Cai, H.; Xu, L.; Chi, Y.; Yan, Y.; Yu, C.; He, C. Seismic performance of rectangular ultra-high performance concrete filled steel tube (UHPCFST) columns. Compos. Struct. 2021, 259, 113242. [Google Scholar] [CrossRef]
- Wang, J.; Sun, Q. Cyclic testing of Q690 circular high-strength concrete-filled thin-walled steel tubular columns. Adv. Struct. Eng. 2019, 22, 444–458. [Google Scholar] [CrossRef]
- Wei, J.; Zhou, J.; Huang, J.; Yuan, H.; Huang, Q. Experimental study on the cyclic behavior of ultra high performance concrete–filled steel tube beam-columns. Adv. Struct. Eng. 2020, 23, 969–978. [Google Scholar] [CrossRef]
- Fang, Y.; Wang, Y.; Elchalakani, M.; Yang, H. Experimental investigation on concrete-filled corrugated steel tubular column under constant axial load and cyclic load. Eng. Struct. 2021, 248, 113245. [Google Scholar] [CrossRef]
- Feng, P.; Cheng, S.; Yu, T. Seismic Performance of Hybrid Columns of Concrete-Filled Square Steel Tube with FRP-Confined Concrete Core. J. Compos. Constr. 2018, 22, 04018015. [Google Scholar] [CrossRef]
- Du, Y.; Chen, Z.; Richard Liew, J.Y.; Xiong, M.-X. Rectangular concrete-filled steel tubular beam-columns using high-strength steel: Experiments and design. J. Constr. Steel Res. 2017, 131, 1–18. [Google Scholar] [CrossRef]
- Cao, S.; Wu, C.; Wang, W. Behavior of FRP confined UHPFRC-filled steel tube columns under axial compressive loading. J. Build. Eng. 2020, 32, 101511. [Google Scholar] [CrossRef]
- Xu, L.; Lu, Q.; Chi, Y.; Yang, Y.; Yu, M.; Yan, Y. Axial compressive performance of UHPC filled steel tube stub columns containing steel-polypropylene hybrid fiber. Constr. Build. Mater. 2019, 204, 754–767. [Google Scholar] [CrossRef]
- Chen, S.; Zhang, R.; Jia, L.-J.; Wang, J.-Y.; Gu, P. Structural behavior of UHPC filled steel tube columns under axial loading. Thin-Walled Struct. 2018, 130, 550–563. [Google Scholar] [CrossRef]
- Wang, Y.-H.; Tang, Q.; Su, M.-N.; Tan, J.-K.; Wang, W.-Y.; Lan, Y.-S.; Luo, W.; Zhou, Y. Post-earthquake fire performance of square concrete-filled steel tube columns. Thin-Walled Struct. 2020, 154, 106873. [Google Scholar] [CrossRef]
- Li, Y.; Shao, Y.; Wang, X. Finite element analysis of bearing performance of concrete-filled steel tube composite frame under thermal and mechanical coupling. In Proceedings of the 2021 2nd International Conference on Urban Engineering and Management Science (ICUEMS), Sanya, China, 29–31 January 2021; pp. 206–209. [Google Scholar] [CrossRef]
- Yan, J.-B.; Luo, Y.-L.; Liang, C.; Lin, X.; Luo, Y.-B.; Zhang, L. Compression behaviours of concrete-filled Q690 high-strength steel tubular columns at low temperatures. J. Constr. Steel Res. 2021, 187, 106983. [Google Scholar] [CrossRef]
- Jin, L.; Fan, L.; Li, D.; Du, X. Size effect of square concrete-filled steel tubular columns subjected to lateral shear and axial compression: Modelling and formulation. Thin-Walled Struct. 2020, 157, 107158. [Google Scholar] [CrossRef]
- Vinoth, S.; Nandhini, S.; Pavithra, K. Relative study on concrete filled square and circular steel tubular columns—Using ANSYS for mathematical analysis. Mater. Today Proc. 2021, 47, 6060–6066. [Google Scholar] [CrossRef]
- Xu, J.-J.; Chen, Z.-P.; Xue, J.-Y.; Chen, Y.; Zhang, J.-T. Simulation of seismic behavior of square recycled aggregate concrete-filled steel tubular columns. Constr. Build. Mater. 2017, 149, 553–566. [Google Scholar] [CrossRef]
- Xu, S.; Wu, P.; Liu, Z.; Wu, C. Calibration of CSCM model for numerical modeling of UHPCFTWST columns against monotonic lateral loading. Eng. Struct. 2021, 240, 112396. [Google Scholar] [CrossRef]
- Bogahawaththa, P.B.M.R.; Madhuranga, K.P.; Baskaran, K.; Hidallana-Gamage, H.D. Study on concrete filled steel circular and square tubes. In Proceedings of the 2020 Moratuwa Engineering Research Conference (MERCon), Moratuwa, Sri Lanka, 28–30 July 2020; pp. 42–47. [Google Scholar] [CrossRef]
- Shallal, M.A. Flexural behavior of concrete-filled steel tubular beam. In Proceedings of the 2018 International Conference on Advance of Sustainable Engineering and its Application (ICASEA), Wasit, Iraq, 14–15 March 2018; pp. 153–158. [Google Scholar]
- Yang, H.; Chen, D.; Qiao, Q.; Li, J. Numerical study on seismic performance of concrete filled steel tube column base with high strength reinforcing bars. In Proceedings of the 2021 7th International Conference on Hydraulic and Civil Engineering & Smart Water Conservancy and Intelligent Disaster Reduction Forum (ICHCE & SWIDR), Nanjing, China, 6–8 November 2021; pp. 996–1000. [Google Scholar] [CrossRef]
- GB50936-2014; Technical Code for Concrete Filled Steel Tubular Structures. China Architecture & Building Press: Beijing, China, 2014. (In Chinese)
- CECS 159:2004; Technical Specification for Structures with Concrete-Filled Rectangular Steel Tube Members. China Planning Press: Beijing, China, 2004. (In Chinese)
- CECS28:90; Specification for Design and Construction of Concrete-Filled Steel Tubular Structures. China Planning Press: Beijing, China, 1991. (In Chinese)
- Isa, M.N.; Pilakoutas, K.; Guadagnini, M.; Angelakopoulos, H. Mechanical performance of affordable and eco-efficient ultra-high performance concrete (UHPC) containing recycled tyre steel fibres. Constr. Build. Mater. 2020, 255, 119272. [Google Scholar] [CrossRef]
- Wang, R.; Gao, X.; Zhang, J.; Han, G. Spatial distribution of steel fibers and air bubbles in UHPC cylinder determined by X-ray CT method. Constr. Build. Mater. 2018, 160, 39–47. [Google Scholar] [CrossRef]
- Shabani, A.; Kioumarsi, M. A novel macroelement for seismic analysis of unreinforced masonry buildings based on MVLEM in OpenSees. J. Build. Eng. 2022, 49, 104019. [Google Scholar] [CrossRef]
- Theint, P.S.; Ruangrassamee, A.; Hussain, Q. Strengthening of shear-critical RC columns by high-strength steel-rod collars. Eng. J. 2020, 24, 107–128. [Google Scholar] [CrossRef]
- Fan, L.; Meng, W.; Teng, L.; Khayat, K.H. Effects of lightweight sand and steel fiber contents on the corrosion performance of steel rebar embedded in UHPC. Constr. Build. Mater. 2020, 238, 117709. [Google Scholar] [CrossRef]
- Coutinho, C.P.; Baptista, A.J.; Rodrigues, J.D. Reduced scale models based on similitude theory: A review up to 2015. Eng. Struct. 2016, 119, 81–94. [Google Scholar] [CrossRef]
- Wang, F.; Zhong, T.Y.; Liu, H.F.; Yang, F.L.; Li, Q.H. Research and numerical simulation of nonlinear beam-column elements in fiber models. China Acad. J. Electron. Publ. House 2015, 32, 240–246. (In Chinese) [Google Scholar]
- Neuenhofer, A.; Filippou, F.C. Geometrically Nonlinear Flexibility-Based Frame Finite Element. J. Struct. Eng. 1998, 124, 704–711. [Google Scholar] [CrossRef]
- Li, L.; Zheng, S.S. Modeling of the CFT Column under Cyclic Load Based on OpenSEES. Adv. Mater. Res. 2011, 368–373, 761–764. [Google Scholar] [CrossRef]
- Susantha, K.A.S.; Ge, H.; Usami, T. Uniaxial stress–strain relationship of concrete confined by various shaped steel tubes. Eng. Struct. 2001, 23, 1331–1347. [Google Scholar] [CrossRef]
- Wei, Y.; Jiang, C.; Wu, Y.-F. Confinement effectiveness of circular concrete-filled steel tubular columns under axial compression. J. Constr. Steel Res. 2019, 158, 15–27. [Google Scholar] [CrossRef]
- Kang, L.; Leon, R.T.; Lu, X. A general analytical model for steel beam-to-CFT column connections in OpenSEES. J. Constr. Steel Res. 2014, 100, 82–96. [Google Scholar] [CrossRef]
- Han, L.H. Concrete-Filled Steel Tube Structure—Theory and Practice (Ⅲ); Science Press: Beijing, China, 2016. (In Chinese) [Google Scholar]





















| Specimen | fy (MPa) | fu (MPa) | Es (GPa) | T (mm) | ts (mm) | A (%) | ξ | n | N (kN) |
|---|---|---|---|---|---|---|---|---|---|
| S1 | 393.4 | 549.5 | 206 | 6 | 6.04 | 23.5 | 0.71 | 0.266 | 633.6 |
| S2 | 389.8 | 539.1 | 206 | 4 | 4.21 | 14.8 | 0.47 | 0.266 | 571.5 |
| S3 | 391.1 | 546.7 | 206 | 8 | 8.14 | 33.1 | 1.01 | 0.266 | 698 |
| S4 | 393.4 | 549.5 | 206 | 6 | 6.04 | 23.5 | 0.71 | 0.133 | 316.8 |
| S5 | 393.4 | 549.5 | 206 | 6 | 6.04 | 23.5 | 0.71 | 0.399 | 950.5 |
| Test Specimen | Load Direction | Δy (mm) | My (kNm) | Δm (mm) | Mm (kNm) | Δu (mm) | Mu (kNm) | K0 (kN/mm) | μΔ (%) |
|---|---|---|---|---|---|---|---|---|---|
| S1 | + | 23.3 | 56.1 | 30.1 | 63.5 | 42.6 | 54 | 4.39 | 4.11 |
| − | 21.1 | 62.6 | 30.7 | 67.2 | 39.6 | 57.1 | 4.22 | ||
| S2 | + | 21.3 | 43.4 | 32.1 | 48.9 | 41.3 | 39.9 | 3.8 | 4.05 |
| − | 22.9 | 44.4 | 29.7 | 49 | 39.6 | 41.7 | 3.42 | ||
| S3 | + | 18.6 | 64.6 | 30.9 | 74.4 | 48.6 | 63.3 | 7.26 | 4.91 |
| − | 18.5 | 66 | 30.4 | 76.3 | 49.6 | 64.8 | 6.93 | ||
| S4 | + | 23.1 | 59.8 | 40.2 | 68.2 | 56.5 | 58.7 | 4.59 | 5.83 |
| − | 24.9 | 62.2 | 40.1 | 72.2 | 60.0 * | 63.6 * | 4.57 | ||
| S5 | + | 17.2 | 50.4 | 20.2 | 56.9 | 35.6 | 48.4 | 5.86 | 3.44 |
| − | 19.4 | 52.1 | 20.9 | 53.7 | 33.1 | 45.6 | 3.76 |
| UHPC | Q355B | ||||||||||
|---|---|---|---|---|---|---|---|---|---|---|---|
| t | fc | fcc | εcc0 | fcu | εccu | λ | ft | Ets | fy | E0 | b |
| (mm) | (MPa) | (MPa) | (MPa) | (MPa) | (MPa) | (MPa) | (GPa) | ||||
| 4 | 131.2 | 229.1 | 0.0173 | 114.6 | 0.0181 | 0.1 | 4.7 | 1196.8 | 389.8 | 206 | 0.01 |
| 6 | 131.2 | 284.2 | 0.0250 | 142.1 | 0.0258 | 0.1 | 5.2 | 1333.0 | 393.4 | 206 | 0.01 |
| 8 | 131.2 | 340.8 | 0.0329 | 170.4 | 0.0337 | 0.1 | 5.7 | 1459.8 | 391.1 | 206 | 0.01 |
| Test Specimen | Load Direction | My (kNm) | MyT (kNm) | MyT/My | Mm (kNm) | MmT (kNm) | MmT/Mm | K0 (kN/mm) | K0T (kN/mm) | K0T/K0 |
|---|---|---|---|---|---|---|---|---|---|---|
| S1 | + | 56.1 | 36.7 | 0.65 | 63.5 | 61.2 | 0.96 | 4.39 | 3.98 | 0.91 |
| − | 62.6 | 36.7 | 0.59 | 67.2 | 61.2 | 0.91 | 4.22 | 3.98 | 0.94 | |
| S2 | + | 43.4 | 29.8 | 0.69 | 48.9 | 49.7 | 1.02 | 3.90 | 2.99 | 0.79 |
| − | 44.4 | 29.8 | 0.67 | 49.0 | 49.7 | 1.01 | 3.42 | 2.99 | 0.87 | |
| S3 | + | 64.6 | 43.4 | 0.67 | 74.4 | 72.3 | 0.97 | 7.26 | 4.99 | 0.69 |
| − | 66.0 | 43.4 | 0.66 | 76.3 | 72.3 | 0.95 | 6.93 | 4.99 | 0.72 | |
| S4 | + | 59.8 | 35.9 | 0.60 | 68.2 | 59.9 | 0.88 | 4.59 | 3.98 | 0.87 |
| − | 62.2 | 35.9 | 0.58 | 72.2 | 59.9 | 0.83 | 4.57 | 3.98 | 0.87 | |
| S5 | + | 50.4 | 34.4 | 0.68 | 56.9 | 57.4 | 1.01 | 5.86 | 3.98 | 0.68 |
| − | 52.1 | 34.4 | 0.66 | 53.9 | 57.4 | 1.06 | 3.76 | 3.98 | 1.06 | |
| Mean | 0.65 | 0.96 | 0.84 | |||||||
| Cov | 0.04 | 0.07 | 0.12 |
Publisher’s Note: MDPI stays neutral with regard to jurisdictional claims in published maps and institutional affiliations. |
© 2022 by the authors. Licensee MDPI, Basel, Switzerland. This article is an open access article distributed under the terms and conditions of the Creative Commons Attribution (CC BY) license (https://creativecommons.org/licenses/by/4.0/).
Share and Cite
Luo, Y.; Zhao, Y.; Chen, Y.; Lin, X.; Yan, J. Experimental Studies on Seismic Performance of UHPSFRC-Filled Square Steel Tubular Columns. Buildings 2022, 12, 798. https://doi.org/10.3390/buildings12060798
Luo Y, Zhao Y, Chen Y, Lin X, Yan J. Experimental Studies on Seismic Performance of UHPSFRC-Filled Square Steel Tubular Columns. Buildings. 2022; 12(6):798. https://doi.org/10.3390/buildings12060798
Chicago/Turabian StyleLuo, Yunbiao, Yucai Zhao, Yuebo Chen, Xuchuan Lin, and Jiabao Yan. 2022. "Experimental Studies on Seismic Performance of UHPSFRC-Filled Square Steel Tubular Columns" Buildings 12, no. 6: 798. https://doi.org/10.3390/buildings12060798
APA StyleLuo, Y., Zhao, Y., Chen, Y., Lin, X., & Yan, J. (2022). Experimental Studies on Seismic Performance of UHPSFRC-Filled Square Steel Tubular Columns. Buildings, 12(6), 798. https://doi.org/10.3390/buildings12060798
