Optimization of Ground Source Heat Pump System Based on TRNSYS in Hot Summer and Cold Winter Region
Abstract
1. Introduction
2. Building and Load Calculation Model
2.1. Architectural Overview
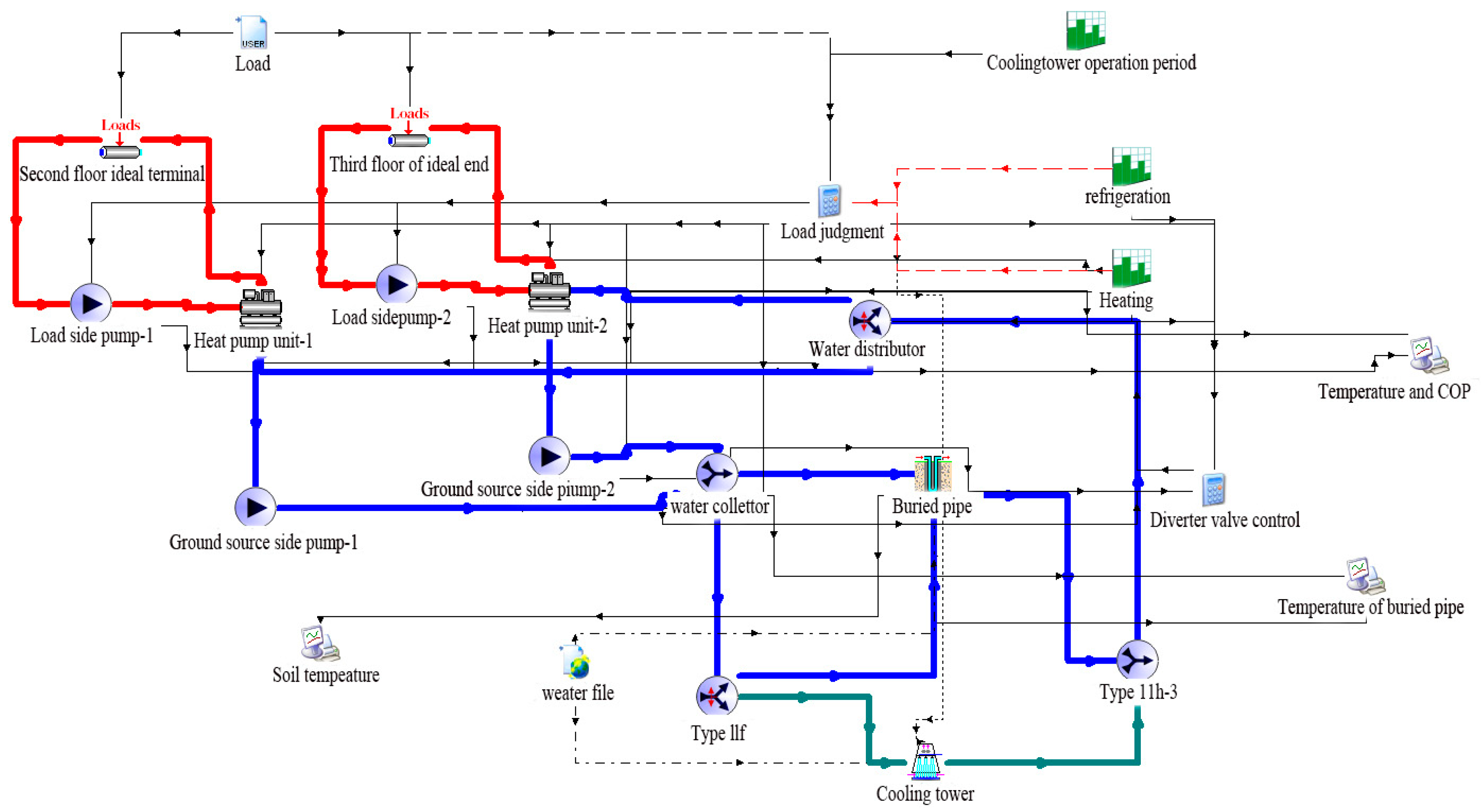
2.2. System Simulation Module
2.3. Building Load Simulation
2.3.1. Analysis of Building Meteorological Parameters
2.3.2. Project Overview
- Thermal parameters of envelope structure
- 2.
- Interior design parameters
- 3.
- Building heating and cooling time
2.3.3. Load Simulation
3. Research on Prospective Prediction Model of Ground Source Heat Pump System
3.1. Build a Ground Source Heat Pump System Model
3.2. Model Verification
3.3. Long-Term Performance Analysis of Ground Source Heat Pump System
3.3.1. The Simulation Model Was Run Continuously for 1 Year for Performance Analysis
3.3.2. The Simulation Model Was Run Continuously for 10 Years for Performance Analysis
4. Analysis of Cooling Tower Auxiliary Ground Source Heat Pump System and Control Strategy
4.1. Cooling Tower Module Settings
4.2. Establishment of the Cooling Tower Auxiliary Ground Source Heat Pump System Model
4.3. Optimization Analysis of Cooling Tower Auxiliary Ground Source Heat Pump System
4.3.1. Control Strategy Analysis
4.3.2. Simulation Results
4.4. Comparison of GCHP and HGSHP Systems
5. Conclusions
Author Contributions
Funding
Data Availability Statement
Conflicts of Interest
References
- Yuan, J.; Kang, J.; Yu, C.; Hu, Z. Energy conservation and emissions reduction in China—Progress and prospective. Renew. Sust. Energ. Rev. 2011, 15, 4334–4347. [Google Scholar] [CrossRef]
- Zhang, G. Energy conservation, emission reduction and environmental protection under the new circumstances. Creat. Living 2022, 11, 151–153. [Google Scholar]
- Yang, W. Discussion on energy conservation, emission reduction and environmental protection under the new situation. Resour. Econ. Environ. Prot. 2022, 9–12. [Google Scholar]
- Neamţu, O.M.; Roşca, M.G.; Bendea, C.C. Monitoring and data acquisition system for a geothermal heat pump. In Proceedings of the 2014 International Symposium on Fundamentals of Electrical Engineering (ISFEE), Bucharest, Romania, 28–29 November 2014; IEEE: Piscataway, NJ, USA, 2014. [Google Scholar]
- Jin, G.; Chen, Z.; Guo, S.; Hao, N. Feasibility study of solar energy-ground source heat pump system heating in Inner Mongolia region. Acta Energiae Solaris Sin. 2021, 42, 334–341. [Google Scholar]
- Hu, J. Analysis of Heat Balance in Ground Source Heat Pump System and Its Application in Large Scale Public Buildings. Chin. J. Refrig. Technol. 2015, 35, 63–67. [Google Scholar]
- Ma, L.; Ren, T.; Zhen, X.; Zhang, J. Experimental Analysis of effect of inlet and outlet water temperature on performance of heat pump unit with large temperature difference bathing wastewater source. J. Civ. Environ. Eng. 2019, 41, 170–178. [Google Scholar]
- Liu, Z.; Li, Y.; Xu, W.; Yin, H.; Gao, J.; Jin, G.; Lun, L.; Jin, G. Performance and feasibility study of hybrid ground source heat pump system assisted with cooling tower for one office building based on one Shanghai case. Energy 2019, 173, 28–37. [Google Scholar] [CrossRef]
- Qiu, G.; Li, K.; Cai, W.; Yu, S. Optimization of an integrated system including a photovoltaic/thermal system and a ground source heat pump system for building energy supply in cold areas. Appl. Energy 2023, 349, 121698. [Google Scholar] [CrossRef]
- Cui, W.; Zhou, S.; Liu, X. Optimization of Design and Operation Parameters for Hybrid Ground-Source Heat Pump Assisted with Coo. Energy Build. 2015, 99, 253–262. [Google Scholar] [CrossRef]
- Xie, Y.; Hu, P.; Peng, D.; Zhu, N.; Lei, F. Development of a group control strategy based on multi-step load forecasting and its application in hybrid ground source heat pump. Energy 2023, 273, 127196. [Google Scholar] [CrossRef]
- Yang, J.; Xu, L.; Hu, P.; Zhu, N.; Chen, X. Study on Intermittent Operation Strategies of a Hybrid Ground-Source Heat Pump System with Double-Co. Energy Build. 2014, 76, 506–512. [Google Scholar] [CrossRef]
- Deng, F.; Li, W.; Pei, P.; Wang, L.; Ren, Y. Study on design and calculation method of borehole heat exchangers based on seasonal patterns of groundwater. Renew. Energy 2024, 220, 119711. [Google Scholar] [CrossRef]
- Chen, D. Research on Operational Characteristics of Hybrid Ground Source Heat pump with the Auxiliary Cooling Tower. Ph.D. Thesis, Yangzhou University, Yangzhou, China, 2016. [Google Scholar]
- Fan, Q.; Yuan, L.; Zhao, C.; Tian, R. Study on optimization and time effect of ground-source heat pump system in Nanjing. Hydrogeol. Eng. Geol. 2024, 51, 233–242. [Google Scholar]
- Wang, C. Ground Source Heat Pump Based on TRNSYS in a Building in Beijing Study on System Operation Optimization. Ph.D. Thesis, Hebei University of Architecture, Zhangjiakou, China, 2022. [Google Scholar]
- Seung-Hoon, P.; Eui-Jong, K. Achieving a mitigation of ground thermal imbalance and size-reduction of borehole heat exchangers by connecting a hybrid heat source in series. Appl. Therm. Eng. 2024, 243, 122593. [Google Scholar]
- Chen, L.; Zhang, X.; Zhang, Y. Performance analysis of a ground source heat pump system integrated with a cooling tower. Energy Build. 2020, 212, 109749. [Google Scholar]
- Michael, W. GenOpt(R), Generic Optimization Program, User Manual, Version 2.0.0; Lawrence Berkeley National Laboratory: Berkeley, CA, USA, 2003.
- Xiang, Y. Research on the Performance of Heat Transfer and Heat Pump System of Heat Source Tower. Ph.D. Thesis, Chongqing University, Chongqing, China, 2021. [Google Scholar]
- Yang, S. Simulation Study of Variable Flow System of Ground Source Heat Pump Based on TRNSYS Buried Pipe. Ph.D. Thesis, Shandong Jianzhu University, Jinan, China, 2016. [Google Scholar]
- Hellström, G. Ground heat storage: Thermal Analyses of Duct Storage Systems. Master’s Thesis, Lund University, Lund, Sweden, 1991. [Google Scholar]
- Huang, X. Simulation and Optimization of Ground Source Heat Pump System Based on TRNSYS. Ph.D. Thesis, Suzhou University of Science and Technology, Suzhou, China, 2019. [Google Scholar]
- Thornton, J.W.; McDowell, T.P.; Shonder, J.; Hughes, P.; Pahud, D.; Hellström, G. Residential vertical geothermal heat pump system models calibration to data. ASHRAE Trans. 1997, 103, 660–674. [Google Scholar]
- Tang, P. Study on Optimization of Construction Scheme for High-Rising Building Based on New Engineering Concept. Ph.D. Thesis, Central South University, Changsha, China, 2013. [Google Scholar]
- Baker, R.C. Cooling Tower Performance: Design Calculations and Parameters. ASHRAE J. 2015, 57, 34–42. [Google Scholar]



























| Module Name | Module Number | Module Description |
|---|---|---|
| Multi-area building | Type56 | Call the “bui” building model file edited by TRNBuild |
| Burthen | Type682 | Building load treatment |
| Heat pump | Type225 | Water–water modular heat pump unit |
| Buried pipe heat exchanger | Type557a | U-type buried pipe, vertical buried pipe heat exchanger |
| Fixed frequency pump | Type114 | Circulating water pump, frequency conversion operation |
| Weather data read | Type15-2 | Read the weather data file in the standard format |
| Free-format data reads | Type9e | Data at the beginning of the first behavior simulation, used to read the load data files |
| Control signal | Type14 | Heat pump unit cooling and heating working condition time setting |
| Current diverter | Type11f | Fluid shunt device |
| Commingler | Type11h | Fluid mixing device |
| geotemperature | Type77 | Surface temperature output |
| Data output | Type65a | Graphic output module with output files |
| calculator | Unit | Customstom formula for output |
| Type of Enclosure Structure | Thickness/m | Heat Transfer Coefficient/w (m−2·k) |
|---|---|---|
| Interior wall | 0.12 | 1.88 |
| Exterior wall | 0.300 | 1.96 |
| Floor slab | 0.325 | 1.46 |
| Floor board | 0.365 | 0.589 |
| Rooftop | 0.285 | 0.7 |
Disclaimer/Publisher’s Note: The statements, opinions and data contained in all publications are solely those of the individual author(s) and contributor(s) and not of MDPI and/or the editor(s). MDPI and/or the editor(s) disclaim responsibility for any injury to people or property resulting from any ideas, methods, instructions or products referred to in the content. |
© 2024 by the authors. Licensee MDPI, Basel, Switzerland. This article is an open access article distributed under the terms and conditions of the Creative Commons Attribution (CC BY) license (https://creativecommons.org/licenses/by/4.0/).
Share and Cite
Zhang, H.; Hao, S.; Wen, M.; Bai, X.; Liu, L.; Zhang, P. Optimization of Ground Source Heat Pump System Based on TRNSYS in Hot Summer and Cold Winter Region. Buildings 2024, 14, 2764. https://doi.org/10.3390/buildings14092764
Zhang H, Hao S, Wen M, Bai X, Liu L, Zhang P. Optimization of Ground Source Heat Pump System Based on TRNSYS in Hot Summer and Cold Winter Region. Buildings. 2024; 14(9):2764. https://doi.org/10.3390/buildings14092764
Chicago/Turabian StyleZhang, Hua, Shuren Hao, Mingxing Wen, Ximin Bai, Lihong Liu, and Pengqiong Zhang. 2024. "Optimization of Ground Source Heat Pump System Based on TRNSYS in Hot Summer and Cold Winter Region" Buildings 14, no. 9: 2764. https://doi.org/10.3390/buildings14092764
APA StyleZhang, H., Hao, S., Wen, M., Bai, X., Liu, L., & Zhang, P. (2024). Optimization of Ground Source Heat Pump System Based on TRNSYS in Hot Summer and Cold Winter Region. Buildings, 14(9), 2764. https://doi.org/10.3390/buildings14092764
