Abstract
Pulse Train (PT) control is a nonlinear voltage regulation method with favorable characteristics of quick response time and simple structure. In this paper, a PT-based feedback control strategy is proposed for stabilizing the output voltage of two-stage wireless power transfer (WPT) systems. Low-frequency voltage oscillations can be observed in PT controlled front-stage power converters, which significantly degrades the output power quality of the WPT system. To solve this problem, by using feedback variables sampled from both output sides of a power converter and WPT, a capacitor current and output voltage feedback PT (CC&OV-PT) controlled two-stage WPT system is further devised in this paper. A discrete time model of the two-stage WPT system is established, and the performance of low-frequency voltage oscillations suppression for the double-side feedback CC&OV-PT controlled WPT system is analyzed. Simulation and experimental verification have been conducted, both of which show that the CC&OV-PT controlled WPT system achieves fast response with effective low-frequency oscillation suppression.
1. Introduction
Wireless power transfer systems can deliver electric power from the power supply side to the load side without requiring any physical connections [1]. Possessing the advantages of contactless operation, safety, low maintenance and environment friendliness [2], WPT systems have been widely used in many applications, such as transportation, medical electronics, consumer electronics, and aerospace [3,4,5,6].
With the high nonlinearity [7], WPT systems are highly sensitive to many disturbances, such as input voltage fluctuation, coil misalignment and load variations [8,9]. Therefore, many control strategies have been proposed to improve the output voltage quality. The PWM control strategy is one of the most commonly used control strategies in WPT systems. In [10], a control scheme without the secondary side measurement is proposed. It only uses the current and voltage measurements of the primary side to estimate mutual inductance and load in real time. The PWM driving pulse is adjusted according to the changes in mutual inductance and load to stabilize the output voltage. Authors in [11] proposed a multi-transmitter and multi-receiver (MTMR) WPT PWM-based control strategy that can balance current distribution and achieve high efficiency and stable output voltage. In [12], a novel control strategy combining one cycle control and proportional differential control (OCC-PD) is proposed to ensure the swiftness of the transient response of the WPT system. The approximated boundary of the start-up transient time of the WPT stage is solved analytically by dividing the resonant circuit into three equivalent parts and analyzing their transfer functions, respectively. Authors in [13] proposed a new duty cycle control (DCC) strategy for a dual-side LCC resonant converter with a semi-bridgeless active rectifier (SAR). With such a control strategy, the gate signals of the primary- and secondary-side circuits do not need to be synchronized, which could reduce the complexity and the cost of the WPT system. A novel system topology for WPT of fuel cell (FC) energy is introduced in [14]. The pre-regulating WPT system is developed with a quadratic boost converter (QBC) located on the transmitting side is applied between the FC unit and the inverter to increase the output voltage of the FC to a higher voltage level, which is sufficient for WPT transmission. However, the transient response speed of many WPT control strategies needs to be improved in order to meet the operational requirements in applications, such as mining and medical power supply [15,16]. Concerning the well-established PWM-based methods, the advantage of the PT control method is its rapid-transient response speed and simple implementation [17]. The major characteristic of the PT control is that the error amplifiers and corresponding compensation circuits are not required, ensuring a relatively high response speed when the load varies [18].
Due to simple implementation, PT control methods have been applied in DC/DC power converters [19,20,21,22]. However, when the PT controlled DC/DC converters are operated in continuous conduction mode (CCM) [23,24], low-frequency voltage oscillations at the output side can be observed due to the phase difference between the control and the response. The tradeoff between improving response speed and increasing system stability is a challenge for PT control. Hence, many research efforts have been made on suppressing the low-frequency oscillations of PT controlled power converters. Authors in [25] proposed a PT control strategy with inductor current ripple injection feedback (ICRIF) to avoid such oscillations. The valley current-based PT (VCM-PT) control is proposed in [26] to ensure that the variation of inductor current in each switching cycle is equal to zero, and low-frequency oscillations can be eliminated. However, due to the use of preset valley current, the allowable output power range of the converter is limited. It has been proven in [27] that low-frequency oscillations can be suppressed by the PCC-PT control technique, which uses the peak capacitor current as feedback. Moreover, the PCC-PT controlled buck converter features a simple design, fast transient response, small output voltage ripple, and a wide load range. Different from single stage DC/DC converters, when the traditional PT control method is introduced into the two-stage WPT system, the low-frequency oscillations at the output voltage can be further amplified due to the asynchronization of oscillations between the input voltage and the output voltage, leading to an unstable output voltage.
In this paper, a double-side feedback control strategy for regulating the output voltage of two-stage WPT systems based on capacitor current and output voltage feedback is proposed. Compared to the conventional PT control strategy, the two feedback state variables in the proposed method are sampled from the output sides of the front-stage power converter and back-stage WPT. Hence, different from all reported PT control strategies, the proposed CC&OV-PT control strategy can compensate for the phase difference between control and response and eliminate most low-frequency oscillations by combining the filter capacitor current of the front-stage buck converter together with the output voltage of the WPT system as feedback variables for regulating the output voltage. This control strategy is then tested, which displays higher robustness and faster response compared with existing methods; this can provide a new reference for designing voltage regulators for WPT systems. It is also more suitable for some scenarios requiring high stability and response speed, such as the wireless charging of implanted medical devices, underwater and mining wireless power supply.
The rest of the paper proceeds as follows. The structure diagram of the two-stage WPT system and the analysis of low-frequency oscillations are presented in Section 2. Section 3 illustrates the control principle of the proposed double-side CC&OV-PT control. The dynamic model of the two-stage WPT system is established in Section 4. Section 5 simulates the PWM control, the traditional PT control and the proposed CC&OV-PT control methods, respectively. The output load variation and input voltage variation are studied, and the circuit parameter design is presented. In Section 6, experimental results are presented to verify that the proposed double-side CC&OV-PT method has the best control performance.
2. CC&OV-PT Controlled Two-Stage WPT System
2.1. Equivalent Model of the WPT System
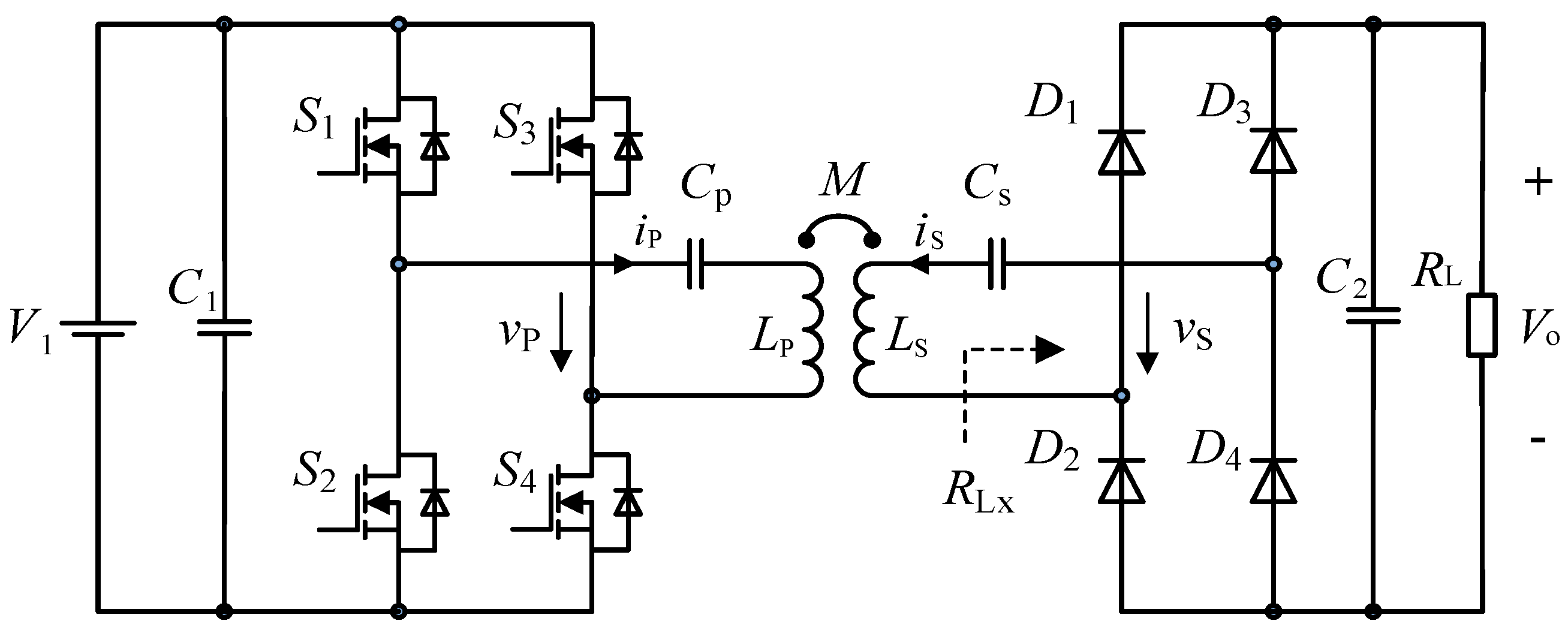
Regarding WPT systems, the Serial-serial (SS) topology is widely used since it can achieve constant current output. The SS topology of a magnetically coupled resonance WPT system is shown in Figure 1.
Figure 1.
Schemes follow the same formatting.
DC voltage V1 is converted into a high-frequency AC voltage vP with frequency f1 through a full-bridge inverter, and electric energy is wirelessly transferred to the secondary side through a resonance device composed of a capacitor and an inductor. AC voltage vs is induced with frequency f1 on the secondary side, which is then converted into a DC voltage by the full-bridge rectifier to energize load RL.
Generally, high-order harmonic components of square wave voltage vP can be attenuated to zero after passing through the resonant network. The fundamental voltage of vP here is defined as , which can be expressed by:
By defining RLx as the equivalent load resistance and referring to [28], RLx can be equivalently written by:
For calculation convenience, the equivalent circuit model can be constructed by using controlled sources for the WPT system, as shown in Figure 2.
Figure 2.
The equivalent circuit for SS wireless transmission.
Define R1 as the resistance of the primary coil and R2 as the resistance of the secondary coil. With the equivalent circuit shown in Figure 2, the currents of primary and secondary sides can be obtained by:
According to energy conservation, the input power of the rectifier circuit is equal to the output power, namely,
Thus, the output voltage Vo can be calculated as
Equation (5) reveals that the output voltage is in proportion to the input voltage when the WPT system operates in a steady state. Hence, the output voltage Vo can be timely regulated by adjusting the input voltage V1. A DC/DC converter is usually employed as the first power stage to regulate the output voltage of the WPT system.
2.2. The Proposed Double-Side Feedback PT Control Strategy
2.2.1. WPT System Description
The overall topology of the proposed voltage-regulating WPT system is shown in Figure 3. The power circuit is composed of a Buck converter and a magnetic coupling resonant WPT circuit. The output voltage can be tuned by regulating the front-stage Buck converter connected to the H-bridge inverter. When the PT controller is applied to the Buck converter (Se2 is off), the controller generates a high and low power pulse P with duty cycle Dv to drive the switch S1 of the Buck converter. We have:
Figure 3.
Schematic of the proposed WPT system.
The output voltage Vo is sampled and sent to the primary side through the wireless communication module, which is then compared with reference voltage Vref. When Vo is higher than Vref, a low power pulse is generated to drive the Buck converter to reduce the output voltage; when Vo is lower than Vref, a high power pulse is produced to increase the output voltage. We have:
When the WPT system operates in a steady state, the control pulse train will be generated with constant cycles of high and low pulses.
2.2.2. Cause and Analysis of Low-Frequency Oscillations
With regards to the Buck converter, the variation of the output voltage can be presented in terms of the inductor current,
where iC and iL are the output capacitor current and inductor current of the Buck converter, respectively. Term i1 is the input current of the full-bridge inverter, and Δv1 is the voltage variation of capacitor C1 inside a switching cycle.
Assuming that the switching frequency of the Buck converter is f0, and the switching frequency of the inverter is f1, for the design convenience, the following relation is applied in this work,
Therefore, their corresponding angular frequencies and periods can be described by:
where ω0 and ω1 are the equivalent angular speed of the Buck converter and the inverter, m is an integer, and T0 and T1 are their switching periods, respectively.
Regarding the high power pulse and low power pulse, the waveforms of inductor current iL, capacitor current iC as well as the input current i1 of the inverter are shown in Figure 4.
Figure 4.
Illustrative waveforms of inductor current iL, capacitor current iC and input current i1.
The variation slope kv of the inductor current is expressed by:
Inside a switching cycle, the variation of inductor current can be calculated by:
According to the operation principle of the inverter circuit, we have:
According to Figure 4, since the calculation of the shadow area corresponding to the high power pulse and the low power pulse is the same, only the high power pulse is taken as an example. The area can be calculated by:
where X, Y and Z are expressed by,
It can be seen that Δv1 is decided by three terms, X, Y and Z. The values of X and Z are in fact constant when the system parameters are determined, and the value of Y is decided by iL(nT) and hence Δv1 is decided by iL(nT).
According to (16), with regards to high and low power pulses, we have
where XH and XL are the values of X corresponding to high power pulse and low power pulse states, respectively.
Assuming ΔvC = 0, iL(nT) can be obtained by:
Define ib1 and ib2 as the boundary currents of either high or low power pulses for driving the power switch, respectively. We have:
The inductor current curve iL(nT) can be divided into three regions, namely Regions I, II and III, as shown in Figure 5.
Figure 5.
Regions of inductor current iL.
In a switching period, the variation of the output voltage of the front-stage converter is in fact dependent on the region the inductor current iL(nT) sits in. As shown in Table 1, regardless of the selection of high or low power pulses, the inductor current could locate in any of these three regions divided by boundary currents ib1 and ib2.
Table 1.
Influence of iL(nT) on input voltage of inverter.
At the beginning of each pulse period, the output voltage is sampled and compared to the reference voltage. If vo ≤ Vref, the high power pulse PH will be selected to increase the input voltage of the inverter. Meanwhile, the inductor current of the front-stage converter can also be enlarged. However, when iL(nT) is less than ib1, i.e., located in Region III, the input voltage of the inverter will be reduced. Hence, in the following pulse period, high power pulse PH will be still selected for driving the power switch, and the inductor current will be further increased and the input voltage of the inverter u1 will keep decreasing until inductor current iL(nT) is located outside Region III.
If vo is greater than Vref at the beginning of a sampling period, the low power pulse PL will be selected and the inductor current will be reduced. However, when iL(nT) locates in Region I, the input voltage of the inverter will be increased. Hence, in the following switching cycle, the low power pulse PL will be chosen and the inductor current will keep decreasing. The input voltage of the inverter will be increased until the inductor current moves out of Region I. Therefore, the variation in the output voltage is decided not only by the sampled output voltage error but also by the inductor current, and low-frequency oscillations will appear in the input voltage of the inverter. These input low-frequency oscillations of the inverter will also lead to output voltage oscillations of the WPT system.
3. The Proposed CC&OV-PT Control
In order to suppress the low-frequency oscillations of the output voltage, a capacitor current and output voltage based pulse train, CC&OV-PT, control strategy is designed in this study. Note, that between the front-stage buck converter and the output load, there is one inverter, two contactless resonant LC circuits and one rectifier.
At the beginning of each switching cycle, the output voltage of the secondary side of the WPT system is sampled and then added to the capacitor current sampled from the output side of the front-stage power converter to obtain the feedback signal vo + αiC. If vo + αiC is less than Vref, the high power pulse PH will be selected to drive the power switch; if vo + αiC is greater than Vref, the low power pulse PL will be chosen to regulate the power switch. The output voltage, inductor current iL and feedback signals are illustrated in Figure 6.
Figure 6.
CC&OV-PT control to suppress low-frequency oscillations.
In Figure 6, without the capacitor current feedback, there is a phase difference of about π/2 between the load voltage and the inductor current in the front-stage Buck converter. By introducing the capacitor current, the phase difference between the inductor current and the feedback signal vo + αiC is much less than π/2, which is instrumental to the timely regulation of output voltage.
As listed in Table 1, when iL(nT) sits in Region II, the inverter input voltage v1 can be increased by PH and reduced by PL. The ripples of the inverter input voltage can be suppressed and hence the stability of the output voltage of the WPT system can be improved. In order to ensure that the inductor current is restricted in Region II, the control pulse must be correctly selected to adjust the inductor current. Namely, as the inductor current reaches the lower current boundary ib1, the feedback signal vo + αiC should be less than Vref, and hence PH is selected to increase the inductor current. As the inductor current reaches the upper current boundary ib2, vo + αiC is greater than Vref, and hence PL is selected to decrease the inductor current. Therefore, we have:
For the given output load voltage and current, the feedback coefficient α should be configured to satisfy the following condition:
An example of t = nT when iL(nT) > ib2 and vo(nT) < Vref is shown in Figure 6. For the traditional PT controlled Buck converter, the high power pulse PH will be selected since vo(nT) < Vref, and the inductor current will be increased to escape from Region II. When using the double-side feedback CC&OV-PT control, we have vo(nT) + αiC(nT) > Vref, hence the low power pulse PL is selected and the inductor current will be decreased. The inductor current will be dropped into region II. In this way, the inductor current can be restricted in Region II and the output voltage can be effectively regulated. Thus, the low-frequency oscillations of the output voltage are largely suppressed.
4. Dynamic Modeling of the Two-Stage WPT System
From (16), the output voltage variation Δv1 and the inductor current variation ΔiL in one switching period are derived as:
According to (23), the discrete iterative model of the front-stage Buck converter of the WPT system is obtained, namely,
where:
With regards to the output voltage of the WPT system, we have [29],
where a is the amplitude ratio of the output to input voltages, and tb is the delay time of the output voltage lagging the input voltage. The output voltage variation in a one switching cycle can be expressed as:
Therefore, the discrete iterative model of the two-stage WPT system controlled by CC&OV-PT can be expressed by:
where:
5. Simulation Verification
In order to verify the operation performance of the two-stage WPT system controlled by the proposed double-side CC&OV-PT control strategy, the numerical models show the simulation diagram is built in MATLAB Simulink using the following simulation parameter specifications shown in Table 2. Simulation results are shown in Figure 7, Figure 8, Figure 9 and Figure 10.
Table 2.
The system parameters of numerical models in Simulink environment.
Figure 7.
Waveforms of output voltage vo and inverter input voltage v1.
Figure 8.
Waveforms of v1 and vo under PWM control when the output load and input voltage changes.
Figure 9.
Waveforms of v1 and vo under the traditional PT control when the output load and input voltage changes.
Figure 10.
Waveforms of v1 and vo under the CC&OV-PT control when the output load and input voltage changes.
The output voltage, inverter input voltage and inductor current under different control methods are also measured when shown in Figure 7 in terms of PWM control, traditional PT control, and CC&OV-PT control, respectively. As shown in Figure 7, the output voltage ripples of the PWM control, traditional PT control and CC&OV-PT control are 220 mV, 2 V and 25 mV, respectively. The input voltage ripples of the inverter are 330 mV, 4.5 V and 150 mV. According to these simulation results, the double-side CC&OV-PT control method has the best suppression effect on the system output oscillations, followed by the PWM control method.
The waveforms of output voltage and inverter input voltage are shown in Figure 8, Figure 9 and Figure 10 corresponding to the PWM control, traditional PT control and the proposed double-side CC&OV-PT control, when load and power supply voltage are changed abruptly. With regards to Figure 8a,b, Figure 9a,b and Figure 10a,b, the output load of the system is altered from 10 Ω to 7 Ω, and the input voltage is changed from 20 V to 15 V at t = 0.5 s, respectively. The transient time and the peak-to-peak values of the system output voltage under different control methods are shown in Table 3. As shown in Figure 8, Figure 9 and Figure 10 and Table 3, as the operation condition is changed abruptly, the transient time of PT control is much shorter than that of the PWM control. Hence, the traditional PT control has a significant advantage in the recovery speed of the transient response. Regarding output voltage stabilization, the proposed CC&OV-PT control method can be effectively regulate the output voltage of this two-stage WPT system with a smaller oscillation amplitude than that of the PWM control and traditional PT control. Although the traditional PT control can achieve faster recovery, the low-frequency oscillations with high amplitudes greatly degrade the output voltage quality. Therefore, the traditional PT control method is not recommended to be used in this two-stage WPT system. In comparison, the proposed CC&OV-PT method has the best control performance from the simulation study.
Table 3.
The regulation time and peak-to-peak values of system output voltage under different control methods and abrupt changes in different working conditions.
6. Experimental Verification and Discussion
A prototype of the proposed CC&OV-PT controlled two-stage WPT system was designed and verified, as shown in Figure 11. The experimental system consists of a Buck converter, Inverter, coupling inductors, coupling capacitors, Rectifier, Resistor and Radio frequency (RF) module. The technical parameters are the same as those listed in Table 2. The vertical distance between the primary-side coil and the secondary-side coil is 30 cm. The experimental waveforms of the primary side voltage under the PT control and CC&OV-PT control methods are shown in Figure 12 and Figure 13, respectively. It can be seen from Figure 12 that, under the traditional PT control method, the output voltage, the inverter input voltage and the converter inductor current all have low-frequency oscillations with the frequency of about 120 Hz.
Figure 11.
Prototype of the proposed CC&OV-PT controlled two-stage WPT system.
Figure 12.
Experimental waveform under the traditional PT control.
Figure 13.
Experimental waveform under the proposed CC&OV-PT control.
In a low-frequency oscillation cycle, 108 pulses can be observed, including 33 high power pulses and 75 low power pulses, namely the pulse combination of one oscillation cycle is 33 PH-75 PL. When the WPT system operates at a steady state, the oscillation ranges of output voltage vo, inverter input voltage v1 and the inductor current iL are [8.8 V, 11.1 V], [8.3 V, 12.5 V] and [0 A, 2.1 A], respectively. These results show that the PT control method can result in unavoidable low-frequency oscillation in this two-stage WPT system.
As shown in Figure 13, when the CC&OV-PT control is applied, no low-frequency oscillation phenomena are observed in the waveforms of the output voltage vo, the inverter input voltage v1, and the converter inductor current iL. It can be seen from the waveforms of the inductor current and power pulses, only 11 power pulses are measured in an oscillation cycle, and the combination of the power pulses is 1PH-5PL-1PH-4PL. When the WPT system operates at steady state, the output voltage vo and inverter input voltage v1 are stabilized at 10 V and 7 V, respectively. Meanwhile, the variation range of inductor current iL is [1.1 A, 1.5 A]. These results show that the low-frequency oscillations have been eliminated by using the proposed CC&OV-PT control method.
The experimental waveforms corresponding to CC&OV-PT control and PWM control are presented in Figure 14a,b, respectively, when the load reduces from 10 Ω to 7 Ω. It can be seen that, for the CC&OV-PT controlled WPT system, the transient time is 5.6 ms and the overshoot of output voltage vo is 1.1 V. However, when the conventional PWM method is applied, the transient time is 100 ms, and the overshoot of output voltage vo is 1.3 V. Hence, the CC&OV-PT control is superior to the PWM control due to quicker transient response and smaller overshot of the output voltage.
Figure 14.
Experimental waveform with the load change with (a) the proposed CC&OV-PT control and (b) the conventional PWM control.
The experimental waveforms with the CC&OV-PT and PWM methods are shown in Figure 15a,b, respectively, when the input voltage changes from 20 V to 15 V. It can be seen that, with the CC&OV-PT control method, the transient time is 5 ms and the output overshoot voltage vo is 1.3 V. However, with the PWM method, the transient time is 170 ms and the output overshoot voltage vo is 1.7 V. Therefore, the proposed CC&OV-PT method can provide better performance as compared to PWM method for two stage WPT system. These experimental results are consistent with the simulation verification conducted earlier. As mentioned in Section 5, the conventional PT control is not suitable for the two-stage coupled resonant WPT system. These have shown the superiority and applicability of the proposed double-side CC&OV-PT control approach.
Figure 15.
Experimental waveform with the input voltage changes with (a) the proposed CC&OV-PT control and (b) the conventional PWM control.
7. Conclusions
In this paper, an improved double-sided CC&OV-PT control method for a two-stage coupled resonant WPT system is proposed to obtain a fast transient response and stable output voltage. Both simulation and experimental results have shown that, the proposed double-side CC&OV-PT control method has the minimum regulating voltage peak-to-peak value and regulating time as the operation condition is changed abruptly among the mentioned traditional PT control, PWM control and proposed CC&OV-PT control method in this work. It indicates that the double-side CC&OV-PT control has the best control performance in the three control methods, which can effectively suppress low-frequency oscillations and achieve fast voltage recovery against abnormalities.
Author Contributions
Conceptualization, J.L. and D.Y.; methodology, J.L.; software, J.L.; validation, J.L. and Z.H.; formal analysis, J.L.; investigation, J.L.; resources, J.L.; data curation, J.L.; writing—original draft preparation, J.L.; writing—review and editing, J.L., M.J. and D.Y.; visualization, J.L. and Z.H.; supervision, D.Y., M.J. and S.Y.; project administration, M.J.; funding acquisition, M.J. All authors have read and agreed to the published version of the manuscript.
Funding
This work was supported by the National Natural Science Foundation of China, “Research Fund for International Young Scientist (RFIS-1)”, Project: 52150410419, China University of Mining and Technology, “Science and Technology Fund for the Young Scientist”, Project: 2021QN1069, 2022 Open funding of State Key Laboratory of Electrical Insulation and Power Equipment (EIPE22211), and 2021 Jiangsu “Shuang-Chuang Doctor (Mass Innovation and Entrepreneurship) Talent Program”, Fund: JSSCBS20211187.
Institutional Review Board Statement
Not applicable.
Informed Consent Statement
Not applicable.
Data Availability Statement
Not applicable.
Conflicts of Interest
The authors declare no conflict of interest.
Nomenclature
| PT | pulse train |
| WPT | wireless power transfer |
| CC&OV-PT | capacitor current and output voltage feedback pulse train |
| PWM | pulse width modulation |
| DC | direct current |
| AC | alternating current |
| Vi | input voltage |
| Vref | reference voltage |
| f1 | switching frequency of Buck converter |
| f2 | switching frequency of Inverter |
| PH | high duty cycle of pulses |
| PL | low duty cycle of pulses |
| iC | the output capacitor current |
| iL | inductor current of the Buck converter |
| i1 | the input current of the full-bridge Inverter |
References
- Micus, S.; Padani, L.; Haupt, M.; Gresser, G.T. Textile-Based Coils for Inductive Wireless Power Transmission. Appl. Sci. 2021, 11, 4309. [Google Scholar] [CrossRef]
- Wang, C.S.; Covic, G.A.; Stielau, O.H. Investigating an LCL load resonant inverter for inductive power transfer applications. IEEE Trans. Power Electron. 2004, 19, 995–1002. [Google Scholar] [CrossRef]
- De Beelde, B.; Plets, D.; Joseph, W. Wireless Sensor Networks for Enabling Smart Production Lines in Industry 4.0. Appl. Sci. 2021, 11, 11248. [Google Scholar] [CrossRef]
- Skovierova, H.; Pavelek, M.; Okajcekova, T.; Palesova, J.; Strnadel, J.; Spanik, P.; Halašová, E.; Frivaldsky, M. The Biocompatibility of Wireless Power Charging System on Human Neural Cells. Appl. Sci. 2021, 11, 3611. [Google Scholar] [CrossRef]
- Cairó, J.I.; Bonache, J.; Paredes, F.; Martín, F. Reconfigurable System for Wireless Power Transfer (WPT) and Near Field Communications (NFC). IEEE J. Radio Freq. Identif. 2017, 1, 253–259. [Google Scholar] [CrossRef]
- Ramsaroop, N.; Olugbara, O.O. Wireless Power Transfer Using Harvested Radio Frequency Energy with Magnetic Resonance Coupling to Charge Mobile Device Batteries. Appl. Sci. 2021, 11, 7707. [Google Scholar] [CrossRef]
- Abdelatty, O.; Wang, X.; Mortazawi, A. Nonlinear Resonant Circuits for Coupling-Insensitive Wireless Power Transfer Circuits. In Proceedings of the 2018 IEEE/MTT-S International Microwave Symposiu—IMS, Philadelphia, PA, USA, 10–15 June 2018; pp. 976–979. [Google Scholar]
- Jiwariyavej, V.; Imura, T.; Hori, Y. Coupling coefficients estimation of wireless power transfer system via magnetic resonance coupling using information from either side of the system. IEEE Trans. Emerg. Sel. Top. Power Electron. 2015, 3, 191–200. [Google Scholar] [CrossRef]
- Medina-García, J.; Martín, A.D.; Cano, J.M.; Gómez-Galán, J.A.; Hermoso, A. Efficient Wireless Monitoring and Control of a Grid-Connected Photovoltaic System. Appl. Sci. 2021, 11, 2287. [Google Scholar] [CrossRef]
- Meng, X.T.; Qiu, D.; Zhang, B.; Xiao, W. Output Voltage Stabilization Control without Secondary Side Measurement for Implantable Wireless Power Transfer System. In Proceedings of the 2018 IEEE PELS Workshop On Emerging Technologies: Wireless Power Transfer (WoW), Montreal, QC, Canada, 3–7 June 2018. [Google Scholar]
- Cai, W.K.; Tang, H.; Ma, D.; Liu, X. Voltage Control and Current Distribution for Multiple-Coil Wireless Power Transfer System. In Proceedings of the 2019 IEEE Wireless Power Transfer Conference (WPTC), London, UK, 17–23 June 2019. [Google Scholar]
- Shi, W.; Deng, J.; Wang, Z.; Cheng, X. The Start-up Dynamic Analysis and One Cycle Control-PD Control Combined Strategy for Primary-Side Controlled Wireless Power Transfer System. IEEE Access 2018, 6, 14439–14450. [Google Scholar] [CrossRef]
- Li, H.; Xu, J.Z.; Gao, F.; Zhang, Y.; Yang, X.; Tang, H. Duty Cycle Control Strategy for Dual-Side LCC Resonant Converter in Wireless Power Transfer Systems. IEEE Trans. Transp. Electrif. 2022, 8, 1944–1955. [Google Scholar] [CrossRef]
- Mehmet, B.; Murat, M.S.; İnci, M. Analysis and modeling of wireless power transfervsupported by quadratic boost converter interfaced fuel cell power source. Int. J. Numer. Model. Electron. Netw. Devices Fields 2022, 35, e2997. [Google Scholar]
- Chiolerio, A.; Diazzi, L.; Funaro, D. Highly Directive Biconic Antennas Embedded in a Dielectric. Appl. Sci. 2020, 10, 8828. [Google Scholar] [CrossRef]
- Campi, T.; Cruciani, S.; Maradei, F. EMI in a Cardiac Implantable Electronic Device (CIED) by the Wireless Powering of a Left Ventricular Assist Device (LVAD). IEEE Trans. Electromagn. Compat. 2021, 63, 988–995. [Google Scholar] [CrossRef]
- Sha, J.; Xu, J.P.; Zhong, S. Control pulse combination-based analysis of pulse train controlled DCM switching dc–dc converters. IEEE Trans. Ind. Electron. 2015, 62, 246–255. [Google Scholar] [CrossRef]
- Luo, F.; Ma, D. An Integrated Switching DC–DC Converter with Dual-Mode Pulse-Train/PWM Control. IEEE Trans. Circuits Syst. II Express Briefs 2009, 56, 152–156. [Google Scholar]
- Kapat, S. Voltage-mode digital pulse train control for light load DC-DC converters with spread spectrum. In Proceedings of the IEEE Applied Power Electronics Conference and Exposition—APEC, Charlotte, NC, USA, 15–19 March 2015. [Google Scholar]
- Xu, J.; Wang, J. Bifrequency Pulse-Train Control Technique for Switching DC-DC Converters Operating in DCM. IEEE Trans. Ind. Electron. 2011, 58, 3658–3667. [Google Scholar] [CrossRef]
- Xu, J.; Qin, M. Multi-pulse train control technique for buck converter in discontinuous conduction mode. IET Power Electron. 2010, 3, 391–399. [Google Scholar] [CrossRef]
- Qin, M.; Xu, J.P.; Zhang, F. Analysis of Multilevel Pulse Train control technique for boost converter operating in discontinuous conduction mode. In Proceedings of the 2009 IEEE 6th International Power Electronics and Motion Control Conference, Wuhan, China, 17–20 May 2009. [Google Scholar]
- Ferdowsi, M.; Emadi, A. Pulse regulation control technique for integrated high-quality rectifier-regulators. IEEE Trans. Ind. Electron. 2005, 52, 116–124. [Google Scholar] [CrossRef]
- Geng, Y.; Yu, D.; Xia, Z.; Xu, R. Parallel-connected buck converterscontrolled by capacitor current feedback based PT with current-sharing ability. IET Power Electron. 2018, 11, 2481–2489. [Google Scholar] [CrossRef]
- Wang, J.; Xu, J.; Zhou, G.; Bao, B. Pulse-train-controlled CCM buck converter with small ESR output-capacitor. IEEE Trans. Ind. Electron. 2013, 60, 5875–5881. [Google Scholar] [CrossRef]
- Sha, J.; Xu, J.P.; Zhong, S. Valley current mode pulse train control technique for switching DC–DC converters. Electron. Lett. 2014, 50, 311–313. [Google Scholar] [CrossRef]
- Sha, J.; Xu, D.; Chen, Y.; Xu, J.; Williams, B.W. A Peak-Capacitor-Current Pulse-Train-Controlled Buck Converter with Fast Transient Response and a Wide Load Range. IEEE Trans. Ind. Electron. 2016, 63, 1528–1538. [Google Scholar] [CrossRef] [Green Version]
- Li, X.; Bhat, A. Analysis and Design of High-Frequency Isolated Dual-Bridge Series Resonant DC/DC Converter. IEEE Trans. Power Electron. 2010, 25, 850–862. [Google Scholar]
- Qian, Z.; Yan, R.; Wu, J.; He, X. Full-Duplex High-Speed Simultaneous Communication Technology for Wireless EV Charging. IEEE Trans. Power Electron. 2019, 34, 9369–9373. [Google Scholar] [CrossRef]
Publisher’s Note: MDPI stays neutral with regard to jurisdictional claims in published maps and institutional affiliations. |
© 2022 by the authors. Licensee MDPI, Basel, Switzerland. This article is an open access article distributed under the terms and conditions of the Creative Commons Attribution (CC BY) license (https://creativecommons.org/licenses/by/4.0/).














