Abstract
A low-temperature environment will reduce the hydration rate of oil well cement-based composites, resulting in the slow development of mechanical strength, which cannot meet the requirements of cementing operations. In order to improve the early strength of cement paste under low temperature, the influence of ultrafine calcium silicate powder on the rheological properties, water loss, thickening time and permeability of oil well cement-based composites was evaluated. The compressive strength, flexural strength and impact strength of cement paste with different contents of ultrafine calcium silicate were studied. The hydration process and microstructure of cement paste were analyzed by hydration heat measurement system, X-ray diffraction (XRD) and scanning electron microscope (SEM). The experimental results show that the ultrafine calcium silicate has a certain impact on the rheology and thickening time of cement slurry, and dispersants and retarders are required to adjust these properties when it is used. The ultrafine calcium silicate can improve the stability of cement slurry and reduce water loss and permeability. In addition, under the condition of curing at 20 °C for 24 h, the compressive strength, flexural strength and impact strength of cement paste with 8% ultrafine calcium silicate content increased by 243.0%, 278.5% and 66.3%, respectively, compared with the pure cement paste. The hydration of cement slurry is accelerated by ultrafine calcium silicate, the hydration temperature is enhanced and the heat release of hydration is increased. The ultrafine calcium silicate improves the formation degree of hydration products and makes the structure of cement paste more compact. The research results help to design a low-temperature and early-strength cement slurry system.
1. Introduction
The primary purpose of cementing is to inject a cement slurry system into the annulus between the casing and formation, to form a good isolation barrier and prevent oil, gas and water channeling. Generally, low-temperature cementing refers to cementing operations with cement slurry circulation temperature below 45 °C [1]. Cementing operation in a special environment, such as a deep-water shallow layer, and the low temperature at the bottom of the well have an impact on the performance of cement slurry [2,3]. Low temperature will significantly reduce the cement hydration rate, resulting in longer thickening time of cement slurry, slower development of compressive strength, insufficient shear stress to support casing and prolonged waiting time, which will increase the construction cost of the oil and gas well [4,5,6]. Therefore, to improve the early strength development and the low-temperature cementing quality of cement slurry, it is necessary to study the admixtures that enhance the mechanical properties of cement under low temperature.
An early-strength agent is one of the critical admixtures to improve the early strength of oil well cement-based composites at low temperature. It is divided into chloride salts, sulfates and organic substances [7,8,9]. The chloride salt early-strength agents are widely used because of their low cost and good early-strength effect. The mechanism is the addition of a chloride salt early-strength agent, which reacts with tricalcium aluminate in inorganic cementitious materials to produce insoluble chloro-aluminate hydrate. Chloride is easy to dissolve and accelerates the hydration and hardening of the cement. X. Pang et al. [10] studied the effect of NaCl and KCl on the cement, and the hydration rate increased linearly with the logarithm of the concentration of chloride ions. C. Wang et al. [5] studied the acceleration performance and mechanism of chlorides on oil well cement at low temperatures. The essence of sodium sulfate early-strength agents is a strong electrolyte, which can increase the ionic strength of cement and has certain compressibility for the diffusion of the double electric layer. In the process of cement hydration, sodium sulfate reacts with free calcium hydroxide to improve the pH value of the solution and provide an environment for calcium sulfoaluminate hydrates to accelerate the hardening of oil well cement-based composites [11]. The organic early-strength agents are mainly divided into low-grade organic acid salts and alcohol amines, of which the most commonly used are triethanolamine and calcium formate. Y.L. Yaphary et al. [12] proposed that triethanolamine (TEA) can regulate the initial setting time. J.G. Han et al. [13] suggested that TEA can accelerate the hydration process of C3A and delay the hydration process of C3S. Triethanolamine has an emulsifying effect. It is readily adsorbed on the surface of cement particles when mixed into cementitious materials and to forms a charged hydrophilic film which hinders the accumulation of cement particles and produces a suspension stabilization effect. The surface tension is reduced to a certain extent so that the cement particles are fully contacted with water, and the hydrolysis of the cementitious material is promoted. In addition, the structure of triethanolamine determines that it is easy to complex with metal ions in cement to form a stable complex, which accelerates the hydration of tricalcium aluminate and improves the early strength of cement. Calcium formate is weakly acidic in water, which can promote the hydration of tricalcium silicate to a certain extent, reducing the time required for cement to harden. These early-strength agents have a certain effect on improving the early compressive strength of cement stone. However, some studies have shown that chloride salt early-strength agents will increase the yield value of cement slurry, increase permeability and reduce sulfate corrosion resistance [14]. Sulfate early-strength agents often cause the formation rate of the product to be too fast so that the structure is not dense enough, which has an adverse effect on the later strength [15]. It is not easy to control the dosage of organic early-strength agents, and too much dosage will cause severe retardation and strength reduction, and other problems. Therefore, in order to improve the early strength of cement stone at low temperature, it is an urgent problem to select an efficient and stable early-strength agent.
Ultrafine calcium silicate powder is an inorganic mineral powder with good bioactivity and biocompatibility, as well as stable physical and chemical properties [16,17]. Some studies have shown that it can improve the strength of calcium phosphate cement; the material has a nano-micron scale, high particle activity and a wide range of sources. However, its properties in oil well cement-based composites have not been studied. To develop a high-performance early-strength agent to improve the performance of cement, the effect of ultrafine calcium silicate on the performance of cement slurry was studied, and its action mechanism was analyzed. The research results of this paper can provide technical support for the design of high performance low-temperature cement slurry.
2. Materials and Methods
2.1. Materials
Oil well cement is API Class G cement, which can be purchased on the market. The microsilicon and ultrafine calcium silicate powder was purchased from Jingzhou Jiahua Technology Co., Ltd. in Jingzhou, China. Other cement slurry additives were prepared in the laboratory. The chemical composition and physical properties of ultrafine calcium silicate are shown in Table 1. Figure 1 shows the test results of ultrafine calcium silicate particle size. In the range of particle size, there is only one obvious differential distribution peak, the maximum particle size is less than 40 μm, and the median particle size is approx. 11 μm. The particle size distribution of ultrafine calcium silicate particles is narrow, and the particle size is small, which is conducive to its dispersion into the pore space of cement slurry and accelerates the development of early strength of cement slurry.
Table 1.
Chemical composition and physical properties of ultrafine calcium silicate.
Figure 1.
Particle size distribution of ultrafine calcium silicate.
2.2. Methods
2.2.1. Preparation of Cement Slurry
The specified proportion of oil well cement, fluid loss reducer, microsilicon and ultrafine calcium silicate were weighed and uniformly mixed as dry powder. The specified proportion of fresh water, dispersant, retarder and defoamer were weighed and uniformly mixed as the solution for preparing cement slurry. The solution was uniformly stirred with a constant speed agitator, and the dry powder was poured into the solution and stirred at 4000 r/min. When the dry powder and solution were mixed evenly, the cement slurry was prepared. The composition of cement slurry is shown in Table 2.
Table 2.
The composition of cement slurries. Unit: wt.%.
2.2.2. Construction Performances Test
For the test of rheological property, the prepared cement slurry was poured into the cup, and the atmospheric pressure thickener (TG-122C, Shenyang Tiger Petroleum Instrument Equipment Co., Ltd., Shenyang, China) was used for stirring 20 min. Then, the rheological readings of the cement slurry at different rotating speeds were tested by a six-speed rotary viscometer (ZNN-D6, Qingdao Chuangmeng Instrument Co., Ltd., Qingdao, China).
For the test of thickening time, the prepared cement slurry was poured into the container used for the thickening tester, and the cup cover was covered. The container was put into a pressurized thickener (TG-8040DA, Shenyang Tiger Petroleum Equipment Co., Ltd., Shenyang, China) to test the thickening time under 20 °C and 10 MPa. When the consistency reached 100 Bc, the time was recorded, which was the thickening time of the cement slurry.
For the test of water loss, the prepared cement slurry was poured into the test cup of the atmospheric thickener (TG-1220C, Shenyang Tiger Petroleum Equipment Co., Ltd., Shenyang, China), and stirred for 20 min under normal pressure at 20 °C. Then, the slurry was poured into a high-temperature and high-pressure water-loss meter (TG-71, Shenyang Tiger Petroleum Equipment Co., Ltd., Shenyang, China) to test the water-loss rate of the cement slurry at 20 °C and 6.9 MPa for 30 min.
For the test of free liquid, the cement slurry was poured into a 250 mL transparent cylinder and covered to prevent evaporation. The volume of the cement slurry to be tested was 250 mL. The graduated cylinder was placed in a constant temperature water bath curing container (HH600, Shaoxing Shangyu Xiangda Instrument Manufacturing Co., Ltd., Shaoxing, China), and cured at 20 °C for 2 h, and the volume of free liquid was detected.
For the test of permeability, the 25.4 mm diameter cylindrical cement sample was prepared. The permeability of the cement sample was tested by a multifunctional core flow tester (LDY50-180, Nantong Yichuang Experimental Instrument Co., Ltd., Nantong, China).
2.2.3. Mechanical Performances Test
The prepared cement slurry was poured into the curing mold, and then the mold was put into a constant temperature water bath device (HH600, Shaoxing Shangyu Xiangda Instrument Manufacturing Co., Ltd., Shaoxing, China) at 20 °C maintenance for a certain period of time. After reaching the curing age, the mold was removed to obtain the cement sample. The size of the compressive strength sample was 50.8 mm × 50.8 mm × 50.8 mm, the size of the flexural strength sample was 40 mm × 40 mm × 160 mm and the size of the impact strength sample was 10 mm × 15 mm × 120 mm. The compressive strength and flexural strength were tested with a universal material testing machine (HY-20080, Shanghai Hengyi Precision Instrument Co., Ltd., Shenyang, China). Compressive strength and flexural strength were tested on three samples, respectively, and the average value of the test results was taken. The impact strength was tested by an impact testing machine (XJJY-50, Chengde Shipeng Testing Equipment Co., Ltd., Chengde, China). Eight samples were used for testing, removing a maximum value and a minimum value and taking the average value of the remaining data as the impact strength.
2.2.4. Hydration Process Analysis
After the preparation of the cement slurry, the hydration process of the cement slurry was analyzed by the cement hydration heat measurement system (PTS-12S, Wuhan Botaist Instrument and Equipment Co., Ltd., Wuhan, China) with reference to the direct method in the Chinese standard GB/T12959-2008. The test results of this instrument can intuitively obtain the temperature during hydration. The hydration process of cement can be analyzed through the change of temperature.
2.2.5. XRD Analysis
After the cement slurry was cured at 20 °C for 24 h, the small pieces in the middle were selected. The selected samples were placed in an anhydrous ethanol solution and soaked for 24 h to terminate the hydration. Then, the sample was dried in a drying oven. The dried sample was ground into powder as the sample for the XRD test. The X-ray diffractometer (D8 ADVANCE, Bruker, Karlsruhe, Germany) was used to analyze the components of cement, and the test range of 2θ is 5–70° with Cu Kα radiation.
2.2.6. SEM Analysis
After the cement slurry was cured at 20 °C for 24 h, the cured cement sample was broken, a small piece with a relatively flat surface was selected. The selected samples were placed in an anhydrous ethanol solution and soaked for 24 h to terminate the hydration. Then, the sample was dried in a drying oven. The sample was sprayed with gold to increase its conductivity. The microstructure of the cement sample was observed by scanning electron microscope (SU8010, Hitachi, Tokyo, Japan).
3. Results and Discussion
3.1. Effect of Ultrafine Calcium Silicate on the Rheological Properties and Stability
Rheology has a great influence on the pumping performance of cement slurry during the cementing process [18]. The free liquid is an important indicator to measure the stability of the cement slurry. The rheological properties of the cement slurry and the changes of free liquid after adding different amounts of ultrafine calcium silicate were tested. The experimental results are shown in Table 3. Φ 600, Φ 300, Φ 200, Φ 100, Φ 6, Φ 3 indicate the reading of six speed rotary viscometer at 600 r/min, 300 r/min,200 r/min,100 r/min, 6 r/min, 3 r/min. When the addition amount of ultrafine calcium silicate is below 4%, the reading of 300 r/min is less than 300, which meets construction requirements. When the content of ultrafine calcium silicate is more than 4%, it is necessary to add an appropriate dispersant to ensure good rheological properties of the cement slurry. There is a small amount of free fluid in the cement slurry without ultrafine calcium silicate, but no free fluid exists in the cement slurry after adding ultrafine calcium silicate, which indicates that ultrafine calcium silicate can improve the stability of the cement slurry.
Table 3.
Rheological properties and free fluids of cement slurries.
3.2. Effect of Ultrafine Calcium Silicate on the Thickening Time and Water Loss
Thickening time is closely related to the safety of cementing operations. If the thickening time is too short, the cement slurry cannot be pumped to the designated position. In order to ensure sufficient safe pumping time, the thickening time must be measured. At the same time, controlling the water loss of cement slurry is the key to ensure the normal setting of cement slurry. The thickening time and water loss of the cement slurry with ultrafine calcium silicate were evaluated. The experimental results are shown in Figure 2. The ultrafine calcium silicate will shorten the thickening time of the cement slurry. When the addition amount is 4%, the thickening time is shortened sharply compared with the pure cement slurry. The experiment shows that ultrafine calcium silicate has a certain influence on the thickening time of the cement slurry. It is necessary to add a retarder to improve the thickening time. The water loss of cement slurry with different ultrafine calcium silicate additions decreased compared with the pure cement slurry, and the water loss was reduced the most when the calcium silicate addition was 4%, and the water loss was 27 mL, which was 43 mL lower than that of pure cement slurry. This may be due to the hydrophilicity of ultrafine calcium silicate, which absorbs a large number of water molecules and reduces the content of the free liquid. At the same time, within a certain dosage range, the filling effect of ultrafine calcium silicate powder can make the filter cake denser. When the amount of ultrafine calcium silicate powder exceeds a certain range, the optimal particle gradation effect of the filter cake is destroyed, thereby weakening the effect of reducing water loss [19].
Figure 2.
Thickening time and water loss of cement samples.
3.3. Effect of Ultrafine Calcium Silicate on Permeability
The permeability of cement stone has an important influence on the sealing of cement slurry [20], and the cement sample with low permeability has a stronger annular sealing ability. The permeability of the cement sample was measured, and the results are shown in Figure 3. The ultrafine calcium silicate can reduce the permeability of cement samples, and the effect is more obvious as the content of ultrafine calcium silicate increases. The initial permeability of cement stone is 0.0426 mD. When the addition of calcium silicate is 8%, the permeability of cement stone is the lowest, only 0.0092 mD, and the permeability decreases significantly. This is because the particles of ultrafine calcium silicate are small. On the one hand, it promotes the hydration of the cement slurry to form a dense cement stone, and on the other hand, it can effectively fill the internal pores of the cement stone, thereby reducing the permeability of the cement.
Figure 3.
Permeability of ultrafine calcium silicate cement paste.
3.4. Effect of Ultrafine Calcium Silicate on the Mechanical Properties
3.4.1. Compressive Strength
The cement paste has high early compressive strength is the key to supporting and protecting the casing. The compressive strength of cement samples with different content of ultrafine calcium silicate was tested to evaluate the development of the compressive strength. The test results are shown in Figure 4. With the increase in curing age, the compressive strength of cement stone gradually increases, which is due to the further hydration of cement. The compressive strength of cement stone gradually increased with the increase in ultrafine calcium silicate, and the increase was larger in the early stage. After curing for 1 day and 14 days, the compressive strength of the samples with 2%, 4%, 6% and 8% ultrafine calcium silicate increased by 47.5%, 137.6%, 194.1%, 243.0% and 8.8%, 10.7%, 18.5%, 24.0%, respectively, compared with the sample without early-strength agent.
Figure 4.
Compressive strength of cement samples with ultrafine calcium silicate.
Z.Y. Li et al. [21] and T.M. Mtaki et al. [22] respectively used a crystal seed early-strength agent and nanoparticle early-strength agent to improve the compressive strength of cement paste. The effect of ultrafine calcium silicate on the strength of cement paste is better than that of crystal seed and nanoparticle early-strength agents. It shows that ultrafine calcium silicate can improve the early compressive strength of cement stone and has no adverse effect on the later strength of cement stone. The reasons may be that on the one hand, the filling effect of ultrafine particles can fill the microscopic pores between the cement particles to form a dense cement structure; on the other hand, due to the strong reactivity of ultrafine calcium silicate, it increases during the reaction. The concentration of calcium ions promotes the precipitation of calcium hydroxide and accelerates the hydration of tricalcium silicate, thereby improving the early compressive strength of oil well cement-based composite.
3.4.2. Flexural Strength
Flexural strength can indirectly characterize the toughness of cement stone, which is closely related to the ability of the cement to resist stress damage [23,24]. The flexural strength of cement samples was evaluated. It can be seen from Figure 5 that the flexural strength of the cement stone with ultrafine calcium silicate in different periods is higher than that of pure cement. The flexural strengths of pure cement curing 1 day, 3 days and 14 days are 1.3 MPa, 4.1 MPa and 6 MPa, respectively. When the content of calcium silicate is 8%, the flexural strength of the cement cured for 1 day, 3 days and 14 days is 278.5%, 73.2% and 51.7% higher than that of the pure cement sample, respectively. The addition of ultrafine calcium silicate can significantly improve the flexural strength of cement stone.
Figure 5.
Flexural strength of cement samples with ultrafine calcium silicate.
3.4.3. Impact Strength
Impact strength refers to the energy consumed by the cement stone after fracturing, which represents the cement ring’s ability to withstand impact. The impact strength of cement slurry with different calcium silicate additions is evaluated. The impact strength of cement with different ultrafine calcium silicate content at 20 °C for 1 day, 3 days and 14 days are shown in Figure 6. The impact strength of cement stone gradually increases with the increase in early-strength agent addition under the same curing age, and the impact strength increases significantly when the cement stone is cured for 1 day. The growth rate of impact strength decreases when it is cured for 14 days. The impact strength of cement stone with calcium silicate addition of 4% and 8% after curing for 1 day and 14 days increased by 51.0%, 66.3%, and 14.9%, 21.4%, respectively, compared with pure cement stone. It shows that the addition of calcium silicate is beneficial to promoting the hydration reaction to generate more hydrated calcium silicate gel so that the ability of the cement sample to resist external impact is improved to a certain extent.
Figure 6.
Impact strength of cement samples with ultrafine calcium silicate.
3.5. Hydration Process and Microstructure of Ultrafine Calcium Silicate Cement Slurry
3.5.1. Hydration Process
The hydration process of cement is accompanied by a series of exothermic reactions. The faster the cement hydration is, the faster the hydration exothermic reaction is. In a closed environment, the amount of hydration exothermic reaction can be characterized by measuring the change of hydration temperature, and then the rate of the cement hydration process can be analyzed. Figure 7 shows the hydration temperature curve of cement paste mixed with ultrafine calcium silicate. The addition of ultrafine calcium silicate promotes the hydration process of cement slurry. The more ultrafine calcium silicate is added, the earlier the hydration temperature peak of cement slurry appears and the greater the temperature peak. The peak time of hydration temperature without ultrafine calcium silicate is 17.1 h, and the maximum temperature is 45.1 °C. After adding 8% ultrafine calcium silicate, the peak time of cement slurry hydration temperature is 10.5 h, and the maximum temperature is 58.3 °C. The addition of ultrafine calcium silicate can accelerate the hydration process of cement. The main reason may be that ultrafine calcium silicate provides a crystal nucleus for the generation of hydration products in the process of cement hydration, reduces the generation potential barrier of hydration products and accelerates the cement hydration process. This is also the reason why ultrafine calcium silicate can improve the early mechanical properties of cement paste.
Figure 7.
Hydration temperature of ultrafine calcium silicate cement slurry.
3.5.2. XRD Analysis
In order to study the influence of ultrafine calcium silicate on the mineral composition of oil well cement-based composite, the hydration products of cement with different ultrafine calcium silicate contents were studied by XRD analysis. The experimental results are shown in Figure 8. The calcium hydroxide (CH, 2θ = 18°, 47°) and hydrated calcium silicate (CSH, 2θ = 28–35°) are the main hydration products of oil well cement slurry, and they are labeled in the XRD graph. The three types of cement samples have CH characteristic peaks after curing for 24 h. The CH characteristic peak of pure cement is the highest, and that of 8% ultrafine calcium silicate is the lowest, which is due to the SiO2 contained in ultrafine calcium silicate powder reacting with Ca(OH)2 to generate C-S-H gel, consuming a large amount of Ca(OH)2 [25]. The normal hydration reaction of cement will consume C2S and C3S, and the characteristic peaks of C23 and C3S of cement with the addition of ultrafine calcium are relatively weakened, which is an obvious manifestation of accelerating cement hydration. The results of XRD show that the ultrafine calcium silicate can accelerate the hydration reaction process of C23 and C3S and consume Ca(OH)2 simultaneously to generate more hydration products.
Figure 8.
XRD analysis of hydration products.
3.5.3. SEM Analysis
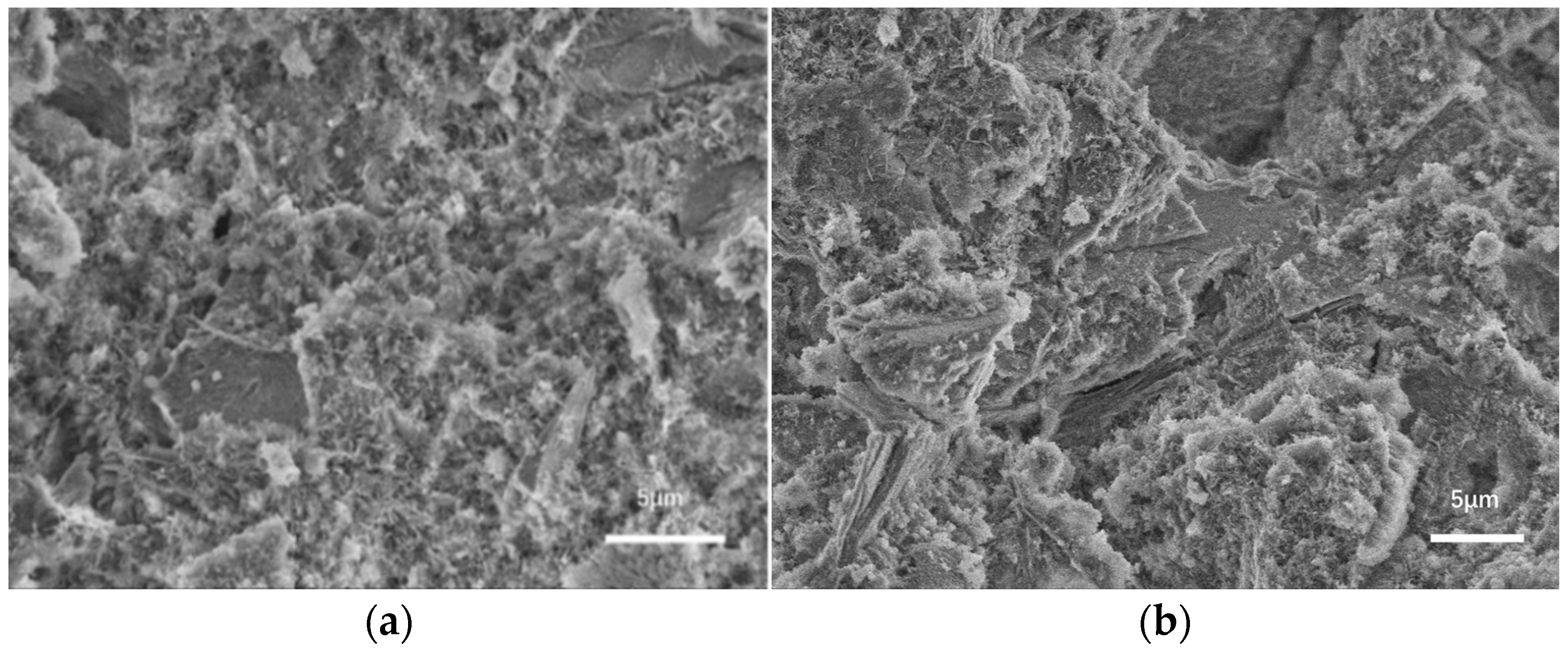
To further study the microstructure of oil well cement-based composite, the pure sample (without early-strength agent) and the cement sample added with 8% ultrafine calcium silicate were taken for micromorphology analysis. Figure 9a is the SEM photo of the cement sample without adding ultrafine calcium silicate, and Figure 9b is the SEM photo of the cement stone with 8% ultrafine calcium silicate. Generally, the hydration products of oil well cement mainly include fibrous calcium silicate hydrate and flaky calcium hydroxide. The more obvious the hydration products are, the higher the hydration degree of cement is. It can be seen from Figure 9a that there are granular, massive and isolated hydration products inside the blank cement stone. The hydration products of cement particles are less covered, the lap between hydration products is weak. For the 8% ultrafine calcium silicate sample, Figure 9b showed that there were more flocs of fibrous calcium silicate hydrate, and a small amount of flake Ca(OH)2 crystals were stacked on the amorphous C-S-H gel, and the hydration products formed dense and uniform, indicating a higher degree of hydration. The ultrafine calcium silicate promotes the hydration of oil well cement and improves the microstructure.
Figure 9.
SEM images of cement samples. (a) 0% ultrafine calcium silicate; (b) 8% ultrafine calcium silicate.
4. Conclusions
To develop a highly efficient early-strength agent to improve the performance of cement paste at low temperatures and overcome the adverse effects of low temperature on the mechanical properties of oil well cement-based composites, the influence of a new early-strength agent, ultrafine calcium silicate, on the performance of cement slurry was studied. The ultrafine calcium silicate can reduce the water loss, free liquid and permeability of cement samples. With the increase in ultrafine calcium silicate content, the compressive strength, flexural strength and impact strength of cement stone are significantly improved, and the mechanical properties are improved more in the early stage of maintenance. The ultrafine calcium silicate accelerated the hydration process of cement, generated more hydration products and consumed Ca(OH)2 simultaneously. The cement sample added with ultrafine calcium silicate is denser than the pure cement and has a higher degree of hydration. In this paper, an early-strength agent that is different from the conventional early-strength agent is used in oil well cement-based composite materials, and its mechanism is analyzed. Ultrafine calcium silicate has a good positive effect on the microstructure, hydration process and mechanical properties of cement paste, and it has a good effect on improving the performance of oil well cement-based composites. This is helpful in designing high-performance low-temperature cement slurry.
Author Contributions
Conceptualization, J.Z. and X.J.; data curation, X.J. and M.X.; funding acquisition, J.Z.; investigation, J.Z., X.J. and J.S.; methodology, J.S. and M.X.; project administration, M.X.; writing—original draft, J.Z.; writing—review and editing, X.J., J.S. and M.X. All authors have read and agreed to the published version of the manuscript.
Funding
The financial support Funding of Southern Marine Science and Engineering Guangdong Laboratory (012S22004-006) is acknowledged.
Institutional Review Board Statement
Not applicable.
Informed Consent Statement
Not applicable.
Data Availability Statement
The data is contained within the article.
Conflicts of Interest
The authors declare no conflict of interest.
References
- Li, M.; Deng, S.; Meng, F.; Hao, J.; GUO, X. Effect of nanosilica on the mechanical properties of oil well cement at low temperature. Mag. Concr. Res. 2017, 69, 493–501. [Google Scholar] [CrossRef]
- Ravi, K.; Iverson, B.; Moore, S. Cement-slurry design to prevent destabilization of hydrates in deepwater environment. SPE Drill. Complet. 2009, 24, 373–377. [Google Scholar] [CrossRef]
- Watson, P.; Kolstad, E.; Borstmayer, R.; Pope, T.; Reseigh, A. An innovative approach to development drilling in deepwater Gulf of Mexico. In Proceedings of the SPE/IADC Drilling Conference, Amsterdam, The Netherlands, 19–21 February 2003; OnePetro: Houston, TX, USA, 2003. [Google Scholar] [CrossRef]
- Zhang, J.; Weissinger, E.A.; Peethamparan, S.; Scherer, G.W. Early hydration and setting of oil well cement. Cem. Concr. Res. 2010, 40, 1023–1033. [Google Scholar] [CrossRef]
- Wang, C.; Chen, X.; Wang, R. Do chlorides qualify as accelerators for the cement of deepwater oil wells at low temperature. Constr. Build. Mater. 2017, 133, 482–494. [Google Scholar] [CrossRef]
- Wang, C.; Wang, R.; Li, H.; Bu, Y.; Zhou, W. Design and performance evaluation of a unique deepwater cement slurry. SPE Drill. Complet. 2011, 26, 220–226. [Google Scholar] [CrossRef]
- Ann, K.; Jung, H.S.; Kim, H.S.; Kim, S.S.; Moon, H.Y. Effect of calcium nitrite-based corrosion inhibitor in preventing corrosion of embedded steel in concrete. Cem. Concr. Res. 2006, 36, 530–535. [Google Scholar] [CrossRef]
- Oey, T.; Stoian, J.; Li, J.; Vong, C.; Balonis, M.; Kumar, A.; Franke, W.; Sant, G. Comparison of Ca (NO3)2 and CaCl 2 admixtures on reaction, setting, and strength evolutions in plain and blended cementing formulations. J. Mater. Civ. Eng. 2015, 27, 04014267. [Google Scholar] [CrossRef]
- Hoang, K.; Justnes, H.; Geiker, M. Early age strength increase of fly ash blended cement by a ternary hardening accelerating admixture. Cem. Concr. Res. 2016, 81, 59–69. [Google Scholar] [CrossRef]
- Pang, X.; Boul, P.; Jimenez, W.C. Isothermal calorimetry study of the effect of chloride accelerators on the hydration kinetics of oil well cement. Constr. Build. Mater. 2015, 77, 260–269. [Google Scholar] [CrossRef]
- Wang, Y.L.; Sun, L.Y.; Liu, S.H.; Li, S.J.; Guan, X.M.; Luo, S.Q. Development of a novel double-sulfate composite early strength agent to improve the hydration hardening properties of portland cement paste. Coatings 2022, 12, 1485. [Google Scholar] [CrossRef]
- Yaphary, Y.L.; Yu, Z.; Lam, R.H.; Lau, D. Effect of triethanolamine on cement hydration toward initial setting time. Constr. Build. Mater. 2017, 141, 94–103. [Google Scholar] [CrossRef]
- Han, J.; Wang, K.; Shi, J.; Wang, Y. Mechanism of triethanolamine on Portland cement hydration process and microstructure characteristics. Constr. Build. Mater. 2015, 93, 457–462. [Google Scholar] [CrossRef]
- Millard, M.J.; Kurtis, K.E. Effects of lithium nitrate admixture on early-age cement hydration. Cem. Concr. Res. 2008, 38, 500–510. [Google Scholar] [CrossRef]
- Lu, C.; Yuan, S.; Cheng, P.; Liu, R. Mechanical properties of corroded steel bars in pre-cracked concrete suffering from chloride attack. Constr. Build. Mater. 2016, 123, 649–660. [Google Scholar] [CrossRef]
- Sathiyakumar, M.; Gnanam, F.D. Role of wollastonite additive on density. microstructure and mechanical properties of alumina. Ceram. Int. 2003, 29, 869–873. [Google Scholar] [CrossRef]
- Hayashi, Y.; Kawaki, H.; Hori, M. Evaluation of the mechanical properties and biocompatibility of gypsum-containing calcium silicate cements. Dent. Mater. J. 2021, 40, 863–869. [Google Scholar] [CrossRef]
- Paula, J.N.; Calixto, J.M.; Ladeira, L.O.; Ludvig, P.; Souza, T.C.C.; Rocha, J.M.; Melo, A.A.V. Mechanical and rheological behavior of oil-well cement slurries produced with clinker containing carbon nanotubes. J. Pet. Sci. Eng. 2014, 122, 274–279. [Google Scholar] [CrossRef]
- Li, G.; Zhan, L.; Hu, Z.; Chen, Y. Effects of particle gradation and geometry on the pore characteristics and water retention curves of granular soils: A combined DEM and PNM investigation. Granul. Matter 2021, 23, 1–16. [Google Scholar] [CrossRef]
- Bu, Y.; Xu, M.; Liu, H.; Guo, S.; Ma, X.; Zheng, R. Mechanism of Cement Stone Porosity and Permeability Structures for Downhole Fluid Packing. Arab. J. Sci. Eng. 2022, 47, 12223–12235. [Google Scholar] [CrossRef]
- Li, Z.Y.; Zhou, C.; Li, J.Y.; Wu, Q.B.; Guo, X.Y. Laboratory study on low temperature rapid strength cement slurry. Adv. Mater. Res. 2011, 287, 3127–3130. [Google Scholar] [CrossRef]
- Mtaki, T.M.; Gu, J. Effect of the particle size of nanosilica on early age compressive strength in oil-well cement paste. Constr. Build. Mater. 2020, 262, 120393. [Google Scholar] [CrossRef]
- Awolusi, T.F.; Sojobi, A.O.; Oguntayo, D.O.; Akinkurolere, O.O.; Orogbade, B.O. Effects of calcined clay, sawdust ash and chemical admixtures on Strength and Properties of concrete for pavement and flooring applications using Taguchi approach. Case Stud. Constr. Mater. 2021, 15, e00568. [Google Scholar] [CrossRef]
- Sojobi, A.O.; Awolusi, T.F.; Aina, G.B.; Oke, O.L.; Oladokun, M.; Oguntayo, D.O. Ternary and quaternary blends as partial replacement of cement to produce hollow sandcrete blocks. Heliyon 2021, 7, e07227. [Google Scholar] [CrossRef] [PubMed]
- Kontoleontos, F.; Tsakiridis, P.E.; Marinos, A.; Kaloidas, V.; Katsioti, M. Influence of colloidal nanosilica on ultrafine cement hydration: Physicochemical and microstructural characterization. Constr. Build. Mater. 2012, 35, 347–360. [Google Scholar] [CrossRef]
Publisher’s Note: MDPI stays neutral with regard to jurisdictional claims in published maps and institutional affiliations. |
© 2022 by the authors. Licensee MDPI, Basel, Switzerland. This article is an open access article distributed under the terms and conditions of the Creative Commons Attribution (CC BY) license (https://creativecommons.org/licenses/by/4.0/).








