Suppression of Instabilities in a Plasma Voltage Stabilizer
Abstract
:1. Introduction
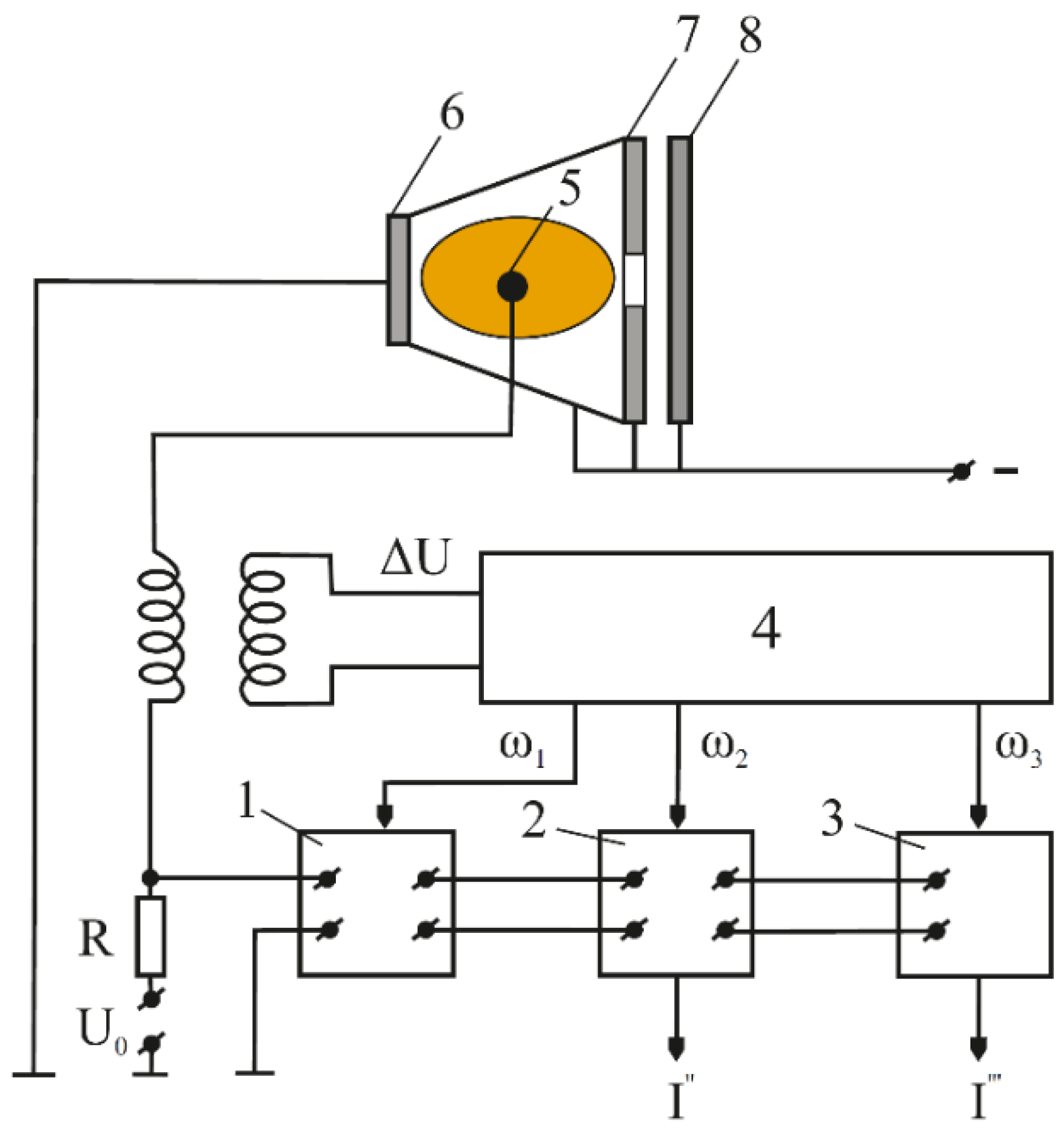
2. Materials and Methods
3. Results
4. Discussion
5. Conclusions
Author Contributions
Funding
Institutional Review Board Statement
Informed Consent Statement
Data Availability Statement
Conflicts of Interest
References
- Ivanov, S.V.; Kuznetsov, V.I. Development of energy strategy for the Arctic and regions of the Russian Federation Far North until 2030. In Proceedings of the VI International Conference Arctic 2021, Moscow, Russia, 3–4 March 2021; pp. 10–13. [Google Scholar]
- Krotov, A.D.; Lazarenko, G.E.; Ovcharenko, M.K.; Pyshko, A.P.; Sonko, A.V.; Yarygin, V.I.; Lazarenko, D.G. Autonomous thermal emission nuclear power plant for offshore gas and oil platforms. Izv. Vuzov. Yad. Energ. 2011, 3, 21–27. [Google Scholar]
- Jiménez, C.M.; Stankovic, N.; Vannier, J.-C.; Shklyarskiy, Y.E.; Bardanov, A.I. Multi-terminal dc grid overall control with modular multilevel converters. J. Min. Inst. 2020, 243, 357–370. [Google Scholar] [CrossRef]
- Tsendin, L.D. Nonlocal electron kinetics in gas-discharge plasma. Phys. Uspekhi 2010, 53, 133. [Google Scholar] [CrossRef]
- Baksht, F.G.; Lapshin, V.F. Vliyanie neuprugih stolknovenij na strukturu energeticheskogo spektra bystryh elektronov v nizkovol’tnom puchkovom razryade v gelii [Effect of inelastic collisions on the structure of the energy spectrum of fast electrons in a low-voltage beam discharge in helium]. J. Tech. Phys. 1991, 61, 13–18. [Google Scholar]
- Kolobov, V.I.; Tsendin, L.D. Analytic model of the cathode region of a short glow discharge in light gases. Phys. Rev. A 1992, 46, 7837. [Google Scholar] [CrossRef]
- Adams, S.F.; Demidov, V.I.; Bogdanov, E.A.; Koepke, M.E.; Kudryavtsev, A.A.; Kurlyandskaya, I.P. Control of plasma properties in a short direct-current glow discharge with active boundaries. Phys. Plasmas 2016, 23, 024501. [Google Scholar] [CrossRef]
- Al-Bataineh, S.A.; Szili, E.J.; Gruner, P.J.; Priest, C.; Griesser, H.J.; Voelcker, N.H.; Steele, D.A. Fabrication and operation of a microcavity plasma array device for microscale surface modification. Plasma Processes Polym. 2012, 9, 638–646. [Google Scholar] [CrossRef]
- Higashiguchi, T.; Terauchi, H.; Otsuka, T.; Yamaguchi, M.; Kikuchi, K.; Yugami, N.; O’Sullivan, G. Microdischarge extreme ultraviolet source with alkali metal vapor for surface morphology application. J. Appl. Phys. 2011, 109, 013301. [Google Scholar] [CrossRef]
- Eun, C.K.; Gianchandani, Y.B. Microdischarge-based sensors and actuators for portable microsystems: Selected examples. IEEE J. Quantum Electron. 2012, 48, 814–826. [Google Scholar] [CrossRef]
- Demidov, V.I.; Adams, S.F.; Blessington, J.; Koepke, M.E.; Wiliamson, J.M. Short dc discharge with wall probe as a gas analytical detector. Contrib. Plasma Phys. 2010, 50, 808–813. [Google Scholar] [CrossRef]
- Chen, K.F.; Eden, J.G. The plasma transistor: A microcavity plasma device coupled with a low voltage, controllable electron emitter. Appl. Phys. Lett. 2008, 93, 161501. [Google Scholar] [CrossRef]
- Stefanović, I.; Kuschel, T.; Škoro, N.; Marić, D.; Petrović, Z.L.; Winter, J. Oscillation modes of direct current microdischarges with parallel-plate geometry. J. Appl. Phys. 2011, 110, 083310. [Google Scholar] [CrossRef] [Green Version]
- Raizer, Y.P. Gas Discharge Physics; Springer: New York, NY, USA, 1997; 463p, ISBN 0-387-19462-2. [Google Scholar]
- Phelps, A.V.; Petrović, Z.L.; Jelenković, B.M. Oscillations of low-current electrical discharges between parallel-plane electrodes. III. Models. Phys. Rev. E 1993, 47, 2825. [Google Scholar] [CrossRef] [PubMed]
- Kaganovich, I.D.; Fedotov, M.A.; Tsendin, L.D. Ionization instability of a Townsend discharge. J. Tech. Phys. 1994, 39, 241–246. [Google Scholar]
- Denisov, V.V.; Akhmadeev, Y.H.; Koval, N.N.; Kovalsky, S.S.; Lopatin, I.V.; Ostroverkhov, E.V.; Schanin, P.M. The source of volume beam-plasma formations based on a high-current non-self-sustained glow discharge with a large hollow cathode. Phys. Plasmas 2019, 26, 123510. [Google Scholar] [CrossRef]
- Korotkov, S.V.; Zhmodikov, A.L. A High-Power Diode–Dynistor Generator for Gas-Discharge Technologies. Instrum. Exp. Tech. 2021, 64, 683–686. [Google Scholar] [CrossRef]
- Zhong, S.; Qin, F.; Gao, Y.; Yan, Z. Response Characteristics of Gas Discharge Tube to High-Power Microwave. IEEE Access 2021, 9, 111486–111492. [Google Scholar] [CrossRef]
- Mustafaev, A.; Grabovskiy, A.; Krizhanovich, A.; Sukhomlinov, V. Beam-Plasma Stabilizer for the New Type of Nuclear Power Energy Systems. Appl. Sci. 2021, 11, 11419. [Google Scholar] [CrossRef]
- Mustafaev, A.S.; Grabovskiy, A.Y. Probe Diagnostics of Anisotropic Electron Distribution Function in Plasma. High Temp. 2012, 50, 785–805. [Google Scholar] [CrossRef]
- Volterra, V. Theory of Functionals and of Integral and Integro-Differential Equations; Dover Publications: New York, NY, USA, 1930; 288p, ISBN 978-048-644-284-6. [Google Scholar]
- Demidov, V.I.; Kolokolov, N.B.; Kudryavtsev, A.A. Zondovye Metody Issledovaniya Nizkotemperaturnoj Plazmy [Probe Methods for Studying Low-Temperature Plasma]; Energoatomizdat: Moscow, Russia, 1996; 235p, ISBN 5-283-03927-7. [Google Scholar]
- Ovsyannikov, A.A.; Engelsht, V.A.; Lebedev, Y.A. Diagnostika Nizkotemperaturnoi Plasmi [Diagnosis of Lowtemperature Plasma]; Nauka: Novosibirsk, Russia, 1994; p. 483. ISBN 5-02-030197-3. [Google Scholar]
- Kharchenko, I.F.; Fainberg, Y.B.; Kornilov, E.A. Interaction of an electron beam with a plasma in a magnetic field. Zh. Tekh. Fiz. 1961, 31, 761. [Google Scholar]
- Kornilov, E.A.; Kovpik, O.F.; Fainberg, Y.B. Mechanism of plasma formation during the development of beam instability. Zh. Tekh. Fiz. 1965, 35, 1378. [Google Scholar]
- Garyainov, S.L.; Abezgauz, I.D. Poluprovodniki s Otricatel’nym Soprotivleniem [Negative Resistance Semiconductors]; Energiya: Moscow, Russia, 1970; 320p. [Google Scholar]
- Zakharova, V.M.; Kagan, Y.M. On the motion of ions and atoms in plasma. Spektrosk. Gazorazryadnoi Plazmy 1970, 1, 291–318. [Google Scholar]
- Mustafaev, A.S.; Grabovskiy, A.Y. Method for Stabilizing Electrical Parameters in Gas-Discharge Devices with Negative Resistance. RF Patent 2498441, 10 November 2013. [Google Scholar]
- Wasserab, T. Two-layer voltage of low-pressure gas discharges. J. Appl. Phys. 1963, 16, 454–460. [Google Scholar]
- Gryaznevich, M.P.; Lavrov, B.P. Aksial’noe raspredelenie osnovnyh parametrov plazmy tleyushchego razryada s suzheniem v gelii [Axial distribution of the main parameters of a glow discharge plasma with constriction in helium]. PZhTF 1977, 3, 697–700. [Google Scholar]
- Lavrov, B.P.; Simonov, V.Y. O sloyah ob’emnogo zaryada v prianodnoj plazme mono- i duoplazmatronov [On space charge layers in near-anode plasma of mono- and duoplasmatrons]. JTF 1978, 48, 1744–1746. [Google Scholar]
- Mustafaev, A.S.; Grabovskiy, A.Y. Low-voltage beam discharge in light inert gases to solve problems of voltage stabilization. High Temp. 2017, 55, 24–30. [Google Scholar] [CrossRef]
- Li, H.; Ning, Z.; Yu, D. Hall thruster with grooved walls. Appl. Phys. 2013, 113, 083303. [Google Scholar] [CrossRef]
- Strat, M.; Strat, G.; Gurlui, S. Basic processes in discharge plasma double layer. J. Phys. D Appl. Phys. 1999, 32, 34. [Google Scholar] [CrossRef]
- Ionita, C.; Dimitriu, D.G.; Schrittwieser, R.W. Elementary processes at the origin of the generation and dynamics of multiple double layers in DP machine plasma. Int. J. Mass Spectrom. 2004, 233, 343–354. [Google Scholar] [CrossRef]
- Demidov, V.I.; DeJoseph, C.A.; Simonov, V.Y. Gas-discharge plasma sources for nonlocal plasma technology. Appl. Phys. Lett. 2007, 91, 201503. [Google Scholar] [CrossRef]
- Baake, E.; Shpenst, V.A. Recent scientific research in the field of electrothermal metallurgical processing. J. Min. Inst. 2019, 240, 660–668. [Google Scholar] [CrossRef] [Green Version]
- Matveeva, V.; Lytaeva, T.; Danilov, A. Application of steel-smelting slags as material for reclamation of degraded lands. J. Ecol. Eng. 2018, 19, 97–103. [Google Scholar] [CrossRef]
- Gulkov, Y.V.; Turysheva, A.V.; Vinogradova, I.V. Producing steels with special properties using a jet heat treatment system. Key Eng. Mater. 2020, 854, 30–36. [Google Scholar] [CrossRef]
- Martynov, S.A.; Bazhin, V.Y.; Petrov, P.A. A digital control system designed for ore thermal furnaces producing metallurgical silicon. Tsvetnye Met. 2021, 2021, 70–76. [Google Scholar] [CrossRef]
- Maksyutin, A.V.; Khusainov, R.R. Results of experimental researches of plasma-pulse action technology for stimulation on the heavy oil field. World Appl. Sci. J. 2014, 31, 277–280. [Google Scholar] [CrossRef]
- Ermakov, S.B.; Vologzhanina, S.A.; Ermakov, B.S. Features of obtaining Ni-Cr-Fe alloy powders by plasma atomization. MSF 2021, 1040, 1–7. [Google Scholar] [CrossRef]









| Z, mm | φ, V | n0, 109 cm−3 | nt, 1011 cm−3 | τ, s | G, 1017 cm−3 s−1 | G/D | |
|---|---|---|---|---|---|---|---|
| 1 | 20.1 | 15 | 0.5 | 4.0 | 0.1 | 6.0 | 60.0 |
| 2 | 20.7 | 12 | 0.75 | 5.5 | 0.13 | 4.8 | 37.0 |
| 3 | 21.2 | 7 | 1.23 | 7.0 | 0.17 | 2.8 | 16.4 |
| 4 | 21.4 | 4 | 1.6 | 8.5 | 0.2 | 1.6 | 8.0 |
| 5 | 22 | 2.74 | 2.5 | 10 | 0.24 | 1.1 | 4.58 |
| 6 | 22.4 | 1.75 | 3.73 | 11.5 | 0.27 | 0.7 | 2.59 |
| 7 | 22.8 | 1.11 | 5.57 | 13 | 0.3 | 0.44 | 1.47 |
| 8 | 23.3 | 0.71 | 8.29 | 14.5 | 0.34 | 0.28 | 0.82 |
Publisher’s Note: MDPI stays neutral with regard to jurisdictional claims in published maps and institutional affiliations. |
© 2022 by the authors. Licensee MDPI, Basel, Switzerland. This article is an open access article distributed under the terms and conditions of the Creative Commons Attribution (CC BY) license (https://creativecommons.org/licenses/by/4.0/).
Share and Cite
Mustafaev, A.; Grabovskiy, A.; Sukhomlinov, V. Suppression of Instabilities in a Plasma Voltage Stabilizer. Appl. Sci. 2022, 12, 3915. https://doi.org/10.3390/app12083915
Mustafaev A, Grabovskiy A, Sukhomlinov V. Suppression of Instabilities in a Plasma Voltage Stabilizer. Applied Sciences. 2022; 12(8):3915. https://doi.org/10.3390/app12083915
Chicago/Turabian StyleMustafaev, Alexander, Artem Grabovskiy, and Vladimir Sukhomlinov. 2022. "Suppression of Instabilities in a Plasma Voltage Stabilizer" Applied Sciences 12, no. 8: 3915. https://doi.org/10.3390/app12083915
APA StyleMustafaev, A., Grabovskiy, A., & Sukhomlinov, V. (2022). Suppression of Instabilities in a Plasma Voltage Stabilizer. Applied Sciences, 12(8), 3915. https://doi.org/10.3390/app12083915

