Fast Extraction of Coupling of Modes Parameters for Surface Acoustic Wave Devices Using Finite Element Method Based Simulation
Abstract
1. Introduction
2. Methods
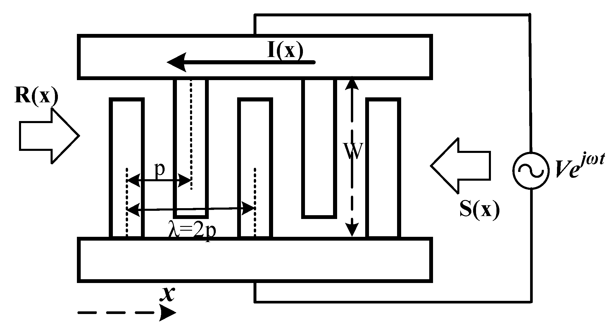
2.1. Solutions of COM Equations
2.2. Extraction Method
3. Comprehensive Comparison of Different Extraction Methods
4. Extraction Results
4.1. ST Quartz
4.2. ST-25°X Quartz
4.3. Y-51.25°Z LiTaO3
5. Conclusions
Author Contributions
Funding
Institutional Review Board Statement
Informed Consent Statement
Data Availability Statement
Conflicts of Interest
References
- Hashimoto, K. Advances in RF SAW devices: What are demanded? In Proceedings of the 2016 IEEE European Frequency and Time Forum, York, UK, 4–7 April 2016. [Google Scholar] [CrossRef]
- Ji, X.; Fan, Y.; Qi, H.; Chen, J.; Han, T.; Cai, P. A wireless demodulation system for passive surface acoustic wave torque sensor. Rev. Sci. Instrum. 2014, 85, 125001. [Google Scholar] [CrossRef] [PubMed]
- Ji, X.; Fan, Y.; Chen, J.; Han, T.; Cai, P. Passive wireless torque sensor based on surface transverse wave. IEEE Sens. J. 2016, 16, 888–894. [Google Scholar] [CrossRef]
- Shi, R.; Zhang, C.; Han, T.; Chen, J. Application of SAW RFID in the inspection management of aerodrome lights. In Proceedings of the 2014 IEEE International Ultrasonics Symposium, Chicago, IL, USA, 3–6 September 2014. [Google Scholar] [CrossRef]
- Mitchell, R.F.; Reilly, N.H.C. Equivalence of δ-function and equivalent-circuit models for interdigital acoustic-surface-wave transducers. Electron. Lett. 1972, 8, 329–331. [Google Scholar] [CrossRef]
- Kojima, T.; Kimio, S. An analysis of an equivalent circuit model for an interdigital surface-acoustic-wave transducer. Jpn. J. Appl. Phys. 1988, 27, 163. [Google Scholar] [CrossRef]
- Plessky, V.; Julius, K. Coupling-of-modes analysis of SAW devices. Int. J. High Speed Electron. Syst. 2000, 10, 867–947. [Google Scholar] [CrossRef]
- Wang, W.; Plessky, V.; Wang, H.; Wu, H.; Shui, Y. Optimization of STW Resonator by Using FEM/BEM. In Proceedings of the 2006 IEEE Ultrasonics Symposium, Vancouver, BC, Canada, 2–6 October 2006. [Google Scholar] [CrossRef]
- Abbott, B.P.; Hartmann, C.S.; Malocha, D.C. A coupling-of-modes analysis of chirped transducers containing reflective electrode geometries. In Proceedings of the 1989 IEEE Ultrasonics Symposium, Chicago, IL, USA, 3–6 October 1989. [Google Scholar] [CrossRef]
- Plessky, V. SAW impedance elements. IEEE Trans. Ultrason. Ferroelectr. Freq. Control 1995, 42, 870–875. [Google Scholar] [CrossRef]
- Endoh, G.; Hashimoto, K.Y.; Yamaguchi, M. Surface Acoustic Wave Propagation Characterisation by Finite-Element Method and Spectral Domain Analysis. Jpn. J. Appl. Phys. 1995, 34 Pt 1, 2638–2641. [Google Scholar] [CrossRef]
- Harma, S.; Victor, P. Extraction of frequency-dependent reflection, transmission, and scattering parameters for short metal reflectors from FEM-BEM simulations. IEEE Trans. Ultrason. Ferroelectr. Freq. Control 2008, 55, 883–889. [Google Scholar] [CrossRef] [PubMed]
- Tikka, A.C.; Al-Sarawi, S.F.; Abbott, D. SAW parameter extraction using Finite Element Analysis. Sch. Discip. 2007, 137, 593–594. [Google Scholar] [CrossRef][Green Version]
- Hugo, C.; Pascal, N.; Gudrun, B.; Ayech, B. Analysis of the sensitivity to pressure and temperature of a membrane based SAW sensor. Int. J. Smart Nano Mater. 2017, 8, 95–109. [Google Scholar] [CrossRef]
- An, Y.; Hao, W.; Liu, J.; He, S. Effect of electrode width on the sensitivity of the surface acoustic wave detector in a GC/SAW. In Proceedings of the 2017 Symposium on Piezoelectricity Acoustic Waves and Device Applications (SPAWDA), Chengdu, China, 27–30 October 2017. [Google Scholar] [CrossRef]
- Huang, Y.; Bao, J.; Tang, G.; Omori, T.; Hashimoto, K. Influence of Coupling Between Rayleigh and SH SAWs on Rotated Y -Cut LiNbO3 to Their Propagations. IEEE Trans. Ultrason. Ferroelectr. Freq. Control 2018, 65, 1905–1913. [Google Scholar] [CrossRef] [PubMed]
- Huang, Y.; Bao, J.; Zhang, B.; Omori, T.; Hashimoto, K. Parameter extraction of coupling-of-modes equations including coupling between two surface acoustic waves on SiO2/Cu/LiNbO3 structures. Jpn. J. Appl. Phys. 2018, 57, 07LD13. [Google Scholar] [CrossRef]
- Shaposhnikov, K.; Manfred, K.; Pascal, N. Fast full-FEM computation of COM parameters Application to multilayered SAW structures. In Proceedings of the 2014 IEEE International Ultrasonics Symposium, Chicago, IL, USA, 3–6 September 2014. [Google Scholar]
- Hao, W.; Liu, J.; Liang, Y.; He, S. Mass sensitivity optimization of a surface acoustic wave sensor incorporating a resonator configuration. Sensors 2016, 16, 562. [Google Scholar] [CrossRef] [PubMed]
- Karim, D.; Ballandras, S.; Laroche, T.; Wagner, K.; Perois, X. Finite element analysis in combination with perfectly matched layer to the numerical modeling of acoustic devices in piezoelectric materials. Appl. Math. 2013, 4, 64–71. [Google Scholar] [CrossRef]
- Hofer, M.; Finger, N.; Kovacs, G.; Schoberl, J.; Zaglmayr, S.; Langer, U.; Lerch, R. Finite-element simulation of wave propagation in periodic piezoelectric SAW structures. IEEE Trans. Ultrason. Ferroelectr. Freq. Control 2006, 53, 1192–1201. [Google Scholar] [CrossRef] [PubMed]
- Hashimoto, K.; Julius, K.; Martti, M.S. Fast determination of coupling-of-modes parameters based on strip admittance approach. In Proceedings of the 1999 IEEE Ultrasonics Symposium, Caesars Tahoe, NV, USA, 17–20 October 1999. [Google Scholar] [CrossRef]
- Wu, T.; Wang, S.; Chen, Y.; Wu, T.; Chang, P. Inverse determination of coupling of modes parameters of surface acoustic wave resonators. Jpn. J. Appl. Phys. 2002, 41, 6610. [Google Scholar] [CrossRef]
- Shimizu, Y.; Yamamoto, Y. SAW propagation characteristics of complete cut of quartz and new cuts with zero temperature coefficient of delay. In Proceedings of the 1980 Ultrasonics Symposium, Boston, MA, USA, 5–7 November 1980. [Google Scholar] [CrossRef]
- Koskela, J.; Victor, P.; Martti, M. SAW/LSAW COM parameter extraction from computer experiments with harmonic admittance of a periodic array of electrodes. IEEE Trans. Ultrason. Ferroelectr. Freq. Control 1999, 46, 806–816. [Google Scholar] [CrossRef] [PubMed]
- Mc Cormack, B.; Dermot, G.; Margaret, O. Modeling of surface acoustic wave strain sensors using coupling-of-modes analysis. IEEE Trans. Ultrason. Ferroelectr. Freq. Control 2011, 58, 2461–2468. [Google Scholar] [CrossRef] [PubMed]
- Thorvaldsson, T.; Abbott, B. Low loss SAW filters utilizing the natural single phase unidirectional transducer (NSPUDT). In Proceedings of the 1990 IEEE Symposium on Ultrasonics, Honolulu, HI, USA, 4–7 December 1990. [Google Scholar] [CrossRef]
- Kovacs, G.; Anhom, M.; Engan, H.; Visintini, G.; Ruppel, C. Improved material constants for LiNbO3 and LiTaO3. In Proceedings of the 1990 IEEE Symposium on Ultrasonics, Honolulu, HI, USA, 4–7 December 1990. [Google Scholar] [CrossRef]



| Boundary | Mechanical Boundary Conditions | Electrical Boundary Conditions |
|---|---|---|
| ΓT (top of air) | Free | Zero charge |
| ΓA (air-solid interfaces) | Free | Continuity |
| Γ+, Γ− (±electrode-solid interfaces) | Free | VΓ+ − VΓ− = ΔV |
| ΓB (bottom of substrate) | Fixed | Zero charge |
| ΓL, ΓR (left and right boundaries) | Periodic continuity boundary condition | |
| ΓF, ΓE (front and back boundaries) | Periodic continuity boundary condition | |
| Boundary | Mechanical Boundary Conditions | Electrical Boundary Conditions |
|---|---|---|
| ΓT | Free | Zero charge |
| ΓA | Free | Continuity |
| ΓB | Fixed | Ground |
| Γ+, Γ− | Free | 1: V = 0 (SC); (OC) 2 and 3: VΓ+ = 1V; VΓ− = 0V |
| ΓL, ΓR | 1 and 2: Periodic continuity boundary condition 3: Floquet boundary condition: kx = (1 + Δ)k0 | |
| ΓF, ΓE | Periodic continuity boundary condition | |
| COM Parameter | Measured Value [23] | Calculated Value [26] | Our Results |
|---|---|---|---|
| v (m/s) | 3146 | 3152 | 3143 |
| κp (= κλ) | −0.015 | −0.021 | −0.023 |
| Arg(κ) [deg] | — | — | 0 |
| αn (f0)() | 2.71 × 10−4 | 2.84 × 10−4 | 2.85 × 10−4 |
| Cst (pF) | 1.95 | 1.92 | 1.953 |
Publisher’s Note: MDPI stays neutral with regard to jurisdictional claims in published maps and institutional affiliations. |
© 2022 by the authors. Licensee MDPI, Basel, Switzerland. This article is an open access article distributed under the terms and conditions of the Creative Commons Attribution (CC BY) license (https://creativecommons.org/licenses/by/4.0/).
Share and Cite
Ma, X.; Lei, H.; Cai, P.; Ji, X. Fast Extraction of Coupling of Modes Parameters for Surface Acoustic Wave Devices Using Finite Element Method Based Simulation. Appl. Sci. 2022, 12, 4547. https://doi.org/10.3390/app12094547
Ma X, Lei H, Cai P, Ji X. Fast Extraction of Coupling of Modes Parameters for Surface Acoustic Wave Devices Using Finite Element Method Based Simulation. Applied Sciences. 2022; 12(9):4547. https://doi.org/10.3390/app12094547
Chicago/Turabian StyleMa, Xiaoxin, Huaming Lei, Ping Cai, and Xiaojun Ji. 2022. "Fast Extraction of Coupling of Modes Parameters for Surface Acoustic Wave Devices Using Finite Element Method Based Simulation" Applied Sciences 12, no. 9: 4547. https://doi.org/10.3390/app12094547
APA StyleMa, X., Lei, H., Cai, P., & Ji, X. (2022). Fast Extraction of Coupling of Modes Parameters for Surface Acoustic Wave Devices Using Finite Element Method Based Simulation. Applied Sciences, 12(9), 4547. https://doi.org/10.3390/app12094547

