Abstract
Aluminium smelter waste (ASW) is a big contributor to landfills, and its recycling has been of great interest. This study investigates the tribological properties of aluminium matrix syntactic foams manufactured using an Al 6082 alloy and ASW. Ball-on-disc tests were conducted under both dry and lubricated conditions. Under dry sliding conditions, the coefficient of friction (COF) had an initial sharp increase, followed by a gradual decrease and finally a steady state as the sliding distance increased. The wear surfaces showed the presence of adhesive, abrasive and oxidative wear, with some presence of delamination. Syntactic foams containing small ASW particles led to a decrease in surface roughness, decrease in the average COF and decrease in specific wear. Heating large ASW particles before manufacturing the syntactic foams enhanced overall wear properties because the particles are hardened due to a compositional change. The T6 treatment of the syntactic foams enhanced the wear properties due to the hardening of the Al matrix. The average COF of the ASW syntactic foams was higher than that of the E-sphere syntactic foam, which was predominantly abrasive wear. The specific wear of the ASW syntactic foams can be higher or lower than the E-sphere syntactic foam, depending on the ASW particle size. Under lubricated sliding test conditions, the wear was reduced significantly, and the type changed from predominantly adhesive to predominantly abrasive. The porous ASW particles acted as lubricant reservoirs and provided a constant supply of lubricant, further improving the lubrication effect.
1. Introduction
In the last 50 years, aluminium production from recycled sources has grown to more than one-third the size of the entire industry. The secondary aluminium process primarily generates three products: the molten aluminium, an off-gas and a semi-solid skim, better known as dross that is scraped off the surface of the molten metal [1]. This dross is commonly processed further to extract more metal and to remove the salts from it, which leaves behind a non-metallic waste, known as aluminium smelter waste (ASW). The composition of ASW varies, but it mainly contains alumina and other oxides. It may also contain traces of aluminium nitride, carbide and aluminium [1]. When ASW is left in open air, a chain reaction occurs with the moisture in the air and eventually leads to the production of hydrogen, which is a potential fire and explosion hazard and limits the uses of ASW [1]. There is a need to divert ASW, currently being sent to landfills, and find ways that may reduce carbon emissions either directly through reuse or indirectly via the repurposing of land that would have gone to be used as a landfill site for ASW. The motivation for this paper is to study the feasibility of the use of ASW in the development of a metal matrix syntactic foam (MMSF) for potential applications as a wear-resistant material.
A syntactic foam is a material consisting of hollow or porous ceramic sphere fillers in a polymer or metal matrix [2,3]. The hollow particles normally have a lower density compared to the matrix, so their incorporation allows for the manufacture of lightweight products [4,5,6]. Because their density, and hence mechanical properties, can be adjusted by controlling the ratio of hollow spheres to the matrix, syntactic foams can be tailored for different applications, hence making them very useful products [7]. Compared to polymer matrix syntactic foams, MMSFs have superior properties that make them more suitable for high-strength, high-hardness, high-stiffness and high-temperature applications [8,9,10,11].
The properties of MMSFs depend on various factors, including the choice of metal matrix and the type and volume fraction of microspheres, as well as the manufacturing process used to make the foams. MMSFs have been manufactured using several different processes, including pressure melt infiltration [12,13,14,15] and powder metallurgy [16,17,18,19,20]. Pressure infiltration casting is the most common process for manufacturing MMSFs because of its ease of operation, low cost and reasonably good quality control.
There has been plenty of research conducted on the mechanical properties of MMSFs since their introduction in the 1960s. The deformation behaviours of MMSFs under static and high-strain-rate compression or impact have been studied extensively [15,21,22]. Studies on the wear behaviour of MMSFs [23,24,25,26] are relatively limited. Mohanty and Chugh [27] looked at the development of fly ash-based composites for wear applications and showed that the aluminium matrix syntactic foam with 50 wt% fly ash had consistent coefficients of friction between 0.35 and 0.4. They concluded that MMSFs have potential for use as brake linings with a reduction in weight compared to commercially available brake linings. However, they did not carry out a detailed characterisation of the friction and wear properties.
The filler materials used in MMSFs so far are either regular microspheres or fly ash. Very little research has been conducted to investigate the feasibility of incorporating a waste stream coming from the metal processing industry as a filler material.
This study investigates the tribological properties of Al matrix syntactic foams manufactured with ASW by pressure infiltration casting. Dry and lubricated sliding tests are performed to quantify the friction and wear properties. The results are compared with those obtained from Al matrix syntactic foams with E-spheres as the filler material.
2. Experimental Procedure
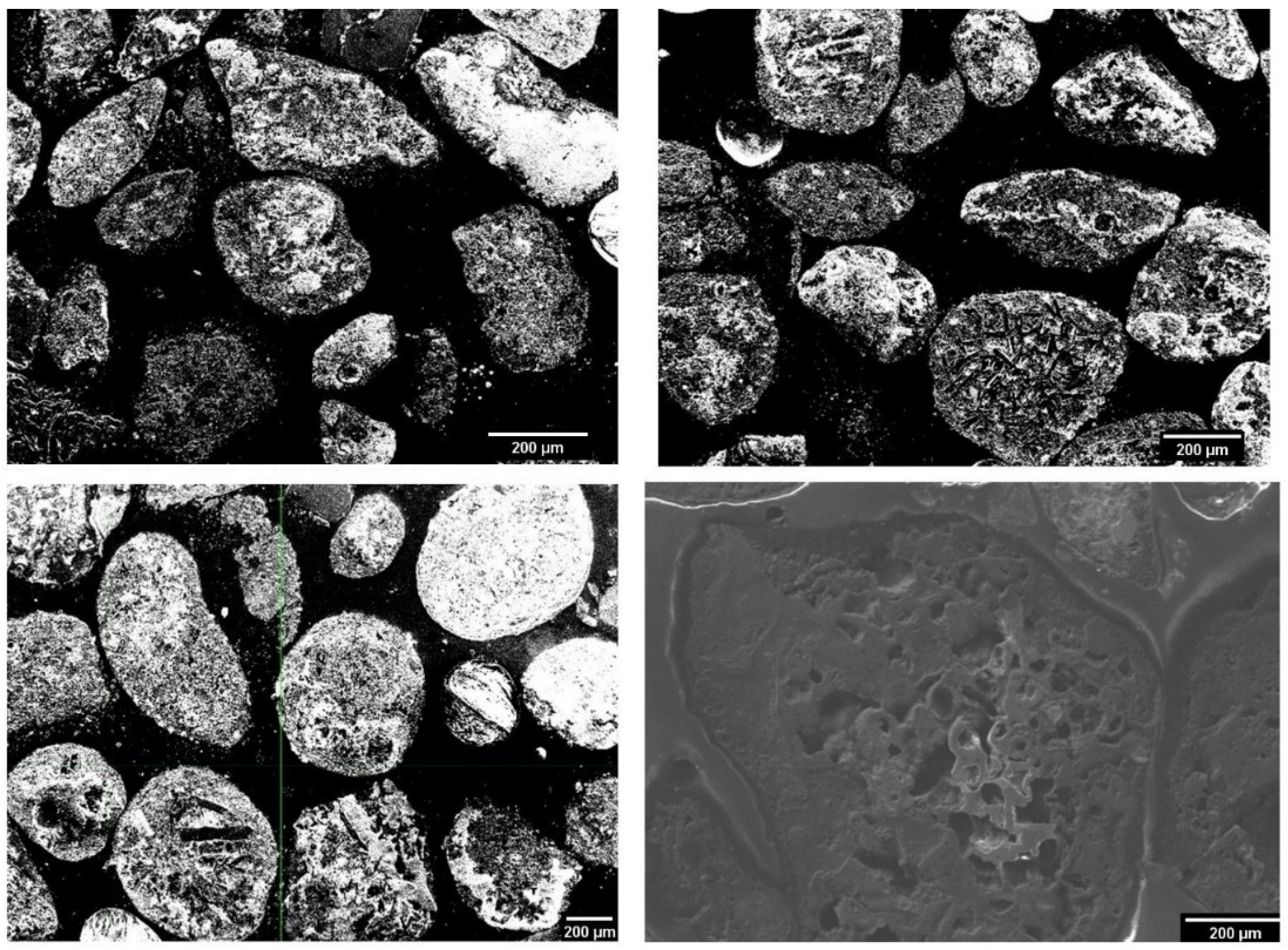
The ASW powder was provided by Ultromex Limited, Bromborough, UK. The bulk ASW powder was sieved into three particle size groups designated as Small (125–250 µm), Medium (250–425 µm) and Large (425–1000 µm). The micrographs of the particles and the typical internal structure of the three ASW powders are shown in Figure 1. The ASW particles have irregular shapes with a porous structure and have a variable range of particle sizes. The mass-weighted mean diameters, average porosities and densities of the Small, Medium and Large powders are 207 µm, 15% and 1.40 g/cm3; 600 µm, 20% and 1.25 g/cm3; and 805 µm, 30% and 1.15 g/cm3, respectively. Each of the Small, Medium and Large samples was further split into two portions, where one portion was used as is, and the other portion was heated to 450 °C and air-cooled, to make a total of six different powder samples. The heated powders are designated with a suffix -H.
Figure 1.
SEM micrographs of Small (top left), Medium (top right) and Large (bottom left) ASW samples, and an SEM micrograph displaying the presence of pores in an ASW particle (bottom right).
The six ASW powders have different elemental compositions, as shown in Table 1. The compounds present in the ASW powders include alumina, iron oxide, magnesia, silica and aluminium. Most of the compounds are the same across the different samples, as the samples come from the same bulk ASW powder. The Small sample has additional cryolite, while the Medium sample has additional calcium fluoride and calcium oxide.
Table 1.
EDX elemental compositions of ASW powders.
The ASW syntactic foam (ASF) samples were fabricated by the pressure infiltration casting process [12,13,14,15] using an aluminium 6082 alloy and the six ASW powders, to make a total of six different ASFs. The ASFs containing Small, Medium and Large powders are designated as S-ASF, M-ASF and L-ASF, while those containing the heat-treated powders are designated as SH-ASF, MH-ASF and LH-ASF, respectively. Several ASF samples were subjected to the T6 heat treatment [28] and are denoted with a -T6 suffix. For comparison purposes, an E-sphere syntactic foam (ESF) sample was also fabricated by the same procedure using the aluminium 6082 alloy and an E-sphere powder with a particle size range of 250–500 μm, provided by Envirospheres Ltd. (Lindfield, Australia) [29]. The ASF and ESF samples were machined to discs of 45 mm in diameter and 15 mm in height. The discs were ground to provide an even surface finish.
Tribological ball-on-disc sliding wear tests were conducted using a TRB Tribometer supplied by Anton Parr (Graz, Austria), with the static partner being a steel ball of 3 mm in diameter. For each test, the track radius was set at 10 mm, the applied load was 10 N, which corresponds to a nominal surface pressure of 0.36 MPa, the linear speed was 5.0 ms−1 and the sliding distance was 2000 m. Both dry and lubricated tests were conducted under the same parameters, except the latter were with the addition of 5 drops of Comma DOT4 Brake and Clutch Fluid (20 µL per drop) every 500 m of sliding distance. The data on the coefficient of friction (COF) as a function of sliding distance were collected by the tribometer software (https://www.anton-paar.com, accessed on 10 May 2024). The specific wear of the samples was calculated by measuring the weight difference before and after the test.
After each wear test, the surface images of the static partner and the syntactic foam sample were captured by a stereomicroscope (Leica M135 microscope with a Leica M120 HD Camera (Leica, Wetzlar, Germany). The sample was then analysed using a Veeko Wyko NT1100 interferometer (ArtisanTG, Champaign, IL, USA). The track depth and surface roughness (Ra and Rz) were obtained by the Vision 3.60 software. All experiments were repeated at least three times, and the repeatability was analysed using the method described in [30].
3. Results
3.1. Coefficient of Friction
Figure 2 shows the development of the COF as a function of sliding distance under dry and lubricated sliding wear conditions. The sliding distance for all tests was 2000 m. Only the data for a sliding distance up to 500 m are presented, as very little variability in the COF above 500 m was observed. The COF vs. sliding distance curves show three clear regions. There is the initial sharp increase in the COF in the first 50 m. This occurs because the initial contact area is small and increases rapidly as the track is continuously worn, resulting in the first indents and grooves on the wear track. As sliding distance increases beyond 50 m to 200 m, the grooves become more pronounced on the wear track. Both the static partner and the syntactic foam sample are continuously worn, leading to a decrease in the slope of the curve. Beyond 200 m, the contact area becomes nearly constant, and the surface is worn steadily, leading to the flattening and levelling of the COF. The average values of the COF for the S-ASF, M-ASF and L-ASF samples (containing non-heated powder, heated powder and with T6 treatment), together with the ESF sample, are listed in Table 2. It is shown that the COF increases with increasing ASW particle size.

Figure 2.
COF development for ASF and ESF (a1,a2), H-ASF (b1,b2) and ASF-T6 (c1,c2) samples under dry (a1,b1,c1) and lubricated (a2,b2,c2) sliding wear conditions.
Table 2.
Characteristic tribological properties for ASW and E-sphere syntactic foams (ASF and ESF) under dry and lubricated test conditions.
3.2. Wear Track Morphology
Figure 3, Figure 4 and Figure 5 show the micrographs of the ASF sample, the steel static partner and the wear track map after the dry and lubricated wear tests, for the ASF samples based on the Small, Medium and Large ASW powders, respectively. All samples show relatively even wear tracks and similar wear progression behaviours as seen by the track surfaces. The wear initiates in the soft Al matrix and gradually progresses to the hard ASW particles. The ceramic particles are brittle and tend to be chipped off the surface. As the samples are porous, the ceramic fragments fall into the pores in the ASW particles or the Al matrix in the ASF sample. As this occurs, the surface becomes worn more evenly. The regions of the worn surfaces where the sliding direction is not evident, as indicated by red arrows in Figure 5, reflect this phenomenon. This behaviour is more evident in the ASF samples based on the Large ASW powder than those based on the Small and Medium ASW powders.
Figure 3.
Micrographs of worn surfaces (a1,a4,a7,b1,b4,b7), micrographs of static partners (a2,a5,a8,b2,b5,b8) and wear track maps (a3,a6,a9,b3,b6,b9) for S-ASF (a1–a3,b1–b3), SH-ASF (a4–a8,b4–b6) and S-ASF-T6 (a7–a9,b7–b9) samples under dry (a1–a9) and lubricated (b1–b9) sliding wear conditions.
Figure 4.
Micrographs of worn surfaces (a1,a4,a7,b1,b4,b7), micrographs of static partners (a2,a5,a8,b2,b5,b8) and wear track maps (a3,a6,a9,b3,b6,b9) for M-ASF (a1–a3,b1–b3), MH-ASF (a4–a8,b4–b6) and M-ASF-T6 (a7–a9,b7–b9) samples under dry (a1–a9) and lubricated (b1–b9) sliding wear conditions.
Figure 5.
Micrographs of worn surfaces (a1,a4,a7,b1,b4,b7), micrographs of static partners (a2,a5,a8,b2,b5,b8) and wear track maps (a3,a6,a9,b3,b6,b9) for L-ASF (a1–a3,b1–b3), LH-ASF (a4–a8,b4–b6) and L-ASF-T6 (a7–a9,b7–b9) samples under dry (a1–a9) and lubricated (b1–b9) sliding wear conditions.
Some darker patches, as indicated by blue arrows in Figure 5, are observed on the worn tracks of all samples. They are characteristic of oxidative wear, which occurs when heating due to friction during sliding causes surface oxidation, leading to wear through the removal of oxide fragments [31]. Fatigue-related wear or delamination, as circled on Figure 5, is also observed. It occurs because repeated sliding induces subsurface cracks that gradually grow and eventually shear to the surface, forming long thin wear sheets [31,32].
The static partners generally display even wear profiles. The static partners for the L-ASF samples have even wear surfaces with a clear direction of wear and a symmetrical wear profile. They have no ceramic or ASF material on them, indicating that the wear is predominantly adhesive in L-ASF. The static partners for the S-ASF and M-ASF samples show the presence of ASW particles in some regions, as indicated by red arrows on Figure 3 and Figure 4. They display certain features characteristic of abrasive wear. The static partner for the M-ASF sample also displays uneven wear. It seems the surface roughness of the sample may have played a role.
3.3. Wear Parameters
Table 2 summarises the sliding wear parameters, including track depth, track width, difference in average roughness (ΔRa), difference in mean roughness depth (ΔRz), weight loss and specific wear, as obtained from the track analysis maps. The specific wear, which is the amount of surface wear per unit sliding distance, was calculated by dividing the volume reduction due to wear by the sliding distance, 2000 m in this case. The volume reduction was simply the weight loss divided by the density of the test sample.
There is a clear relationship between the wear parameters and ASW particle size under the dry test conditions. As particle size increases, the track depth and specific wear of the samples increase, while the difference in surface roughness decreases. Under the lubricated test conditions, the track depths are small, and the weight loss was not measurable using a scale. The weight loss and the specific wear were estimated from the wear track measurements, and the values in Table 2 are indicated with an asterisk. The track depths and weight losses observed in the samples are very similar to one another, with minute differences observed. Similar to what was observed under the dry test conditions, the specific wear and differences in surface roughness decrease with increasing ASW particle size.
4. Discussion
4.1. Effect of Lubrication
Figure 2 compares the developments of the COF for the ASF samples as a function of sliding distance under dry and lubricated conditions. During lubricated sliding wear, each curve shows an initial increase in the COF as the track is worn, followed by a slight drop and then almost immediately a steady COF with increasing sliding distance. The steady state is achieved sooner than in the dry sliding tests, due to the lubricant film present causing a slipping action on the surface of the sample, leading to a faster settling of the COF. There is a significant decrease in the COF when compared to the dry sliding tests (Table 2). The values for different particle sizes are similar as opposed to being evidently different from one another under dry conditions. This is because the lubricant effectively dictates the wear behaviour and therefore negates the magnitude of the particle size effect on the COF. The marginal difference in the COF as particle size changes can be attributed to the fact that there are more ASW particles present in the smaller particle size samples.
The micrographs of the worn surfaces of the ASF samples after the lubricated sliding wear tests (Figure 3, Figure 4 and Figure 5) show that the wear tracks for all samples are shallower than their counterparts seen under the dry conditions. The surfaces of the wear tracks are also more even and show little presence of metal. This is because the lubrication on the surface of the sample causes a slipping action that reduces the amount of wear occurring. Some unbroken porous particles are observed on the surfaces of the wear tracks of the L-ASF and M-ASF samples, as indicated by arrows in Figure 4 and Figure 5. They can act as reservoirs and provide a constant distribution of the lubricant, which may also contribute to the lower COF and specific wear compared to the dry sliding wear conditions.
The micrographs of the static partners for the S-ASF and M-ASF samples (Figure 3 and Figure 4) show a significant presence of abrasive wear after the lubricated sliding wear tests. This is different from the dominant adhesive wear during the dry sliding wear tests. There is also no evidence of delamination or oxidative wear. The change in wear type can be attributed to different lubricating effects on the metal matrix and on the porous ceramic particles. Although the lubricant prevents excessive wear due to its slipping action, it does carry debris lost from the ceramic particles, which cause abrasion. This debris can deposit onto the surface of the static partner [33,34,35,36].
4.2. Effect of Properties of ASW Particles
The Small, Medium and Large ASW powders are different not only in particle size but also in chemical composition, as shown in Table 1. It is therefore difficult to separate the effects of particle size and composition. However, comparing the wear behaviours of the ASFs manufactured from the different powders both with and without heating can give good indications of the relative significance of particle size and composition.
Comparing L-ASF and LH-ASF shows that heating the Large powder resulted in huge reductions in the COF from 0.48 to 0.06 and in specific wear from 0.02 to 0.008 mm3 m−1. Table 1 shows that there is a significant change in the chemical composition of Large ASW powder. The heated Large sample has a higher oxygen content than the non-heated Large sample. We also observed a colour change and a decrease in strength and hardness after heating, attributable to the oxidation of residual metal and weight loss. In other words, for the same particle size, a change in composition can result in a very different wear behaviour, indicating the importance of the mechanical properties of the ASW particles. The decrease in strength upon the heating of the ASW particles leads to a decrease in the frictional force required to cause surface deformation and therefore a low COF of the LH-ASF sample. The micrographs of the worn surfaces of the LH-ASF sample clearly show a change in wear behaviour, where pieces of the ASW particles end up becoming attached to the static partner, leading to abrasive wear and a resultant increase in the amount of wear.
Heating the Small and Medium ASW particles results in little change in wear behaviour for the resultant ASFs, because of no significant compositional changes in these two powders. The micrographs of the worn surfaces of the SH-ASF and MH-ASF samples show very similar wear behaviour as opposed to S-ASF and M-ASF samples, with adhesive wear being dominant, abrasive wear observed to some extent and indications of oxidative wear and delamination as well.
Ceramic particle size has no significant effect on the volume fraction of ceramic particles in the resultant MMSFs manufactured by infiltration casting. The effect of ASW particle size on the wear behaviour of the as-fabricated ASFs is therefore not expected to be large. However, particle size is still a factor which cannot be ignored. Table 2 shows that the COF and specific wear of the ASFs containing non-heated ASW powders increase with increasing ASW particle size, which can be partly attributable to the particle size effect. Different ASW particle size leads to different sized ligaments of the Al matrix network, which can affect the COF and wear of the ASFs.
4.3. Effect of T6 Treatment
The development of the COF as a function of sliding distance for the T6-treated ASFs is significantly different from their non-T6-treated counterparts (Figure 2). For all samples, there is an initial sharp increase in the COF at sliding distances of less than 50 m, followed by a sudden drop and a low constant beyond 50 m. However, the average COF values for the T6-treated samples indicate a similar trend as to what was observed for the non-T6 treated syntactic foams, where the samples with larger ASW particles have a higher COF (Table 2). The significant decrease in the COF, and thus specific wear, for the six treated samples is primarily due to the hardening of the Al matrix, which is well documented in the literature [35].
The wear track maps of the T6-treated ASF samples show evenly worn surfaces, with less variability in height loss as the surface is worn when compared to the non-T6-treated samples (Figure 3, Figure 4 and Figure 5). The wear parameters (Table 2) show a similar correlation with particle size to the non-T6-treated syntactic foam samples. Compared to the non-T6-treated syntactic foam samples, T6 treatment causes an overall enhancement in wear resistance due to the hardened Al matrix.
4.4. Comparison with ESFs
The development of the COF as a function of sliding distance under dry sliding wear conditions for the ASF samples is different from that of the ESF sample (Figure 2). The curve of the ESF sample shows three distinct regions: an initial sharp increase in the COF as sliding distance increases, followed by a rapid decrease and finally a very slow, gradual decrease. The ASF samples also have an initial sharp increase, but the rapid drop region is not observed. The E-spheres have a relatively high porosity level and are weak. The weaker E-sphere particles on the surface of the ESF sample become more easily plastically deformed, which leaves the static partner to slide against largely open pores, reducing the contact area and decreasing the COF. The gradual decrease in the COF is due to the continuous deformation of E-sphere particles and reductions in contact area. The ASW particles are stronger and harder than the E-spheres due to lower porosities. They experience much less plastic deformation, leading to higher COF values (Table 2). Under the lubricated condition, however, the ASFs have very similar wear properties as the ESF, because lubrication dictates the wear behaviour and levels out many of the differences in morphology and composition between the ASFs and the ESF.
Figure 6 shows the micrograph of the worn surface, micrograph of the static partner and wear track map for the ESF samples obtained under the same dry and lubricated sliding wear conditions. Under the dry sliding test condition, the track is worn evenly throughout the surface of the sample, which is similar to the worn tracks of the ASF samples. The static partner is unevenly worn, with an irregular wear surface and a significant amount of abrasive wear, which is caused by some pieces of the E-sphere particles broken off during the test.
Figure 6.
Micrographs of worn surfaces (a1,b1), micrographs of static partners (a2,b2) and wear track maps (a3,b3) for ESF samples under dry (a1–a3) and lubricated (b1–b3) sliding wear conditions.
Overall, the morphology and characteristics of the wear tracks of the ASF samples are similar to those of the ESF sample and in fact similar to those of MMCs, indicating similar wear behaviour for these particulate-reinforced composite materials [31,33]. However, the wear parameters are different between these materials, mainly due to the different mechanical properties.
Table 2 shows that the S-ASF and M-ASF samples have a superior wear resistance than the ESF sample, while the L-ASF sample is inferior to the ESF sample, as seen in the differences in track depth and specific wear. The ASFs have lower ΔRa but higher ΔRz values, showing that they have overall less rough (lower ΔRa) but more even (higher ΔRz) surfaces than the ESF sample. The ESF sample loses more weight during the test, probably due to broken particles coming out as debris, which is not observed for the ASF samples.
5. Conclusions
- Under dry sliding wear conditions, the COF vs. sliding distance curves of the ASF samples show three distinct regions: an initial sharp increase, followed by a gradual decrease and then a final steady state. The average COF and specific wear increase with increasing ASW particle size.
- All samples show relatively even wear tracks and similar wear progression behaviours. The wear is predominantly adhesive in L-ASF and abrasive in S-ASF and M-ASF. The samples also show behaviour indicative of delamination and oxidative wear.
- Lubrication leads to a much lower average COF and specific wear and a change from adhesive to abrasive wear compared to the dry tests. The porous ASW particles enhance the wear reduction in lubricated wear tests because they act as lubricant reservoirs, allowing for a continuous presence of lubrication.
- The heating of ASW particles leads to a significant change in wear behaviour for L-ASF, due to the compositional change upon heating, but no change for S-ASF and M-ASF. T6 treatment leads to a significant reduction in the COF and a lower specific wear due to the hardening of the Al matrix.
- The S-ASF and M-ASF samples have a superior wear resistance than the ESF sample because the Small and Medium ASW particles are stronger and harder than the E-spheres due to lower porosities. The ASFs experience much less plastic deformation, leading to higher COF and specific wear values than the ESF. The wear resistance of the L-ASF sample is inferior to the ESF sample because the non-heated Large ASW particles contain a significant amount of metal residue.
Author Contributions
Conceptualization, Y.Z.; Methodology, B.M. and Y.Z.; Formal analysis, B.M. and Y.Z.; Investigation, B.M.; Resources, Y.Z.; Data curation, B.M.; Writing—original draft, B.M.; Writing—review & editing, Y.Z.; Supervision, Y.Z.; Project administration, B.M. and Y.Z.; Funding acquisition, Y.Z. All authors have read and agreed to the published version of the manuscript.
Funding
This work is supported by the Low Carbon Eco-Innovatory at the University of Liverpool along with Ultromex Ltd.
Data Availability Statement
The raw data supporting the conclusions of this article will be made available by the authors on request.
Acknowledgments
The authors would like to acknowledge the support of Alice Gillett at the University of Chester for providing access to their Tribology Lab at Thronton Science Park.
Conflicts of Interest
The authors declare no conflict of interest.
References
- Daniel Brough, D.; Hussam Jouhara, H. The aluminium industry: A review on state-of-the-art technologies, environmental impacts and possibilities for waste heat recovery. Int. J. Thermofluids 2020, 1–2, 100007. [Google Scholar] [CrossRef]
- Gupta, N.; Kishore Woldesenbet, E.; Sankaran, S. Studies on compressive failure features in syntactic foam material. J. Mater. Sci. 2001, 36, 4485–4491. [Google Scholar] [CrossRef]
- John, B.; Nair, R. Update on Syntactic Foams; iSmithers: Shawbury, UK, 2010. [Google Scholar]
- Wouterson, E.M.; Boey, F.Y.C.; Hu, X.; Wong, S. Specific properties and fracture toughness of syntactic foam: Effect of foam microstructures. Compos. Sci. Technol. 2005, 65, 1840–1850. [Google Scholar] [CrossRef]
- Karthikeyan, C.; Sankaran, S.; Kumar, J. Processing and compressive strengths of syntactic foams with and without fibrous reinforcements. J. Appl. Polym. Sci. 2001, 81, 405–411. [Google Scholar] [CrossRef]
- Maharsia, R.R. Development of High Performance Hybrid Syntactic Foams: Structure and Material Property Characterization. Ph.D. Thesis, Louisiana State University, Baton Rouge, LA, USA, 2005. [Google Scholar]
- Gupta, N.; Karthikeyan, C.S.; Sankaran, S. Correlation of Processing Methodology to the Physical and Mechanical Properties of Syntactic Foams with and Without Fibers. Mater. Charact. 1999, 43, 271–277. [Google Scholar] [CrossRef]
- Gupta, N.; Pinisetty, D.; Shunmugasamy, V.C. Reinforced Polymer Matrix Syntactic Foams; Springer: Cham, Switzerland, 2013. [Google Scholar]
- Gupta, N.; Rohatgi, P.K. Metal Matrix Syntactic Foams: Processing, Microstructure, Properties and Applications, 1st ed.; DEStech Publications, Inc.: Lancaster, PA, USA, 2015. [Google Scholar]
- Ashby, M.F. Metal Foams: A Design Guide; Butterworth-Heinemann: Boston, MA, USA, 2000. [Google Scholar]
- Kiser, M.; He, M.Y.; Zok, F.W. The mechanical response of ceramic microballoon reinforced aluminum matrix composites under compressive loading. Acta Mater. 1999, 47, 2685–2694. [Google Scholar] [CrossRef]
- Luong, D.D.; Strbik, O.M.; Hammond, V.H.; Gupta, N.; Cho, K. Development of high performance lightweight aluminum alloy/SiC hollow sphere syntactic foams and compressive characterization at quasi-static and high strain rates. J. Alloys Compd. 2013, 550, 412–422. [Google Scholar] [CrossRef]
- Gupta, N.; Luong, D.D.; Cho, K. Magnesium Matrix Composite Foams—Density, Mechanical Properties, and Applications. Metals 2012, 2, 238–252. [Google Scholar] [CrossRef]
- Tao, X.F.; Zhao, Y.Y. Compressive failure of Al alloy matrix syntactic foams manufactured by melt infiltration. Mater. Sci. Eng. A 2012, 549, 228–232. [Google Scholar] [CrossRef]
- Zhang, L.P.; Zhao, Y.Y. Mechanical Response of Al Matrix Syntactic Foams Produced by Pressure Infiltration Casting. J. Compos. Mater. 2007, 41, 2105–2117. [Google Scholar] [CrossRef]
- Xue, X.; Zhao, Y.Y. Ti Matrix Syntactic Foam Fabricated by Powder Metallurgy: Particle Breakage and Elastic Modulus. JOM 2011, 63, 43–47. [Google Scholar] [CrossRef]
- Mondal, D.P.; Datta Majumder, J.; Jha, N.; Badkul, A.; Das, S.; Patel, A.; Gupta, G. Titanium-cenosphere syntactic foam made through powder metallurgy route. Mater. Des. 2012, 34, 82–89. [Google Scholar] [CrossRef]
- Xie, J.W.; Zhao, Y.Y.; Dunkley, J.J. Effects of processing conditions on powder particle size and morphology in centrifugal atomisation of tin. Powder Metall. 2013, 47, 168–172. [Google Scholar] [CrossRef]
- Neville, B.P.; Rabiei, A. Composite metal foams processed through powder metallurgy. Mater. Des. 2008, 29, 388–396. [Google Scholar] [CrossRef]
- Vogiatzis, C.A.; Tsouknidas, A.; Kountouras, D.T.; Skolianos, S. Aluminum-ceramic cenospheres syntactic foams produced by powder metallurgy route. Mater. Des. 2015, 85, 444–454. [Google Scholar] [CrossRef]
- Tao, X.F.; Zhao, Y.Y. Compressive behavior of Al matrix syntactic foams toughened with Al particles. Scr. Mater. 2009, 61, 461–464. [Google Scholar] [CrossRef]
- Wu, G.H.; Dou, Z.Y.; Sun, D.L.; Jiang, L.T.; Ding, B.S.; He, B.F. Compression behaviors of cenosphere–pure aluminum syntactic foams. Scr. Mater. 2007, 56, 221–224. [Google Scholar] [CrossRef]
- Chung, S.; Hwang, B.H. A microstructural study of the wear behaviour of SiCp/Al composites. Tribol. Int. 1994, 27, 307–314. [Google Scholar] [CrossRef]
- Deuis, R.L.; Subramanian, C.; Yellup, J.M. Abrasive wear of aluminium composites—A review. Wear 1996, 201, 132–144. [Google Scholar] [CrossRef]
- Mondal, D.P.; Das, S.; Jha, N. Dry sliding wear behaviour of aluminum syntactic foam. Mater. Des. 2009, 30, 2563–2568. [Google Scholar] [CrossRef]
- Mondal, D.P.; Majumdar, J.D.; Goel, M.D.; Gupta, G. Characteristics and wear behavior of cenosphere dispersed titanium matrix composite developed by powder metallurgy route. Trans. Nonferrous Met. Soc. China 2014, 24, 1379–1386. [Google Scholar] [CrossRef]
- Mohanty, S.; Chugh, Y.P. Development of fly ash-based automotive brake lining. Tribol. Int. 2007, 40, 1217–1224. [Google Scholar] [CrossRef]
- ASM. ASM Handbook; ASM: Hong Kong, China, 1991; Volume 4. [Google Scholar]
- Envirospheres Pty Ltd. E-SPHERES® SL Series—High Performance, White Hollow Ceramic Microspheres—Envirospheres. 2018. Available online: https://envirospheres.com.au/products/e-spheres-sl-series/ (accessed on 20 January 2020).
- Peta, K.; Love, G.; Brown, C.A. Comparing repeatability and reproducibility of topographic measurement types directly using linear regression analyses of measured heights. Precis. Eng. 2024, 88, 192–203. [Google Scholar] [CrossRef]
- Ramachandra, M.; Radhakrishna, K. Effect of reinforcement of flyash on sliding wear, slurry erosive wear and corrosive behavior of aluminium matrix composite. Wear 2007, 262, 1450–1462. [Google Scholar] [CrossRef]
- Zhang, J.; Alpas, A.T. Transition between mild and severe wear in aluminium alloys. Acta Mater. 1997, 45, 513–528. [Google Scholar] [CrossRef]
- Jha, N.; Badkul, A.; Mondal, D.P.; Das, S.; Singh, M. Sliding wear behaviour of aluminum syntactic foam: A comparison with Al-10wt% SiC composites. Tribol. Int. 2011, 44, 220–231. [Google Scholar] [CrossRef]
- Májlinger, K.; Bozóki, B.; Kalácska, G.; Keresztes, R.; Zsidai, L. Tribological properties of hybrid aluminum matrix syntactic foams. Tribol. Int. 2016, 99, 211–223. [Google Scholar] [CrossRef]
- Sondur, D.G.; Mallapur, D.G.; Udupa, K.R. Effect of T6 treatment on the coefficient of friction of Al25Mg2Si2Cu4Fe alloy. AIP Conf. Proc. 2018, 1943, 020080. [Google Scholar] [CrossRef]
- Mofidi, M.; Prakash, B. The Influence of Lubrication on Two-body Abrasive Wear of Sealing Elastomers Under Reciprocating Sliding Conditions. J. Elastomers Plast. 2011, 43, 19–31. [Google Scholar] [CrossRef]
Disclaimer/Publisher’s Note: The statements, opinions and data contained in all publications are solely those of the individual author(s) and contributor(s) and not of MDPI and/or the editor(s). MDPI and/or the editor(s) disclaim responsibility for any injury to people or property resulting from any ideas, methods, instructions or products referred to in the content. |
© 2024 by the authors. Licensee MDPI, Basel, Switzerland. This article is an open access article distributed under the terms and conditions of the Creative Commons Attribution (CC BY) license (https://creativecommons.org/licenses/by/4.0/).






