High-Definition Dynamic Voltage Restorer Systems Using Equivalent Time Sampling Techniques and Circular Structural Memory Filters
Abstract
1. Introduction
2. Voltage Regulator on a Power Line
3. Electronic DVR
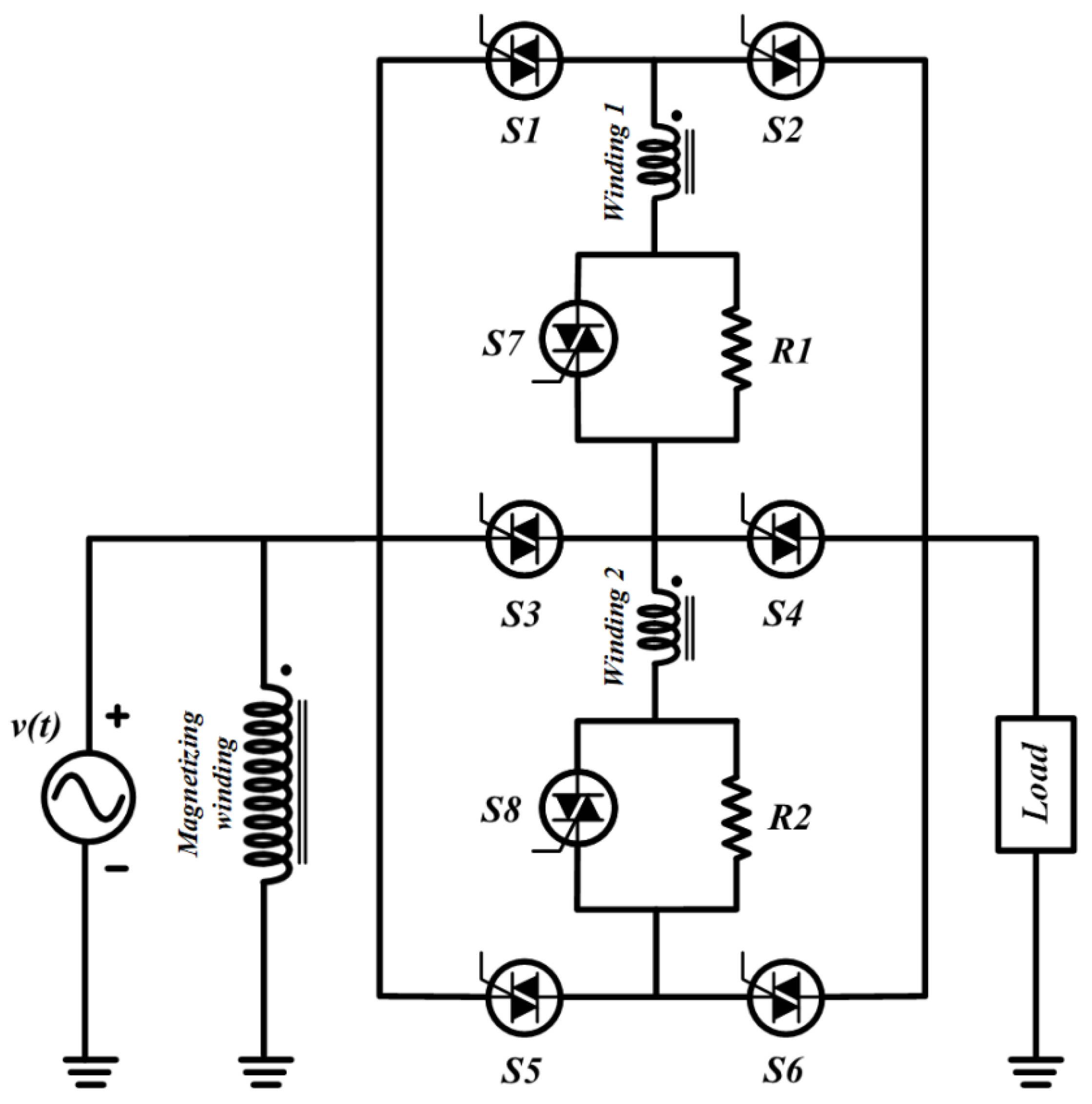
3.1. DVR Topology Characteristic Analysis
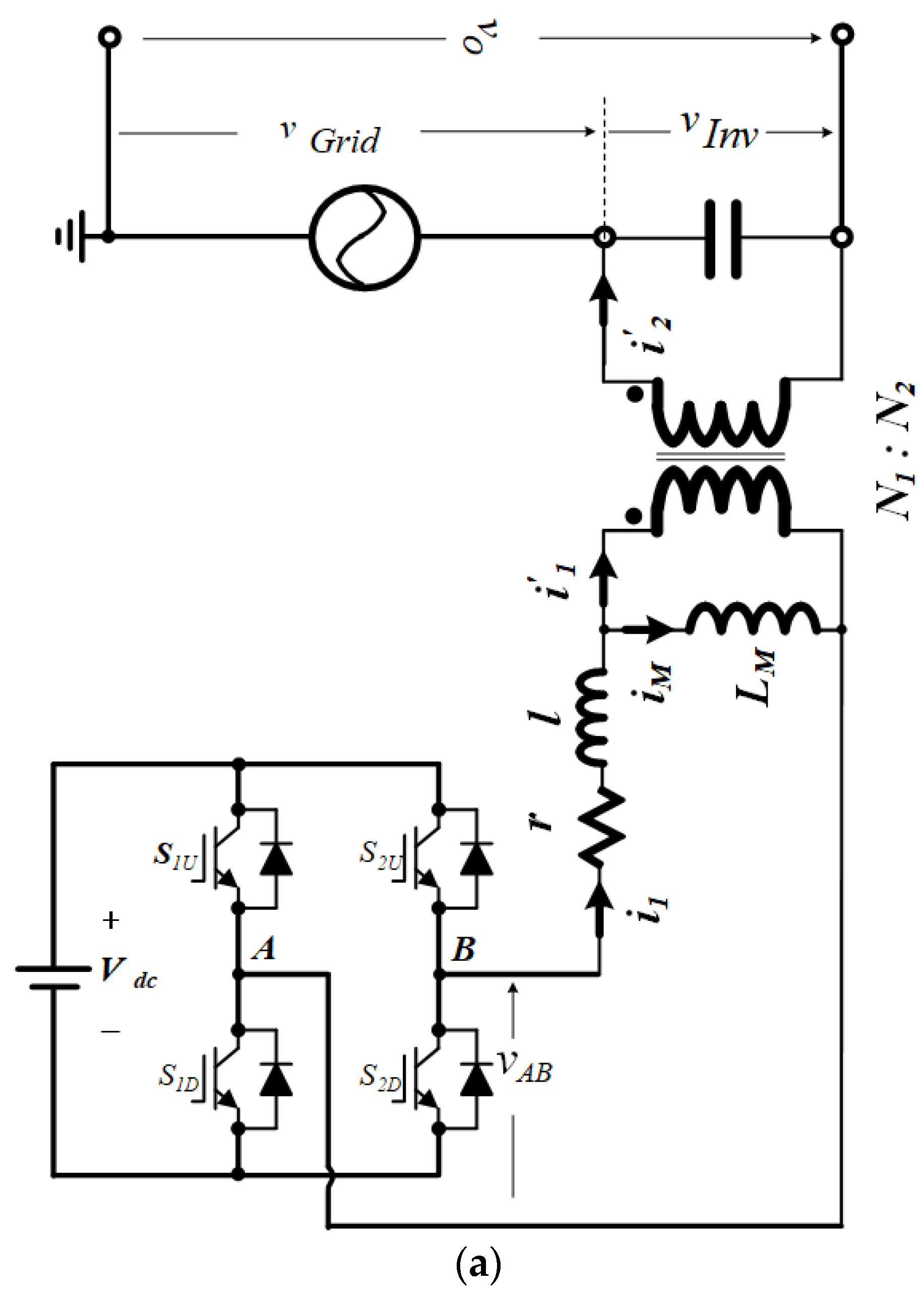
3.2. G: Inverter Arm Voltage Transfer Function
3.3. Proposed DVR Topology
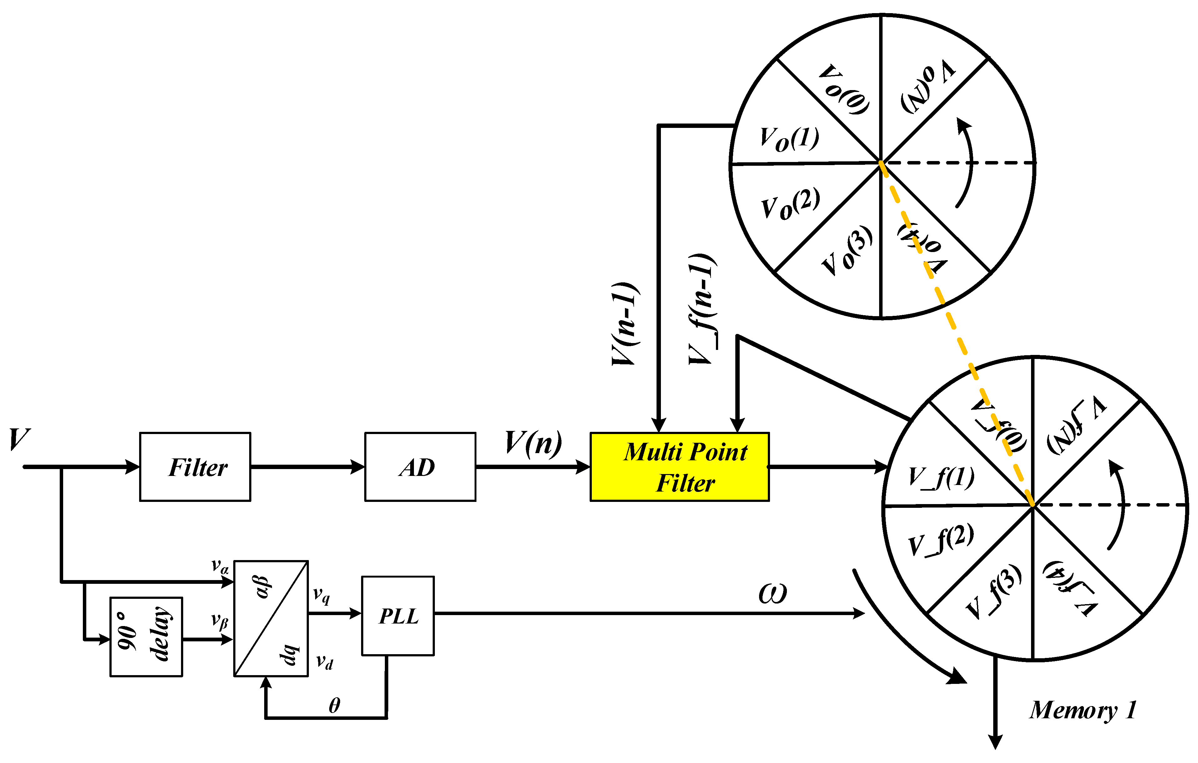
3.4. Multi-Pointer Memory Filter with Circular Structure
4. Simulations and Experiments
4.1. Simulation Results
4.2. Experimental Result
5. Conclusions
Funding
Institutional Review Board Statement
Informed Consent Statement
Data Availability Statement
Acknowledgments
Conflicts of Interest
References
- Rabinowitz, M. Power systems of the future. IEEE Power Eng. Rev. 2000, 20, 5–16. [Google Scholar] [CrossRef]
- Roy, N.K.; Pota, H.R. Current Status and Issues of Concern for the Integration of Distributed Generation Into Electricity Networks. IEEE Syst. J. 2015, 9, 933–944. [Google Scholar] [CrossRef]
- Gunther, E.W. Interharmonics in power systems. In Proceedings of the 2001 Power Engineering Society Summer Meeting. Conference Proceedings (Cat. No.01CH37262), Vancouver, BC, Canada, 15–19 July 2001; pp. 813–817. [Google Scholar]
- Benysek, G.; Pasko, M. Power Theories for Improved Power Quality; Springer: London, UK, 2012. [Google Scholar]
- Tewari, T.; Mohapatra, A.; Anand, S. Coordinated Control of OLTC and Energy Storage for Voltage Regulation in Distribution Network with High PV Penetration. IEEE Trans. Sustain. Energy 2021, 12, 262–272. [Google Scholar] [CrossRef]
- Mahmud, N.; Zahedi, A. Review of control strategies for voltage regulation of the smart distribution network with high penetration of renewable distributed generation. Renew. Sustain. Energy Rev. 2016, 64, 582–595. [Google Scholar] [CrossRef]
- Aziz, T.; Ketjoy, N. Enhancing PV penetration in LV networks using reactive power control and on load tap changer with existing transformers. IEEE Access 2017, 6, 2683–2691. [Google Scholar] [CrossRef]
- Sarimuthu, C.R.; Ramachandaramurthy, V.K.; Agileswari, K.; Mokhlis, H. A review on voltage control methods using on-load tap changer transformers for networks with renewable energy sources. Renew. Sustain. Energy Rev. 2016, 62, 1154–1161. [Google Scholar] [CrossRef]
- Xu, H.; Dominguez-Garcia, A.D.; Sauer, P.W. Optimal Tap Setting of Voltage Regulation Transformers Using Batch Reinforcement Learning. IEEE Trans. Power Syst. 2020, 35, 1990–2001. [Google Scholar] [CrossRef]
- Moghassemi, A.; Padmanaban, S. Dynamic Voltage Restorer (DVR): A Comprehensive Review of Topologies, Power Converters, Control Methods, and Modified Configurations. Energies 2020, 13, 4152. [Google Scholar] [CrossRef]
- Ram, G.; Prasanth, V.; Bauer, P.; Barthlein, E.-M. Comparative analysis of on-load tap changing (OLTC) transformer topologies. In Proceedings of the 2014 16th International Power Electronics and Motion Control Conference (PEMC), Antalya, Turkey, 21–24 September 2014; pp. 918–923. [Google Scholar]
- Ismail, A.A.A.; Alsuwaidi, H.; Elnady, A. Automatic Voltage Stabilization Using IGBT Based on Load Tap Changer with Fault Consideration. IEEE Access 2021, 9, 72769–72780. [Google Scholar] [CrossRef]
- Mouli, G.R.C.; Bauer, P.; Wijekoon, T.; Panosyan, A.; Barthlein, E.-M. Design of a Power-Electronic-Assisted OLTC for Grid Voltage Regulation. IEEE Trans. Power Deliv. 2015, 30, 1086–1095. [Google Scholar] [CrossRef]
- Lima, R.N.D.C.; Macedo, J.R. A Novel Switching Methodology for Low Voltage Static Regulators. IEEE Access 2022, 10, 20745–20763. [Google Scholar] [CrossRef]
- Ghosh, A.; Ledwich, G. Compensation of distribution system voltage using DVR. IEEE Trans. Power Deliv. 2002, 17, 1030–1036. [Google Scholar] [CrossRef]
- Udayakiran, C.; Vali, S.H. Design of Battery Energy Storage System (BESS) Support Dynamic Voltage Restorer (DVR) to Reduce the Rating of Voltage Source Converter (VSC) Applied to IEEE 11, 33 & 69 Bus Systems. In Proceedings of the 2017 IEEE 7th International Advance Computing Conference (IACC), Hyderabad, India, 5–7 January 2017; pp. 477–481. [Google Scholar]
- Sng, E.K.K.; Choi, S.S.; Vilathgamuwa, D.M. Analysis of series compensation and dc-link voltage controls of a transformerless self-charging dynamic voltage restorer. IEEE Trans. Power Deliv. 2004, 19, 1511–1518. [Google Scholar] [CrossRef]
- Ansal, V.; Ravikumar, K.; Parthiban, P. Transformerless Dynamic Voltage Restorer for voltage sag mitigation. In Proceedings of the 2016 Biennial International Conference on Power and Energy Systems: Towards Sustainable Energy (PESTSE), Bengaluru, India, 21–23 January 2016; pp. 1–4. [Google Scholar]
- Ghosh, A.; Ledwich, G. Structures and control of a dynamic voltage regulator (DVR). In Proceedings of the 2001 IEEE Power Engineering Society Winter Meeting, Conference Proceedings (Cat. No.01CH37194), Columbus, OH, USA, 28 January–1 February 2001; Volume 3, pp. 1027–1032. [Google Scholar]
- Soomro, A.H.; Larik, A.S.; Mahar, M.A.; Sahito, A.A.; Soomro, A.M.; Kaloi, G.S. Dynamic voltage restorer—A comprehensive review. Energy Rep. 2021, 7, 6786–6805. [Google Scholar] [CrossRef]


























Disclaimer/Publisher’s Note: The statements, opinions and data contained in all publications are solely those of the individual author(s) and contributor(s) and not of MDPI and/or the editor(s). MDPI and/or the editor(s) disclaim responsibility for any injury to people or property resulting from any ideas, methods, instructions or products referred to in the content. |
© 2024 by the author. Licensee MDPI, Basel, Switzerland. This article is an open access article distributed under the terms and conditions of the Creative Commons Attribution (CC BY) license (https://creativecommons.org/licenses/by/4.0/).
Share and Cite
Ko, J.-h. High-Definition Dynamic Voltage Restorer Systems Using Equivalent Time Sampling Techniques and Circular Structural Memory Filters. Appl. Sci. 2024, 14, 6896. https://doi.org/10.3390/app14166896
Ko J-h. High-Definition Dynamic Voltage Restorer Systems Using Equivalent Time Sampling Techniques and Circular Structural Memory Filters. Applied Sciences. 2024; 14(16):6896. https://doi.org/10.3390/app14166896
Chicago/Turabian StyleKo, Jae-ha. 2024. "High-Definition Dynamic Voltage Restorer Systems Using Equivalent Time Sampling Techniques and Circular Structural Memory Filters" Applied Sciences 14, no. 16: 6896. https://doi.org/10.3390/app14166896
APA StyleKo, J.-h. (2024). High-Definition Dynamic Voltage Restorer Systems Using Equivalent Time Sampling Techniques and Circular Structural Memory Filters. Applied Sciences, 14(16), 6896. https://doi.org/10.3390/app14166896

