Next Article in Journal
Nanostructured Magnetite Coated with BiOI Semiconductor: Readiness Level in Advanced Solar Photocatalytic Applications for the Remediation of Phenolic Compounds in Wastewater from the Wine and Pisco Industry
Next Article in Special Issue
Creating a Quasi-Resonant Induction Cooktop Integrating Zero-Voltage Switching (ZVS) and Load Management
Previous Article in Journal
Acidulated Soapstock as a Carbon Source for the Production of Mannosylerythritol Lipids by Pseudozyma antarctica ATCC 2706
Previous Article in Special Issue
Improved Performance of the Permanent Magnet Synchronous Motor Sensorless Control System Based on Direct Torque Control Strategy and Sliding Mode Control Using Fractional Order and Fractal Dimension Calculus
 
 
Font Type:
Arial Georgia Verdana
Font Size:
Aa Aa Aa
Line Spacing:
Column Width:
Background:
Article

Adaptive Feedback Control for Four-Phase Interleaved Boost Converter Used with PEM Fuel Cell †

by
Mohamed Gouhail
1,
Issam Salhi
2,*,
El houssine El Mazoudi
1 and
Said Doubabi
1
1
CISIEV Laboratory, Cadi Ayyad University, Marrakesh 40000, Morocco
2
UTBM, CNRS, Institut FEMTO-ST, F-90010 Belfort Cedex, France
*
Author to whom correspondence should be addressed.
This paper is an extended version of a conference paper published in Gouhail, M.; Salhi, I.; El Mazoudi, E.l.; Hao, X.; Doubabi, S. State feedback control of four-phase interleaved boost converter combined with PEM fuel cell. In Proceedings of the 12th IFAC Symposium on Control of Power and Energy Systems—CPES 2024, Rabat, Morocco, 10–12 July 2024. https://doi.org/10.1016/j.ifacol.2024.07.530.
Appl. Sci. 2024, 14(21), 9895; https://doi.org/10.3390/app14219895
Submission received: 27 August 2024 / Revised: 10 October 2024 / Accepted: 22 October 2024 / Published: 29 October 2024
(This article belongs to the Special Issue Control Systems for Next Generation Electric Applications)

Abstract

Fuel cell electric vehicles (FCEVs) are among the devices that have emerged in recent years. To provide electricity to the electric motors, they use a proton-exchange membrane fuel cell (PEMFC) as the primary energy source and a secondary source consisting of an energy storage system (battery or supercapacitors). The addition of these sources to the motors and accessories of a vehicle requires the association of static converters to condition the different power sources. In addition, a high-efficiency and enhanced-reliability power converter is essential to connect the PEMFC to the vehicle’s DC bus. This paper proposes a robust feedback controller for a four-phase interleaved boost converter used with PEMFC. The proposed controller has double loops based on a state-feedback controller, and an inner loop which translates the differential equation of the system into a state representation by linearization around its operation points. The reference current is generated by state feedback in the outer loop; the state variable is defined by using a change variable. The strong robustness and highly dynamic characteristics of the proposed controller are demonstrated through its performance in terms of output voltage, source current, and settling time. The findings indicate that the proposed controller achieves a response time of 20 ms, resulting in an over 50 % improvement compared to the controllers referenced in the literature. Additionally, it reduces both current and voltage ripple, keeping them each below 10 % . Further, the controller gains synthesis is validated using the linear quadratic regulator (LQR) technique as well as boundary conditions, and its robustness is verified, taking into account the uncertainty of various operating conditions and discrepancies in circuit components. A double-loop super-twisting sliding mode controller, a backstepping control algorithm, and a PI controller are selected for comparison and discussion. Subsequently, the effectiveness of the proposed controller is evaluated through simulation with the parameters of a 500 W fuel cell system.

1. Introduction

As industrial processes continue to advance, fossil fuels remain a significant component of the energy landscape, projected to account for approximately 70% of the energy structure by 2050 [1]. However, the overuse and combustion of fossil fuels in transportation have raised concerns regarding excessive greenhouse gas emissions, energy shortages, and resource allocation issues [2]. While electrification of transportation presents a viable solution to reduce carbon dioxide emissions, if the electricity used is generated from fossil fuels such as coal, significant carbon dioxide emissions will still occur. Therefore, it is essential to highlight that renewable energy sources, despite their intermittency and fluctuations, play a key role in powering these systems. In this context, hydrogen energy can serve as a medium to store excess energy from renewables and bridge the gap in load fluctuations, thus enabling fuel cell hybrid vehicles [3].
Fuel cell electric vehicles (FCEVs), which use hydrogen combined with PEM fuel cell technology, have garnered attention as a promising solution for sustainable transportation [4]. PEMFC offer zero emissions, high power output, and adaptability to varying temperature conditions compared to traditional batteries [5]. The production of hydrogen from diverse sources, particularly renewable ones, further enhances their appeal as a clean energy option [6]. However, it is important to consider the advantages of combining fuel cells with lithium-ion batteries rather than relying solely on one or the other. While hydrogen fuel cells offer zero carbon dioxide emissions, lithium-ion batteries also present a similar environmental benefit when sourced from renewable energy. Furthermore, when the performance of onboard batteries fails to meet electric vehicle (EV) mileage and safety standards, many retired batteries require urgent treatment. Second-use applications for retired EV batteries represent an optimal solution to effectively avoid energy waste and utilize the remaining value of these batteries. Nevertheless, long-term performance testing for second-use applications can increase costs, and the standard classification criteria (such as battery capacity or internal resistance) do not ensure the consistency of regrouped retired batteries. This inconsistency may accelerate battery performance degradation, as highlighted in the literature [7].
The proton-exchange membrane fuel cell (PEMFC) technology is recognized as one of the primary solutions for transportation applications, particularly in the automotive field, due to its excellent performance and high environmental adaptability [8]. In these applications, multiple cells are connected in series and parallel to meet the power and voltage requirements. However, the fuel cell voltage is unstable due to uneven reactions occurring within the cell, as well as other contributing factors such as temperature variations and the management of humidity and water. Therefore, a DC-DC converter is necessary to provide a stable voltage and increase the voltage of the fuel cell stack to the desired level for direct use in practical applications.
Among the types of DC-DC converters most commonly used in the industrial world, two categories stand out with voltage boosting functions: isolated and non-isolated converters. The advantages of isolated converters include galvanic isolation and a theoretically very high voltage boost ratio. Applications that are not sensitive to size and require a high voltage ratio have favored isolated converters, particularly in the field of fuel cells [9,10], such as in photovoltaic applications. However, for size, cost, and power density-sensitive applications like automobiles, isolated converters become less attractive. Theoretically, a standard boost converter, as the simplest and least expensive non-isolated solution, could be used in fuel cell vehicles. However, its simple structure limits its use due to the lack of redundancy and limited ability to suppress current ripple [11]. An interleaved boost converter (IBC) consists of multiple standard boost converters in parallel. This interleaved topology retains the structural simplicity of the standard boost converter while resolving issues of redundancy and ripple suppression, making it the preferred choice for fuel cell vehicles. Consequently, several research articles have been published on the use of IBC in PEMFC applications [12,13,14,15].
However, designing a controller suitable for application to interleaved boost converters (IBC) intended for fuel cell vehicles is a highly complex task. On the one hand, there are specific requirements that must be considered, such as rejecting load disturbances, reducing ripples, and limiting current overshoots from the fuel cell. This entails additional demands on the robustness of the controller to meet the specified requirements. On the other hand, nonlinear terms appear in both the fuel cell and converter models, while uncertainties in the parameters of both systems add to the complexity of controller design. Although a double-loop controller based on the proportional–integral (PI) algorithm can ensure stability near a certain static operating point [16], it is necessary to design a controller capable of ensuring system stability over a wide operating range. Nonlinear controllers have already been used to address similar power control issues in general.
However, the literature reports that by applying the small-signal model of the TAB converter and designing a system controller using a decoupling control method, the PEMFC power can be stabilized after a disturbance is injected across the entire frequency range tested. Furthermore, the lithium-ion battery can instantly track load variations during fluctuations, as referenced in [17].
The advantages of the proposed controller compared to those in the literature lie in its ability to offer enhanced stability not only after small-scale disturbances but also across a wider range of operating conditions. Unlike traditional decoupling approaches, our controller accounts for the complex dynamic interactions between the fuel cell and the load, ensuring a rapid response to sudden load variations while maintaining system robustness over time. Additionally, our approach incorporates nonlinear compensation mechanisms that increase resilience to input voltage fluctuations and parameter variations in the system, which significantly improves overall system performance compared to existing methods. Hao et al. [18] proposed a double-loop sliding mode control (DL-STSM) for the interleaved converter, taking into account the performance of the fuel cell current, also demonstrating satisfactory robustness. Gouhail et al. [19] also proposed robust disturbance rejection control based on fuzzy logic of four-phase interleaved boost converters. However, due to the nonlinear characteristics of the fuzzy logic model, this controller causes additional ripples in the fuel cell current. In [11], Hao et al. proposed another controller based on a double-loop for the four-phase interleaved boost converter (IBC). An outer loop (voltage loop) based on the STSM algorithm is used to ensure the tracking of the output voltage to a desired reference voltage, and subsequently, generate an appropriate current reference. An inner loop (current loop) employing the backstepping control algorithm is utilized to indirectly control the fuel cell stack current to ensure system disturbance rejection and enhance its capability. The objectives of this controller are achieved. However, the system response time remains significant in this case. Saadi et al. [20] proposed a control system also based on a double loop with the H algorithm for a four-phase interleaved boost converter (IBC), which was validated using a fuel cell simulator. Although the efficiency of the control algorithm was confirmed through experiments, the lack of comparison with other control methods and the absence of a proof of reliability for the selected parameters could diminish its credibility. Control algorithms based on an adapted observer to cancel disturbances and ensure compliance with imposed specifications are currently the most recent research topics, such as flatness control with an extended state observer (ESO) in [13] and active disturbance rejection control with ESO in [21]. Since the general form of the disturbance is unknown, this necessitates an additional observer to enhance the system’s robustness. Although the aforementioned controller demonstrates the expected performance with experimental results for fuel cell applications, the drawback is that the experimental validation of the fuel cell is conducted through a fuel cell emulator [1]. A double-loop PI controller has also been introduced and verified with an IBC for fuel cells in several studies [11,16].
In the literature, a state-feedback control has been developed to stabilize linear and nonlinear dynamical systems. This involves a procedure for designing a control law that connects the choice of internal states of the system to the design of a closed-loop controller, ensuring the asymptotic global stability of the systems. The number of controller gains to be synthesized depends on the number of state equations of the designed system. In a real application, the system’s differential equations would be transformed into state equations of the inductor current and output voltage, and the control technique (LQR) is established to complete the stability proof. Some research has reported that state-feedback control is widely used in many fields, such as photovoltaic systems [22]. The following reasons prompted us to select a state-feedback controller for regulating both the voltage and current loops:
  • State-feedback control ensures global output regulation and disturbance attenuation for dynamic systems, whether linear or nonlinear. This method also offers great flexibility in designing control laws, allowing adaptation to various dynamic system configurations [23].
  • The design of this controller is linked to the internal and external states of the system in closed-loop, thus allowing precise and efficient control of the internal states and the system output.
  • Algorithmic simplicity: Although this type of control may add complexity, it also helps reduce algorithmic complexity by simplifying implementation, focusing on regulating relevant internal states of the system.
In our research, the corresponding double-loop controller is proposed. The error of the outer loop is defined as the difference between the output voltage and the reference voltage, and the control law is the reference current that would be used to regulate the error of the inner loop to constitute the duty cycle in this loop.
Furthermore, this article aims to design an innovative and robust double-loop controller for IBC with FC. The proposed controller structure consists of two parts: an inner loop and an outer loop. Firstly, a state-feedback control for the inner loop is used to ensure the tracking of the inductor current reference. Then, another state-feedback control for the outer loop is used to increase the fuel cell stack voltage to the desired voltage level. The synthesis of the parameters of both controllers is carried out using the linear quadratic regulation (LQR) method, also utilizing the static error cancellation condition. This synthesis is performed in two stages: the first stage involves determining the gains of the inner loop to ensure its stability, and then, using these parameters, the inner loop acts as a direct chain for the outer loop. Similarly, the parameters of the outer controller are synthesized. The robustness of the proposed control system is validated by variations in circuit parameters and the uncertainty in operating conditions.
Although numerous controllers have been proposed and tested for fuel cell (FC) system converters, establishing a fair method for evaluating each controller, especially those that are nonlinear, presents a challenge. Various experimental conditions and devices, such as different types of fuel cells, their remaining lifespan, operating frequencies, converter topologies, and power levels, complicate the systematic comparison of these controllers. However, a macroscopic evaluation can be performed by considering factors like the number of sensors used, stability confirmation, trials conducted with actual fuel cells, as well as the derivation and verification of controller parameters [11]. Through the analysis of these macrofactors, the controller offers robust theoretical support, encompassing stability certification, parameter derivation, and verification, and can also confirm favorable experimental outcomes with the fuel cell. Enabled by its linearity, this controller is easily implementable, representing an additional advantage facilitated by a fair comparative experiment.
The novelty of the proposed controller lies in the design of a new state-feedback control structure, which can provide strong robustness and highly dynamic characteristics. Based on the above analysis, the main contributions of this article can be summarized as follows.
  • A simple robust controller is proposed by combining two linear control algorithms. Additionally, a simple theoretical proof is provided to certify the corresponding stability.
  • The LQR controller is employed to synthesize the best parameters by considering the performance index.
The robustness of the controller can be evaluated by analyzing its behavior under variations in circuit parameters and its ability to maintain a stable output voltage, even in the presence of input voltage fluctuations. The controller demonstrates excellent performance in both dynamic and steady-state conditions compared to other linear and nonlinear controllers reported in the literature. The rest of this article is organized as follows. Section 2 presents the mathematical model of the PEMFC, simplified using rational assumptions, along with the model of the four-phase IBC derived from its operating principle. Section 3 discusses the controller design, including the development of the inner and outer loop controllers based on state-feedback control, as well as the selection and verification of controller parameters. Section 4 presents robustness testing against variations in circuit parameters, along with comparisons to other controllers. Simulation results and further comparisons are discussed in Section 5. Finally, Section 6 concludes the article.

2. Four-Phase IBC and PEM Fuel Cell Modeling

In this paper, the PEM fuel cell and interleaved converter are the main components. Understanding their operation requires modeling them. However, our goal is not to develop a highly detailed model of the PEM fuel cell but rather to provide a concise model for both systems. To this end, we use a common and concise equation model for the fuel cell, based on its general operating principle. The four-phase converter is chosen for the PEM fuel cell application due to its unique characteristics [11]. We also develop a nonlinear model of the four-phase converter.

2.1. PEM Fuel Cell Modeling

Historically, the principle of the fuel cell was discovered in 1839 by the British physicist William Grove [24]. The PEM fuel cell is widely used in industrial applications, particularly in vehicles. In fact, the PEM fuel cell is an electrochemical device that converts hydrogen energy into electrical energy. Figure 1 shows an equivalent electrical model of a single cell, where C c e l l represents the equivalent capacitor, E indicates the reversible potential, and R a c t , R c o n c , and R o h m i c correspond to the equivalent resistances of activation, concentration, and ohmic effects, respectively.
The reactions that occur at the anode and cathode of the PEM fuel cell, respectively, are the oxidation of H 2 and the reduction of O 2 , which can be expressed as follows [24]:
A n o d e : 2 H 2 4 H + + 4 e
C a t h o d e : O 2 + 4 H + + 4 e 2 H 2 O
The overall reaction at the heart of a fuel cell is given by
O 2 + 2 H 2 2 H 2 O + e l e c t r i c + h e a t
Achieving an accurate PEM fuel cell model necessitates incorporating multidisciplinary knowledge encompassing thermodynamics, electrochemistry, and fluid mechanics.
The analysis of energy conversion demands a mathematical representation of the PEMFC’s output voltage. By considering all voltage drops related to losses within the PEMFC model, the operational voltage of an individual cell within a PEM stack can be expressed as follows [24,25]:
v c e l l = E v a c t v o h m v c o n c
where E is the Nerst voltage, and v a c t , v o h m , and v c o n c , correspond to the activation loss, ohmic loss, and concentration loss, respectively. The open-circuit voltage E of the fuel cell can be found in [26]:
E = 1.229 8 , 5 . 10 4 ( T c f 298.15 ) + 4 , 3085 . 10 5 T c f l n ( P H 2 P O 2 1 2 )
where T c f is the fuel cell temperature in ( K e l v i n ) , and P O 2 and P H 2 are the partial pressures of oxygen and hydrogen, respectively. The activation overvoltage can be approximated by the Tafel equation:
v a c t = v 0 + v a ( 1 e c . i )
with v 0 , v a , and c being parameters that depend on the partial pressure of oxygen and the temperature of the system; their values can be determined from a nonlinear formula based on experimental data. i is the fuel cell current.
For the ohmic voltage, which represents the voltage drop due to the internal resistance of the fuel cell, it includes both the voltage drop across the ionic resistance in the electrolyte and the electronic resistance in the cell components. The ohmic voltage can be approximated by the following equation:
v o h m = R o h m . i
where R o h m is the ohmic resistance, representing the sum of the resistance of the polymer membrane to the transfer of protons and the resistance of the electrodes and collector plates to the transfer of electrons. For more information, refer to [26]. The nominal values of the system are provided in Table 1. The concentration overvoltage arises from increased losses at high current densities, such as a significant reduction in reactant concentration due to both high consumption of reactants and pressure drop at high flow rates. Some models, like [27], omit this term, likely because operating the fuel cell stack in regions where concentration overvoltage is high leads to lower efficiency. However, if the stack is intended to operate at high current densities, this term becomes essential and must be accounted for. An equation to estimate concentration losses is provided in [27]:
v c o n c = i ( c 1 i I m a x ) c 2
with c 1 and c 2 being constants that depend on the system temperature and the partial pressure of the reactants, which can be determined empirically. I m a x represents the maximum current of the fuel cell. The PEM fuel cell voltage can be modeled by the combination of the voltages of all the cells that make it up. In this study, all the cells are assumed to have the same characteristics, and consequently, the PEM fuel cell voltage is given by the following equation:
v i n = n . v c e l l
where n is the number of cells.

2.2. Four-Phase Interleaved Boost Converter Modeling

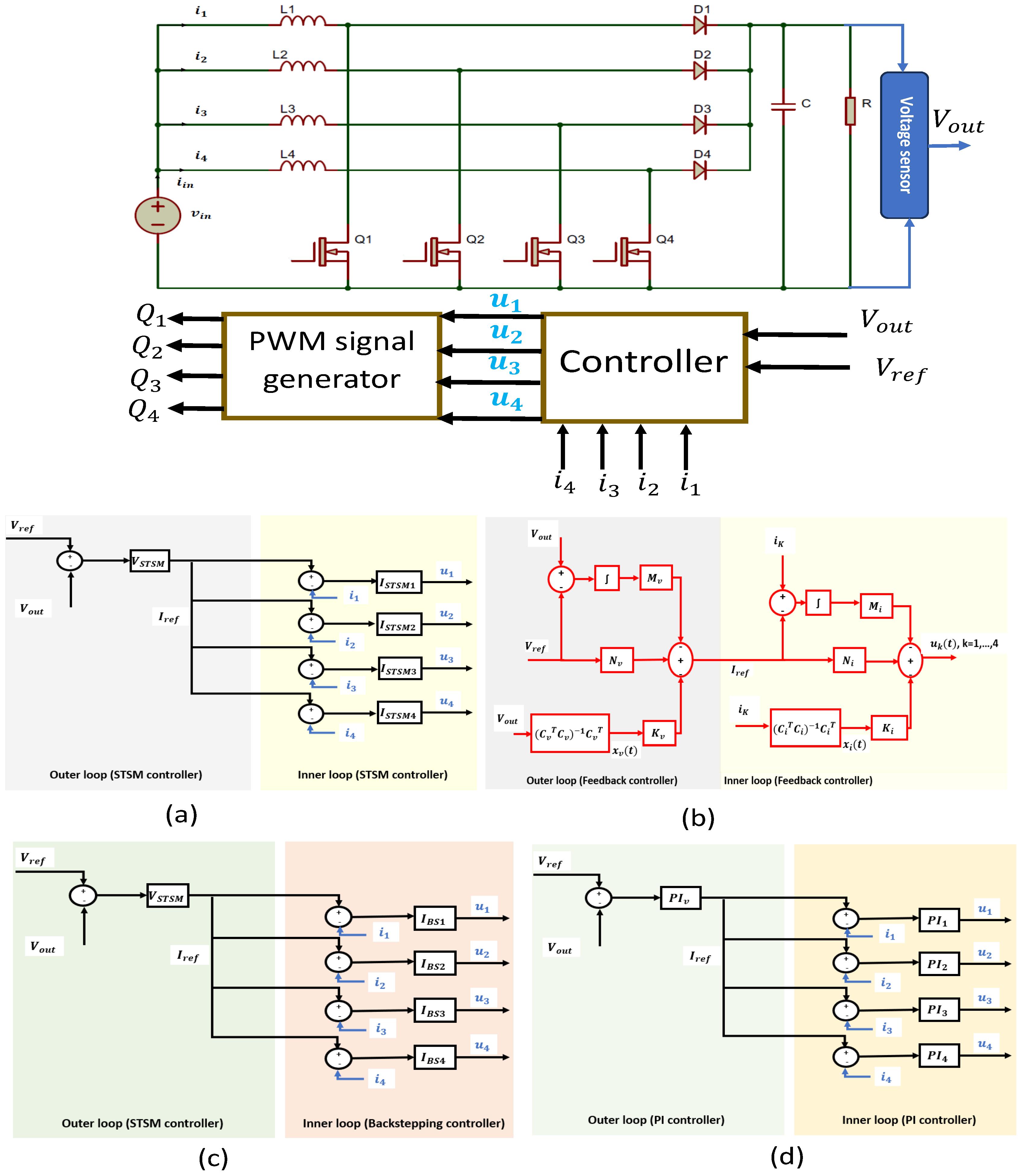
As evidenced in various studies, particularly in [11,24], increasing the number of phases in the converter reduces current ripple in the fuel cell, thereby enhancing its energy efficiency. However, considering the cost implications and energy losses associated with a higher number of phases, four phases appear most suitable for our study. Figure 2 illustrates the topology of the four-phase IBC.
The interleaved converter structure comprises inductances L j   ( j = 1 , , 4 ) , diodes D k   ( k = 1 , , 4 ) , power switches Q i   ( i = 1 , , 4 ) , a capacitor, and resistance that represents the load. v i n , i i n , and V o u t denote the stack voltage, stack current, and the output voltage of the four-phase interleaved boost converter, respectively.
The IBC converter proposed in this paper operates in continuous conduction mode (CCM) using interleaved drive signals Q i   ( i = 1 , , 4 ) . The interval between two adjacent drive waveforms is 1 4 . f . The currents denoted as i k   ( k = 1 , , 4 ) represent the inductor currents.
The sum of all inductor currents is the PEMFC current i i n = k = 1 4 i k . To simplify the analysis, we make the following assumptions: L i = L , and the duty cycle u k ( t ) = u ( t ) is consistent for all switches Q k . However, each switch has two states, open and closed, resulting in a total of sixteen operational states.
By taking into account the activation times and the equations associated with each operating state of the four-phase interleaved boost converter, illustrated in Figure 2, under various scenarios, the average state-space model of this converter, based on physical laws, is given by the following equation:
d i i d t = 1 u ( t ) L v o u t + 1 L v i n d v o u t d t = 1 u ( t ) C i = 1 4 i i 1 R C v o u t
Figure 2. Schematic diagram of a four−phase interleaved boost converter with control architecture: (a) DL-STSM controller, (b) proposed controller, (c) BS + STSM controller, (d) PI controller.
Figure 2. Schematic diagram of a four−phase interleaved boost converter with control architecture: (a) DL-STSM controller, (b) proposed controller, (c) BS + STSM controller, (d) PI controller.
Applsci 14 09895 g002
Table 1. Values of physical parameters.
Table 1. Values of physical parameters.
ItemComponentsSimulation Value
Fuel cell stackNumber of cells in stack46
Voltage range22 to 50 V
Nominal fuel cell stack voltage26 V
Nominal current0 to 46 A
Auxiliary power24 V (60 W)
Four−phase IBC V o u t : Output voltage40∼70 V
C: Capacitor600 μ F
f: Working frequency5 kHz
U: Duty cycle0.458
i o u t : Current load3.75∼8.75 A
L i : Inductors1 mH
BS + STSMOuter loop α 1 = 0.0027 , α 2 = 47.53
Inner loop c 1 = 2970 , c 2 = 6019
DL-STSMOuter loop α o = 0.0471 , λ o = 95.64
Inner loop α k = 0.1044 , λ k = 213.2
PIOuter loop K P v = 0.5 , K I v = 25
Inner loop K P i = 0.3 , K I i = 65

3. Controller Design

To regulate the converter’s output voltage, it is effective to transition from direct current control to indirect control by using an inner loop to adjust line currents around a reference current generated by the external voltage loop controller. The effectiveness of this method has been demonstrated in several studies for controlling interleaved boost converters in both single-phase and four-phase operations; see [11,18,19]. In other words, a two-loop control system must be adopted to prevent output voltage instability. A two-loop controller based on the system’s feedback state is designed. Additionally, three controllers, namely, the proportional–integral (PI) controller, the double-loop super-twisting sliding mode (DL-STSM) algorithm, and the backstepping with STSM controller, are selected for comparison purposes.

3.1. PI Design

To design the PI controller, we implemented two loops to ensure the stability of the output voltage and output current. Next, transfer functions from the duty cycle to the inductor current F i u and from the duty cycle to the output voltage F v u were determined based on the small-signal model of the system’s mathematical model. The PI parameters were synthesized using the Particle Swarm Optimization (PSO) algorithm, as indicated in reference [18]. The PSO algorithm was chosen due to its efficiency in handling multi-objective optimization problems, its ability to minimize tracking error, and its demonstrated success in optimizing control parameters in power electronic systems.
Figure 2d illustrates the PI control architecture for the four-phase IBC, with two loops incorporated into the structure. To generate the transfer functions of the inner and outer loops, a small-signal model of the four-phase IBC can be validated by expanding Equation (10) and using the corresponding DC and AC components of the voltage, current, and duty cycle, as follows:
i i ( t ) = I i + i ^ i ( t ) v o u t ( t ) = V o u t + v ^ o u t ( t ) u ( t ) = U + u ^ ( t )
where U, I i , and V o u t are the DC components of the duty cycle, current, and voltage, respectively. i ^ i , v ^ o u t , and u ^ ( t ) represent the AC components of the current, voltage, and duty cycle. Thus, the small-signal model is given by the following equation:
d i ^ i d t = 1 U L v ^ o u t + 1 L v ^ i n + V o u t L u ^ ( t ) d v ^ o u t d t = 1 U C i = 1 4 i ^ i 1 R C v ^ o u t u ^ ( t ) C i = 1 4 I i
assuming L j = L and I i = I . The two transfer functions between current and duty cycle, and voltage and duty cycle, F i u and F v u , respectively, can be found by applying the Laplace transform to Equation (12). So, the transfer functions are given by
F i u = v i n 1 U C R s + 2 L C R s 2 + L s + 4 R ( 1 U ) 2
F v u = v i n ( 1 U ) 2 k s + 1 R C k s 2 + k s + 1
where k = L 4 R ( 1 U ) 2 .
The system control design process involves determining the P I i controller, which enables the phase currents to track a reference current generated by the transfer function of the P I v controller, allowing the desired voltage to be followed as well. The transfer functions for the voltage loop control and the current loop control can be expressed as follows: F c v = K P v + K I v s and F c i = K P i + K I i s . The PI controller parameters are optimized using the Particle Swarm Optimization (PSO) algorithm. Thus, the parameter values are as follows: K P v = 0.5 and K I v = 25 for the voltage loop, and K P i = 0.3 and K I i = 65 for the current loop.

3.2. Proposed Control Design

The initial step in synthesizing the state-feedback controller is establishing the state representation of the system. Figure 2b depicts the structure of the control diagram with state feedback, incorporating integral action to eliminate the system’s static error. The control framework comprises two loops: a current loop, ensuring that the inductor currents i i track a reference current I ref generated by the voltage loop controller. Additionally, the current loop serves another function, generating a control law u ( t ) aimed at guiding the output voltage to match a reference voltage.
The gains of the two controllers are synthesized in two steps.

3.2.1. Current Loop Gains Synthesis

The state representation of the current loop (inner loop) can be expressed as follows:
x ˙ i ( t ) = A i x i + B i u ( t ) y i = C i x i ( t )
Based on Equation (13), the transfer function F i u can be expressed in the following form:
F i u = m 1 s 1 + m 0 s 2 1 + n 1 s 1 + n 0 s 2
where A i , B i , and C i are the state matrices. The state vector can be written as
x i ( t ) = x 1 i x 2 i T
The matrices A i , B i , and C i can be given as
A i = 0 1 n 0 n 1
B i = 0 1
C i = m 0 m 1
The objective of current feedback control is to maintain the force-measuring inductor current i k ( k = 1 , , 4 ) in accordance with the reference current I r e f generated by the voltage controller. The state-feedback control law for the current loop can be formulated as
u ( t ) = K i x i ( t ) M i e i ( t ) + N i I r e f
where I r e f represents the reference current, e i = ( y i ( t ) I r e f ) d t denotes the current error, and K i , M i , and N i are the respective controller parameters designed for the system.
To synthesize the controller gains, the superposition theorem is applied to derive the gains individually. The resulting control law u ( t ) can be expressed in the following manner:
u ( t ) = u 1 ( t ) + u 2 ( t )
where
u 1 ( t ) = K i x i ( t ) M i e i ( t )
and
u 2 ( t ) = N i I r e f
  • Step 1: u 1 controller synthesis
According to Equation (15), the closed-loop system can be written as follows:
x ˙ i e ˙ i = A i B i K i B i M i C i 0 x i e i 0 1 I r e f
The next goal is to determine the gains K i and M i to enhance system stability, ensuring that, for any initial state ξ i ( 0 ) , the control law u 1 minimizes the performance index
J i = 0 ξ i T Q ξ i + u 1 T R u 1
where ξ i = x i e i . In this scenario, both Q and R are positive values. These matrices are represented as diagonal matrices, with their elements carefully selected to reduce tracking errors to a minimum.
  • Step 2: u 2 controller synthesis
Given that the steady-state static error is zero, expressed as e i ( t ) = y i ( t ) I r e f = 0 , the closed-loop system can be formulated as follows:
x ˙ i ( t ) = ( A i B i K i ) x i + B i N i I r e f
The closed-loop transfer function can be given by
F i u C L = C i ( s A i + B i K i ) 1 + B i N i
In steady state, it is necessary that F i u C L ( 0 ) = 1 ; thus,
N i = 1 C i ( A i + B i K i ) 1 B i

3.2.2. Voltage Loop Gains Synthesis

Similar to the process for the current loop, the initial stage in determining the gains of the voltage controller involves converting the open-loop transfer function of the voltage loop into a state representation. This transfer function is the product of the closed-loop current transfer function and the transfer function between the duty cycle u ( t ) and the output voltage.
The state representation of the voltage loop (external loop) can be given as follows:
x ˙ v ( t ) = A v x v + B v I r e f y v = C c x v ( t )
where A v , B v , and C v are the state matrices. The state vector can be written as
x v ( t ) = x 1 v x 2 v x 3 v x 4 v x 5 v x 6 v T
Then, the open-loop transfer function from the reference current to the output voltage can be expressed as follows:
F v I r e f O L = F i u C L . F v u
where
F i u C L = C i [ ( s A i ) + B i ( K i M i s C i ) ] 1 B i [ M i s + N i ]
Expressing the open-loop transfer function of the voltage using the system parameters yields
F v I r e f O L = m 4 s 2 + m 3 s 3 + m 2 s 4 + m 1 s 5 + m 0 s 6 1 + n 5 s 1 + n 4 s 2 + n 3 s 3 + n 2 s 4 + n 1 s 5 + n 0 s 6
or
F v I r e f O L = y v I r e f
Consider a polynomial function denoted as G ( s ) such that
y v = ( m 4 s 2 + m 3 s 3 + m 2 s 4 + m 1 s 5 + m 0 s 6 ) G ( s )
I r e f ( s ) = ( 1 + n 5 s 1 + n 4 s 2 + n 3 s 3 + n 2 s 4 + n 1 s 5 + n 0 s 6 ) G ( s )
Consider the following state variables:
X 1 v ( s ) = s 6 G ( s ) X 2 v ( s ) = s X 1 ( s ) X 3 v ( s ) = s X 2 ( s ) X 4 v ( s ) = s X 3 ( s ) X 5 v ( s ) = s X 4 ( s ) X 6 v ( s ) = s X 5 ( s ) = s 1 G ( s )
Switching from the frequency domain to the time domain gives
x ˙ 1 v ( t ) = x 2 v ( t ) x ˙ 2 v ( t ) = x 3 v ( t ) x ˙ 3 v ( t ) = x 4 v ( t ) x ˙ 4 v ( t ) = x 5 v ( t ) x ˙ 5 v ( t ) = x 6 v ( t ) x ˙ 6 v ( t ) = g ( t )
From Equation (38), g ( t ) can be written as
g ( t ) = I r e f n 0 x 1 v n 1 x 2 v n 2 x 3 v n 3 x 4 v n 4 x 5 v n 5 x 6 v
The state matrix in Equation (31) can be expressed as follows:
A v = 0 1 0 0 0 0 0 0 1 0 0 0 0 0 0 1 0 0 0 0 0 0 1 0 n 0 n 1 n 2 n 3 n 4 n 5
B v = 0 0 0 0 0 1
C v = m 0 m 1 m 2 m 3 m 4 m 5
The approach employed to derive gains for the current loop is also applied to determine gains for the voltage control. The state-feedback control law for the current loop can be formulated as
I r e f = K v x v ( t ) M v e v ( t ) + N v V r e f
where V r e f represents the reference voltage, e v = ( y v ( t ) V r e f ) d t denotes the voltage error, and K v , M v , and N v represent the designed controller parameters, respectively.
The control law for I r e f can be expressed as
I r e f = I r e f 1 + I r e f 2
where
I r e f 1 = K v x v ( t ) M v e v ( t )
and
I r e f 2 = N v V r e f
  • Step 1: I r e f 1 controller synthesis
According to Equation (31), the augmented system can be written as
x ˙ v e ˙ v = A v B v K v B v M v C v 0 x v e v 0 1 V r e f
The gains K v and M v are determined based on the control law for I r e f , aiming to minimize the performance index
J v = 0 ξ v T Q ξ v + I r e f 1 T R I r e f 1
where Q > 0 , R > 0 , and ξ v = x v e v .
  • Step 2: I r e f 2 controller synthesis
Assuming steady-state static error is zero e v ( t ) = y v ( t ) V r e f = 0 . The closed-loop system can therefore be written as follows:
x ˙ v ( t ) = ( A v B v K v ) x v + B v N v V r e f
The closed-loop transfer function between the reference voltage and the output voltage can be expressed as follows:
F v V r e f C L = C v ( s A v + B v K v ) 1 + B v N v
In the steady state, it is essential that F v V r e f C L ( 0 ) = 1 ; thus,
N v = 1 C v ( A v + B v K v ) 1 B v
With the system parameters outlined in Table 1, we can derive the parameters for both controllers. The current and voltage gains, denoted as N i , M i , K i , N v , M v , and K v , respectively, are as follows:
N i = 0.0398 M i = 31.6228 K i = 109060 1700
N v = 0.0746 M v = 31.6228 K v = 1.9245 0.142 10.0027 0 0 0

3.3. DL-STSM Design

Figure 2a depicts the control diagram based on the STSM algorithm. It comprises a slow voltage loop, a fast current loop, and the control target. For the synthesis of STSM control, three main steps are necessary for design:
  • Designing the current loop by determining the control law gains to ensure its stability;
  • Solving the transfer function of the closed-loop current loop;
  • Designing the voltage loop by synthesizing the voltage control law that ensures loop stability and meets specified requirements.
For further information about the synthesis of this controller, please refer to the work of [18].
The STSM control law for the current loop ( I S T S i ) and for the voltage loop ( V S T S M ) , respectively, can be defined as
u k = 0 t α k s g n ( S k ) d t λ k | S k | s g n ( S k )
I r e f = 0 t α o s g n ( S o ) d t λ o | S o | s g n ( S o )
where s g n ( . ) represents the sign function, and S k and S o are the sliding surfaces of current and voltage, respectively. λ k , λ o , α k , and α o are the designed controller parameters ( k = 1 , , 4 ) . The synthesis of these parameters based on the PSO algorithm is provided in Table 1.

3.4. Backstepping and STSM Control Design

Figure 2c depicts the (BS + STSM) control diagram for the two loops, where the inner loop is regulated by the backstepping controller and the outer loop is regulated by the STSM controller. This diagram illustrates how the two control algorithms collaborate to achieve the voltage and current regulation objectives. Integrating these two approaches enables leveraging the specific advantages of each method, thus ensuring enhanced overall control performance. For further information on this control method and parameter synthesis, we recommend consulting Ref. [11]. This source provides a detailed analysis of the method and insights into the parameter synthesis procedure.
The STSM control law for the voltage loop ( V S T S M ) can be defined as
I r e f = 0 t α 1 s g n ( S v ) d t α 2 | S v | s g n ( S v )
where s g n ( . ) represents the sign function, and S v is the sliding surface of voltage. α 1 , α 2 are the designed controller parameters.
The backstepping control law for the current loop ( I B S j ) , ( j = 1 , , 4 ) can be defined as
u ˙ j = C C λ j 2 β 1 | s | 1 / 2 s g n ( s ) i j . Δ
where
λ ˙ j = c 1 z j I ¨ r e f 1 u j + u ˙ j λ j 1 u j
and
z 1 j = i j I r e f
and
s = V o u t V r e f
Δ = [ c 1 2 ( 1 u j ) 2 ] z 1 j + [ ( c 1 + c 2 ) ( 1 u j ) ] z 2 j + 4 ( 1 u j ) 2 i j L C ( 1 u j ) f L C V o u t + 1 4 α 1 | s | 3 / 2 V ˙ o u t 2 2 α 1 | s | 1 / 2 ( 1 u j ) z 1 j s g n ( s ) + α 1 V ˙ o u t 2 | s | 1 / 2 2 f C
where c 1 and c 2 are the control parameters, and z 2 j is a virtual control law that is given as
z 2 j = V o u t L λ j

4. Testing the Robustness of Control Systems Against Uncertainty

To assess the efficacy and resilience of the suggested controller, it is essential to account for two categories of uncertainty. Firstly, variations in converter operating conditions, such as fluctuating input voltages and varying load power levels, introduce one form of uncertainty. Secondly, discrepancies in circuit components arising from manufacturing variations and aging effects in inductors or capacitors constitute another source of uncertainty.
For comparison purposes, three controllers are selected:
  • The first controller selected for this comparison is the double-loop PI controller. The initial step required for this controller involves deriving the small-signal model of the studied converter. Subsequently, the transfer functions ( H v u ) from the duty cycle to the output voltage and ( H i u ) from the duty cycle to the current in the coil can be obtained using Laplace transformation. Finally, the synthesis of the controller parameters can be determined using pole placement methods.
  • The second one is a double-loop super-twisting sliding mode controller (DL-STSM). Its principle consists of simultaneously controlling the voltage and current loops using two distinct STSM controllers. Two reasons explain why the DL-STSM is chosen. Firstly, it can offer good robustness with a reasonable limitation of input current ripple for the FC application; secondly, it demonstrates the capacity to inhibit overshooting the FC current [11]. For a fair comparison, the synthesis of the DL-STSM controller parameters is based on the PSO algorithm for better optimization.
  • The third controller implemented, referred to as the backstepping and super-twisting sliding mode (BS + STSM) controller, also features a dual-loop structure. The outer loop, based on the STSM algorithm, ensures precise tracking of the output voltage while simultaneously generating the appropriate current reference. The inner loop, utilizing the backstepping control algorithm, enhances resilience to disturbances and indirectly controls the fuel cell stack current. Stability analyses of both loops are conducted using the Lyapunov approach. Finally, the selection and optimization of parameters for this controller are also achieved through the PSO algorithm. In order to verify the robustness of the proposed controller, it is necessary to consider the uncertainties in the circuit parameters with different operating points of the converter. For this, five different representative operations were selected, as shown in Figure 3. The performance of the output voltage with the proposed controller and other controllers such as the DL-STSM controller and the backstepping controller coupled with STSM are presented in Figure 3 case (a), case (b), case (c), case (d), and case (e), respectively. It can be clearly observed that the proposed controller exhibits almost the same output performance with a lower overshoot and faster settling time than the best controller chosen for comparison. The maximum overshoot of the DL-STSM controller is 4 V and the settling time is 0.15 s with ripples, while the BS + STSM controller and the PI controller exhibit lesser robustness when the circuit parameters are changed; in comparison, a reduction of 62.5 % in output voltage overshoot and a superior reduction of 40 % in settling time (0.149 s) are achieved with the proposed controller.
To assess the robustness of the controller against the uncertainty associated with changes in circuit parameters, variable uncertainty is introduced to the nominal circuit parameters, as shown in Figure 4. The performance of the output voltage with the proposed controller and the other controllers is presented in Figure 4a–c. Two conclusions can be drawn: firstly, the DL-STSM controller and the BS + STSM controller exhibit nearly identical performances in terms of settling time, while the proposed controller demonstrates good settling time; secondly, the proposed controller exhibits better attenuation of output voltage ripples in steady state compared to the other controllers DL-STSM and BS + STSM.

5. Simulation Results and Discussion

The objective of this section is to test the performance of the proposed controller through simulation. Firstly, it aims to evaluate the controller’s ability to track variations in the reference voltage and to regulate the output voltage around a desired value for a variable load, as illustrated, respectively, in Figure 5 and Figure 6. On the other hand, Figure 7 shows the variation in the current imposed by the load.
The performance of the controllers is depicted in Figure 5 and Figure 6. The results indicate that the proposed controller exhibits a response time of approximately 20 ms when the setpoint varies, with attenuated ripples in steady state, which represents a significant improvement compared to the other controllers. According to Figure 6, the proposed controller provides a more favorable disturbance rejection and a lower overshoot during load disturbance variations. In contrast, the other compared controllers show significantly higher response times and overshoots than our controller. Table 2 provides a detailed illustration of each controller’s performance, highlighting the differences in terms of overshoot reduction and overall improvement in response time. To better represent the real dynamics of the converter and the hydrogen fuel cell system, the non-ideality of the output stage capacitor has been considered to assess its impact on voltage ripple. The inclusion of the equivalent series resistance (ESR) in the simulation models allows for a more accurate evaluation of the proposed controller’s performance and a deeper analysis of its impact on system stability. Figure 8 illustrates the robustness of the controller, showing that the curves overlap in non-ideal cases, which demonstrates the consistency of the results despite variations in ESR when the controller parameters are fixed. This slight variation in the results, though negligible, highlights the controller’s ability to maintain stable performance under non-ideal conditions. This clear distinction attests to the effectiveness of the proposed controller and its robustness against component characteristic variations.
Figure 6. Regulating the output voltage under various current loads.
Figure 6. Regulating the output voltage under various current loads.
Applsci 14 09895 g006
Figure 7. Current load variation.
Figure 7. Current load variation.
Applsci 14 09895 g007
Figure 8. Regulating the output voltage under various current loads for an ideal capacitor and for a capacitor with different equivalent series resistance (ESR) values.
Figure 8. Regulating the output voltage under various current loads for an ideal capacitor and for a capacitor with different equivalent series resistance (ESR) values.
Applsci 14 09895 g008
Table 2. Performance of controllers under multiple setpoints of reference voltage and various current loads.
Table 2. Performance of controllers under multiple setpoints of reference voltage and various current loads.
ControllerMultiple Setpoints of Reference VoltageVarious Current Loads
Settling Time (ms)Undershoot (%)Overshoot (%)Steady-State Error (%)Steady-State Error (%)Undershoot (%)Overshoot (%)
PI22 5.45 80012 14.5
DL-STSM80 1.81 2.75 0.1 0.1 7.9 12.5
BS + STSM60 2.54 2.77 0.5 0.5 12.5 20.83
Feedback20 2.76 2.76 00 2.1 9

6. Conclusions

This article introduces a state-feedback controller aiming to stabilize the output voltage of a four-phase interleaved boost converter associated with a PEM fuel cell. Initially, a mathematical model of the system is developed. Subsequently, a model of the proposed controller is constructed based on the state-space representation of the system. The synthesis of the controller gains relies on optimization techniques, notably linear quadratic regulation (LQR), taking convergence conditions into account. The performance of this controller is compared to that of other controllers, including the PI controller, the nonlinear controller DL-STSM, and BS + STSM, using models from the literature. The proposed controller ensures the stabilization of the output voltage of the interleaved boost converter with good performance in both dynamic and steady-state regimes. Additionally, it demonstrates favorable results in rejecting disturbances associated with variations in the current demanded by the load. The results show that the proposed controller also has a response time of 20 ms, offering a reduction in response time of more than 50 % compared to the controllers proposed in references [18,28], as well as a reduction in current and voltage ripple, both below 10 % . The proposed method effectively addresses the overshoot/undershoot phenomena commonly observed in hydrogen fuel cells, as highlighted in the reference [29]. By employing a dual-loop control strategy for the interleaved converter with the system, we ensure the stability of its output voltage and current. The outer loop and the inner loop utilize a state-feedback control approach to manage disturbances in the dynamics of the fuel cell. This combined approach allows the system to adapt to rapid changes in load, thereby mitigating the risks of overshoot and undershoot by continuously adjusting the control inputs based on real-time state feedback, as shown in Figure 5 and Figure 6. The explanation for this performance lies in the fact that the state-feedback controller considers the internal states of the system, and the existence of simple mathematical conditions based on the linear model facilitates the synthesis of its gains, clearly demonstrating the advantage of this control method over others.

Author Contributions

Methodology, M.G.; Validation, E.h.E.M.; Formal analysis, M.G. and I.S.; Investigation, M.G.; Writing—original draft, M.G.; Writing—review & editing, I.S., E.h.E.M. and S.D.; Supervision, I.S. and S.D. All authors have read and agreed to the published version of the manuscript.

Funding

This research received no external funding.

Data Availability Statement

Data is contained within the article.

Conflicts of Interest

The authors declare no conflicts of interest.

References

  1. Eriksson, E.L.; Gray, E.M. Optimization and integration of hybrid renewable energy hydrogen fuel cell energy systems–A critical review. Appl. Energy 2017, 202, 348–364. [Google Scholar] [CrossRef]
  2. Bhaskar, M.S.; Ramachandaramurthy, V.K.; Padmanaban, S.; Blaabjerg, F.; Ionel, D.M.; Mitolo, M.; Almakhles, D. Survey of dc-dc non-isolated topologies for unidirectional power flow in fuel cell vehicles. IEEE Access 2020, 8, 178130–178166. [Google Scholar] [CrossRef]
  3. Mei, J.; Meng, X.; Tang, X.; Li, H.; Hasanien, H.; Alharbi, M.; Dong, Z.; Shen, J.; Sun, C.; Fan, F.; et al. An Accurate Parameter Estimation Method of the Voltage Model for Proton Exchange Membrane Fuel Cells. Energies 2024, 17, 2917. [Google Scholar] [CrossRef]
  4. Wang, Q.; Xue, M.; Lin, B.L.; Lei, Z.; Zhang, Z. Well-to-wheel analysis of energy consumption, greenhouse gas and air pollutants emissions of hydrogen fuel cell vehicle in China. J. Clean. Prod. 2020, 275, 123061. [Google Scholar] [CrossRef]
  5. Carignano, M.; Roda, V.; Costa-Castelló, R.; Valiño, L.; Lozano, A.; Barreras, F. Assessment of energy management in a fuel cell/battery hybrid vehicle. IEEE Access 2019, 7, 16110–16122. [Google Scholar] [CrossRef]
  6. Wang, Y.; Yuan, H.; Martinez, A.; Hong, P.; Xu, H.; Bockmiller, F.R. Polymer electrolyte membrane fuel cell and hydrogen station networks for automobiles: Status, technology, and perspectives. Adv. Appl. Energy 2021, 2, 100011. [Google Scholar] [CrossRef]
  7. Xu, J.; Sun, C.; Ni, Y.; Lyu, C.; Wu, C.; Zhang, H.; Yang, Q.; Feng, F. Fast identification of micro-health parameters for retired batteries based on a simplified P2D model by using padé approximation. Batteries 2023, 9, 64. [Google Scholar] [CrossRef]
  8. Alyakhni, A.; Boulon, L.; Vinassa, J.M.; Briat, O. A comprehensive review on energy management strategies for electric vehicles considering degradation using aging models. IEEE Access 2021, 9, 143922–143940. [Google Scholar] [CrossRef]
  9. Hong, T.; Geng, Z.; Qi, K.; Zhao, X.; Ambrosio, J.; Gu, D. A wide range unidirectional isolated dc-dc converter for fuel cell electric vehicles. IEEE Trans. Ind. Electron. 2020, 68, 5932–5943. [Google Scholar] [CrossRef]
  10. Pan, X.; Li, H.; Liu, Y.; Zhao, T.; Ju, C.; Rathore, A.K. An overview and comprehensive comparative evaluation of current-fed-isolated-bidirectional dc/dc converter. IEEE Trans. Power Electron. 2019, 35, 2737–2763. [Google Scholar] [CrossRef]
  11. Hao, X.; Salhi, I.; Laghrouche, S.; Ait-Amirat, Y.; Djerdir, A. Backstepping supertwisting control of four-phase interleaved boost converter for pem fuel cell. IEEE Trans. Power Electron. 2022, 37, 7858–7870. [Google Scholar] [CrossRef]
  12. Mallikarjuna Reddy, B.; Samuel, P. Analysis, modelling and implementation of multi-phase single-leg DC/DC converter for fuel cell hybrid electric vehicles. Int. J. Model. Simul. 2020, 40, 279–290. [Google Scholar] [CrossRef]
  13. Huangfu, Y.; Li, Q.; Xu, L.; Ma, R.; Gao, F. Extended state observer based flatness control for fuel cell output series interleaved boost converter. IEEE Trans. Ind. Appl. 2019, 55, 6427–6437. [Google Scholar] [CrossRef]
  14. Scirè, D.; Lullo, G.; Vitale, G. Design and modeling of an interleaving boost converter with quasi-saturated inductors for electric vehicles. In Proceedings of the 2020 AEIT International Conference of Electrical and Electronic Technologies for Automotive (AEIT AUTOMOTIVE), Turin, Italy, 18–20 November 2020; pp. 1–6. [Google Scholar]
  15. Reddy, K.J.; Sudhakar, N.J.I.A. High voltage gain interleaved boost converter with neural network based MPPT controller for fuel cell based electric vehicle applications. IEEE Access 2018, 6, 3899–3908. [Google Scholar] [CrossRef]
  16. Somkun, S.; Sirisamphanwong, C.; Sukchai, S. A dsp-based interleaved boost dc–dc converter for fuel cell applications. Int. J. Hydrogen Energy 2015, 40, 6391–6404. [Google Scholar] [CrossRef]
  17. Zhou, J.; Jiang, J.; Fan, F.; Sun, C.; Dong, Z.; Song, K. Real-Time Impedance Detection for PEM Fuel Cell Based on TAB Converter Voltage Perturbation. Energies 2024, 17, 4320. [Google Scholar] [CrossRef]
  18. Hao, X.; Salhi, I.; Laghrouche, S.; Ait-Amirat, Y.; Djerdir, A. Robust control of four-phase interleaved boost converter by considering the performance of pem fuel cell current. Int. J. Hydrogen Energy 2021, 46, 38827–38840. [Google Scholar] [CrossRef]
  19. Gouhail, M.; Mazoudi, E.H.E.; Issam, S.; Doubabi, S. Fuzzy Logic Control of Four-Phase Interleaved Boost Converter for PEM Fuel Cell. In Proceedings of the 2023 10th International Conference on Wireless Networks and Mobile Communications (WINCOM), Istanbul, Türkiye, 26–28 October 2023; pp. 1–6. [Google Scholar]
  20. Saadi, R.; Hammoudi, M.; Kraa, O.; Ayad, M.; Bahri, M. A robust control of a 4-leg floating interleaved boost converter for fuel cell electric vehicle application. Math. Comput. Simul. 2020, 167, 32–47. [Google Scholar] [CrossRef]
  21. Zhuo, S.; Xu, L.; Huangfu, Y.; Gaillard, A.; Paire, D.; Gao, F. Robust adaptive control of interleaved boost converter for fuel cell application. IEEE Trans. Ind. Appl. 2021, 57, 6603–6610. [Google Scholar] [CrossRef]
  22. Xu, D.; Dai, Y.; Yang, C.; Yan, X. Adaptive fuzzy sliding mode command-filtered backstepping control for islanded pv microgrid with energy storage system. J. Frankl. Inst. 2019, 356, 1880–1898. [Google Scholar] [CrossRef]
  23. Battilotti, S. Global output regulation and disturbance attenuation with global stability via measurement feedback for a class of nonlinear systems. IEEE Trans. Autom. Control 1996, 41, 315–327. [Google Scholar] [CrossRef]
  24. Grove, W.R. XLII. On a small voltaic battery of great energy; some observations on voltaic combinations and forms of arrangement; and on the inactivity of a copper positive electrode in nitro-sulphuric acid. Lond. Edinb. Dublin Philos. Mag. J. Sci. 1839, 15, 287–293. [Google Scholar] [CrossRef]
  25. Mann, R.F.; Amphlett, J.C.; Hooper, M.A.; Jensen, H.M.; Peppley, B.A.; Roberge, P.R. Development and application of a generalized steady-state electrochemical model for a PEM fuel cell. J. Power Sources 2000, 86, 173–180. [Google Scholar] [CrossRef]
  26. Pukrushpan, J.T.; Peng, H.; Stefanopoulou, A.G. Control-oriented modeling and analysis for automotive fuel cell systems. J. Dyn. Sys. Meas. Control 2004, 126, 14–25. [Google Scholar] [CrossRef]
  27. Guzzella, L. Control Oriented Modelling of Fuel-Cell Based Vehicles. In Presentation in NSF Workshop on the Integration of Modeling and Control for Automotive Systems; The University of Michigan: Ann Arbor, MI, USA, 1999. [Google Scholar]
  28. Kaddour, A.A.; Benjelloun, K.; Elalami, N. Static output-feedback controller design for a fish population system. Appl. Soft Comput. 2015, 29, 280–287. [Google Scholar] [CrossRef]
  29. Wang, Y.; Wang, C.Y. Dynamics of polymer electrolyte fuel cells undergoing load changes. Electrochim. Acta 2006, 51, 3924–3933. [Google Scholar] [CrossRef]
Figure 1. The equivalent electrical circuit of one single cell.
Figure 1. The equivalent electrical circuit of one single cell.
Applsci 14 09895 g001
Figure 3. Simulation of the output voltage at the different operation points. Case (a): V i n = 22 V, R = 6 Ω ; case (b): V i n = 22 V, R = 17 Ω ; case (c): V i n = 26 V, R = 12 Ω ; case (d): V i n = 26 V, R = 18 Ω ; case (e): V i n = 26 V, R = 15 Ω .
Figure 3. Simulation of the output voltage at the different operation points. Case (a): V i n = 22 V, R = 6 Ω ; case (b): V i n = 22 V, R = 17 Ω ; case (c): V i n = 26 V, R = 12 Ω ; case (d): V i n = 26 V, R = 18 Ω ; case (e): V i n = 26 V, R = 15 Ω .
Applsci 14 09895 g003aApplsci 14 09895 g003b
Figure 4. Simulation results of the output voltage with the changed circuit parameters. Case 1: L = 800 μ H, C = 5200 μ F; case 2: L = 800 μ H, C = 8000 μ F; case 3: L = 1200 μ H, C = 8000 μ F; case 4: L = 1000 μ H, C = 8000 μ F. (a) Proposed controller. (b) BS + STSM controller. (c) DL-STSM controller.
Figure 4. Simulation results of the output voltage with the changed circuit parameters. Case 1: L = 800 μ H, C = 5200 μ F; case 2: L = 800 μ H, C = 8000 μ F; case 3: L = 1200 μ H, C = 8000 μ F; case 4: L = 1000 μ H, C = 8000 μ F. (a) Proposed controller. (b) BS + STSM controller. (c) DL-STSM controller.
Applsci 14 09895 g004aApplsci 14 09895 g004b
Figure 5. Comparison of the output voltage of four controllers under multiple setpoints.
Figure 5. Comparison of the output voltage of four controllers under multiple setpoints.
Applsci 14 09895 g005
Disclaimer/Publisher’s Note: The statements, opinions and data contained in all publications are solely those of the individual author(s) and contributor(s) and not of MDPI and/or the editor(s). MDPI and/or the editor(s) disclaim responsibility for any injury to people or property resulting from any ideas, methods, instructions or products referred to in the content.

Share and Cite

MDPI and ACS Style

Gouhail, M.; Salhi, I.; El Mazoudi, E.h.; Doubabi, S. Adaptive Feedback Control for Four-Phase Interleaved Boost Converter Used with PEM Fuel Cell. Appl. Sci. 2024, 14, 9895. https://doi.org/10.3390/app14219895

AMA Style

Gouhail M, Salhi I, El Mazoudi Eh, Doubabi S. Adaptive Feedback Control for Four-Phase Interleaved Boost Converter Used with PEM Fuel Cell. Applied Sciences. 2024; 14(21):9895. https://doi.org/10.3390/app14219895

Chicago/Turabian Style

Gouhail, Mohamed, Issam Salhi, El houssine El Mazoudi, and Said Doubabi. 2024. "Adaptive Feedback Control for Four-Phase Interleaved Boost Converter Used with PEM Fuel Cell" Applied Sciences 14, no. 21: 9895. https://doi.org/10.3390/app14219895

APA Style

Gouhail, M., Salhi, I., El Mazoudi, E. h., & Doubabi, S. (2024). Adaptive Feedback Control for Four-Phase Interleaved Boost Converter Used with PEM Fuel Cell. Applied Sciences, 14(21), 9895. https://doi.org/10.3390/app14219895

Note that from the first issue of 2016, this journal uses article numbers instead of page numbers. See further details here.

Article Metrics

Back to TopTop