Mini-Review: Modeling and Performance Analysis of Nanocarbon Interconnects
Abstract
1. Introduction
2. Graphene Nanoribbon (GNR) Interconnects
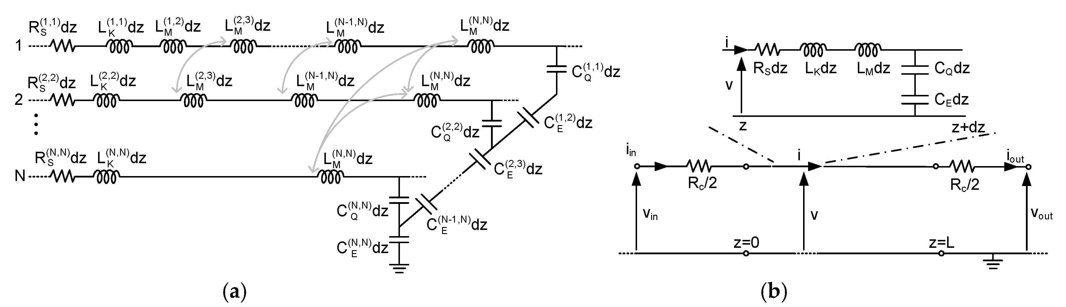
2.1. Multilayer Graphene Nanoribbon (MLGNR) Interconnects
2.2. Vertical Graphene Nanoribbon (VGNR) Interconnects
3. CNT Interconnects
4. All-Carbon 3-D Interconnects
5. Cu-Nanocarbon Interconnect
5.1. Cu-Graphene Interconnect
5.2. Cu-CNT Composite Interconnect
6. Conclusions
Author Contributions
Funding
Conflicts of Interest
References
- Moore, G.E. Cramming more components onto integrated circuits. Electronics 1965, 38, 114–117. [Google Scholar] [CrossRef]
- International Technology Roadmap for Semiconductors, Edition 2013. Available online: http://www.itrs2.net/ (accessed on 1 August 2017).
- Davis, J.A.; Venkatesan, R.; Kaloyeros, A.; Beylansky, M.; Souri, S.J.; Banerjee, K.; Saraswat, K.C.; Rahman, A.; Reif, R.; Meindl, J.D. Interconnect limits on gigascale integration (GSI) in the 21st century. Proc. IEEE 2001, 89, 305–324. [Google Scholar] [CrossRef]
- Banerjee, K.; Souri, S.J.; Kapur, P.; Saraswat, K.C. 3-D ICs: A novel chip design for improving deep-submicrometer interconnect performance and systems-on-chip integration. Proc. IEEE 2001, 89, 602–633. [Google Scholar] [CrossRef]
- Li, B.; Sullivan, T.D.; Lee, T.C.; Badami, D. Reliability challenges for copper interconnects. Microelectron. Reliab. 2004, 44, 365–380. [Google Scholar] [CrossRef]
- Zhang, R.; Yang, K.; Metaev, E.; Pesic, M.; Lloyd, J.; Ring, M.; Paliwoda, P.; Tan, S.; Young, C.; Verzellsi, G.; et al. Reliability and modeling: What to simulate and how? In Proceedings of the INVITED IEEE International Integrated Reliability Workshop (IEEE IIRW), Fallen Leaf Lake, CA, USA, 8–12 October 2017. [Google Scholar]
- Meindl, J.D. Beyond Moore’s law: The interconnect era. Comput. Sci. Eng. 2003, 5, 20–24. [Google Scholar] [CrossRef]
- Ryan, J.G.; Geffken, R.M.; Poulin, N.R.; Paraszcazak, J.R. The evolution of interconnection technology at IBM. IBM J. Res. Dev. 1995, 39, 371–381. [Google Scholar] [CrossRef]
- Hayakawa, H.; Yoshikawa, N.; Yorozu, S.; Fujimaki, A. Superconducting digital electronics. Proc. IEEE 2004, 92, 1549–1563. [Google Scholar] [CrossRef]
- Sun, C.; Wade, M.T.; Lee, Y.; Orcutt, J.S.; Alloatti, L.; Georgas, M.S.; Waterman, A.S.; Shainline, J.M.; Avizienis, R.R.; Lin, S.; et al. Single-chip microprocessor than communicates directly using light. Nature 2015, 528, 534–538. [Google Scholar] [CrossRef] [PubMed]
- Iijima, S. Helical microtubules of graphitic carbon. Nature 1991, 354, 56–58. [Google Scholar] [CrossRef]
- Novoselov, K.S.; Geim, A.K.; Morozov, S.V.; Jiang, D.; Zhang, Y.; Dubonos, S.V.; Grigorieva, I.V.; Firsov, A.A. Electric field effect in atomically thin carbon films. Science 2004, 306, 666–669. [Google Scholar] [CrossRef]
- Balandin, A.A.; Ghosh, S.; Bao, W.; Calizo, I.; Teweldebrhan, D.; Miao, F.; Lau, C.N. Superior thermal conductivity of single-layer graphene. Nano Lett. 2008, 8, 902–907. [Google Scholar] [CrossRef]
- Berber, S.; Kwon, Y.K.; Tomanek, D. Unusually high thermal conductivity of carbon nanotubes. Phys. Rev. Lett. 2000, 84, 4613. [Google Scholar] [CrossRef]
- Prasher, R. Graphene spreads the heat. Science 2010, 328, 185–186. [Google Scholar] [CrossRef]
- Wei, B.Q.; Vajtai, R.; Ajayan, P.M. Reliability and current carrying capacity of carbon nanotubes. Appl. Phys. Lett. 2001, 79, 1172–1174. [Google Scholar] [CrossRef]
- Pop, E.; Mann, D.; Reifenberg, J.; Goodson, K.; Dai, H. Electro-thermal transport in metallic single-wall carbon nanotubes for interconnect applications. IEDM Tech. Dig. 2005, 253–256. [Google Scholar]
- Li, H.; Xu, C.; Srivastava, N.; Banerjee, K. Carbon nanomaterials for next-generation interconnects and passives: Physics, status, and prospects. IEEE Trans. Electron. Devices 2009, 56, 1799–1821. [Google Scholar] [CrossRef]
- Maffucci, A. Carbon nanotubes in nanopackaging applications. IEEE Nanotechnol. Mag. 2009, 3, 22–25. [Google Scholar] [CrossRef]
- Chiariello, A.G.; Maffucci, A.; Miano, G. Circuit models of carbon-based interconnects for nanopackaging. IEEE Trans. Compon. Packag. Manuf. Technol. 2013, 3, 1926–1937. [Google Scholar] [CrossRef]
- Maffucci, A.; Miano, G. Electrical properties of graphene for interconnect applications. Appl. Sci. 2014, 4, 305–317. [Google Scholar] [CrossRef]
- Zhao, W.S.; Yin, W.Y. Carbon-based interconnects for RF nanoelectronics. Wiley Encycl. Electr. Electron. Eng. 2012, 1–20. [Google Scholar] [CrossRef]
- Behnam, A.; Lyons, A.S.; Bae, M.H.; Chow, E.K.; Islam, S.; Neumann, C.M.; Pop, E. Transport in nanoribbon interconnects obtained from graphene grown by chemical vapor deposition. Nano Lett. 2012, 12, 4424–4430. [Google Scholar] [CrossRef]
- Kosynkin, D.V.; Higginbotham, A.L.; Sinitskii, A.; Lomeda, J.R.; Dimiev, A.; Price, B.K.; Tour, J.M. Longitudinal unzipping of carbon nanotubes to form graphene nanoribbon. Nature 2009, 458, 872–876. [Google Scholar] [CrossRef]
- Avouris, P. Graphene: Electronic and photonic properties and devices. Nano Lett. 2010, 10, 4285–4294. [Google Scholar] [CrossRef]
- Naeemi, A.; Meindl, J.D. Compact physics-based circuit models for graphene nanoribbon interconnects. IEEE Trans. Electron. Devices 2009, 56, 1822–1833. [Google Scholar] [CrossRef]
- Maffucci, A.; Miano, G. Number of conducting channels for armchair and zig-zag graphene nanoribbon interconnects. IEEE Trans. Nanotechnol. 2013, 12, 817–823. [Google Scholar] [CrossRef]
- Zhao, W.S.; Yin, W.Y. Comparative study on multilayer graphene nanoribbon (MLGNR) interconnects. IEEE Trans. Electromagn. Compat. 2014, 56, 638–645. [Google Scholar] [CrossRef]
- Rakheja, S.; Kumar, V.; Naeemi, A. Evaluation of the potential performance of graphene nanoribbons as on-chip interconnects. Proc. IEEE 2013, 101, 1740–1765. [Google Scholar] [CrossRef]
- Xu, C.; Li, H.; Banerjee, K. Modeling, analysis, and design of graphene nano-ribbon interconnects. IEEE Trans. Electron. Devices 2009, 56, 1567–1578. [Google Scholar] [CrossRef]
- Murali, R.; Yang, Y.; Brenner, K.; Beck, T.; Meindl, J.D. Breakdown current density of graphene nanoribbons. Appl. Phys. Lett. 2009, 94, 243114. [Google Scholar] [CrossRef]
- Jiang, J.; Kang, J.; Cao, W.; Xie, X.; Zhang, H.; Chu, J.H.; Liu, W.; Banerjee, K. Intercalation doped multilayer-graphene-nanoribbons for next-generation interconnects. Nano Lett. 2017, 17, 1482–1488. [Google Scholar] [CrossRef]
- Reina, A.; Jia, X.; Ho, J.; Nezich, D.; Son, H.; Bulovic, V.; Dresselhaus, M.S.; Kong, J. Large area, few-layer graphene films on arbitrary substrates by chemical vapor deposition. Nano Lett. 2008, 9, 30–35. [Google Scholar] [CrossRef]
- Faugeras, C.; Nerriere, A.; Potemski, M. Few-layer graphene on SiC, pyrolytic graphite, and graphene: A Raman scattering study. Appl. Phys. Lett. 2008, 92, 011914. [Google Scholar] [CrossRef]
- Sui, Y.; Appenzeller, J. Screening and interlayer coupling in multilayer graphene field effect transistors. Nano Lett. 2009, 9, 2973–2977. [Google Scholar] [CrossRef]
- Kumar, V.; Rakheja, S.; Naeemi, A. Performance and energy-per-bit modeling of multilayer graphene nanoribbon conductors. IEEE Trans. Electron. Devices 2012, 59, 2753–2761. [Google Scholar] [CrossRef]
- Pan, C.; Paghavan, P.; Ceyhan, A.; Catthoor, F.; Tokei, Z.; Naeemi, A. Technology/circuit/system co-optimization and benchmarking for multilayer graphene interconnects at sub-10 nm technology node. IEEE Trans. Electron. Devices 2015, 62, 1530–1536. [Google Scholar]
- Cui, J.P.; Zhao, W.S.; Yin, W.Y.; Hu, J. Signal transmission analysis of multilayer graphene nano-ribbon (MLGNR) interconnects. IEEE Trans. Electromagn. Compat. 2012, 54, 126–132. [Google Scholar] [CrossRef]
- Hass, J.; Varchon, F.; Millan-Otoya, J.E.; Sprinkle, M.; Sharma, N.; de Heer, W.A.; Berger, C.; First, P.N.; Magaud, L.; Conrad, E.H. Why multilayer graphene on 4H-SiC(0001) behaves like a single sheet of graphene. Phys. Rev. Lett. 2008, 100, 125504. [Google Scholar] [CrossRef]
- Sarto, M.S.; Tamburrano, A. Single-conductor transmission-line model of multiwall carbon nanotubes. IEEE Trans. Nanotechnol. 2010, 9, 82–92. [Google Scholar] [CrossRef]
- Kumar, V.R.; Majumder, M.K.; Kukkam, N.R.; Kaushik, B.K. Time and frequency domain analysis of MLGNR interconnects. IEEE Trans. Nanotechnol. 2015, 14, 484–492. [Google Scholar] [CrossRef]
- Ismail, Y.I.; Friedman, E.G. Effects of inductance on the propagation delay and repeater insertion in VLSI circuits. IEEE Trans. Very Large Scale Integr. (VLSI) Syst. 2000, 8, 195–206. [Google Scholar] [CrossRef]
- Im, S.; Srivastava, N.; Banerjee, K.; Goodson, K.E. Scaling analysis of multilevel interconnect temperatures for high-performance ICs. IEEE Trans. Electron. Devices 2005, 52, 2710–2719. [Google Scholar] [CrossRef]
- Zhao, W.S.; Cheng, Z.H.; Wang, J.; Fu, K.; Wang, D.W.; Zhao, P.; Wang, G.; Dong, L. Vertical graphene nanoribbon interconnects at the end of the roadmap. IEEE Trans. Electron. Devices 2018, 65, 2632–2636. [Google Scholar] [CrossRef]
- Nihei, M.; Kawabata, A.; Murakami, T.; Sato, M.; Yokoyama, N. Improved thermal conductivity by vertical graphene contact formation for thermal TSVs. In Proceedings of the 2012 International Electron Devices Meeting, San Francisco, CA, USA, 10–13 December 2012; pp. 3351–3354. [Google Scholar]
- Wang, N.C.; Sinha, S.; Cline, B.; English, C.D.; Yeric, G.; Pop, E. Replacing copper interconnects with graphene at a 7-nm node. In Proceedings of the IEEE International Interconnect Technology Conference (IITC), Hsinchu, Taiwan, 16–18 May 2017; pp. 1–3. [Google Scholar]
- Wang, X.; Ouyang, Y.; Li, X.; Wang, H.; Guo, J.; Dia, H. Room-temperature all-semiconducting sub-10-nm graphene nanoribbon field-effect transistors. Phys. Rev. Lett. 2008, 100, 206803. [Google Scholar] [CrossRef]
- Pop, E.; Varshney, V.; Roy, V.K. Thermal properties of graphene: Fundamentals and applications. MRS Bull. 2012, 37, 1273–1281. [Google Scholar] [CrossRef]
- Shulaker, M.M.; Hills, G.; Park, R.S.; Howe, R.T.; Saraswat, K.; Wong, H.S.P.; Mitra, S. Three-dimensional integration of nanotechnologies for computing and data storage on a single chip. Nature 2017, 547, 74–78. [Google Scholar] [CrossRef]
- Li, F.; Cheng, H.M.; Bai, S.; Su, G.; Dresselhaus, M.S. Tensile strength of single-walled carbon nanotubes directly measured from their macroscopic ropes. Appl. Phys. Lett. 2000, 77, 3161–3163. [Google Scholar] [CrossRef]
- Li, H.J.; Lu, W.G.; Li, J.J.; Bai, X.D.; Gu, C.Z. Multichannel ballistic transport in multiwall carbon nanotubes. Phys. Rev. Lett. 2005, 95, 86601. [Google Scholar] [CrossRef]
- Maffucci, A.; Micciulla, F.; Cataldo, A.E.; Miano, G.; Bellucci, S. Modeling, fabrication, and characterization of large carbon nanotube interconnects with negative temperature coefficient of the resistance. IEEE Trans. Compon. Packag. Manuf. Technol. 2017, 7, 485–493. [Google Scholar] [CrossRef]
- Burke, P.J. Luttinger liquid theory as a model of the gigahertz electrical properties of carbon nanotubes. IEEE Trans. Nanotechnol. 2002, 99, 129–144. [Google Scholar] [CrossRef]
- Liang, J.; Lee, J.; Berrada, S.; Georgiev, V.P.; Pandey, R.; Chen, R.; Asenov, A.; Todri-Sanial, A. Atomistic- to circuit-level modeling of doped SWCNT for on-chip interconnects. IEEE Trans. Nanotechnol. 2018, 17, 1084–1088. [Google Scholar] [CrossRef]
- Miano, G.; Forestiere, C.; Maffucci, A.; Maksimenko, S.A.; Slepyan, G.Y. Signal propagation in carbon nanotubes of arbitrary chirality. IEEE Trans. Nanotechnol. 2011, 10, 135–149. [Google Scholar] [CrossRef]
- Jamal, O.; Naeemi, A. Ultralow-power single-wall carbon nanotube interconnects for subthreshold circuits. IEEE Trans. Nanotechnol. 2011, 10, 99–101. [Google Scholar] [CrossRef]
- Pable, S.D.; Hasan, M. Interconnect design for subthreshold circuits. IEEE Trans. Nanotechnol. 2012, 11, 633–639. [Google Scholar] [CrossRef]
- Ceyhan, A.; Naeemi, A. Cu interconnect limitations and opportunities for SWNT interconnects at the end of the roadmap. IEEE Trans. Electron. Devices 2013, 60, 374–382. [Google Scholar] [CrossRef]
- Naeemi, A.; Meindl, J.D. Monolayer metallic nanotube interconnects: Promising candidates for short local interconnects. IEEE Electron. Device Lett. 2005, 26, 544–546. [Google Scholar] [CrossRef]
- Zhao, W.S.; Wang, G.; Hu, J.; Sun, L.; Hong, H. Performance and stability analysis of monolayer single-walled carbon nanotube interconnects. Int. J. Numer. Modell. Electron. Netw. Devices Fields 2015, 28, 456–464. [Google Scholar] [CrossRef]
- Li, H.; Liu, W.; Cassell, A.M.; Kreupl, F.; Banerjee, K. Low-resistivity long-length horizontal carbon nanotube bundles for interconnect applications—Part I: Process development. IEEE Trans. Electron. Devices 2013, 60, 2862–2869. [Google Scholar] [CrossRef]
- Majumder, M.K.; Pandya, N.D.; Kaushik, B.K.; Manhas, S.K. Analysis of MWCNT and bundled SWCNT interconnects: Impact on crosstalk and area. IEEE Electron. Device Lett. 2012, 33, 1180–1182. [Google Scholar] [CrossRef]
- Majumder, M.K.; Kaushik, B.K.; Manhas, S.K. Analysis of delay and dynamic crosstalk in bundled carbon nanotube interconnects. IEEE Trans. Electromagn. Compat. 2014, 56, 1666–1673. [Google Scholar] [CrossRef]
- Harutyunyan, A.R.; Chen, G.; Paronyan, T.M.; Pigos, E.M.; Kuznetsov, O.A.; Hewaparakrama, K.; Kim, S.M.; Zakharov, D.; Stach, E.A.; Sumanasekera, G.U. Preferential growth of single-walled carbon nanotubes with metallic conductivity. Science 2009, 326, 116–120. [Google Scholar] [CrossRef]
- Naeemi, A.; Meindl, J.D. Design and performance modeling for single-walled carbon nanotubes as local, semiglobal, and global interconnects in gigascale integrated systems. IEEE Trans. Electron. Devices 2007, 54, 26–37. [Google Scholar] [CrossRef]
- Awano, Y.; Sato, S.; Nihei, M.; Sakai, T.; Ohno, Y.; Mizutani, T. Carbon nanotubes for VLSI: Interconnect and transistor applications. Proc. IEEE 2010, 98, 2015–2030. [Google Scholar] [CrossRef]
- Srivastava, N.; Li, H.; Kreupl, F.; Banerjee, K. On the applicability of single-walled carbon nanotubes as VLSI interconnects. IEEE Trans. Nanotechnol. 2009, 8, 542–559. [Google Scholar] [CrossRef]
- Chiariello, A.G.; Maffucci, A.; Miano, G. Electrical modeling of carbon nanotube vias. IEEE Trans. Electromagn. Compat. 2012, 54, 158–166. [Google Scholar] [CrossRef]
- Li, H.; Srivastava, N.; Mao, J.F.; Yin, W.Y.; Banerjee, K. Carbon nanotube vias: Does Ballistic electron-phonon transport imply improved performance and reliability? IEEE Trans. Electron. Devices 2011, 58, 2689–2701. [Google Scholar] [CrossRef]
- Naeemi, A.; Meindl, J.D. Physical modeling of temperature coefficient of resistance for single- and multi-wall carbon nanotube interconnects. IEEE Electron. Device Lett. 2007, 28, 135–138. [Google Scholar] [CrossRef]
- Li, H.; Yin, W.Y.; Banerjee, K.; Mao, J.F. Circuit modeling and performance analysis of multi-walled carbon nanotube interconnects. IEEE Trans. Electron. Devices 2008, 55, 1328–1337. [Google Scholar] [CrossRef]
- Tang, M.; Mao, J. Modeling and fast simulation of multiwalled carbon nanotube interconnects. IEEE Trans. Electromagn. Compat. 2015, 57, 232–240. [Google Scholar] [CrossRef]
- Liang, F.; Wang, G.; Ding, W. Estimation of time delay and repeater insertion in multiwall carbon nanotube interconnects. IEEE Trans. Electron. Devices 2011, 58, 2712–2720. [Google Scholar] [CrossRef]
- Pu, S.N.; Yin, W.Y.; Mao, J.F.; Liu, Q.H. Crosstalk prediction of single- and double-walled carbon-nanotube (SWCNT/DWCNT) bundle interconnects. IEEE Trans. Electron. Devices 2009, 56, 560–568. [Google Scholar] [CrossRef]
- Liang, F.; Wang, G.; Lin, H. Modeling of crosstalk effects in multiwall carbon nanotube interconnects. IEEE Trans. Electromagn. Compat. 2011, 54, 133–139. [Google Scholar] [CrossRef]
- Kumar, M.G.; Chandel, R.; Agrawal, Y. An efficient crosstalk model for coupled multiwalled carbon nanotube interconnects. IEEE Trans. Electromagn. Compat. 2018, 60, 487–496. [Google Scholar] [CrossRef]
- Chen, R.; Liang, J.; Lee, J.; Georgiev, V.P.; Ramos, R.; Okuno, H.; Kalita, D.; Cheng, Y.; Zhang, L.; Pandey, R.R.; et al. Variability study of MWCNT local interconnects considering defects and contact resistances—Part I: Pristine MWCNT. IEEE Trans. Electron. Devices 2018, 65, 4955–4962. [Google Scholar] [CrossRef]
- Chen, R.; Liang, J.; Lee, J.; Georgiev, V.P.; Ramos, R.; Okuno, H.; Kalita, D.; Cheng, Y.; Zhang, L.; Pandey, R.R.; et al. Variability study of MWCNT local interconnects considering defects and contact resistances—Part II: Impact of charge transfer doping. IEEE Trans. Electron. Devices 2018, 65, 4963–4970. [Google Scholar] [CrossRef]
- Chen, W.C.; Yin, W.Y.; Jia, L.; Liu, Q.H. Electrothermal characterization of single-walled carbon nanotube (SWCNT) interconnect arrays. IEEE Trans. Nanotechnol. 2009, 8, 718–728. [Google Scholar] [CrossRef]
- Verma, R.; Bhattacharya, S.; Mahapatra, S. Analytical solution of Joule-heating equation for metallic single-walled carbon nanotube interconnects. IEEE Trans. Electron. Devices 2011, 58, 3991–3996. [Google Scholar] [CrossRef]
- Mohsin, K.M.; Srivastava, A. Modeling of Joule heating induced effects in multiwall carbon nanotube interconnects. IEEE Trans. Very Large Scale Integr. (VLSI) Syst. 2017, 25, 3089–3098. [Google Scholar] [CrossRef]
- Mishra, A.; Shrivastava, M. ESD behavior of MWCNT interconnects–Part I: Observations and insights. IEEE Trans. Device Mater. Reliab. 2017, 17, 600–607. [Google Scholar] [CrossRef]
- Mishra, A.; Shrivastava, M. ESD behavior of MWCNT interconnects—Part II: Unique current conduction mechanism. IEEE Trans. Device Mater. Reliab. 2017, 17, 608–615. [Google Scholar] [CrossRef]
- Guistininai, A.; Tucci, V.; Zamboni, W. Modeling issues and performance analysis of high-speed interconnects based on a bundle of SWCNT. IEEE Trans. Electron. Devices 2010, 57, 1978–1986. [Google Scholar] [CrossRef]
- Matsuda, Y.; Deng, W.Q.; Goddard, W.A., III. Contact resistance for “end-contacted” metal-graphene and metal-nanotube interfaces from quantum mechanics. J. Phys. Chem. C 2010, 114, 17845–17850. [Google Scholar] [CrossRef]
- Zhao, W.S.; Wang, G.; Sun, L.; Yin, W.Y.; Guo, Y.X. Repeater insertion for carbon nanotube interconnects. Micro Nano Lett. 2014, 9, 337–339. [Google Scholar] [CrossRef]
- Liu, P.W.; Cheng, Z.H.; Zhao, W.S.; Lu, Q.; Zhu, Z.; Wang, G. Repeater insertion for multi-walled carbon nanotube interconnects. Appl. Sci. 2018, 8, 236. [Google Scholar] [CrossRef]
- Banerjee, K.; Mehrotra, A. A power-optimal repeater insertion methodology for global interconnects in nanometer design. IEEE Trans. Electron. Devices 2002, 49, 2001–2007. [Google Scholar] [CrossRef]
- Chen, G.; Friedman, E.G. Low-power repeaters driving RC and RLC interconnects with delay and bandwidth constraints. IEEE Trans. Very Large Scale Integr. (VLSI) Syst. 2006, 14, 161–172. [Google Scholar] [CrossRef]
- Zhao, W.S.; Liu, P.W.; Yu, H.; Hu, Y.; Wang, G.; Swaminathan, M. Repeater insertion to reduce delay and power in copper and carbon nanotube-based nanointerconnects. IEEE Access 2019, 7, 13622–13633. [Google Scholar] [CrossRef]
- Nihei, M.; Kawabata, A.; Murakami, T.; Sato, M.; Yokoyama, N. CNT/graphene technologies for future carbon-based interconnects. In Proceedings of the IEEE 11th International Conference on Solid-State and Integrated Circuit Technology, Xi’an, China, 29 October–1 November 2012; pp. 1–4. [Google Scholar]
- Ramos, R.; Fournier, A.; Fayolle, M.; Dijon, J.; Murray, C.P.; McKenna, J. Nanocarbon interconnects combining vertical CNT interconnects and horizontal graphene lines. In Proceedings of the 2016 IEEE International Interconnect Technology Conference/Advanced Metallization Conference (IITC/AMC), San Jose, CA, USA, 23–26 May 2016; pp. 48–50. [Google Scholar]
- Zhou, C.; Senegor, R.; Baron, Z.; Chen, Y.; Raju, S.; Vyas, A.A.; Chan, M.; Chai, Y.; Yang, C.Y. Synthesis and interface characterization of CNTs on graphene. Nanotechnology 2017, 28, 054007. [Google Scholar] [CrossRef]
- Jiang, J.; Kang, J.; Chu, J.H.; Banerjee, K. All-carbon interconnect scheme integrating graphene-wires and carbon-nanotube-vias. IEDM Tech. Dig. 2017, 1431–1434. [Google Scholar]
- Li, N.; Mao, J.; Zhao, W.S.; Tang, M.; Chen, W.; Yin, W.Y. Electrothermal cosimulation of 3-D carbon-based heterogeneous interconnects. IEEE Trans. Compon. Packag. Manuf. Technol. 2016, 6, 518–526. [Google Scholar] [CrossRef]
- Zhang, G.; Warner, J.H.; Fouque, M.; Robertson, A.W.; Chen, B.; Robertson, J. Growth of ultrahigh density single-walled carbon nanotube forests by improved catalyst design. ACS Nano 2012, 6, 2893–2903. [Google Scholar] [CrossRef]
- Eda, G.; Fanchini, G.; Chhowalla, M. Large-area ultrathin films of reduced graphene oxide as a transparent and flexible electronic material. Nat. Nanotechnol. 2008, 3, 270–274. [Google Scholar] [CrossRef]
- Ceyhan, A.; Naeemi, A. Cu/low-k interconnect technology design and benchmarking for future technology nodes. IEEE Trans. Electron. Devices 2013, 60, 4041–4047. [Google Scholar] [CrossRef]
- Nguyen, B.S.; Lin, J.F.; Perng, D.C. 1-nm-thick graphene tri-layer as the ultimate copper diffusion barrier. Appl. Phys. Lett. 2014, 104, 082105. [Google Scholar] [CrossRef]
- Hong, J.; Lee, S.; Lee, S.; Han, H.; Mahata, C.; Yeon, H.W.; Koo, B.; Kim, S.I.; Nam, T.; Byun, K.; et al. Graphene as an atomically thin barrier to Cu diffusion into Si. Nanoscale 2014, 6, 7503–7511. [Google Scholar] [CrossRef]
- Li, L.; Chen, X.; Wang, C.H.; Cao, J.; Lee, S.; Tang, A.; Ahn, C.; Roy, S.S.; Arnold, M.S.; Wong, H.S.P. Vertical and lateral copper transport through graphene layers. ACS Nano 2015, 9, 8361–8367. [Google Scholar] [CrossRef] [PubMed]
- Kang, C.G.; Lim, S.K.; Lee, S.; Lee, S.K.; Cho, C.; Lee, Y.G.; Hwang, H.J.; Kim, Y.; Choi, H.J.; Choe, S.H. Effects of multi-layer graphene capping on Cu interconnects. Nanotechnology 2013, 24, 115707. [Google Scholar] [CrossRef] [PubMed]
- Zhang, R.; Zhao, W.S.; Hu, J.; Yin, W.Y. Electrothermal characterization of multilevel Cu-graphene heterogenesou interconnects in the presence of an electrostatic discharge (ESD). IEEE Trans. Nanotechnol. 2015, 14, 205–209. [Google Scholar] [CrossRef]
- Mehta, R.; Chugh, S.; Chen, Z. Enhanced electrical and thermal conduction in graphene-encapsulated copper nanowires. Nano Lett. 2015, 15, 2024–2030. [Google Scholar] [CrossRef] [PubMed]
- Goli, P.; Ning, H.; Li, X.; Liu, C.Y.; Novoselov, K.S.; Balandin, A.A. Thermal properties of graphene-copper-graphene heterogeneous films. Nano Lett. 2014, 14, 1497–1503. [Google Scholar] [CrossRef]
- Li, L.; Zhu, Z.; Yoon, A.; Wong, H.S.P. In-situ grown graphene enables copper interconnects with improved eletromigration reliability. IEEE Electron. Device Lett. 2019. [Google Scholar] [CrossRef]
- Mehta, R.; Chugh, S.; Chen, Z. Transfer-free multi-layer graphene as a diffusion barrier. Nanoscale 2017, 9, 1827–1833. [Google Scholar] [CrossRef]
- Li, C.L.; Zhang, S.; Shen, T.; Appenzeller, J.; Chen, Z. BEOL compatible 2D layered materials as ultra-thin diffusion barriers for Cu interconnect technology. In Proceedings of the IEEE 75th Annual Device Research Conference (DRC), South Bend, IN, USA, 25–28 June 2017; pp. 1–2. [Google Scholar]
- Zhao, W.S.; Wang, D.W.; Wang, G.; Yin, W.Y. Electrical modeling of on-chip Cu-graphene heterogeneous interconnects. IEEE Electron. Device Lett. 2015, 36, 74–76. [Google Scholar] [CrossRef]
- Cheng, Z.H.; Zhao, W.S.; Wang, D.W.; Wang, J.; Dong, L.; Wang, G.; Yin, W.Y. Analysis of Cu-graphene interconnects. IEEE Access 2018, 6, 53499–53508. [Google Scholar] [CrossRef]
- Subramaniam, C.; Yamada, T.; Kobashi, K.; Sekiguchi, A.; Futaba, D.N.; Yumura, M.; Hata, K. One hundred fold increase in current carrying capacity in a carbon nanotube-copper composite. Nat. Commun. 2013, 4, 2202. [Google Scholar] [CrossRef]
- Chai, Y.; Chan, P.C.H.; Fu, Y.; Chuang, Y.C.; Liu, C.Y. Electromigraiton studies of Cu/carbon nanotube composite interconnects using Blech structure. IEEE Electron. Device Lett. 2008, 29, 1001–1003. [Google Scholar] [CrossRef]
- Lee, J.; Berrada, S.; Adamu-Lema, F.; Nagy, N.; Georgiev, V.P.; Sadi, T.; Liang, J.; Ramos, R.; Carrillo-Nunez, H.; Kalita, D.; et al. Understanding electromigration in Cu-CNT composite interconnects: A multiscale electrothermal simulation study. IEEE Trans. Electron. Devices 2018, 65, 3884–3892. [Google Scholar] [CrossRef]
- Cheng, Z.H.; Zhao, W.S.; Dong, L.; Wang, J.; Zhao, P.; Gao, H.; Wang, G. Investigation of copper-carbon nanotube composites as global VLSI interconnects. IEEE Trans. Nanotechnol. 2017, 16, 891–900. [Google Scholar] [CrossRef]
- Zhao, W.S.; Zheng, J.; Hu, Y.; Sun, S.; Wang, G.; Dong, L.; Yu, L.; Sun, L.; Yin, W.Y. High-frequency analysis of Cu-carbon nanotube composite through-silicon vias. IEEE Trans. Nanotechnol. 2016, 15, 506–511. [Google Scholar] [CrossRef]
- Xu, C.; Li, H.; Suaya, R.; Banerjee, K. Compact AC modeling and performance analysis of through-silicon vias in 3-D ICs. IEEE Trans. Electron. Devices 2010, 57, 3405–3417. [Google Scholar] [CrossRef]




















| Solution | Pros | Cons |
|---|---|---|
| Cu [2,4] |
|
|
| MLGNR [23,26,29,31,44,85] |
|
|
| VGNR [13,23,29,31,44,45] |
|
|
| Bundled SWCNTs [16,17,44,61,64,96] |
|
|
| MWCNT [44,51,62,82,85] |
|
|
| Cu-graphene [2,104,105,108,110] |
|
|
| Cu-CNT composite [2,4,111,112] |
|
|
© 2019 by the authors. Licensee MDPI, Basel, Switzerland. This article is an open access article distributed under the terms and conditions of the Creative Commons Attribution (CC BY) license (http://creativecommons.org/licenses/by/4.0/).
Share and Cite
Zhao, W.-S.; Fu, K.; Wang, D.-W.; Li, M.; Wang, G.; Yin, W.-Y. Mini-Review: Modeling and Performance Analysis of Nanocarbon Interconnects. Appl. Sci. 2019, 9, 2174. https://doi.org/10.3390/app9112174
Zhao W-S, Fu K, Wang D-W, Li M, Wang G, Yin W-Y. Mini-Review: Modeling and Performance Analysis of Nanocarbon Interconnects. Applied Sciences. 2019; 9(11):2174. https://doi.org/10.3390/app9112174
Chicago/Turabian StyleZhao, Wen-Sheng, Kai Fu, Da-Wei Wang, Meng Li, Gaofeng Wang, and Wen-Yan Yin. 2019. "Mini-Review: Modeling and Performance Analysis of Nanocarbon Interconnects" Applied Sciences 9, no. 11: 2174. https://doi.org/10.3390/app9112174
APA StyleZhao, W.-S., Fu, K., Wang, D.-W., Li, M., Wang, G., & Yin, W.-Y. (2019). Mini-Review: Modeling and Performance Analysis of Nanocarbon Interconnects. Applied Sciences, 9(11), 2174. https://doi.org/10.3390/app9112174

