Testing and Analysis of MOSFET-Based Absorber Integrated Antenna for 5G/WiMAX/WLAN Applications
Abstract
:1. Introduction
2. Double Material Substrate (DMS) Cylindrical Surrounding Patch Antenna (CSPA) Design and Analysis
3. Design Analysis of SRD Pulse Generator and Diode-Based Quasi-Circulator
3.1. Transient 3D Electromagnetic Circuit Simulation of SRD Pulse Generator
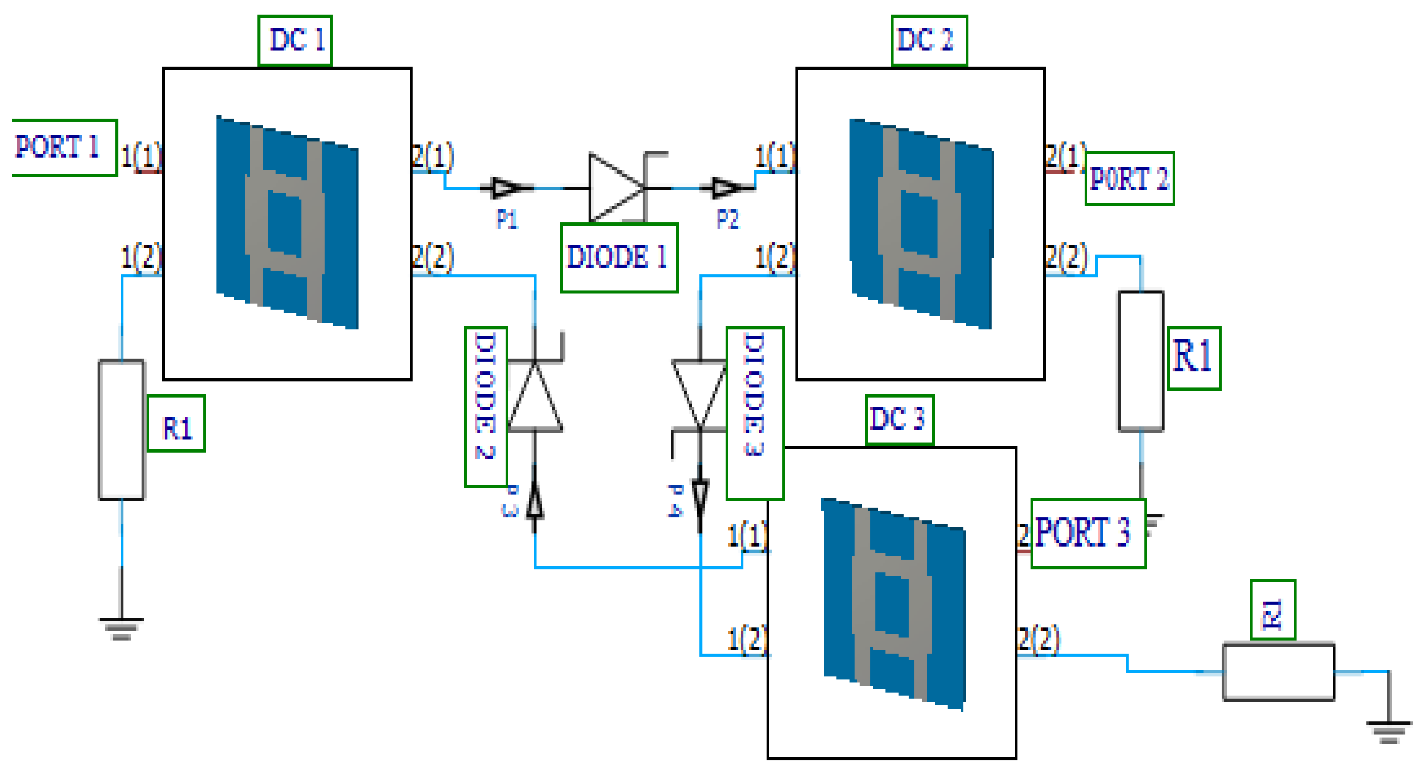
3.2. The 3D Electromagnetic Circuit Simulation of 3-Port Diode-Based Quasi-Circulator Using Directional Couplers
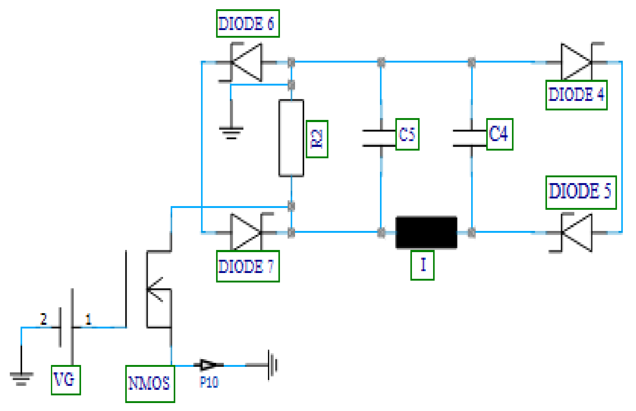
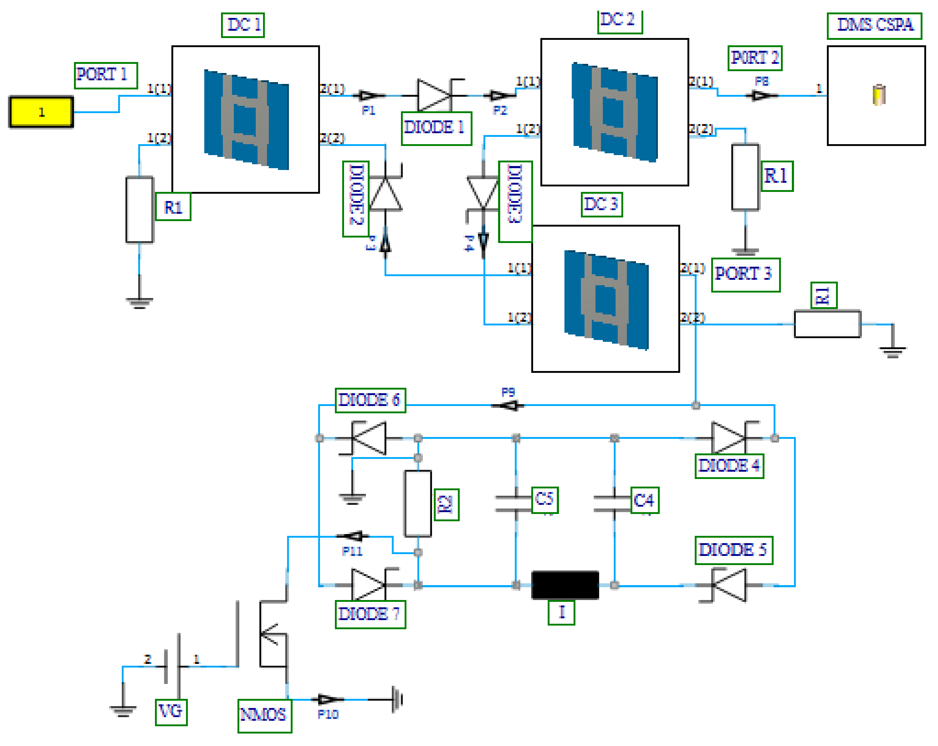
4. Electromagnetic Circuit Simulation Analysis of MOSFET-Based Absorber Integrated Antenna
5. Conclusion and Future Recommendations
Author Contributions
Funding
Institutional Review Board Statement
Conflicts of Interest
References
- Fazel, Z.; Atarodi, M.; Sadughi, S. A system-level design method for RF receiver front-end with low power consumption. Analog Integr. Circuits Signal Process. 2021, 108, 391–408. [Google Scholar] [CrossRef]
- Wang, D.; Chen, L.; Gao, L. Simulation Study on the Influence of the Damage of RF Front-end Limiter to the Performance of Satellite Communication System. In Proceedings of the 2020 6th Global Electromagnetic Compatibility Conference (GEMCCON), Xian, China, 20–23 October 2020. [Google Scholar] [CrossRef]
- Srivastava, V.M.; Singh, G. MOSFET Technologies for Double-Pole Four Throw Radio Frequency Switch; Springer International Publishing: Cham, Switzerland, 2014. [Google Scholar]
- Emara, M.K.; King, D.J.; Nguyen, H.V.; Abielmona, S.; Gupta, S. Millimeter-Wave Slot Array Antenna Front-End for Amplitude-Only Direction Finding. IEEE Trans. Antennas Propag. 2020, 68, 5365–5374. [Google Scholar] [CrossRef]
- Duplouy, J.; Morlaas, C.; Aubert, H.; Potier, P.; Pouliguen, P. Wideband Vector Antenna for Dual-Polarized and Three-Dimensional Direction-Finding Applications. IEEE Antennas Wirel. Propag. Lett. 2019, 18, 1572–1575. [Google Scholar] [CrossRef] [Green Version]
- Al-Hiti, A.S. Design of rectangular microstrip patch antenna for WLAN and WiMAX. ARPN J. Eng. Appl. Sci. 2019, 14, 433–438. [Google Scholar]
- Serghiou, D.; Khalily, M.; Singh, V.; Araghi, A.; Tafazolli, R. Sub-6 GHz Dual-Band 8 × 8 MIMO Antenna for 5G Smartphones. IEEE Antennas Wirel. Propag. Lett. 2020, 19, 1546–1550. [Google Scholar] [CrossRef]
- Valizade, A.; Rezaei, P.; Orouji, A.A. A new design of dual-port active integrated antenna for 2.4/5.2 GHz WLAN Applications. Prog. Electromagn. Res. B 2014, 58, 83–94. [Google Scholar] [CrossRef] [Green Version]
- Chang, K.; York, R.A.; Hall, P.S.; Itoh, T. Active integrated antennas. IEEE Trans. Antennas Wirel. Propag. 2002, 50, 937–944. [Google Scholar] [CrossRef]
- Aghazadeh, S.R.; Martinez-Garcia, H.; Barajas-Ojeda, E.; Saberkari, A. 3–5-GHz, 385–540-ps CMOS true-time delay element for ultra-wideband antenna arrays. AEU Int. J. Electron. Commun. 2022, 149, 154175. [Google Scholar] [CrossRef]
- Kumari, R.; Basu, A.; Koul, A.S.K. Frequency Reconfigurable High Power Gan/Algan Hemt Based Self Oscillating Active Integrated Antenna. Prog. Electromagn. Res. Lett. 2021, 97, 7–12. [Google Scholar] [CrossRef]
- Singh, D.; Srivastava, V.M. An analysis of RCS for dual-band slotted patch antenna with a thin dielectric using shorted stubs metamaterial absorber. AEU Int. J. Electron. Commun. 2018, 90, 53–62. [Google Scholar] [CrossRef]
- Hedayati, M.K.; Abdipour, A.; Shirazi, R.S.; Ammann, M.J.; John, M.; Cetintepe, C.; Staszewski, R.B. Challenges in On-Chip Antenna Design and Integration with RF Receiver Front-End Circuitry in Nanoscale CMOS for 5G Communication Systems. IEEE Access 2019, 7, 43190–43204. [Google Scholar] [CrossRef]
- Hara, S.; Suzuki, A.; Hirayama, H. Proposal and demonstration of power conversion-chip/amplifier integrated antenna. In Proceedings of the 50th European Microwave Conference, Utrecht, The Netherlands, 12–14 January 2021; pp. 448–451. [Google Scholar]
- Singh, N.; Kanaujia, B.K.; Beg, M.T.; Mainuddin; Kumar, S.; Khandelwal, M.K. A dual band rectifying antenna for RF energy harvesting. J. Comput. Electron. 2018, 17, 1748–1755. [Google Scholar] [CrossRef]
- Yang, S.J.; Pan, Y.M.; Shi, L.-Y.; Zhang, X.Y. Millimeter-Wave Dual-Polarized Filtering Antenna for 5G Application. IEEE Trans. Antennas Propag. 2020, 68, 5114–5121. [Google Scholar] [CrossRef]
- Tang, M.-C.; Wen, Z.; Wang, H.; Li, M.; Ziolkowski, R.W. Compact, Frequency-Reconfigurable Filtenna with Sharply Defined Wideband and Continuously Tunable Narrowband States. IEEE Trans. Antennas Propag. 2017, 65, 5026–5034. [Google Scholar] [CrossRef] [Green Version]
- Mutepfe, C.D.K.; Srivastava, V.M. Design and Analysis of Compact 5th Mode Balanced Substrate Integrated Waveguide Band-Pass Filter for 39 GHz. Int. J. Commun. Antenna Propag. 2021, 11, 401–407. [Google Scholar] [CrossRef]
- Mutepfe, C.D.K.; Srivastava, V.M. Designing of Novel Eighth-Mode Forth-Order Substrate Integrated Waveguide Band-Pass Filter with High Selectivity. J. Commun. 2021, 16, 553–558. [Google Scholar] [CrossRef]
- Lovato, R.; Gong, X. A Third-Order SIW-Integrated Filter/Antenna Using Two Resonant Cavities. IEEE Antennas Wirel. Propag. Lett. 2018, 17, 505–508. [Google Scholar] [CrossRef]
- Huitema, L.; Dia, Y.; Thevenot, M.; Bila, S.; Perigaud, A.; Delaveaud, C. Miniaturization of a Filter-Antenna Device by Co-Design. IEEE Open J. Antennas Propag. 2021, 2, 498–505. [Google Scholar] [CrossRef]
- Ji, S.; Dong, Y.; Fan, Y. Co-designed Ring-Type Filtering Patch Antenna with Dual-mode Microstrip Ring Resonator. In Proceedings of the 2020 International Conference on Microwave and Millimeter Wave Technology (ICMMT), Shanghai, China, 20–23 September 2020; pp. 1–3. [Google Scholar] [CrossRef]
- Wu, Q.-S.; Zhang, X.; Zhu, L. Co-Design of a Wideband Circularly Polarized Filtering Patch Antenna with Three Minima in Axial Ratio Response. IEEE Trans. Antennas Propag. 2018, 66, 5022–5030. [Google Scholar] [CrossRef]
- Rusdiyanto, D.; Zulkifli, F.Y. Antenna Integrated with Low Noise Amplifier Operating at L1 GPS Application. In Proceedings of the 2019 IEEE Asia-Pacific Microwave Conference (APMC), Singapore, 10–13 December 2019; pp. 1280–1282. [Google Scholar] [CrossRef]
- Li, S.; Chi, T.; Jung, D.; Huang, T.Y.; Huang, M.Y.; Wang, H. An E-Band high-linearity antenna-LNA front-end with 4.8 dB NF and 2.2 dBm IIP3 exploiting multi-feed on-antenna noise-canceling and gm-boosting. In Proceedings of the 2020 IEEE International Solid-State Circuits Conference-(ISSCC), San Francisco, CA, USA, 16–20 February 2020; pp. 1–3. [Google Scholar]
- Martin, N.; Taris, T.; Bégueret, J.-B.; Person, C.; Belot, D. 80 GHz co-designed LNA and antenna for automotive radar. In Proceedings of the 21st IEEE International Conference on Electronics, Circuits and Systems (ICECS), Marseille, France, 7–10 December 2014; pp. 526–529. [Google Scholar] [CrossRef]
- Demirel, N.; Pinto, Y.; Calvez, C.; Titz, D.; Luxey, C.; Person, C.; Gloria, D.; Belot, D.; Pache, D.; Kerhervé, E. Codesign of a PA–antenna block in silicon technology for 80-GHz radar application. IEEE Trans. Circuits Syst. II Express Briefs 2013, 60, 177–181. [Google Scholar] [CrossRef]
- Iupikov, O.A.; Perez-Cisneros, J.R.; Meyer, P.; Åkesson, D.; Maaskant, R.; Buisman, K.; Rehammar, R.; Fager, C.; Marianna, V.; Ivashina, M.V. Cavity-backed patch antenna with distributed multi-port feeding, enabling efficient integration with Doherty power amplifier and band-pass filter. IEEE Trans. Antennas Propag. 2021, 69, 4412–4422. [Google Scholar] [CrossRef]
- Hu, Y.-Y.; Sun, S.; Xu, H. Compact Collinear Quasi-Yagi Antenna Array for Wireless Energy Harvesting. IEEE Access 2020, 8, 35308–35317. [Google Scholar] [CrossRef]
- Wang, M.; Fan, Y.; Yang, L.; Li, Y.; Feng, J.; Shi, Y. Compact dual-band rectenna for RF energy harvest based on a tree-like antenna. IET Microw. Antennas Propag. 2019, 13, 1350–1357. [Google Scholar] [CrossRef]
- Zhang, B.; Xue, Q. Filtering Antenna with High Selectivity Using Multiple Coupling Paths from Source/Load to Resonators. IEEE Trans. Antennas Propag. 2018, 66, 4320–4325. [Google Scholar] [CrossRef]
- Li, Y.; Zhao, Z.; Tang, Z.; Yin, Y. Differentially Fed, Dual-Band Dual-Polarized Filtering Antenna with High Selectivity for 5G Sub-6 GHz Base Station Applications. IEEE Trans. Antennas Propag. 2020, 68, 3231–3236. [Google Scholar] [CrossRef]
- Roy, G.M.; Dwari, S.; Kanaujia, B.K.; Kumar, S.; Song, H. Active feedback supported CMOS LNA blended with coplanar waveguide-fed antenna for Wi-Fi networks. IET Microw. Antennas Propag. 2021, 15, 537–546. [Google Scholar] [CrossRef]
- Omoru, E.; Srivastava, V.M. Comparative analysis of dual-band double-material substrate based cylindrical surrounding patch antenna for 5G/WiMAX/WLAN applications. Int. J. Commun. Antenna Propag. 2021, 11, 430–439. [Google Scholar] [CrossRef]
- Maduagwu, U.A.; Srivastava, V.M. Sensitivity of Lightly and Heavily Dopped Cylindrical Surrounding Double-Gate (CSDG) MOSFET to Process Variation. IEEE Access 2021, 9, 142541–142550. [Google Scholar] [CrossRef]
- Omoru, E.O.; Srivastava, V.M. Radiation pattern, surface current distribution, Q-factor improvement technique using DMS CSPA: Part-II. J. Commun. 2022, 17, 393–398. [Google Scholar] [CrossRef]
- Umayah, E.N.; Srivastava, V.M. Comparative analysis of feeding techniques for cylindrical surrounding patch antenna. Int. J. Electr. Comput. Eng. 2020, 10, 5377–5384. [Google Scholar] [CrossRef]
- Constantine, A. Balanis, Antenna Theory: Analysis and Design, 4th ed.; John Wiley & Sons (Wiley): Hoboken, NJ, USA, 2016. [Google Scholar]
- Zeng, F.; Yao, J. An approach to ultrawideband pulse generation and distribution over optical fiber. IEEE Photon- Technol. Lett. 2006, 18, 823–825. [Google Scholar] [CrossRef]
- Rahman, M.; Wu, K. A reconfigurable picosecond pulse generator in non-linear transmission line for impulse radar ultra-wideband applications. IEEE Microw. Wirel. Compon. Lett. 2022, 32, 448–451. [Google Scholar] [CrossRef]
- Xu, W.; Chen, J.; Shi, Z.; Zhang, A. A Novel Picosecond-Pulse Circuit Based on Marx Structure and SRD. In Proceedings of the 4th International Conference on Electronic Information and Communication Technology (ICEICT), Xi’an, China, 18–20 August 2021; pp. 311–313. [Google Scholar] [CrossRef]
- Wang, S.; Lee, C.H.; Wu, Y.B. Fully integrated 10-GHz active circulator and quasi-circulator using bridged-T networks in standard CMOS. IEEE Tran. Very Large Scale Integr. Syst. 2016, 24, 3184–3192. [Google Scholar] [CrossRef]
- Chang, C.H.; Lo, Y.T.; Kiang, J.F. A 30 GHz active quasi-circulator with current-reuse technique in 0.18 µm CMOS technology. IEEE Microw. Wirel. Compon. Lett. 2010, 20, 693–695. [Google Scholar] [CrossRef]
- Porranzl, M.; Wagner, C.; Jaeger, H.; Stelzer, A. An Active Quasi-Circulator for 77 GHz Automotive FMCW Radar Systems in SiGe Technology. IEEE Microw. Wirel. Components Lett. 2015, 25, 313–315. [Google Scholar] [CrossRef]
- Yoo, B.Y.; Park, J.H.; Yang, J.R. Quasi-Circulator Using an Asymmetric Coupler for Tx Leakage Cancellation. Electronics 2018, 7, 173. [Google Scholar] [CrossRef] [Green Version]
- Houtz, D.A.; Gu, D. A Measurement Technique for Infrared Emissivity of Epoxy-Based Microwave Absorbing Materials. IEEE Geosci. Remote Sens. Lett. 2018, 15, 48–52. [Google Scholar] [CrossRef]
- Xu, Q.; Huang, Y. Anechoic and Reverberation Chambers: Theory, Design and Measurements; John Wiley & Sons (Wiley): Hoboken, NJ, USA, 2018. [Google Scholar]
- Luo, G.Q.; Yu, W.; Yu, Y.; Zhang, X.H.; Shen, Z. A Three-Dimensional Design of Ultra-Wideband Microwave Absorbers. IEEE Trans. Microw. Theory Tech. 2020, 68, 4206–4215. [Google Scholar] [CrossRef]
- Hu, D.; Zhai, H.; Li, S.; Xiong, W.; Zhang, L. A New Miniaturized Absorber Frequency Selective Surface for Low Frequency Wave Transmission and High Frequency Absorption. In Proceedings of the 2019 International Conference on Microwave and Millimeter Wave Technology (ICMMT), Guangzhou, China, 19–22 May 2019; pp. 1–3. [Google Scholar] [CrossRef]
- Han, Y.D.; Zhu, B.C.; Yan, Z.H. Design of a wave-absorbing frequency selective surface unit. In Proceedings of the 2018 Cross Strait Quad-Regional Radio Science and Wireless Technology Conference (CSQRWC), Xuzhou, China, 21–24 July 2018. [Google Scholar]
- Saikia, M.; Srivastava, K.V. Design of Thin Broadband Microwave Absorber using Combination of Capacitive and Circuit Analog Absorbers. In Proceedings of the 2018 IEEE Indian Conference on Antennas and Propogation (InCAP), Hyderabad, India, 16–19 December 2018; pp. 1–4. [Google Scholar] [CrossRef]
- Zhang, Q.; Shen, Z.; Wang, J.; Lee, K.S. Design of a switchable microwave absorber. IEEE Antennas Wirel. Propag. Lett. 2012, 11, 1158–1161. [Google Scholar] [CrossRef]
- Sedra, A.S.; Smith, K.C. Microelectronic Circuits: Theory and Applications, 7th ed.; Oxford University Press: Oxford, UK, 2014. [Google Scholar]
- Boylestad, R.L.; Nashelsky, L. Electronic Devices and Circuit Theory, 11th ed.; Pearson Prentice Hall: Hoboken, NJ, USA, 2012. [Google Scholar]
- Uchechukwu, M.A.; Srivastava, V.M. Channel length scaling pattern for Cylindrical Surrounding Double-Gate (CSDG) MOSFET. IEEE Access 2020, 8, 121204–121210. [Google Scholar] [CrossRef]
- Gowthaman, N.; Srivastava, V.M. Parametric analysis of CSDG MOSFET with La2O3 gate oxide: Based on electrical field estimation. IEEE Access 2021, 9, 159421–159431. [Google Scholar] [CrossRef]
- Rashid, M.H. Power Electronics Handbook: Devices, Circuits and Applications, 4th ed.; Elsevier: Amsterdam, The Netherlands, 2018. [Google Scholar]














| Description | Parameter | Value (in mm) |
|---|---|---|
| The outer radius of ground | Rgo | 12.12 |
| Inner radius of ground | Rgi | 11.32 |
| Outer radius of the polyimide substrate | Rso.pl | 12.62 |
| Outer radius of FR-4 substrate | Rso-fr-4 | 15.42 |
| Length of ground | Lg | 22.87 |
| Length of substrate | Ls | 39.84 |
| Substrate and patch top difference | ∆L | 2.070 |
| Inset feed length | Yo | 3.11 |
| Width of feed | Wf | 5.70 |
| Height of patch | Hp | 0.8 |
| Length of patch | Lp | 11.04 |
| Width of patch | Wp | 17.26 |
| Assumed width of the ground | Wg | 46.06 |
| Thickness of ground | Hg | 0.8 |
| Thickness of polyimide substrate | Hs.pl | 2.0 |
| Thickness of FR-4 substrate | Hs.fr-4 | 2.8 |
| Effective length | Leff | 15.27 |
| Voltage | Current | Power | |
|---|---|---|---|
| P1 | 2500 mV | 263 mA | 660 mW |
| P2 | 2500 mV | 26.9 mA | 67 mW |
| Ports | Current (mA) | Voltage (mV) | Power (mW) |
|---|---|---|---|
| 1 | 26.9 | 2623 | 70,559 |
| 2 | 18.9 | 2100 | 39,690 |
| 3 | 0.8 | 240 | 192 |
| Terminal | Voltage (mV) | Current (mA) |
|---|---|---|
| Source (P11) | 0 | −3.6 |
| Drain(P10) | 466 | 3.6 |
Publisher’s Note: MDPI stays neutral with regard to jurisdictional claims in published maps and institutional affiliations. |
© 2022 by the authors. Licensee MDPI, Basel, Switzerland. This article is an open access article distributed under the terms and conditions of the Creative Commons Attribution (CC BY) license (https://creativecommons.org/licenses/by/4.0/).
Share and Cite
Omoru, E.O.; Srivastava, V.M. Testing and Analysis of MOSFET-Based Absorber Integrated Antenna for 5G/WiMAX/WLAN Applications. Nanomaterials 2022, 12, 2911. https://doi.org/10.3390/nano12172911
Omoru EO, Srivastava VM. Testing and Analysis of MOSFET-Based Absorber Integrated Antenna for 5G/WiMAX/WLAN Applications. Nanomaterials. 2022; 12(17):2911. https://doi.org/10.3390/nano12172911
Chicago/Turabian StyleOmoru, Elliot O., and Viranjay M. Srivastava. 2022. "Testing and Analysis of MOSFET-Based Absorber Integrated Antenna for 5G/WiMAX/WLAN Applications" Nanomaterials 12, no. 17: 2911. https://doi.org/10.3390/nano12172911
APA StyleOmoru, E. O., & Srivastava, V. M. (2022). Testing and Analysis of MOSFET-Based Absorber Integrated Antenna for 5G/WiMAX/WLAN Applications. Nanomaterials, 12(17), 2911. https://doi.org/10.3390/nano12172911

