Abstract
The Stopped-Flow apparatus (SF) tracks molecular events by mixing the reactants in sub-millisecond regimes. The reaction of intrinsically or extrinsically labeled biomolecules can be monitored by recording the fluorescence, F(t), anisotropy, r(t), polarization, p(t), or FRET, F(t)FRET, traces at nanomolar concentrations. These kinetic measurements are critical to elucidate reaction mechanisms, structural information, and even thermodynamics. In a single detector SF, or L-configuration, the r(t), p(t), and F(t) traces are acquired by switching the orientation of the emission polarizer to collect the IVV and IVH signals however it requires two-shot experiments. In a two-detector SF, or T-configuration, these traces are collected in a single-shot experiment, but it increases the apparatus’ complexity and price. Herein, we present a single-detector dual-channel SF to obtain the F(t) and r(t) traces simultaneously, in which a photo-elastic modulator oscillates by 90° the excitation light plane at a 50 kHz frequency, and the emission signal is processed by a set of electronic filters that split it into the r(t) and F(t) analog signals that are digitized and stored into separated spreadsheets by a custom-tailored instrument control software. We evaluated the association kinetics of binary and ternary biological complexes acquired with our dual-channel SF and the traditional methods; such as a single polarizer at the magic angle to acquire F(t), a set of polarizers to track F(t), and r(t), and by energy transfer quenching, F(t)FRET. Our dual-channel SF economized labeled material and yielded rate constants in excellent agreement with the traditional methods.
1. Introduction
The fast-mixing apparatus was designed to track fast reactions in solution and it has played a fundamental role in chemistry, biochemistry, and molecular biology to reveal molecular interactions of proteins, DNA, RNA, enzymes, vitamins, or any other biomolecules that can be used as biosensors [1,2,3,4]. The Stopped-Flow (SF) origins began in 1923 with the continuous flow mixer of Hartridge and Roughton, but it required large-volume samples to have practical applications in molecular biology [5]. However, later modifications were introduced by Britton Chance to preserve material by accommodating small reaction volumes below ~500 μL [6]. In 1950, Quentin Gibson introduced a stopping syringe and a double mixer to properly invent the first SF [7]. Later, Robert Berger contributed with the high efficient ball mixer [8] that brought the mixing dead time in the sub-millisecond range [9]. Lastly, the last modern breakthrough was made by Gibson’s lab when the first computer-controlled SF system was introduced [7].
The natural fluorescence or the artificial labeling of biomolecules by fluorescent dyes allows one to tract association and dissociation reactions in the SF apparatus by following the fluorescence quenching or enhancement, F(t), and the changes in the rotation of the dye-attached molecule by anisotropy, r(t), and polarization, p(t) [10]. In addition, the SF apparatus can track Förster Resonance Energy Transfer, F(t)FRET, when an appropriated dye-pair is attached to each of the reactants or in the same molecule when conformational changes exist during binding [11]. In the p(t) case, it has been used to detect drugs of abuse [12,13,14], and the pesticide atrazine [15]. However, the p(t) signal is not a fundamental function and can lead to calculation errors; in contrast, the r(t) is a fundamental expression that is normalized to the total F(t) signal [16]. However, when F(t) varies due to changes in the dye quantum yield, QY, it is required to analyze the traces by following the product of r(t) and F(t) or rF(t) since it corrects the distortions and the kinetic traces can follow the exponential-decay behaviors [17].
Thus, when a single detection is used, the r(t) and p(t) sensing modalities are collected by alternating the position of the emission from vertical (IVV or I||) to horizontal (IVH or I⊥) with respect to the excitation polarizer, however, in a two-detector apparatus, the IVV and IVH are recorded simultaneously [18]. These two types of configurations are known as L-format and T-format SF, respectively. The former requires a double amount of the reactant solutions to acquire sequentially the IVV and IVH traces, making the L-format very wasteful of valuable material [19]. On the other hand, the T-format is more expensive but practical, and it has been employed with success to study the refolding and unfolding of several proteins and enzymes [17,20,21], and to measure the association and dissociation rate constants of several biomolecules [22,23,24,25,26,27]
Therefore, preserve valuable material, we have modified an L-type SF to collect simultaneously the IVV and IVH signals with a single experimental shot by using electronic filters and an instrument control system, which sorts out the F(t) and r(t) kinetic traces and stores them in spreadsheets for the corresponding analysis. Our dual-channel SF makes use of a photoelastic modulator (PEM) that vibrates at 50 kHz to modulate the vertical-polarized excitation laser-beam into circularly polarized light [28]. The PEM was first employed by J. Wampler and R. Desa for steady-state fluorimetry [29]. Later, Giblin-Parkhurst modified the PEM position for better signal gain to study the kinetic rates of the ribosome and the initiation factor 3 [1,30].
To corroborate the fidelity of the dual-channel SF, we tested the electronic circuit and the custom-tailored instrument control software by collecting the association traces of Oregon green® biocytin (BcO) to avidin (AV) and compare them with the F(t) and rF(t) kinetic traces obtained with a set of two polarizers [19]. We further compare the dual-channel F(t) traces with the total fluorescein obtained with a single polarizer at the magic angle (54.7°) [18]. We continue testing the linearity of the instrument response for BcO-AV reactions at several concentrations and temperatures. Furthermore, we measured, by the dual-channel F(t) and rF(t) sensing modalities, the association kinetics of several dye-labeled DNA probes bearing the Adenovirus major late promoter, (TATAAAG, AdMLP), and the full-length and its core (N-terminal truncated) yeast Tata Binding Protein (yTBP and cTBP, respectively) [2,31,32,33]. We contrasted these dual-channel acquired traces with the F(t)FRET traces obtained with a double-labeled AdMLP functioning as a FRET probe. In addition, we monitor the ternary complex formation with preformed TBP-AdMLP complex and the Transcription Factor II A (TFIIA), which binds upstream of the TATA box and modulates conformation changes in the TFIID that enables promoter recognition and binding towards the formation of the Pre-Initiation Complex (PIC) which is required for the transcription initiation process [34,35,36,37,38,39].
2. Materials and Methods
2.1. Solution Conditions
All experiments were conducted in a buffered solution of 25 mM Tris, 100 mM KCl, 5 mM MgCl2, 1 mM CaCl2, and 2 mM DTT at pH. The SF reactions and steady-state experiments were acquired in a temperature range of 15 °C to 30 °C as indicated in each particular experiment. The temperature was controlled by a water bath (±0.02 °C) measured by a thermistor placed in the water bath of the temperature-controlled cuvette (Hellma Cells, Inc., Plainview, NY, USA).
2.2. Biological AV-BcO Materials
A summary of all association SF reactions is shown in Figure 1 and Table 1. The Oregon green® 488 biocytin (BcO, lot 40300A) was purchased from Invitrogen (Eugene, OR, USA) and avidin (AV, CAS 1405-69-2, lot 608540) from Calbiochem (La Jolla, CA, USA). For the SF experimentation, the BcO concentration was 20 nM after mixing, and 200 nM, 260 nM, 520 nM, and 1040 nM for AV (in biotin site basis). The BcO and AV solutions were placed in syringe 1 and 2, respectively.
Figure 1.
Stopped-flow association reactions monitored by r(t), F(t), rF(t), and F(t)FRET sensing modalities. (A) The Oregon Green ® Biocytin (BcO) is attached through 18 non-hydrogen atoms as a spacer between the carboxy-dye and biotin ring structure, which binds to one of the four sites of avidin (AV) [43] under pseudo-first-order condition (or > 10× binding site excess) [44]. (B–G) The Adenovirus Major Late promoter duplexed probes (AdMLPds, Table 1) are bound and bend by TATA-binding protein (TBP) [2,31]. To track the TBP-AdMLP association reactions, several duplex probes were used with three different dyes and two TATA bearing sequences of 14-nucleotide (AdMLP14ds) and 31-nucleotide (AdMLP31ds) oligomer lengths. (B) The AdMLP14ds probes were labeled at the 5′ end by x-rhodamine (Xr*AdMLP14ds), (C) TAMRA (Ta*AdMLP14ds), and (D) fluorescein at the 3′ end (AdMLP14ds*Fl). These 5′-Xr, 5-Ta, and 3′-Fl dyes were attached by six-carbon linkers. (E) The yTBP binding was also tracked with a fourth single labeled probe, a longer AdMLP31ds sequence, labeled internally by fluorescein (AdMLP31ds*Flint) attached by a nine-atom linker to the methyl group of the d-thymine (dT*Flint) at position 23, and it was designed to accommodate at the same time the TBP and the TFIIA. (F) The extra space at the 5′ end allows us to obtain the TFIIA association rate constant when binding to a preformed yTBP-AdMLP31ds binary complex thus forming the ternary TFIIA-yTBP-AdMLP31ds*Flint complex [45]. (G) The yTBP was also reacted with the double-labeled AdMLP duplex (Xr*AdMLP14ds*Fl) to acquire the F(t)FRET traces as the inter-dye probe distance was decreased by the protein bending thus quenching the donor fluorescence signal.
Table 1.
Stopped-flow association reactions monitored by F(t), r(t), rF(t), and F(t)FRET sensing modalities.
2.3. Oligonucleotide Probe Design
The dye-labeled top strands and the corresponding complements were synthesized by TriLink Biotechnologies, Inc. (San Diego, CA, USA). All strands were both HPLC and PAGE purified and the correct labeling was confirmed by comparing the dye’s peak absorbance ratios with respect to the 260 nm DNA absorbance [40]. The duplex DNA (ds) was prepared using a 10 × molar excess of complementary strands with a preincubation time of at least 20–30 min before reaction mixing. The dye-labeled top strand contained the TATAAAA box sequence from the Adenovirus Major Late Promoter (AdMLP) that is bound and bent by TBP [41]. Several dyes were used to label a 14-nucleotide top coding strand bearing the AdMLP (AdMLP14ds) and giving fluorescent probes of different sensitivity (Table 1, Figure 1). These dyes were attached to the single-strand oligomer probes by six-carbon linkers at the 3′ end with fluorescein (3′-Fl), and at the 5′ end either with x-rhodamine (5′-Xr) or TAMRA (N, N, N′, N′-tetramethyl-6-carboxyrhodamine, 5′-Ta). After complement binding, the duplexed probes were named AdMLP14ds*Fl, Xr*AdMLP14ds, and Ta*AdMLP14ds, respectively. A fourth single-labeled probe was a 31-nucleotide AdMLP sequence labeled with an internally labeled carboxy Fl attached to thymine (dT-Fl) by a nine-atom linker, which was named AdMLP31ds*Flint, and was designed to accommodate simultaneously the TBP and TFIIA proteins (Table 1, Figure 1). A double-labeled probe, Xr*AdMLP14ds*Fl, was designed as a FRET probe to yield the F(t)FRET trace that monitors the donor quenching by energy transfer caused by DNA bending during the cTBP and yTBP binding. All the preformed duplex probes were placed in syringe 1 with at least 20–30 min incubation to reach the desired temperature under the water bath. The concentration of single and double labeled duplexes for all the SF experiments varied from 20 nM to 60 nM and to make comparative analysis between these different methodologies, it was needed to keep the protein/probe ratio constant.
2.4. Transcription Factor Proteins
The full-length Tata Binding Protein and the COOH terminal domain (or core domine) from Saccharomyces cerevisiae referred to as yTBP and cTBP, respectively; were expressed in Escherichia coli, purified, and concentrated in 25 mM HEPES-KOH, 20% glycerol, 1 mM EDTA, 1 mM DTT, and 300 mM KCl (pH 7.9) [2,42]. Both protein activities were determined by a titration protocol as described previously [2,3]; thus, all concentrations are reported for active proteins. The cTBP final concentrations, after mixing, were 98 nM for the dual-channel SF experiments, and 43 nM, 86 nM, and 166 nM for the FRET SF experiments. For the yTBP, the final concentrations, after mixing, were 210 nM, 220 nM, 420 nM, and 500 nM. All the cTBP and yTBP solutions were placed in syringe 2. The TFIIA binding SF kinetics were obtained with a preincubated TBP-AdMLP31ds complex of 220 nM yTBP and 20 nM AdMLP31ds*Flint placed in syringe 1, and an 850 nM TFIIA solution placed in syringe 2, all final concentrations after mixing.
2.5. Dual-Channel SF
The association reactions were collected in our custom-made SF apparatus (Figure 2) [2,46]. The fluorescence emission was collected with a 520-nm interference filter (10BPF10-520 Oriel Corp., Stratford, CT, USA) at 20–40 nM, after reaction mixing, for the BcO, AdMLP14ds*Fl, Xr*AdMLP14ds*Fl, AdMLP31ds*Flint probes, and the respective complexes. For the Ta*AdMLP14ds and Xr*AdMLP14ds probes, the emission signal was acquired by the 580-nm (10BPF10-580) and 620-nm interference filters, respectively (10BPF10-620, Oriel Corp., Stratford, CT), at 40 nM and 60 nM, respectively, after mixing (Figure 1, Table 1). The SF G-factor values were calculated with the half-wave plate and an emission polarizer to obtain the IHV/IHH ratio, at 520 nm for the BcO, AdMLP14ds*Fl, and AdMLP31ds*Flint labeled probes and complexes, and at 580 nm and 620 nm for the Ta*AdMLP14ds and Xr*AdMLP14ds samples, respectively. The SF mixing dead time was 1 ms, and sufficient to detect a second-order rate constant of at least 1 × 109 M−1s−1. The excitation light was provided by a Coherent Ar+ ion laser (Innova 70-4 Argon, Santa Clara, CA, USA) at 488 nm with an excitation power of 10–20 mW, for the BcO, AdMLP14ds*Fl, and AdMLP31ds*Flint probes, and respective protein-probe complexes. For the Ta*AdMLP14ds and Xr*AdMLP14ds samples, the excitation was set at 514.5 nm with an excitation power of 135 mW. The laser source was followed by a photo-elastic modulator (PEM-80; HINDS International, Inc., Portland, OR, USA) oriented 45° with respect to the electric (E) vector of the incident light, and the half-wave modulation was set at 50 kHz (Figure 2).
Figure 2.
The modular dual-channel Stopped-Flow apparatus is equipped with a frequency rejection circuit for anisotropy, r(t), and fluorescence, F(t), detection. The optical train consists of the Coherent Ar+ ion laser (Innova 70-4 Argon, Santa Clara, CA, USA) source, a half-wave plate, the PEM at 45° of the vertical electric vector, and the detector placed in an L-type configuration. The half-wave plate changes by 90° laser excitation plane just before being modulated by the PEM. The detector housing can accommodate interchangeable interference filters (e.g., 520 nm, 580 nm, and 620 nm) to collect the fluorescence emission of the diverse dyes. The fluorescence emission is split into two signals, VDC(t) and rectified VAC(t), by the electronic filters to be later digitized and stored in spreadsheets to yield r(t) and F(t) according to Equation (7) and Equation (8), respectively. The temperature of the cuvette and syringes is controlled by a water bath from 10 °C to 30 °C. The syringes are simultaneously pushed by an air-controlled piston to deliver 150 μL solution each to be ball mixed with a 1 ms death time.
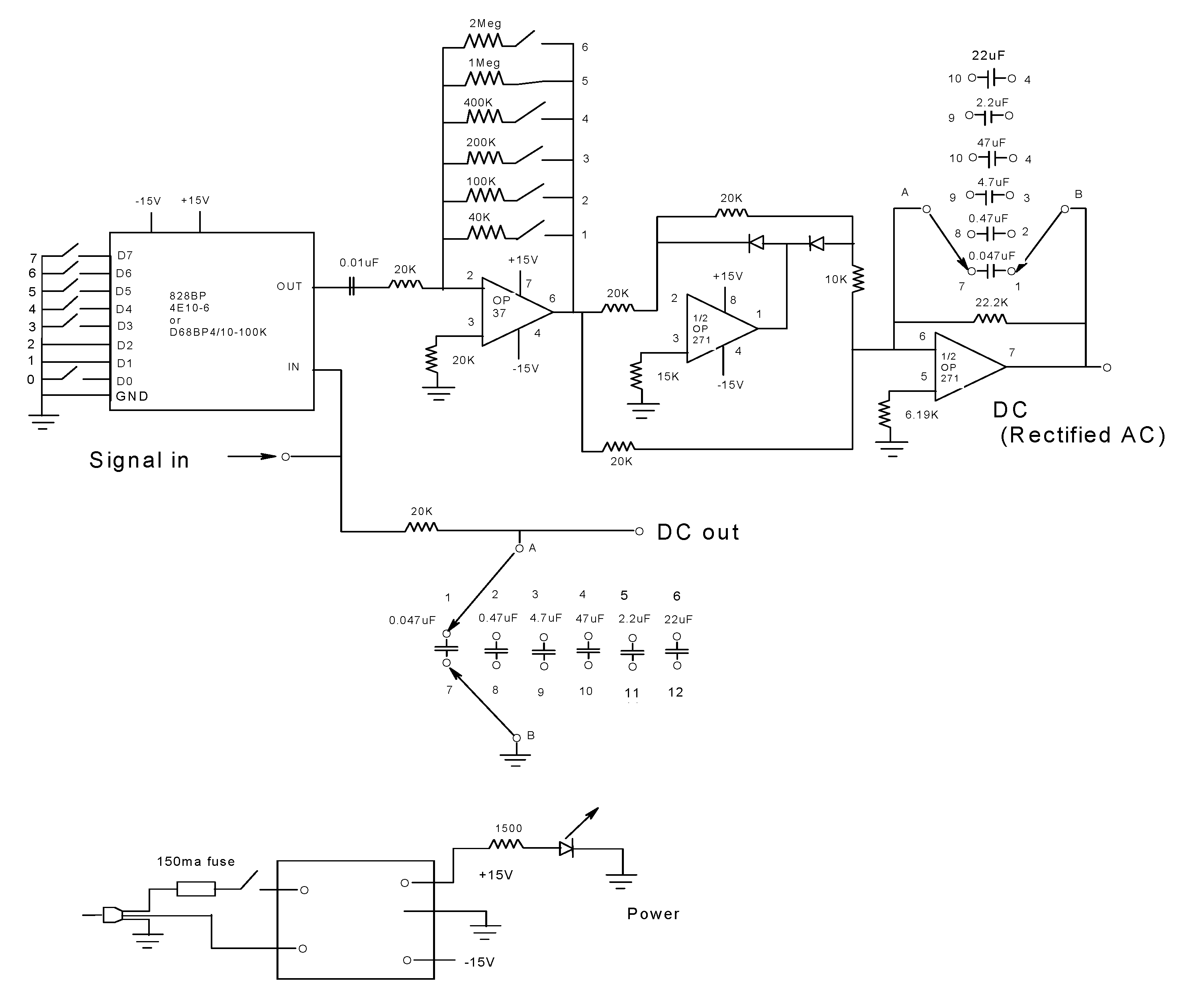
The dual-channel-SF filtering box consists of a 4-pole-pair digitally programmable band-pass (828BP), a passive high-pass filter with a set of capacitors, an active high-pass filter, a half-wave rectifier with negative output, and an integrator with capacitor selector (Figure 3). The demodulator circuitry provides a VDC(t) and a rectified VAC(t) voltage, yielding differing functions of the anisotropy as a function of time, r(t), and the time-dependent total fluorescence, F(t), by filtering out the desired frequency. The fluorescent signal is detected by R928 Photo-Multiplier Tube (PMT, Hamamatsu, Bridgewater, NJ, USA) having an emission spectral response of 185 to 900 nm, which is selected by an interference filter (520 nm, 580 or 620 nm, described above), and divided into two channels. The fluorescence light that passes the interference filter generates a voltage signal in the PMT that is fed as a “signal in” which is split into two signals. The first half-signal passes through an adjustable resister-capacitor filter (RC) to obtain a clean VDC(t) signal out. This RC filter has a variable capacitor set for the following time constants of 1 ms, 10 ms, 50 ms, 100 ms, and 500 ms and 1 s whose selection is equivalent to the time required for the capacitor voltage to decrease its initial voltage by up to 37%. The second split signal passes to an 828BP 4-pole-pair digitally programmable band-pass filter (Frequency DevicesTM, Inc., Ottawa, IL, USA) to isolate the 50 kHz signal that is transmitted to an active high-pass filter, consisting of an OP37 High-speed Operational Amplifier, and an RC filter with a resistance selector (RC filter with an adjustable time constant). Subsequently, the signal is conducted to a half-wave rectifier with negative output, consisting of an OP271 operational amplifier, a resistor set, and two rectifier diodes. Finally, the signal is fed to an integrator with a capacitor selector, consisting of an OP271 operational amplifier, a resistor, and a capacitor selector that yield the rectified VAC(t) signal.
Figure 3.
Circuit diagram for the dual-channel SF filtering box. The frequency selection circuitry filtered out the r(t), and F(t) traces by getting the ratio of VAC(t)/VDC(t), according to Equation (7) and Equation (8), respectively. The fluorescence emission that passes the interference filter (e.g., 520 nm, 580 nm, and 620 nm) produces a PMT analog signal (signal in) that is split into two, the first half goes through an adjustable resister-capacitor filter (RC) to obtain a clean VDC(t) signal out. This RC filter has a variable capacitor set for the following time constants of 1 ms, 10 ms, 50 ms, 100 ms, and 500 ms and 1 sec for the dials starting from 1 to 6. The second split signal passes through an 828BP 4-pole-pair digitally programmable band-pass filter (Frequency Devices TM, Inc.) to isolate the 50 kHz signal, which is then fed to an active high-pass filter and later to a half-wave rectifier with negative output. Finally, the signal is fed to an integrator with a capacitor selector to yield the VAC(t). The configuration of these electronic elements is powered by a 12V power supply. Further details are described in the text.
The effect of the PEM on the vertically polarized laser beam results in linear polarization, which is described by the Stokes’ (Sp) vector (Equation (1)), and for the sake of simplicity, we assume unit irradiance, with periodic retardation, δ = δ0 sin ωt, with scaling factor (δ0) and angular frequency (ω). At a π/2 scattering angle, the Stokes’ vector for fluorescence (SF) scattering is shown in Equation (2) [47], where the parameters F, I0, and r account for fluorescence, incident light, and the anisotropy function, in that order.
The first term of the Stokes’ vector gives the total irradiance due to F scattering. Thus, the instantaneous response in a photomultiplier detector (V) is proportional to this term, the sensitivity (S), and the transducer gain (κ) of the detector (Equation (3)):
The averaged photomultiplier response over a PEM cycle becomes integrated by an RC filter of the demodulation circuitry resulting in direct current output, VDC(t) proportional to the r(t) function (Equations (4) and (5)), and a rectified VAC(t) signal (Equation (6)) that together yield the anisotropy r(t) (Equation (7)) and total fluorescence F(t) information (Equation (8)).
where H = (1 − G)/(1 + G) and G = IHV/IHH is the SF grating factor, the instrument sensitivity ratio towards vertically and horizontally polarized light, which was obtained using an emission polarizer perpendicular and parallel to the electric (E) vector, respectively. The VDC(t) and VAC(t) were baseline corrected to obtain the respective ratio as a function of time (ρt) (Equation (7)) where the constant AGain is the instrumental amplitude gain, which was calculated solving ρ(t) and r(t) at t = ∞ which is equivalent to rss of the complex. Finally, the total fluorescence signal F(t) is obtained after solving for the r(t) traces (Equation (8)).
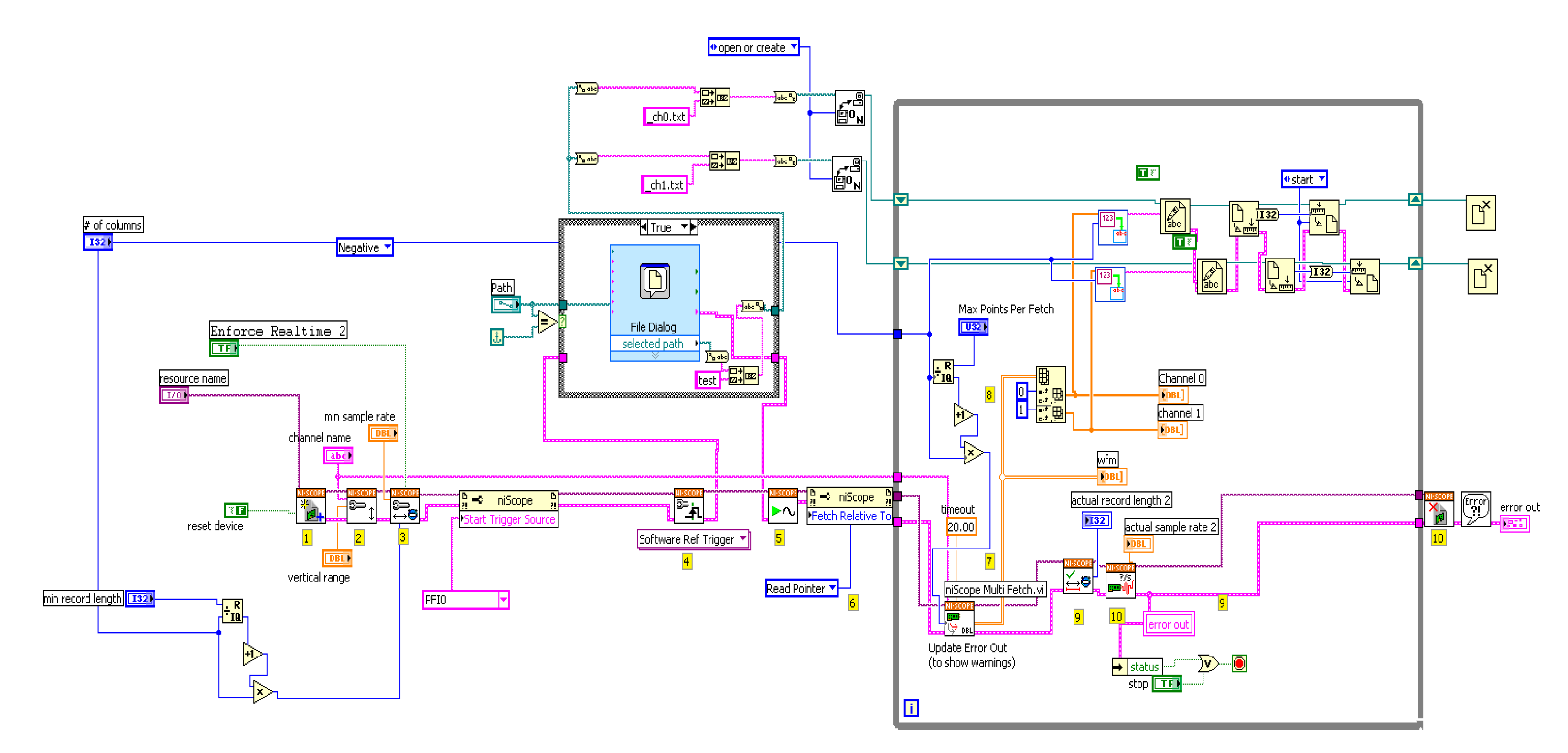
The data acquisition was managed by an instrument control software (8.0 LabVIEW™) to sort each channel into two separate spreadsheets (Figure 4). The converted digital data was collected at a rate of 1530, 3060, or 6120 data points per second for 655 μs, 327 μs, and 163 μs separation per data points whose signals from each channel were baseline subtracted. The two analog signals from the demodulator were digitized by PCI-5122 high-speed digitizers from National Instruments (Austin, TX, USA) with a 14-bit resolution and 100 MHz bandwidth, through channel 0 and 1, the instrumental control panel of which is shown in Figure 5.
Figure 4.
Schematic representation of the SF dual-channel LabView® instrument control software. The instrument virtual software prepares data acquisition to a sample rate of 1536, 3072, and 6144 data points per second and creates two text files to store the output VDC(t) and VAC(t) signals in channel 0 and 1, respectively. The virtual range corresponds to the voltage variation in the detector from -5V up to +5V. The collection protocol can be started manually or by a triggering signal (PF10) when the stopping syringe mechanism is closed (Figure 5). The waiting period for receiving the triggering signal is set at 20 s. When saturation is reached at 5V, the data acquisition is truncated. The background is collected with the buffer solution to eliminate it from the r(t) and F(t) traces.
Figure 5.
National Instrument front-screen interface for the dual-channel SF. (A) Channel 0 and channel 1 panels showing the VDC(t) and VAC(t) split signals, respectively, whose vertical range is 10 V from −5 V to +5 V. The data speed acquisition was set at 1530, 3060, or 6120 data points per second in the “Min Sample Rate” input, which can be stored horizontally in columns, and are set in the “# of columns” input. (B) The triggering signal is received in the PFI0 input (Figure 4), which has a waiting time window of 20 s to initiate data collection. The aperture of the air piston pushes the two solution syringes in a 67 ms ± 1 ms window (orange line). The data-acquisition triggering is started by the stopping syringe mechanism that has a feedback signal (blue line) with a deadtime of 7 ms ± 1 ms with respect to the air-piston closure (double-arrow separation). In addition, data acquisition can be pre-triggered manually resulting in a death-time of ~1 ms, which depends on the ball mixing effectiveness.
2.6. Stopped-Flow Association Kinetics Acquired with Excitation and Emission Polarizers
The AV-BcO and yTBP-Ta*AdMLP14ds association reactions, at 20 °C and 25 °C, respectively, were acquired by the traditional two-polarizer method to compare the resulted kinetic traces with those acquired by the dual-channel SF. The two-polarizer SF experiments were carried out with the same apparatus already described but the analog PMT voltage is fed directly to the digitizer and without the need of the dual-channel filtering box. The concentration of AV and BcO solutions was 20 nM and 200 nM, respectively; and the Ta*AdMLP14ds and yTBP were 40 nM and 500 nM, respectively. The excitation wavelength was provided by the previously described Ar+ laser, and the fluorescence emission was collected through the 520 nm and 580 nm interference filters described above. The time-dependent IVV(t) and IVH(t) traces were collected individually in two experiments yielding r(t) according to Equation (9) [17], where G is the SF grating factor already described [19]. The F(t) in Equation (10) corresponded to the denominator of Equation (9):
2.7. Stopped-Flow Association Kinetics Collected at the Magic Angle
The F(t) association kinetics of BcO and AV reacting at concentrations of 20 nM and 200 nM, respectively, were also tracked with a single emission polarizer between the cuvette and the detector at the magic angle, θ = 54.74° [16,48]. The corresponding F(t) intensity is three times smaller than the intensity in Equation (10); however, it must yield equivalent eigenvalues to describe the kinetic trace. The excitation was set at 488 nm provided by the described Ar+ laser at 10–20 mW which polarization plane was orientated by a half-wave plate to be 90° with respect to the detector plane while the fluorescence emission was collected through the 520-nm interference filter previously described.
2.8. Steady-State Anisotropy, rss
The rss values of the free probes (e.g., BcO, Ta*AdMLP14ds, etc.) and protein-probe complex (e.g., AV-BcO, yTBP-Ta*AdMLP14ds, etc.) were collected with two polarizers or by the method of Giblin and Parkhurst (Equation (12)) [30]. The steady-state fluorescence signal was detected in a model A-1010 Alphascan fluorimeter (Photon Technologies, Inc.) equipped with an R928 PMT (Hamamatsu, Bridgewater, NJ, USA) with the emission-monochromator bandwidth set at 1 turn, and spectral response of 185 nm to 900 nm. For the polarizer method, the rss was calculated according to Equation (9). The excitation was provided by a Xenon arc set at 480 nm for the BcO, AdMLP14ds*Fl, and AdMLP31ds*Fl probes and complex samples. The 535 nm and 560 nm excitation wavelengths were used for the Ta*AdMLP14ds and Xr*AdMLP14ds probes and complex samples, respectively. For the Giblin-Parkhurst method, the excitation was provided by the 488 nm line of the Coherent® Ar+ ion laser already described. The 514.5 nm excitation line was used for the Ta*AdMLP14ds,Xr*AdMLP14ds, and its respective protein-probe complexes. The Giblin-Parkhurst method required a PEM set 45° with respect to the E vector of the laser beam and placed between the Coherent® Ar+ ion laser and the sample compartment with a retardation level of 1.22·π. Two signals were obtained during 3–5 s with the power switch set at “on” and “off” position. The resulted signal was fitted to a straight line by the method of least squares to filter noise and photobleaching effects, yielding a ratio γ = on/off, that is used to calculate rss according to Equation (12):
where H = (1 − G)/(1 + G), and G is the fluorimeter grating factor, , and . The rss values were calculated with at least six independent measurements at the reported temperatures in Table 2. The emission signals were selected by the fluorimeter’s monochromator at 520 nm for BcO, AdMLP14ds*Fl, and AdMLP31ds*Fl probes and respective complexes. The fluorescence emission at 580 nm and 620 nm were collected for the Ta*AdMLP14ds and Xr*AdMLP14ds samples. The fluorimeter G-factor was obtained from 500–700 nm by measuring the IHV/IHH ratio acquired by polarizers with 3–5 s scans carried out by triplicated with a step size of 5–10 nm and the emission monochromator bandwidth set at 1 turn. The fluorimeter G-factor calculations required an AdMLP14ds*Fl solution at a concentration of 0.5 μM, to yield the values in the 500–590 nm range. The fluorimeter G-factor in the 580–700 nm range was acquired by a solution of Xr*AdMLP14ds at a concentration of 4.7 μM at excitations of 510 nm and 560 nm.
Table 2.
Steady-state anisotropy (rss) and quantum yield (QY) for unbound probes and complexes.
2.9. The F(t), r(t), and rF(t) Sensing Modalities Analysis
For the F(t) signal, the kinetic traces are dependent on the formation and disappearance of the involved fluorescence emitting species and their respective spectroscopy properties, according to Equation (13):
where xi is the mole fraction of the fluorescence “i” species as a function of time (t), the εi(λex) term is the molar extinction coefficient at the excitation wavelength, the fi(λem) is the fluorescence spectral contour at the excitation wavelength, and the QYi is quantum yield of the specie “i” [17]. Since the excitation wavelength is constant (e.g., 488 nm or 514.5 nm) and the emission is collected by an interference filter (e.g., 520 nm, 580 nm, or 620 nm), the last three terms can be grouped and simplified as the effective quantum yield, QYieff = εi(λex)·fi(λex)·QYi. When i= 2, the QYieff is equal to the QY difference between the free and bound probe in the complex, as following: = ΔQY = QYfree − QYbound.
The r(t) signal depends on xi, the specie’s intrinsic anisotropy, ri, and the respective QYi value, as shown in Equation (14), where the denominator corresponds to Equation (13).
In the case of large QY changes, the r(t) traces are distorted and do not follow the exponential decay models. However, the r(t) traces can be corrected by multiplying with the F(t) signals, resulting in a new function, rF(t), as shown in Equation (15) [17]:
Since the three F(t), r(t) and rF(t) sensing modalities have different amplitudes and values depending on the temperature and probe type (e.g., Fl, Xr, and Ta), it is better to normalize them to make a comparative analysis; which is denoted by a top bar, , and , as shown in Equations (16)–(18), respectively:
The F(t) kinetic traces were fitted to mono- and bi-exponential decays, e.g., = α × e(−λ × t) + C, = α1 × e(−λ1 × t) + α2 × e(−λ2 × t) + C, respectively; where α is the pre-exponential and gives the relative phase contribution, where α1 + α2 = 1, λ is the eigenvalue with units of reciprocal seconds (s−1), and C corresponds to a constant or baseline residual. In the case of other and traces, the models are modified as following: = 1 − α × e(−λ × t) + C and = 1 − [α1 × e(−λ1 × t) + α2 × e(−λ2 × t) + C], respectively.
2.10. Stopped-Flow Association Kinetics of TBP-AdMLP14ds Collected by Energy Transfer
The binding association of the yTBP and cTBP proteins to AdMLP14ds was tracked with the double-labeled Xr*AdMLP14ds*Fl probe. The Fl donor emission was acquired with the previously described 520-nm interference filter yielding the F(t)FRET traces whose intensities decrease as the acceptor (Xr) gets closer to the Fl dye caused by the DNA bending as TBP binds to the probe [2,3,49]. In other words, the F(t)FRET trace tracks the quenching of the donor as a function of the time due to the energy transfer towards the acceptor [2]. The F(t)FRET association traces were acquired in the previously described SF apparatus in which the analogous signal was fed directly to the digitizer. The resulted F(t)FRET traces were described by exponential decay models according to Equation (19). The excitation light was provided by the previously described Coherent Ar+ ion laser at 488 nm and 10–20 mW power.
2.11. Time-Resolved Energy Transfer, trFRET
To determine the DNA conformation changes caused by the TBP to two double-labeled AdMLP14ds probes (Ta*AdMLP14ds*Fl and Xr*AdMLP14ds*Fl), we measured the inter-dye distance (R) according to the FRET rate of transfer (kt) which is inversely proportional to the reciprocal sixth power of interdye distance (R1/6) as shown in Equation (20), where τD is the donor lifetime reference of 4.1 ns ± 0.1 ns and the R0 is the Förster distance of 61.8 Å ± 1.7 Å and 65.3 Å ± 0.3 Å for Xr*AdMLP14ds*Fl, and Ta*AdMLP14ds*Fl, respectively [40]. The solution concentrations of the single labeled donor (AdMLP14ds*Fl), and double-labeled Xr*AdMLP14ds*Fl and Ta*AdMLP14ds*Fl free probes were between 50–100 nM, and the respective complexes were formed by adding yTBP or cTBP to reach at least 1.5 μM to ensure >98% probe saturation, at 20 °C [3].
The time-resolved donor intensity in the nanosecond scale, ID(t), of the single-labeled unbound AdMLP14ds*Fl and bound (yTBP-AdMLP14ds*Fl or cTBP-AdMLP14ds*Fl) complexes, were deconvoluted according to Equation (21), which yield τD or <τDi> for mono- or multiphasic decays, respectively. The excitation energy is lost by <τDi> = 1/kF(D) = 1/(kD0 + Σki(D)), which is the reciprocal of the sum of the natural fluorescence rate (kD0 =1/τ0) and the inactivation pathways (Σki(D)). In addition, <τDi> is equal to Σαiτi, the sum of the area under the curve for each of the ith lifetimes with its respective fractional contribution (αDi) so that ΣαDi = 1:
The same time-resolved deconvolution model is used for the unbound and bound double-labeled duplexes, ID(A)(t), where A is the acceptor, and the fluorescence donor emission is collected by the 520-nm interference filter already described:
The deconvolution yielded the lifetimes of single and double-labeled duplexes, the <τDi> and <τD(A)i> respectively, of free and TBP bound samples. To obtain the interdye R (Equation (23)), the <τDi> is used as the donor reference lifetime for which the transfer rate constant (kt) is optimized as a function of a distance distribution, denoted as P(R) described by a mean inter-dye distance, , and a standard deviation, σ (Equation (24)). These two parameters of P(R) are optimized using nonlinear regression algorithms or a method of moments [2] to match the observed donor decay in the presence of the acceptor, <τD(A)i>.
The corresponding DNA bend angle (α) was calculated according to Equation (25) in a simple rod model with two-kinks, based on the R for the free and bound double-labeled Xr*AdMLP14ds*Fl and Ta*AdMLP14ds*Fl probes [50].
The raw ID and ID(A) decays were acquired using a dye-tunable laser pumped by an N2 LaserStrobe® spectrofluorometer (PTI, Photon Technologies, Inc., Birmingham, NJ, USA) with a 10 Hz pulsed excitation set at 481 nm provided by PLD481 dye (Photon Technologies, Inc.). The decays were collected by filtering donor fluorescence emission through a 520-nm interference filter (10BPF10-520, Oriel Corp., Stratford, CT, USA) preceded by a liquid filter containing a 1 cm path length of 24.1 mM acetate-buffered dichromate (pH 4) to remove extra scattered light that may pass the interference filter. Three successive replicate decays were collected and immediately averaged to yield one sample decay having 120 points with 30 excitation pulses per point. Two instrument response functions (IRF) were collected with a glycogen solution for deconvolution purposes, and six sample curves were collected per set. At least four sets of six decays per set were collected per sample, which were deconvoluted in the nanosecond (ns) range to mono- bi- and tri-exponential decay models (Equations (21) and (22)) which were discriminated depending on the selection criteria of χ2 between 0.9–1.1 [51], the residual correlation Durbin-Watson (DW) above 1.5 [52], and the runs test Z [53].
3. Results and Discussions
3.1. Steady-State Anisotropy
The fluorimeter G-factor values are used to correct for the detector-sensitivity deviations at the three emission wavelengths (e.g., 520 nm, 580 nm, and 620 nm) (Table 2, Supplementary Materials Figure S1). The fluorimeter G-factor at 520 nm was 0.7933 ± 0.0128 (Figure S1), which is the emission wavelength for the BcO, AdMLP14ds*Fl, and AdMLP31ds*Flint free probes and respective protein-bound complexes. The fluorimeter G-factor values, at 580 and 620 nm, were 0.6950 ± 0.0033 and 0.6388 ± 0.0134 at 620 nm, respectively (Figure S1), for the Ta*AdMLP14ds and Xr*AdMLP14ds labeled free and bound with TBP. Indeed, the free probes showed low rss values that increased when complexed with the proteins, and the complex rss values were used to solve for the association kinetic traces (Equation (7)) since they give the endpoint of the reaction at r(t = ∞). To make sure it was calculated correctly, we added large excess of protein concentration until the rss value remained unchanged, indicating that the reaction was driven to completion. Thus, in all the cases, the reactions were carried out at pseudo-first-order conditions with a protein excess of 10×, for at least 98% probe saturation. We observed an rss temperature dependence in the BcO samples, from 10 °C, 15 °C, 20 °C, and 25 °C (Table 2), which was carefully determined to make a good kinetic comparative analysis.
3.2. Dual-Channel SF Validation by Polarizers and Magic Angle Methodologies
The association traces of BcO binding to AV were acquired with the F(t) and r(t) sensing modalities by the dual-channel SF methodology (Figure 6A–F) and the traditional two-polarizer method (Equations (9) and (10), Figure 6G,H). We also collected the F(t) with a single polarizer at the magic angle position (Equation (11)). For these three methodologies, the SF G-factor at 520 nm was 0.819 ± 0.015 (Figure S1). For the F(t) traces, the baseline-subtracted amplitudes were proportional to the change of the relative QY of the unbound and complex, ΔF = (QYunbound − QYcomplex) (Table 2). Certainly, to make a comparison of the F(t) traces acquired at multiple excitation intensities and the r(t) at different temperatures, all traces were normalized according to Equation (16) to Equation (18), yielding the r(t), , and , respectively.
Figure 6.
Stopped-flow kinetic traces acquired by dual-channel (A–F), polarizers (G,H), and magic-angle (I) methodologies for the binding association of BcO (20 nM) and AV (200 nM) at 20 °C. The F(t) and rF(t) sensing modalities were employed to track the AV-BcO complex formation. For the former trace, the ΔF decreased as the BcO fluorescence is quenched when the complex is formed and it is equivalent to ΔQY (Table 2), and in the case of the rF(t), the trace value increased as the probe binds to the protein decreasing its rotation. (A,B) The dual-channel VAC(t) and VDC(t) traces were collected in channels 0 and 1, respectively. (C,D) The endpoint ratio of channel 0 and channel 1, ρ(∞) = 1.2, and the rss of the AV-BcO complex are used to solve for the r(t) traces according to Equation (7) (Table 2) to later obtain the (Equation (8)), and subsequently the traces. (E) The traces were solved with Equation (8) and the respective fitted curves (black line, and residual in green) yielded two eigenvalues of λ1= 1.186 s−1 ± 0.046 s−1 and λ2 = 0.02 ± 0.01 s−1 (Table 3). The latter λ corresponds to photobleaching and is neglected from further analysis. (F) The (t) fitting parameters yielded an λ = 1.183 s−1 ± 0.023 s−1 as the probe’s rotation decreases in the newly formed complex. (G,H) The and association traces acquired by polarizers yielded mono-exponential decays with λ1 = 1.198 s−1 ± 0.039 s−1, and λ1 = 1.187s−1 ± 0.083 s−1, respectively. The photobleaching was λ2 = 0.02 s−1 ± 0.01 s−1. (I) The traces collected by a single polarizer at the magic angle (54.7°) yielded λ1 = 1.199 s−1 ± 0.099 s−1 and the photobleaching decay was λ2 = 0.01 s−1 ± 0.01 s−1.
The traces were better described by a bi-exponential model; however, the second phase, α2 × e(−λ2/t), corresponded to photobleaching as shown by traces acquired by discontinuous excitation (Figure 7A,B). The photobleaching eigenvalue ranged from λ2 = 0.01 s−1 to 0.02 s−1 depending on the laser intensity, and it is ignored in the data analysis. The kinetic traces were fitted to a reaction model of AV + BcO → AV−BcO, under pseudo-first-order condition (>10 × protein excess) after photobleaching was discarded. The biomolecular rate constant (kon) was obtained with the reaction eigenvalue, λ1 = k’[BcO], where k’ = kon[AV]. The kon values calculated from the traces; acquired by the dual-channel, polarizers, and the single polarizer at the magic angle methodologies; were in excellent agreement with the overlapping errors (Table 3).
Figure 7.
Concentration and temperature dependence of the AV-BcO association kinetics. (A,B) The F(t) and sensing modalities were collected with the dual-channel SF under continuous (pale line) and discontinuous (dotted line) laser excitation at 488 nm. The F(t) trace, under continuous excitation, showed a second eigenvalue (λ2) that ranged from 0.02 s−1 to 0.01 s−1 caused by photobleaching. In contrast, when the excitation was blocked, the intensity stayed constant after the reaction was completed, so that, the intensity decreased by 25.3 ± 2.2% and it was proportional to a change in the QY of 0.91 ± 0.01 for the free BcO probe and the 0.68 ± 0.02 of the AV-BcO complex (Table 2). (C,D) The concentration-dependence of the binding reaction of BcO (20 nM) and AV (200 nM, 260 nM, 520 nM and 1040 nM), at 20 °C, for both and sensing modalities, respectively. (E,F) The temperature-dependence in the binding reactions of BcO (20 nM) and AV (260 nM) at 10 °C, 15 °C, 20 °C and 25 °C, were tracked by and modalities. The black lines corresponded to the fitted curves that yielded the λ and kon values, shown in Table 4.
Table 3.
The eigenvalues (λ) and calculated association rate constants (kon) of the association reaction of BcO (20 nM) and AV (200 nM) at 20 °C, obtained with the and sensing modalities, and acquired by the tree stopped-flow methodologies.
On the other hand, the ΔF(t) dropped by 25% and produced a small distortion in the r(t) traces; therefore, the r(t) needed to be analyzed as rF(t), as shown in Equation (15) [17]. As the AV-BcO complex is formed, the rotation of the probe decreased as shown by the traces, which were collected only by two SF methodologies: polarizers and dual-channel SF (Figure 6F,H). The traces acquired by these methodologies yielded equivalent eigenvalues, which were also in perfect agreement with the information obtained by the sensing modality. Thus, and traces yielded kon overlapping values, which indeed validated the accuracy of the dual-channel SF methodology (Table 3, Figure 6).
3.3. Concentration and Temperature Dependence of AV-BcO Binding Association Acquired by Dual-Channel SF
After validation of the dual-channel methodology, we acquired the AV-BcO traces as a function of concentration and temperature. For the former case, the and sensing modalities showed an increment in the reaction velocity when the protein concentration increased from 200 nM, 260 nM, 520 nM up to 1040 nM, for all the temperatures tested, from 10 °C to 25 °C. Consequently, when the concentration increased, the resulted fits yielded increasing λ values that were equivalent to both sensing modalities (Figure 7, Table 4). For instance, for the traces at 20 °C, the t1/2 were 584 ms ± 21 ms, 465 ms ± 8 ms, 228 ms ± 6 ms, and 112 ms ± 10 ms, and for the traces, the t1/2 were 586 ms ± 11 ms, 449 ms ± 9 ms, 229 ms ± 2 ms, and 109 ms ± 1 ms, respectively. The λ values of and traces at each concentration, resulted in kon values equivalent for both sensing modalities (Table 4).
Table 4.
Fitted eigenvalues (λ) and association rate constants (kon) of AV-BcO as a function of concentration and temperature, at pH 8, and under pseudo-first-order conditions. a.
The AV-BcO reaction speed also showed a temperature dependence from 10 °C to 25 °C from both and sensing modalities. Thus, for the former traces, the t1/2 values were 1,102.0 ms ± 0.074 ms, 655 ms ± 0.010 ms, 465 ms ± 0.008 ms and 0.281 ms ± 0.002 s from 10 °C, 15 °C, 20 °C, and 25 °C. These t1/2 overlapped within the error of the values of 1004.0 ms ± 0.050 ms, 670 ms ± 0.003 ms, 449 ms ± 0.004 ms and 0.280 ms ± 0.002 s, for the same order of the listed temperatures (Figure 7C,D). The kon values increased 47.9 % from 10 °C to 15 °C, 53.9 % from 15 °C to 20 °C, and 60.9 % from 20 °C to 25 °C, suggesting a strong temperature dependence in good accordance with ITC titrations [44].
3.4. The yTBP-AdMLP14ds Association Traces Acquired by Dual-Channel and FRET SF Methodologies
To initiate gene transcription, the RNA polymerase II (RNAPII) needs the binding and bending of TBP to the TATA sequence (AdMLP) situated at the -31 nucleotide position of the first transcription codon [35]. Therefore, the yTBP-AdMLP complex formation is critical for gene expression [34] but it also requires several other proteins to form a multiprotein pre-initiation complex (PIC) to ensure the fidelity of transcription [32,36,39,45]. Here, we acquired the and traces of the yTBP (Figure 8, Figure S1) binding to the single labeled AdMLP14ds probes labeled with tethered Ta, Xr, and Fl dyes and contrasted with F(t)FRET traces acquired with the double-labeled Xr*AdMLP14ds*Fl probe.
Figure 8.
Yeast TBP-AdMLP14ds association kinetics. (A) The dual-channel traces of yTBP (500 nM)-Ta*AdMLP14ds (40 nM, red), and yTBP (420 nM)-AdMLP14ds*Fl (40 nM, orange line) were not sensible to the binding process; in contrast, the r(t) traces were sensible to the complex formation. (B,C) The association reaction of yTBP (500 nM)-Ta*AdMLP14ds (40 nM), at 25 °C, were acquired by the dual-channel and polarizer SF methodologies whose fitted traces (black line) were mono-exponentials, 1 – α × e(−λ × t), with λ= 0.384 s−1 (±0.020 s−1) and λ = 0.436 s−1 (±0.035 s−1), respectively. The dual-channel and polarizer r(t) traces resulted in kon values of 1.54 (±0.08) × 106 M−1s−1 and 1.74 (±0.14) × 106 M−1s−1, respectively; and were in the error range of first rate constant (k+1) of 1.59 [0.03−0.07] × 106 M−1s−1, reported by FRET analysis, at 25 °C [11]. (D) At 20 °C, the r(t) dual-channel SF association reaction of yTBP (420 nM)-AdMLP14ds*Fl (20 nM) was also mono-exponential (black line) with a λ = 0.247 s−1 (±0.025) s−1, which yielded a kon of 5.87 (±0.60) × 105 M−1s−1. (E) The 5′-Ta single labeled probe was used to acquire the r(t) dual-channel SF association reaction of yTBP (440 nM)-Ta*AdMLP14ds (40 nM), at 20 °C. The trace was fitted to a bi-exponential model (black line) with the following parameters: α1 = 97.39% (±0.20%), λ1 = 0.1276 s−1 (±0.0256 s−1), α2 = 2.61% (±0.02)%, λ2 = 0.0181 s−1 (±0.0200 s−1). The faster phase yielded in a kon of 5.80 (± 1.16) × 105 M−1s−1 that is excellent agreement with the 5.80 (± 0.26) × 105 M−1s−1 reported, at 20 °C [11]. (F) The FRET SF association reaction of yTBP (220 nM)-Xr*AdMLP14ds*Fl (20 nM), at 20 °C, showed a triphasic exponential-decay model: α1 = 30.9% (±0.5%), λ1 = 0.22 s−1 (± 0.01 s−1), α2 = 11.9% (±2.1%), λ2 = 0.040 s−1 (±0.013 s−1) and α3 = 58.2% (±0.9%), λ3 = 0.0012 s−1 (±0.0002 s−1). The fast λ1 yielded a kon= 5.50 (±0.25) × 105 M−1s−1 which is in excellent agreement with the k+1= 5.80 (±0.26) × 105 M−1s−1 reported at 20 °C [11].
The F(t) traces of yTBP binding to the Ta*AdMLP14ds and AdMLP14ds*Fl probes did not show any fluorescence change (Figure 8A). On the other hand, the sensing modality tracked very well the binding process (Figure 8B,C); therefore, the association kinetic can be studied with the traces and there is no need to obtain the product as in the AV-BcO case (Figure 6 and Figure 7). To ensure that dual-channel traces were reliable for the yTBP-Ta*AdMLP14ds complex formation, we compared them with the traces acquired by the polarizer methodology, at 25 °C (Figure 8B,C). Indeed, both methodologies yielded traces that resulted in overlapping λ values in the error (Figure 8B,C) that yielded the initial rate constant (k+1), at 25 °C, of the complex reaction mechanism previously elucidated by F(t)FRET, which consisted of six rate constants for a two-intermediates reaction [11].
To further evaluate the dual-channel r(t) traces, we compared yTBP binding, at 20 °C, with the single labeled AdMLP14ds*Fl (Figure 8D), Xr*AdMLP14ds (Figure 8E), and the FRET Xr*AdMLP14ds*Fl probe (Figure 8F), at the same protein/probe ratio. The ΔF(t)FRET traces dropped 34.0% ± 2.0% (Equation (15)) for the yTBP-Xr*AdMLP14ds*Fl and the F(t)FRET traces were described by three eigenvalues (λ1, λ2, and λ3) whose faster component matched with the one observed with the r(t) traces (Figure 8D,E). The r(t) traces of yTBP-AdMLP14ds*Fl and yTBP-Ta*AdMLP14ds, at 20 °C, yielded kon values that overlapped in error between each other and as well with the k+1 acquired in this study by F(t)FRET and elsewhere [11]. To analyze conformational changes, we acquired the time-resolved FRET (trFRET) of the free single labeled AdMLP14ds*Fl and bound to yTBP and cTBP. We also obtained trFRET of the unbound double-labeled Xr*AdMLP14ds*Fl and Ta*AdMLP14ds*Fl, and the respective yTBP and cTBP complex (Table 5) to obtain the and σ parameters for free duplexes and complexes (Figure 9A,B). The trFRET lifetime in ns, Σαiτi or τD(A), of the free and yTBP bound probe, Xr*AdMLP14ds*Fl and yTBP-Xr*AdMLP14ds*Fl were 1.575 ns ± 0.066 ns and 1.042 ns ± 0.040 ns, respectively. The ΔtD(A) between the free Xr*AdMLP14ds*Fl and bound to the yTBP-Xr*AdMLP14ds*Fl complex was 33.8% ± 2.0 % and it was equivalent to the observed ΔF(t)FRET in the association traces. Likewise, the ΔtD(A) when Ta was used as acceptor was 33.5% ± 1.7% (Table 5). The bend angles α were equivalent for both yTBP-Ta*AdMLP14ds*Fl and yTBP-Xr*AdMLP14ds*Fl complexes with values of 79.8° and 79.2°, respectively (Figure 9C).
Table 5.
Time-resolved FRET of the free duplexes and TBP bound to AdMLP14ds*Fl, Xr*AdMLP14ds*Fl, and Ta*AdMLP14ds*Fl, at 20 °C. All the decays were best described by a bi-exponential decay model according to the statistical parameters χ2, Durbin-Watson (DW), and Z run (Equation (21)).
Figure 9.
The interdye distances and bend angles of free AdMLP14ds probes and bound to cTBP and yTBP, at 20 °C. (A) To calculate the P(R) distance distribution, it is required to obtain the lifetime of the single and double-labeled probe as free and bound complexes with TBP proteins. The Xr*AdMLP14ds*Fl and Ta*AdMLP14ds*Fl probes were straight but after complex formation with yTBP or cTBP, the DNA is bent, which shortens the interdye R resulting in more energy transfer from Fl donor toward the acceptor (Ta or Xr). (B) The P(R) distance distribution is described by the mean distance and the spread σ of the unbound probes and the respective complexes formed with yTBP and cTBP. (C) The bend angle (α) of the TATA distortion for the canonical AdMLP is calculated according to Equation (25), requiring the -value and where L2 was 20.4 Å. The bend angle produced by each protein was independent of the probe used since the values overlapped in error for the Xr*AdMLP14ds*Fl and Ta*AdMLP14ds*Fl complexes formed with yTBP and cTBP, respectively. The bend angles caused by cTBP for both probes were larger than those observed by yTBP since the latter has an N-terminal domain that regulated the binding and shifts the equilibrium to the left, or towards the reactants [40].
3.5. Core TBP-AdMLP14ds Association Kinetics Acquired by Dual-Channel and FRET SF Methodologies
We also contrasted the dual-channel association trace of cTBP and AdMLP acquired with the single labeled Xr*AdMLP14ds probe (Figure 10A, purple line, Figure S1) and the F(t)FRET trace collected with the double-labeled Xr*AdMLP14ds*Fl probe (Figure 10A, yellow line). The association reaction reactions were collected under discontinuous excitation to eliminate the photobleaching effect and the respective fit passed through the traces (solid and slashed lines, Figure 10A). The cTBP has the N-terminal domain truncated in comparison with the full-length yTBP and as previously described for full-length yTBP-AdMLP, the trace of cTBP-Xr*AdMLP14ds*Fl was not sensitive to the protein binding but the trace tracked the complex formation by increasing its value as the dye rotation decreased. For the FRET probe, the trace decreased as the cTBP bent the probe, resulting in a decrement in the fluorescence by energy transfer. To visualize the comparison of these two traces, we inverted the trace and yielded just over the whose fitting lines overlap perfectly (Figure 10B).
Figure 10.
Core TBP-AdMLP14ds association kinetics. (A,B) The association kinetics of cTBP (260 nM)-Xr*AdMLP14ds (60 nM) and cTBP (86 nM)-Xr*AdMLP14ds*Fl (20 nM) were monitored by (orange) and (purple) sensing modalities, at 20 °C. The ) and fits yielded eigenvalues of 0.350 (±0.040) s−1 and 0.337 (±0.078) s−1, which resulted in kon values of 1.35 (±0.05) × 106 M−1s−1 and 1.30 (± 0.10) × 106 M−1s−1, respectively. Both kon values are in excellent agreement since the protein/probe ratio is 4.3 and they are in the error range of the reported k+1 of 1.26 (±0.05) × 106 M−1s−1, at 25 °C [2]. (C) The concentration dependence of the cTBP-AdMLP14ds complex was observed by the sensing modality with cTBP at 43 nM (red), 86 nM (orange), and 165 nM (blue) concentrations, at 20 °C, reacting with 20 nM Xr*AdMLP14ds*Fl. (D) The temperature dependence was also monitored by the traces, at 15 °C (green), 20 °C (orange), and 25 °C (blue) of 86 nM cTBP reacting with 20 nM Xr*AdMLP14ds*Fl. The FRET global fits (black lines) of the concentration and temperature dependence traces yielded a two-intermediate reaction mechanism with k+1 values of 9.62 (±0.41) × 105 M−1s−1, 1.26 (±0.05) × 106 M−1s−1 and 1.64 (±0.06) × 106 M−1s−1 at 15 °C, 20 °C and 25 °C, respectively [2].
The F(t)FRET traces of the cTBP-AdMLP reactions showed concentration dependence when the protein concentration increased from 43 nM, 86 nM, and 165 nM (Figure 10 C) while the concentration of Xr*AdMLP14ds*Fl, was constant at 20 nM, at 20 °C. Furthermore, there was a temperature dependence as the reaction speed increased from 15 °C, up to 25 °C, at 86 nM cTBP and 20 nM Xr*AdMLP14ds*Fl (Figure 10D). These observed reactions were completed at 49.0% ± 1.0% whose fits showed three exponential phases (black lines). In addition, we measured the trFRET lifetimes of the unbound Xr*AdMLP14ds*Fl and Ta*AdMLP14ds*Fl and complexed by cTBP (Table 5) whose corresponding changes were 48.9% ± 3.0% and 49.5% ± 2.0%, respectively, perfectly matching the F(t)FRET association change. The and σ were obtained for the free probes Xr*AdMLP14ds*Fl and Ta*AdMLP14ds*Fl and the respective complexes formed by the cTBP (Figure 9B). The cTBP bend angle was larger than α produced by the full-length yTBP (Figure 9C) since the N-terminal domain has a regulatory activity [2]. Both protein complexes formed with Xr*AdMLP14ds*Fl and Ta*AdMLP14ds*Fl yielded equivalent bend angles showing that acceptor Ta and Xr dyes are excellent FRET biosensors and yielded the same results.
3.6. Ternary Association Kinetics of TFIIA and the Binary yTBP-AdMLP31ds Acquired by Dual-Channel SF
The function of TFIIA in the PIC complex is to shift the equilibrium towards a rearranged more stable state, as shown by 3D cryo-EM reconstructions [54]. To test out the dual-channel SF ability to measure large complexes, we used a longer 31mer internally-labeled with fluorescein (AdMLP31ds*Flint) to allow space for the TFIIA binding at the 5′ upstream of the TATA sequence [39,41,55]. First, we validated the yTBP binding to the longer AdMLP31ds*Flint, and in contrast to the 3′Fl in the shorter AdMLP14ds probes, the Flint was sensitive to yTBP binding since the QY dropped 15.5% (Table 2), and consequently the binding was followed as well by the F(t) sensing modality (Figure 11A). Interestingly, the QY increased after TFIIA binding (Table 2). To compensate for QY changes, the r(t) was multiplied by F(t) to analyze the sensing modality, at 20 °C and 30 °C (Figure 11B), thus the resulting kon overlapped with the reported k+1 values at the same temperatures indicating that longer probe is functional [11] and in excellent accord with the shorter single labeled and double-labeled probes (Figure 8).
Figure 11.
Association kinetic of binary yTBP-AdMLP31ds*Flint and ternary complex TFIIA-yTBP-AdMLP31ds*Flint. (A) The association traces of yTBP (220 nM) and AdMLP31ds*Flint (20 nM), at 20 °C (blue) and 30 °C (red), were monitored by the F(t) sensing modality, yielding parameters of α1 = 8.0% (±1.0%), λ 1= 0.15 s−1 (±0.010 s−1), α2 = 7.0% (±1.0%), λ2 = 0.025 s−1 (±0.010 s−1), baseline = 85.0% ± 2.0%; and α1 = 9.8% (±0.3%), λ1 = 0.26 s−1 (±0.03 s−1), α2 = 5.2% (±0.3%), λ2 = 0.0085 s−1 (±0.0015 s−1), baseline = 85.0% ± 2.0%, respectively. (B) The association traces of binary yTBP (220 nM)-AdMLP31ds*Flint (20 nM) complex, at 20 °C, yielded the following parameters: α1 = 27.2% (±11.6%), λ1= 0.1245 s−1 (±0.0133) s−1, α2 = 72.8% (±6.1)%, λ2 = 0.0221 s−1 (±0.0060 s−1); and at 30 °C, the parameters were: α1 = 35.0% (±8.0)%, λ1 = 0.30 s−1 (±0.03 s−1), α2 = 65.0% (±7.0%), λ2 = 0.925 s−1 (±0.06 s−1). The kon values for this longer probe in the yTBP-AdMLP31ds*Flint, at 20 °C and 30 °C, were calculated with the faster λ1 resulting in values of 5.91 (± 0.46) × 105 M−1s−1 and 4.20 (± 0.27) × 105 M−1s−1, respectively, which were in excellent agreement with the respective values of 5.80 (± 0.26) × 105 M−1s−1 and 4.21 (± 0.19) × 105 M−1s−1, obtained with the 14-nucleotide probe (yTBP-AdMLP14ds*Fl), at the same temperatures, respectively [11]. (C) The dual-channel-SF association of yTFIIA (850 nM) and the binary yTBP (220 nM)-AdMLP31ds*Flint (20 nM) complex, at 15 °C (blue), 17 °C (green), and 25 °C (orange), were biphasic with normalized values of α1 = 55.5% (±9.0%), λ1 = 1.24 s−1 (±0.33 s−1), α2 = 44.5% (±15.0%), λ2 = 0.18 s−1 (±0.05 s−1); α1 = 53.7% (±8.5%), λ1 = 1.56 s−1 (±0.33 s−1), α2 = 39.5 % (±12.7%), λ2 = 0.20 s−1 (±0.06 s−1); and α1 = 63.4% (±0.06%), λ1 = 3.98 s−1 (±1.35 s−1), α2 = 32.6% (±7.6%), λ2 = 0.24 s−1 (±0.01 s−1), respectively. The calculated kon values, at 15 °C, 17 °C and 25 °C, were 1.45 (±0.3) × 106 M−1s−1, 1.84 (±0.34) × 106 M−1s−1 and 4.68 (±1.59) × 106 M−1s−1, respectively. (D) The calculated van’t Hoff plot yielded an enthalpy of 19.6 ± 1.6 Kcal/mol for the yTFIIA and yTBP-AdMLP31ds*Flint binding process.
After confirming that the longer probe is functional, we pre-formed the binary yTBP-AdMLP31ds*Flint complex and reacted with TFIIA, at 15 °C, 17 °C, and 25 °C, which was tracked by the rF(t) sensing modality (Figure 11C). The kon values of TFIIA binding to the binary complex, at 15 °C 17 C, and 25 °C, were 1.45 (±0.3) × 106 M−1s−1 and 4.68 (±1.59) × 106 M−1s−1. There is a reported dissociation rate constant of the ternary TFIIA-TBP-TATA of 7.1 × 10−4 s−1 at room temperature [38], which let us estimate the KD values between 2.1 nM and 6.6 nM for yTFIIA and the binary yTBP-TATA complex, between the 15 °C and 25 °C range.
4. Conclusions
We evaluated the electronic filters and custom-tailored instrument control system of a new dual-channel SF apparatus that allows simultaneous acquisition of the F(t) and r(t) with an optical train in L-type configuration [18,19]. In our dual-channel SF apparatus, we economized by a factor of two the biomolecule solution consumption in comparison to the polarizer SF, allowing us to preserve precious labeled biological material such as proteins, DNA, RNA, ligands, and other labeled biomolecules [19]. To validate our dual-channel SF, we tracked multiple association reactions at diverse conditions and contrasted the resulted kon values with those acquired by other methodologies with multiple sensing modalities, such as r(t), F(t), rF(t), and F(t)FRET.
In conclusion, the dual-channel SF has functional and robust electronic filtering since the tested circuit separates the VDC and VAC signals and stores them in separate spreadsheets, acquiring the r(t) and F(t) information in one single shot. The calculated kon values acquired by the dual-channel SF traces showed ~50% lower noise levels, as shown in the errors reported in Table 3. Our new setting was reliable and allowed the association traces of relevant biological complexes by monitoring the F(t), r(t), and rF(t) sensing modalities. Our work describes new hardware to collect kinetic data at different concentrations and temperatures to elucidate reaction mechanisms [56] and thermodynamic information according to the Arrhenius equation [57,58] and Eyring relationship [59,60], which is relevant for protein-protein, protein-DNA, or protein-drug studies [61,62].
Supplementary Materials
The following are available online at https://www.mdpi.com/2079-6374/10/11/180/s1, Figure S1. The grating-factor of the fluorimeter and the stopped-flow.
Author Contributions
Conceptualization, R.F.D. and L.J.P.; methodology, R.F.D.; software, R.F.D.; validation, R.F.D., L.J.P., K.Z.-R., N.V.-V., and K.A.C.; formal analysis, R.F.D.; investigation, R.F.D.; resources, R.F.D.; data curation, R.F.D.; writing—original draft preparation, R.F.D.; writing—review and editing, R.F.D., K.Z.-R., O.O., N.V.-V., and K.A.C.; visualization, R.F.D.; supervision, R.F.D. and L.J.P.; project administration, R.F.D. and L.J.P.; funding acquisition, R.F.D., L.J.P., and O.O. All authors have read and agreed to the published version of the manuscript.
Funding
This research was funded by the National Institutes of Health Grants GM59346 and RR015468 to L.J.P.; CONACYT-Mexico postdoctoral and SNI fellowships (130994, 162809, SNI75487).
Acknowledgments
We thank Efrain Soto-Apolinar for reviewing the mathematical equations and Blas Rodriguez for helping in the matrix analysis. Roberto F. Delgadillo thanks Carolina Flores-Ballesteros and Alethia D. Guzman for proofreading the manuscript, and he would like to thank the Department of Engineering and Science, North Region, of the Tecnológico de Monterrey for the support given, CONACYT-Mexico for the postdoctoral fellowships, the “Sistema Nacional de Investigadores” (SNI-CONACYT) fellowship, and the Government of Veracruz-Mexico.
Conflicts of Interest
The author K.A.C. is an employee of GlaxoSmithKline, which provided support in the form of salary for her but did not have any additional role in the study design, data collection, and analysis, decision to publish, or preparation of the manuscript. The specific roles of these authors are articulated in the ‘author contributions’ section. The authors have no further competing interests to declare. The funders had no role in the design of the study; in the collection, analyses, or interpretation of data; in the writing of the manuscript, or in the decision to publish the results.
References
- Goss, D.J.; Parkhurst, L.J.; Wahba, A.J. Kinetic studies of the rates and mechanism of assembly of the protein synthesis initiation complex. Biophys. J. 1980, 32, 283–293. [Google Scholar] [CrossRef]
- Delgadillo, R.F.; Whittington, J.D.E.; Parkhurst, L.K.; Parkhurst, L.J. The TATA-Binding Protein Core Domain in Solution Variably Bends TATA Sequences via a Three-Step Binding Mechanism. Biochemistry 2009, 48, 1801–1809. [Google Scholar] [CrossRef] [PubMed]
- Whittington, J.D.E.; Delgadillo, R.F.; Attebury, T.J.; Parkhurst, L.K.; Daugherty, M.A.; Parkhurst, L.J. TATA-Binding Protein Recognition and Bending of a Consensus Promoter Are Protein Species Dependent. Biochemistry 2008, 47, 7264–7273. [Google Scholar] [CrossRef] [PubMed]
- Galletto, R.; Maillard, R.; Jezewska, M.J.; Bujalowski, W. Global Conformation of the Escherichia coli Replication Factor DnaC Protein in Absence and Presence of Nucleotide Cofactors. Biochemistry 2004, 43, 10988–11001. [Google Scholar] [CrossRef]
- Hartridge, H.H.; Roughton, F.J.W. A method of measuring the velocity of very rapid chemical reactions. Proc. R. Soc. Lond. Ser. A 1923, 104, 376–394. [Google Scholar]
- Chance, B. The accelerated flow method for rapid reactions. J. Franklin Inst. 1940, 229, 737–766. [Google Scholar] [CrossRef]
- Gibson, Q.H. [6] Rapid mixing: Stopped flow. Methods Enzymol. 1969, 187–228. [Google Scholar] [CrossRef]
- Berger, R.L.; Balko, B.; Borcherdt, W.; Friauf, W. High Speed Optical Stopped-Flow Apparatus. Rev. Sci. Instrum. 1968, 39, 486–493. [Google Scholar] [CrossRef] [PubMed]
- Trojanowicz, M. Flow Chemistry in Contemporary Chemical Sciences: A Real Variety of Its Applications. Molecules 2020, 25, 1434. [Google Scholar] [CrossRef]
- Cantor, C.R.; Schimmel, P.R. Techniques for the Study of Biological Structure and Function (Pt. 2); W.H. Freeman and Co.: Oxford, UK, 1980. [Google Scholar]
- Parkhurst, K.M.; Richards, R.M.; Brenowitz, M.; Parkhurst, L.J. Intermediate species possessing bent DNA are present along the pathway to formation of a final TBP-TATA complex. J. Mol. Biol. 1999, 289, 1327–1341. [Google Scholar] [CrossRef] [PubMed]
- Gaikwad, A.; Gómez-Hens, A.; Perez-Bendito, D. Use of stopped-flow fluorescence polarization immunoassay in drug determinations. Anal. Chim. Acta 1993, 280, 129–135. [Google Scholar] [CrossRef]
- Gaikwad, A.; Gómez-Hens, A.; Perez-Bendito, D. Estimation of opiates in urine by stopped-flow fluorimmunoassay. Fresenius J. Anal. Chem. 1993, 347, 450–453. [Google Scholar] [CrossRef]
- Pérez-Bendito, D.; Gómez-Hens, A.; Gaikwad, A. Direct stopped-flow fluorescence polarization immunoassay of abused drugs and their metabolites in urine. Clin. Chem. 1994, 40, 1489–1493. [Google Scholar] [CrossRef] [PubMed]
- Sendra, B. Kinetic determination of atrazine in foods based on stopped-flow fluorescence polarization immunoassay. Talanta 1998, 47, 153–160. [Google Scholar] [CrossRef]
- Lakowicz, J.R. Fluorescence Polarization. In Principles of Fluorescence Spectroscopy; Springer: Boston, MA, USA, 1983; pp. 111–112. [Google Scholar]
- Otto, M.R.; Lillo, M.P.; Beechem, J.M. Resolution of multiphasic reactions by the combination of fluorescence total-intensity and anisotropy stopped-flow kinetic experiments. Biophys. J. 1994, 67, 2511–2521. [Google Scholar] [CrossRef]
- Lakowicz, J.R. Fluorescence Anisotropy. In Principles of Fluorescence Spectroscopy; Springer: Boston, MA, USA, 1999; pp. 291–319. [Google Scholar] [CrossRef]
- Lakowicz, J.R. Fluorescence Anisotropy. In Principles of Fluorescence Spectroscopy; Springer: Boston, MA, USA, 2006; pp. 353–382. [Google Scholar] [CrossRef]
- Canet, D.; Doering, K.; Dobson, C.M.; Dupont, Y. High-Sensitivity Fluorescence Anisotropy Detection of Protein-Folding Events: Application to α-Lactalbumin. Biophys. J. 2001, 80, 1996–2003. [Google Scholar] [CrossRef]
- Beechem, J.M.; Sherman, M.A.; Mas, M.T. Sequential Domain Unfolding in Phosphoglycerate Kinase: Fluorescence Intensity and Anisotropy Stopped-Flow Kinetics of Several Tryptophan Mutants. Biochemistry 1995, 34, 13943–13948. [Google Scholar] [CrossRef]
- Tang, G.-Q.; Patel, S.S. Rapid Binding of T7 RNA Polymerase Is Followed by Simultaneous Bending and Opening of the Promoter DNA. Biochemistry 2006, 45, 4947–4956. [Google Scholar] [CrossRef] [PubMed]
- Galletto, R.; Bujalowski, W. Kinetics of the E. Coli replication Factor DnaC Protein−Nucleotide Interactions. II. Fluorescence Anisotropy and Transient, Dynamic Quenching Stopped-Flow Studies of the Reaction Intermediates. Biochemistry 2002, 41, 8921–8934. [Google Scholar] [CrossRef]
- Rousseau, D.L.; Staros, J.V.; Beechem, J.M. The interaction of epidermal growth factor with its receptor in A431 cell membranes: A stopped-flow fluorescence anisotropy study. Biochemistry 1995, 34, 14508–14518. [Google Scholar] [CrossRef]
- Wilkinson, J.C.; Beechem, J.M.; Staros, J.V. A stopped-flow fluorescence anisotropy method for measuring hormone binding and dissociation kinetics with cell-surface receptors in living cells. J. Recept. Signal Transduct. 2002, 22, 357–371. [Google Scholar] [CrossRef] [PubMed]
- Phillips, R.; Hunter, J.L.; Eccleston, J.F.; Webb, M.R. The Mechanism of Ras GTPase Activation by Neurofibromin. Biochemistry 2003, 42, 3956–3965. [Google Scholar] [CrossRef] [PubMed]
- Bradrick, T.; Philippetis, A.; Georghiou, S. Stopped-flow fluorometric study of the interaction of melittin with phospholipid bilayers: Importance of the physical state of the bilayer and the acyl chain length. Biophys. J. 1995, 69, 1999–2010. [Google Scholar] [CrossRef]
- Badoz, J.; Billardon, M.; Canit, J.C.; Russel, M.F. Sensitive devices to determine the state and degree of polarization of a light beam using a birefringence modulator. J. Opt. 1977, 8, 373–384. [Google Scholar] [CrossRef]
- Wampler, J.E.; DeSa, R.J. Recording Polarization of Fluorescence Spectrometer—A Unique Application of Piezoelectric Birefringence Modulation. Anal. Chem. 1974, 46, 563–567. [Google Scholar] [CrossRef]
- Giblin, D.E. A Modular Instrument for the Measurement of Transient Circular Dichroism, Fluorescence Polarization and Emission Anisotropy; University of Nebraska-Lincoln: Lincoln, NE, USA, 1978. [Google Scholar]
- Kornberg, R.D. The molecular basis of eucaryotic transcription. Cell Death Differ. 2007, 14, 1989–1997. [Google Scholar] [CrossRef] [PubMed]
- Haberle, V.; Stark, A. Eukaryotic core promoters and the functional basis of transcription initiation. Nat. Rev. Mol. Cell Biol. 2018, 19, 621–637. [Google Scholar] [CrossRef]
- Delgadillo, R.F. Acceptor Detected Fluorescence Resonance Energy Transfer for Measurement up to 250 A and Biophysical Studies on Core TATA Binding Protein-DNA Complex; University of Nebraska-Lincoln: Lincoln, NE, USA, 2009; Available online: http://digitalcommons.unl.edu/dissertations/AAI3388957/ (accessed on 1 October 2020).
- Matsui, T.; Segall, J.; A Weil, P.; Roeder, R.G. Multiple factors required for accurate initiation of transcription by purified RNA polymerase II. J. Biol. Chem. 1980, 255, 11992–11996. [Google Scholar]
- Kramm, K.; Engel, C.; Grohmann, D. Transcription initiation factor TBP: Old friend new questions. Biochem. Soc. Trans. 2019, 47, 411–423. [Google Scholar] [CrossRef] [PubMed]
- Sikorski, T.W.; Buratowski, S. The basal initiation machinery: Beyond the general transcription factors. Curr. Opin. Cell Biol. 2009, 21, 344–351. [Google Scholar] [CrossRef]
- Liu, Q.; Gabriel, S.E.; Roinick, K.L.; Ward, R.D.; Arndt, K.M. Analysis of TFIIA Function In Vivo: Evidence for a Role in TATA-Binding Protein Recruitment and Gene-Specific Activation. Mol. Cell. Biol. 1999, 19, 8673–8685. [Google Scholar] [CrossRef][Green Version]
- Hieb, A.R.; Halsey, W.A.; Betterton, M.D.; Perkins, T.T.; Kugel, J.F.; Goodrich, J.A. TFIIA Changes the Conformation of the DNA in TBP/TATA Complexes and Increases their Kinetic Stability. J. Mol. Biol. 2007, 372, 619–632. [Google Scholar] [CrossRef]
- Bhuiyan, T.; Timmers, H.M. Promoter Recognition: Putting TFIID on the Spot. Trends Cell Biol. 2019, 29, 752–763. [Google Scholar] [CrossRef] [PubMed]
- Delgadillo, R.F.; Parkhurst, L.J. Spectroscopic Properties of Fluorescein and Rhodamine Dyes Attached to DNA. Photochem. Photobiol. 2010, 86, 261–272. [Google Scholar] [CrossRef]
- Young, C.S.H. The Structure and Function of the Adenovirus Major Late Promoter. Future Hiv-1 Ther. 2003, 213–249. [Google Scholar] [CrossRef]
- Parkhurst, K.M.; Brenowitz, M.; Parkhurst, L.J. Simultaneous Binding and Bending of Promoter DNA by the TATA Binding Protein: Real Time Kinetic Measurements†. Biochemistry 1996, 35, 7459–7465. [Google Scholar] [CrossRef]
- Livnah, O.; Bayer, E.A.; Wilchek, M.; Sussman, J.L. Three-dimensional structures of avidin and the avidin-biotin complex. Proc. Natl. Acad. Sci. USA 1993, 90, 5076–5080. [Google Scholar] [CrossRef]
- Delgadillo, R.F.; Mueser, T.C.; Zaleta-Rivera, K.; Carnes, K.A.; González-Valdez, J.; Parkhurst, L.J. Detailed characterization of the solution kinetics and thermodynamics of biotin, biocytin and HABA binding to avidin and streptavidin. PLoS ONE 2019, 14, e0204194. [Google Scholar] [CrossRef] [PubMed]
- Bleichenbacher, M.; Tan, S.; Richmond, T.J. Novel Interactions Between the Components of Human and Yeast TFIIA/TBP/DNA Complexes. J. Mol. Biol. 2003, 332, 783–793. [Google Scholar] [CrossRef]
- Goerisch, H.; Goss, D.J.; Parkhurst, L.J. Kinetics of ribosome dissociation and subunit association studied in a light-scattering stopped-flow apparatus. Biochemistry 1976, 15, 5743–5753. [Google Scholar] [CrossRef] [PubMed]
- Arteaga, O.; Nichols, S.M.; Kahr, B. Mueller matrices in fluorescence scattering. Opt. Lett. 2012, 37, 2835–2837. [Google Scholar] [CrossRef]
- Fisz, J. Another Look at Magic-Angle-Detected Fluorescence and Emission Anisotropy Decays in Fluorescence Microscopy. J. Phys. Chem. A 2007, 111, 12867–12870. [Google Scholar] [CrossRef]
- Parkhurst, L.J.; Parkhurst, K.M.; Powell, R.; Wu, J.; Williams, S. Time-resolved fluorescence resonance energy transfer studies of DNA bending in double-stranded oligonucleotides and in DNA-protein complexes. Biochemistry 2002, 61, 180–200. [Google Scholar] [CrossRef]
- Wu, J.; Parkhurst, K.M.; Powell, R.M.; Parkhurst, L.J. DNA Sequence-dependent Differences in TATA-binding Protein-induced DNA Bending in Solution Are Highly Sensitive to Osmolytes. J. Biol. Chem. 2001, 276, 14623–14627. [Google Scholar] [CrossRef]
- Marquardt, D.W. An Algorithm for Least-Squares Estimation of Nonlinear Parameters. J. Soc. Ind. Appl. Math. 1963, 11, 431–441. [Google Scholar] [CrossRef]
- Durbin, J.; Watson, G.S. Testing for Serial Correlation in Least Squares Regression. II. Biometrika 1951, 38, 159. [Google Scholar] [CrossRef] [PubMed]
- Swed, F.S.; Eisenhart, C. Tables for Testing Randomness of Grouping in a Sequence of Alternatives. Ann. Math. Stat. 1943, 14, 66–87. [Google Scholar] [CrossRef]
- Cianfrocco, M.A.; Kassavetis, G.A.; Grob, P.; Fang, J.; Juven-Gershon, T.; Kadonaga, J.T.; Nogales, E. Human TFIID Binds to Core Promoter DNA in a Reorganized Structural State. Cell 2013, 152, 120–131. [Google Scholar] [CrossRef] [PubMed]
- Kramm, K.; Schröder, T.; Gouge, J.; Vera, A.M.; Heiss, F.B.; Liedl, T.; Engel, C.; Vannini, A.; Tinnefeld, P.; Grohmann, D.; et al. DNA origami-based single-molecule force spectroscopy unravels the molecular basis of RNA Polymerase III pre-initiation complex stability. bioRxiv 2019, 775528. [Google Scholar] [CrossRef]
- Nelder, J.A.; Mead, R. A Simplex Method for Function Minimization. Comput. J. 1965, 7, 308–313. [Google Scholar] [CrossRef]
- Arrhenius, S. Über die Dissociationswärme und den Einfluss der Temperatur auf den Dissociationsgrad der Elektrolyte. Z. Für Phys. Chem. 1889, 4, 96–116. [Google Scholar]
- Arrhenius, S. Über die Reaktionsgeschwindigkeit bei der Inversion von Rohrzucker durch Säuren. Z. Für Phys. Chem. 1889, 4, 226–248. [Google Scholar]
- Eyring, H. The Activated Complex in Chemical Reactions. J. Chem. Phys. 1935, 3, 107–115. [Google Scholar] [CrossRef]
- Evans, M.G.; Polanyi, M. Some applications of the transition state method to the calculation of reaction velocities, especially in solution. Trans. Faraday Soc. 1935, 31, 875–894. [Google Scholar] [CrossRef]
- Pihan, E.; Delgadillo, R.F.; Tonkin, M.L.; Pugnière, M.; Lebrun, M.; Boulanger, M.J.; Douguet, D. Computational and biophysical approaches to protein-protein interaction inhibition of Plasmodium falciparum AMA1/RON2 complex. J. Comput Aided Mol. Des. 2015, 29, 525–539. [Google Scholar] [CrossRef]
- Delgadillo, R.F.; Parker, M.L.; Lebrun, M.; Boulanger, M.J.; Douguet, D. Stability of the Plasmodium falciparum AMA1-RON2 Complex Is Governed by the Domain II (DII) Loop. PLoS ONE 2016, 11, e0144764. [Google Scholar] [CrossRef]
Publisher’s Note: MDPI stays neutral with regard to jurisdictional claims in published maps and institutional affiliations. |
© 2020 by the authors. Licensee MDPI, Basel, Switzerland. This article is an open access article distributed under the terms and conditions of the Creative Commons Attribution (CC BY) license (http://creativecommons.org/licenses/by/4.0/).










