Abstract
The deterioration of steel rebar in reinforced concrete is a major issue that reduces RC structures’ durability and structural integrity. Significant efforts have been devoted to developing high-performance coatings to provide efficient protection of the rebar, and one promising approach is to utilize nanofiller as additives to improve the performance of polymer resins. This study aimed to improve the corrosion resistance of steel rebar by applying an epoxy coating with graphene nanoplatelets (GNPs) and silica nanopowders (NSs) as additives. The corrosion behavior of nanocomposite-coated rebars was characterized via an electrochemical impedance spectroscopy (EIS) test, and salt spray exposure was utilized to evaluate the durability of the coated rebars. Investigation of abrasion resistance and mechanical properties of the coatings was conducted using the falling sand test and tensile coupon test. In addition, the nanocomposites were scanned by micro-CT to explore the effect of binary nanofillers on the intactness of the polymeric matrix. The GNP-NS hybrid filler reduced the void fraction to 0.002%, whereas the void fraction in pure epoxy was 0.07%. Significant reinforcement was found in the mechanical properties; the addition of GNP-NS hybrid filler increased the tensile strength to 37.1 MPa, a 56% increase compared to the pure epoxy. Additionally, the GNP-NS hybrid fillers have led to an improvement of 16% in the Young’s modulus. In terms of corrosion resistance, the Rc value of rebar coated with GNP-NS coating was about three times greater than the ones coated with a single-filler epoxy coating during the initial test, and this value remained undegraded after 200 hr of exposure. In contrast, the group containing hybrid fillers displayed the lowest thickness loss following abrasion testing, with a 74% reduction in thickness loss, showing the coating’s high abrasion resistance. Hence, the results reveal that GNP-NS hybrid fillers have superior wear resistance, mechanical capabilities, anticorrosion properties, and durability. This research provides valuable insights into developing and implementing high-performance polymeric material to protect steel rebars in concrete structures, therefore significantly increasing the sustainability of concrete structures.
1. Introduction
Reinforced concrete (RC) is one of the most common materials in the world, and 69% of bridges are constructed with reinforced concrete in the United States [1]. For infrastructures located in coastal and marine regions, the vulnerability of steel rebar to the corrosive environment is a major concern, as the failure of RC structures has potentially devastating consequences. Therefore, a suitable corrosion mitigation strategy is a critical factor affecting RC structures’ durability and service life [2]. The corrosion of steel rebar jeopardizes the structural integrity of RC structures by deteriorating the bonding property of rebar, and the volume expansion of corrosion products also causes concrete fractures [3].
Corrosion of steel rebar in concrete structures is a substantial problem that can lead to structural damage, decreased durability, and increased maintenance costs. When exposed to oxygen and moisture, corrosion of steel rebar in concrete occurs, which leads to the growth of corrosion products [4]. Corrosion product occupies a greater volume than steel, so the formation of rust creates internal stress in the concrete, which results in cracking and spalling. According to Carvajal et al., in coastal regions, chloride ion ingression is the most common problem compromising the durability of concrete structures, and their findings indicate that chloride ingression develops at a speed of 3–5 mm per year [5].
Protection strategies for steel rebar in concrete structures are challenging due to several factors. Generally, the high alkalinity of concrete (pH > 12) prevents rebar from corrosion by forming a passive layer surrounding it. However, this protective layer can be compromised by carbonation reaction and exposure to chloride ions, which both reactions will penetrate the concrete and react with the surface of the rebar [6]. Meanwhile, rebar is commonly embedded deeply within the concrete, which makes it challenging to perform inspection and maintenance [2]. This scenario could result in corrosion damage that remains undiscovered until extensive corrosion damage has developed, which is costly to repair. Therefore, polymeric coatings have been used as a protection strategy for steel rebar in concrete structures [1,7]. Appling a passive corrosion protection film on the rebar is a practical approach to reducing the corrosion rate of RC structures, and epoxy-based coatings are commonly used in this scenario [1]. However, several challenges are associated with using polymeric coatings for this purpose. Epoxy coatings are widely used as corrosion protection coatings for their good barrier performance and mechanical properties; however, polymeric coatings often have challenges with long-term durability and potentially provide insufficient protection of rebar [8]. Epoxy coatings may also suffer premature deterioration caused by initial defects created in the curing process, which reduces the barrier performance and accelerates microcrack formation.
Consequently, conventional coatings such as epoxy or other protective coatings might fail to offer long-term protection, and the coating may be prone to damage during its construction or service life, resulting in localized corrosion in the damaged area [9,10]. Despite the fact that polymeric coatings have been used to protect steel rebar in concrete structures, their application is limited due to their protective properties and endurance. These limitations highlight the demand for ongoing research to develop high-performance coatings capable of providing long-term protection for steel rebar in cementitious materials.
The incorporation of nanofillers into polymeric coatings has attracted great attention in recent decades [8,11]. A commonly used strategy for nanofiller reinforcement is to disperse a single type of nanofiller into a polymeric matrix, as the presence of nanofillers can improve its anticorrosion, mechanical, and tribological properties [12]. However, studies have pointed out that a single-filler system improves some properties while degrading others [13,14,15,16]. For instance, improvements in anticorrosion and barrier properties could be achieved by adding graphene nanoplatelets [17,18]; however, no mechanical improvement or a slight decrease could be obtained in GNP/polymer composites [17,19]. Nanosilica/polymers have excellent performances in improving the barrier and tribological properties [20,21], but a decrease in the Young’s modulus and strength was observed in the research study [22].
Researchers have suggested utilizing hybrid nanofiller materials to explore the synergistic effect of the nanofillers, thus developing multifunctional coatings based on hybrid nanofiller composites [13,14]. The strategy of using a hybrid filler system, which is synergized by the integration of nanofillers with different geometric shapes, has been proven to be an effective method for fabricating nanocomposites to overcome the limitation of the single-filler system [14]. Better mechanical, electrical, and barrier properties of composites were observed in these nanocomposites due to the superior dispersion of the nanoparticles [13,14,23]. Kong et al. proposed the use of a carbon nanotube–silica binary filler system in silicone elastomers to improve the mechanical properties, including the Young’s modulus, tensile strength, and tear strength [24]. The results suggest the dual-filler system offered a homogeneous dispersion of nanofillers and great enhancement of the mechanical properties of the composites. Polyimide-based nanocomposites with CeO2/nanocarbon binary filler reinforcement were studied by Nikolaeva et al., and substantial improvement was observed in their thermal and mechanical properties [25]. Among the most commonly used nanofillers, the combination of GNP and NS seems to have great potential to improve the protective properties of a polymeric coating, achieving both enhanced corrosion resistance and mechanical properties [26,27].
In summarizing other researchers’ studies, despite the significance of steel rebar in RC structures, we found a lack of studies evaluating the protection performance of these coatings for steel rebar. Despite the significance of developing high-performance coatings to protect steel rebar in cementitious materials, there are few studies focused on the implementation of nanocomposite coatings to solve this practical problem, especially using coating reinforced by GNP-NS hybrid nanofiller, which could offer much higher reinforcement protection than the conventional coatings. Even though several works have investigated the performance of hybrid-nanofiller-reinforced coating, most of them were conducted by evaluating the performance of coated bare steel panels. [26,27,28]. Thus, limited information is available for researchers and industries regarding the performance of GNP-NS nanofiller epoxy-coated rebars.
To address these knowledge gaps, this study was carried out to investigate the protective properties of GNP-NS epoxy nanocomposite coatings for steel rebars. To the best of the authors’ knowledge, this study is the first investigation to provide a comprehensive experimental evaluation of GNP-NS hybrid nanofiller-reinforced coatings’ ability to protect steel rebars from corrosive conditions and mechanical damage. The corrosion resistance, abrasion resistance, and mechanical properties were comprehensively evaluated, and the results explain the advantages of the dual nanofillers using the viscosity test, micro-CT scan, and SEM techniques. This study is significant in that it provides a practical conclusion on the protection performance of GNP-NS epoxy coatings after being applied to steel rebars.
2. Experimental Program
2.1. Materials
In this study, polymer resins and nanoparticles were purchased commercially and used without any further modification or treatment; #4-sized rebars made of grade 40 steel were used, and the surfaces were cleaned with acetone before the coatings were applied. The steel rebar used in this study was grade 40 rebar with a size number of #4, indicating that the rebar had a diameter of 0.5 in and a cross-sectional area of 0.2 in2, while the minimum yield strength was 40,000 pounds per square inch.
The epoxy coating was prepared using a bisphenol-A epoxy resin named EPON 828 and a polyamide curing agent named Epikure 3175 from Hexion Inc. (Columbus, OH, USA). EPON 828 is a difunctional bisphenol A/epichlorohydrin-derived liquid epoxy resin that has a density of 1.16 g/mL at 25 °C. The modified polyamide EPIKURE 3175 has a density of 0.94 g/mL and is intended for use with epoxy resins in the formulation of high-solid ambient-cured coatings. Coatings based on EPON 828 and Epikure 3175 demonstrate outstanding mechanical, adhesive, long-term corrosion resistance, and chemical resistance. Graphene nanoplatelets and silica nanopowders were purchased from Cheap Tubes Inc. (Cheap Tubes Inc., Cambridgeport, VT, USA) and Sigma-Aldrich Corp. (Sigma-Aldrich Corp., St. Louis, MO, USA), respectively; thus, the GNP had a thickness ranging from 8 to 12 nm, and the NS had a diameter between 10 and 20 nm.
2.2. Preparation of Nanocomposite-Coated Rebar Samples
The nanofiller–epoxy coatings were prepared via a facile procedure that consisted of high-speed blade dispersion and ultrasonication techniques. Before the dispersion procedure, 1.0 weight percent of the corresponding nanofillers were added to epoxy resin, and the weight ratio of GNP and NS was 1:1. The mixtures were subjected to 30 min of high-speed blade dispersion at 4000 rpm, followed by 60 min of ultrasonication. During ultrasonication, the samples were subjected to a 30 s on/off cycle. During the dispersion procedure, the composites were held in an ice-water bath to avoid overheating the mixtures. Subsequently, 600 rpm mechanical stirring was undertaken for ten minutes to integrate Epikure 3175 into the mixture, and the weight ratio between EPON 828 and Epikure 3175 was 65:35.
The steel rebars were dip-coated with the prepared nanocomposite coatings, and the samples were allowed to dry for 24 h in a room-temperature environment. The coated rebars were stored for at least three days before any measurements or tests. The integrated nanofillers were used to label the nanocomposite coatings; for example, the G-E and S-E samples contained GNPs and NS correspondingly, and the sample with GNP-NS hybrid additives was marked as GS-E. To ensure the experimental results’ reliability and validity, 10 dog bones, 4 abrasion disks, and 3 coated steel panels were prepared for each sample group.
2.3. Characterization of the Nanoparticle-Filled Composite Coating
The rheological properties of coatings were evaluated via a viscosity test performed using a Brookfield DV-II viscometer (AMETEK.Inc., Middleboro, USA). The nanofiller–epoxy mixtures were cooled to room temperature at 23 °C before the viscosity measurement, and a #7 spindle was used with a spinning speed of 50 rpm.
A micro-CT scan was used to evaluate the defects/voids in the coating film to study the interaction between the nanofiller and polymer resin. The scanned sample dimensions were 15 mm × 20 mm with a thickness of around 1 mm. The study was performed based on the specimen’s void content; then, the obtained results were evaluated for their correlation to coating properties.
To evaluate the nanofillers’ effect on the tensile properties of the polymer matrix, a Shimadzu’s EZ-X was utilized to characterize the tensile strength, ultimate strain, and stiffness for each composite. The measurement was performed according to ASTM D638 [29], with an elongation speed of 1 mm per minute.
2.4. Corrosion Resistance of the Coated Rebar
The electrochemical impedance spectroscopy (EIS) test was used to evaluate the corrosion resistance of the coated steel rebar specimens, and the setup is illustrated in Figure 1. The impedance curve was obtained via a Gamry Reference 600+ spectroscope (Gamry Instruments Inc., Warminster, USA), while the sample was submerged in a 3.5% NaCl solution. The reference electrode in the measurement was an aqueous saturated calomel electrode, and the counter electrode was a platinum mesh.
Figure 1.
Setup of electrochemical impedance spectroscopy (EIS) test.
A salt spray test was incorporated to identify the long-term corrosion resistance of the coated rebars, and the specimens were exposed to a corrosive environment in a salt fog chamber following ASTM B117 [30]. The temperature in the chamber was controlled at 35 °C, and the pH level was maintained between 6.5 and 7.2 by spraying 5 wt.% NaCl solution. The EIS data were collected before and after exposure in order to identify the degradation of corrosion resistance.
2.5. Abrasion Resistance of the Coated Rebar
The falling sand abrasion test was performed in accordance with ASTM D968 [31] to characterize the anti-abrasion property of coated steel rebars. The test setup is presented in Figure 2. During the test, silica sands fell from the top container into a 36-inch-long tube before impacting the coated sample. The abrasion resistance was quantified as the required volume of sand vs. thickness loss, which can be calculated using the following equation:
where V = volume of sand, T0 = thickness before the test, and T = thickness after the test.
Figure 2.
Setup of falling sand abrasion test.
2.6. Evaluation of the Bonding between the Nanocomposite and Concrete Surface
In order to evaluate if the incorporation of nanoparticles would negatively influence the adhesion strength in the coating–concrete interface, the pull-off bonding strength was examined via a tension button test. The samples were prepared by casting concrete blocks to cured nanocomposite plates, as shown in Figure 3a. After that, dollies were glued to the top surface of the nanocomposite (Figure 3b), and the adhesion strength was recorded during the test. Before the dollies were applied, the test area was scratched with 100-grit sandpaper in order to improve the bonding between the dolly and the coatings. The samples were allowed to completely dry for 24 h before the adhesion test.
Figure 3.
(a) Setup of adhesion test between nanocomposite and concrete surface, (b) the glued the dolly before testing.
3. Results and Discussion
3.1. The Appearance and Viscosity of the Developed Composites
The rheological property of all the nanocomposite coating systems is discussed in this section to validate the physical interaction between the nanomaterials and the polymer matrix. After the dispersion procedure, the viscosity measurements were conducted at room temperature (23 °C), including HSD disperser and ultrasonication.
As shown in Figure 4 a, EPON 828 resin is a clear polymer liquid epoxy resin. Figure 4b–d demonstrate nanofiller–epoxy mixes, including GNP, NS, and GNP-NS hybrid nanoparticles, respectively. Compared to pure epoxy, the NS epoxy nanocomposite sample had reduced transparency and a white color. On the other hand, even a small number of GNPs darkened the color of epoxy, as epoxy containing both GNP and GNP-NS nanofillers displayed a dark color with drastically reduced transparency.
Figure 4.
Appearance of epoxy and nanocomposites, (a) pure epoxy, (b) epoxy with GNP, (c) epoxy with NS, and (d) epoxy with GNP-NS hybrid fillers.
The viscosity of nanocomposites with each type of nanofiller is shown in Figure 5; the neat epoxy was used as a baseline. With the proper selection of nanoparticles, the viscosity of nanocomposite can be reduced, which could increase the compactness of the coating and reduce the number of trapped air voids [32,33]. Studies have indicated the addition of spherical nanoparticles might effectively decrease the viscosity of polymeric coatings; however, the viscosity may increase with a higher number of nanoparticles and eventually exceed the original value of the composite [33].
Figure 5.
The viscosity of mixtures with different types of nanofillers.
The EPON 828 resin is an undiluted clear polymer liquid epoxy resin, and the neat epoxy resin had a viscosity of 21,440 cP at 23 °C. Based on the values from Figure 5, the addition of GNPs was found to lead to a slight increase in viscosity, reaching 22,480 cP. The viscosity was very similar between the mixtures containing GNP and NS nanofillers; however, the NS epoxy sample generally had a slightly lower value compared with GNP epoxy. The mixture that contained NS had a reduced viscosity of 20,640 cP. The reason that the addition of NS had no significant impact on viscosity might be due to the agglomeration level in the matrix.
On the other hand, the combination of GNP-NS nanoparticles significantly reduced the viscosity, and the value decreased by 20%, reaching 17,040 cp. This observation might be due to the higher dispersed level of nanoparticles, as they were able to lubricant the polymeric matrix more effectively. The advantage of reduced viscosity could increase the compactness of the coating and reduce the number of trapped air voids, leading to enhanced mechanical properties and barrier performance [32,33].
3.2. Micro-CT Defect Analysis of the Composites
In this section, the discussion is focused on investigating the influence of defects on the performance of nanocomposites. Voids are considered a major defect in nanocomposites, so void analysis of nanocomposites was performed via micro-CT scanning; Figure 6 presents the scanned 3-D images obtained via micro-CT, which was used to investigate the defects in the specimens. In polymeric coatings, a high void fraction leads to a significantly decreased barrier performance and damage tolerance, which results in premature failure or a shorter lifespan [34,35,36].
Figure 6.
Micro-CT scan images for (a) neat epoxy, (b) graphene–epoxy, (c) nanosilica–epoxy, and (d) graphene–nanosilica epoxy, and (e) cross-sectional images of each sample.
The 3-D images obtained from the micro-CT scan for the neat epoxy sample are presented in Figure 6a. The neat epoxy was found to have a low volume of voids, as most of the scanned areas were intact layers. A low volume of voids in coating films leads to a high barrier performance and good mechanical properties, which is one reason that epoxy is one of the most commonly used protective coatings in metallic infrastructures. The 3-D image confirmed that the observed defect of the epoxy coating was a void caused by entrapped air.
Figure 7a presents the void fraction of each group, and Figure 7b shows the results of void size vs. film thickness. Apparently, neat epoxy has a low void fraction of 0.07%, which is an acceptable value for a coating system; however, the large void size is the major drawback of neat epoxy in providing protection for steel rebar.
Figure 7.
Summary of micro-CT scan results, (a) void fraction, and (b) size of the voids.
On the other hand, the addition of NS mitigated the voids in the epoxy resin as the void fraction was as low as 0.002%; thus, the maximum void size was reduced by 72%. The significantly reduced defects in the matrix explained the improved overall performance in the NS epoxy group. With the addition of GNPs, the void fraction was increased and reached 0.54% in the specimen, the value at which the reinforcement in GNP epoxy is degraded. This finding is reasonable as incorporating these GNPs increased the resin’s viscosity, increasing the probability of trapped air in the matrix during application. However, it is worth mentioning that due the presence of GNPs, the maximum size of the void was reduced, leading to improved composite performance.
The GNP-NS hybrid filler greatly reduced the defects in the polymeric matrix, significantly reducing both the void fraction and the size of voids. The void fraction of the GNP-NS composite was 0.002%, and the maximum void size was reduced by 41%. Apparently, fewer defects in the coating lead to improved coating performance; in this case, improved mechanical properties and corrosion resistance were observed in the composites.
3.3. Tensile Properties of the Prepared Composites
The coupon tensile test was used to determine the tensile characteristics of prepared nanocomposite coatings in accordance with ASTM D638. The results in Figure 8, which were used to evaluate tensile properties, present each group’s tensile strength, ultimate strain, and Young’s modulus.
Figure 8.
Tensile properties of each nanocomposite: (a) tensile strength, (b) failure strain, and (c) Young’s modulus.
The results in Figure 8a indicate that the presence of both nanosilica and graphene nanofillers noticeably enhanced the tensile strength of the polymeric matrix. The pure epoxy group had a tensile strength of 24.7, and the value increased by 19% when GNPs were added to 29.4 MPa. A more significant improvement in tensile strength was observed in the NS epoxy sample, in which this value reached up to 32.0 MPa, with a 30% increase. The combination of GNP and NS fillers further improved the tensile strength, which reached 37.1 MPa, with a 56% increase compared to the pure epoxy. Similar to tensile strength, enhancements were observed in all the composites with nanofillers, and the failure strain of unmodified epoxy was 2.1%. Apparently, the presence of spherical nanofillers, nanosilica, dramatically increased the flexibility of the composite, as the ultimate strain of both NS and GNP-NS groups reached 3%. The addition of GNPs had the lowest impact on the failure strain, with a value of 2.8% being observed. Evidently, only the GNP-NS hybrid fillers provided a noticeable improvement in Young’s modulus; a 16% increase was observed in comparison with unmodified epoxy. The Young’s modulus of samples containing GNPs or NS did not appear to rise, showing that neither graphene nor nanosilica had a role in improving coating stiffness.
The overall results imply that the combination of GNPs and NS generates a robust nanoparticle network, which provides stronger reinforcement than the single fillers. Compared with previous studies with single fillers, the GNP-NS hybrid nanofiller also showed a greater improvement in tensile properties. For instance, according to the results of Zakaria et al. [37], the addition of 1% GNP increased tensile strength by a maximum of 11%, whereas another investigation observed that the addition of GNPs increased tensile strength by a maximum of 20% [38] Meanwhile, Alsaadi et al. pointed out that the presence of NS increased the tensile strength by 20% when the amount of 3 wt.% of NS was introduced [39]. In contrast, compared with the previous investigations, the combination of GNPs and NS showed much stronger reinforcement even when a low number of nanofillers were used; the GNP-NS fillers improved the tensile strength by 56% when only 1 wt.% of hybrid nanofillers were added. Therefore, the presence of GNPs improves the reinforcement of NS with regard to tensile strength without sacrificing flexibility, which led to a more robust polymeric composite coating.
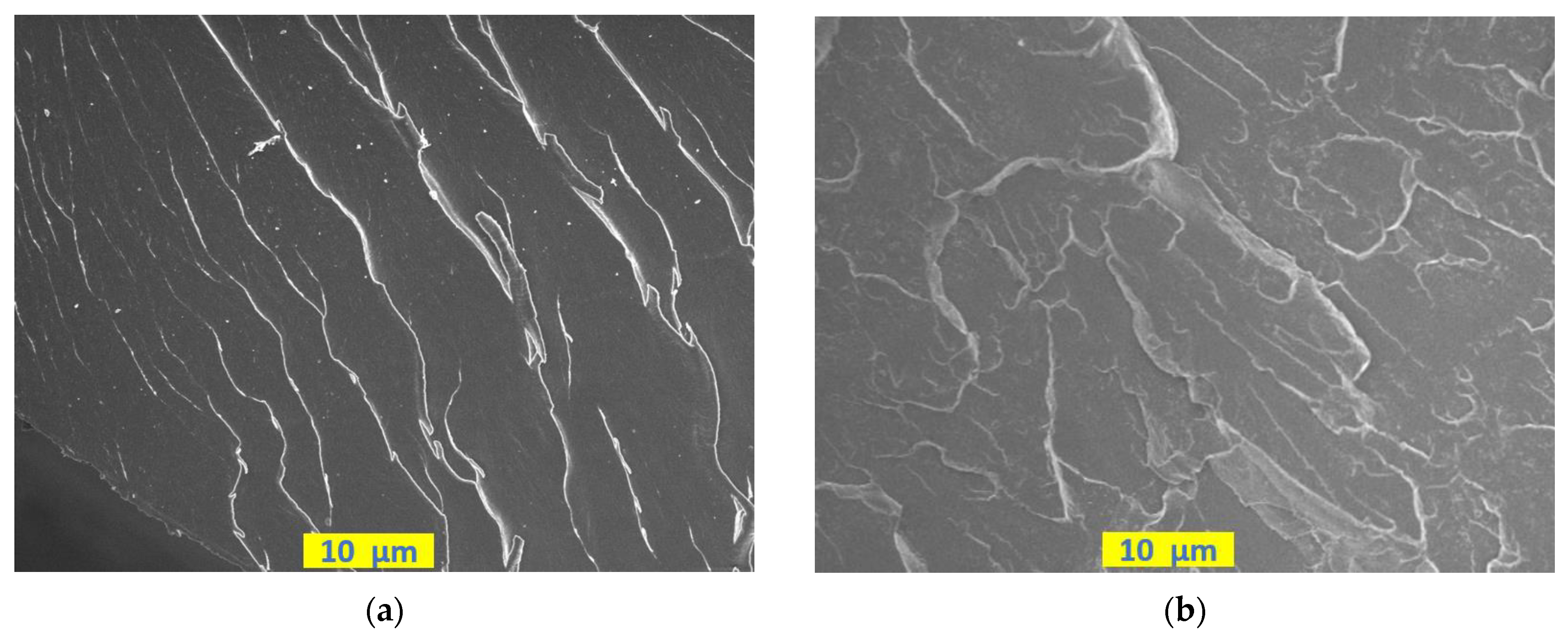
The SEM images of the fracture surface after the tensile test further confirmed the findings above, as shown in Figure 9. The neat epoxy showed a typical brittle tensile failure, with a relatively smooth surface with large cracks, as seen in Figure 9a. This type of failure implies the unmodified epoxy has weak impact resistance and fracture toughness. Conversely, all the nanocomposites exhibited a more complicated fracture surface, especially the GNP-NS composite. A similar fracture surface was found in the NS epoxy composite; however, some large cracks were also observed, indicating weak spots created by poorly dispersed nanoparticles. The large cracks in the GNP epoxy showed good agreement with the tensile properties as the GNP provided the weakest improvement among all the nanofillers. The GNP-NS epoxy had stronger energy absorption and improved fracture resistance, which might indicate the strong adhesion between the reins and well-dispersed nanofillers in the polymeric matrix.

Figure 9.
SEM images of fracture surface for (a) neat epoxy, (b) graphene–epoxy, (c) nanosilica–epoxy, and (d) graphene–nanosilica epoxy.
3.4. Anticorrosion Performance of the Coated Rebars
Steel rebars protected by coatings with high corrosion resistance can prevent corrosive media from attacking the metallic surface, which significantly extends the service life of structures. The electrochemical impedance spectroscopy (EIS) test was conducted to evaluate the corrosion resistance of the coated rebars, as this is a well-established techniques that can provide quantitative results [40].
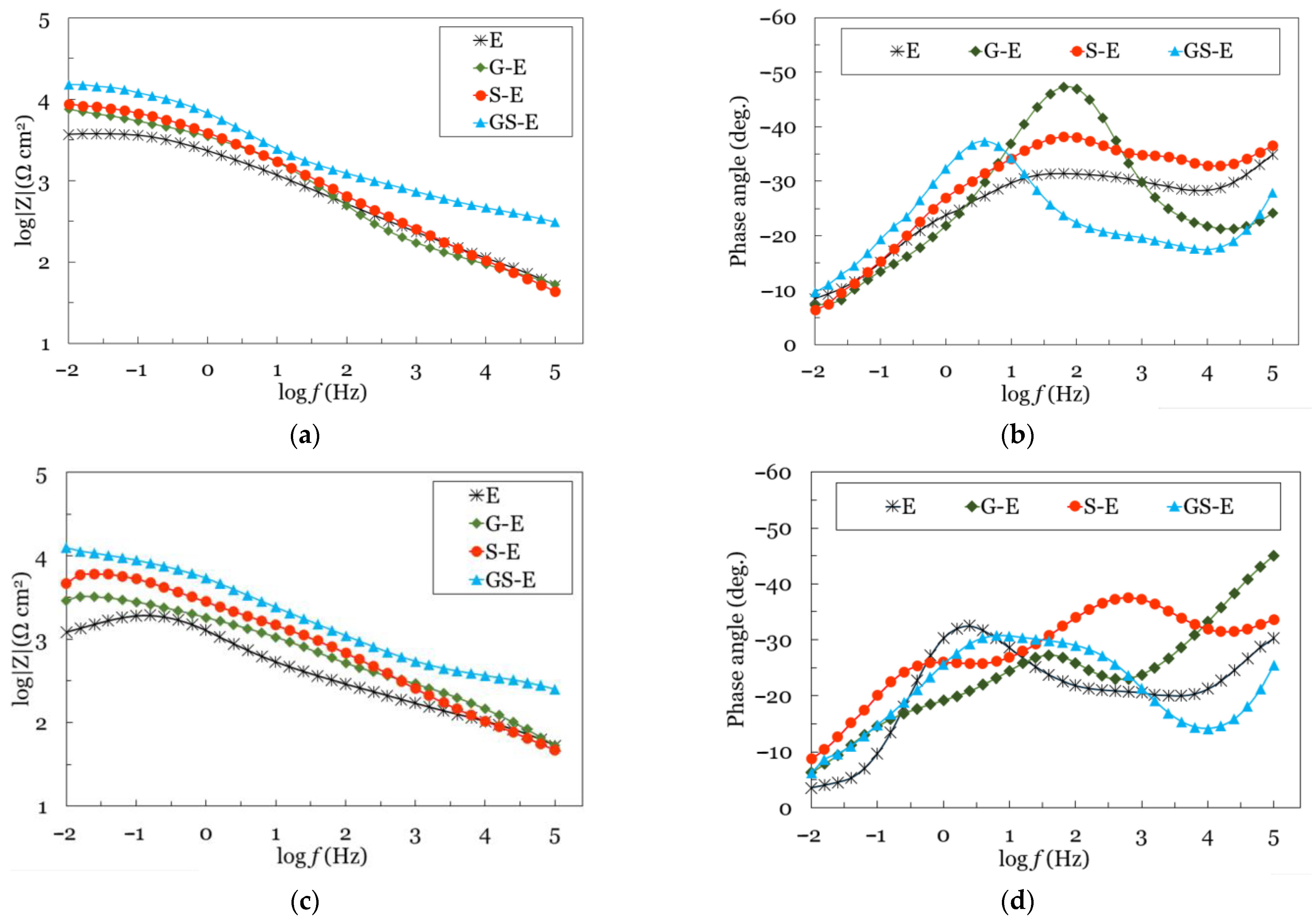
The results of the EIS test are illustrated in Figure 10; Bode and phase angle plots were utilized to examine the corrosion resistance of rebars that were protected with pure epoxy and nanofiller–epoxy coatings. The Zmod value at low frequency indicates the coating barrier characteristics; hence, a higher Zmod at 0.01 Hz in the impedance curve indicates more substantial anticorrosion properties. Salt spray exposure was incorporated to evaluate the robustness of coated rebar in a severely corrosive environment, and EIS measurements were performed before and after 200 h of exposure.
Figure 10.
Impedance and phase angle curves of coated rebars (a,b) before salt spray exposure and (c,d) after salt spray exposure.
It can be seen that the rebar coated with neat epoxy had the lowest impedance value at 0.01 Hz, indicating it had the weakest corrosion resistance; thus, similar results were observed after exposure, as presented in Figure 10c. Considerable improvement occurred in both GNP-epoxy- and NS-epoxy-coated rebar; thus, the impedance value of the NS-epoxy-coated sample was slightly higher than that of the GNP-epoxy-coated sample, and the difference was increased after exposure. This observation is surprising as a GNP, a two-dimensional nanofiller, is thought to provide a stronger barrier property due to its extremely high surface area and aspect ratio. On the other hand, the spherical-shaped nanosilica filler should not have a strong ability to block the penetration of corrosive media. The results from the micro-Ct scan can explain this phenomenon; the presence of NS significantly mitigated the voids while the GNP increased the porosity and size of voids in the polymeric matrix; herein, the introduced voids weakened the reinforcement of the GNP on the barrier property.
Evidently, the GNP-NS epoxy coating combined the advantages of both the GNP and NS, as the GNP effectively blocked the penetration of corrosion while the NS mitigated the defects in the coating layer. The EIS data revealed the corrosion resistance of rebars coated with GNP-NS epoxy had increased more significantly compared with the sample reinforced by only a GNP or NS. Unlike the other groups, the Zmod value of GNP-NS-epoxy-coated rebar barely changed after the exposure, indicating the coating had a very low penetration rate, effectively blocking corrosive media from reaching the steel rebar’s surface.
The coating resistance (Rc) value is commonly used to represent the corrosion resistance of coated metallic substrates, and the collected Rc values are shown in Figure 11. The epoxy coating exhibited the lowest Rc value for both measurements conducted before and after salt fog exposure. The Rc value of rebar coated with GNP-NS was about three times higher than that of the single-filler epoxy-coated rebar at the first measurement, and the value remained unchanged after 200 hr of exposure. The results clearly show that GNP-NS epoxy coating increased the corrosion protection more significantly than the coating with only a GNP or NS, which confirmed the findings from Bode curves.
Figure 11.
(a) Impedance value at 0.01 Hz and (b) coating resistance of coated rebars.
3.5. Abrasion Resistance of the Coated Rebars
Resistance to abrasion is a good indicator of a coating’s protective properties against substrates. Coatings with strong abrasion resistance can have an extended service life, which is beneficial to protect the rebar. The results from the falling abrasive test were used to evaluate the wear resistance of the coatings, as presented in Figure 12. The thickness loss was measured, and the lower value indicates stronger resistance in coatings. Figure 12a illustrates the thickness loss via abrasive volume, which was proportional to the volume of sand. Figure 12b presents the abrasion resistance of each coating. Like in other tests, the unmodified epoxy was used as a reference to evaluate the effectiveness of nanoparticles.
Figure 12.
Summary of abrasion resistance test results: (a) thickness loss and (b) abrasion resistance of coated rebars.
The epoxy-coated rebar had the weakest abrasion resistance, as the coating had the highest thickness loss of around 11.7, 20.5, and 32.2 μm at 5 × 104, 1 × 105, and 1.5 × 105 mL of applied abrasive. On the other hand, the addition of both the NS and GNP improved the abrasion resistance, and the thickness loss was reduced by 43% and 29%, correspondingly. Results suggest that both the NS and GNP significantly enhanced the abrasion resistance of the composite. Despite the fact that lamellar-shaped nanoparticles should have excellent reinforcement capacities due to their high specific surface area, the rebar coated with GNP epoxy exhibited the lowest improvement in abrasion resistance; researchers have pointed out that two factors contribute to this observation: (1) GNPs have low polymer bonding strength, and (2) GNP nanosheets stack up easily, resulting in a structure that is vulnerable to mechanical forces [41]. The remarkable improvement in NS epoxy may be attributed to a number of aspects; first, the spherical-shaped nanoparticles have the maximum dispersion level; second, NS particles have a large interphase in the polymeric matrix, resulting in the best mechanical characteristics [42].
The group that contained hybrid fillers exhibited the lowest thickness loss, which was reduced by 74%. Compared with the pure-epoxy-coated rebar, the abrasion resistance of the GNP-NS-epoxy-coated rebar was increased by 2.8 times and reached up to 13 L/um, indicating the coating had the strongest abrasion resistance. Apparently, the coating containing GNP-NS hybrid filler improved the coating’s cohesion strength and hardness, as well as the ability to transfer the applied stress during the abrasion process, and researchers have suggested that the abrasion resistance of a coating is determined by those properties [43,44]. Several prior studies demonstrated that the addition of both a GNP and NS could enhance the abrasion resistance of nanocomposite coatings, such as Alam et al., who pointed out that 5% NS reduced weight loss by 48% [45]. In one previous investigation, the addition of 2% GNP reduced by 50 percent the material loss caused by abrasion [46]. Hence, similar to the conclusion regarding tensile properties, the combination of a GNP and NS generates a more robust nanoparticle network that provides significantly stronger reinforcement. In this study, the material loss of the GNP-NS-epoxy-coated rebar was decreased by 74%, demonstrating that this coating has superior abrasion resistance.
3.6. Direct Adhesion between Nanocomposite and Concrete Surface
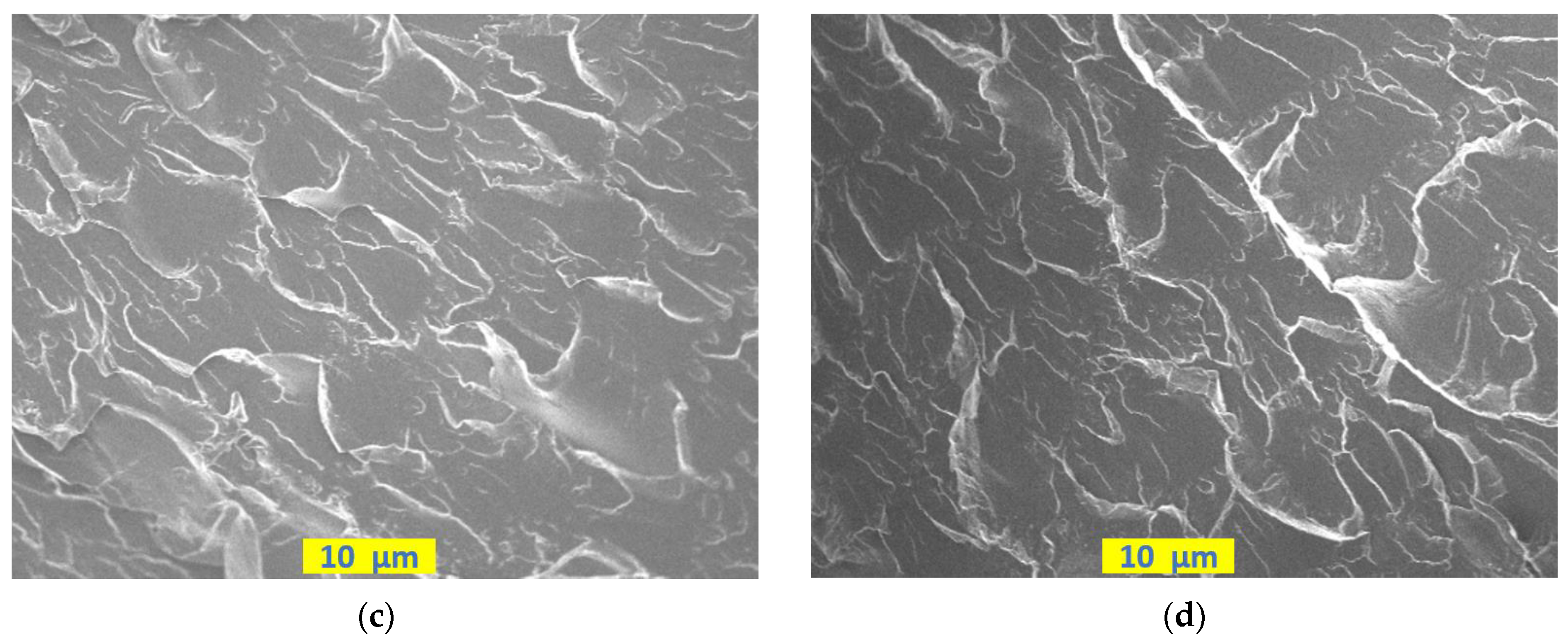
Figure 13 presents the failure of samples after the adhesion test, and apparently, all the tested samples failed in the concrete end, indicating the bonding strength between the coating and concrete was higher than the strength of the concrete. The maximum tensile strength obtained in this test was 908 psi, indicating that the bonding strength between each nanocomposite and concrete surface was higher than this value. Studies have been performed to evaluate the adhesion properties of composites incorporated with GNPs and NS even if the substrate is steel, and results indicate that the addition of nanoparticles generally resulted in a higher substrate adhesion strength [47]. In line with this, the obtained results indicate the addition of nanoparticles did not decrease the nanocomposite adhesion to the concrete surface.
Figure 13.
The fractured surface after the adhesion test, (a) pure epoxy, (b) epoxy with GNP, (c) epoxy with NS, and (d) epoxy with GNP-NS hybrid fillers.
4. Conclusions
This study aimed to provide a new approach to improving steel rebar’s corrosion resistance against a corrosive environment. With a facile fabrication procedure, steel rebars were coated with a layer of epoxy-based composite reinforced by GNP-NS hybrid additives. The GNP-NS nanocomposite coating offered improved protective properties compared to the ones containing only one type of nanofiller, and the performance was evaluated according to corrosion resistance, abrasion resistance, and mechanical properties. Based on the collected results, the following conclusions can be drawn:
- The micro-CT test was used to study the nanoparticle shape’s effect on the composite’s void fraction. The NS nanoparticles mitigated the voids in the coating matrix, while an increased void fraction was found in the specimen with the GNP. In the GNP-NS epoxy sample, the presence of NS nanofillers was able to mitigate the voids, which improved the intactness of the coating, leading to a better overall performance.
- The rebar protected by the GS-E coating had outstanding corrosion resistance even in severely corrosive environments. The GS-E coating acted as an intact layer to block the penetration of corrosive media.
- The abrasion resistance of the coating significantly improved after the GNP-NS additives were mixed, increasing 2.8 times compared to that of the neat epoxy. Thus, rebar coated with a GS-E coating will have a tougher surface with greater resistance against abrasion damage.
- The incorporation of GNP-NS nanoparticles led to the best mechanical properties, as these coatings had the highest tensile strength, ultimate strain, and Young’s modulus of all the tested samples. Additionally, the results from the adhesion test indicate that previous nanoreinforcement does not compromise the bonding in the interface between epoxy coating and the concrete surface.
The results of this study provide an approach to tackling the issues associated with steel rebar in these structures by using developed high-performance nanocomposite coating with superior protective properties and durability. The practical application of the findings in this study is valuable for developing concrete structures such as buildings and bridges. Due to exposure to moisture and other environmental variables, reinforcing bars in concrete structures may be subject to corrosion. In addition, structures exposed to harsh environmental conditions, such as those by the ocean or in other corrosive environments, require more extensive protection to ensure their durability and safety. With its superior protection capabilities, the developed coating can provide long-term protection against corrosion and other forms of damage, decreasing the need for continuous maintenance and repair, and helping to ensure the durability and safety of civil infrastructures.
With its excellent improvement in the microstructure, corrosion resistance, abrasion resistance, and mechanical properties, the GNP-NS nano-reinforced epoxy coating has great potential to provide effective long-term protection for steel rebar in concrete structures. Therefore, a subsequent study should be conducted in order to reveal the inter-actions between coated rebar and concrete structures in both the short and long term, such as one exploring bond behavior and bonding characterization.
Author Contributions
X.W. designed and conducted this research and wrote the paper under the supervision of Z.L., F.T., Q.C., H.P. and X.C. assisted the experiments and edited the paper. All authors have read and agreed to the published version of the manuscript.
Funding
This research was funded by USDOTs (DTPH5616HCAP03, 693JK318500010CAAP, 693JK31850009CAAP, and 693JK32110003POTA).
Institutional Review Board Statement
Not applicable.
Informed Consent Statement
Not applicable.
Data Availability Statement
The data presented in this study are available on request from the corresponding author. The data are not publicly available due to containing information that could compromise the privacy of research participants.
Acknowledgments
The authors gratefully acknowledge the financial support provided by the USDOTs. The results, discussion, and opinions reflected in this paper are those of the authors only and do not necessarily represent those of the sponsors.
Conflicts of Interest
The authors declare no conflict of interest.
References
- Kamde, D.; Pillai, R.G. Effect of surface preparation on corrosion of steel rebars coated with cement-polymer-composites (CPC) and embedded in concrete. Constr. Build. Mater. 2019, 237, 117616. [Google Scholar] [CrossRef]
- James, A.; Bazarchi, E.; Chiniforush, A.A.; Aghdam, P.P.; Hosseini, M.R.; Akbarnezhad, A.; Martek, I.; Ghodoosi, F. Rebar corrosion detection, protection, and rehabilitation of reinforced concrete structures in coastal environments: A review. Constr. Build. Mater. 2019, 126, 1026–1039. [Google Scholar] [CrossRef]
- Dong, S.; Zhao, B.; Lin, C.; Du, R.; Hu, R.; Zhang, G.X. Corrosion behavior of epoxy/zinc duplex coated rebar embedded in concrete in ocean environment. Constr. Build. Mater. 2012, 28, 72–78. [Google Scholar] [CrossRef]
- Sharma, N.; Sharma, S.; Sharma, S.; Mehta, R. Evaluation of corrosion inhibition and self healing capabilities of nanoclay and tung oil microencapsulated epoxy coatings on rebars in concrete. Constr. Build. Mater. 2020, 259, 120278. [Google Scholar] [CrossRef]
- Carvajal, A.M.; Vera, R.; Corvo, F.; Castañeda, A. Diagnosis and rehabilitation of real reinforced concrete structures in coastal areas. Corros. Eng. Sci. Technol. 2012, 47, 70–77. [Google Scholar] [CrossRef]
- Sadati, S.; Arezoumandi, M.; Shekarchi, M. Long-term performance of concrete surface coatings in soil exposure of marine environments. Constr. Build. Mater. 2015, 94, 656–663. [Google Scholar] [CrossRef]
- Qureshi, T.; Wang, G.; Mukherjee, S.; Islam, A.; Filleter, T.; Singh, C.V.; Panesar, D.K. Graphene-based anti-corrosive coating on steel for reinforced concrete infrastructure applications: Challenges and potential. Constr. Build. Mater. 2022, 351, 128947. [Google Scholar] [CrossRef]
- Wang, X.; Tang, F.; Cao, Q.; Qi, X.; Pan, H.; Lin, Z.; Battocchi, D. Nano-modified functional composite coatings for metallic structures: Part II—Mechanical and damage tolerance. Surf. Coat. Technol. 2020, 401, 126274. [Google Scholar] [CrossRef]
- Ge, T.; Zhao, W.; Wu, X.; Wu, Y.; Shen, L.; Ci, X.; He, Y. Design alternate epoxy-reduced graphene oxide/epoxy-zinc multilayer coatings for achieving long-term corrosion resistance for Cu. Mater. Des. 2019, 186, 108299. [Google Scholar] [CrossRef]
- Cui, M.; Ren, S.; Chen, J.; Liu, S.; Zhang, G.; Zhao, H.; Wang, L.; Xue, Q. Anticorrosive performance of waterborne epoxy coatings containing water-dispersible hexagonal boron nitride (h-BN) nanosheets. Appl. Surf. Sci. 2017, 397, 77–86. [Google Scholar] [CrossRef]
- Wang, X.; Pearson, M.; Pan, H.; Li, M.; Zhang, Z.; Lin, Z. Nano-modified functional composite coatings for metallic structures: Part I-Electrochemical and barrier behavior. Surf. Coat. Technol. 2020, 401, 126286. [Google Scholar] [CrossRef]
- Wang, X.; Tang, F.; Cao, Q.; Qi, X.; Pearson, M.; Li, M.; Pan, H.; Zhang, Z.; Lin, Z. Comparative Study of Three Carbon Additives: Carbon Nanotubes, Graphene, and Fullerene-C60, for Synthesizing Enhanced Polymer Nanocomposites. Nanomaterials 2020, 10, 838. [Google Scholar] [CrossRef] [PubMed]
- Yue, L.; Pircheraghi, G.; Monemian, S.A.; Manas-Zloczower, I. Epoxy composites with carbon nanotubes and graphene nanoplatelets—Dispersion and synergy effects. Carbon 2014, 78, 268–278. [Google Scholar] [CrossRef]
- Nuruddin, M.; Hosur, M.; Gupta, R.; Hosur, G.; Tcherbi-Narteh, A.; Jeelani, S. Cellulose Nanofibers-Graphene Nanoplatelets Hybrids Nanofillers as High-Performance Multifunctional Reinforcements in Epoxy Composites. Polym. Polym. Compos. 2017, 25, 273–284. [Google Scholar] [CrossRef]
- Kumar, A.; Kumar, K.; Ghosh, P.; Yadav, K. MWCNT/TiO2 hybrid nano filler toward high-performance epoxy composite. Ultrason. Sonochemistry 2018, 41, 37–46. [Google Scholar] [CrossRef]
- Hosur, M.; Mahdi, T.; Islam, M.; Jeelani, S. Mechanical and viscoelastic properties of epoxy nanocomposites reinforced with carbon nanotubes, nanoclay, and binary nanoparticles. J. Reinf. Plast. Compos. 2017, 36, 667–684. [Google Scholar] [CrossRef]
- Xie, X.-L.; Mai, Y.-W.; Zhou, X.-P. Dispersion and alignment of carbon nanotubes in polymer matrix: A review. Mater. Sci. Eng. R Rep. 2005, 49, 89–112. [Google Scholar] [CrossRef]
- Liu, S.; Gu, L.; Zhao, H.; Chen, J.; Yu, H. Corrosion Resistance of Graphene-Reinforced Waterborne Epoxy Coatings. J. Mater. Sci. Technol. 2016, 32, 425–431. [Google Scholar] [CrossRef]
- Wan, Y.-J.; Tang, L.-C.; Yan, D.; Zhao, L.; Li, Y.-B.; Wu, L.-B.; Jiang, J.-X.; Lai, G.-Q. Improved dispersion and interface in the graphene/epoxy composites via a facile surfactant-assisted process. Compos. Sci. Technol. 2013, 82, 60–68. [Google Scholar] [CrossRef]
- Kang, Y.; Chen, X.; Song, S.; Yu, L.; Zhang, P. Friction and wear behavior of nanosilica-filled epoxy resin composite coatings. Appl. Surf. Sci. 2012, 258, 6384–6390. [Google Scholar] [CrossRef]
- Conradi, M.; Kocijan, A.; Kek-Merl, D.; Zorko, M.; Verpoest, I. Mechanical and anticorrosion properties of nanosilica-filled epoxy-resin composite coatings. Appl. Surf. Sci. 2014, 292, 432–437. [Google Scholar] [CrossRef]
- Liu, H.-Y.; Wang, G.-T.; Mai, Y.-W.; Zeng, Y. On fracture toughness of nano-particle modified epoxy. Compos. Part B Eng. 2011, 42, 2170–2175. [Google Scholar] [CrossRef]
- Wang, X.; Tang, F.; Qi, X.; Lin, Z. Mechanical, electrochemical, and durability behavior of graphene nano-platelet loaded epoxy-resin composite coatings. Compos. Part B Eng. 2019, 176, 107103. [Google Scholar] [CrossRef]
- Kong, J.; Sun, J.; Tong, Y.; Dou, Q.; Wei, Y.; Thitsartarn, W.; Yeo, J.C.C.; He, C. Carbon nanotubes-bridged-fumed silica as an effective binary nanofillers for reinforcement of silicone elastomers. Compos. Sci. Technol. 2018, 169, 232–241. [Google Scholar] [CrossRef]
- Nikolaeva, A.L.; Gofman, I.V.; Yakimansky, A.V.; Ivan’kova, E.M.; Abalov, I.V.; Baranchikov, A.E.; Ivanov, V.K. Polyimide-Based Nanocomposites with Binary CeO2/Nanocarbon Fillers: Conjointly Enhanced Thermal and Mechanical Properties. Polymers 2020, 12, 1952. [Google Scholar] [CrossRef] [PubMed]
- Ramezanzadeh, B.; Haeri, Z. A facile route of making silica nanoparticles-covered graphene oxide nanohybrids (SiO2-GO); fabrication of SiO2-GO/epoxy composite coating with superior barrier and corrosion protection performance. Chem. Eng. J. 2016, 303, 511–528. [Google Scholar] [CrossRef]
- Wang, X.; Lin, Z. Morphologic and synergistic effects of GNP/NS binary-filler-based multifunctional coatings with robust anti-corrosion and hydrophobic properties. Prog. Org. Coat. 2021, 157, 106286. [Google Scholar] [CrossRef]
- Yang, S.; Liu, J.; Pan, F.; Yin, X.; Wang, L.; Chen, D.; Zhou, Y.; Xiong, C.; Wang, H. Fabrication of self-healing and hydrophilic coatings from liquid-like graphene@ SiO2 hybrids. Compos. Sci. Technol. 2016, 136, 133–144. [Google Scholar] [CrossRef]
- ASTM D638-14; Standard Test Method for Tensile Properties of Plastics. ASTM International: West Conshohocken, PA, USA, 2014. Available online: https://www.astm.org/d0638-14.html (accessed on 1 March 2023).
- ASTM B117-19; Standard Practice for Operating Salt Spray (Fog) Apparatus. ASTM International: West Conshohocken, PA, USA, 2019. Available online: https://www.astm.org/b0117-19.html (accessed on 1 March 2023).
- ASTM D968-22; Standard Test Methods for Abrasion Resistance of Organic Coatings by Falling Abrasive. ASTM International: West Conshohocken, PA, USA, 2022. Available online: https://www.astm.org/d0968-22.html (accessed on 1 March 2023).
- Tuteja, A.; Duxbury, P.M.; Mackay, M.E. Multifunctional Nanocomposites with Reduced Viscosity. Macromolecules 2007, 40, 9427–9434. [Google Scholar] [CrossRef]
- Jain, S.; Goossens, J.G.P.; Peters, G.W.M.; van Duin, M.; Lemstra, P.J. Strong decrease in viscosity of nanoparticle-filled polymer melts through selective adsorption. Soft Matter. 2008, 4, 1848–1854. [Google Scholar] [CrossRef]
- Lyon, S.; Bingham, R.; Mills, D. Advances in corrosion protection by organic coatings: What we know and what we would like to know. Prog. Org. Coat. 2017, 102, 2–7. [Google Scholar] [CrossRef]
- Ramezanzadeh, B.; Ghasemi, E.; Mahdavian, M.; Changizi, E.; Moghadam, M.M. Covalently-grafted graphene oxide nanosheets to improve barrier and corrosion protection properties of polyurethane coatings. Carbon 2015, 93, 555–573. [Google Scholar] [CrossRef]
- Liu, S.; Chevali, V.S.; Xu, Z.; Hui, D.; Wang, H. A review of extending performance of epoxy resins using carbon nanomaterials. Compos. Part B Eng. 2018, 136, 197–214. [Google Scholar] [CrossRef]
- Zakaria, M.R.; Kudus, M.H.A.; Akil, H.M.; Thirmizir, M.Z.M. Comparative study of graphene nanoparticle and multiwall carbon nanotube filled epoxy nanocomposites based on mechanical, thermal and dielectric properties. Compos. Part B Eng. 2017, 119, 57–66. [Google Scholar] [CrossRef]
- Wang, F.; Drzal, L.T.; Qin, Y.; Huang, Z. Mechanical properties and thermal conductivity of graphene nanoplatelet/epoxy composites. J. Mater. Sci. 2014, 50, 1082–1093. [Google Scholar] [CrossRef]
- Alsaadi, M.; Bulut, M.; Erkliğ, A.; Jabbar, A. Nano-silica inclusion effects on mechanical and dynamic behavior of fiber reinforced carbon/Kevlar with epoxy resin hybrid composites. Compos. Part B Eng. 2018, 152, 169–179. [Google Scholar] [CrossRef]
- Wang, X.; Qi, X.; Lin, Z.; Wang, J.; Gong, N. Electrochemical Characterization of the Soils Surrounding Buried or Embedded Steel Elements. Pipelines 2016, 2016, 110–116. [Google Scholar]
- Mukhopadhyay, P.; Gupta, R.K. Trends and frontiers in graphene-based polymer nanocomposites. Plast. Eng. 2011, 67, 32–42. [Google Scholar] [CrossRef]
- Alishahi, E.; Shadlou, S.; Rad, S.D.; Ayatollahi, M.R. Effects of Carbon Nanoreinforcements of Different Shapes on the Mechanical Properties of Epoxy-Based Nanocomposites. Macromol. Mater. Eng. 2012, 298, 670–678. [Google Scholar] [CrossRef]
- Fan, W.; Du, W.; Li, Z.; Dan, N.; Huang, J. Abrasion resistance of waterborne polyurethane films incorporated with PU/silica hybrids. Prog. Org. Coat. 2015, 86, 125–133. [Google Scholar] [CrossRef]
- Daniels, M.; Francis, L. Silane Adsorption Behavior, Microstructure, and Properties of Glycidoxypropyltrimethoxysilane-Modified Colloidal Silica Coatings. J. Colloid Interface Sci. 1998, 205, 191–200. [Google Scholar] [CrossRef] [PubMed]
- Alam, M.A.; Samad, U.A.; Alam, M.; Anis, A.; Al-Zahrani, S.M. Enhancement in Nanomechanical, Thermal, and Abrasion Properties of SiO2 Nanoparticle-Modified Epoxy Coatings. Coatings 2020, 10, 310. [Google Scholar] [CrossRef]
- Bharti, P.; Prusty, R.K.; Ray, B.C. Tribological, Mechanical, and Thermal Behavior of Titanium Dioxide and Graphene Nanoplatelet Embedded Epoxy Based Hybrid Nanocomposite. Polym. Sci. Ser. A 2022, 64, 504–518. [Google Scholar]
- Kim, D.; Chung, I.; Kim, G. Study on mechanical and thermal properties of fiber-reinforced Epoxy/Hybrid-silica composite. Fibers Polym. 2013, 14, 2141–2147. [Google Scholar] [CrossRef]
Disclaimer/Publisher’s Note: The statements, opinions and data contained in all publications are solely those of the individual author(s) and contributor(s) and not of MDPI and/or the editor(s). MDPI and/or the editor(s) disclaim responsibility for any injury to people or property resulting from any ideas, methods, instructions or products referred to in the content. |
© 2023 by the authors. Licensee MDPI, Basel, Switzerland. This article is an open access article distributed under the terms and conditions of the Creative Commons Attribution (CC BY) license (https://creativecommons.org/licenses/by/4.0/).













