Abstract
Tungsten carbide (WC) is widely used in wear-resistant parts due to its excellent wear resistance. Iron-based alloys are used in the repair and remanufacturing of engine components due to their good compatibility with iron-based workpieces. In order to enhance the wear resistance of engine components in service under abrasive conditions, composite coatings have been prepared for cast iron engine components by adding WC-Co to iron-based powders. This study investigates the microstructure and wear properties of composite coatings of iron-based alloys reinforced with different contents of WC particles. The composite coatings mainly contained γ-Fe, α-Fe, WC and Fe3W3C. With the addition of the WC-Co strengthening phase, the average hardness of the FeAlC-x(WC-Co) composite coatings increases from 524 HV0.2 to 814 HV0.2. Wear test results showed that when the WC addition was 20%, it had the lowest frictional coefficient of 0.5 and the lowest wear mass loss of 1.3 mg. Compared to the original Fe-based alloy coatings, the WC particle-reinforced FeAlC composite coatings display improved wear resistance on a reduced friction basis, mainly benefiting from the high wear resistance of the graphite solid lubrication phase and carbides in the cladding.
1. Introduction
Compared with the traditional gray cast iron, compacted cast iron has gradually become the primary cast iron material for engine components because of its excellent mechanical and physical properties for worm-shaped graphite [1,2,3]. In long-term service, compacted graphite cast iron will inevitably undergo wear on its surface, which will affect its safe use in equipment or machines [4]. The wear dimension of engine parts can be recovered through remanufacturing [5]. Meanwhile, wear-resistant material can be introduced to increase the surface wear resistance of newly manufactured or remanufactured engine parts.
For the repair and remanufacture of failed components, different methods have been used to repair or remanufacture cast iron engine parts. Thermal spraying technologies, for instance, atmospheric plasma spraying (APS) and high velocity oxy-fuel (HVOF) spraying [6,7,8,9], were often used to recover the wear dimensions of engine parts, while bonding was mainly based on mechanical adhesion, which makes the coatings hard to service under heavy loads. Cold spray, depending on the plastic deformation of sprayed powders, could achieve compact coatings, while its adhesion between the coating and substrate was mainly mechanical [10]. Additional heat treatments were needed to strengthen the combination between the coating and substrate. For laser cladding technology, the laser is used as a heat source to form a metallurgical bond between the coating and the substrate [11,12,13]. Plasma transfer arc (PTA) cladding is another surfacing technique that can form a metallurgical combination between the coating and substrate with less cost as compared to the laser cladding method [14,15,16,17,18]. Therefore, PTA is preferred to prepare coatings on cast iron or remanufactured cast iron parts with good adhesion.
To further enhance the wear resistance of cast iron, fatigue phases, for instance, WC, TiC, Al2O3 and so on, were introduced into metals in the surface materials, which formed metal matrix composite (MMC) coatings. MMC coatings have high synthetic properties with hard particles embedded in a hard metal matrix or binder [15,19]. Tungsten carbide (WC) offers a good combination of hardness, toughness and wear resistance. Among metal-based reinforcements, WC particles are added to a wide range of alloying materials due to their high rigidity, low coefficient of thermal expansion and good wettability with the metallic phase [20]. Xie et al. [15] designed stellite Ni-based alloy powder mixed with Ni-coated WC to deposit coatings on AISI 1054 steel through PTA. A metallurgical bond formed between the coating and the AISI 1054 steel substrate. Meanwhile, the microhardness increased from 400 HV to 600 HV. Peng et al. [21] prepared FeCoCrNi high-entropy alloy/WC composite coating on steels through PTA. When the WC content in the coating is greater than 60%, the rigidity and wear resistance of the coating increases significantly, and the main phases of the coating are WC, the FCC phase of HEA, the Fe3W3C phase and the chromium-rich secondary phase. K.Y. Shi et al. [22] used PTA technology to prepare TiC-W-Cr coating on gray cast iron. The results of the phase analysis of the cladding zone showed that it was mainly composed of primary austenite, martensite, carbides and unmelted TiC particles. Although the typical materials commonly used in the preparation of metal matrix composite (MMC) coatings are cobalt-based, nickel-based, high-entropy alloys and iron-based alloy powders [23,24], iron-based alloys are still widely used at present for their good performance and low costs. Since most of the workpiece materials are iron-based materials, it is more appropriate to use iron-based powder in repairing failed iron workpieces. At the same time, coatings prepared from iron-based alloy powders have better metallurgical bonding and similar properties to the iron-based workpiece substrate, since they have similar chemical compositions. Xiao [25] et al. found that the main wear mechanisms of the coatings are abrasive wear due to the varying degrees of adhesive wear and three-body abrasive wear. The microhardness of the Fe-WC composite coatings gradually increased from 729.9 HV0.2 to 1029.2 HV0.2 due to the increase in the content of WC. The coatings contained WC and W2C, while M23C6, M7C3 and η phases were precipitated. Bartkowski [26] et al. prepared a WC-reinforced iron-based alloy coating, and microstructure analysis results showed that the coatings were composed of iron-base matrix and carbides, such as WC, M23C6 and (Fe, W)3C complex phases. The coatings’ microhardness increases with increasing WC content. The above-mentioned research mostly focused on individual ceramic particle addition coatings, including process parameters, microstructure and properties, and crack control.
However, there have been some reports on the microstructure and properties of Fe/WC-Co composite coatings with cobalt-bonded tungsten carbide particles and pre-prepared metal matrix composite (MMC) coatings. A FeAlC coating with WC-Co was prepared by plasma transfer arc coating onto compacted graphite iron, which improved its wear resistance. The effect of WC-Co content on the microstructure and properties of composite coatings was further studied.
2. Experimental Material and Procedure
2.1. Powder and Substrate Preparation
Commercial FeAlC and WC-Co powders were used as original feedstocks. They were mixed with a designed mass fraction (10%, 15%, 20%, 25%) of WC-Co through a ball milling machine (ND7-4L, Nanda Tianzun Co., Ltd., Nanjing, China). The morphologies of the FeAlC and WC-Co powders are shown in Figure 1 and Figure 2.
Figure 1.
Microstructure of iron-based powder: (a) global morphology, (b) cross-sectional microstructure.
Figure 2.
Microstructure of WC-12Co powder: (a) global morphology, (b) cross-sectional microstructure.
The Fe-based powder, with a mean size of about 80 μm, had a near-globular shape, which contributed to the water atomization preparation method. The WC-12Co powder, with a size of about 20–80 μm, had a spherical morphology, which was fabricated by agglomeration and sintering. A laser particle size analyzer (Helos-rodos, SYMPATEC GmbH., Clausthal-Zellerfeld, Germany) was used to characterize the distribution of particle sizes and the average diameter of the particles (97.3 μm). Figure 3 shows their distribution. Table 1 shows the composition of the FeAlC powder. The composition of the iron-based powders consists mainly of carbon, aluminum, silicon and manganese. Table 2 shows the composition of the WC-12Co powder.
Figure 3.
Powder size distribution: (a) FeAlC powder, (b) WC-Co powder.
Table 1.
Chemical composition of Fe-based powder [10].
Table 2.
Chemical composition of WC-12Co powder.
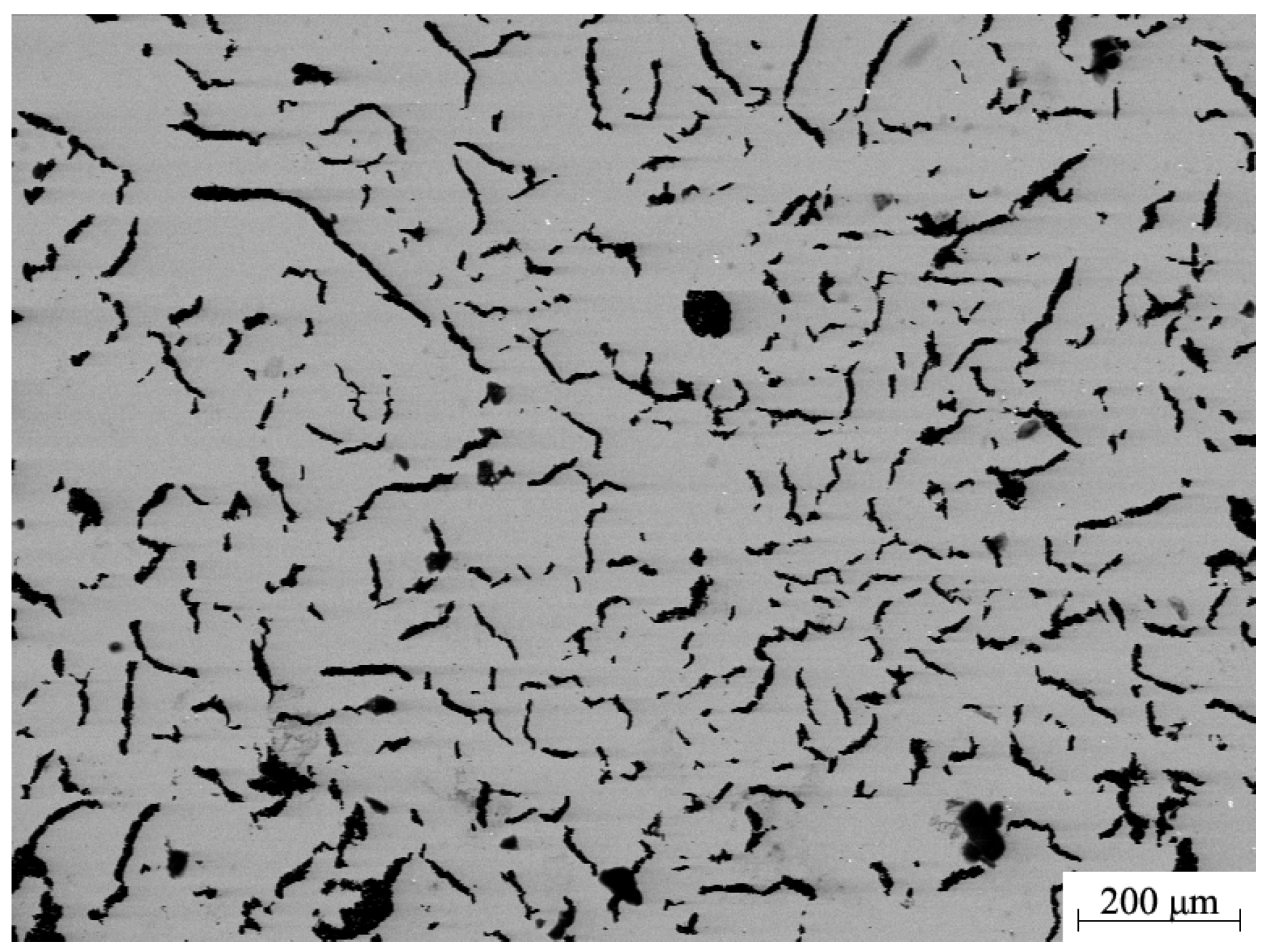
Figure 4 shows the morphology of the vermicular cast iron (Rut300) used as the substrate. The matrix material was cast by sand mold in the laboratory with a dimension of 300 × 400 × 200 mm3. Then, it was cut as a substrate with a size of 100 × 100 × 100 mm3. The substrate had properties between ductile iron and gray iron due to the existence of worm-like graphite. Before cladding, it was necessary to remove oil and rust on the substrate to ensure a good interface combination.
Figure 4.
Microstructure of vermicular cast iron.
2.2. Coating Deposition Processing
The coatings were deposited using a DML-V30BD plasma cladding system from Shanghai Duomu Co., Ltd., (Shanghai, China), with an argon purity of 99.99% used for working gas, protecting gas and powder feeding gas. The specific parameters of PTA process were shown in Table 3. The protective gas flow and plasma gas flow were kept at 10 and 1.5 L/min, respectively, while the powder feed rate was set at 12 rad/min. A six-axis robot was used to manipulate the cladding torch with a speed of 120 mm/min, while the cladding distance was kept at 12 mm from the torch exit to the substrate. The cladding current was 65 A.
Table 3.
Parameters of PTA process.
2.3. Characterization
The microstructure of the powders and coatings was examined using a VEGA II-XMU scanning electron microscopy system from TESCAN Co., Ltd., Brno, Czech Republic. Using Cu Kα radiation, X-ray diffraction (XRD-D8, Bruker, Billerica, MA, USA) was used to examine the phases of the powders and coatings. A Vickers microhardness tester (HV-5, Taiming, Shanghai, China) was used to measure the microhardness of the FeAlC-x(WC-Co) coatings. The tester was loaded with 200 g for 30 s. A pin-on-disk tribometer (HT-1000, Lanzhou Zhongke Kai-hua Technology Development Co., Lanzhou, China) was used to evaluate wear properties. Coatings were deposited on compacted graphite cast iron with a size of φ 30 mm × 3 mm. The counter grinding pin was made of GCr15. The test was run using a 500 g weight and a 150 rpm ring rotation speed, and the sliding wear time was 30 min. The worn surfaces of the coatings were characterized by SEM. An electrical balance (Changzhou Xingyun Electronic Equipment Co., Ltd., Changzhou, China) with an accuracy of 0.1 mg was used to characterize the wear mass loss.
3. Results and Discussion
3.1. Microstructure of FeAlC-x(WC-Co) Coatings
Figure 5 shows the microstructure of the FeAlC-10%(WC-12Co) coating. The overall coating’s thickness was about 4.63 mm due to the high cladding efficiency of PTA. Graphite precipitates uniformly in the top and middle portions of the cladding. Unmelted WC particles were distributed at the bottom of the coating due to their density being higher than that of the other elements and phases. The cellular morphology showed in the top and middle parts of the cladding layer and the planar morphology appeared at the coating’s bottom.
Figure 5.
Cross-sectional microstructure of FeAlC-10%(WC-12Co) coating. (a) cross-sectional microstructure of FeAlC-10%(WC-12Co) coating zone, (b) magnification of position A, (c) magnification of position B, (d) magnification of position C, the point 1, point 2 were the bright white and grey in reticulated carbide, respectively and point 3 was the black graphite, (e) magnification of position D, point 4 was the bright white WC particle and point 5 was the substrate for coating.
According to the theory of rapid solidification, the main factors of crystal growth morphology during the solidification of molten alloys after plasma cladding are the temperature gradient at the solid–liquid interface (G) and the solidification rate (R) [27]. When the plasma transfer arc interacted with the feedstocks, the temperature gradient G at the bottom of the melt pool is the largest and the solidification rate R is the smallest. Moreover, the molten powder transfers some of the heat to the contact surfaces of the substrate, melting it and resulting in a metallurgical bond. As a result, the G/R ratio is almost infinite, which leads to planar growth at the bottom of the composite coating. Meanwhile, due to the heat conduction of the cast iron matrix, the WC particles did not gain enough energy to melt, so they were deposited on the bottom of the coating. Compared to Zhou’s work [28], as the distance to the upper surface of the substrate increases, the temperature gradient G decreases and the solidification rate R increases., leading to a decrease in G/R, which would result in the growth of columnar dendrites in the coating, while in the FeAlC-x(WC-Co) coatings, cellular morphology was formed because the graphite precipitated during solidification, which dissipated great heat in all directions. Figure 5b,c show the magnified microstructure of the middle part and bottom part. The white carbide precipitated at the graphite interface and formed a network surrounding the graphite. The carbide would be helpful to the rigidity and wear resistance of the coating. Figure 5d,e show the further-magnified microstructure of the carbides in Figure 5b,c. Table 4 shows the chemical composition of the coatings through point analysis of the elements. Point 1, the white phase, contained large amounts of W and Fe and a small amount of C. Due to a low free formation enthalpy of 38.5 kJ/mol [29], WC particles dissolve readily in molten iron-based alloys. Babu et al. used ThermoCalc software to estimate the complete dissolution time of tungsten carbide in iron-based alloy solvents during laser cladding to be approximately 0.055 s [30]. As a result, C and W atoms from the dissolution of WC particles can interact with iron-based alloys to form Fe-W-C rich carbides. Point 2 is a gray phase containing Fe, W, C, Mn and Cr. It was the primary carbide as the basement to precipitate Fe-W-C rich carbides. Point 3, the dark phase, contained 86.42 wt.% carbon, which is referred to as graphite. Point 4 contained mainly W, Fe and C, which is mainly referred to as the WC phase. Point 5 contained Fe, Al, C and Si, which were the main components of the original FeAlC powders, although there was an obvious decrease in aluminum content.
Table 4.
EDS analysis of the FeAlC-10%(WC-12Co) coating.
Figure 6 shows the cross-sectional microstructure of the FeAlC-20%(WC-12Co) and FeAlC-25%(WC-12Co) coatings. The coating thickness was about 4.276 and 4.259 mm, respectively. The coating thickness did not change significantly with the increase in the added amount of WC-Co in the same plasma cladding parameters. Figure 6b shows a magnification of position A and Figure 6e shows a magnification of position C. They have a similar microstructure. The precipitated carbides in the coating formed a network interconnected with each other, distributed in the graphite phase gap. Figure 6c shows a magnification of position B and Figure 6f shows a magnification of position D. This area was the WC particle deposition area. For 20% WC addition, the thickness of the cladding with WC deposited at the bottom of the coating was about 0.625 mm. When the WC content was increased to 25%, the thickness of the cladding with the WC deposited layer reached 1.374 mm. Large amounts of WC particles sank down to the bottom of the coating, creating the high density of WC in the molten pool during the plasma cladding.
Figure 6.
Cross-sectional microstructure of FeAlC-20%(WC-12Co) and FeAlC-25%(WC-12Co) coatings: (a) cross-sectional microstructure of FeAlC-20%(WC-12Co) coating zone, (b) magnification of position A, (c) magnification of position B, (d) cross-sectional microstructure of FeAlC-25% (WC-12Co) coating zone, (e) magnification of position C, (f) magnification of position D.
The addition of WC particles to the density of the iron-based alloy coating had two main aspects. One was that the formation of the carbide phase Fe3W3C influenced the density of the iron-based coating. The other was that the unmelted WC particles were deposited at the bottom of the coating, which led to the high density at the bottom of the coating. When the addition of WC-12Co was 20 wt.%, the bottom thickness of the WC deposited layer was 0.625 mm. When the amount of WC-12Co was increased to 25%, the thickness of the WC deposited layer was 1.374 mm. The thickness of the WC deposited layer is shown in Table 5. It can be seen that the 5% increase in the WC addition doubles the thickness of the unfused WC layer. Therefore, it was important to increase the density of the bottom layer of the coating. Using image processing technology, the static volumes of the WC-12Co particles at the bottom in the coatings were found to be 4.9%, 9.1%, 14.6% and 32.2%, respectively. According to the theoretical density of the composites, the calculated densities of the composites of coatings with WC-12Co at the bottom were about 7.613, 7.976, 8.576, and 10.335 g/cm3. The addition of WC-Co particles improved the coatings’ density greatly, especially at the coatings’ bottom near the substrate.
Table 5.
Thickness, volume and density of WC deposited layer.
As shown in Figure 7, showing the coating’s top surface morphology, the grains in the coating showed cellular crystalline growth during the cooling process, and carbides with a reticulated connected structure were precipitated at the interface. During plasma cladding, the melted WC particles dissolved in the molten pool while reacting with other elements. From the elemental EDS spectra in Figure 7, it can be seen that the white regions correspond to the W, C and Fe-rich regions, which is referred to as the Fe3W3C phase.
Figure 7.
Top surface sectional microstructure of FeAlC-20(WC-Co) coating with EDS mapping.
Figure 8 shows the cross-sectional microstructure of the FeAlC-20(WC-Co) coating with EDS mapping. The element distribution was basically the same, while the precipitated carbide’s morphology was obviously different to the coating surface zone. This was mainly due to the solidification process along the direction of the temperature gradient growth of grains, so the cross-section carbide presented a discontinuous mesh structure.
Figure 8.
Cross-sectional microstructure of FeAlC-20(WC-Co) coating with EDS mapping.
3.2. Phase Compositions
Figure 9 shows the X-ray diffraction patterns of the original iron-based powder and WC-12Co powder. Besides the iron carbon solid solution, there were C0.12Fe0.79Si0.09 and AlFe3C0.69 phases in the iron-based powder. There were WC and Co phases in the WC-12Co powder.
Figure 9.
XRD patterns of powders: (a) iron-based powder, (b) WC-12Co powder.
Figure 10 shows the X-ray diffraction patterns of the coatings’ top layer and bottom layer. Austenite, martensite and WC were the main phases in both types of cladding due to the iron-based composition and the addition of WC-12Co. Meanwhile, Fe3W3C was formed in the coatings. During the melting of the mixed FeAlC-x(WC-Co) powders, Fe3W3C formed around the WC particles. In the Fe-W-C system, 3Fe+3W+C→Fe3W3C had the lowest value of formation energy [31]. Therefore, a partial Fe3W3C phase was formed in the coating during the cladding process.
Figure 10.
XRD patterns of the coatings: (a) the top and middle layer, (b) the bottom layer.
In Alireza Mostajeran’s work [32], FeAl/WC composite coatings produced by laser cladding contained FeAl, W2C, Fe3W3C and WC phases. The presence of a W2C phase reflected the decarburization of WC during the laser cladding. Meanwhile, parts of the dissolved carbon were oxidized and departed from the melt in the form of CO and CO2 gases, which tended to form pores inside the coating. However, in this work, W2C was not detected. The precipitated graphite with the high capacity of heat transmission formed the Fe-rich carbides, which would inhibit the decarburization of WC.
3.3. Microhardness
Figure 11 shows the microhardness of the FeAlC-x(WC-Co) composite coatings. The microhardness of the FeAlC-x(WC-Co) composite coatings decreased with the increase in the WC-12Co addition. Figure 11a shows the variation of the coatings’ hardness from the top of the coatings to the substrate. The hardness of the bottom was higher than the middle part of the coatings because of the presence of the WC deposition zone at the bottom. This was related to the sink phenomenon of WC particles. There were high volumes of WC particles at the bottom, which led to high hardness in the bottom region of the coatings. Figure 11b shows the average hardness inside the coatings. The FeAlC-x(WC-Co) composite coatings had the highest hardness of 814HV with the addition of 25 wt.% WC-12Co. Zhang et al. [33] prepared Ni-Cu/WC-12Co composite coatings with 0–30 wt.% WC-12Co by laser cladding. When the WC content was 0%, 10%, 20% and 30%, the microhardness of the coatings was 315, 318, 325 and 380 HV, respectively. The microhardness of the coatings increased as the ratio of WC-12Co increased. However, as compared to the larger heat input characteristics of the plasma cladding technology in this work, the laser cladding technique in Zhang’s work [33] had a relatively low heat input, and the WC particles did not melt completely and formed carbides. Therefore, the microhardness of the coating did not significantly increase.
Figure 11.
Microhardness of FeAlC/WC-Co composite coatings: (a) microhardness from top of the coatings to the substrate (b) average microhardness of coatings.
In this plasma cladding, precipitated carbides distributed around the graphite and formed a network that would increase the coatings’ hardness. The content of WC-Co powder in the FeAlC-x(WC-Co) composite coatings was controlled to a certain content, which was not very high. Otherwise, cracks would occur during the preparation of the coatings through plasma cladding, which would finally result in the coatings' early failure and affect the machine parts’ normal use and service life.
3.4. Tribological Properties
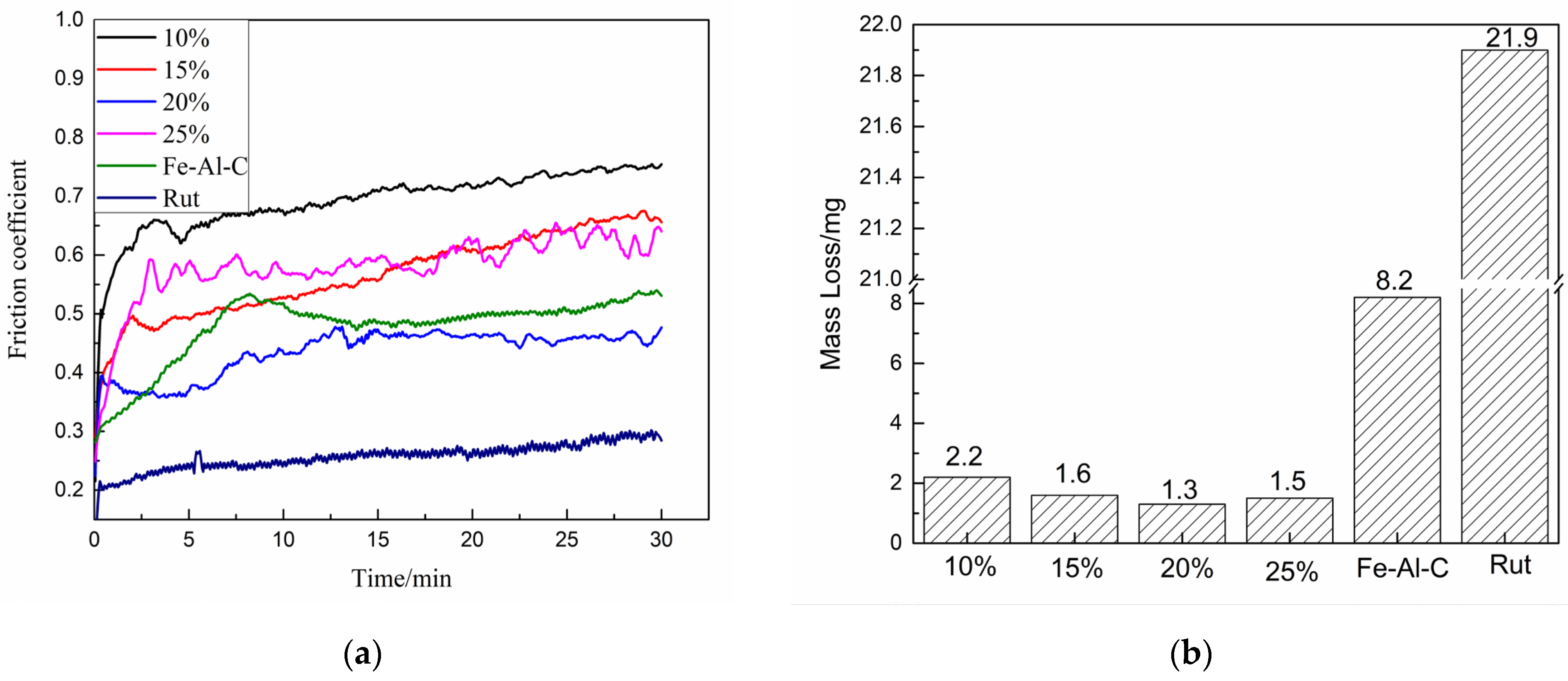
Figure 12a shows the frictional coefficients of the compacted graphite iron substrate, the FeAlC coating and the FeAlC-x(WC-Co) composite coatings. The composite coating had the lowest frictional coefficient of about 0.5 when the content of WC-12Co powder was 20%. The frictional coefficient of the FeAlC-x(WC-Co) coatings did not increase with the increase in WC-12Co content. The FeAlC-10%(WC-12Co) coating had the highest frictional coefficient of about 0.75. Graphite precipitated in the composite coatings, which would have significant antifriction effects as a solid lubricant. In our previous work [9], under the same wear conditions, the frictional coefficient of the compacted graphite iron substrate was about 0.25, but the mass loss reached 21.9 mg.
Figure 12.
Friction coefficient (a) and wear mass loss (b) of FeAlC-x(WC-Co) coatings.
However, the FeAlC-20%(WC-12Co) composite coating had the lowest wear mass loss of 1.3 mg. Peng et al. [34] investigated the wear resistance of the FeCoCrNi/WC coating. The coefficients of friction of the coatings were 0.69, 0.45, 0.42 and 0.35 for 20%, 40%, 60% and 70% WC, respectively, which showed that the coefficients of friction of the coatings tended to decrease with the increase in WC content, which indicated that the hardness of the WC particles, the good abrasion resistance and the low plastic deformation ability inhibited the increase in the coefficient of friction, while in this work, as a comparison, the FeAlC-20%(WC-12Co) composite coating had a mass loss 6.3 times and 16.8 times lower than the FeAlC coating and compacted graphite cast iron. Therefore, FeAlC-20%(WC-12Co) had the lowest frictional coefficient and the lowest wear mass loss. FeAlC-x(WC-Co) composite coatings could simultaneously reduce the frictional coefficient and display excellent wear resistance, which would extend the lifespan of compacted graphite cast iron components significantly and finally enable the good durability and reliability of engine parts.
3.5. Worn Surface and Wear Mechanisms
The worn surface morphologies of the FeAlC-x(WC-Co) coatings are shown in Figure 13. In the worn surface of the FeAlC-x(WC-12Co) composite coating, there were obvious adhesion wear characteristics besides a large number of grooves, which reflected that the wear mechanism comprised a combination of adhesive wear and abrasive wear. Therefore, it would correspond to a relatively high frictional coefficient.
Figure 13.
Worn surface morphology of FeAlC-x(WC-Co) coatings: (a) 10%, (b) 15%, (c) 20%, (d) 25%, (e) GCr15 Pin, (f) EDS analysis position of FeAlC-20(WC-Co) coating, point 1 was the bright white carbide, point 2 was the wear debris and point 3 was the substrate for coating.
When the added WC-12Co increased to 15%, the adhesion of the coating’s worn surface began to decrease. In the wear test of the GCr15 pin with the FeAlC-15%(WC-12Co) coating, the particles that detached from the coating tore the carbide and the martensite adhered to the bonded phase, producing a large deformation, which became the main wear mechanism. At the same time, WC particles are harder than martensite and the drawn WC particles become abrasive [9] and plowed into the martensite to form plowing in the surface of GCr15 pin, as seen in Figure 13e. Figure 13f shows the surface morphology of the FeAlC-20%(WC-12Co) coating. The precipitated white carbide acted as a wear-resistant skeleton embedded in the coating, which could improve the wear resistance of the coating. The FeAlC-20%(WC-12Co) coating’s worn surface showed light adhesive wear. Table 6 shows the EDS analysis results for the FeAlC-20%(WC-12Co) coating’s worn surface. It contained 34.16 wt.% carbon at point 2, which is referred to as graphite. Hence, the FeAlC-20%(WC-12Co) coating had the lowest frictional coefficient. Meanwhile, white carbides, containing Fe, C and W elements, were mainly found at point 1 and formed an anti-wear framework that could have the effect of reducing the wear mass loss. There were spalling pits accompanied by adhesive wear characteristics on the wear surface of FeAlC-25%(WC-12Co) coating, which suggest it experienced more serious wear than the other coatings. Therefore, in terms of comprehensive evaluation, the FeAlC-20%(WC-12Co) coating had the best wear resistance with the lowest frictional coefficient and the lowest wear mass loss.
Table 6.
EDS analysis of FeAlC-20%(WC-12Co) coating after wear test.
4. Conclusions
FeAlC-x(WC-Co) composite coatings were deposited onto dense graphite cast iron by plasma transfer arc melting. The composite coatings mainly contain γ-Fe, α-Fe, WC and Fe3W3C phases. The FeAlC-x(WC-Co) composite coating showed the lowest wear mass loss of 1.3 mg, the greatest hardness of 814 HV0.2 and the lowest coefficient of 0.5 at an addition of 20 wt.% of WC-12Co. Its wear resistance was 6.3 times and 16.8 times greater than the FeAlC coating and the compacted graphite cast iron. It mainly exhibited abrasive and adhesive wear. FeAlC-x(WC-Co) composite coatings could simultaneously reduce friction and have excellent wear resistance, which would extend the lifespan of compacted graphite cast iron components significantly.
Author Contributions
Conceptualization, P.G., B.C.; methodology, P.G., B.C., Z.Y., Y.G. and D.Z.; software, P.G., B.C. and Q.L.; validation, P.G., B.C., D.Z. and A.N.; formal analysis, P.G., B.C. and Z.Y.; investigation P.G., B.C., B.Z., F.L., Q.L., Y.G., D.Z., B.W., J.G. and J.L. (Jiawei Liu); data curation, Z.Y.; writing—original draft preparation, B.C.; writing—review and editing, P.G.; project administration, J.L. (Jianping Li); funding acquisition, P.G and J.L. (Jianping Li). All authors have read and agreed to the published version of the manuscript.
Funding
This work was funded by the National Natural Science Foundation of China (51771140), Foreign Experts Program of the Ministry of Science and Technology (G2022040016L), The Youth Innovation Team of Shaanxi Universities: Metal Corrosion Protection and Surface Engineering Technology, Research and application of key component materials for engines, Shaanxi Provincial Natural Science Foundation (2023-JC-YB-380), Shaanxi Provincial Key Research and Development Project (2019ZDLGY05-09), Xi’an Science and Technology Plan Project (23LLRHZDZX0019).
Institutional Review Board Statement
Not applicable.
Informed Consent Statement
Not applicable.
Data Availability Statement
Data are contained within the article.
Conflicts of Interest
Authors Baolong Wu, Jinyuan Gong, and Jiawei Liu was employed by the company Shaanxi North Dynamic Co., Ltd. The remaining authors declare that the research was conducted in the absence of any commercial or financial relationships that could be construed as a potential conflict of interest.
References
- Hosdez, J.; Limodin, N.; Najjar, D.; Witz, J.-F.; Charkaluk, E.; Osmond, P.; Forré, A.; Szmytka, F. Fatigue crack growth in compacted and spheroidal graphite cast irons. Int. J. Fatigue 2020, 131, 105319. [Google Scholar] [CrossRef]
- Mariani, F.E.; Takeya, G.S.; Lombardi, A.N.; Picone, C.A.; Casteletti, L.C. Wear and corrosion resistance of Nb-V carbide layers produced in vermicular cast iron using TRD treatments. Surf. Coat. Technol. 2020, 397, 126050. [Google Scholar] [CrossRef]
- Lin, Y.; He, S.; Lai, D.; Wei, J.; Ji, Q.; Huang, J.; Pan, M. Wear Mechanism and Tool Life Prediction of High-Strength Vermicular Graphite Cast Iron Tools for High-Efficiency Cutting. Wear 2020, 454–455, 203319. [Google Scholar] [CrossRef]
- Zafar, S.; Sharma, A.K. Development and characterisations of WC-12Co microwave clad. Mater. Charact. 2014, 96, 241–248. [Google Scholar] [CrossRef]
- Zhou, H.; Guo, Q.-C.; Lin, P.-Y.; Zhang, W.; Zhang, X.-L.; Ren, L.-Q. Influence of H13 steel unit on wear behavior of vermicular cast iron. Appl. Surf. Sci. 2008, 255, 3394–3399. [Google Scholar] [CrossRef]
- Gao, P.; Chen, B.; Zeng, S.; Yang, Z.; Guo, Y.; Liang, M.; Xu, T.; Li, J. Effect of Vacuum Annealing on the Nickel-Based Coatings Deposited on a CGI Cast Iron through Atmospheric Plasma Spraying. Metals 2020, 10, 963–974. [Google Scholar] [CrossRef]
- Wang, H.; Qiu, Q.; Gee, M.; Hou, C.; Liu, X.; Song, X. Wear Resistance Enhancement of HVOF-Sprayed WC-Co Coating by Complete Densification of Starting Powder. Mater. Des. 2020, 191, 108586. [Google Scholar] [CrossRef]
- Iqbal, A.; Siddique, S.; Maqsood, M.; Atiq Ur Rehman, M.; Yasir, M. Comparative Analysis on the Structure and Properties of Iron-Based Amorphous Coating Sprayed with the Thermal Spraying Techniques. Coatings 2020, 10, 1006. [Google Scholar] [CrossRef]
- Gao, P.-H.; Chen, B.-Y.; Wang, W.; Jia, H.; Li, J.-P.; Yang, Z.; Guo, Y.-C. Simultaneous increase of friction coefficient and wear resistance through HVOF sprayed WC-(nano WC-Co). Surf. Coat. Technol. 2019, 363, 379–389. [Google Scholar] [CrossRef]
- Chen, B.; Gao, P.; Zhang, B.; Zhao, D.; Wang, W.; Jin, C.; Yang, Z.; Guo, Y.; Liang, M.; Li, J.; et al. Wear Properties of Iron-Based Alloy Coatings Prepared by Plasma Transfer Arc Cladding. Coatings 2022, 12, 243. [Google Scholar] [CrossRef]
- Yuan, W.; Li, R.; Chen, Z.; Gu, J.; Tian, Y. A comparative study on microstructure and properties of traditional laser cladding and high-speed laser cladding of Ni45 alloy coatings. Surf. Coat. Technol. 2021, 405, 126582. [Google Scholar] [CrossRef]
- Bartkowski, D.; Młynarczak, A.; Piasecki, A.; Dudziak, B.; Gościański, M.; Bartkowska, A. Microstructure, microhardness and corrosion resistance of Stellite-6 coatings reinforced with WC particles using laser cladding. Opt. Laser Technol. 2015, 68, 191–201. [Google Scholar] [CrossRef]
- Huang, L.; Zhou, J.; Xu, J.; Huo, K.; He, W.; Meng, X.; Huang, S. Microstructure and wear resistance of electromagnetic field assisted multi-layer laser clad Fe901 coating. Surf. Coat. Technol. 2020, 395, 125876. [Google Scholar] [CrossRef]
- Li, M.; Li, C.; Li, B.; Zhou, Y.; Huang, L.; Cai, A.; Cui, C.; Gao, S.; Zhang, G.; Yang, B. Comparison of Fe30Co20Cr20Ni20Mo3.5 High Entropy Alloy Coatings Prepared Using Plasma Cladding, High-Speed Laser Cladding, and Deep Laser Cladding. Coatings 2023, 13, 1819. [Google Scholar] [CrossRef]
- Xie, G.Z.; Song, X.L.; Zhang, D.J.; Wang, Y.P.; Lin, P.H. Microstructure and Corrosion Properties of Thick WC Composite Coating Formed by Plasma Cladding. Appl. Surf. Sci. 2010, 256, 6354–6358. [Google Scholar]
- Zhang, L.; Sun, D.; Yu, H.; Li, H. Characteristics of Fe-based alloy coating produced by plasma cladding process. Mater. Sci. Eng. A 2007, 457, 319–324. [Google Scholar] [CrossRef]
- Gao, P.-H.; Fu, R.-T.; Chen, B.-Y.; Zeng, S.-C.; Zhang, B.; Yang, Z.; Guo, Y.-C.; Liang, M.-X.; Li, J.-P.; Lu, Y.-Q.; et al. Corrosion Resistance of CoCrFeNiMn High Entropy Alloy Coating Prepared through Plasma Transfer Arc Claddings. Metals 2021, 11, 1876. [Google Scholar] [CrossRef]
- Cheng, J.B.; Xu, B.S.; Liang, X.B.; Wu, Y.X. Microstructure and Mechanical Characteristics of Iron-Based Coating Prepared by Plasma Transferred Arc Cladding Process. Mater. Sci. Eng. A. 2008, 492, 407–412. [Google Scholar] [CrossRef]
- Diao, Y.; Zhang, K. Microstructure and corrosion resistance of TC2 Ti alloy by laser cladding with Ti/TiC/TiB2 powders. Appl. Surf. Sci. 2015, 352, 163–168. [Google Scholar] [CrossRef]
- Zhou, S.; Dai, X. Laser induction hybrid rapid cladding of WC particles reinforced NiCrBSi composite coatings. Appl. Surf. Sci. 2010, 256, 4708–4714. [Google Scholar] [CrossRef]
- Peng, Y.; Zhang, W.; Li, T.; Zhang, M.; Liu, B.; Liu, Y.; Wang, L.; Hu, S. Effect of WC content on microstructures and mechanical properties of FeCoCrNi high-entropy alloy/WC composite coatings by plasma cladding. Surf. Coat. Technol. 2020, 385, 125326. [Google Scholar] [CrossRef]
- Shi, K.Y.; Hu, S.B.; Zheng, H.F. Microstructure and fatigue properties of plasma transferred arc alloying TiC-W-Cr on gray cast iron. Surf. Coat. Technol. 2011, 206, 1211–1217. [Google Scholar] [CrossRef]
- Liu, Y.; Wu, Y.; Ma, Y.; Gao, W.; Yang, G.; Fu, H.; Xi, N.; Chen, H. High temperature wear performance of laser cladding Co06 coating on high-speed train brake disc. Appl. Surf. Sci. 2019, 481, 761–766. [Google Scholar] [CrossRef]
- Li, Y.; Dong, S.; Yan, S.; Liu, X.; He, P.; Xu, B. Microstructure evolution during laser cladding Fe-Cr alloy coatings on ductile cast iron. Opt. Laser Technol. 2018, 108, 255–264. [Google Scholar] [CrossRef]
- Xiao, Q.; Sun, W.L.; Yang, K.X.; Xing, X.F.; Chen, Z.H.; Zhou, H.N.; Lu, J. Wear mechanisms and micro-evaluation on WC particles investigation of WC-Fe composite coatings fabricated by laser cladding. Surf. Coat. Technol. 2021, 420, 127341. [Google Scholar] [CrossRef]
- Bartkowski, D.; Bartkowska, A.; Jurči, P. Laser cladding process of Fe/WC metal matrix composite coatings on low carbon steel using Yb: YAG disk laser. Opt. Laser Technol. 2021, 136, 106784. [Google Scholar] [CrossRef]
- Wang, Q.-Y.; Xi, Y.-C.; Zhao, Y.-H.; Liu, S.; Bai, S.-L.; Liu, Z.-D. Effects of laser re-melting and annealing on microstructure, mechanical property and corrosion resistance of Fe-based amorphous/crystalline composite coating. Mater. Charact. 2017, 127, 239–247. [Google Scholar] [CrossRef]
- Zhou, S.; Xu, Y.; Liao, B.; Sun, Y.; Dai, X.; Yang, J.; Li, Z. Effect of laser remelting on microstructure and properties of WC reinforced Fe-based amorphous composite coatings by laser cladding. Opt. Laser. Technol. 2018, 103, 8–16. [Google Scholar] [CrossRef]
- Paul, C.P.; Alemohammad, H.; Toyserkani, E.; Khajepour, A.; Corbin, S. Cladding of WC-12Co on low carbon steel using a pulsed Nd:YAG laser. Mater. Sci. Eng. A. 2007, 464, 170–176. [Google Scholar] [CrossRef]
- Babu, S.S.; David, S.A.; Martukanitz, R.P.; Parks, K.D. Toward prediction of microstructural evolution during laser surface alloying. Metall. Mater. Trans. A 2002, 33, 1189–1200. [Google Scholar] [CrossRef]
- Li, Z.; Wei, H.; Shan, Q.; Jiang, Y.; Zhou, R.; Feng, J. Formation mechanism and stability of the phase in the interface of tungsten carbide particles reinforced iron matrix composites: First principles calculations and experiments. J. Mater. Res. 2016, 31, 2376–2383. [Google Scholar] [CrossRef]
- Mostajeran, A.; Shoja-Razavi, R.; Hadi, M.; Erfanmanesh, M.; Barekat, M.; Firouzabadi, M.S. Evaluation of mechanical properties of WC-FeAl composite coating fabricated by laser cladding method. Int. J. Refract. Met. Hard Mater. 2020, 88, 105199. [Google Scholar] [CrossRef]
- Zhang, J.; Lei, J.; Gu, Z.; Tantai, F.; Tian, H.; Han, J.; Fang, Y. Effect of WC-12Co content on wear and electrochemical corrosion properties of Ni-Cu/WC-12Co composite coatings deposited by laser cladding. Surf. Coat. Technol. 2020, 393, 125807. [Google Scholar] [CrossRef]
- Peng, Y.B.; Zhang, W.; Li, T.C.; Zhang, M.Y.; Wang, L.; Song, Y.; Hu, S.H.; Hu, Y. Microstructures and mechanical properties of FeCoCrNi high entropy alloy/WC reinforcing particles composite coatings prepared by laser cladding and plasma cladding. Int. J. Refract. Met. Hard Mater. 2019, 84, 105144. [Google Scholar] [CrossRef]
Disclaimer/Publisher’s Note: The statements, opinions and data contained in all publications are solely those of the individual author(s) and contributor(s) and not of MDPI and/or the editor(s). MDPI and/or the editor(s) disclaim responsibility for any injury to people or property resulting from any ideas, methods, instructions or products referred to in the content. |
© 2024 by the authors. Licensee MDPI, Basel, Switzerland. This article is an open access article distributed under the terms and conditions of the Creative Commons Attribution (CC BY) license (https://creativecommons.org/licenses/by/4.0/).












