Supercapacitor Assisted Hybrid PV System for Efficient Solar Energy Harnessing
Abstract
:1. Introduction
2. Supercapacitor Assisted Loss Circumvention Theory
3. Development of the Proposed PV System Extending the Supercapacitor Assisted Loss Circumvention Theory
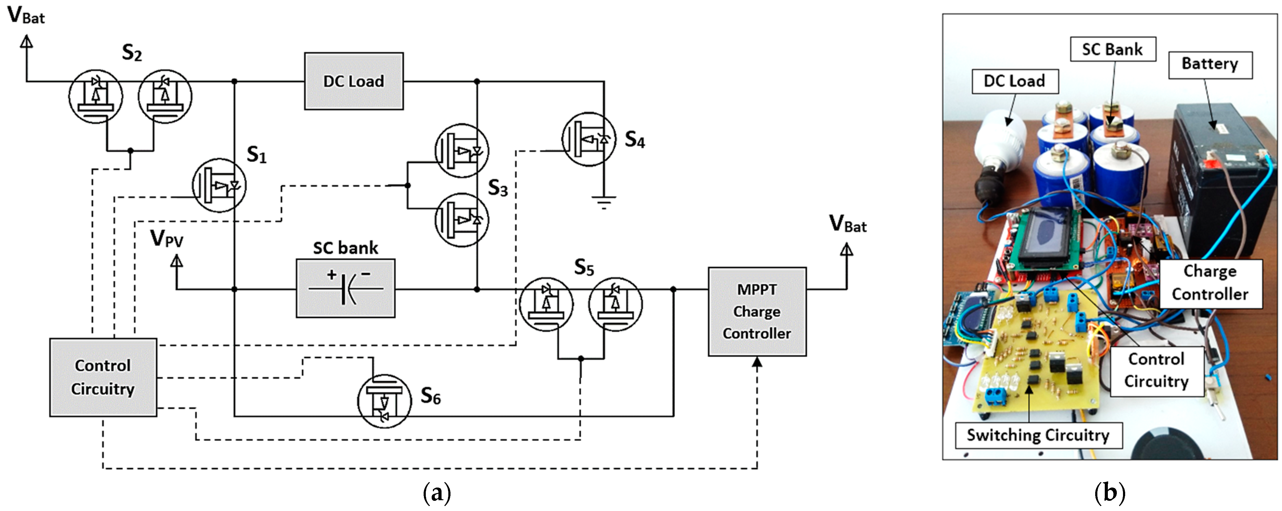
3.1. Mode I: Neutral
3.2. Mode II: SC Charge Recovery
3.3. Mode III: SC Bypass
4. Theoretical Investigation of MPPT for the Proposed System
4.1. MPPT Using Switch Mode DC-DC Converter
4.2. MPPT of the Proposed System
4.2.1. Neutral Mode of the System
4.2.2. SC Charge Recovery Mode of the System
5. Development and Performance Analysis of a Prototype of the Proposed System
5.1. Simulation of Impedance Matching of the Prototype
5.2. Performance Analysis of the Prototype
5.2.1. Neutral Mode
5.2.2. SC Charge Recovery Mode
5.2.3. SC Bypass Mode
6. Conclusions
7. Patents
Author Contributions
Funding
Acknowledgments
Conflicts of Interest
References
- Guangzhou ZIC International Co., Ltd. Global PV Market Outlook 2019~2023. Available online: http://www.saroda.net/Index.php/News/company-161.html (accessed on 18 February 2020).
- Let’s Take Stock of Photovoltaics: Data and State of the Art. Available online: https://www.qualenergia.it/articoli/20170728-facciamo-il-punto-sul-fotovoltaico-dati-e-stato-dellarte/ (accessed on 18 February 2020).
- Mahmood, H.; Michaelson, D.; Jiang, J. Decentralized Power Management of a PV/Battery Hybrid Unit in a Droop-Controlled Islanded Microgrid. IEEE Trans. Power Electron. 2015, 30, 7215–7229. [Google Scholar] [CrossRef]
- Rosini, A.; Mestriner, D.; Labella, A.; Bonfiglio, A.; Procopio, R. A decentralized approach for frequency and voltage regulation in islanded PV-Storage microgrids. Electr. Power Syst. Res. 2021, 193, 106974. [Google Scholar] [CrossRef]
- Wu, D.; Tang, F.; Dragicevic, T.; Vasquez, J.C.; Guerrero, J.M. Autonomous Active Power Control for Islanded AC Microgrids with Photovoltaic Generation and Energy Storage System. IEEE Trans. Energy Convers. 2014, 29, 882–892. [Google Scholar] [CrossRef] [Green Version]
- Faranda, R.; Leva, S. A Comparative Study of MPPT Techniques for PV Systems. In Proceedings of the 7th WSEAS International Conference on Application of Electrical Engineering, Trondheim, Norway, 2–4 July 2008; pp. 100–105. [Google Scholar]
- Babaa, S.E.; Armstrong, M.; Pickert, V. Overview of Maximum Power Point Tracking Control Methods for PV Systems. J. Power Energy Eng. 2014, 2, 59–72. [Google Scholar] [CrossRef] [Green Version]
- Kumar, R.; Choudhary, A.; Koundal, G.; Singh, A.; Yadav, A. Modelling/Simulation of MPPT Techniques for Photovoltaic Systems Using Matlab. Int. J. Adv. Res. Comput. Sci. Softw. Eng. 2017, 7, 178–187. [Google Scholar] [CrossRef]
- Esram, T.; Chapman, P.L. Comparison of photovoltaic array maximum power point tracking techniques. IEEE Trans. Energy Convers. 2007, 22, 439–449. [Google Scholar] [CrossRef] [Green Version]
- de Brito, M.A.G.; Galotto, L.; Sampaio, L.P.; de Azevedo e Melo, G.; Canesin, C.A. Evaluation of the main MPPT techniques for photovoltaic applications. IEEE Trans. Ind. Electron. 2013, 60, 1156–1167. [Google Scholar] [CrossRef]
- Chowdhurt, S.A.; Mourshed, M. Off-grid electrification with solar home systems: An appraisal of the quality of components. Renew. Energy 2016, 97, 585–598. [Google Scholar] [CrossRef] [Green Version]
- Rezk, H.; Eltamaly, A.M. A comprehensive comparison of different MPPT techniques for photovoltaic systems. Sol. Energy 2015, 112, 1–11. [Google Scholar] [CrossRef]
- Rokonuzzaman, M.; Shakeri, M.; Hamid, F.A.; Mishu, M.K.; Pasupuleti, J.; Rahman, K.S.; Tiong, S.K.; Amin, N. IoT-Enepled High Efficiency Smart Solar Charge Controller with Maximum Power Point Tracking-Design, Hardware Implementation and Performance Testing. Electronics 2020, 9, 1267. [Google Scholar] [CrossRef]
- Kularatna, N.; Milani, K.; Round, W.H. Supercapacitor energy storage in solar application: A design approach to minimize a fundamental loss issue by partitioning the load and the storage device. In Proceedings of the IEEE 24th International Symposium on Industrial Electronics (ISIE), Buzios, Brazil, 3–5 June 2015; pp. 1308–1312. [Google Scholar]
- Kularatna, N. Energy Storage Devices for Electronic Systems; Elsevier: Amsterdam, The Netherlands, 2015. [Google Scholar]
- Galvin, M.E.; Hurley, W.G. Optimization of photovoltaic battery ultracapacitor hybrid energy storage systems. Sol. Energy 2012, 86, 3009–3020. [Google Scholar] [CrossRef]
- Fahad, A.; Soyata, T.; Wang, T.; Sharma, G.; Heizelman, W.; Shen, K. SOLARCAP: Supercapacitor buffering of solar energy for self-sustainable field systems. In Proceedings of the IEEE International SOC Conference, Niagara Falls, NY, USA, 12–14 September 2012; pp. 236–241. [Google Scholar]
- Kollimalla, K.; Mishra, M.K.; Narasamma, N.L. Design and analysis of novel control strategy for battery and supercapacitor storage system. IEEE Trans. Sustain. Energy 2014, 5, 1137–1144. [Google Scholar] [CrossRef]
- Glavin, M.E.; Chan, P.K.W.; Armstrong, S.; Hurley, W.G. A standalone photovoltaic supercapacitor battery hybrid energy storage system. In Proceedings of the 13th International Power Electronics and Motion Control Conference, Poznan, Poland, 1–3 September 2008; pp. 1688–1695. [Google Scholar]
- Jayananda, D.; Kularatna, N. Supercapacitor Assisted LED (SCALED) technique for renewable energy systems: A low-frequency design approach with short-term DC-UPS capability eliminating battery banks. IET Renew. Power Gener. J. 2020, 14, 1559–1570. [Google Scholar] [CrossRef]
- Kularatna, N.; Jayananda, D. Supercapacitor Based Long Time Constant Circuits. IEEE Ind. Electron. Mag. 2020, 14, 40–56. [Google Scholar] [CrossRef]
- Jayananda, D.; Kularatna, N.; Alistair Steyn-Ross, D. Design approach for Supercapacitor Assisted LED lighting (SCALED) technique for DC-microgrids. In Proceedings of the IEEE International Conference on Industrial Electronics for Sustainable Energy Systems (IESES), Hamilton, New Zealand, 31 January–2 February 2018; pp. 27–31. [Google Scholar]
- Aruayarathna, T.; Jayananda, D.; Kularatna, N.; Alistair Steyn-Ross, D. Potential of supercapacitors in novel power converters as semi-ideal lossless voltage droppers. In Proceedings of the 43rd Annual Conference of the IEEE Industrial Electronics Society, Beijing, China, 29 October–1 November 2017; pp. 1429–1434. [Google Scholar]
- Piyumal, P.L.A.K.; Ranaweera, A.L.A.K.; Kalingamudali, S.R.D.; Kularatna, N. Improving the Energy Storage of Standalone PV Systems while Enhancing the Charging Efficiency using Supercapacitors. In Proceedings of the 20th IEEE International Conference on Industrial Technology (ICIT), Melbourne, Australia, 13–15 February 2019; pp. 486–490. [Google Scholar]
- Gunawardane, K.; Kularatna, N. Supercapacitor-assisted low dropout regulator technique: A new design approach to achieve high-efficiency liner DC-DC converters. IET Power Electron. J. 2018, 11, 229–238. [Google Scholar] [CrossRef]
- Fernando, J.; Kularatna, N.; Round, H.; Talele, S. Implementation of the supercapacitor-assisted surge absorber (SCASA) technique in a partial surge protector. In Proceedings of the 40th Annual Conference of the IEEE Industrial Electronics Society (IECON), Dallas, TX, USA, 29 October–1 November 2014; pp. 5191–5195. [Google Scholar]
- Mohan, N.; Undeland, T.M.; Robbins, W.P. Power Electronics: Converters, Applications and Design, 3rd ed.; John Wiley & Sons Inc.: Hoboken, NJ, USA, 2002. [Google Scholar]
- Hart, D.W. Power Electronics; McGraw-Hill Education: New York, NY, USA, 2010. [Google Scholar]
















| Operating Mode | State of Each Switch | |||||
|---|---|---|---|---|---|---|
| S1 | S2 | S3 | S4 | S5 | S6 | |
| Neutral | ON | OFF | ON | OFF | ON | OFF |
| SC Charge Recovery | OFF | ON | OFF | ON | ON | OFF |
| SC Bypass | ON | OFF | ON | OFF | OFF | ON |
| Component | Parameter | Value |
|---|---|---|
| PV array | Nominal power | 40 W |
| Open-circuit voltage | 43.70 V | |
| Short-circuit current | 1.24 A | |
| Voltage at MPP | 35.82 V | |
| Current at MPP | 1.12 A | |
| Output resistance at MPP | 32 Ω | |
| SC bank | Capacitance | 108 F |
| Rated voltage | 16.2 V | |
| ESR | 4.8 mΩ | |
| Battery bank | Nominal internal Resistance | 350 mΩ |
| Capacity | 7.2 Ah | |
| Nominal voltage | 12 V | |
| Load | Resistance | 100 Ω |
| DC load | Resistance | 20 Ω |
Publisher’s Note: MDPI stays neutral with regard to jurisdictional claims in published maps and institutional affiliations. |
© 2021 by the authors. Licensee MDPI, Basel, Switzerland. This article is an open access article distributed under the terms and conditions of the Creative Commons Attribution (CC BY) license (https://creativecommons.org/licenses/by/4.0/).
Share and Cite
Piyumal, K.; Ranaweera, A.; Kalingamudali, S.; Kularatna, N. Supercapacitor Assisted Hybrid PV System for Efficient Solar Energy Harnessing. Electronics 2021, 10, 2422. https://doi.org/10.3390/electronics10192422
Piyumal K, Ranaweera A, Kalingamudali S, Kularatna N. Supercapacitor Assisted Hybrid PV System for Efficient Solar Energy Harnessing. Electronics. 2021; 10(19):2422. https://doi.org/10.3390/electronics10192422
Chicago/Turabian StylePiyumal, Kasun, Aruna Ranaweera, Sudath Kalingamudali, and Nihal Kularatna. 2021. "Supercapacitor Assisted Hybrid PV System for Efficient Solar Energy Harnessing" Electronics 10, no. 19: 2422. https://doi.org/10.3390/electronics10192422
APA StylePiyumal, K., Ranaweera, A., Kalingamudali, S., & Kularatna, N. (2021). Supercapacitor Assisted Hybrid PV System for Efficient Solar Energy Harnessing. Electronics, 10(19), 2422. https://doi.org/10.3390/electronics10192422

