A Capacitorless Flipped Voltage Follower LDO with Fast Transient Using Dynamic Bias
Abstract
:1. Introduction
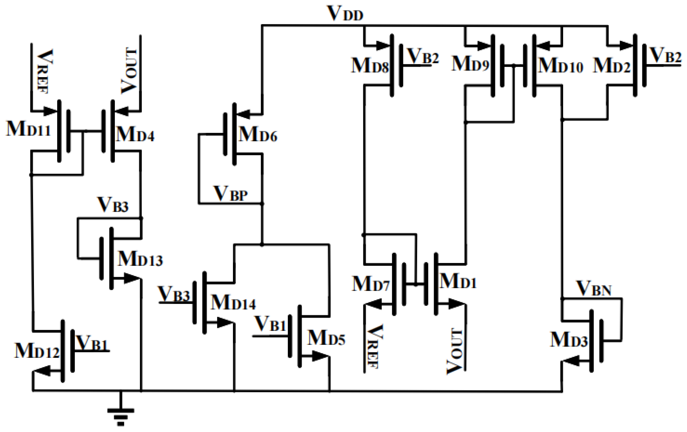
2. Proposed Dynamic Bias Circuit
3. Circuit Design
4. Simulation Results
5. Conclusions
Author Contributions
Funding
Data Availability Statement
Conflicts of Interest
References
- Cai, G.; Lu, Y.; Zhan, C.; Martins, R.P. A Fully Integrated FVF LDO with Enhanced Full-Spectrum Power Supply Rejection. IEEE Trans. Power Electron. 2021, 36, 4326–4337. [Google Scholar] [CrossRef]
- Chong, S.S.; Chan, P.K. A Flipped Voltage Follower based low-dropout regulator with composite power transistor. In Proceedings of the 2011 International Symposium on Integrated Circuits, Singapore, 12–14 December 2011; pp. 472–475. [Google Scholar]
- Wang, B.; Zang, G.; Yang, M.; Tong, M.S. A Novel Output-capacitorless Low-Dropout Regulator for Power Management. In Proceedings of the 2019 Photonics & Electromagnetics Research Symposium—Fall, Xiamen, China, 17–20 December 2019; pp. 1247–1251. [Google Scholar]
- Ameziane, H.; Hassan, Q.; Kamal, Z.; Mohcine, Z. An enhancement transient response of capless LDO with improved dynamic biasing control for SoC applications. In Proceedings of the 2015 27th International Conference on Microelectronics, Casablanca, Morocco, 20–23 December 2015; pp. 122–125. [Google Scholar]
- Dong, L.; Zhang, Q.; Zhao, X.; Li, S.; Yu, L. Multiple Adaptive Current Feedback Technique for Small-Gain Stages in Adaptively Biased Low-Dropout Regulator. IEEE Trans. Power Electron. 2022, 37, 4039–4049. [Google Scholar] [CrossRef]
- Santra, A.; Khan, Q.A. A Power Efficient Output Capacitor-Less LDO Regulator with Auto-Low Power Mode and Using Feed-Forward Compensation. In Proceedings of the 2019 32nd International Conference on VLSI Design and 2019 18th International Conference on Embedded Systems, Delhi, India, 5–9 January 2019; pp. 36–40. [Google Scholar]
- Pereira-Rial, Ó.; López, P.; Carrillo, J.M.; Brea, V.M.; Cabello, D. An 11 mA Capacitor-Less LDO With 3.08 nA Quiescent Current and SSF-Based Adaptive Biasing. IEEE Trans. Circuits Syst. II Express Briefs 2022, 69, 844–848. [Google Scholar] [CrossRef]
- Panigrahi, A.; Mathew, A. A 1.2V On-chip Output-capacitor-less Low Dropout Regulator based on Flipped Voltage Follower in 45nm CMOS Technology. In Proceedings of the 2021 16th International Conference on Design & Technology of Integrated Systems in Nanoscale Era, Virtual, 28–30 June 2021; pp. 1–6. [Google Scholar]
- Valapala, H.; Furth, P.M. Analysis and design of fully integrated very low quiescent current LDOs. In Proceedings of the 2012 IEEE 55th International Midwest Symposium on Circuits and Systems, Boise, ID, USA, 5–8 August 2012; pp. 230–233. [Google Scholar]
- Yao, Y.; Zhao, M.; Wu, X. A Fully Integrated 5pF Output Capacitor, MOS-only Reference, 55-nm LDO with Optimized Area and Power for SoC Applications. IEICE Electron. Express 2022, 19, 20220051. [Google Scholar] [CrossRef]
- Blakiewicz, G. CMOS low-dropout regulator with improved time response. In Proceedings of the 18th International Conference Mixed Design of Integrated Circuits and Systems, Gliwice, Poland, 16–18 June 2011; pp. 279–282. [Google Scholar]
- Tang, J.; Lee, J.; Roh, J. Low-Power Fast-Transient Capacitor-Less LDO Regulator with High Slew-Rate Class-AB Amplifier. IEEE Trans. Circuits Syst. II Express Briefs 2019, 66, 462–466. [Google Scholar] [CrossRef]
- Tan, X.L.; Koay, K.C.; Chong, S.S.; Chan, P.K. A FVF LDO Regulator with Dual-Summed Miller Frequency Compensation for Wide Load Capacitance Range Applications. IEEE Trans. Circuits Syst. I Regul. Pap. 2014, 61, 1304–1312. [Google Scholar] [CrossRef]
- Li, Q.; Wang, K.; Zhao, J. A Capacitor-less LDO with Fast transient response using Push-Pull Buffer. In Proceedings of the 2019 IEEE International Conference on Electron Devices and Solid-State Circuits, Xi’an, China, 12–14 June 2019; pp. 1–3. [Google Scholar]
- Elkhatib, M.M. A capacitor-less LDO with improved transient response using neuromorphic spiking technique. In Proceedings of the 2016 28th International Conference on Microelectronics, Giza, Egypt, 17–20 December 2016; pp. 133–136. [Google Scholar]
- Peng, Y.; Huang, S.; Duan, Q. A Fast Transient Response LDO without on-chip Compensated Capacitor. In Proceedings of the 2021 4th International Conference on Electron Device and Mechanical Engineering, Guangzhou, China, 19–21 March 2021; pp. 163–166. [Google Scholar]
- Parikh, C.D.; Agarwal, G. New technique to improve transient response of LDO regulators without an off-chip capacitor. In Proceedings of the 2016 20th International Symposium on VLSI Design and Test, Guwahati, India, 24–27 May 2016; pp. 1–5. [Google Scholar]
- Pérez-Bailón, J.; Márquez, A.; Calvo, B.; Medrano, N. Transient-enhanced output-capacitorless CMOS LDO regulator for battery-operated systems. In Proceedings of the 2017 IEEE International Symposium on Circuits and Systems, Baltimore, MD, USA, 28–31 May 2017; pp. 1–4. [Google Scholar]
- Choe, Y.-J.; Nam, H.; Park, J.-D. A Low-Dropout Regulator with PSRR Enhancement through Feed-Forward Ripple Cancellation Technique in 65 nm CMOS Process. Electronics 2020, 9, 146. [Google Scholar] [CrossRef]
- Man, T.Y.; Leung, K.N.; Leung, C.Y.; Mok, P.K.T.; Chan, M. Development of Single-Transistor-Control LDO Based on Flipped Voltage Follower for SoC. IEEE Trans. Circuits Syst. I Regul. Pap. 2008, 55, 1392–1401. [Google Scholar] [CrossRef]
- Man, T.Y.; Mok, P.K.T.; Chan, M. A High Slew-Rate Push–Pull Output Amplifier for Low-Quiescent Current Low-Dropout Regulators with Transient-Response Improvement. IEEE Trans. Circuits Syst. II Express Briefs 2007, 54, 755–759. [Google Scholar] [CrossRef]
- Wang, L.; Mao, W.; Wu, C.; Chang, A.; Lian, Y. A fast transient LDO based on dual loop FVF with high PSRR. In Proceedings of the 2016 IEEE Asia Pacific Conference on Circuits and Systems, Jeju, Korea, 25–28 October 2016; Volume 99. [Google Scholar]
- Li, R.; Zeng, Y.; Lin, Y.; Yang, J.; Tan, H.-Z. High-PSR and fast-transient LDO regulator with nested adaptive FVF structure. In Proceedings of the 2020 IEEE International Conference on Integrated Circuits, Technologies and Applications, Nanjing, China, 23–25 November 2020; pp. 51–52. [Google Scholar]
- Carvajal, R.G.; Ramirez-Angulo, J.; Lopez-Martin, A.J.; Torralba, A.; Galan, J.A.G.; Carlosena, A.; Chavero, F.M. The flipped voltage follower: A useful cell for low-voltage low-power circuit design. IEEE Trans. Circuits Syst. I Regul. Pap. 2005, 52, 1276–1291. [Google Scholar] [CrossRef]
- Chien, T.; Chen, C.; Li, S.; Tsai, C. A Fast Transient Flip Voltage Follower Based Low Dropout Regulator with AC-Coupled Pseudo Tri-Loop Technique Without Using Any Output Capacitor. In Proceedings of the 2019 IEEE Applied Power Electronics Conference and Exposition, Anaheim, CA, USA, 17–21 March 2019; pp. 1326–1330. [Google Scholar]
- Guo, J.; Leung, K.N. A 6-uW Chip-Area-Efficient Output-Capacitorless LDO in 90-nm CMOS Technology. IEEE J. Solid-State Circuits 2010, 45, 1896–1905. [Google Scholar] [CrossRef]
- Koay, K.C.; Chong, S.S.; Chan, P.K. A FVF based output capacitorless LDO regulator with wide load capacitance range. In Proceedings of the 2013 IEEE International Symposium on Circuits and Systems, Beijing, China, 19–23 May 2013; pp. 1488–1491. [Google Scholar]
- Yu, G.; Deng, Y.; Zou, X.; Zheng, Z. A FVF LDO regulator with damping-factor-control frequency compensation for SOC application. In Proceedings of the 2014 12th IEEE International Conference on Solid-State and Integrated Circuit Technology, Guilin, China, 28–31 October 2014; pp. 1–3. [Google Scholar]
- Or, P.Y.; Leung, K.N. An Output-Capacitorless Low-Dropout Regulator with Direct Voltage-Spike Detection. IEEE J. Solid-State Circuits 2010, 45, 458–466. [Google Scholar] [CrossRef]
- Surkanti, P.R.; Punith, R.; Garimella, A.; Furth, P.M. Flipped Voltage Follower Based Low Dropout (LDO) Voltage Regulators: A Tutorial Overview. In Proceedings of the 2018 31st International Conference on VLSI Design and 2018 17th International Conference on Embedded Systems, Pune, India, 8–10 January 2018; pp. 232–237. [Google Scholar]
- Chen, H.; Leung, K.N. A fast-transient LDO based on buffered flipped voltage follower. In Proceedings of the 2010 IEEE International Conference of Electron Devices and Solid-State Circuits, Hong Kong, China, 15–17 December 2010; pp. 1–4. [Google Scholar]
- Zeng, Y.; Tan, H. A FVF based LDO with dynamic bias current for low power RFID chips. In Proceedings of the 2016 IEEE International Conference on RFID Technology and Applications, Shunde, China, 21–23 September 2016; pp. 61–64. [Google Scholar]
- Liu, N.; Johnson, B.; Nadig, V.; Chen, D. A Transient-Enhanced Fully-Integrated LDO Regulator for SoC Application. In Proceedings of the 2018 IEEE International Symposium on Circuits and Systems, Florence, Italy, 27–30 May 2018; p. 1. [Google Scholar]
- Huang, M.; Feng, H.; Lu, Y. A Fully Integrated FVF-Based Low-Dropout Regulator with Wide Load Capacitance and Current Ranges. IEEE Trans. Power Electron. 2019, 34, 11880–11888. [Google Scholar] [CrossRef]
- Pérez-Bailón, J.; Calvo, B.; Medrano, N. A Fully-Integrated 180 nm CMOS 1.2 V Low-Dropout Regulator for Low-Power Portable Applications. Electronics 2021, 10, 2108. [Google Scholar] [CrossRef]
















| Parameter | [13] | [19] | [25] | [27] | [33] | This Work |
|---|---|---|---|---|---|---|
| Process (nm) | 65 | 65 | 180 | 65 | 130 | 180 |
| VOUT | 1 | 0.98 | 1.2 | 1 | 1.2 | 1 |
| IQ (μA) | 23.7 | 385 | 34.5 | 13.2 | 100 | 92 |
| Imax (mA) | 50 | 20 | 20 | 50 | 20 | 20 |
| Con-chip (pF) | 9 | 9 | 5 | 10 | 1.4 | 2.8 |
| TEdg (ns) | 100 | N/A | 0.1 | 500 | 10 | 0.001 |
| K | 100,000 | N/A | 10 | 500,000 | 10,000 | 1 |
| ΔVOUT (mV) | 40 | N/A | 270 | 341.63 | 95 | 250 |
| Tsettle (ns) | 1650 | N/A | N/A | 925 | 150 | 52 |
| PSRR (dB) at 1 kHz | −52 | −92.65 | N/A | N/A | −60 | −60.85 |
| LDR (mV/mA) | 0.034 | 2.3 | N/A | 0.133 | N/A | 0.088 |
| LNR (mV/V) | 8.89 | 50 | N/A | 0.217 | N/A | 0.948 |
| FOM1 | 45,095 | N/A | 4.65 | 1896 | 4773 | 1.16 |
| FOM2 | 782 | N/A | N/A | 244 | 750 | 239 |
Publisher’s Note: MDPI stays neutral with regard to jurisdictional claims in published maps and institutional affiliations. |
© 2022 by the authors. Licensee MDPI, Basel, Switzerland. This article is an open access article distributed under the terms and conditions of the Creative Commons Attribution (CC BY) license (https://creativecommons.org/licenses/by/4.0/).
Share and Cite
Lu, Y.; Chen, M.; Wang, K.; Yang, Y.; Wang, H. A Capacitorless Flipped Voltage Follower LDO with Fast Transient Using Dynamic Bias. Electronics 2022, 11, 3009. https://doi.org/10.3390/electronics11193009
Lu Y, Chen M, Wang K, Yang Y, Wang H. A Capacitorless Flipped Voltage Follower LDO with Fast Transient Using Dynamic Bias. Electronics. 2022; 11(19):3009. https://doi.org/10.3390/electronics11193009
Chicago/Turabian StyleLu, Yange, Ming Chen, Kunyu Wang, Yanjun Yang, and Haiyong Wang. 2022. "A Capacitorless Flipped Voltage Follower LDO with Fast Transient Using Dynamic Bias" Electronics 11, no. 19: 3009. https://doi.org/10.3390/electronics11193009
APA StyleLu, Y., Chen, M., Wang, K., Yang, Y., & Wang, H. (2022). A Capacitorless Flipped Voltage Follower LDO with Fast Transient Using Dynamic Bias. Electronics, 11(19), 3009. https://doi.org/10.3390/electronics11193009

