Robust Sensor Fault Detection for a Single-Phase Pulse Width Modulation Rectifier
Abstract
:1. Introduction
- ⮚
 - Model-based approaches: Model-based approaches use mathematical models of the system to detect faults. These methods are often very accurate but require extensive knowledge of the system and its behavior under different fault conditions. Model-based approaches can be computationally expensive and may require additional hardware for fault detection [5];
 - ⮚
 - Residual-based methods: Residual-based methods compare measured and predicted system outputs to detect faults. These methods are less computationally expensive than model-based approaches but require accurate knowledge of the system’s behavior and a precise model of the system. Residual-based methods may also suffer from the effects of disturbances, leading to false alarms or missed detections [6];
 - ⮚
 - Artificial intelligence-based methods: Artificial intelligence-based methods use machine learning algorithms to detect faults. These methods can learn complex patterns and may be more robust to disturbances than model-based or residual-based methods. However, they require large amounts of data to train the machine learning algorithms and may not be explainable, making it difficult to determine the cause of a detected fault [7].
 
- (a)
 - Amplifying the impact of faults on the residual;
 - (b)
 - Stabilizing the gain observer;
 - (c)
 - Decreasing the effects of disturbances on the residual.
 
2. Materials and Methods
2.1. Observer Design
- (1)
 - Verify whether the rank of (CE) is the same as the rank of (E); if not, the UIO cannot be established and the process should be halted.
 - (2)
 - Calculate and A1.
 - (3)
 - Determine whether the pair (C, A1) is observable; if it is observable, the UIO can be created, and K1 can be found using pole placement. The process can be stopped at this point.
 - (4)
 - Create a transformation matrix P for the observable canonical decomposition: choose the independent , where is the observability matrix of , row vector from , together with other row vectors to construct a non-singular matrix as: .
 - (5)
 - Create an observable canonical decomposition on :.
 - (6)
 - Verify if (C, A1) is detectable: if any one of the eigenvalues of is unstable the UIO cannot be established and the process should be halted.
 - (7)
 - Choose desired eigenvalues and assign them to .
 - (8)
 - Calculate where is any matrix.
 - (9)
 - Compute and :
 - (10)
 - Stop
 
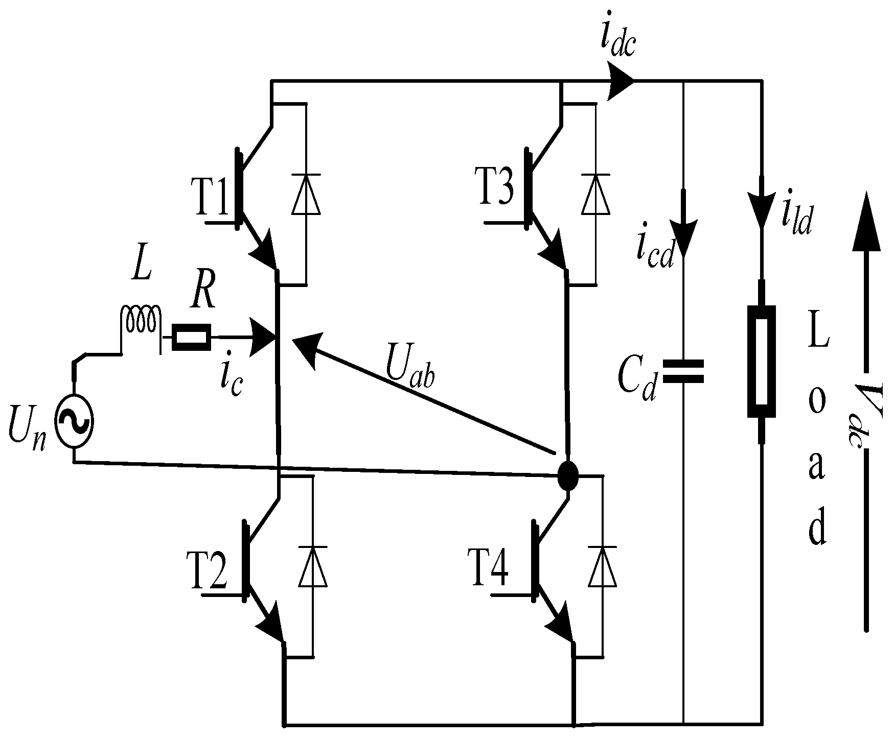
2.2. Description Rectifier System
3. Experimental Setup
4. Results and Discussion
5. Conclusions
Author Contributions
Funding
Data Availability Statement
Conflicts of Interest
References
- Yan, W.; Wang, J.; Lu, S.; Zhou, M.; Peng, X. A Review of Real-Time Fault Diagnosis Methods for Industrial Smart Manufacturing. Processes 2023, 11, 369. [Google Scholar] [CrossRef]
 - Feng, K.; Ji, J.C.; Ni, Q. A novel gear fatigue monitoring indicator and its application to remaining useful life prediction for spur gear in intelligent manufacturing systems. Int. J. Fatigue 2023, 168, 107459. [Google Scholar] [CrossRef]
 - Abid, A.; Khan, M.T.; Iqbal, J. A review on fault detection and diagnosis techniques: Basics and beyond. Artif. Intell. Rev. 2021, 54, 3639–3664. [Google Scholar] [CrossRef]
 - Isermann, R. Model-based fault-detection and diagnosis—Status and applications. Annu. Rev. Control 2005, 29, 49–60. [Google Scholar] [CrossRef]
 - Hwang, I.; Kim, S.; Kim, Y.; Seah, C.E. A Survey of Fault Detection, Isolation, and Reconfiguration Methods. IEEE Trans. Control Syst. Technol. 2010, 18, 636–653. [Google Scholar] [CrossRef]
 - Miljkovic, D. Fault detection methods: A literature survey. In Proceedings of the 2011 Proceedings of the 34th International Convention MIPRO, Opatija, Croatia, 23–27 May 2011. [Google Scholar]
 - Zhao, Y. Artificial intelligence-based fault detection and diagnosis methods for building energy systems_ Advantages, challenges and the future. Renew. Sustain. Energy Rev. 2019, 109, 85–101. [Google Scholar] [CrossRef]
 - Chen, J.; Zhang, H. Robust detection of faulty actuators via unknown input observers. Int. J. Syst. Sci. 1991, 22, 1829–1839. [Google Scholar] [CrossRef]
 - Frank, P.M. Robust Model-Based Fault Detection in Dynamic Systems. IFAC Proc. Vol. 1992, 25, 1–13. [Google Scholar] [CrossRef]
 - Li, C.; Teng, J.; Yang, T.; Feng, Y. Adaptive observer based fault detection and isolation for winds turbines. In Proceedings of the 2020 Chinese Automation Congress (CAC), Shangai, China, 6–8 November 2020; pp. 481–486. [Google Scholar] [CrossRef]
 - Gaddouna, B.O.; Ouladsine, M. Fault diagnosis in a hydraulic process using unknown input observers. In Proceedings of the 1997 IEEE International Conference on Control Applications, Hartford, CT, USA, 5–7 October 1997; pp. 490–495. [Google Scholar] [CrossRef]
 - Madubuike, K.; Mayhew, C.; Zhang, Q.; Gomm, B.; Yu, D.-L. Fault diagnosis for wind turbine systems using unknown input observer. In Proceedings of the 2019 25th International Conference on Automation and Computing (ICAC), Lancaster, UK, 5–7 September 2019; pp. 1–6. [Google Scholar] [CrossRef]
 - Zarei, J.; Poshtan, J. Design of Nonlinear Unknown Input Observer for Process Fault Detection. Ind. Eng. Chem. Res. 2010, 49, 11443–11452. [Google Scholar] [CrossRef]
 - Ambur, R.; Vadamalu, R.S.; Rinderknecht, S. Identification of unbalance faults in rotors with unknown input observers using classical and LMI based approaches. In Proceedings of the 2016 European Control Conference (ECC), Aalborg, Denmark, 29 June–1 July 2016; pp. 1904–1908. [Google Scholar] [CrossRef]
 - Egone, N.; Ma, L.; Qin, N. Disturbance De-coupling for Faults Detection and Identification Based on Right Eigenvectors Assignment for a Single-phase PWM Rectifier. In Proceedings of the 2020 39th Chinese Control Conference (CCC), Shenyang, China, 27–29 July 2020; pp. 4048–4053. [Google Scholar] [CrossRef]
 - Xu, T.; Jiang, B. Sensor fault detection and diagnosis for a three-phase PWM rectifier using wavelet analysis and adaptive observer. IEEE Trans. Power Electron. 2013, 28, 4433. [Google Scholar]
 - Jlassi, I.; Estima, J.O.; El Khil, S.K.; Bellaaj, N.M.; Cardoso, A.J.M. A Robust Observer-Based Method for IGBTs and Current Sensors Fault Diagnosis in Voltage-Source Inverters of PMSM Drives. IEEE Trans. Ind. Appl. 2017, 53, 2894–2905. [Google Scholar] [CrossRef]
 - Kavinelavu, K.; Kalaivani, S. Pole placement-based sensor fault detection and isolation of a single phase PWM rectifier for electric railway traction. In Proceedings of the 2014 International Conference on Computation of Power, Energy, Information and Communication (ICCPEIC), Chennai, India, 16–17 April 2014; pp. 194–199. [Google Scholar] [CrossRef]
 - Gao, L.; Li, H.; Wang, H. Fault diagnosis of power electronics systems using wavelet analysis and neural network. IEEE Trans. Ind. Electron. 2003, 50, 757–767. [Google Scholar]
 - Gou, B.; Ge, X.-L.; Wang, S.; Feng, X. An open-switch fault diagnosis method for single-phase PWM rectifier using a model-based approach in high-speed railway electrical traction drive system. IEEE Trans. Power Electron. 2016, 31, 3816–3826. [Google Scholar] [CrossRef]
 - Ge, X.-L.; Liu, Y.-C.; Pu, J.-K. Online open-switch fault diagnosis method in single-phase PWM rectifiers. Electron. Lett. 2015, 51, 1920–1922. [Google Scholar] [CrossRef]
 - Ben, A.; El Khil, S.K.; Slama-Belkhodja, I. State observer-based sensor fault detection and isolation, and fault tolerant control of single-phase PWM rectifier for electric railway traction. IEEE Trans. Power Electron. 2013, 28, 12. [Google Scholar]
 - Zhang, Y.; Polycarpou, M.; Liu, F. Observer-based Fault Detection and Diagnosis: State-of-the-Art and Applications. IEEE Trans. Control Syst. Technol. 2005, 13, 549–558. [Google Scholar]
 - Chen, J.; Patton, R.J.; Chen, J.; Patton, R.J. Robust Model-Based Fault Diagnosis for Dynamic Systems; Kluwer: Norwell, MA, USA, 1999. [Google Scholar]
 - Egone, N.; Ma, L.; Qin, N. Faults Detection and Identification Based on Robust Residual Generation for A Single-Phase PWM Rectifier. In Proceedings of the 2019 IEEE 3rd Conference on Energy Internet and Energy System Integration (EI2), Changsha, China, 8–10 November 2020. [Google Scholar] [CrossRef]
 - Gutman, S. Uncertain Dynamical Systems-A Lyapunov Min-Max Approach. IEEE Trans. Autom. Control 1979, 24, 437–443. [Google Scholar] [CrossRef]
 - Cheres, E.; Gutman, S.; Palmor, Z.J. Stabilization of Dynamic systems including state delay. IEEE Trans. Autom. Control 1989, 34, 1199–1203. [Google Scholar] [CrossRef]
 - Qin, H.; Kimball, J.W. Closed-Loop Control of DC–DC Dual-Active-Bridge Converters Driving Single-Phase Inverters. IEEE Trans. Power Electron. 2014, 29, 1006–1017. [Google Scholar] [CrossRef]
 - Xian, Y.; Xu, Y.; Gou, B. Current sensor fault diagnosis and fault tolerant control for single-phase PWM rectifier based on a hybrid model-based and data driven method. IET Power Electron. 2020, 13, 4150–4157. [Google Scholar] [CrossRef]
 - Gong, Z.; Huang, D.; Jadoon, H.U.K.; Ma, L.; Song, W. Sensor-Fault-Estimation-Based Tolerant Control for Single-Phase Two-Level PWM Rectifier in Electric Traction System. IEEE Trans. Power Electron. 2020, 35, 12274–12284. [Google Scholar] [CrossRef]
 






| Parameters | Symbols | Values | Unity | 
|---|---|---|---|
| Filter resistor | |||
| Filter inductor | |||
| DC-link capacitor | |||
| Grid voltage | |||
| DC-link voltage | |||
| Rectifier switching frequency | 
Disclaimer/Publisher’s Note: The statements, opinions and data contained in all publications are solely those of the individual author(s) and contributor(s) and not of MDPI and/or the editor(s). MDPI and/or the editor(s) disclaim responsibility for any injury to people or property resulting from any ideas, methods, instructions or products referred to in the content.  | 
© 2023 by the authors. Licensee MDPI, Basel, Switzerland. This article is an open access article distributed under the terms and conditions of the Creative Commons Attribution (CC BY) license (https://creativecommons.org/licenses/by/4.0/).
Share and Cite
Ndabarushimana, E.; Ma, L. Robust Sensor Fault Detection for a Single-Phase Pulse Width Modulation Rectifier. Electronics 2023, 12, 2366. https://doi.org/10.3390/electronics12112366
Ndabarushimana E, Ma L. Robust Sensor Fault Detection for a Single-Phase Pulse Width Modulation Rectifier. Electronics. 2023; 12(11):2366. https://doi.org/10.3390/electronics12112366
Chicago/Turabian StyleNdabarushimana, Egone, and Lei Ma. 2023. "Robust Sensor Fault Detection for a Single-Phase Pulse Width Modulation Rectifier" Electronics 12, no. 11: 2366. https://doi.org/10.3390/electronics12112366
APA StyleNdabarushimana, E., & Ma, L. (2023). Robust Sensor Fault Detection for a Single-Phase Pulse Width Modulation Rectifier. Electronics, 12(11), 2366. https://doi.org/10.3390/electronics12112366
        
                                                
