Multi-Sampling Rate Finite Control Set Model Predictive Control and Adaptive Method of Single-Phase Inverter
Abstract
1. Introduction
2. Conventional Unidirectional Inverter FCS-MPC Control Strategy
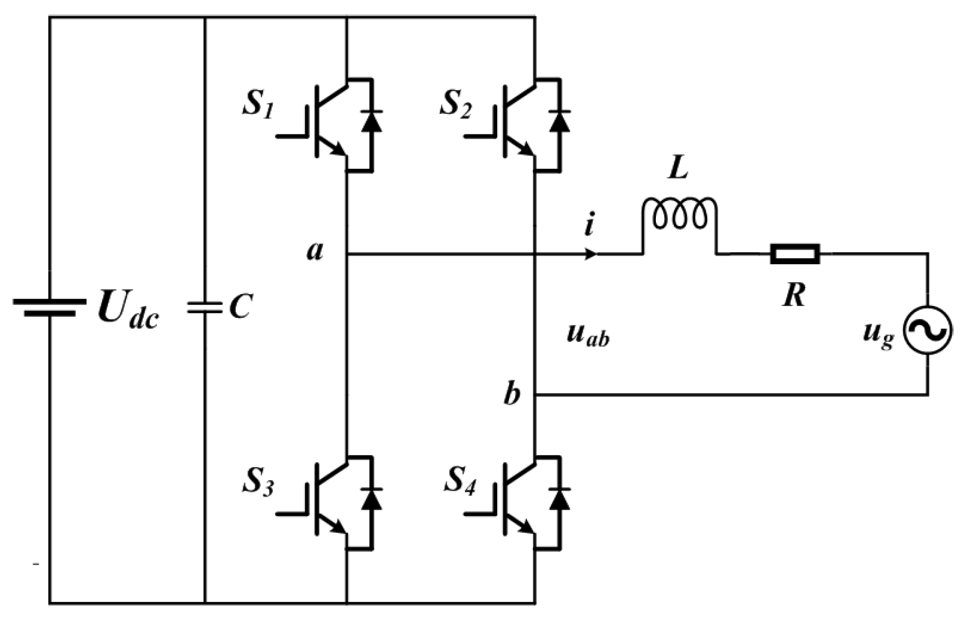
2.1. Single-Phase Inverter System Model
2.2. Introduction to the Conventional FCS-MPC Strategy
- Predicting the future situation of control variables under different control behaviors according to the system model;
- Calculating the value of the value function under different control behaviors, according to the definition of the value function;
- Determining the optimal control behavior by minimizing the value function.
3. Improved FCS-MPC Strategy for High-Speed Switching Control at Low Sampling Frequency
3.1. Analysis of the Effect of Low Sampling Frequency
3.2. Solving Current Low Sampling Frequency
3.3. Solving Low-Voltage Sampling Frequency
- Derive the iteration equations for each state variable of the observer;
- Initialize the state variables and set the iteration period, observer parameters, and the initial phase during the simulation;
- Use sensors to collect the reverse electromotive force values at sampling moments and input them into the integration section, to calculate the state variables for each period, thereby obtaining the output of the real system model;
- Continuously iterate to make the state variables of the observer approach the values of the real system;
- Use the sampling values as input to the observer and calculate the observed value of the reverse electromotive force at non-sampling moments.
4. Study on Improved FCS-MPC Strategy Model Parameter Mismatch
4.1. Impact of Inaccurate Parameters
4.2. Conventional Adaptive Control Observer
4.3. Adaptive Control Strategy in Case of Frequency Mismatch
- Initialize the various state variables of the observer; and set the iteration period, observer parameters, and the initial phase in the simulation. The phase is locked by a phase-locked loop to ;
- Using sensors to collect the output current from the AC side of the circuit, compare it with the estimated current value of the model, and provide real-time feedback of the error to the estimation model;
- Iterate according to Equation (38), to make the estimated model’s state variable approach the true coefficient ;
- Obtain the coefficient of the deviation d;

5. Simulation
5.1. Improved Low Current Sampling Simulation Results
5.2. Improved Low-Voltage Sampling Simulation Results
5.3. Simulation Results of Adaptive Control during Frequency Mismatch
6. Experiment
6.1. Experimental Verification of the Improved FCS-MPC
6.2. Experimental Verification of Adaptive Control Effect at Low Sampling Frequency
7. Discussion
8. Conclusions
Author Contributions
Funding
Data Availability Statement
Conflicts of Interest
References
- Blaabjerg, F.; Yang, Y.; Yang, D.; Wang, X. Distributed power-generation systems and protection. Proc. IEEE 2017, 105, 1311–1331. [Google Scholar] [CrossRef]
- Lin, Z.; Ruan, X.; Wu, L.; Zhang, H.; Li, W. Multi-Resonant-Component Based Grid Voltage Weighted Feedforward Scheme for Grid-Connected Inverter to Suppress the Injected Grid Current Harmonics Under Weak Grid. IEEE Trans. Power Electron. 2020, 35, 9784–9793. [Google Scholar] [CrossRef]
- Yang, H.; Eggers, M.; Teske, P.; Dieckerhoff, S. Comparative Stability Analysis and Improvement of Grid-Following Converters Using Novel Interpretation of Linear Time-Periodic Theory. IEEE J. Emerg. Sel. Top. Power Electron. 2022, 10, 7049–7061. [Google Scholar] [CrossRef]
- Roy, S.; Pico, H.N.V. Transient Stability and Active Protection of Power Systems With Grid-Forming PV Power Plants. IEEE Trans. Power Syst. 2023, 38, 897–911. [Google Scholar] [CrossRef]
- Khosravi, N.; Echalih, S.; Hekss, Z.; Baghbanzadeh, R.; Messaoudi, M.; Shahideipour, M. A New Approach to Enhance the Operation of M-UPQC Proportional-Integral Multiresonant Controller Based on the Optimization Methods for a Stand-Alone AC Microgrid. IEEE Trans. Power Electron. 2023, 38, 3765–3774. [Google Scholar] [CrossRef]
- Gangavarapu, S.; Verma, M.; Rathore, A.K. A Novel Transformerless Single-Stage Grid-Connected Solar Inverter. IEEE J. Emerg. Sel. Top. Power Electron. 2023, 11, 970–980. [Google Scholar] [CrossRef]
- Mattos, E.; Borin, L.C.; Osorio, C.R.D.; Koch, G.G.; Oliveira, R.C.L.F.; Montagner, V.F. Robust Optimized Current Controller Based on a Two-Step Procedure for Grid-Connected Converters. IEEE Trans. Ind. Appl. 2023, 59, 1024–1034. [Google Scholar] [CrossRef]
- Khan, M.Y.A.; Liu, H.; Shang, J.; Wang, J. Distributed hierarchal control strategy for multi-bus AC microgrid to achieve seamless synchronization. Electr. Power Syst. Res. 2023, 214, 108910. [Google Scholar] [CrossRef]
- Long, B.; Lu, P.; Zhan, D.; Lu, X.; Rodriguez, J.; Guerrero, J.M.; Chong, K.T. Adaptive fuzzy fractional-order sliding-mode control of LCL-interfaced grid-connected converter with reduced-order. Isa Trans. 2023, 132, 557–572. [Google Scholar] [CrossRef]
- Guler, N. Multi-objective cost function based finite control set-sliding mode control strategy for single-phase split source inverters. Control. Eng. Pract. 2022, 122, 105114. [Google Scholar] [CrossRef]
- Roy, T.K.; Ghosh, S.K.; Saha, S. Robust backstepping global integral terminal sliding mode controller to enhance dynamic stability of hybrid AC/DC microgrids. Prot. Control. Mod. Power Syst. 2023, 8, 8. [Google Scholar] [CrossRef]
- Zhang, M.; Xu, Q.; Wang, X. Physics-Informed Neural Network Based Online Impedance Identification of Voltage Source Converters. IEEE Trans. Ind. Electron. 2023, 70, 3717–3728. [Google Scholar] [CrossRef]
- Jasim, A.M.; Jasim, B.H.; Bures, V.; Mikulecky, P. A New Decentralized Robust Secondary Control for Smart Islanded Microgrids. Sensors 2022, 22, 8709. [Google Scholar] [CrossRef]
- Ayyagari, K.S.; Gonzalez, R.; Yufang, J.; Alamaniotis, M.; Ahmed, S.; Gatsis, N. Learning Reactive Power Control Polices in Distribution Networks Using Conditional Value-at-Risk and Artificial Neural Networks. J. Mod. Power Syst. Clean Energy 2023, 11, 201–211. [Google Scholar] [CrossRef]
- Diaz-Bustos, M.; Baier, C.R.; Torres, M.A.; Melin, P.E.; Acuna, P. Application of a Control Scheme Based on Predictive and Linear Strategy for Improved Transient State and Steady-State Performance in a Single-Phase Quasi-Z-Source Inverter. Sensors 2022, 22, 2485. [Google Scholar] [CrossRef] [PubMed]
- Dong, Q.; Wang, B.; Xia, L.; Yu, Y.; Tian, M.; Xu, D. A Virtual Voltage Field-Weakening Scheme of Trajectory Correction for PMSM Model Predictive Control. IEEE Trans. Power Electron. 2023, 38, 3044–3056. [Google Scholar] [CrossRef]
- Harbi, I.; Ahmed, M.; Rodriguez, J.; Kennel, R.; Abdelrahem, M. Low-Complexity Finite Set Model Predictive Control for Split-Capacitor ANPC Inverter With Different Levels Modes and Online Model Update. IEEE J. Emerg. Sel. Top. Power Electron. 2023, 11, 506–522. [Google Scholar] [CrossRef]
- Young, H.A.; Perez, M.A.; Rodriguez, J. Analysis of finite-control-set model predictive current control with model parameter mismatch in a three-phase inverter. IEEE Trans. Ind. Electron. 2016, 63, 3100–3107. [Google Scholar] [CrossRef]
- Ke, D.; Wang, F.; Li, J. Predictive Current Control of Permanent Magnet Synchronous Motor Based on an Adaptive High-gain Observer. Zhongguo Dianji Gongcheng Xuebao/Proc. Chin. Soc. Electr. Eng. 2021, 41, 728–737. [Google Scholar]
- Niu, S.; Luo, Y.; Fu, W.; Zhang, X. Robust Model Predictive Control for a Three-Phase PMSM Motor With Improved Control Precision. IEEE Trans. Ind. Electron. 2021, 68, 838–849. [Google Scholar] [CrossRef]
- Li, P.; Li, R.; Feng, H.; He, Y.; Zhang, J. Improvement of model predictive control for single-phase inverters by using sinusoidal signal observers. IET Power Electron. 2020, 13, 3841–3850. [Google Scholar] [CrossRef]
- Long, B.; Zhu, Z.; Yang, W.; Chong, K.T.; Rodriguez, J.; Guerrero, J.M. Gradient Descent Optimization Based Parameter Identification for FCS-MPC Control of LCL-Type Grid Connected Converter. IEEE Trans. Ind. Electron. 2022, 69, 2631–2643. [Google Scholar] [CrossRef]
- Brosch, A.; Hanke, S.; Wallscheid, O.; Bocker, J. Data-Driven Recursive Least Squares Estimation for Model Predictive Current Control of Permanent Magnet Synchronous Motors. IEEE Trans. Power Electron. 2021, 36, 2179–2190. [Google Scholar] [CrossRef]
- Comarella, B.V.; Carletti, D.; Yahyaoui, I.; Encarnacao, L.F. Theoretical and Experimental Comparative Analysis of Finite Control Set Model Predictive Control Strategies. Electronics 2023, 12, 1482. [Google Scholar] [CrossRef]
- Saavedra, J.L.; Baier, C.R.; Marciel, E.I.; Rivera, M.; Carreno, A.; Hernandez, J.C.; Melin, P.E. Comparison of FCS-MPC Strategies in a Grid-Connected Single-Phase Quasi-Z Source Inverter. Electronics 2023, 12, 2052. [Google Scholar] [CrossRef]
















| Symbols | Parameters | Numerical Value |
|---|---|---|
| Input DC voltage | 18 V | |
| Grid voltage amplitude | 10 V | |
| f | Grid voltage frequency | 50 Hz |
| Reference current amplitude | 2.5 A | |
| L | Filter Inductors | 4.1 mH |
| R | Equivalent resistance of the filter inductor | 1.2 |
| Control frequency | 40 kHz |
| Method | Percentage of Logic Gates Used | Proportion of Logic Slice Registers Used | Proportion of Logic Slice LUT Used | Proportion of RAM Blocks Used | Proportion of DSP48 Used |
|---|---|---|---|---|---|
| Conventional FCS-MPC | 64.2% | 20% | 44.5% | 8.3% | 48.7% |
| Single Multi-rate Sampling improved FCS-MPC | 64.6% | 20% | 44.5% | 8.3% | 48.7% |
| Dual Multi-rate Sampling improved FCS-MPC | 65.3% | 20% | 44.5% | 8.3% | 48.7% |
Disclaimer/Publisher’s Note: The statements, opinions and data contained in all publications are solely those of the individual author(s) and contributor(s) and not of MDPI and/or the editor(s). MDPI and/or the editor(s) disclaim responsibility for any injury to people or property resulting from any ideas, methods, instructions or products referred to in the content. |
© 2023 by the authors. Licensee MDPI, Basel, Switzerland. This article is an open access article distributed under the terms and conditions of the Creative Commons Attribution (CC BY) license (https://creativecommons.org/licenses/by/4.0/).
Share and Cite
She, Y.; Huo, X.; Tong, X.; Wang, C.; Fu, K. Multi-Sampling Rate Finite Control Set Model Predictive Control and Adaptive Method of Single-Phase Inverter. Electronics 2023, 12, 2848. https://doi.org/10.3390/electronics12132848
She Y, Huo X, Tong X, Wang C, Fu K. Multi-Sampling Rate Finite Control Set Model Predictive Control and Adaptive Method of Single-Phase Inverter. Electronics. 2023; 12(13):2848. https://doi.org/10.3390/electronics12132848
Chicago/Turabian StyleShe, Yunfeng, Xiaoxiao Huo, Xiaoshan Tong, Chunjie Wang, and Kunkun Fu. 2023. "Multi-Sampling Rate Finite Control Set Model Predictive Control and Adaptive Method of Single-Phase Inverter" Electronics 12, no. 13: 2848. https://doi.org/10.3390/electronics12132848
APA StyleShe, Y., Huo, X., Tong, X., Wang, C., & Fu, K. (2023). Multi-Sampling Rate Finite Control Set Model Predictive Control and Adaptive Method of Single-Phase Inverter. Electronics, 12(13), 2848. https://doi.org/10.3390/electronics12132848

