Analysis and Suppression of Rectifier Diode Voltage Oscillation Mechanism in IPOS High-Power PSFB Converters
Abstract
1. Introduction
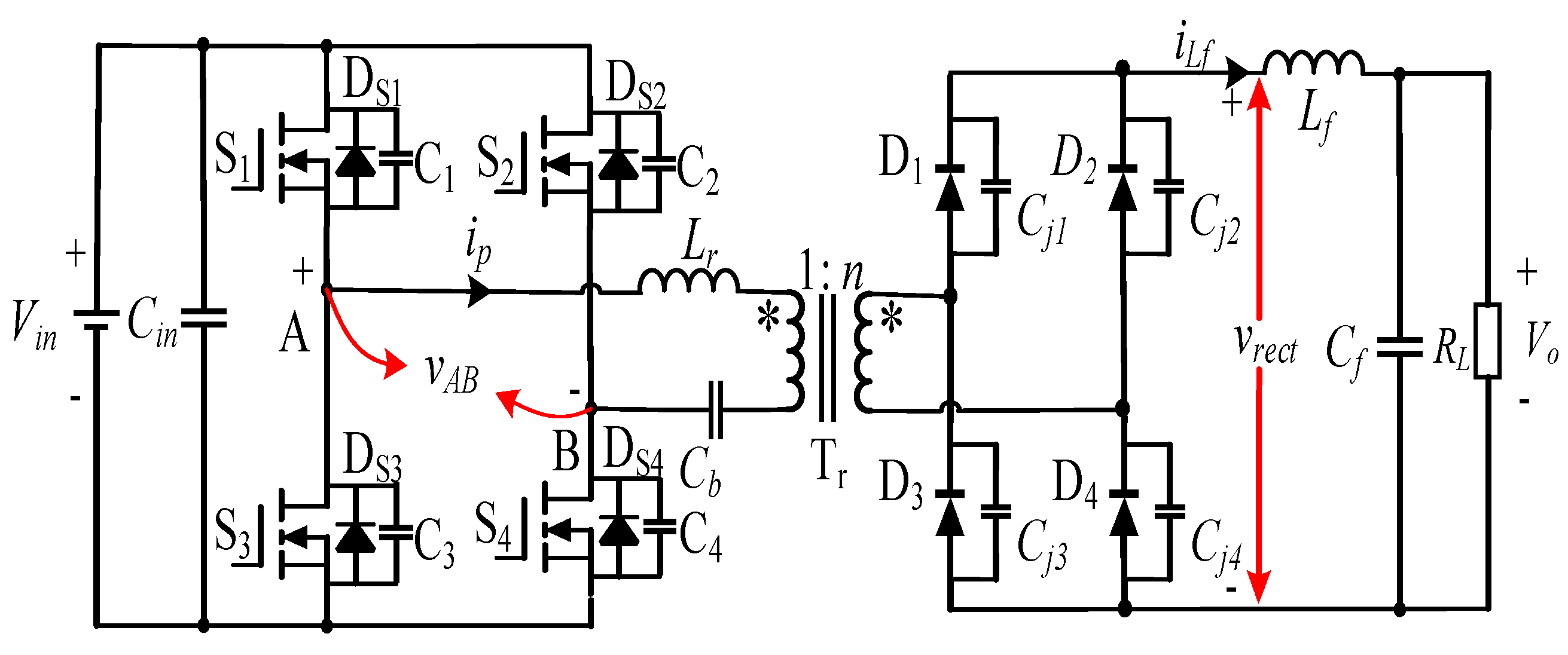
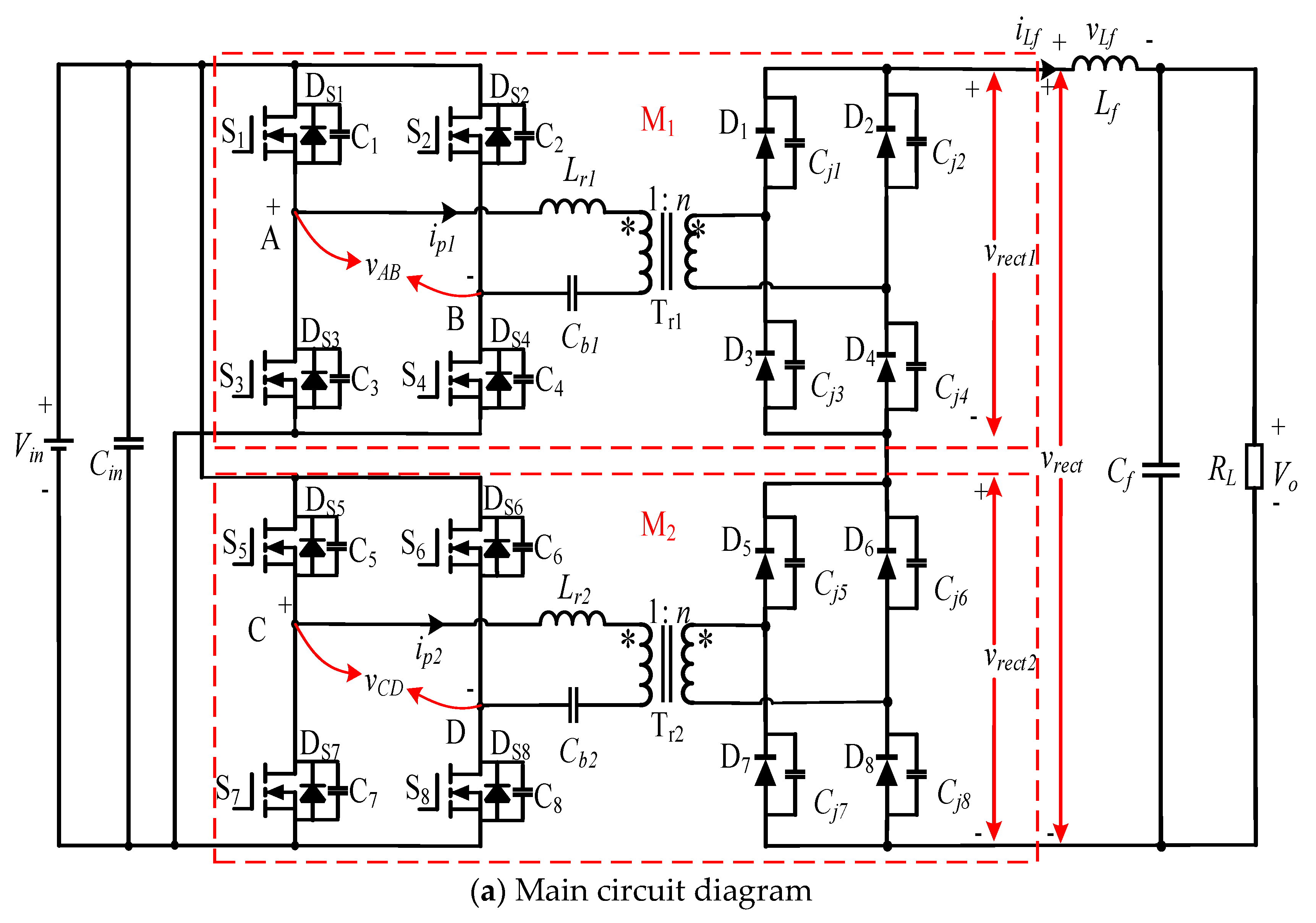
2. Mechanism of Rectifier Diode Voltage Oscillation
- (1)
- The output voltage Vo is constant with a large filter capacitor, and , , , , and when the circuit is operating in a steady state and both and are non-zero, as shown in Figure 3b;
- (2)
- the resonant inductance of the primary side of submodules M1 and M2 is equal, and the junction capacitance of all rectifier diodes is equal, i.e., , ;
- (3)
- compared to the resonant inductance, the filter inductance is much larger, i.e., .
2.1. First Oscillation of Rectifier Diode Voltage
2.2. Second Oscillation of Rectifier Diode Voltage
2.3. Third Oscillation of Rectifier Diode Voltage
2.4. k + 1 Oscillations of k PSFB Submodules
3. Suppression Technique of Rectifier Diode Spike Voltage
3.1. Design of RCD Buffer Circuit
3.2. Working Process of RCD Buffer Circuit
4. Experimental Verification
5. Conclusions
- (1)
- By establishing the equivalent circuit of the parasitic oscillation of the rectifier diode of the IPOS high-power PSFB converter, it improves the precision of the analytical model of the parasitic oscillation of the rectifier diode voltage of the PSFB converter and provides an analytical idea of the parasitic oscillation of the rectifier diode voltage in the complex case of PSFB converters.
- (2)
- Revealing the mechanism of interplay and multiple oscillations of rectifier diode voltage in an IPOS high-power PSFB converter under interleaved control, and it agrees well with the experimental results.
- (3)
- The design method of and is obtained by analyzing the relationship between the rectifier diode spike voltage with and . This method effectively predicts the spike voltage and avoids issues of insufficient margin or over margin in RCD buffer circuit design.
Author Contributions
Funding
Data Availability Statement
Conflicts of Interest
Appendix A
Appendix A.1. Measurement Details
Appendix A.2. Specifications of the Measuring Device
| Name | Producers | Model | Measurement Range | Bandwidth | Quantity |
|---|---|---|---|---|---|
| Laptop | Lian Xiang | Xiao Xin AIR 14ITL | One | ||
| Oscilloscope | Tektronix | MDO34 3-BW-200 | 200 MHz | One | |
| Voltage Probes | PINTECH | N1070A | 0–7000 V | 50 MHz | Three |
| Current Probes | Tektronix | TCPO150 | Maximum current RMS 150 A Maximum peak pulse current 500 A | 20 MHz | One |
Appendix A.3. Buffer Capacitor Spike Voltage with and
| Cs | 7.70E-07 | 8.40E-07 | 9.10E-07 | 9.80E-07 | 1.05E-06 | 1.12E-06 | 1.19E-06 | 1.26E-06 | 1.33E-06 | ||
|---|---|---|---|---|---|---|---|---|---|---|---|
| Vcs(tx) | |||||||||||
| Rs | |||||||||||
| 3000 | 1776.82 | 1777.34 | 1778.02 | 1778.90 | 1779.99 | 1781.33 | 1782.93 | 1784.82 | 1787.01 | ||
| 3500 | 1777.08 | 1777.75 | 1778.63 | 1779.77 | 1781.19 | 1782.91 | 1784.98 | 1787.42 | 1790.25 | ||
| 4000 | 1777.39 | 1778.23 | 1779.35 | 1780.79 | 1782.59 | 1784.78 | 1787.40 | 1790.48 | 1794.06 | ||
| 4500 | 1777.74 | 1778.79 | 1780.19 | 1781.99 | 1784.22 | 1786.94 | 1790.20 | 1794.03 | 1798.47 | ||
| 5000 | 1778.15 | 1779.44 | 1781.16 | 1783.36 | 1786.10 | 1789.43 | 1793.42 | 1798.10 | 1803.53 | ||
| 5500 | 1778.61 | 1780.18 | 1782.26 | 1784.92 | 1788.23 | 1792.26 | 1797.07 | 1802.71 | 1809.25 | ||
| 6000 | 1779.14 | 1781.01 | 1783.50 | 1786.68 | 1790.64 | 1795.45 | 1801.18 | 1807.91 | 1815.68 | ||
| 6500 | 1779.73 | 1781.95 | 1784.89 | 1788.66 | 1793.34 | 1799.02 | 1805.78 | 1813.70 | 1822.85 | ||
| 7000 | 1780.39 | 1782.99 | 1786.44 | 1790.86 | 1796.34 | 1802.98 | 1810.88 | 1820.12 | 1830.77 | ||
| 7500 | 1781.12 | 1784.15 | 1788.16 | 1793.29 | 1799.65 | 1807.36 | 1816.51 | 1827.19 | 1839.48 | ||
| 8000 | 1781.93 | 1785.42 | 1790.06 | 1795.97 | 1803.30 | 1812.16 | 1822.67 | 1834.92 | 1848.99 | ||
| 8500 | 1782.81 | 1786.82 | 1792.13 | 1798.90 | 1807.29 | 1817.41 | 1829.39 | 1843.34 | 1859.32 | ||
| 9000 | 1783.78 | 1788.35 | 1794.40 | 1802.10 | 1811.62 | 1823.11 | 1836.69 | 1852.45 | 1870.47 | ||
| 9500 | 1784.83 | 1790.01 | 1796.86 | 1805.57 | 1816.33 | 1829.28 | 1844.56 | 1862.27 | 1882.47 | ||
| 10,000 | 1785.97 | 1791.81 | 1799.52 | 1809.32 | 1821.41 | 1835.93 | 1853.03 | 1872.80 | 1895.32 | ||
| 10,500 | 1787.20 | 1793.75 | 1802.40 | 1813.37 | 1826.87 | 1843.07 | 1862.10 | 1884.07 | 1909.02 | ||
| 11,000 | 1788.53 | 1795.85 | 1805.49 | 1817.70 | 1832.72 | 1850.70 | 1871.79 | 1896.06 | 1923.58 | ||
| Cs | 1.40E-06 | 1.47E-06 | 1.54E-06 | 1.61E-06 | 1.68E-06 | 1.75E-06 | 1.82E-06 | 1.89E-06 | ||
|---|---|---|---|---|---|---|---|---|---|---|
| Vcs(tx) | ||||||||||
| Rs | ||||||||||
| 3000 | 1789.54 | 1792.41 | 1795.66 | 1799.30 | 1803.35 | 1807.82 | 1812.74 | 1818.12 | ||
| 3500 | 1793.51 | 1797.22 | 1801.40 | 1806.08 | 1811.28 | 1817.02 | 1823.31 | 1830.18 | ||
| 4000 | 1798.18 | 1802.85 | 1808.12 | 1814.00 | 1820.53 | 1827.73 | 1835.61 | 1844.19 | ||
| 4500 | 1803.57 | 1809.36 | 1815.87 | 1823.13 | 1831.18 | 1840.03 | 1849.70 | 1860.22 | ||
| 5000 | 1809.74 | 1816.79 | 1824.71 | 1833.53 | 1843.27 | 1853.97 | 1865.65 | 1878.31 | ||
| 5500 | 1816.73 | 1825.19 | 1834.68 | 1845.23 | 1856.87 | 1869.62 | 1883.49 | 1898.51 | ||
| 6000 | 1824.56 | 1834.60 | 1845.82 | 1858.28 | 1871.99 | 1886.98 | 1903.26 | 1920.83 | ||
| 6500 | 1833.28 | 1845.04 | 1858.17 | 1872.71 | 1888.68 | 1906.09 | 1924.96 | 1945.28 | ||
| 7000 | 1842.89 | 1856.54 | 1871.74 | 1888.54 | 1906.94 | 1926.96 | 1948.60 | 1971.84 | ||
| 7500 | 1853.44 | 1869.12 | 1886.56 | 1905.78 | 1926.78 | 1949.58 | 1974.15 | 2000.49 | ||
| 8000 | 1864.94 | 1882.81 | 1902.64 | 1924.43 | 1948.20 | 1973.94 | 2001.61 | 2031.19 | ||
| 8500 | 1877.39 | 1897.60 | 1919.98 | 1944.51 | 1971.20 | 2000.01 | 2030.93 | 2063.90 | ||
| 9000 | 1890.82 | 1913.52 | 1938.58 | 1965.99 | 1995.74 | 2027.79 | 2062.08 | 2098.56 | ||
| 9500 | 1905.23 | 1930.55 | 1958.44 | 1988.88 | 2021.82 | 2057.22 | 2095.02 | 2135.14 | ||
| 10,000 | 1920.62 | 1948.70 | 1979.55 | 2013.14 | 2049.40 | 2088.28 | 2129.69 | 2173.56 | ||
| 10,500 | 1936.99 | 1967.96 | 2001.90 | 2038.76 | 2078.46 | 2120.92 | 2166.06 | 2213.77 | ||
| 11,000 | 1954.34 | 1988.32 | 2025.47 | 2065.71 | 2108.96 | 2155.11 | 2204.07 | 2255.71 | ||
References
- Ning, L.; Yuan, T.; Wu, H.; Dhanasekaran, R. New Power System Based on Renewable Energy in the Context of Dual Carbon. Int. Trans. Electr. Energy Syst. 2022, 2022, 1–8. [Google Scholar] [CrossRef]
- Mudadla, D.; Potnuru, D.; Satish, R.; Abdelaziz, A.Y.; El-Shahat, A. New Class of Power Converter for Performing the Multiple Operations in a Single Converter: Universal Power Converter. Energies 2022, 15, 6293. [Google Scholar] [CrossRef]
- Chen, J.; Liu, C.; Liu, H.; Li, G. Zero-Voltage Switching Full-Bridge Converter With Reduced Filter Requirement and Wide ZVS Range for Variable Output Application. IEEE Trans. Ind. Electron. 2022, 69, 6805–6816. [Google Scholar] [CrossRef]
- Liu, G.; Wang, B.; Liu, F.; Wang, X.; Guan, Y.; Wang, W.; Wang, Y.; Xu, D. An Improved Zero-Voltage and Zero-Current- Switching Phase-Shift Full-Bridge PWM Converter With Low Output Current Ripple. IEEE Trans. Power Electron. 2023, 38, 3419–3432. [Google Scholar] [CrossRef]
- Yen, W.-W.; Chao, P.C.P. A ZVS Phase-Shift Full-Bridge Converter with Input Current Steering to Reduce EMI Noise. IEEE Trans. Power Electron. 2022, 37, 11937–11950. [Google Scholar] [CrossRef]
- Chen, N.; Chen, M.; Li, B.; Wang, X.; Sun, X.; Zhang, D.; Jiang, F.; Han, J. Synchronous Rectification Based on Resonant Inductor Voltage for CLLC Bidirectional Converter. IEEE Trans. Power Electron. 2022, 37, 547–561. [Google Scholar] [CrossRef]
- Elezab, A.; Zayed, O.; Abuelnaga, A.; Narimani, M. High Efficiency LLC Resonant Converter With Wide Output Range of 200–1000 V for DC-Connected EVs Ultra-Fast Charging Stations. IEEE Access 2023, 11, 33037–33048. [Google Scholar] [CrossRef]
- Wei, Y. An LLC and LCL-T Resonant Tanks Based Topology for Battery Charger Application. CPSS Trans. Power Electron. Appl. 2021, 6, 263–275. [Google Scholar] [CrossRef]
- Bakan, A.F.; Altintaş, N.; Aksoy, I. An Improved PSFB PWM DC–DC Converter for High-Power and Frequency Applications. IEEE Trans. Power Electron. 2013, 28, 64–74. [Google Scholar] [CrossRef]
- Zhao, L.; Li, H.; Hou, Y.; Yu, Y. Operation analysis of a phase-shifted full-bridge converter during the dead-time interval. IET Power Electron. 2016, 9, 1777–1783. [Google Scholar] [CrossRef]
- You, J.; Cheng, L.; Fu, B.; Deng, M. Analysis and Control of Input-Parallel Output-Series Based Combined DC/DC Converter With Modified Connection in Output Filter Circuit. IEEE Access 2019, 7, 58264–58276. [Google Scholar] [CrossRef]
- Lee, S.; Jeung, Y.-C.; Lee, D.-C. Voltage Balancing Control of IPOS Modular Dual Active Bridge DC/DC Converters Based on Hierarchical Sliding Mode Control. IEEE Access 2019, 7, 9989–9997. [Google Scholar] [CrossRef]
- Darwish, A.; Elgenedy, M.A.; Finney, S.J.; Williams, B.W.; McDonald, J.R. A Step-Up Modular High-Voltage Pulse Generator Based on Isolated Input-Parallel/Output-Series Voltage-Boosting Modules and Modular Multilevel Submodules. IEEE Trans. Ind. Electron. 2019, 66, 2207–2216. [Google Scholar] [CrossRef]
- Suryadevara, R.; Parsa, L. Full-Bridge ZCS-Converter-Based High-Gain Modular DC-DC Converter for PV Integration With Medium-Voltage DC Grids. IEEE Trans. Energy Convers. 2019, 34, 302–312. [Google Scholar] [CrossRef]
- Tran, D.-D.; Vu, H.-N.; Yu, S.; Choi, W. A Novel Soft-Switching Full-Bridge Converter With a Combination of a Secondary Switch and a Nondissipative Snubber. IEEE Trans. Power Electron. 2018, 33, 1440–1452. [Google Scholar] [CrossRef]
- Escudero, M.; Kutschak, M.-A.; Meneses, D.; Morales, D.P.; Rodriguez, N. Synchronous Rectifiers Drain Voltage Overshoot Reduction in PSFB Converters. IEEE Trans. Power Electron. 2020, 35, 7419–7433. [Google Scholar] [CrossRef]
- Kwon, Y.-E.; Ju, Y.-W.; Kim, D.-U.; Kim, C.-E. Design of high efficiency phase-shift full-bridge converter with minimized power loss on primary-side clamp diodes. J. Power Electron. 2022, 23, 79–88. [Google Scholar] [CrossRef]
- Zhao, L.; Li, H.; Wu, X.; Zhang, J. An Improved Phase-Shifted Full-Bridge Converter with Wide-Range ZVS and Reduced Filter Requirement. IEEE Trans. Ind. Electron. 2018, 65, 2167–2176. [Google Scholar] [CrossRef]
- Kim, Y.-D.; Cho, K.-M.; Kim, D.-Y.; Moon, G.-W. Wide-Range ZVS Phase-Shift Full-Bridge Converter with Reduced Conduction Loss Caused by Circulating Current. IEEE Trans. Power Electron. 2013, 28, 3308–3316. [Google Scholar] [CrossRef]
- Tian, J.; Zhang, Y.; Ren, X.; Wang, X.; Tao, H. Calculation of Leakage Inductance of Integrated Magnetic Transformer with Separated Secondary Winding Used in ZVS PSFB Converter. J. Magn. 2016, 21, 644–651. [Google Scholar] [CrossRef]
- Chen, W.; Ruan, X.; Chen, Q.; Ge, J. Zero-Voltage-Switching PWM Full-Bridge Converter Employing Auxiliary Transformer to Reset the Clamping Diode Current. IEEE Trans. Power Electron. 2010, 25, 1149–1162. [Google Scholar] [CrossRef]
- Ma, D.; Chen, W.; Ruan, X. A Review of Voltage/Current Sharing Techniques for Series–Parallel-Connected Modular Power Conversion Systems. IEEE Trans. Power Electron. 2020, 35, 12383–12400. [Google Scholar] [CrossRef]
- Li, T.; Parsa, L. Design, Control, and Analysis of a Fault-Tolerant Soft-Switching DC–DC Converter for High-Power High-Voltage Applications. IEEE Trans. Power Electron. 2018, 33, 1094–1104. [Google Scholar] [CrossRef]
- Lian, Y.; Grain, A.; Derrick, H.; Stephen, F. Modular input-parallel output-series DC/DC converter control with fault detection and redundancy. IET Gener. Transm. Distrib. 2016, 10, 1361–1369. [Google Scholar] [CrossRef]
- Wu, T.F.; Tsai, C.T.; Chen, Y.M.; Chang, Y.D. Analysis and Implementation of an Improved Current-Doubler Rectifier With Coupled Inductors. IEEE Trans. Power Electron. 2008, 23, 2681–2693. [Google Scholar] [CrossRef]




















| Parameter | Value |
|---|---|
| 240 V | |
| 2000 V | |
| Transformer ratio 1:n | 1:6 |
| 15 kHz | |
| 2 μH | |
| 0.9 μF | |
| 4.7 kΩ | |
| 630 pF | |
| 100 kW |
| Absorption Capacitance Cs (μF) | Discharge Resistance Rs (kΩ) | The Predicted Value of Spike Voltage (V) | |
|---|---|---|---|
| a | 0.9 | 4.7 | 1782 |
| b | 1.2 | 6.2 | 1841 |
| c | 1.4 | 7.5 | 1937 |
| Absorption Capacitance Cs (μF) | Discharge Resistance Rs (kΩ) | The Predicted Value of Spike Voltage (V) | Spike Voltage Error Rate (%) | |
|---|---|---|---|---|
| a | 0.9 | 4.7 | 1794 | 0.67 |
| b | 1.2 | 6.2 | 1857 | 0.87 |
| c | 1.4 | 7.5 | 1963 | 1.34 |
Disclaimer/Publisher’s Note: The statements, opinions and data contained in all publications are solely those of the individual author(s) and contributor(s) and not of MDPI and/or the editor(s). MDPI and/or the editor(s) disclaim responsibility for any injury to people or property resulting from any ideas, methods, instructions or products referred to in the content. |
© 2023 by the authors. Licensee MDPI, Basel, Switzerland. This article is an open access article distributed under the terms and conditions of the Creative Commons Attribution (CC BY) license (https://creativecommons.org/licenses/by/4.0/).
Share and Cite
Sun, F.; Chen, J.; Lin, X.; Liao, D. Analysis and Suppression of Rectifier Diode Voltage Oscillation Mechanism in IPOS High-Power PSFB Converters. Electronics 2023, 12, 2871. https://doi.org/10.3390/electronics12132871
Sun F, Chen J, Lin X, Liao D. Analysis and Suppression of Rectifier Diode Voltage Oscillation Mechanism in IPOS High-Power PSFB Converters. Electronics. 2023; 12(13):2871. https://doi.org/10.3390/electronics12132871
Chicago/Turabian StyleSun, Fei, Jun Chen, Xinchun Lin, and Dongchu Liao. 2023. "Analysis and Suppression of Rectifier Diode Voltage Oscillation Mechanism in IPOS High-Power PSFB Converters" Electronics 12, no. 13: 2871. https://doi.org/10.3390/electronics12132871
APA StyleSun, F., Chen, J., Lin, X., & Liao, D. (2023). Analysis and Suppression of Rectifier Diode Voltage Oscillation Mechanism in IPOS High-Power PSFB Converters. Electronics, 12(13), 2871. https://doi.org/10.3390/electronics12132871
