A High-Power Density DC Converter for Medium-Voltage DC Distribution Networks
Abstract
:1. Introduction
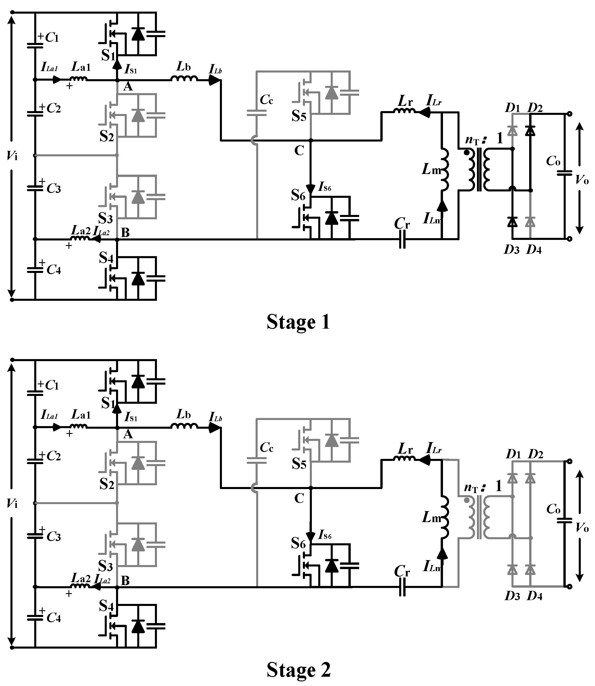
2. Modular Combined DC Converter Topology Based on Buck-LLC Integration
3. SDBuck-LLC’s Operating Principle and Steady-State Analysis
3.1. Analysis of Working Mode and Working Principle
- (a)
- In stage 4 of mode Y2, the voltage applied at both ends of Lb is Vi-VCc, which is negative at this time, in a low demagnetization state, and ILb slowly decreases.
- (b)
- The deep excitation state time corresponding to stages 1, 2, and 3 is lengthened, and the resonant negative half-cycle corresponding to this period is also lengthened.
- (c)
- The deep demagnetization state time corresponding to stages 6 and 7 is shortened, and the resonant positive half-period corresponding to this period is also shortened.
3.2. Characteristics of DC Voltage Gain
3.3. Voltage Stress and Power Characteristics
3.4. Soft-Switching Characteristics
4. Experimental Verification
4.1. Experimental Prototype
4.2. Experimental Scheme
5. Conclusions
Author Contributions
Funding
Data Availability Statement
Conflicts of Interest
References
- Rong, Z.; Zhao, Y.; Zhao, B.; Qing, Z.; Tong, Y.; Yuan, Z.; Yu, Z.; Zhao, Z.; Li, Y.; Chen, J. A Prospective Look on Research and Application of DC Power Distribution Technology. Proc. CSEE 2018, 38, 6791–6801, 7114. [Google Scholar]
- Han, Y.; Gao, Y.; Zheng, W.; Zhang, J.; Zhang, J.; Li, L. Study on coordination protection of overcurrent and overvoltage in multiterminal VSC-DC distribution system. South. Power Syst. Technol. 2019, 13, 1–8. [Google Scholar]
- Gomis-bellmunt, O.; Sau-Bassols, J.; Prieto-Araujo, E. Flexible converters for meshed HVDC grids: From flexible AC transmission systems (FACTS) to flexible DC grids. IEEE Trans. Power Deliv. 2020, 35, 2–15. [Google Scholar] [CrossRef]
- Shuai, Z.; Huang, W.; Shen, C.; Ge, J.; Shen, Z.J. Characteristics and restraining method of fast transient inrush fault currents in synchronverters. IEEE Trans. Ind. Electron. 2017, 35, 7487–7497. [Google Scholar] [CrossRef]
- Liu, B.; Tu, C.; Xiao, F.; Yu, X.; Guo, Q.; Shuai, Z. Overview of Topology and Control of Medium and Low Voltage DC Transformers. Electr. Power Autom. Equip. 2021, 41, 232–246. [Google Scholar]
- Nabae, A.; Takahashi, I.; Akagi, H. A new neutral-point-clamped PWM inverter. IEEE Trans. Ind. Appl. 1981, IA–17, 518–523. [Google Scholar] [CrossRef]
- Montesinos-Miracle, D.; Massot-Campos, M.; Bergas-Jane, J.; Galceran-Arellano, S.; Rufer, A. Design and control of a modular multilevel DC/DC converter for regenerative applications. IEEE Trans. Power Electron. 2013, 28, 3970–3979. [Google Scholar] [CrossRef]
- Zhao, X.; Li, B.; Fu, Q.; Mao, S.; Xu, D.; Leon, J.I.; Franquelo, L.G. DC solid state transformer based on three-level power module for interconnecting MV and LV DC distribution systems. IEEE Trans. Power Electron. 2021, 36, 1563–1577. [Google Scholar] [CrossRef]
- Quraan, M.; Yeo, T.; Tricoli, P. Design and control of modular multilevel converters for battery electric vehicles. IEEE Trans. Power Electron. 2016, 31, 507–517. [Google Scholar] [CrossRef]
- Yang, J.; Zhang, K.; Chen, W.; Zhao, G.; Chen, Z.; Dong, K. Review on researches of high-power medium-frequency transformer. J. Power Supply 2020, 18, 4–17. [Google Scholar]
- Sun, C.; Zhang, J.; Cai, X.; Shi, G. Analysis and arm voltage control of isolated modular multilevel DC-DC converter with asymmetric branch impedance. IEEE Trans. Power Electron. 2016, 32, 5978–5990. [Google Scholar] [CrossRef]
- Chen, Y.; Zhao, S.; Li, Z.; Wei, X.; Kang, Y. Modeling and control of the isolated DC–DC modular multilevel converter for electric ship medium voltage direct current power system. IEEE J. Emerg. Sel. Top. Power Electron. 2017, 5, 124–139. [Google Scholar] [CrossRef]
- Zhao, B.; Song, Q.; Li, J.; Wang, Y.; Liu, W. High-Frequency-Link Modulation Methodology of DC-DC transformer based on modular multilevel converter for HVDC application: Comprehensive Analysis and Experimental Verification. IEEE Trans. Power Electron. 2017, 32, 3413–3424. [Google Scholar] [CrossRef]
- Yu, F.; Wang, Z.; Liu, X. A gradationally controlled modular multilevel converter and its application. Power Syst. Prot. Control 2022, 50, 69–77. [Google Scholar]
- Cui, S.; Soltau, N.; De Doncker, R.W. A high step-up ratio soft-switching DC–DC converter for interconnection of MVDC and HVDC Grids. IEEE Trans. Power Electron. 2018, 33, 2986–3001. [Google Scholar] [CrossRef]
- Xiang, X.; Zhang, X.; Luth, T.; Merlin, M.M.; Green, T.C. A compact modular multilevel DC–DC converter for high step-ratio MV and HV use. IEEE Trans. Ind. Electron. 2018, 65, 7060–7071. [Google Scholar] [CrossRef]
- Shi, Y.; Mo, R.; Li, H.; Pan, Z. A novel ISOP current-fed modular dual-active-bridge (CF-MDAB) DC-DC converter with DC fault ride-through capability for MVDC application. In Proceedings of the 2017 IEEE Energy Conversion Congress and Exposition, Cincinnati, OH, USA, 1–5 October 2017. [Google Scholar]
- Shi, Y.; Li, H. Isolated Modular multilevel DC–DC converter with DC fault current control capability based on current-fed dual active bridge for MVDC application. IEEE Trans. Power Electron. 2018, 33, 2145–2161. [Google Scholar] [CrossRef]
- Jovcic, D. Bidirectional, High-power DC transformer. IEEE Trans. Power Deliv. 2009, 24, 2276–2283. [Google Scholar] [CrossRef]
- Zhang, X.; Green, T.C.; Junyent-Ferre, A. A new resonant modular multilevel step-down DC–DC converter with inherent-balancing. IEEE Trans. Power Electron. 2015, 30, 78–88. [Google Scholar] [CrossRef]
- Xiang, X.; Zhang, X.; Chaffey, G.P.; Green, T.C. An isolated resonant mode modular converter with flexible modulation and variety of configurations for MVDC application. IEEE Trans. Power Deliv. 2018, 33, 508–519. [Google Scholar] [CrossRef]
- Chen, W. Research on Series and Parallel Combination System of Multi-Converter Module; Nanjing University of Aeronautics and Astronaut: Nanjing, China, 2009. [Google Scholar]
- Zhao, B.; Song, Q.; Liu, W.; Sun, Y. Overview of dual-active-bridge isolated bidirectional DC–DC converter for high-frequency-link power-conversion system. IEEE Trans. Power Electron. 2014, 29, 4091–4106. [Google Scholar] [CrossRef]
- Zhao, B.; Song, Q.; Liu, W. High-frequency-link DC solid state transformers for flexible dc distribution. Proc. CSEE 2014, 34, 4295–4303. [Google Scholar]
- Chub, A.; Costa, L.; Liserre, M. Analysis and design of asymmetric quad-active-bridge converter. In Proceedings of the IECON 2017—43rd Annual Conference of the IEEE Industrial Electronics Society, Beijing, China, 29 October–1 November 2017. [Google Scholar]
- Ji, Z. Research on Key Techniques of Cascaded Power Electronic Transformer; Southeast University: Nanjing, China, 2015. [Google Scholar]
- Costa, L.F.; De Carne, G.; Buticchi, G.; Liserre, M. The smart transformer: A solid-state transformer tailored to provide ancillary services to the distribution grid. IEEE Power Electron. Mag. 2017, 4, 56–67. [Google Scholar] [CrossRef]
- Huber, J.E.; Kolar, J.W. Applicability of solid-state transformers in today’s and future distribution grids. IEEE Trans. Smart Grid 2019, 10, 317–326. [Google Scholar] [CrossRef]



















| Refs. | Voltage Stress | ZVS Ability | Tracking Performance |
|---|---|---|---|
| [9] | Medium | Poor | Poor |
| [13] | Low | Medium | Good |
| [20] | High | Medium | Medium |
| [25] | Low | Medium | Good |
| Proposed | Low | Good | Good |
| Mode | 1 | 2 | 3 | 4 |
|---|---|---|---|---|
| X (0 < D1 ≤ 0.5) | 0 < φ ≤ D1 | D1 < φ ≤ 0.5 | 0.5 < φ ≤ D1 + 0.5 | D1 + 0.5 < φ ≤ 1 |
| Y (0.5 < D1 ≤ 1) | 0 < φ ≤ D1–0.5 | D1–0.5 < φ ≤ 0.5 | 0.5 < φ ≤ D1 | D1 < φ ≤ 1 |
| Parameters | Values | Parameters | Values |
|---|---|---|---|
| Input voltage (Vi) | 750 V~1430 V | Rated output power (Po*) | 6.25~7 kW |
| Output voltage (Vo) | 400 V | Rated switching frequency (fsn) | 80 kHz |
| Resonant inductor (Lr) | 14.3 μH | Transformer turns ratio (nT) | 1:1 |
| Input capacitance (C1~C4) | 50 μF | Auxiliary inductors (La1, La2) | 180 μH |
| Phase shift (φ) | 0.15 | Resonant inductor (Lb) | 75 μH |
| Clamp capacitor (Cc) | 55 μF | Resonant capacitance (Cr) | 276.6 nF |
Disclaimer/Publisher’s Note: The statements, opinions and data contained in all publications are solely those of the individual author(s) and contributor(s) and not of MDPI and/or the editor(s). MDPI and/or the editor(s) disclaim responsibility for any injury to people or property resulting from any ideas, methods, instructions or products referred to in the content. |
© 2023 by the authors. Licensee MDPI, Basel, Switzerland. This article is an open access article distributed under the terms and conditions of the Creative Commons Attribution (CC BY) license (https://creativecommons.org/licenses/by/4.0/).
Share and Cite
Wan, D.; Zhou, Q.; Duan, X.; Zhu, J.; Li, J.; Zhou, H. A High-Power Density DC Converter for Medium-Voltage DC Distribution Networks. Electronics 2023, 12, 3975. https://doi.org/10.3390/electronics12183975
Wan D, Zhou Q, Duan X, Zhu J, Li J, Zhou H. A High-Power Density DC Converter for Medium-Voltage DC Distribution Networks. Electronics. 2023; 12(18):3975. https://doi.org/10.3390/electronics12183975
Chicago/Turabian StyleWan, Dai, Qianfan Zhou, Xujin Duan, Jiran Zhu, Junhao Li, and Hengyi Zhou. 2023. "A High-Power Density DC Converter for Medium-Voltage DC Distribution Networks" Electronics 12, no. 18: 3975. https://doi.org/10.3390/electronics12183975
APA StyleWan, D., Zhou, Q., Duan, X., Zhu, J., Li, J., & Zhou, H. (2023). A High-Power Density DC Converter for Medium-Voltage DC Distribution Networks. Electronics, 12(18), 3975. https://doi.org/10.3390/electronics12183975
